Инвертор 12-220 100 ватт для автомобиля

Среди многочисленных инверторов 12-220 Вольт, хочу представить конструкцию довольно мощного и компактного инвертора, который может питаться от бортовой сети автомобиля.
Инвертор способен отдавать 100 ватт выходной мощности, но и это не предел, с добавлением пар силовых транзисторов, можно построить инвертор с мощностью вплоть до 400 ватт, без дополнительных драйверов, для усиления сигнала с микросхемы.
Генератор построен на одной микросхеме IR2153 — это самотактируемый полумостовой драйвер, который нашел широкое применение в электронных балластах для питания газоразрядных ламп.
Диапазон питающих напряжений очень широкий, микросхема имеет довольно мощный выходной каскад, что позволяет качать 2-3 пары силовых транзисторов.
В обвязке имеем всего несколько компонентов. Силовые транзисторы я взял IRFZ44, но при желании можно использовать IRF3205 , IRL3705 или из линейки IRFZ40/46/48 или же любые N-канальные транзисторы с током не менее 40А и с рабочим напряжением 50-60 Вольт
При выборе транзисторов, следует обратить внимание на сопротивление открытого перехода, чем оно меньше, тем лучше
Трансформатор — тоже не критичен, сердечник можно взять марки 1500/2000/3000 НМ — чашки, кольца или Ш-образной формы — не принципиально. Можно ничего не мотать и взять готовый трансформатор от компьютерного блока питания, как в моем случае.
Вторичная мотается поверх первички, предварительно нужно изолировать обмотки друг от друга. Обмотка состоит из 70 витков провода 0,8 мм , межслойные изоляции ставить не надо.
Подстройка рабочей частоты генератора делается изменением номиналов частотно-задающего конденсатора и резистора.Данную схему повторил множество раз, при этом не пользовался никакими программами для расчета трансформаторов, схема всегда работала без нареканий.
Силовые транзисторы обязательно нужно установить на теплоотводы, при этом их нужно изолировать с помощью прокладок.
Автор; АКА КАСЬЯН
О трансформаторе
Об изготовлении трансформатора можно разговаривать долго, однако вникать в глубокую теорию расчетов слишком долго и далеко не каждому нужно.
Поэтому расчеты по книге Эраносяна для самых ходовых типоразмеров ферритовых колец М2000НМ1 просто сведены в таблицу 1.
Таблица 1. Габаритная мощность трансформатора при разной частоте преобразования, количество витков для первичной обмотки.
| тип | 40кГц | 50кГц | 60кГц | 70кГц | 80кГц | 90кГц | 100кГц | ||
| ДЛЯ КОЛЬЦА К40х25х11 | |||||||||
| 1 КОЛЬЦО | К40х25х11 | мощность | 100 | 130 | 160 | 175 | 200 | 220 | 250 |
| витки | 180 | 145 | 120 | 105 | 90 | 80 | 72 | ||
| 2 КОЛЬЦА | К40х25х22 | мощность | 200 | 230 | 280 | 330 | 370 | 420 | 470 |
| витки | 90 | 72 | 60 | 52 | 45 | 40 | 36 | ||
| ДЛЯ КОЛЬЦА К45х28х8 | |||||||||
| 1 КОЛЬЦО | К45х28х8 | мощность | 110 | 135 | 150 | 180 | 200 | 230 | 240 |
| витки | 217 | 174 | 145 | 124 | 110 | 97 | 87 | ||
| 2 КОЛЬЦА | К45х28х16 | мощность | 200 | 240 | 290 | 340 | 390 | 440 | 480 |
| витки | 109 | 87 | 73 | 62 | 55 | 49 | 44 | ||
| 3 КОЛЬЦА | К45х28х24 | мощность | 290 | 360 | 440 | 510 | 580 | 660 | 730 |
| витки | 82 | 66 | 55 | 47 | 41 | 36 | 33 | ||
| 4 КОЛЬЦА | К45х28х32 | мощность | 380 | 490 | 580 | 680 | 780 | 870 | 970 |
| витки | 62 | 50 | 41 | 35 | 31 | 28 | 25 | ||
| 5 КОЛЕЦ | К45х28х40 | мощность | 500 | 600 | 700 | 850 | 950 | 1100 | 1200 |
| витки | 50 | 40 | 35 | 30 | 25 | 22 | 20 | ||
| 6 КОЛЕЦ | К45х28х48 | мощность | 550 | 700 | 850 | 1000 | 1150 | 1300 | 1450 |
| витки | 41 | 33 | 28 | 24 | 21 | 19 | 17 | ||
| 7 КОЛЕЦ | К45х28х56 | мощность | 650 | 850 | 1000 | 1150 | 1350 | 1500 | 1700 |
| витки | 35 | 30 | 24 | 20 | 18 | 16 | 14 | ||
| 8 КОЛЕЦ | К45х28х64 | мощность | 750 | 950 | 1150 | 1350 | 1550 | 1750 | 1950 |
| витки | 31 | 25 | 21 | 18 | 16 | 14 | 13 | ||
| 9 КОЛЕЦ | К45х28х72 | мощность | 850 | 1000 | 1300 | 1500 | 1750 | 1950 | 2200 |
| витки | 28 | 22 | 18 | 16 | 14 | 13 | 11 | ||
| 10 КОЛЕЦ | К45х28х80 | мощность | 970 | 1200 | 1450 | 1700 | 1950 | 2200 | 2400 |
| витки | 25 | 20 | 17 | 14 | 12 | 11 | 10 |
Как видно из таблицы габаритная мощность трансформатора зависит не только от габаритов сердечника, но и от частоты преобразования.
Изготавливать трансформатор для частот ниже 40 кГц не очень логично — гармониками можно создать не преодолимые помехи в звуковом диапазоне. Изготовление трансформаторов на частоты выше 100 кГц уже непозволительно по причине саморазогрева феррита М2000НМ1 вихревыми токами.
В таблице приведены данные по первичным обмоткам, из которых легко вычисляются отношения витков/вольт и дальше уже вычислить, сколько витков необходимо для того или иного выходного напряжения труда не составит.
XLS-таблица, для помощи в расчетах (изменять только желтые ячейки) — Скачать.
Следует обратить внимание на то, что подводимое к первичной обмотке напряжение составляет 155 В — сетевое напряжение 220 В после выпрямителя и слаживающего фильтра будет составлять 310 В постоянного напряжения, схема полу мостовая, следовательно к первичной обмотке будет прилагаться половина этого значения. Так же следует помнить, что форма выходного напряжения будет прямоугольной, поэтому после выпрямителя и слаживающего фильтра величина напряжения от расчетной отличаться будет не значительно
Так же следует помнить, что форма выходного напряжения будет прямоугольной, поэтому после выпрямителя и слаживающего фильтра величина напряжения от расчетной отличаться будет не значительно.
Таблица приведена до мощностей 2400 Вт (на будущее, для более мощных вариантов схем блока питания).
Диаметры необходимых проводов рассчитываются из отношения 5 А на 1 кв мм сечения провода. Причем лучше использовать несколько проводов меньшего диаметра, чем один, более толстый провод.
Это требование относится ко всем преобразователям напряжения, с частотой преобразования выше 10 кГц, так как начинает уже сказываться скин-эффект — потери внутри проводника, поскольку на высоких частотах ток течет уже не по всему сечению, а по поверхности проводника и чем выше частота, тем сильнее сказываются потери в толстых проводниках.
Поэтому не рекомендуется использовать в преобразователях с частотой преобразования выше 30 кГц проводники толще 1 мм
Следует так же обратить внимание на фазировку обмоток — неправильно сфазированные обмотки могут либо вывести силовые ключи из строя, либо снизить КПД преобразователя
Импульсный блок питания на IR2153
В данной статье опубликована схема блока питания на IR2153, который можно использовать в качестве блока питания для УНЧ. Также эту схему можно использовать в качестве источника питания для шуруповерта изменив выходной каскад и пересчитав силовой трансформатор на нужно напряжение.
Схема импульсного блока питания на IR2153
Собственно схема блока питания на IR2153 с защитой от кз, приведена на следующем скрине.
Разъем XT1 на схеме — это подключение обмотки самопитания микросхемы, которая намотана на силовой трансформатор и рассчитана на 15 вольт. Запуск схемы производится через резистор R44 и диод VD17. После запуска схемы, микросхема начинает записываться от этой обмотки через диоды VD2 и VD4.
Сопротивление резистора R44 выбрано таким образом, чтобы схема надежно запускалась и в процессе работы сам резистор не сильно грелся.
Разъем XT2 на схеме — подключение вторичных обмоток трансформатора тока.
Пару слов о защите от кз. В схему введен трансформатор тока, первичная обмотка которого состоит из одного витка проводом диаметр 1 мм. На плату ставится трансформатор (кольцо) и через окно припаивается к плате перемычкой, эта перемычка и является витком первичной обметки.
Ниже, на фото печатной платы, стрелкой указано, как припаивается перемычка.
Вторичная обмотка токового трансформатора содержит две обмотки по 50 витков проводом 0,2 мм.
Резистором R50 подбираем нужный порог срабатывания защиты по току. Светодиод D2 сигнализирует нам, что схема находится в режиме защиты.
Также хотел отметить, схема защиты работает по «икающему» типу, то есть если выход закорочен, то защита отключает микросхему и на выходе блока питания нет напряжения, если выход не закорочен, то схема блока питания с защитой на ir2153 работает в штатном режиме.
Печатная плата блока питания на IR2153
Фото готовых печатных плат блока питания с защитой на IR2153 сделанных своими руками.
Данная статья опубликована на сайте whoby.ru. Постоянная ссылка на эту статью находится по этому адресу http://whoby.ru/page/blok-pitanija-na-ir2153
Читайте статьи на сайте первоисточнике, не поддерживайте воров.
Внешний вид импульсного блока питания на IR2153
После изготовления печатных плат, пора приступить к сборке этого мощного блока питания. Результат этой работы работы вы ведите на следующих фото.
Файлы для изготовления
Чтобы собрать данную схему источника питания на ir2153 с защитой, скачайте файл печатной платы по этой ссылке.
Если возникнут трудности с намоткой силового трансформатора, то как его правильно намотать, можно посмотреть в этой статье.
Заключение
Расчет силового трансформатора здесь не рассматривается, предполагается, что радиолюбитель рассчитает его сам, на нужные ему напряжения.
Собранная без ошибок и исправных элементов, плата источника питания запускается сразу. Остается только отрегулировать нужный ток срабатывания защиты и пользоваться устройством.
На этом я заканчиваю, всем стабильного напряжения.
Статью написал: Admin Whoby.Ru
Упрощенный мост на IR2153
Упрощенный мост на IR2153 — такое устройство как мост реализованный на универсальном драйвере для управления полевыми транзисторами, справедливо считается одним из наиболее эффективных модулей преобразователя. Но, чтобы собрать такой прибор потребуются существенные денежные вложения, а также нужно учитывать технологический уровень сложности при его изготовлении. Это если вы собираетесь взяться за конструирование высоко мощного моста на несколько киловатт, тогда да, будут некоторые затруднения.
А вот если воспользоваться приведенной ниже схемой, то никаких проблем не будет, тем более устройство собрано на двух популярных чипах IR2153 , представляющих собой высоковольтные драйвера с внутренним генератором. Принцип включения микросхем обычный и неоднократно тестировался на полумосте. Особенность вызывает первоочередное тактирование второй микросхемы от R-входа.

Номинальные значения электронных компонентов:
Насчет расчетов например: R2,С3 как сказано выше, нужно определять по даташиту, к тому же есть множество программ для расчета. Если для кого то это дремучий лес то я считаю, тогда и не надо вообще браться за конструирование.
Ниже показана печатная плата с нанесенной на нее обозначениями деталей и их места установки.


В качестве нагрузки данного моста могут послужить выходной трансформатор строчной развертки телевизора, SSTC-катушка либо что-то аналогичное им, но мощность не должна превышать 1000 Вт. Если использовать большие мощности, то нет никакой гарантии в стабильной работе микросхемы. Если же все таки возникает необходимость реализовать высокие мощности, то тогда необходимо добавить емкость конденсаторов в цепи фильтров 310v, то тогда существует вероятность, что будет прекрасно работать и на высокой мощности.
Техническая информация
1. Когда осуществляется запуск, то создается сильный импульсный бросок тока в следствии происходящего цикла зарядки конденсаторов в цепи фильтра. При этом возможно срабатывание автоматов, если такое происходит, то нужно в сетевую цепь установить NTC-термистор, который применяется для защиты импульсных питающих источников и электронных балластных систем, предварительно подобрав его значения по необходимому току.2. При подключении к мосту в качестве нагрузки выходной строчный трансформатор, то первичную обмотку нужно наматывать в количестве 65 витков не меньше.3. При компоновке элементов на печатную плату, лучше всего под микросхемы нужно будет устанавливать панельки, а в них уже помещать саму микросхему после полного завершения монтажа схемы.
Схема импульсного блока питания — 4 рабочие схемы
Схема импульсного блока питания, но не одна, а сразу четыре. В этом материале будет представлено вам несколько схем импульсных источников питания, выполненных на популярной и надежной микросхеме IR2153. Все эти проекты были разработаны известным пользователем Nem0. Поэтому я здесь буду писать от его имени. Показанные здесь все схематические решения были пару лет назад лично автором собраны и протестированы.
Но вот сейчас, в середине 2018 года, автор решил вновь предложить их вам для повторения, схемы абсолютно рабочие. В данной статье к сожалению не каждая схема имеет для наглядности фото уже готового прибора, но это пока все, что есть.
В общем начнем пока с так называемого «высоковольтного» блока питания:
Схема традиционная, которую использует Nem0 в большинстве своих конструкций импульсников. Драйвер получает питание напрямую от электросети через сопротивление. Это в свою очередь способствует уменьшению рассеиваемой на этом сопротивлении мощности, сравнительно с подачей напряжения от цепи 310v. Схема импульсного блока питания располагает функцией плавного включения напряжения, что существенно ограничивает пусковой ток. Модуль плавного пуска запитывается через конденсатор С2 понижающий сетевое напряжение 230v.
В блоке питания предусмотрена эффективная защита предотвращения короткого замыкания и пиковой нагрузки во вторичном силовом тракте. Роль датчика тока выполняет постоянный резистор R11, а регулировку тока срабатывания защиты выполняется с помощью подстроечника R10. Во время отсечки тока защитой, начинает светится светодиод, сигнализирующий о том, что защита сработала. Выходное двух полярное выпрямленное напряжение составляет +/-70v.
Трансформатор выполнен с одной первичной обмоткой, состоящей из пятидесяти витков, а 4 вторичные обмотки, содержат по двадцать три витка. Диаметр медной жилы и магнитопровод трансформатора расчитываются в зависимости от заданной мощности определенного блока питания.
Теперь рассмотрим следующий блок питания:
Эта версия блока питания во много схожа с описанной выше схемой, хотя в ней имеется существенное отличие. Дело в том, что здесь напряжение питания на драйвер поступает от специальной обмотки трансформатора, через балластный резистор. Все остальные компоненты в конструкции практически одинаковы.
Мощность на выходе этого источника питания обусловлено как характеристикой трансформатора и параметрами микросхемы IR2153, но и ресурсом диодов в выпрямителе. В данной схеме были задействованы диоды КД213А, у которых обратное максимальное напряжение 200v и прямой максимальный ток 10А. Для обеспечения корректной работы диодов при больших токах, их нужно устанавливать на радиатор.
Отдельного внимания заслуживает дроссель Т2. Наматывают его на совместном кольцевом магнитопроводе, в случае необходимости можно использовать другой сердечник. Намотка делается эмаль-проводом с сечением рассчитанным согласно току в нагрузке. Также и мощность импульсного трансформатора определяется в зависимости от того, какую выходную мощность вы хотите получить. Очень удобно делать расчеты трансформаторов с помощью специальных компьютерных калькуляторов.
Теперь третья схема импульсного блока питания на мощных полевых транзисторах IRFP460:
Этот вариант схемы уже имеет конкретную разницу относительно предыдущих моделей. Главные отличия, это система защиты от КЗ и перегруза здесь собрана с использованием трансформатора по току. И есть еще одна разница, это наличие в схеме пары предвыходных транзисторов BD140. Именно эти транзисторы дают возможность отрезать большую входную емкость мощных полевых ключей, относительно выхода драйвера.
Есть еще маленькое отличие, это гасящий напряжение резистор, относящейся к модулю плавного включения, установлен он в цепи 230v. В предыдущей схеме он расположен в силовом тракте +310v. Кроме этого в схеме имеется ограничитель перенапряжения, служащий для гашения остаточного импульса трансформатора. Во всем остальном никаких различий между приведенными выше схемами у этой больше нет.
Четвертая схема импульсника:
В этой схеме все упрощено до придела, здесь нет защиты от короткого замыкания, но собственно она не особо и нужна. В этом варианте блока питания, ток на выходе вторичной цепи 260v уменьшается на сопротивлении R6. Резистор R1 обрезает пиковый ток при пуске, а также сглаживает сетевые искажения.
Скачать: Дополнительные файлы
Предыдущая запись Схема усилителя класса D
Следующая запись Моноблок это что
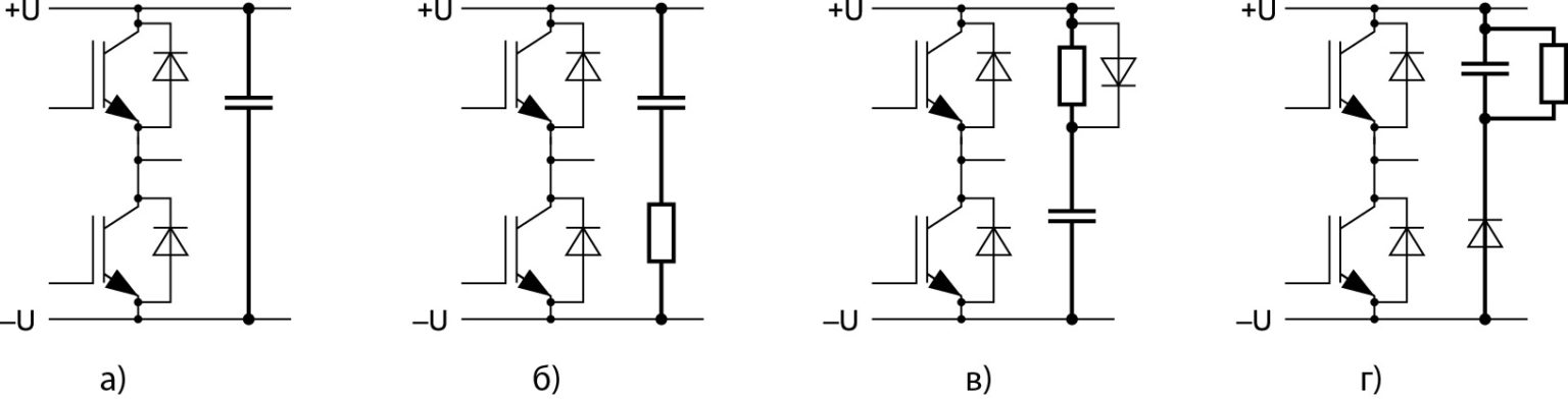
Снаббер
Чтобы скомпенсировать выбросы тока и напряжения, неизбежно возникающие при коммутации первичной обмотки трансформатора, применяются демпферные цепи, в англоязычной технической литературе называемые снабберами. Такие цепи могут устанавливаться по питанию (параллельно первичной обмотке трансформатора) либо отдельно на каждый ключ. Исполнение снабберов может быть разным, но наибольшее распространение получили демпферы в виде последовательной RC-цепочки (схема б на рисунке).
Различные схемы демпферов.
Обоснованной методики расчета снаббера не существует. Для этого надо учесть все паразитные индуктивности (обмотки, дорожек, конденсаторов) на множестве частот и для неизвестных волновых сопротивлений. Поэтому все существующие расчеты носят эмпирический характер.
Основным (и единственным) действующим элементом демпфера является конденсатор. Он «поглощает» импульсные выбросы. Резистор лишь ухудшает демпфирующие свойства, но ограничивает ток через конденсатор, который может достигнуть значительных величин, хотя и кратковременно. Такая схема более актуальна в тиристорных преобразователях.
Что такое снаббер или демпфер можете узнать посмотрев видео.
https://youtube.com/watch?v=2MTDtfEe65A
В схемах RCD-снабберов (в и г на рисунке) присутствуют диоды. Они могут быть полезны для ограничения импульсов обратной полярности в схемах с тиристорами и биполярными транзисторами. Если ключи собраны на полевых или IGBT-транзисторах, то смысла в установке вентилей нет – они дублируют диоды, имеющиеся внутри указанных транзисторов.
Емкость конденсатора выбирается в пределах 0,1–0,33 мкФ. В 90+ процентах случаев этого достаточно. Увеличение или уменьшение номинала применяется для ключей, работающих в нестандартных условиях (повышенная частота преобразования и т.п.)
Особенности и конструкция импульсных трансформаторов питания
В качестве основного элемента современных средств электропитания выступают импульсные трансформаторы. Их подразделяют по области применения и конструктивным особенностям. В зависимости от исполнения, они делятся:
- стержневые;
- броневые;
- тороидальные. Они не имеют катушек, проволока наматывается на сердечник с бумажной изоляцией;
- бронестержневые.
Для всех вышеперечисленных токовых преобразователей свойственно наличие контурного магнитопровода, выполненного из специальных марок стали. Исключение составляют тороидальные трансформаторы, чей сердечник изготовлен из феррита и выполнен в форме круга.

Пластины из электротехнической стали практически не содержат кремниевых добавок, поскольку он приводят к потере мощности за счет влияния вихревых потоков на контур стержневого магнитопровода. Тороидальные модели производят из ферромагнитных или рулонных марок стали.
Частота импульсов зависит от толщины пластин электромагнитного стержня. Чем они тоньше, тем выше частота на выходе. Представляют они собой единую конструкцию, склеенную эпоксидной смолой. Провода в катушку наматывают внутри или снаружи, зависит от целей применения.
Более надежный вариант с триггерной защитой:
Собранный блока питания.
R17 и транзистор VT4 — датчик тока, VT1 и VT3 — триггер, VT2 — при защелкивании притягивает вывод (CT) микросхемы IR2153 к земле, мгновенно останавливая генерацию. При токовой перегрузке или КЗ ИИП выключается, дальнейшая работа возможна при обесточивании на 1 минуту. С9 — предотвращает ложное срабатывание защиты при первом пуске, когда заряжаются емкости во вторичке.
Печатная плата второй версии:
Описание сборки данного блока питания.
Силовой трансформатор намотан на кольце R31*19*15 PC40.
Ферритовое кольцо.
Для надежности поверх лака уложен слой изоляции в 1 слой:
Слой изоляции.
Первичная обмотка содержит 52 витков проводом 0,75мм. Выводы дополнительно изолируются термоусадкой.
Первичная обмотка.
Далее накладываются 2 слоя изоляиции:
Двойной слой изоляции.
Вторичная обмотка содержит 11 витков, мотается разом 4-мя жилами провода 0,75мм (в диаметре). При 52 витках первички будет ровно 3в/виток, 11 витков вторички дадут нам +33/-33в на выходе.
Вторичная обмотка.
Те выводы, что снизу фиксируются нитками, также сразу надо зачистить все жилы:
Готовый трансформатор.
Синфазный дроссель, установлена перегодка для разделения обмоток:
Ферритовое кольцо для синфазного фильтра. R16*10*4.5 PC40
Обмотки выполнены проводом 0,5 мм длиной по 50см каждая, выводы также зачищаются:
Синфазный дроссель.
Проводом 0,75мм на оправке сделаны обмотки для силовых дросселей:
Намотка дросселя.
Далее на сердечниках 6*20 Zn600 с помощью клея крепятся обмотки:
Силовые дроссели.
Закупаем все необходимые детали:
Набор деталей.
Подложка от самоклейки с помощью скотчка крепится на лист бумаги А4:
Подложка.
Распечатываем на принтере рисунок платы, зеркалить ничего не надо!
Распечатанный рисунок.
Подготавливаем поверхность:
Чистка меди наждачкой.
Обезжириваем медь и кладем подложку рисунком вверх на полумягкую поверхность, например книгу:
До переноса рисунка обезжириваем поверхность меди.
Кладем текстолит медью вниз и выравниваем по отметкам:
Текстолит на рисунке.
Ставим сверху утюг, прижимаем сильно, не двигаем горячий утюг в течении 1 минуты:
Утюг — мощность на максимум.
После убираем утюг, приживаем сверху текстолит еще парочкой книг, и даем немного остынуть. Далее подложка легко отрывается, а рисунок остается на медной поверхности:
Отрываем подложку.
Кладем текстолит в раствор хлорного железа:
В растворе хлорного железа.
После травления сверлим отверстия и залуживаем:
Олово, паяльник с оплеткой и канифоль.
Вставляем резисторы и всякую мелочь:
Резисторы+перемычки.
Далее более габаритные элементы:
Остальное
Правильно фазируем обмотки, тут проще некуда, если провода заранее промаркировать:
Не забываем зачищать лак на проводах.
Вставляем трансформатор на место:
Установка трансформатора.
Загибаем выводы и запаиваем:
Осталось запаять.
Сверлим радиатор для крепления транзисторов, делаем прижимную планку, а снизу делаем отверстие сверлом на 2,5мм и метчиком на 3 нарезаем резьбу для крепления радиатора:
Сверловка отверстий и нарезка резьбы.
Устанавливаем радиатор на место:
Крепим радиатор.
Все тщательно проверяем:
Проверка на «сопли» с помощью подсветки платы фонариком.
Готовимся к проверке работоспособности от блока питания 12в:
Перед проверкой от 12 в ставим перемычку.
На вход вместо 230в подаем 12в ( +и- обозначены на плате) на выходе должно появится небольшое постоянное напряжение:
Проверка от 12в с перемычкой, на выходе около 1в в плече.
Смотрим форму сигнала на затворах транзисторов:
Форма сигнала на затворе полевика, питание 12в ( для безопасности).
А на обмотках трансформатора должен появится меандр частотой 45-47кГц:
Проверка меандра на первичке при питании от 12в.
Далее обязательно убираем перемычку с резистора снизу платы и включаем в сеть:
Первое включение от сети с резистором 200ом в разрыв.
Прижимаем транзисторы к радиатору изолировав их с помощью теплопроводных прокладок:
Крепление транзисторов к радиатору.
ИИП в сборе:
Силовые диоды при работе греются довольно сильно.
Вид сверху.
Форма сигнала на вторичных обмотках на холостом ходу:
Холостой ход, питание 220в, вторичка.
Тоже самое, но нагрузка 180вт.
Нагрузка 180вт.
ИИП работает хорошо, софтстарт, триггерная защита от КЗ. Микры китайские с али, но работают нормально, частота 47кГц. IR2153 Deadtime бы поменьше, было бы круто, напряжение под нагрузкой падает на 15%.
Детали и конструкция
Дроссель фильтра по питанию 220 Вольт (Др1) взят из импульсного БП от телевизора, подойдет любой с учетом того какую мощность желаете получить… Варистор — любой на 10 ом, только не от зарядки для телефона и подобных маломощных импульсных БП.
Индуктивность по 25 Вольтам (L) взята от компьютерного БП на 450ватт, лишние обмотки были смотаны — оставляем только те что намотаны толстым проводом.
Высокочастотный трансформатор Tr1 взят оттуда же, подробно остановлюсь на его намотке с нуля. Разобрать такой трансформатор не расколов феррит достаточно сложно. Чтобы упростить задачу, нужно положить его на плиту и нагреть до сотни градусов, иными словами как только капелька воды на феррите будет кипеть — значит можно разбирать.
При таком нагреве, клей становится мягким и половинки феррита легко вытаскиваются из каркаса с обмоткой. При намотке трансформаторов в импульсных схемах рекомендуют мотать обмотки несколькими проводами — до 8 штук одновременно.
Делать так совсем не обязательно, первичную обмотку I мотал одним эмалированным медным проводом диаметром 0,45 мм — 49 витков. Вторичные обмотки II и III мотал двумя проводами диаметром 0,8 мм — по 8 витков в каждой.
Диоды выпрямителя ставим быстродействующие — из отечественных подойдут КД213 или КД212. У последних ток нагрузки по справочнику — 1А, а у КД213 — 10А. Подойдут диоды с граничной рабочей частотой 100кгц.
Вместо транзистора IRF740 можно поставить IRF840 и им подобные. Радиатор под транзисторы можно поставить в два раза меньше, при полной длительной нагрузке транзисторы греются не очень сильно — на ощупь градусов 45. Транзисторы обязательно нужно ставить на радиатор через изолирующие прокладки.
Вместо диодов RL205 можно поставить любой диодный мост с максимальным постоянным обратным напряжением 600В и максимальным постоянным прямым током 6А.
Переходная емкость (0,1мкФ) между транзисторами и трансформатором должна быть обязательно на напряжение 630В!
С указанными номиналами данная схема обеспечивает выходную мощность примерно 200 Вт при токе до 4,5А.
Печатку к схеме БП не делал — сразу рисовал на текстолите. У каждого детали и их варианты расположения могут быть разные. Схема простая и нарисовать свою печатку не составит большого труда.
Вот что получилось у меня:

Рис. 3. План моей печатной платы для импульсного сетевого блока питания.
Как видно из наброска, вместо разделительного конденсатора между транзисторами и трансформатором у меня установлены три штуки. Пришлось так поступить поскольку как не было одного на нужное напряжение, в итоге собрал из разных конденсаторов с общей емкостью в 0,5мкФ.
Самый идеальный вариант будет — 1мкФ на 630В. Но все работает вполне нормально и с емкостью на 0,1мкФ и с емкостью на 0,5мкФ.

Рис. 4. Готовая печатная плата для импульсного источника питания (вид со стороны соединений).

Рис. 5. Готовая плата импульсного источника питания (вид со стороны деталей).

Рис. 6. Самодельный сетевой импульсный блок питания для УМЗЧ.

Рис. 7. Внешний вид сетевого импульсного БП для усилителя мощности НЧ.
Функции выводов входных сигналов
Как и любое другое электронное устройство. рассматриваемая микросхема имеет свои входы и выходы. Мы начнем с первых. Выше уже было дан перечень этих выводов TL494CN. Описание на русском языке их функционального назначения будет далее приведено с подробными пояснениями.
Вывод 1
Это положительный (неинвертирующий) вход усилителя сигнала ошибки 1. Если напряжение на нем ниже, чем напряжение на выводе 2, выход усилителя ошибки 1 будет иметь низкий уровень. Если же оно будет выше, чем на контакте 2, сигнал усилителя ошибки 1 станет высоким. Выход усилителя по существу, повторяет положительный вход с использованием вывода 2 в качестве эталона. Функции усилителей ошибки будут более подробно описаны ниже.
Вывод 2
Это отрицательное (инвертирующий) вход усилителя сигнала ошибки 1. Если этот вывод выше, чем на выводе 1, выход усилителя ошибки 1 будет низким. Если же напряжение на этом выводе ниже, чем напряжение на выводе 1, выход усилителя будет высоким.
Вывод 15
Он работает точно так же, как и № 2. Зачастую второй усилитель ошибки не используется в TL494CN. Схема включения ее в этом случае содержит вывод 15 просто подключенный к 14-му (опорное напряжение +5 В).
Вывод 16
Он работает так же, как и № 1. Его обычно присоединяют к общему № 7, когда второй усилитель ошибки не используется. С выводом 15, подключенным к +5 В и № 16, подключенным к общему, выход второго усилителя низкий и поэтому не имеет никакого влияния на работу микросхемы.
Вывод 3
Этот контакт и каждый внутренний усилитель TL494CN связаны между собой через диоды. Если сигнал на выходе какого-либо из них меняется с низкого на высокий уровень, то на № 3 он также переходит в высокий
Когда сигнал на этом выводе превышает 3,3 В, выходные импульсы выключаются (нулевая скважность). Когда напряжение на нем близко к 0 В, длительность импульса максимальна
В промежутке между 0 и 3,3 В, длительность импульса составляет от 50% до 0% (для каждого из выходов ШИМ-контроллера — на выводах 9 и 10 в большинстве устройств).
Если необходимо, контакт 3 может быть использован в качестве входного сигнала или может быть использован для обеспечения демпфирования скорости изменения ширины импульсов. Если напряжение на нем высокое (> ~ 3,5 В), нет никакого способа для запуска ИБП на ШИМ-контроллере (импульсы от него будут отсутствовать).
Вывод 4
Он управляет диапазоном скважности выходных импульсов (англ. Dead-Time Control)
Если напряжение на нем близко к 0 В, микросхема будет в состоянии выдавать как минимально возможную, так и максимальную ширину импульса (что задается другими входными сигналами). Если на этот вывод подается напряжение около 1,5 В, ширина выходного импульса будет ограничена до 50% от его максимальной ширины (или ~ 25% рабочего цикла для двухтактного режима ШИМ-контроллера). Если напряжение на нем высокое (> ~ 3,5 В), нет никакого способа для запуска ИБП на TL494CN. Схема включения ее зачастую содержит № 4, подключенный напрямую к земле.
Важно запомнить! Сигнал на выводах 3 и 4 должен быть ниже ~ 3,3 В. А что будет, если он близок, например, к + 5 В? Как тогда поведет себя TL494CN? Схема преобразователя напряжения на ней не будет вырабатывать импульсы, т.е
не будет выходного напряжения от ИБП.
Вывод 5
Служит для присоединения времязадающего конденсатора Ct, причем второй его контакт присоединяется к земле. Значения емкости обычно от 0,01 μF до 0,1 μF. Изменения величины этого компонента ведут к изменению частоты ГПН и выходных импульсов ШИМ-контроллера. Как правило здесь используются конденсаторы высокого качества с очень низким температурным коэффициентом (с очень небольшим изменением емкости с изменением температуры).
Вывод 6
Для подключения врямязадающего резистора Rt, причем второй его контакт присоединяется к земле. Величины Rt и Ct определяют частоту ГПН.
f = 1,1 : (Rt х Ct).
Вывод 7
Он присоединяется к общему проводу схемы устройства на ШИМ-контроллере.
Вывод 12
Он замаркирован литерами VCC. К нему присоединяется «плюс» источника питания TL494CN. Схема включения ее обычно содержит № 12, соединенный с коммутатором источника питания. Многие ИБП используют этот вывод, чтобы включать питание (и сам ИБП) и выключать его. Если на нем имеется +12 В и № 7 заземлен, ГПН и ИОН микросхемы будут работать.
Вывод 13
Это вход режима работы. Его функционирование было описано выше.





