Введение
История исследования и открытий в области электричества тесно связана с использованием разнообразных конструкций электрических машин устройств, для получения электрических зарядов, называемых также электростатическими машинами. Конструкция электростатических машин основана на принципе получения электрической энергии за счет механической работы, затрачиваемой при приведении в движение (вращение) подвижных частей машины, в первую очередь, на преодоление сил притяжения или отталкивания, действующих в каждый момент между разноименно и одноименно наэлектризованными движущимися частями машины.
Изучение принципов действия электростатических машин, подразделяемых на машины трения и электрофорные машины, способствовало лучшему пониманию природы электричества, поэтому они являлись не только устройствами для получения больших электрических зарядов, но и научно-исследовательскими стендами.
В отличие от машин трения действие электрофорных машин основано на возбуждении электричества благодаря явлению индукции, т.е. без непосредственного соприкосновения вызывающих электризацию частей машины.
В данной курсовой работе с помощью электрофорной машины я продемонстрирую изучение основ электродинамики и электростатики, характер распределения зарядов на поверхности проводника, введение понятия «электроёмкость» с помощью электрофорной машины.
Делаем вечный генератор электричества

Человечество всегда стремилось создать альтернативные способы добычи электричества. Результатом этих стремлений стали солнечные и дымовые генераторы, а также прочие аппараты, позволяющие получить электричество нестандартным способом. В этом материале будет представлен обзор видеоролика по изготовлению такого генератора, который позволит получить электричество. Начнем с авторского видеоролика
Нам понадобится: — несколько формочек для льда; — яблочный уксус; — медные провода; — гвозди; — кусачки.

Для начала необходимо нарезать медные провода на 5-сантиметровые кусочки. Это можно делать голыми руками, но для облегчения работы советуем воспользоваться кусачками.

Далее полученные куски нужно хорошенько скрутить и накрутить на верхнюю часть гвоздя. Таких гвоздей с проволокой нужно сделать по количеству ячеек формочки, так что советуем набраться терпения. У автора, например, 32 ячеек, и он использует 16 гвоздей.

Следующим делом заливаем яблочный уксус в формочки для льда. Заливать нужно примерно на половину, но не страшно, если налили чуть больше, поскольку можно слить лишний уксус при помощи трубки.

Далее берем гвозди с медной проволокой и размещаем их в формочки так, чтобы в одной формочке было по одному гвоздю и проволоке, за исключением двух крайних ячеек. Для большей наглядности представляем конечный результат на рисунке ниже.

Авторский тест с использованием мультиметра показал, что такой генератор выдает 2.5 вольта. Увеличить напряжение самодельного генератора можно путем доливания уксуса в свободные ячейки и добавления гвоздей. Добавление уксуса в 4 ячейки увеличило мощность на 1 вольт. Для подключения светодиода нужно 4.5 – 5 вольт, поэтому придется залить уксус в 16 ячеек.

Перейдем к подключению светодиода. Достаточно окунуть контакты светодиодной лампочки в крайние ячейки с уксусом, чтобы он загорелся.

Авторский тест с использованием всех 32 ячеек показал, что такой генератор может выдавать 12 вольт. При увеличение концентрации уксуса можно увеличить напряжение.

Самодельный генератор готов. Доставка новых самоделок на почту
Получайте на почту подборку новых самоделок. Никакого спама, только полезные идеи!
*Заполняя форму вы соглашаетесь на обработку персональных данных
Становитесь автором сайта, публикуйте собственные статьи, описания самоделок с оплатой за текст. Подробнее здесь.
usamodelkina.ru
Тестатика
Продолжение здесь: https://vk.com/topic-55097967_33958449″> Сверх Единичные электрические машиныОсновополагающая идея. Очень трудно понять почему никто не обращал внимания на то что из формулы кинетической энергии «эм вэ квадрат делённое на два» напрямую следует что при уменьшении скорости вдвое, — количество энергии уменьшается вчетверо, и не попытался такую асимметрию использовать. Что это, инертность мышления. и только?Со времён водяного колеса принципиальная кинематическая схема двигателей остаётся практически неизменной. ———————————————
Решение:mv^2/2=Е; (1х1^2)/2=0,5Дж ; 0,5Дж/2=0,25Дж; v=(2E/m)^1/2; (2х0,25/1)^1/2=0,707106. м/сОтвет:Пружина растолкнёт два тела массой по 1кг придав каждому из них скорость 0,707106. м/с (т.е. половина корня квадратного из двух)Относительная скорость двух тел составит 1,414213. (корень квадратный из двух)Остаётся это использовать в работе электрических машин.Вот, хоть и не совсем то, но как иллюстрация вполне сгодится:https://pp.vk.me/c622320/v622320661/4dd8e/P—k01bC9uM..(см.вверху)Оба ротора вращают один вал, либо вращаются одним валом. Только так!
Все схемы электрических машин с единственным ротором бессмысленны и изначально порочны. «> Нехитрый алгоритм для создания сверхединичных устройств заключён в следующей задачке:
Пружина отталкивает (напр. от стены) тело массой 1кг, придавая ему скорость 1м/с.Какую скорость приобретут два тела массой 1кг каждое, расталкиваемые той же пружиной? Какова будет относительная скорость двух тел?
|
|
действующего генератора свободной энергии, построенного в условиях мастерской своими руками, когда руки и голова у человека на месте. Принципиально это двигатель-генератор, использующий для выработки электроэнергии статическое электричество.
Генератор получил известность после публикации в СМИ.
В духовной общине Methernita, Линден в Швейцарии, с 1980-х годов работают устройства, генерирующие 220 Вольт для бытовых нужд поселка. Суммарная мощность систем составляет более 750 Киловатт. Изобретатель назвал свое устройство Swiss M-L converter , Thesta-Distatica, и заявил, что он получил описание конструкции и принципы работы во время медитации.
С технической точки зрения, устройство представляет собой модернизированный электрофорный генератор Вимшурста, диски которого способны вращаться постоянно за счет сил электростатического взаимодействия. В конструкцию также входят постояные магниты. Машина с диаметром дисков 20 сантиметров производит около 200 Ватт мощности. Большая машина имеет диски диаметром 2 метра и производит около 30 Кватт.
Детали описания конструкции могут быть получены от Швейцарской Ассоциации Свободной Энергии. Проект развивается группой исследователей Methernita, CH 3517, Linden, Switzerland. В основе лежит электростатический генератор Вимшурста, который использует стальные или алюминиевые сегменты. Отмечено, что при использовании постоянных подковообразных магнитов в современной версии конвертера, ЭДС значительно увеличивается. Специальный диодный модуль и лейденские банки обеспечивают регулировку частоты за счет резонанса, поскольку они соединены с катушками подковообразных магнитов.
Генератор использует принцип усиления статики. Машина достаточно простая, ее реально собрать в домашних условиях. Вполне возможно получать мощность 10-20 Квт, чего для домашних нужд больше чем достаточно.
Миф или реальность?
Вечный двигатель знаком практически каждому еще со школьной скамьи, только на уроках физики четко утверждалось, что добиться практической реализации невозможно из-за сил трения в движущихся элементах. Среди современных разработок магнитных моторов представлены самоподдерживающие модели, в которых магнитный поток самостоятельно создает вращательное усилие и продолжает себя поддерживать в течении всего процесса работы. Но основным камнем преткновения является КПД любого двигателя, включая магнитный, так как он никогда не достигает 100%. Со временем мотор все равно остановится.
Поэтому все практические модели требуют повторного вмешательства через определенное время или каких-либо сторонних элементов, работающих от независимого источника питания. Наиболее вероятным вариантом бестопливных двигателей и генераторов выступает магнитная машина. В которой основной движущей силой будет магнитное взаимодействие между постоянными магнитами, электромагнитными полями или ферромагнитными материалами.
Актуальным примером реализации являются декоративные украшения, выполненные в виде постоянно двигающихся шаров, рамочек или других конструкций. Но для их работы необходимо использовать батарейки, которые питают постоянным током электромагниты. Поэтому далее рассмотрим тот принцип действия, который подает самые обнадеживающие ожидания.
Старлайт

Это материал, который способен выдерживать воздействие сверхвысоких температур — более 10 000 градусов…
Создателем удивительного композита является изобретатель-любитель из Йоркшира — Морис Уорд.
Уникальное изобретение “засветилось” на телепередаче “Tomorrows World” в марте 90-ого года. Чтобы проиллюстрировать возможности материала, ведущий покрыл одно куриное яйцо слоем старлайта, а второй оставил без изменений. Оба яйца подвергли нагреву ацетиленовой горелкой, и скорлупа без “термозащиты” мгновенно расплавилась. Каково же было удивление телезрителей, когда после 5-тиминутного нагрева покрытое композитом яйцо осталось целым и невредимым! Ведущий разбил его — оно оказалось абсолютно сырым.
Таким образом, термостойкий состав, по своим характеристикам “переплюнувший” даже кварцевый аэрогель, состоит из 21 ингредиента. Технология была просто обречена на всемирную известность, её можно было запустить в массовое производство, но… В 2011 году изобретатель унёс с собой в могилу тайну создания старлайта.
Роторный кольцар Лазарева
Большой популярностью пользуется схема вечного двигателя на магнитах на основе проекта Лазарева. На сегодняшний день его роторный кольцар считается устройством, реализация которая максимально близка к концепции вечного двигателя
Важное преимущество разработки Лазарева состоит в том, что даже без профильных знаний и серьезный затрат можно собрать подобный вечный двигатель на неодимовых магнитах своими руками. Такое устройство представляет собой емкость, разделенную пористой перегородкой на две части
Автор разработки использовал в качестве перегородки специальный керамический диск. В него устанавливается трубка, а в емкость заливается жидкость. Для этого оптимально подходят улетучивающиеся растворы (например, бензин), но можно использовать и простую водопроводную воду.

Механизм работы двигателя Лазарева очень просто. Сначала жидкость подается через перегородку вниз емкости. Под давлением раствор начинает подниматься по трубке. Под получившейся капельницей размещают колесо с лопастями, на которых устанавливают магниты. Под силой падающих капель колесо вращается, образуя постоянное магнитное поле. На основе этой разработки успешно создан самовращающийся магнитный электродвигатель, на которой зарегистрировало патент одно отечественное предприятие.
Применения

Электровозный преобразователь высокого (3000 В) постоянного напряжения в низкое постоянное Принцип действия умформера может применяться для преобразования:
- рода тока;
- напряжения;
- частоты;
- числа и смещения фаз.
Широко использовались в авиационной, танковой и ракетной технике СССР вплоть до 70-х годов, в частности, для питания ламповых устройств. В частности, на отечественной авиационной технике чрезвычайно распространены однофазные (серии ПО — преобразователь однофазный) и трёхфазные (серии ПТ) преобразователи, питающиеся постоянным напряжением 27 В, например, ПО-600, выдающий однофазное напряжение 127 В, 50 Гц, ПТ-1000, выдающий трёхфазное напряжение 36 В, 400 Гц, ПО-4500 выходной мощностью 4,5 кВА, напряжением 115 В, частотой 400 Гц. Похожие преобразователи установлены на пассажирских вагонах выпусков 50—70-хх годов XX века, например, ППО-2-400У4 и MB12, преобразующие 50 В постоянного тока в 220 В, 400—425 Гц для питания люминесцентных светильников, или маломощные преобразователи, вырабатывающие 127 В, 50 Гц для питания электробритв.
Умформеры использовались в системах электрического питания ЭВМ первого поколения. В военной технике СССР, работавшей от собственного 400-герцового генератора, умформер ставили в месте стационарной установки, чтобы запитать от промышленной сети.
Умформеры (мотор-генераторы) применяются на трамваях, троллейбусах с косвенной системой управления, электровозах и электропоездах постоянного тока для получения низкого напряжения (24 и 50 В соответственно), питающего цепи управления. На некоторых старых моделях подъёмных кранов, например, КС-5363 и канатных экскаваторов с дизель-электрическим приводом постоянного тока наряду с ДВС для привода генератора предусмотрен электродвигатель переменного тока для работы от внешней сети. В 80-х—90-х годах на городском электротранспорте были вытеснены статическими полупроводниковыми преобразователями на тиристорах (ТЗУ), а позже — на транзисторах.
https://youtube.com/watch?v=rTWcf9xzTsY
Почему же эти и многие другие изобретения не внедряются массово?
Во-первых, полезные изобретения удешевляют жизнь, в главная цель мировой системы — это получение максимальной прибыли любыми способами.
Во-вторых, освободившись от рабского труда, человек поднимет голову и поймёт, что у него есть хозяин, а там недалеко и до вопросов, на каком основании этот господин распоряжается твоей жизнью.
И, в-третьих, пропасть в технологическом развитии между элитой и стадом принципиально важна, ведь она позволяет закрепить мировое господство. Какими технологиями уже владеют сильные мира сего? Может быть разрыв такой, как от африканских аборигенов до лётчиков-космонавтов?
Больше информации в видео-версии этой статьи:
https://youtube.com/watch?v=oSTJMT7NsBQ
Передача энергии по тончайшему проводу
Несколько лет назад российские учёные совершили настоящую революцию в физике — разработали однопроводную систему передачи электроэнергии. Провод, о котором идёт речь, — диаметром сечения всего 8 микрон. Это в 10 раз тоньше человечесткого волоса! Учёные продемонстрировали, как по такой нити, практически не различаемой невооружённым глазом, передаётся ток мощностью 25 киловатт. Такой провод способен питать электричеством 2-3 коттеджа или 1 магазин средних размеров.
Watch this video on YouTube
Любопытный момент — это изобретение работает вопреки закону ома. Выгоды от внедрения чудо-провода очевидны — потери при траспортировке электроэнергии практически нулевые, не нужно тратить тонны металла на создание толстых многожильных проводов, можно отказаться от многочисленных трансформаторных подстанций
Однако энергетики делают вид, будто ничего особенно не произошло, и всячески обходят вниманием полезнейшую разработку
Общее устройство и принцип работы
Двигатели на магнитах, не похожи на привычные электрические, в которых вращение происходит благодаря электрическому току. Первый вариант будет работать только благодаря постоянной энергии магнитов и имеет 3 главные части:
- ротор с постоянным магнитом;
- статор с электрическим магнитом;
- двигатель.
На один вал с силовым агрегатом монтируется генератор электромеханического типа. Статический электромагнит, сделан в виде кольцевого магнитопровода с вырезанным сегментом или дугой. Помимо всего прочего электрический магнит имеет также катушку индуктивности, к которой присоединен электрокоммутатор, благодаря которому поставляется реверсивный ток.
По сути, принцип работы разных магнитных моторов может отличаться исходя из типа моделей. Но в любом случае, основной движущей силой является именно свойство постоянных магнитов. Рассмотреть принцип работы, можно на примере антигравитационного агрегата Лоренца. Суть его работы заключается в 2-х разнозаряженных дисках, которые подсоединяются к источнику питания. Эти диски размещены наполовину в экране полусферической формы. Их начинают активно вращать. Таким образом, магнитное поле без труда выталкивается сверхпроводником.
Последствия для нарушителей
После того, как было предъявлено первое предупреждение, а эффекта не последовало, далее предусматривается административный штраф. Его величина будет зависеть только напрямую от того, кто послужил поводом для беспокойства – физическое лицо или юридическое.
В дополнении закона говорится, что могут быть привлечены к выплате штрафа и те, кто любит поставить усилитель на балкон. В законе есть четкие критерии нарушения тишины, за которые придется заплатить штраф:
- Работы строительные и ремонтные ночью;
- Использование пиротехники и фейерверков;
- Прослушивание громкой музыки при применении усилителей;
- Свист, громкие крики и другое.
Генератор статического электричества своими руками
Сущность электрофорной машины
Сборка машины Вимшурста
В этом видео уроке будем собирать электрофорную машину, которая представляет из себя генератор статического электричества. В начале рассматриваются общие вопросы по назначению и конструкции этой машины, потом подробно показаны все шаги по ее изготовлению своими руками.
Посмотрите на выбор ручных генераторов в этом китайском магазине.
Что представляет из себя электрофорная машина?
Устройство состоит из основания, на котором крепятся ее детали. Также в ее состав входят две стойки с осями, на которых крепятся два диска с металлизированным покрытием. Имеются также две лейденские банки, которые являются, по сути, конденсаторами или накопителями заряженных частиц. Разрядники, которые функционируют по мере накопления заряда конденсаторов, съемники заряженных частиц с передней и с задней стороны дисков. Диски приводятся в движение при помощи ременной передачи. Мы крутим ручку и за счет этого происходит вращение дисков.
Первые генераторы статического электричества были одновременно изобретены в Германии в одно и то же время Августом Теплером и, независимо от него, Вильгельмом Гольцем. Принцип работы электрофорной машины. Поскольку диски вращаются относительно друг друга в противоположные стороны, они создают положительные и отрицательные заряды. При вращении дисков по мере накопления зарядов происходит разряд.
Авторы видео решили изготовить данную машину, которую можно повторить своими руками в обычных домашних условиях. На сайтах в интернете есть несколько примеров создания такого генератора, но данная конструкция будет иметь двигатель.
Сначала были сделаны чертежи будущей машины. В первую очередь были рассчитаны параметры диска. После проделанной предварительной работы приступили к созданию устройства.
Основные детали
Машина будет состоять из следующих элементов. Это 2 диска, которые будут вращаться в противоположные стороны, они будут сделаны из CD-дисков. Два двигатель от компьютерного кулера, которые будут приводить их в движение. Диск будет приклеен двухсторонним скотчем на ротор мотора. Сам двигатель крепится к стойке. Стойки будут сделаны из оргстекла. Также будут использованы лейденские банки. Это пустая металлическая емкость, от которой идет один контакт, далее полистироловый диэлектрик и латунный контакт.

Изготовление электрофорной машины
Для начала нужно снять покрытие с диска, чтобы получить прозрачную заготовку. Для этого используем канцелярский нож. Для создания рабочего диска нужны эскизы, они выполнены на компьютере. Шаблон лепестка можно изготовить из подходящего материала, для этого хорошо подойдет банковская карта.
Теперь, используя шаблон, приступаем к разметке на скотче. Прикладываем шаблон и вырезаем все нужные фрагменты. Всего было вырезано 20 лепестков на один диск. Должно получиться 20 секций. Угол между двумя лепестками составляет 18 градусов. Разметка производится при помощи обычного листа в клеточку и транспортира. Теперь накладываем диск точно в середину координат, при помощи ножа или шила делаем насечки по 18 градусов. Наклеиваем лепестки в соответствии с линиями. В точной аналогии с первым диском был сделан второй диск. Он был обработан, чтобы обеспечить зазор.
У мотора удаляем желтый провод. Отсекаем ребра жесткости, чтобы можно было отсоединить двигатель. Некоторое место нужно оставить под монтажные отверстия.
izobreteniya.net
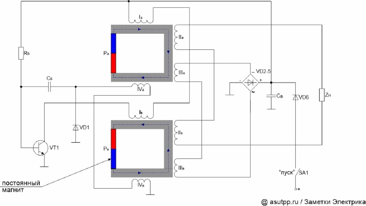
Генератор свободной энергии на магнитах
Эффект взаимодействия магнитного поля и катушки широко применяется в магнитных двигателях. А в генераторе свободной энергии этот принцип применяется не для вращения намагниченного вала за счет подачи электрических импульсов на обмотки, а для подачи магнитного поля в электрическую катушку.
Толчком к развитию данного направления стал эффект, полученный при подаче напряжения на электромагнит (катушку намотанную на магнитопровод). При этом находящийся поблизости постоянный магнит притягивается к концам магнитопровода и остается притянутым даже после отключения питания от катушки. Постоянный магнит создает в сердечнике постоянный поток магнитного поля, которое будет удерживать конструкцию до тех пор, пока ее не оторвут физическим воздействием. Этот эффект был применен в создании схемы генератора свободной энергии на постоянных магнитах.
Рис. 2. Генератор свободной энергии на магнитах
Посмотрите на рисунок 2, для создания такого генератора свободной энергии и питания от него нагрузки необходимо сформировать систему электромагнитного взаимодействия, которая состоит из:
- пусковой катушки (I);
- запирающей катушки (IV);
- питающей катушки (II);
- поддерживающей катушки (III).
Также в схему входит управляющий транзистор VT1, конденсаторы Cб и Cф, диоды VD1-VD6, ограничительный резистор Rб и нагрузка ZH.
Данный генератор свободной энергии включается посредством нажатия кнопки «Пуск», после чего управляющий импульс подается через VD6 и R6 на базу транзистора VT1. При поступлении управляющего импульса транзистор открывается и замыкает цепь протекания тока через пусковые катушки I. После чего электрический ток протечет по катушкам I и возбудит магнитопровод, который притянет постоянный магнит. По замкнутому контуру магнитосердечника и постоянного магнита будут протекать силовые линии магнитного поля.
От протекающего магнитного потока в катушках II, III, IV наводится ЭДС. Электрический потенциал от IV катушки подается на базу транзистора VT1, создавая управляющий сигнал. ЭДС в катушке III предназначена для поддержания магнитного потока в магнитопроводах. ЭДС в катушке II обеспечивает электроснабжение нагрузки.
Камнем преткновения в практической реализации такого генератора свободной энергии является создание переменного магнитного потока. Для этого в схеме рекомендуется установить два контура с постоянными магнитами, в которых силовые линии имеют встречное направление.
Кроме вышеприведенного генератора свободной энергии на магнитах сегодня существует ряд схожих устройств конструкции Серла, Адамса и других разработчиков, в основе генерации которых лежит использование постоянного магнитного поля.
Старлайт
Это материал, который способен выдерживать воздействие сверхвысоких температур — более 10 000 градусов…
Создателем удивительного композита является изобретатель-любитель из Йоркшира — Морис Уорд.
Уникальное изобретение “засветилось” на телепередаче “Tomorrows World” в марте 90-ого года. Чтобы проиллюстрировать возможности материала, ведущий покрыл одно куриное яйцо слоем старлайта, а второй оставил без изменений. Оба яйца подвергли нагреву ацетиленовой горелкой, и скорлупа без “термозащиты” мгновенно расплавилась. Каково же было удивление телезрителей, когда после 5-тиминутного нагрева покрытое композитом яйцо осталось целым и невредимым! Ведущий разбил его — оно оказалось абсолютно сырым.
Таким образом, термостойкий состав, по своим характеристикам “переплюнувший” даже кварцевый аэрогель, состоит из 21 ингредиента. Технология была просто обречена на всемирную известность, её можно было запустить в массовое производство, но… В 2011 году изобретатель унёс с собой в могилу тайну создания старлайта.
Особенности и преимущества
- Для повышения стабильности и надежности в серии 7 используются твердотельная электроника и технология высокочастотной коммутации. Погрешность регулировки и стабилизации не превышает 1%.
- Функция локального или удаленного включения/выключения устройства, а также удаленный индикатор рабочего состояния.
- Функция локального или удаленного контроля напряжения или силы тока со светодной индикацией выбранного режима.
- Удаленная регулировка высокого напряжения или силы тока — аналоговое управление через контакт № 6 дистанционного управления «0-10 В». Локальная регулировка — при помощи потенциометра «Adjust».
- Максимальное напряжение — 30/50 кВ, ток 1,5 мА (зависит от модели). Фактические параметры напряжения и силы тока отражаются на светодиодном дисплее.
- Малое время нарастания и угасания импульса (типичное время нарастания — 10-40 мсек, угасания — 100 мсек).
- Питание от постоянного тока 24 В или от сети переменного тока 220 В.
- Устройство полностью защищено от перегрузок, искрения, короткого замыкания.
- Используется с шиной-ионизатором для генерации статического заряда 7080 или электродами для закрепления статическим зарядом 7090, 7095, имеющими резистивно связанные эмиттеры, обеспечивающие равномерное распределение электростатического заряда. Также применяются в технологии IML (In-mould Labeling) — нанесения этикеток при изготовлении изделий методом литья под давлением. В этом случае используются компактные ионизаторы серии E70, изготовляемые на заказ под конкретную конфигурацию оборудования.
- Разъем для подключения двух устройств для генерации статики. Для подключения большего количества устройств можно использовать блок разъемов для генератора.
- Возможен монтаж на стене или на любой горизонтальной поверхности.
- Модель 7333 предназначена для встраивания в промышленное оборудование и не имеет регулировок и индикаторов на панели. Управление осуществляется дистанционно при помощи управляющего кабеля.
- Поставляется с управляющим кабелем длиной 5 м с 8-контактным разъемом M12.
Генератор Маркса своими руками
Генератор Маркса — демонстрационная установка для получения высокого напряжения. Такая установка может быть легко изготовлена в домашних условиях. Для этого нужно иметь под рукой строчный трансформатор (можно найти практически в любом отечественном телевизоре), несколько конденсаторов, высоковольтные диоды, парочка высоковольтных конденсаторов и умение паять.

Установка достаточно простая. Напряжение от начального источника питания (часто аккумулятор) поднимается до 3-5кВ (зависит от конкретной схемы), затем заряжает конденсаторы. Как только напряжение на первом конденсаторе ровняется напряжению пробоя разрядника, то на первом разряднике образуется пробой воздуха (разряд). Затем поочередно образуются разряды на всех разрядниках (принцип цепной реакции). Таким образом, на выходе генератора мы получаем суммарное напряжение всех конденсаторов вместе взятых.
Конденсаторы — тут можно ставить буквально любые (с напряжением более 1000 вольт). Емкость конденсаторов можно подобрать в районе 470-1000 пикофарад, больше не стоит, поскольку с увеличением емкости падает частота разрядов.
Для работы генератора Маркса напряжение с высоковольтного трансформатора нужно выпрямить. Для этого можно использовать высоковольтные (кремниевые или селеновые) диоды. В моем случае использован селеновый столбик от умножителя, но очень советую использовать диоды серии КЦ106 с любой буквой.
В нашей конструкции использованы катушки вместо резисторов, которые часто можно увидеть в схемах таких генераторов. Катушки намотаны на каркасе с диаметром 1см и содержат по 25 витков (22-28) , провод можно использовать 0,5 — 0,8мм. В схеме только нужно заменить резисторы на катушки.
Разрядники — просто провода, между которыми расстояние порядка 0,2-0,3 мм (настраивают опытным путем).
Генератор может быть любым — по схеме мультивибратора, блокинг-генератора или однотактный ПН на таймере 555, выбор на ваше усмотрение.
ВНИМАНИЕ!!! На выходе генератора Маркса образуется напряжение высокого потенциала, поэтому не дотрагивайтесь высоковольтной части схемы во время его работы. После выключения, на конденсаторах остается часть напряжения, поэтому нужно разряжать их
Для этого на секунду замкните выходные провода генератора.
Интересно: Нитрат натрия. Получение
Устройство работает по принципу простого умножителя напряжения, за исключением того, что тут нет полупроводниковых диодов. Такое решение делает конструкцию очень доступной, поскольку не всегда под рукой могут оказаться высоковольтные диоды.






