Схемы инверторов
Получившееся выпрямленное напряжение поступает на преобразователь (инвертор). Его выполняют на биполярных или полевых транзисторах, а также на IGBT-элементах, сочетающих свойства полевых и биполярных. В последние годы получили распространение мощные и недорогие полевые транзисторы с изолированным затвором (MOSFET). На таких элементах удобно строить ключевые схемы инверторов. В схемах импульсных блоков питания используются различные варианты включения MOSFET, но в основном применяются двухтактные схемы из-за простоты и возможности наращивания мощности без существенных переделок.
Пуш-пульная схема
Схема пуш-пульного преобразователя.
Пуш-пульный инвертор (push – толкать, pull – тянуть) — пример двухтактного преобразователя. Транзисторные ключи работают на первичную обмотку трансформатора, состоящую из двух полуобмоток I и II. Транзисторы поочередно открываются на заданный промежуток времени. Когда открыт верхний по схеме транзистор, ток течет через полуобмотку I (красная стрелка), когда второй – через полуобмотку II (зеленая). Чтобы избежать ситуации, когда оба ключа открыты (из-за конечной скорости работы транзисторов), схема управления формирует паузу, называемую Dead time.
Управление транзисторами с учетом Dead time.
Такая схема хорошо работает при низком напряжении питания (до +12 вольт). Минусом является наличие выбросов амплитудой, равной удвоенному напряжению питания. Это влечет за собой применение транзисторов, рассчитанных на вдвое большее напряжение.
Мостовая схема
От главного недостатка предыдущей схемы свободна двухтактная мостовая.
Двухтактная мостовая схема инвертора.
Здесь одновременно открывается пара транзисторов T1 и T4, потом Т2 и Т3 (сигнал управления ключами формируется с учетом Dead time). При этом первичная обмотка подключается к источнику питания то одной стороной, то другой. Амплитуда импульсов равна полному напряжению питания, и выбросы напряжения отсутствуют. К минусам относят применение четырех транзисторов вместо двух. Помимо увеличения габаритов БП это ведет к удвоенным потерям напряжения.
Полумостовая схема
На практике часто применяют полумостовую схему инвертора – в определенной мере компромисс между предыдущими двумя схемами.
Полумостовая схема.
В этом случае одна сторона обмотки коммутируется поочередно открывающимися транзисторами Т1 и Т2, а другая подключается к средней точке емкостного делителя С1, С2. Достоинства схемы:
- в отличие от пушпульной отсутствуют выбросы напряжения;
- в отличие от мостовой используются только два транзистора.
На другой чаше весов – обмотка трансформатора запитана лишь от половины напряжения питания.
Однотактные схемы
В схемотехнике преобразователей применяются и однотактные схемы – прямоходовые и обратноходовые. Их принципиальное отличие от двухтактных – трансформатор (точнее, его первичная обмотка) служит одновременно накопительной индуктивностью. В обратноходовых схемах энергия накапливается в первичной обмотке во время открытого состояния транзистора, а отдается в нагрузку через вторичную обмотку во время закрытого. В прямоходовых накопление энергии и отдача потребителю происходит одновременно.
Две фазы работы обратногоходового однотактного инвертора.
Технические характеристики микросхем и транзисторов
| МИКРОСХЕМА | Максимальное напряжение драйвера | Напряжение питания старта | Напряжение питания стопа | Максимальный ток для зарядки затворов силовых транзисторов / время нарастания | Максимальный ток для разрядки затворов силовых транзисторов / время спада | Напряжение внутреннего стабилитрона |
| IR2151 | 600 V | 7,7…9,2 V | 7,4…8,9 V | 100 mA / 80…120 nS | 210 mA / 40…70 nS | 14,4…16,8 V |
| IR2153 | 600 V | 8,1…9,9 V | 7,2…8,8 V |
НЕ УКАЗАНО / 80…150 nS |
НЕ УКАЗАНО / 45…100 nS |
14,4…16,8 V |
| IR2155 | 600 V | 7,7…9,2 V | 7,4…8,1 V | 210 mA / 80…120 nS | 420 mA / 40…70 nS | 14,4…16,8 V |
| ТРАНЗИСТОРЫ ДЛЯ ИМПУЛЬСНЫХ БП | |||||||
| НАИМЕН. | НАПР. | ТОК | СОПР. | МОЩНОСТЬ |
ЕМКОСТЬ ЗАТВОРА |
Qg(ПРОИЗВ.) |
|
| СЕТЕВЫЕ (220 V) | |||||||
| IRFBC30 | 600V | 3.6A | 1.8 Ω | 100W | 660pF | 17…23nC (ST) | |
| IRFBC40 | 600V | 6.2A | 1 Ω | 125W | 1300pF | 38…50nC (ST) | |
| IRF740 | 400V | 10A | 0.48 Ω | 125W | 1400pF | 35…40nC (ST) | |
| IRF840 | 500V | 8A | 0.85 Ω | 125W | 1300pF | 39…50nC (ST) | |
| STP8NK80Z | 800V | 6A | 1.3 Ω | 140W | 1300pF | 46nC (ST) | |
| STP10NK60Z | 600V | 10A | 0.75 Ω | 115W | 1370pF | 50…70nC (ST) | |
| STP14NK60Z | 600V | 13A | 0.5 Ω | 160W | 2220pF | 75nC (ST) | |
| STP25NM50N | 550V | 22A | 0.14 Ω | 160W | 2570pF | 84nC (ST) | |
| IRFB18N50K | 500V | 17A | 0.26 Ω | 220W | 2830pF | 120nC (IR) | |
| SPA20N60C3 | 650V | 20A | 0.19 Ω | 200W | 2400pF | 87…114nC (IN) | |
| STP17NK40Z | 400V | 15A | 0.25 Ω | 150W | 1900pF | 65nC (ST) | |
| STP8NK80ZFP | 800V | 6A | 1.3 Ω | 30W | 1300pF | 46nC (ST) | |
| STP10NK60FP | 600V | 10A | 0.19 Ω | 35W | 1370pF | 50…70nC (ST) | |
| STP14NK60FP | 600V | 13A | 0.5 Ω | 160W | 2220pF | 75nC (ST) | |
| STP17NK40FP | 400V | 15A | 0.25 Ω | 150W | 1900pF | 65nC (ST) | |
| STP20NM60FP | 600V | 20A | 0.29 Ω | 45W | 1500pF | 54nC (ST) | |
| IRFP22N60K | 600V | 22A | 0.24 Ω | 370W | 3570pF | 150nC (IR) | |
| IRFP32N50K | 500V | 32A | 0.135 Ω | 460W | 5280pF | 190nC (IR) | |
| IRFPS37N50A | 500V | 36A | 0.13 Ω | 446W | 5579pF | 180nC (IR) | |
| IRFPS43N50K | 500V | 47A | 0.078 Ω | 540W | 8310pF | 350nC (IR) | |
| IRFP450 | 500V | 14A | 0.33 Ω | 190W | 2600pF |
150nC (IR) 75nC (ST) |
|
| IRFP360 | 400V | 23A | 0.2 Ω | 250W | 4000pF | 210nC (IR) | |
| IRFP460 | 500V | 20A | 0.27 Ω | 280W | 4200pF | 210nC (IR) | |
| SPW20N60C3 | 650V | 20A | 0.19 Ω | 200W | 2400pF | 87…114nC (IN) | |
| SPW35N60C3 | 650V | 34A | 0.1 Ω | 310W | 4500pF | 150…200nC (IN) | |
| SPW47N60C3 | 650V | 47A | 0.07 Ω | 415W | 6800pF | 252…320nC (IN) | |
| STW45NM50 | 550V | 45A | 0.1 Ω | 417W | 3700pF | 87…117nC (ST) | |
Где взять нужный трансформатор для блока питания?
Проще всего подобрать трансформатор для бока питания на радиорынке, если, конечно, он есть в вашем городе. Там же можно договориться о перемотке трансформатора. Но, и трансформаторы, и услуги по их перемотке достаточно дороги.
Если у Вас в сарае или на балконе валяется какая-нибудь ненужная техника, то наверняка в ней есть и трансформаторы. Любой разборный сетевой трансформатор очень легко переделать под свои нужды. Самое главное, чтобы хватило его габаритной мощности.
Если мощность трансформатора меньше требуемой, то под нагрузкой выходное напряжение трансформатора может существенно просесть. Но, это тоже не беда, так как микросхемы типа TDA2030, TDA2040 и TDA2050 могут работать при значительном снижении напряжения питания, а именно: ±6, ±2,5 и ±4,5 Вольт соответственно.
Маловероятно, что вторичные обмотки найденного трансформатора подойдут по току и напряжению, но первичная обмотка уже рассчитана на напряжение осветительной сети и это самое лучшее подспорье, так как перемотать вторичную обмотку намного проще, чем первичную.
Хорошо, если это будет стандартный унифицированный трансформатор, тогда можно по его наименованию точно определить напряжения и максимально допустимые токи вторичных обмоток. Такие трансформаторы не поддаются разборке, поэтому прежде чем его покупать, нужно сверить название с данными в справочнике.
В сайте есть ссылка на справочник, в котором можно найти подробную информацию о большинстве унифицированных трансформаторов советского и постсоветского производства.
Если же это будет трансформатор без опознавательных знаков, то вероятность того, что его придётся перематывать, будет стремиться к 99%. За такой трансформатор много платить не стоит.
- Годится для замены вторичной обмотки
- Нужно мотать первичную обмотку
- Нужно мотать первичную обмотку.
Видео: ГДЕ ВЗЯТЬ ИДЕАЛЬНЫЙ ТРАНСФОРМАТОР ДЛЯ ЛАБОРАТОРНОГО БЛОКА ПИТАНИЯ
В этом видео рассмотрен трансформатор от музыкального центра. На его основе можно сделать лабораторный блок питания. На выходе у него 35 вольт 20 ампер. Так же есть выход на 4,7 вольт 4 ампер для usb зарядников. Где взять нужный трансформатор для блока питания?
Детали и конструкция
Дроссель фильтра по питанию 220 Вольт (Др1) взят из импульсного БП от телевизора, подойдет любой с учетом того какую мощность желаете получить… Варистор — любой на 10 ом, только не от зарядки для телефона и подобных маломощных импульсных БП.
Индуктивность по 25 Вольтам (L) взята от компьютерного БП на 450ватт, лишние обмотки были смотаны — оставляем только те что намотаны толстым проводом.
Высокочастотный трансформатор Tr1 взят оттуда же, подробно остановлюсь на его намотке с нуля. Разобрать такой трансформатор не расколов феррит достаточно сложно. Чтобы упростить задачу, нужно положить его на плиту и нагреть до сотни градусов, иными словами как только капелька воды на феррите будет кипеть — значит можно разбирать.
При таком нагреве, клей становится мягким и половинки феррита легко вытаскиваются из каркаса с обмоткой. При намотке трансформаторов в импульсных схемах рекомендуют мотать обмотки несколькими проводами — до 8 штук одновременно.
Делать так совсем не обязательно, первичную обмотку I мотал одним эмалированным медным проводом диаметром 0,45 мм — 49 витков. Вторичные обмотки II и III мотал двумя проводами диаметром 0,8 мм — по 8 витков в каждой.
Диоды выпрямителя ставим быстродействующие — из отечественных подойдут КД213 или КД212. У последних ток нагрузки по справочнику — 1А, а у КД213 — 10А. Подойдут диоды с граничной рабочей частотой 100кгц.
Вместо транзистора IRF740 можно поставить IRF840 и им подобные. Радиатор под транзисторы можно поставить в два раза меньше, при полной длительной нагрузке транзисторы греются не очень сильно — на ощупь градусов 45. Транзисторы обязательно нужно ставить на радиатор через изолирующие прокладки.
Вместо диодов RL205 можно поставить любой диодный мост с максимальным постоянным обратным напряжением 600В и максимальным постоянным прямым током 6А.
Переходная емкость (0,1мкФ) между транзисторами и трансформатором должна быть обязательно на напряжение 630В!
С указанными номиналами данная схема обеспечивает выходную мощность примерно 200 Вт при токе до 4,5А.
Печатку к схеме БП не делал — сразу рисовал на текстолите. У каждого детали и их варианты расположения могут быть разные. Схема простая и нарисовать свою печатку не составит большого труда.
Вот что получилось у меня:

Рис. 3. План моей печатной платы для импульсного сетевого блока питания.
Как видно из наброска, вместо разделительного конденсатора между транзисторами и трансформатором у меня установлены три штуки. Пришлось так поступить поскольку как не было одного на нужное напряжение, в итоге собрал из разных конденсаторов с общей емкостью в 0,5мкФ.
Самый идеальный вариант будет — 1мкФ на 630В. Но все работает вполне нормально и с емкостью на 0,1мкФ и с емкостью на 0,5мкФ.

Рис. 4. Готовая печатная плата для импульсного источника питания (вид со стороны соединений).

Рис. 5. Готовая плата импульсного источника питания (вид со стороны деталей).

Рис. 6. Самодельный сетевой импульсный блок питания для УМЗЧ.

Рис. 7. Внешний вид сетевого импульсного БП для усилителя мощности НЧ.
Упрощенный мост на IR2153
Упрощенный мост на IR2153 — такое устройство как мост реализованный на универсальном драйвере для управления полевыми транзисторами, справедливо считается одним из наиболее эффективных модулей преобразователя. Но, чтобы собрать такой прибор потребуются существенные денежные вложения, а также нужно учитывать технологический уровень сложности при его изготовлении. Это если вы собираетесь взяться за конструирование высоко мощного моста на несколько киловатт, тогда да, будут некоторые затруднения.
А вот если воспользоваться приведенной ниже схемой, то никаких проблем не будет, тем более устройство собрано на двух популярных чипах IR2153 , представляющих собой высоковольтные драйвера с внутренним генератором. Принцип включения микросхем обычный и неоднократно тестировался на полумосте. Особенность вызывает первоочередное тактирование второй микросхемы от R-входа.
Номинальные значения электронных компонентов:
Насчет расчетов например: R2,С3 как сказано выше, нужно определять по даташиту, к тому же есть множество программ для расчета. Если для кого то это дремучий лес то я считаю, тогда и не надо вообще браться за конструирование.
Ниже показана печатная плата с нанесенной на нее обозначениями деталей и их места установки.
В качестве нагрузки данного моста могут послужить выходной трансформатор строчной развертки телевизора, SSTC-катушка либо что-то аналогичное им, но мощность не должна превышать 1000 Вт. Если использовать большие мощности, то нет никакой гарантии в стабильной работе микросхемы. Если же все таки возникает необходимость реализовать высокие мощности, то тогда необходимо добавить емкость конденсаторов в цепи фильтров 310v, то тогда существует вероятность, что будет прекрасно работать и на высокой мощности.
Техническая информация
1. Когда осуществляется запуск, то создается сильный импульсный бросок тока в следствии происходящего цикла зарядки конденсаторов в цепи фильтра. При этом возможно срабатывание автоматов, если такое происходит, то нужно в сетевую цепь установить NTC-термистор, который применяется для защиты импульсных питающих источников и электронных балластных систем, предварительно подобрав его значения по необходимому току.2. При подключении к мосту в качестве нагрузки выходной строчный трансформатор, то первичную обмотку нужно наматывать в количестве 65 витков не меньше.3. При компоновке элементов на печатную плату, лучше всего под микросхемы нужно будет устанавливать панельки, а в них уже помещать саму микросхему после полного завершения монтажа схемы.
Принципиальная схема
Изначально за основу была взята схема с — настоятельно рекомендую не собирать так как там предложено, иначе можно устроить пожар или взрыв, схема с фатальной ошибкой и не одной.

Рис. 1. Схема импульсного блока питания, взятая за основу.
Исправил ошибки на той схеме и добавил еще несколько элементов (показаны красными стрелками), чтобы данный импульсник был годен для питания УНЧ.
Рис. 2. Схема импульсного блока питания для УМЗЧ мощностью до 200Вт.
В первой схеме основная ошибка — нет разделительного конденсатора между полевыми транзисторами и трансформатором, без этого конденсатора транзисторы сразу же взорвутся при включении, или через пару минут как раскалятся…
У микросхемы IR2153 первый вывод — это плюс питания, поскольку напряжение на выводе 1 микросхемы в пределах 16-18 вольт то конденсатор должен быть на порядок выше по напряжению, а не впритык как указано на первоначальной схеме — на 16В. Можно установить конденсатор на напряжение 25В, я поставил на 35В.
Идем дальше, запитывать микросхему так как указано на первоначальной схеме через диод и резистор в 18К, нельзя!! Посмотрите как запитывается микросхемы IR2153 у меня (рисунок 2), а не непосредственно от переменки 220вольт (рисунок 1).
В схеме на рисунке 1 скачек напряжения в сети сразу же приведет к сгоранию микросхемы, хорошо если просто работать все перестанет, а так опять же взорвутся транзисторы.
Вот эти три ошибки на схеме с рисунка 1 могут привести к очень печальным последствиям!
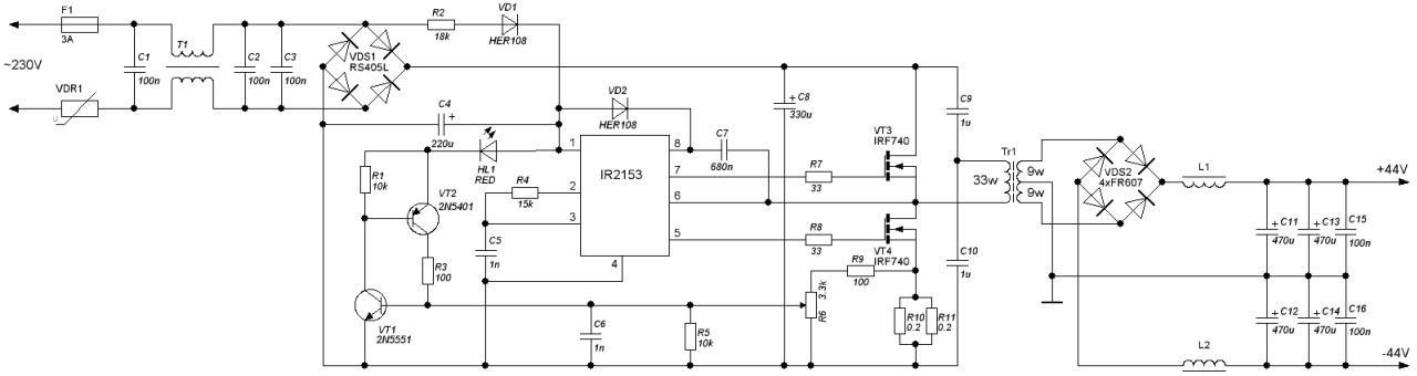
Простой ИБП на IR2153 с защитой от перегрузки и КЗ (300Вт)
Представляю вашему вниманию просто импульсный блок питания на микросхеме IR2153.

Схема импульсного блока питания представляет собой стандартную схему
из даташита. Отличие схемы от даташитной лишь в оригинальном способе
запитки драйвера и простой, высокоэффективной защите от короткого
замыкания и перегрузок.

Драйвер запитывается непосредственно от сети, через диод и гасящий
резистор, а не после основного выпрямителя от шины +310В как это делают
обычно. Такой способ запитки дает нам сразу несколько преимуществ:
1. Снижает мощность рассеиваемую на гасящем резисторе. Что снижает выделение тепла на плате и повышает общий КПД схемы.
2. В отличает от запитки по шине +310В обеспечивает более низкий уровень пульсаций напряжения питания драйвера.
Защита от перегрузок и КЗ выполнена на паре транзисторов 2N5551/5401.
В качестве датчика тока в данной схеме используются резисторы
включенные в исток нижнего плеча преобразователя. Это позволяет
отказаться от трудоемкого процесса намотки токового трансформатора. С
помощью R6 настраивается порог срабатывания защиты.
При КЗ или перегрузке, когда падение напряжения на R10 R11 достигает
заданной величины, такой величины при котором на базе VT1 напряжение
станет больше 0,6 — 0,7В, сработает защита и питание микросхемы будет
шунтировано на землю. Что в свою очередь отключает драйвер и весь БП в
целом. Как только перегрузка или КЗ устранено, питание драйвера
возобновляется и блок питания продолжает работу в штатном режиме.
Светодиод HL1 сигнализирует о срабатывании защиты.

Защита настраивается так. К выходу каждого плеча блока питания
подключаются мощные 10 Ом’ные резисторы. Включается блок питания в сеть.
Вращением движка R6 добиваемся того чтобы HL1 погас, а затем выставляем
движок в такое положение, чтобы HL1 еще не горел, но при
минимальном повороте движка в сторону уменьшения тока срабатывания
защиты, светодиод загорался. При такой настройке защиты, она будет
срабатывать при выходной мощности приблизительно 300Вт. Такой режим
работы безопасен для данных ключей (IRF740) и драйвера.
Трансформатор намотан на сердечнике ER35/21/11. Первичная обмотка
намотана в два провода 0,63мм2 и содержит 33 витка. Вторичная обмотка
состоит из двух половинок, намотанных в три провода 0,63мм2 и каждая
половинка содержит по 9 витков.

Печатная плата выполнена в формате Sprint-Layout. Распечатке на лазерном принтере зеркалить ее не нужно.
Прикрепленные файлы:
У защиты есть маленький баг: если во вторичном мосте
пробьются диоды, которые закрыты в полупериод, когда открыт VT3, защита
не сработает, т.к. ток КЗ будет течь мимо R10-R11 (через VT3).
Предлагаю соединить исток VT4 с нижней обкладкой конденсатора С10, и уже
между этой точкой и минусом первичного питания ставить шунт R10-R11.
Предельные параметры
Как и у любой другой микросхемы, у TL494CN описание в обязательном порядке должно содержать перечень предельно допустимых эксплуатационных характеристик. Дадим их на основании данных Motorola, Inc:
- Напряжение питания: 42 В.
- Напряжение на коллекторе выходного транзистора: 42 В.
- Ток коллектора выходного транзистора: 500 мА.
- Диапазон входного напряжения усилителя: от — 0,3 В до +42 В.
- Рассеиваемая мощность (при t< 45 °C): 1000 мВт.
- Диапазон температур хранения: от -55 до +125 °С.
- Диапазон рабочих температур окружающей среды: от 0 до +70 °С.
Следует отметить, что параметр 7 для микросхемы TL494IN несколько шире: от –25 до +85 °С.
П О П У Л Я Р Н О Е:
- Цифровая шкала — частотомер
При работе на любительской радиостанции перед радиолюбителем часто встает необходимость точно знать частоту, на которую настроен его трансивер или приемник для того, чтобы не уйти за пределы диапазона или для точной настройки на заранее оговоренную частоту. Механические шкалы не дают такой возможности поэтому приходится конструировать электронные шкалы. Подробнее…
Параболическая 3G антенна за 5 минут
Простейшая 3G/4G антенна своими руками
В моём загородном доме есть проблемы с подключением из-за низкого уровня сигнала.
В статье ниже, я вам расскажу, как я решил проблему с подключением моего 3G модема бесплатно, всего за 5 минут работы.
Подробнее…
Схема простого металлоискателя
Полумостовой драйвер + генератор + mosfet = простое решение от IR
Новая микросхема высоковольтного полумостового драйвера со встроенным генератором IR53HD420, разработанная компанией International Rectifier — это модификация известного драйвера IR2153, широко используемого в импульсных источниках питания и в балластах люминесцентных ламп. Компания добавила в новую микросхему быстродействующий диод и выходные MOSFET-транзисто-ры, создав таким образом законченное гибридное решение для указанных приложений.
При создании сетевого импульсного источника питания малой и средней мощности разработчики, несмотря на сложность расчета и прочие минусы, предпочитают использовать однотактную схему с одним транзистором, что, на первый взгляд, экономически более целесообразно, чем применение двухтактной топологии. Действительно, моделируя двухтактный источник питания, мы получаем сложную схему со множеством дискретных элементов. При расчете себестоимости готового узла приходится учитывать не только стоимость печатной платы и отдельных радиоэлементов, но и стоимость установки этих радиоэлементов на плату. В результате, несмотря на высокую надежность и простоту расчетов, двухтактный источник питания получается громоздким и очень дорогим по сравнению с однотактным, что в большинстве случаев оказывается решающим фактором. В свое время для решения этой проблемы компанией International Rectifier была выпущена интегральная мик-
росхема IR2153. Она представляет собой высоковольтный полумостовой драйвер со встроенным задающим генератором. Основное назначение IR2153 на момент выпуска — дешевые электронные балласты компактных люминесцентных ламп, но топология данной ИС позволяла легко использовать ее в качестве основного звена импульсного источника питания. Микросхема, благодаря своей универсальности и низкой стоимости, за первые годы получила крайне широкое распространение. Добавьте к IR2153 буквально три-четыре малогабаритных элемента плюс два силовых MOSFET-транзисто-ра, и «сердце» импульсного преобразователя готово — все просто и надежно. Нужно еще проще? Пожалуйста! Для еще большего упрощения такого преобразователя компания International Rectifier создала гибридную микросхему IR53HD420, представляющую собой комбинацию из полумостового драйвера типа IR2153 с задающим генератором, быстродействующего бутстрепного диода и двух высоковольтных MOSFET-транзисто-ров на выходе. Функциональная схема IR53HD420 представлена на

Новый импульсный регулятор
Компания International Rectifier, мировой лидер в сфере управления питанием, представила высоковольтный высокочастотный импульсный регулятор для оффлайновых, неизолированных AC/DC-прило-жений, требующих применения нескольких светодиодов или цве-тосмешения с помощью DC/DC. Приложения включают внутренние и наружные вывески, а также архитектурную, развлекательную, дизайнерскую и декоративную подсветку.
Рассчитанная на 200 или 600 В, серия IRS254x включает в себя гистерезисный импульсный регулятор непрерывной обработки с временной задержкой для контроля среднего нагрузочного тока с допустимым отклонением 5%, использующий встроенный прецизионный источник опорного напряжения. Внешняя бутстрепная схема на стороне высокого напряжения управляет импульсным переключателем с частотой до 500 кГц. Драйвер низковольтной стороны также используется для синхронного выпрямления.
Отличительные черты новой микросхемы — малый ток запуска (менее 500 мкА) для снижения потерь при включении и время запаздывания 140 не для постоянного регулирования тока. Другие особенности включают авто-рестарт, выключение без токовых выбросов и возможность уменьшения глубины ШИМ. Микросхема выпускается в корпусах DIP или SOIC с 8 выводами и поставляется на бобине.
Предыдущая статья « Новые модульные DC/DC-преобразователи с расширенным температурным диапазоном.Продолжение»
Следующая статья >> «Полумостовой драйвер + генератор + mosfet = простое решение от IR.Продолжение»
Более надежный вариант с триггерной защитой:
Собранный блока питания.
R17 и транзистор VT4 — датчик тока, VT1 и VT3 — триггер, VT2 — при защелкивании притягивает вывод (CT) микросхемы IR2153 к земле, мгновенно останавливая генерацию. При токовой перегрузке или КЗ ИИП выключается, дальнейшая работа возможна при обесточивании на 1 минуту. С9 — предотвращает ложное срабатывание защиты при первом пуске, когда заряжаются емкости во вторичке.
Печатная плата второй версии:
Описание сборки данного блока питания.
Силовой трансформатор намотан на кольце R31*19*15 PC40.
Ферритовое кольцо.
Для надежности поверх лака уложен слой изоляции в 1 слой:
Слой изоляции.
Первичная обмотка содержит 52 витков проводом 0,75мм. Выводы дополнительно изолируются термоусадкой.
Первичная обмотка.
Далее накладываются 2 слоя изоляиции:
Двойной слой изоляции.
Вторичная обмотка содержит 11 витков, мотается разом 4-мя жилами провода 0,75мм (в диаметре). При 52 витках первички будет ровно 3в/виток, 11 витков вторички дадут нам +33/-33в на выходе.
Вторичная обмотка.
Те выводы, что снизу фиксируются нитками, также сразу надо зачистить все жилы:
Готовый трансформатор.
Синфазный дроссель, установлена перегодка для разделения обмоток:
Ферритовое кольцо для синфазного фильтра. R16*10*4.5 PC40
Обмотки выполнены проводом 0,5 мм длиной по 50см каждая, выводы также зачищаются:
Синфазный дроссель.
Проводом 0,75мм на оправке сделаны обмотки для силовых дросселей:
Намотка дросселя.
Далее на сердечниках 6*20 Zn600 с помощью клея крепятся обмотки:
Силовые дроссели.
Закупаем все необходимые детали:
Набор деталей.
Подложка от самоклейки с помощью скотчка крепится на лист бумаги А4:
Подложка.
Распечатываем на принтере рисунок платы, зеркалить ничего не надо!
Распечатанный рисунок.
Подготавливаем поверхность:
Чистка меди наждачкой.
Обезжириваем медь и кладем подложку рисунком вверх на полумягкую поверхность, например книгу:
До переноса рисунка обезжириваем поверхность меди.
Кладем текстолит медью вниз и выравниваем по отметкам:
Текстолит на рисунке.
Ставим сверху утюг, прижимаем сильно, не двигаем горячий утюг в течении 1 минуты:
Утюг — мощность на максимум.
После убираем утюг, приживаем сверху текстолит еще парочкой книг, и даем немного остынуть. Далее подложка легко отрывается, а рисунок остается на медной поверхности:
Отрываем подложку.
Кладем текстолит в раствор хлорного железа:
В растворе хлорного железа.
После травления сверлим отверстия и залуживаем:
Олово, паяльник с оплеткой и канифоль.
Вставляем резисторы и всякую мелочь:
Резисторы+перемычки.
Далее более габаритные элементы:
Остальное
Правильно фазируем обмотки, тут проще некуда, если провода заранее промаркировать:
Не забываем зачищать лак на проводах.
Вставляем трансформатор на место:
Установка трансформатора.
Загибаем выводы и запаиваем:
Осталось запаять.
Сверлим радиатор для крепления транзисторов, делаем прижимную планку, а снизу делаем отверстие сверлом на 2,5мм и метчиком на 3 нарезаем резьбу для крепления радиатора:
Сверловка отверстий и нарезка резьбы.
Устанавливаем радиатор на место:
Крепим радиатор.
Все тщательно проверяем:
Проверка на «сопли» с помощью подсветки платы фонариком.
Готовимся к проверке работоспособности от блока питания 12в:
Перед проверкой от 12 в ставим перемычку.
На вход вместо 230в подаем 12в ( +и- обозначены на плате) на выходе должно появится небольшое постоянное напряжение:
Проверка от 12в с перемычкой, на выходе около 1в в плече.
Смотрим форму сигнала на затворах транзисторов:
Форма сигнала на затворе полевика, питание 12в ( для безопасности).
А на обмотках трансформатора должен появится меандр частотой 45-47кГц:
Проверка меандра на первичке при питании от 12в.
Далее обязательно убираем перемычку с резистора снизу платы и включаем в сеть:
Первое включение от сети с резистором 200ом в разрыв.
Прижимаем транзисторы к радиатору изолировав их с помощью теплопроводных прокладок:
Крепление транзисторов к радиатору.
ИИП в сборе:
Силовые диоды при работе греются довольно сильно.Вид сверху.
Форма сигнала на вторичных обмотках на холостом ходу:
Холостой ход, питание 220в, вторичка.
Тоже самое, но нагрузка 180вт.
Нагрузка 180вт.
ИИП работает хорошо, софтстарт, триггерная защита от КЗ. Микры китайские с али, но работают нормально, частота 47кГц. IR2153 Deadtime бы поменьше, было бы круто, напряжение под нагрузкой падает на 15%.
Функции выводов входных сигналов
Как и любое другое электронное устройство. рассматриваемая микросхема имеет свои входы и выходы. Мы начнем с первых. Выше уже было дан перечень этих выводов TL494CN. Описание на русском языке их функционального назначения будет далее приведено с подробными пояснениями.
Вывод 1
Это положительный (неинвертирующий) вход усилителя сигнала ошибки 1. Если напряжение на нем ниже, чем напряжение на выводе 2, выход усилителя ошибки 1 будет иметь низкий уровень. Если же оно будет выше, чем на контакте 2, сигнал усилителя ошибки 1 станет высоким. Выход усилителя по существу, повторяет положительный вход с использованием вывода 2 в качестве эталона. Функции усилителей ошибки будут более подробно описаны ниже.
Вывод 2
Это отрицательное (инвертирующий) вход усилителя сигнала ошибки 1. Если этот вывод выше, чем на выводе 1, выход усилителя ошибки 1 будет низким. Если же напряжение на этом выводе ниже, чем напряжение на выводе 1, выход усилителя будет высоким.
Вывод 15
Он работает точно так же, как и № 2. Зачастую второй усилитель ошибки не используется в TL494CN. Схема включения ее в этом случае содержит вывод 15 просто подключенный к 14-му (опорное напряжение +5 В).
Вывод 16
Он работает так же, как и № 1. Его обычно присоединяют к общему № 7, когда второй усилитель ошибки не используется. С выводом 15, подключенным к +5 В и № 16, подключенным к общему, выход второго усилителя низкий и поэтому не имеет никакого влияния на работу микросхемы.
Вывод 3
Этот контакт и каждый внутренний усилитель TL494CN связаны между собой через диоды. Если сигнал на выходе какого-либо из них меняется с низкого на высокий уровень, то на № 3 он также переходит в высокий
Когда сигнал на этом выводе превышает 3,3 В, выходные импульсы выключаются (нулевая скважность). Когда напряжение на нем близко к 0 В, длительность импульса максимальна
В промежутке между 0 и 3,3 В, длительность импульса составляет от 50% до 0% (для каждого из выходов ШИМ-контроллера — на выводах 9 и 10 в большинстве устройств).
Если необходимо, контакт 3 может быть использован в качестве входного сигнала или может быть использован для обеспечения демпфирования скорости изменения ширины импульсов. Если напряжение на нем высокое (> ~ 3,5 В), нет никакого способа для запуска ИБП на ШИМ-контроллере (импульсы от него будут отсутствовать).
Вывод 4
Он управляет диапазоном скважности выходных импульсов (англ. Dead-Time Control)
Если напряжение на нем близко к 0 В, микросхема будет в состоянии выдавать как минимально возможную, так и максимальную ширину импульса (что задается другими входными сигналами). Если на этот вывод подается напряжение около 1,5 В, ширина выходного импульса будет ограничена до 50% от его максимальной ширины (или ~ 25% рабочего цикла для двухтактного режима ШИМ-контроллера). Если напряжение на нем высокое (> ~ 3,5 В), нет никакого способа для запуска ИБП на TL494CN. Схема включения ее зачастую содержит № 4, подключенный напрямую к земле.
Важно запомнить! Сигнал на выводах 3 и 4 должен быть ниже ~ 3,3 В. А что будет, если он близок, например, к + 5 В? Как тогда поведет себя TL494CN? Схема преобразователя напряжения на ней не будет вырабатывать импульсы, т.е
не будет выходного напряжения от ИБП.
Вывод 5
Служит для присоединения времязадающего конденсатора Ct, причем второй его контакт присоединяется к земле. Значения емкости обычно от 0,01 μF до 0,1 μF. Изменения величины этого компонента ведут к изменению частоты ГПН и выходных импульсов ШИМ-контроллера. Как правило здесь используются конденсаторы высокого качества с очень низким температурным коэффициентом (с очень небольшим изменением емкости с изменением температуры).
Вывод 6
Для подключения врямязадающего резистора Rt, причем второй его контакт присоединяется к земле. Величины Rt и Ct определяют частоту ГПН.
f = 1,1 : (Rt х Ct).
Вывод 7
Он присоединяется к общему проводу схемы устройства на ШИМ-контроллере.
Вывод 12
Он замаркирован литерами VCC. К нему присоединяется «плюс» источника питания TL494CN. Схема включения ее обычно содержит № 12, соединенный с коммутатором источника питания. Многие ИБП используют этот вывод, чтобы включать питание (и сам ИБП) и выключать его. Если на нем имеется +12 В и № 7 заземлен, ГПН и ИОН микросхемы будут работать.
Вывод 13
Это вход режима работы. Его функционирование было описано выше.
Выводы по nrf24l01
Беспроводной модуль nrf24l01 нельзя назвать простым в освоении устройством. И подключение, и программирование требует определенных навыков. Но стоимость и доступность модуля позволяет рекомендовать его для тех, кто занимается проектами интернета вещей или нуждается в простых инструментов для коммуникаций. Купив специальный адаптер для nrf24l01 вы можете существенно упростить подключение к ардуино. А использование библиотек позволяет максимально упростить код. Старайтесь не покупать модули nrf24l01 дешево у совсем уж неизвестных продавцов, и тогда никаких проблем с работой ваших проектов не будет.





