Введение
Семейство p-канальных MOSFET-транзисторов компании IXYS обладает всеми основными преимуществами сопоставимых n-канальных MOSFET, такими как очень быстрое переключение, управление с помощью уровня напряжения затвора, простота параллельного соединения и высокая температурная стабильность. Оптимизация паразитного p-n-p-транзистора позволила получить приборы с отличной стабильностью к лавинному пробою . По сравнению с n-канальными силовыми MOSFET со схожей топологией, p-канальные транзисторы имеют лучшую FB-SOA (область безопасной работы при прямом токе) и практически имеют иммунитет к феномену одиночного эффекта выгорания (Single Event Burnout — открытие паразитного биполярного транзистора под воздействием космического излучения: приводит к разрушению прибора) . Но главным преимуществом p-канальных силовых MOSFET является простота управления в схемах верхнего ключа .
Источник питания для управления p-канальным транзистором в схеме верхнего ключа может быть однополярным, в то время как управление n-канальным MOSFET в схеме верхнего ключа требует наличия либо изолированного драйвера, либо импульсного трансформатора, который во многих случаях может работать некорректно. Более того, во многих случаях драйвер нижнего ключа может успешно управлять p-канальным MOSFET в верхнем включении. Такое решение часто позволяет упростить драйвер и снизить общую итоговую стоимость изделия. Главный же недостаток p-канальных MOSFET — более высокое сопротивление в открытом состоянии (Rds(on)) по сравнению с n-канальными транзисторами. Это означает, что стоимостная эффективность решения на p-канальных MOSFET напрямую связана с оптимизацией по параметру Rds(on) .
Рис. 1. MOSFET
а) p-канальный;
б) n-канальный
Компания IXYS разработала два семейства p-канальных MOSFET, перекрывающих диапазон напряжений от –50 до –600 В и диапазон токов ID25 от –10 до –170 А. Таблица для выбора находится на сайте www.ixyspower.com. p-канальные Trench MOSFET в диапазоне от –50 до –150 В предлагают очень низкое сопротивление канала в открытом состоянии, низкий заряд затвора, быстрое переключение и быстрый встроенный диод. Планарные p-канальные MOSFET семейства Polar имеют превосходные динамические и статические характеристики в области напряжений от –100 до –600 В. Оба семейства доступны в лучших в отрасли изолированных корпусах семейства ISOPLUS.
Встроенная в прибор схема накачки заряда позволяет открывать внешний N-канальный ключ на произвольное время, обеспечивая тем самым 100% коэффициент заполнения
Компания Linear Technology Corporation, входящая в настоящее время в состав Analog Devices Inc., объявила о выпуске быстродействующего драйвера затвора N-канальных MOSFET-транзисторов верхнего плеча LTC7004, способного работать при напряжении источника питания нагрузки до 60 В. Встроенная в прибор схема накачки заряда позволяет открывать внешний N-канальный ключ на произвольное время, обеспечивая тем самым 100% коэффициент заполнения. Выходной каскад драйвера с сопротивлением 1 Ом может легко управлять MOSFET-транзисторами с большой емкостью затвора при минимальной длительности фронта импульса и времени задержки распространения не более 35 нс. Такая возможность одинаково подходит как для высокочастотных приложений, так и для статичных схем коммутации.
На вход драйвера подается низковольтный управляющий цифровой сигнал относительно общего провода схемы, при этом LTC7004 способен быстро переключать N-канальный MOSFET-транзистор верхнего плеча, на стоке которого действует напряжение в диапазоне от 0 В до 60 В (максимально 65 В).
Драйвер силового ключа с напряжением питания от 3.5 В до 15 В оснащен программируемой схемой защиты от недопустимого падения напряжения (UVLO). Типовая длительность фронтов управляющих затвором импульсов равна 13 нс при работе на емкость затвора величиной 1 нФ. Это обеспечивает минимальный уровень потерь на переключение. Другими особенностями прибора являются регулировка длительности фронта управляющего затвором импульса и устанавливаемый пользователем порог срабатывания схемы защиты от недопустимого превышения входного напряжения (OVLO).
LTC7004 поставляется в корпусе MSOP-10 с увеличенным шагом выводов, гарантирующих надежную работу в высоковольтных приложениях. Доступны версии драйвера для эксплуатации в промышленном и расширенном диапазоне температур – от –40°C до +125°C, а также в высокотемпературном автомобильном диапазоне – от –40°C до +150°C и версия военного назначения – от –55°C до +150°C.
| Внутренняя архитектура LTC7004 |
Отличительные особенности:
- Широкий диапазон входного напряжения: от 0 В до 60 В (максимальное значение — 65 В)
- Встроенная схема накачки заряда для режима со 100% коэффициентом заполнения
- Выходное сопротивление драйвера, обеспечивающее малые длительности фронтов управляющего импульса: относительно общего провода – 1 Ом, относительно положительного полюса источника питания — 2.2 Ом
- Малое время задержки распространения сигнала: 35 нс
- Регулировка длительности фронта управляющего импульса
- Напряжение источника питания схемы управления затвором: от 3.5 В до 15 В
- Регулируемый порог срабатывания схемы защиты от недопустимого падения напряжения питания (UVLO)
- Регулируемый порог срабатывания схемы защиты от недопустимого повышения входного напряжения (OVLO)
- CMOS-совместимый уровень управляющего сигнала
- Оптимизированный для высоковольтных схем 10-выводной корпус MSOP с улучшенными тепловыми характеристиками
Опытные образцы доступны для заказа в ООО «Гамма Плюс»
- тел.: (812) 320-40-53
- факс: (81378) 3-54-77
- info@icgamma.ru
- www.icgamma.ru
Передача и усиление сигнала управления
Сигналы управления, формируемые центральным процессором, информация о состоянии вторичных каскадов (статус и ошибка), а также выходные сигналы датчиков (ток, напряжение, температура, напряжение DC-шины) должны передаваться между узлами драйвера, имеющими различный потенциальный уровень.
В подавляющем большинстве выпускаемых драйверов для потенциальной развязки используются импульсные трансформаторы, оптопары или «квази-потенциальные» изоляторы, к которым относятся каскады сдвига уровня с бутстрепным питанием каналов верхнего уровня.
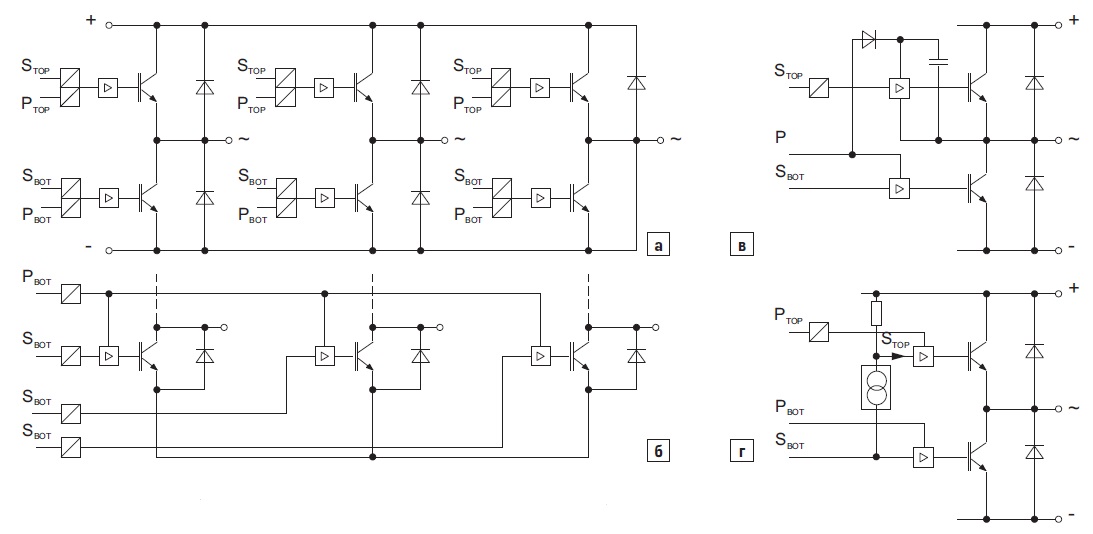
На рис. 13 показаны базовые схемы передачи сигналов управления. Самая сложная конфигурация, используемая в преобразователях высокой мощности (рис. 13а), обеспечивает потенциальную развязку импульсов S и энергии управления Р по каждому каналу. Такая топология является наиболее предпочтительной, она отличается высокой помехозащищенностью и минимальным уровнем взаимного влияния ключей.

Рис. 13. Принципы передачи энергии управления:
а) полная схема для применений высокой мощности;
б) общий источник питания для драйверов ключей ВОТ;
в) принцип бутстрепного питания;
г) принцип сдвига уровня (STOP, SBOT: сигналы управления для ключей TOP/BOT; PTOP, PBOT: передача энергии управления для ключей TOP/BOT)
Вариант на рис. 13б содержит раздельные каналы потенциальной изоляции для всех драйверов ТОР и только один общий изолятор для драйверов нижнего уровня ВОТ. Как правило, такая структура применяется в маломощных схемах, кроме этого, она широко распространена в интеллектуальных модулях (IPM).
Принцип «бутстрепного» питания, позволяющий передавать энергию управления транзисторам верхнего плеча без потенциальной изоляции, поясняется на рис. 13в. На рис. 13г показан каскад сдвига уровня, транслирующий контрольный сигнал STOP без гальванической развязки посредством высоковольтного источника тока. Подобная топология, как правило, применяется в монолитных интегральных схемах драйверов.
Наиболее важным требованием, предъявляемым к каскадам гальванической развязки, является высокая статическая прочность изоляции (2,5-4,5 кВ в соответствии со стандартами) и иммунитет к наведенным фронтам dv/dt (15-100 кВ/мкс). Последнее требование выполняется за счет применения изоляционных барьеров со сверхнизкой проходной емкостью (1-10 пФ) между первичными и вторичными каскадами. Это позволяет минимизировать или даже полностью устранить влияние помех, вызванных коммутационными токами смещения.

Рис. 14. Эквивалентные емкости полумостового каскада с потенциальной изоляцией
(Cps1: емкость между первичным и вторичным каскадом канала ВОТ; Cps2: емкость между первичным и вторичным каскадом канала ТОР; Css: емкость между вторичными каскадами каналов ТОР и ВОТ]
Изолированные драйверы затворов
Для получения очень высоких мощностей разработчики начинают использовать такие топологии, как двухключевой прямоходовый преобразователь, полумостовой или мостовой преобразователи. Во всех этих топологиях необходимо применять плавающий ключ.
Существуют решения этой задачи с использованием полупроводниковых компонентов, но только для низковольтных применений. Интегральные драйверы верхнего плеча не предоставляют разработчику достаточной гибкости, а также не обеспечивают такого уровня защиты, изоляции, устойчивости к переходным процессам и подавления синфазных помех, который дает хорошо спроектированный и изготовленный трансформатор для управления затвором.
На рис. 4 показан самый примитивный способ получения плавающего управления затвором. Выход микросхемы драйвера подключен через разделительный конденсатор к небольшому трансформатору (обычно тороидальному для лучшей производительности). Вторичная обмотка подключена непосредственно к затвору ПТ, и любые замедляющие резисторы должны располагаться со стороны первичной обмотки трансформатора
Обратите внимание на стабилитроны в затворе для защиты от переходных процессов. На выходе драйвера необходимо использовать ограничительные диоды, ими нельзя пренебрегать, даже если при первых испытаниях не возникли проблемы с реактивными токами в трансформаторе
Рис. 4. Простейшая изолированная схема для управления затвором
В простейшей изолированной схеме для управления затвором используется трансформатор, как показано на рис. 4. Ограничительные диоды необходимы для защиты от реактивных токов, а разделительный конденсатор предотвращает насыщение трансформатора. Конденсатор дает сдвиг уровня выходного напряжения драйвера, который зависит от относительной длительности управляющих импульсов.
Схема, представленная на рис. 4, обеспечивает отрицательное напряжение на вторичной обмотке на интервалах времени, когда ПТ выключен
Это значительно увеличивает устойчивость к синфазным помехам, что особенно важно для мостовых схем
Однако недостаток отрицательного смещения это уменьшение положительного напряжения, открывающего ПТ. При небольшой относительной длительности импульсов положительный импульс большой. При относительной длительности, равной 50%, половина имеющегося напряжения драйвера теряется. При большой относительной длительности положительного напряжения может не хватить для полного открывания ПТ.
Схемы с трансформаторной развязкой наиболее эффективны при относительной длительности от 0 до 50%. К счастью, именно это и нужно для прямоходовых, мостовых и полумостовых преобразователей.
Обратите внимание: на рис. 5 показано, как напряжение на разделительном конденсаторе смещается под действием низкочастотных колебаний, наложенных на выходные импульсы драйвера
Эти колебания должны тщательно подавляться для обеспечения безопасной работы. Обычно для борьбы с этим явлением увеличивают емкость конденсатора, что уменьшает Q для низкочастотных составляющих. Необходимо проверить работу схемы при всех возможных переходных процессах, особенно при старте, когда конденсатор разряжен.
Рис. 5. Колебания, возникающие в разделительном конденсаторе и влияющие на работу трансформатора
Возможно, вам также будет интересно
Управление изолированным затвором: основные положения В общем случае процесс перезаряда емкостей затвора может контролироваться сопротивлением, напряжением и током (рис. 1) . На практике чаще всего используется самый простой вариант (рис. 1а) с двумя раздельными резисторами для режимов включения и выключения, при этом одним из наиболее важных параметров является уровень «Плато Миллера», соответствующий плоской части характеристики затвора (рис. 2). Скорость и время коммутации
В журнале «Силовая электроника» опубликованы следующие статьи цикла: Опыт моделирования систем силовой электроники в среде OrCAD 9.2 Часть I Опыт моделирования систем силовой электроники в среде OrCAD 9.2 Часть II Опыт моделирования систем силовой электроники в среде OrCAD 9.2 Часть III Опыт моделирования систем силовой электроники в среде ORCAD 9.2. Часть IV Опыт моделирования систем
В статье обсуждается возможность снижения деградационных и ранних отказов силовых полупроводниковых тиристоров с диаметром полупроводникового кристалла 80 мм и более за счет применения технологии низкотемпературного спекания кремниевых элементов и молибденовых термокомпенсаторов. Исследованы сравнительные зависимости параметров VTO/rT, Rthjc, ITAV, ITSM от усилия сжатия для вариантов синтеринг/сплавление и стандартная катодная прокладка/катодная прокладка из молибдена с напыленным защитным интерфейсом, а также определен оптимальный конструктивно-технологический вариант с точки зрения снижения количества ранних отказов в процессе эксплуатации.
Защитные и контрольные функции драйверов
Защита силовых ключей от разного рода аварийных ситуаций является одной из важнейших функций схемы управления. Для ее реализации драйверы снабжаются блоками оперативного мониторинга перегрузки по току и КЗ, перенапряжения на коллекторе и затворе, перегрева, а также падения напряжения управления VGG+/VGG-.
Защита от перегрузки по току
Измерение тока коллектора/стока производится с помощью резистивных шунтов, токовых трансформаторов, индукционных сенсоров и т. д. Одним из самых распространенных методов мониторинга состояния токовой перегрузки является измерение напряжения насыщения транзистора. Выход из насыщения (Desaturation), при котором величина VCEsat достигает определенного порога, рассматривается как аварийная ситуация. При этом драйвер блокирует силовые транзисторы и формирует сигнал неисправности ERROR, который через изолирующий барьер передается на входной каскад и далее на контроллер. Интеллектуальные модули высокой степени интеграции (например, SKiiP компании SEMIKRON) имеют в своем составе датчики тока, информация с которых используется схемой защиты вместе с напряжением насыщения, что позволяет сократить время реакции и отключить IGBT при меньшем уровне перегрузки.
Защита от перенапряжения на затворе
Функцию ограничения напряжения на затворе рекомендуется реализовывать в любом драйвере, независимо от наличия аварийной ситуации. Кроме защиты затвора от пробоя, это позволяет ограничить ток КЗ. Подробнее данный вопрос будет рассмотрен далее.
Защита от перенапряжения на коллекторе (стоке)
Ограничение напряжения на силовых терминалах может осуществляться самим модулем (большинство MOSFET обладает стойкостью к лавинному пробою), внешними пассивными снабберами, а также активными цепями, переводящими транзистор в линейный режим при возникновении опасного перенапряжения.
В ряде интеллектуальных модулей (например, SKiiP) реализована функция запрета коммутации при достижении напряжением DC-шины порогового уровня. Эта опция не способна защитить от внешних перенапряжений, однако она позволяет исключить влияние коммутационных выбросов в критических режимах, что существенно повышает надежность работы преобразовательного устройства. Мониторинг напряжения питания производится «квази-изолированным» датчиком на основе высокоомного дифференциального усилителя, передающего аналоговый сигнал, пропорциональный VDC, на схему управления. Если величина VDC превышает заданный уровень, силовые транзисторы отключаются, и схема защиты формирует сигнал неисправности. В ряде случаев параллельно цепи питания инвертора устанавливается тормозной чоппер, активно разряжающий конденсаторы звена постоянного тока при опасном увеличении напряжения. Такая схема чаще всего применяется в приводах, где используется режим динамического торможения (электротранспорт, лифты и т. д.).
Защита от перегрева
Температура силовых кристаллов, а также изолирующей подложки рядом с чипами, корпуса модуля и радиатора может быть определена расчетным методом или с помощью сенсоров. Если термодатчик гальванически изолирован, то его выходной сигнал передается на схему управления и используется для отключения силового каскада и формирования сигнала неисправности.
Защита от падения напряжения управления VGG+, VGG- (Under Voltage LockOut, UVLO)
Падение напряжения питания выходного каскада драйвера и, соответственно, уровня VGE нежелательно по многим причинам. В первую очередь при этом возрастает опасность перехода ключа в линейный режим работы и резкого увеличения рассеиваемой мощности. Кроме того, в этом случае теряется управляемость: транзистор не может быть полностью открыт или заблокирован. Мониторинг критического состояния производится путем измерения величин VGG+, VGG- с последующим отключением силового каскада при их снижении до опасного уровня.
Поведение транзисторов
Несмотря на доступность широчайшего выбора диапазонов рабочих напряжений и токов мощных транзисторов, выпускаемых в разнообразных корпусах и обеспеченных технической поддержкой производителей, каждому из трех видов транзисторов – биполярным, MOSFET и IGBT – присуще свое поведение, определяющее области их применения. Благодаря дешевизне в больших партиях (например, стоят от 12 до 15 центов за штуку), 100-вольтовые биполярные транзисторы широко используются для получения напряжений ±40 В в усилителях мощности звукового диапазона. (В биполярные транзисторы для аудиоприложений некоторые производители встраивают цепи автоматического смещения).
Между тем, 600-вольтовые IGBT можно найти дома в электроприводах бытовой техники, подключенной к сети переменного тока 220 В, например, в стиральных машинах или сушилках. Основная область применения мощных MOSFET – безусловно, импульсные источники питания. В них транзисторы на напряжения 25, 30 или 40 В, называемые «низковольтные MOSFET», используются для получения питающих напряжений 5 или 12 В, необходимых компьютерам и телекоммуникационной аппаратуре.
Хотя и не всегда, инженеры склонны выбирать транзисторы с запасом по току и напряжению. Вы можете заметить, что в стиральной машине, которая подключается к сети 220 В, используются IGBT, рассчитанные на 600 или 650 В, а в силовых цепях плат серверных модулей, питающиеся от 5.0 В или 3.3 В, установлены MOSFET, допустимые напряжения которых начинаются с 30 В. И, наконец, на стереодинамики работают 100- и 200-вольтовые биполярные транзисторы.
Такой запас позволяет быть уверенным, что наши системы не останутся без источников питания. Кроме того, он защищает от резких выбросов напряжения и скачков тока. (Автомобильное оборудование особенно подвержено выбросам, и для того, чтобы справиться с бросками в 150 В, выбираются компоненты, рассчитанные на 400 В).
Убедить инженеров отказаться от чрезмерного запаса по предельным параметрам, в конечном счете, могут постоянное сглаживание, фильтрация и стабилизация на протяжении всей цепи прохождения питания. Такой подход затронул бы архитектуру вычислительных серверов, где такие производители, как, например, IBM и NTT DOCOMO выступают за распределительные сети 385 В постоянного тока для мегаваттных дата-центров и 48 В как промежуточное напряжение для стоек и шкафов. Это позволило бы разработчикам сузить границы предельных параметров мощных компонентов и, например, использовать меньшие по размерам и более дешевые 60-вольтовые компоненты в тех слотах, где раньше служили компоненты с допустимым напряжением 100 В
При этом инженеры должны обращать внимание на области безопасной работы (safe operating areas – SOA) тех транзисторов, которые они надеются использовать
Защита от помех DC
Раздельное питание
Один из лучших способов защититься от помех по питанию – питать силовую и логическую части от отдельных источников питания: хороший малошумящий источник питания на микроконтроллер и модули/сенсоры, и отдельный на силовую часть. В автономных устройствах иногда ставят отдельный аккумулятор на питание логики, и отдельный мощный – на силовую часть, потому что стабильность и надёжность работы очень важна.
Искрогасящие цепи DC
При размыкании контактов в цепи питания индуктивной нагрузки происходит так называемый индуктивный выброс, который резко подбрасывает напряжение в цепи вплоть до того, что между контактами реле или выключателя может проскочить электрическая дуга (искра). В дуге нет ничего хорошего – она выжигает частички металла контактов, из за чего они изнашиваются и со временем приходят в негодность. Также такой скачок в цепи провоцирует электромагнитный выброс, который может навести в электронном устройстве сильные помехи и привести к сбоям или даже поломке! Самое опасное, что индуктивной нагрузкой может являться сам провод: вы наверняка видели, как искрит обычный выключатель света в комнате. Лампочка – не индуктивная нагрузка, но идущий к ней провод имеет индуктивность. Для защиты от выбросов ЭДС самоиндукции в цепи постоянного тока используют обыкновенный диод, установленный встречно-параллельно нагрузке и максимально близко к ней. Диод просто закоротит на себя выброс, и все дела:
Где VD – защитный диод, U1 – выключатель (транзистор, реле), а R и L схематично олицетворяют индуктивную нагрузку. Диод нужно ОБЯЗАТЕЛЬНО ставить при управлении индуктивной нагрузкой (электромотор, соленоид, клапан, электромагнит, катушка реле) при помощи транзистора, то есть вот так:
При управлении ШИМ сигналом рекомендуется ставить быстродействующие диоды (например серии 1N49xx) или диоды Шоттки (например серии 1N58xx), максимальный ток диода должен быть больше или равен максимальному току нагрузки.
Фильтры
Если силовая часть питается от одного источника с микроконтроллером, то помехи по питанию неизбежны. Простейший способ защитить МК от таких помех – конденсаторы по питанию как можно ближе к МК: электролит 6.3V 470 uF (мкФ) и керамический на 0.1-1 мкФ, они сгладят короткие просадки напряжения. Кстати, электролит с низким ESR справится с такой задачей максимально качественно.
Ещё лучше с фильтрацией помех справится LC фильтр, состоящий из индуктивности и конденсатора. Индуктивность нужно брать с номиналом в районе 100-300 мкГн и с током насыщения больше, чем ток нагрузки после фильтра. Конденсатор – электролит с ёмкостью 100-1000 uF в зависимости опять же от тока потребления нагрузки после фильтра. Подключается вот так, чем ближе к нагрузке – тем лучше:
Подробнее о расчёте фильтров можно почитать здесь.
Защита от перенапряжения коллектор-эмиттер
Назначение этой защиты объяснять излишне, а вот принцип работы active clamping не всегда понятен. На самом деле принцип работы защиты довольно прост: в простейшем случае между коллектором и затвором силового транзистора устанавливается цепочка ограничителей на необходимое напряжение ограничения (рис. 1). При выключении транзистора выброс напряжения приводит к отпиранию ограничителей и напряжение с коллектора поступает в затвор, в результате транзистор снова «приоткрывается», как следствие, сопротивление коллектор-эмиттер уменьшается, выброс напряжения «нагружается» и его амплитуда падает. Далее напряжение в затворе снова уменьшается, снова амплитуда выброса увеличивается, снова напряжение с коллектора отпирает затвор и т. д. Таким образом и осуществляется активное ограничение напряжения на коллекторе, то есть защита от перенапряжения коллектор-эмиттер. Примеры выключения с транзистора с отключенной и подключенной защитой приведены на рис. 6, 7.

Рис. 6. Сигнал при отсутствующей защите от перенапряжения

Рис. 7. Сигнал при срабатывании защиты от перенапряжения
Следует отметить, что данная защита используется далеко не во всех драйверах и больше характерна для драйверов Plug-n-play, в частности все того же Power Integration. Причина тому следующая: нет принципиальных преимуществ такой защиты относительно простого Z-снаббера в цепи коллектор-эмиттер, зато есть целый перечень возможных проблем — слишком долгая работа транзистора в активном режиме; возбуждение схемы при наличии КЗ в нагрузке; сквозной ток из-за того, что транзистор не успел выключиться до включения второго транзистора полумоста; перегрузка выхода драйвера (так как, по определению, в выход поступает положительное напряжение при установлении отрицательного напряжения) и т. п. Но тем не менее при корректном использовании данной защиты она может оказаться наиболее эффективным решением проблемы перенапряжения.
“Универсальное” электромагнитное реле
Электромагнитное реле является по сути управляемым механическим выключателем: подали на него ток – оно замкнуло контакты, сняли ток – разомкнуло. Контакты являются именно контактами: металлическими “пятаками”, которые прижимаются друг к другу. Именно поэтому такое реле может управлять как нагрузкой постоянного, так и переменного тока.
Сама катушка реле является неслабой индуктивной нагрузкой, что приводит к дополнительным проблемам (читай ниже), поэтому для управления “голым” реле нам понадобится дополнительная силовая и защитная цепь.
После изучения данного урока вы сами сможете её составить (транзистор и диод), а сейчас мы поговорим о модулях реле: готовая плата, на которой стоит само реле, а также цепи коммутации, защиты и даже оптическая развязка. Такие модули бывают “семейными” – с несколькими реле на борту. Спасибо китайцам за это! Смотрите варианты у меня в каталоге ссылок на Али.
Такое реле сделано специально для удобного управления с микроконтроллера: пины питания VCC (Vin, 5V) и GND подключаются к питанию, а далее реле управляется логическим сигналом, поданным на пин IN. С другой стороны стоит клеммник для подключения проводов, обычно контакты подписаны как NO, NC и COM. Это общепринятые названия пинов кнопок, переключателей и реле:
- COM – Common, общий. Реле является переключающим, и пин COM является общим.
- NO – Normal Open, нормально открытый. При неактивном реле данный контакт не соединён с COM. При активации реле он замыкается с COM.
- NC – Normal Closed, нормально закрытый. При неактивном реле данный контакт соединён с COM. При активации реле он размыкается с COM.
Подключение нагрузки через реле думаю для всех является очевидным:
Важный момент: катушка реле в активном режиме потребляет около 60 мА, то есть подключать больше одного модуля реле при питании платы от USB не рекомендуется – уже появятся просадки по напряжению и помехи:
Такие модули реле бывают двух типов: низкого и высокого уровня. Реле низкого уровня переключается при наличии низкого сигнала (GND) на управляющем пине . Реле высокого уровня соответственно срабатывает от высокого уровня . Какого типа вам досталось реле можно определить экспериментально, а можно прочитать на странице товара или на самой плате. Также существуют модули с выбором уровня:
На плате, справа от надписи High/Low trigger есть перемычка, при помощи которой происходит переключение уровня. Электромагнитное реле имеет ряд недостатков перед остальными рассмотренными ниже способами, вы должны их знать и учитывать:
- Ограниченное количество переключений: механический контакт изнашивается, особенно при большой и/или индуктивной нагрузке.
- Противно щёлкает!
- При большой нагрузке реле может “залипнуть”, поэтому для больших токов нужно использовать более мощные реле, которые придётся включать при помощи… маленьких реле. Или транзисторов.
- Необходимы дополнительные цепи для управления реле, так как катушка является индуктивной нагрузкой, и нагрузкой самой по себе слишком большой для пина МК (решается использованием китайского модуля реле).
- Очень большие наводки на всю линию питания при коммутации индуктивной нагрузки.
- Относительно долгое переключение (невозможно поставить детектор нуля, читай ниже), при управлении индуктивными цепями переменного тока можно попасть на большой индуктивный выброс, необходимо ставить искрогасящие цепи.
Важный момент связан с коммутацией светодиодных светильников и ламп, особенно дешёвых: у них прямо на входе стоит конденсатор, который при резком подключении в цепь становится очень мощным потребителем и приводит к скачку тока. Скачок может быть настолько большим, что 15-20 Ваттная светодиодная лампа буквально сваривает контакты реле и оно “залипает”! Данный эффект сильнее выражен на дешёвых лампах, будьте с ними аккуратнее (за инфу спасибо DAK). При помощи реле можно плавно управлять сильно инерционной нагрузкой, такой как большой обогреватель. Для этого нужно использовать сверхнизкочастотный ШИМ сигнал, у меня есть готовая библиотека. Не забываем, что реле противно щёлкает и изнашивается, поэтому для таких целей лучше подходит твердотельное реле, о котором мы поговорим ниже.
https://youtube.com/watch?v=m3bF54wr4U0
Принцип работы МОП-транзисторов на примере прибора с n -проводимостью
В схему униполярного транзистора с изолированным затвором и n -проводимостью входят:
· Кремниевая подложка. В подложке n -типа в узлах кристаллической решетки кремния присутствуют отрицательно заряженные атомы и свободные электроны, что достигается введением специальных примесей.
· Диэлектрик. Служит для изоляции кремниевой подложки от электрода затвора. В качестве диэлектрика используется оксид кремния.
В большинстве MOSFET исток транзистора подключается к полупроводниковой подложке. Между стоком и истоком формируется «паразитный» диод. Ликвидировать отрицательные последствия появления такого диода и даже использовать в положительных целях позволяет его подключение анодом к истоку в n -канальных полевых транзисторах, анодом к стоку – в p -канальных приборах.
· Между затвором и истоком прикладывается плюсовое напряжение к затвору.
· Между металлическим выводом затвора и подложкой появляется электрическое поле.
· Электрическое поле притягивает к приповерхностному слою диэлектрика свободные электроны, ранее распределенные в кремниевой подложке.
· В приповерхностном слое появляется область проводимости (канал) n -типа, состоящая из свободных электронов.
· Между выводами стока и истока появляется «мост», проводящий электрический ток.
Проводимость полевого транзистора регулируется величиной внешнего управляющего напряжения. При его снятии проводящий «мостик» исчезнет и прибор закроется.
Аналогично работает МОП-транзистор p -типа. Показанный выше принцип работы является упрощенным. Приборы, используемые на практике в схемотехнике, имеют более сложное устройство и, следовательно, более сложный принцип работы.
Н-мост и схема работы для управления двигателями
В различных электронных схемах часто возникает необходимость менять полярность напряжения, прикладываемого к нагрузке, в процессе работы. Схемотехника таких устройств реализуется с помощью ключевых элементов. Ключи могут быть выполнены на переключателях, электромагнитных реле или полупроводниковых приборах. Н-мост на транзисторах позволяет с помощью управляющих сигналов переключать полярность напряжения поступающего на исполнительное устройство.
Что такое Н-мост
В различных электронных игрушках, некоторых бытовых приборах и робототехнике используются коллекторные электродвигатели постоянного тока, а также двухполярные шаговые двигатели. Часто для выполнения какого-либо алгоритма нужно с помощью электрического сигнала быстро поменять полярность питающего напряжения с тем, чтобы двигатель технического устройства стал вращаться в противоположную сторону. Так робот-пылесос, наткнувшись на стену, мгновенно включает реверс и задним ходом отъезжает от препятствия. Такой режим реализуется с помощью Н-моста. Схема Н-моста позволяет так же изменять скорость вращения электродвигателя. Для этого на один из двух ключей подаются импульсы от широтно-импульсного модулятора (ШИМ).
Схемой управления режимами двигателя является h-мост. Это несложная электронная схема, которая может быть выполнена на следующих элементах:
- Биполярные транзисторы
- Полевые транзисторы
- Интегральные микросхемы
Основным элементом схемы является электронный ключ. Принципиальная схема моста напоминает латинскую букву «Н», отсюда название устройства. В схему входят 4 ключа расположенных попарно, слева и справа, а между ними включена нагрузка.
H-мост
На схеме видно, что переключатели должны включаться попарно и по диагонали. Когда включен 1 и 4 ключ, электродвигатель вращается по часовой стрелке. 2 и 3 ключи обеспечивают работу двигателя в противоположном направлении. При включении двух ключей по вертикали слева или справа произойдёт короткое замыкание. Каждая пара по горизонтали закорачивает обмотки двигателя и вращения не произойдёт. На следующем рисунке проиллюстрировано, что происходит, когда мы меняем положение переключателей:
Схема работы H-моста
Если мы заменем в схеме переключатели на транзисторы, то получим такой вот (крайне упрощенный) вариант:
H-мост
Для того чтобы исключить возможное короткое замыкание h-мост на транзисторах дополняется входной логикой, которая исключает появление короткого замыкания. В современных электронных устройствах мостовые схемы изменения полярности дополняются устройствами, обеспечивающими плавное и медленное торможение перед включением реверсного режима.
Н-мост на биполярных транзисторах
Транзисторы в ключевых схемах работают по принципу вентилей в режиме «открыт-закрыт», поэтому большая мощность на коллекторах не рассеивается, и тип применяемых транзисторов определяется, в основном, питающим напряжением. Несложный h-мост на биполярных транзисторах можно собрать самостоятельно на кремниевых полупроводниковых приборах разной проводимости.
H-мост на биполярных транзисторах
Такое устройство позволяет управлять электродвигателем постоянного тока небольшой мощности. Если использовать транзисторы КТ816 и КТ817 с индексом А, то напряжение питания не должно превышать 25 В. Аналогичные транзисторы с индексами Б или Г допускают работу с напряжением до 45 В и током не превышающим 3 А. Для корректной работы схемы транзисторы должны быть установлены на радиаторы. Диоды обеспечивают защиту мощных транзисторов от обратного тока. В качестве защитных диодов можно использовать КД105 или любые другие, рассчитанные на соответствующий ток.
Недостатком такой схемы является то, что нельзя подавать на оба входа высокий потенциал, так как открытие обоих ключей одновременно вызовет короткое замыкание источника питания. Для исключения этого в интегральных мостовых схемах предусматривается входная логика, полностью исключающая некорректную комбинацию входных сигналов.





