Определение, устройство и принцип работы
Понимание, как работает дифавтомат, позволяет не совершить ошибку во время его подключения. Установка устройства нередко выполняется уже в существующую электрическую сеть, а не только при ее первоначальном монтаже. Для правильного выполнения работы нужно знать возможные варианты подключения. Однако вначале еще необходимо разобраться, что такое диф автомат в электрике.
Итак, он представляет собой электромеханический прибор. Это коммутационное устройство. Оно правильно называется – автоматический выключатель дифференциального тока. Для удобства используется аббревиатура АВДТ. В его конструкцию входит устройство защитного отключения, которое обычно сокращенно принято называть УЗО, а также автоматический выключатель.
Комбинированный прибор в виде дифавтомата и отдельное УЗОИсточник pikabu.ru
Благодаря объединению двух приборов после установки АВДТ удается предотвратить:
- поражение электричеством людей, если они случайно коснуться линии с утечкой тока;
- перенапряжение электрической сети из-за возросшей нагрузки;
- короткое замыкание.
Во время возникновения любой из трех ситуаций происходит отключение электросети. Ведь теперь известно, какую конструкцию имеет дифференциальный автомат – что это комбинированное устройство. Одна его часть представляет собой защитный автомат с двумя расцепителями – электромагнитный в виде катушки и тепловой, который имеет форму биметаллической пластины.
В автоматическом выключателе электромагнитный расцепитель обеспечивает защиту путем отключения питания, когда в сети возникает короткое замыкание. Он реагирует на высокий ток. При этом биметаллическая пластина обесточивает электролинию, если происходит рост нагрузки больше допустимого значения. Избыточная величина определяется по степени нагреву пластинчатого расцепителя. Размыкание сети происходит, когда у него повышается температура.
Электромагнитный (поз. 1) и биметаллический пластинчатый (поз. 5) расцепительИсточник blog-potolok.ru
В АВДТ используются защитные автоматы с двумя и четырьмя полюсами. Их тип зависит от числа фаз в электросети. Конструктивной особенностью автомата является отсутствие клемм для заземления. Поэтому он соединяется только с нулем и фазой. По этой причине не должно возникать сомнения, будет ли работать дифавтомат без заземления.
Основным элементом второй части дифавтомата в виде УЗО является реле. Когда электросеть нормально функционирует, на него действуют одинаковые магнитные потоки. Поэтому не происходит разъединения электрической линии. Если же электричество начинает уходить в землю (возникают утечки тока), на реле начинают действовать магнитные потоки разной силы. В результате происходит нарушение равновесия. Поэтому реле разрывает сеть.
В конструкции дифавтомата также присутствует дифференциальный трансформатор. Именно он реагирует на разные значения тока в фазном и нулевом проводе, что позволяет определить утечку. Причиной возникновения разницы может спать контакт пользователей с приборами под напряжением или замыкание оборудования с токопроводящими поверхностями.
Конструкция защитного прибора, включая дифференциальный трансформаторИсточник oboiman.ru
Производители выпускают не только электромеханические механизмы защиты. Потребителям еще доступны электронно-механические дифавтоматы. Такие устройства отличаются наличием в конструкции управляющей микросхемы.
Принцип действия
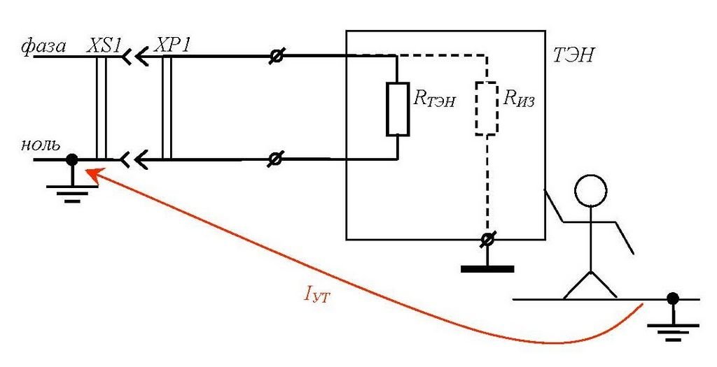
Ток утечки в системе электроснабжения квартиры может возникать при повреждении изоляции электроприборов. Если при этом используется заземляющий проводник, то на корпусе электроустановки отсутствует повышенное по отношению к земле напряжение. Протекание тока через заземляющий проводник приводит к его нагреву и возможному увеличению сопротивления или даже обрыву заземляющего провода. В том случае, если электроустановка оказывается незаземленной, есть высокая вероятность поражения человека электрическим током.

Существенным минусом защитного заземления является невозможность контролировать состояние целостности изоляции и протекания дифференциальных токов. Принцип работы автомата заключается в осуществлении такого контроля с отключением электрической цепи в случае превышения током утечки допустимых значений.
В основу работы защитной части дифавтомата положен принцип электромагнитной индукции. В качестве датчика, реагирующего на разность токов во входящем и выходящем проводах, используется измерительный трансформатор.

В конструкцию этого устройства входят две встречно включенные обмотки, каждая из которых создает в сердечнике свой магнитный поток. До тех пор, пока эти потоки равны между собой, ток во вторичной обмотке трансформатора равен нулю. Если в сердечнике появляется магнитный поток, то он провоцирует возникновение тока во вторичной обмотке, что вызывает срабатывание защитного механизма, размыкающего основные контакты дифавтомата.
Отечественные модели
КЭАЗ – отечественный производитель дифференциальных автоматов и других устройств защиты. Качество среднее, но для изделий дается гарантия два года. Цена составляет 1000-1500 рублей за однофазные изделия.
IEK – также отечественный бренд. Продукция очень востребована из-за удачного сочетания цены и качества. В самом деле, недостатки продукции, такие как несовершенные клеммы, шум при работе, компенсируются ценой 700-1000 рублей за изделия в однофазном исполнении.
DEKraft – еще один российский бренд. Компания образовалась сравнительно недавно. Качество продукции оставляет желать лучшего, но в то же время российским стандартам продукция соответствует. Недостатком является малый срок эксплуатации изделий. Учитывая невысокую цену (600-1000 рублей), подрядчики охотно используют продукцию этой марки для установки на малобюджетных объектах.
Конечно же, выбирая дифференциальный автомат, необходимо ориентироваться не только на цену и производителя. Необходимо учитывать условия работы устройства.
Возможно, в подсобных помещениях, где удельное время использования электропроводки невелико, использовать устройства с меньшей степенью надежности. Если потребность в таких дифавтоматах велика, то экономия средств может оказаться значительной.
Характеристики устройства
Перед тем как подключить дифференциальный автомат, необходимо его правильно подобрать. Так как изделие объединяет в себе 2 других устройства, то и характеризуется оно параметрами обоих модулей. Наиболее важные из них :
- Максимальный ток. Обозначает наибольшее значение, которое может пропускать через себя автомат без ухудшения характеристик. Его величина подбирается в зависимости от мощности и подключаемой нагрузки. На розеточные группы обычно устанавливаются модули на 16А, а на осветительные 10А.
- Тип расцепителя. Обозначается латинскими буквами и характеризуется времятоковой характеристикой, то есть во сколько раз должен быть превышен номинал тока.
- Рабочее напряжение. Осуществить подключение дифференциального автомата возможно в однофазной и трёхфазной сети. Для сети 220 В предназначены устройства с 3 винтовыми клеммами, а 380 В — четырьмя.
- Ток уставки. Определяется минимальным значением тока утечки. В бытовых помещениях используются номиналы на 10 и 30 мА.
- Класс дифференциального реле. Показывает, на какую форму сигнала реагирует модуль. Это может быть переменный, постоянный или пульсирующий ток с различным временем выдержки отключения. Выбор нужного класса происходит по типу нагрузки. В частных домах и квартирах используются автоматы A класса, для осветительных приборов AC.
- Ток отключения. Характеризуется величиной, при достижении которой происходит срабатывание устройства. Наиболее распространёнными являются автоматы, рассчитанные на 6000 А.
- Степень токоограничения. Существуют 3 класса, обозначающих время обесточивания нагрузки устройства при возникновении аварийной величины тока. Самым быстрым является третий класс.
- Температурный режим использования. Обычно он находится в интервале от -5 С до +40 С.
- Вид исполнения. При производстве дифавтоматов используются 2 типа устройств — электромеханические и электронные. Принципиальная разница между ними заключается в том, что первые могут отключать нулевой провод, а вторые — требуют для своей работы источник питания, но имеют меньшие габариты.
Параметры
При установке дифавтомата следует учитывать три основных параметра:
- Напряжение питающей сети и количество фаз – 220В или 380В, 1 фаза или 3.
- Ток срабатывания. Данный параметр аналогичен таковому у автомата защиты.
- Ток утечки. Здесь все аналогично УЗО.
Есть еще несколько параметров, с которым знакомы не все:
- Номинальная отключающая способность. Ток короткого замыкания, который способно выдержать устройство без нарушения работоспособности.
- Время срабатывания дифференциальной защиты.
- Класс токоограничения. Показывает время гашения электрической дуги при коротком замыкании.
- Тип электромагнитного расцепителя, от которого зависит превышение тока срабатывания по сравнению с номинальным.
Тип электромагнитного расцепителя
Электромагнитный расцепитель в дифавтомате предназначен для мгновенного размыкания цепи при превышении номинального тока в указанное количество раз. Распространены следующие типы:
- В – ток срабатывания превышает номинальный в 3-5 раз.
- С – ток срабатывания превышает номинальный в 5-10 раз.
- D – ток срабатывания превышает номинальный в 10-20 раз.
Ток утечки (отключающий дифференциальный ток) и его класс
Порог чувствительности дифференциального трансформатора определяет ток утечки, который вызывает срабатывание защиты. Наибольшее распространение получили дифференциальные трансформаторы с чувствительностью 10 и 30 мА.
Кроме числового значения тока утечки, важное значение имеет форма. В соответствии с этим различают такие классы устройств защиты:. АС – контролируется синусоидальный ток утечки.
А – кроме синусоидального, учитывается пульсирующий постоянный, что важно при защите цифрового электронного оборудования.
В – к перечисленным токам добавляется сглаженный постоянный.
S – выдержка времени на отключение – 200-300 мс.
G – выдержка времени – 60-80 мс.
АС – контролируется синусоидальный ток утечки.
А – кроме синусоидального, учитывается пульсирующий постоянный, что важно при защите цифрового электронного оборудования.
В – к перечисленным токам добавляется сглаженный постоянный.
S – выдержка времени на отключение – 200-300 мс.
G – выдержка времени – 60-80 мс.
Номинальная отключающая способность и класс токоограничения
Данный параметр характеризует ток короткого замыкания, который в состоянии выдержать контактная группа автомата защиты без повреждения в течении времени отключения. Чем выше значение параметра, тем больше вероятность того, что после устранения повреждения в сети дифавтомат останется работоспособным. Типовой ряд значений таков:
- 3000 А;
- 4500 А – вместе с первым значением сегодня практически не используется;
- 6000 А – часто используемое значение;
- 10000 А – подходит к местам с близким расположением к питающей подстанции, но имеет высокую стоимость.
Класс токоограничения характеризует скорость отключения при протекании критического тока. Время выключения (скорость) включает время гашения дуги между размыкающими контактами. Меньшее время, то есть более высокая скорость выключения, гарантирует большую безопасность. Существует три класса: с первого по третий.
Электронный или электромеханический
По внутреннему оснащению различают электромеханические и электронные устройства. Электромеханические дифавтоматы считаются более надежными и не требуют для работы внешнего питания.
Электронные устройства имеют более стабильные параметры, но для нормальной работы требуется наличие стабильного питания на входе.
Принцип работы селективного типа
В разветвленных электрических сетях применяется двухуровневая система защиты.
На первом уровне устанавливается дифференциальный автомат, который контролирует линию нагрузки полностью. На втором – дифавтоматы контролируют каждую выделенную цепь по отдельности.
Чтобы предотвратить одновременное срабатывание устройств защиты обоих уровней, первый дифавтомат должен обладать селективностью, которая определяется временем задержки на отключение. Для этих целей используют автоматы классов S или G.
Характеристики и выбор дифавтомата
Выбирая устройство, прежде всего надо определиться с выбором места его установки, и уже после этого подбирать дифференциальный автомат с техническими характеристиками, соответствующими вашим требованиям.
Кроме того, необходимо точно знать напряжение сети, в которой будет устанавливаться устройство. В зависимости от его величины (напряжения), существуют разные типы дифавтоматов. Различить их можно по надписям на корпусе устройства, рядом с отметкой о частоте тока( 50 Гц).
Номинал, равный сечению провода, следит за недопустимостью превышения током нагрузки допустимых показателей, а в случае отклонения от нормы, отключает питание.
Различаются дифавтоматы и по типу электромагнитного расцепителя, в зависимости от величины пускового тока они могут быть разной чувствительности:
B — предназначена для работы с превышениями норм от 3 до 5 раз. Этот вариант наиболее приемлем в случаях минимальной нагрузки на сеть, его часто устанавливают на дачах;
С — максимальная перегрузка колеблется в интервале от 5-10 раз. Оптимальное место установки – жилые квартиры и дома;
D — отключение происходит, если номинал превышен в 10-20 раз. В основном устанавливаются на предприятиях, фабриках или офисных помещениях, требующих больших энергозатрат.
Еще один параметр, на который стоит обратить внимание при выборе такого устройства – это отключающий дифференциальный ток и его класс. Обычно для потребительских сетей используют дифавтоматы с номиналом тока утечки 10 мА (линия с единственным потребителем) или 30 мА (более распространенные устройства, применяемые для нескольких потребителей)
Немаловажной характеристикой защитного устройства является и его класс ограничения силы тока, а также номинальная отключающая способность
В случае резких перепадов напряжения или максимальной сетевой нагрузки, необходимо понимать, насколько быстро отреагирует защитное устройство на нештатную ситуацию
Немаловажной характеристикой защитного устройства является и его класс ограничения силы тока, а также номинальная отключающая способность. В случае резких перепадов напряжения или максимальной сетевой нагрузки, необходимо понимать, насколько быстро отреагирует защитное устройство на нештатную ситуацию. Именно это показывает класс токоограничения дифавтомата, в зависимости от класса (по нарастающей от 1 до 3), устройство отключает электропитание в случае аварии
Предпочтение отдается дифавтоматам 3 класса, как самым быстродействующим. К сожалению, стоимость такого устройства будет гораздо выше подобных дифавтоматов более низкого уровня
Именно это показывает класс токоограничения дифавтомата, в зависимости от класса (по нарастающей от 1 до 3), устройство отключает электропитание в случае аварии. Предпочтение отдается дифавтоматам 3 класса, как самым быстродействующим. К сожалению, стоимость такого устройства будет гораздо выше подобных дифавтоматов более низкого уровня.
Как отличить УЗО, дифавтомат и автоматический выключатель по назначению: самый главный принцип
Все три защитных модуля имеют примерно одинаковый внешний вид, габариты, способ крепления на Din-рейку. Это результат унификации оборудования. Их объединяет тот общий принцип, что они контролируют параметры тока, призваны спасти человека и его имущество от его воздействия.
Однако они выполняют различные задачи. Объясняю их кратко тремя абзацами.
Электрический ток в домашней сети движется по замкнутой схеме в том направлении, которое ему задал человек, подключая бытовой прибор к цепям напряжения. При этом совершается полезная работа.
Величина тока зависит от приложенного к напряжению сопротивления и должна поддерживаться на уровне номинальной величины, не выходить за пределы отведенного ему участка электрической схемы. В таком случае любой прибор работает нормально.
Но в нашей жизни много непредвиденных случайностей, когда человек ошибается или повреждается изоляция, понижается ее сопротивление. В таком случае ток идет еще в другом направлении или возрастает до опасной величины, что требует принятия экстренных мер.
Эту задачу выполняют защитные модули по своим алгоритмам.
Как работает устройство защитного отключения: краткое пояснение
УЗО призвано контролировать направление движения тока по предназначенной для него схеме. Оно отключает напряжение с зачищаемого участка при образовании утечки через поврежденную изоляцию.
Устройство защитного отключения монтируется и подключается в квартирном щитке.
Простыми словами: если человек случайно дотронулся до фазного потенциала и через его тело пошел электрический ток, то УЗО обязано максимально быстро предотвратить возникшую аварийную ситуацию, спасти пострадавшего.
Для этой цели в его состав включен орган сравнения фаз — дифференциальный трансформатор. Он постоянно контролирует вектора токов, текущих по входному фазному проводу и исходящему нулевому.
Если изоляция схемы нормальная, то утечки на сторону не будет, а оба вектора окажутся уравновешенными. УЗО позволяет схеме нормально работать дальше.
Как только дифференциальный трансформатор выявляет дисбаланс векторов, так сразу происходит отключение напряжения.
За счет этого принципа УЗО официально называют «Дифференциальный выключатель». Запомните хорошо этот термин. Никаких других функций кроме борьбы с утечками этот модуль не выполняет, а от повышения тока больше номинальной величины способен сгореть, сам нуждается в такой защите.
Автоматический выключатель: защитные функции модуля
Автомат тоже монтируется на входе схемы в щитке. Он контролирует величину, а не направление протекающего через него тока. Когда она начинает превышать номинальное значение, то цепь разрывается силовым контактом.
Значение аварийного тока может быть как небольшим, так и очень опасным. При значениях до 1,13 номинальной нагрузки автомат не работает. Такие режимы создаются кратковременно и обычно сами устраняются.
Зона отключаемых перегрузок начинается с этой границы и состоит из двух участков:
- теплового расцепителя;
- электромагнитной отсечки.
Скорость ликвидации аварийной ситуации, как показывает времятоковая характеристика, зависит от величины перегрузки. Чем она выше, тем быстрее происходит отключение.
Тепловой расцепитель работает от температурной деформации биметаллической пластины за счет ее изгиба.
Токовую отсечку обеспечивает электромагнит отключения.
Обе защиты автомата выбивают чеку, фиксирующую пружину силового контакта, который разрывает цепь протекания аварийного тока.
Сам автоматический выключатель тоже надо правильно выбирать, настраивать, подключать, ибо он тоже может сгореть.
Автомат в обязательном порядке является необходимым атрибутом защиты для УЗО. Он всегда дополняет в схеме дифференциальный выключатель. Их ставят последовательно один за другим.
Какие защиты выполняет дифавтомат в домашней проводке
Этот модуль по назначению заменяет УЗО с автоматическим выключателем, объединяет их совместные функции.
Его внутренняя схема в своей конструкции имеет:
- дифференциальный орган;
- тепловой расцепитель;
- катушку электромагнита отсечки.
Совместное наличие в одном корпусе этих трех элементов позволяет использовать один защитный модуль вместо двух отдельных. Производители так их комплектуют, что они занимают мало место, размещаясь в одном блоке.
Таким образом, по назначению дифавтомат отличается от УЗО тем, что одновременно совмещает его функции и автоматического выключателя. Он работает автономно, а УЗО применяется только совместно с автоматом.
За счет встроенного и подобранного по номиналам автоматического выключателя в корпусе выбор, монтаж и подключение дифавтомата происходят проще, а в квартирном щитке экономится место.
Защита от перегрузок и короткого замыкания
Теперь поговорим о том, как работает дифференциальный защитный автомат при возникновении в цепи короткого замыкания и при значительном росте напряжения. В этих случаях его принцип действия аналогичен тому, по которому функционирует обычный автоматический выключатель.
В составе АВДТ имеется два расцепителя, работающих независимо друг от друга. Каждый из них предназначен для обесточивания сети при появлении разных нарушений.
На видео внутреннее устройство дифавтомата:
https://youtube.com/watch?v=tqi_21hO5sw
Защиту от перегрузок линии обеспечивает тепловой расцепитель, роль которого выполняет пластина из двух металлов с разным коэффициентом расширения (биметаллическая).
Когда напряжение в цепи превышает величину номинального, пластинка начинает нагреваться, что приводит к ее изгибанию в сторону отключающего элемента. Касаясь его, она вызывает срабатывание АВ.
От сверхтоков короткого замыкания сеть защищена электромагнитным расцепителем, который представляет собой соленоид с сердечником. При резком росте силы тока, свойственной КЗ, возникает электромагнитный импульс. Под его воздействием в течение долей секунды расцепитель вызывает срабатывание выключателя и прекращение подачи электроэнергии в линию.
Когда неисправность будет устранена, прибор можно снова включить вручную. Следует, однако, помнить, что если параметры сети после отключения АВ нормализовались очень быстро, устройству нужно дать немного времени на полное остывание. Если включать нагретый аппарат, это отрицательно повлияет на срок его службы.
Определения
УЗО отключает нагрузку, когда значение дифференциального тока выше допустимого (ГОСТ 31601.2.1-2012). Полное название на русском языке – устройство защитного отключения, а английская аббревиатура названия RCD – residual current device. Несмотря на принятое среди электриков обозначение УЗО. правильное название будет звучать как выключатель дифференциальный. Такое же название будет и на маркировке изделия.
Этот механический аппарат коммуникативного типа срабатывает при изменении векторной разности токов, возникающих в трансформаторе, входящем в дифференциальные выключатели.
Эти изменения происходят при прикосновении человека к токоведущим частям, а также в случае перегрева или пожара, вызванного утечкой тока. Устройства защитного отключения устанавливают не только в системы электроснабжения, но и в некоторые бытовые приборы, которые используются в сырых помещениях, например, в определенные модели фенов.
Схема работы УЗО
Дифавтомат или автоматический выключатель дифференциального тока обладает более широкими возможностями по сравнению с выключателем дифференциальным. В нем соединены вместе устройство защитного отключения и автоматический выключатель (ГОСТ Р 51327.1-2010). За счет такого сочетания дифавтомат защищает от удара электрического тока при утечке или соприкосновении с токоведущими фрагментами, а также предохраняет от перегрузок и коротких замыканий с помощью автомата. Дифавтомат предотвращает пожары, которые могут возникнуть при возгорании изоляции из-за перегрева.
Главное предназначение устройства защитного отключения в контроле над утечкой тока, а также отслеживании поступления напряжения к электроприборам. При одновременном подключении всех приборов, находящихся в сети, схема с выключателем дифференциальным не отреагирует на перегрузку, и проводка сгорит.
Даже при принудительном создании короткого замыкания путем соединения нуля и фазы дифференциальные выключатели не отключат напряжение. Дифавтомат, где устройство защитного отключения и автомат работают вместе, способен справиться со всеми этими проблемами.
Только дифавтомат предотвратит короткое замыкание и перегрузку в сети. Дифференциальные выключатели такими функциями не обладают.
Главные визуальные различия между УЗО от дифавтоматом По внешнему виду сразу понять, почему одно устройство называется УЗО, а второе – дифавтоматом не совсем просто.
Корпуса в одном и другом случае примерно одинаковые, есть выключатель, на каждом устройстве нарисована схема, перечислены определенные параметры и заданы технические характеристики. Но при ближайшем рассмотрении видно, что все эти обозначения разные.
Таким образом, можно перечислить основные отличия, по которым можно определить, что именно перед вами находится:
- название;
- схема подключения;
- обозначение минимального тока;
- аббревиатура.
Рассмотрим, как отличается защита по внешнему виду корпуса. Название, аббревиатура и обозначения минимального тока Прежде чем присоединять выбранное устройство к сети, внимательно рассмотрите корпус. В большинстве случаев полное название защитного механизма располагается на задней крышке.
На лицевой стороне корпуса будет указана аббревиатура ВД (для УЗО) или АВДТ (при работе с дифавтоматом). В нашем случае – это обозначения ВДТ1-63, то есть выключатель дифференциальный и АВДТ32 –дифавтоматы. Отличие в написание обозначений очевидны, дифавтоматы всегда именуются по-другому.
Различия в обозначении
Отличается и лицевая сторона. Если на корпусе видна большая буква и числа, стоящие за ней, то это дифавтомат (у нас С 16), если же все буквы идут после числа (32 А) – это УЗО. Данные цифры обозначают величину номинального тока в цепи.
Величина номинального тока определяется, исходя из мощности используемых электроприборов и сечения кабеля. Буква, стоящая перед обозначением номинального тока показывает, какие расцепители (электромагнитные и тепловые) используются в сети.
Если вы никак не можете понять, как отличить один прибор от другого, то рисковать и самостоятельно устанавливать защитные устройства нельзя. Вызовите квалифицированного электрика, который решит, где воспользоваться дифавтоматом, а где выключателем дифференциальным вместе с автоматом.
Полезные монтажные советы
Монтаж дифавтомата имеет множество мелких нюансов, которые помогут сделать работу оборудования эффективной и надёжной.
«Ноль» к нагрузке обязательно должен идти от дифавтомата, иначе возникнет разница значений токов, и защитное устройство сразу сработает. В результате подключить электроприборы не удастся
В электрике не следует пренебрегать советами, поэтому к приведенным рекомендациям следует отнестись внимательно:
- При подключении проводов к дифференциальному автомату обязательно нужно соблюдать полярность. Клемма «нуля» обозначается как N, а «фазы» – 1 или 2.
- Работы по подключению необходимо производить при полном обесточивании всех проводов.
- Наилучшую безопасность обеспечивает двухуровневая схема с селективным дифавтоматом первого уровня.
- Стоит подбирать мощность дифавтоматов второго уровня в соответствии с предполагаемой нагрузкой на электроконтур в каждой комнате.
- Нельзя объединять выходящие «ноль» и «фазу» дифавтомата с неподключенными к нему электропроводами, даже если они идут от параллельно подключенных АВДТ.
- Выходящий из дифавтомата «ноль» не должен соприкасаться с жилой заземления.
При фиксации провода в клемме нужно следить, чтобы в разъем не попала изоляция. Плохой контакт может привести к перегреванию дифавтомата и его поломке.
При несоблюдении большинства вышеописанных рекомендаций АВДТ просто не будет функционировать должным образом. Он может «выбивать» при подключении нагрузки или вообще не срабатывать на утечку тока. Поэтому к электрической схеме подключения нужно отнестись со всей серьёзностью.





