Технические характеристики
Усилитель TDA7293 обеспечивают небольшие уровни шумов и искажений на выходе. Согласно техническому описания (datasheet) с её помощью можно добиться максимальной мощности звучания в 100Вт, при нагрузке (RL) в 8 Ом и предельном напряжении питания (VS) в ± 40 В. С такими параметрами получают чистыми 50-60 Вт и более, если параллельно подключаются несколько устройств. Суммарный коэффициент гармонических искажений (THD) не превышает 10 %. Это обусловлено наличием встроенных полевых транзисторов в предварительном и выходном каскадах усиления у данной микросхемы.
Максимальные значения
Приведём максимальные характеристики TDA7293:
- предельное питающее напряжение VS (при отсутствии сигнала) ± 60 В;
- импульсный ток на выходе I O = 10 А;
- рассеивания мощность (при Tcase = 70 ОС) Ptot = 50 Вт;
- диапазон рабочих температур от 0 до 70 ОС;
- температура: кристалла T j до +150 ОС; при хранении до +150 ОС.
Это максимальные значение параметров. Превышение любого из них может привести к повреждению устройства. При этом рассеиваемая мощность ограничивается температурой корпуса, поэтому чем больше будет радиатор, тем лучше.
Технические характеристики
TDA2822M не требует для работы больших напряжений и обладает высоким коэффициентом усиления (до 41 дБ). Выходная мощность (PO) зависит он конфигурации системы и её электронной обвязки. Чаще всего для включения схемы используют номинальные для неё 9 В (иногда обычную крону). При таком питании можно получить заявленные производителем 1,0-1,4 Вт на стандартные 8-ми омные колонки, но с достаточно большими уровнями гармонических искажений в 10 % (TDA), не приемлемыми для прослушивания музыки.
При питании от 6 В на 8-ми омных динамиках можно получить до 300-380 мВт, но тоже с высокими TDA до 10 %. Некоторые радиолюбители заявляют о получении выходной мощностью в 2 Вт при питания в 12 В, но не учитывают работу устройства на предельных своих возможностей. В техническом описании (datasheet) данные о таких экстремальных режимах эксплуатации (с напряжением более 9 В), производителями не представлены. Приведем максимально возможные значения параметров.
Максимальные параметры
Абсолютные (предельно допустимые) значения параметров для TDA2822M:
- напряжение питания (VS) до 15 В;
- выходной ток (IO) до 1 А;
- рассеиваемая мощность (Ptot) до 1.4 Вт (при TCASE до 50 °C);
- диапазон рабочих температур (TA) от -20 до 70 °C;
- температура хранения (Tstg) от -40 до +150 °C.
Не стоит превышать предельно допустимые значения параметров. Это приведёт к появлению высоких искажений, сильному нагреву микросхемы и вероятности скорого выхода её строя. Для охлаждения можно использовать небольшой радиатор, хотя в большинстве случаев он не нужен.
Слушать музыку с искажениями — не самое приятное занятие. Для получения приемлемого качества звучания и уменьшение уровня TDA чаще всего уменьшают выходную мощность (PO). Например при работе усилителя в мостовом режиме, для уменьшения TDA до 0,2% в 8-ми омной нагрузке, необходимо снизить PO до 0,5 Вт.
Cхемы включения
Многие параметры зависят не только от напряжения питания но и от того, какая схема включения у TDA2822M. На рисунке представлены её два основных варианта применения. Слева для работы двух каналов (стерео), а справа в одноканальном (режим моста). Последний можно использовать, например, для подключения сабвуфера.
Электрические характеристики
Рассмотрим электрические характеристики TDA2822M из datasheet (на русском языке). Производители приводя их в отдельных таблицах для разных схем включения. Номинальное напряжение питания (VS) 6 В, если не указано иного. Температура устройства не должна превышать +25°C. Дополнительные режимы измерений указаны в отдельном столбце. Вот параметры при работе в режиме стерео.
Ниже представлены электрические параметры при работе устройства в мостовой схеме. Рабочая температура и номинальное напряжение такие же, как и при включении в стерео режиме.
Аналоги
У TDA2822M есть современный аналог от южнокорейской компании Samsung — микросхема КА2209. Чаще всего именно её предлагают как альтернативу. Из импортных устройств также можно рекомендовать NJM2073. Из отечественных, идентичной по параметрам считается 174УН22, и более старые 174УН34 и 174УН31, но они уже давно не выпускаются.
Принцип работы УМЗЧ на TDA7496SA
Напряжение звуковой частоты поступает на входы микросхемы DA2 через защитные резисторы R7, R8, R12, R13. Последовательно включенные маломощные стабилитроны VD13, VD14 и VD15, VD16 защищают входы микросхемы от перегрузки. Наличие защитных цепей на входах микросхем УНЧ обязательно при отсутствии на входах УМЗЧ относительно высокоомных резисторов и регулятора громкости. Конденсаторы С15, С16 предотвращают поступление на вход УМЗЧ радиочастот. В этом усилителе установлены два входных гнезда XS1, XS2 разных типов, необходимые для подключения различных источников сигнала. Оба двухканальных входа включены параллельно, что позволяет использовать устройство как пассивный переходник-удлинитель.
Электронный регулятор громкости выполнен на переменном резисторе R10. С подвижного контакта этого резистора управляющее напряжения через резистор R14 поступает на вывод 3 DA1. Конденсатор С20 устраняет «шорохи» переменного резистора. Для питания узла регулятора громкости достаточно напряжения +5 В, но в этой конструкции используется напряжение +6,8 В, выбранное с целью возможной дальнейшей модернизации конструкции, например, оснащение усилителя мощности предварительным УНЧ.
Динамические головки подключены к выходам DA2 через разделительные конденсаторы С27-С30, замкнутые контакты выключателя SA2 и дроссели L1, L2. Демпфирующие цепочки R15С25 и R16C26 устраняют возможное самовозбуждение DA2 на ультразвуковых частотах. Дроссели L1, L2 уменьшают влияние на работу DA2 мобильных телефонных аппаратов и радиомодемов. К выходу УМЗЧ (гнездо XS3) могут быть подключены головные телефоны. Резисторы R19, R20 ограничивают поступающую на наушники мощность. Резисторы R17, R18 предназначены для устранения щелчка в момент подключения к работающему усилителю динамических телефонов или наушников.
Наушники не отключаются при подключенных динамических головках, что удобнее, в сравнение с тем, когда динамики и наушники могут работать только попеременно. Конденсатор С22 установлен ёмкостью в десять раз меньшей, чем рекомендовано типовой схемой включения микросхемы TDA7496SA, это необходимо для ускорения установления половинного напряжения на обоих выходах DA2. Модуль УМЗЧ питается нестабилизированным напряжением около 20В постоянного тока. При таком напряжении питания размах амплитуды сигнала на подключенных к выходу УМЗЧ динамических головках будет около 17 В.
Выходная мощность музыкального сигнала на подключенных нагрузках сопротивлением 8 Ом составит честные (не «китайские») 2×2 Вт. Это для небольшой комнаты будет гораздо громче и качественнее, чем «китайско-калининградские» 2×10 Вт (звуковой мощности) у LED телевизоров с экраном 32-42 дюйма.
https://youtube.com/watch?v=ASXiOdS_sg4
Принципиальная схема
Хочу предложить читателям свой вариант такого УНЧ. Принципиальная схема показана на рисунке в тексте. Усилитель выполнен на микросхеме TDA8571J, представляющей собой интегральный УНЧ с четырьмя мостовыми каналами. Данная микросхема широко применяется в автомобильной аппаратуре.

Рис. 1. Принципиальная схема четырехканального автомобильного УМЗЧ на микросхеме TDA8571J.
В основе уселителя лежит микросхема TDA8571J. Она работает на четыре широкополосные акустические системы сопротивлением 4 Ом каждая и мощностью не ниже 20 Вт. Как акустические системы размещены в салоне автомобиля понятно из схемы.
Питание на микросхему УМЗЧ поступает постоянно от бортовой сети автомобиля. Выключение осуществляется выключателем S1, который, в показанном на схеме положении переводит А1 в выключенное состояние.
При этом коммутируется очень слабый ток, поэтому выключатель может быть очень миниатюрным.
Тыловые и фронтальные усилители объединены поканально. Уровень громкости для каждого из четырех усилителей устанавливается индивидуально с помощью подстроечных резисторов R4-R7.
Штеккер Х1 включают в телефонное гнездо MP3 плейера. Через него так же подключается минус питания на зарядку аккумулятора.
↑ Опыты с мостовым усилителем
проводились по схемам, показанным на рис. 10 и 12. На рис. 10 приведена схема экспериментального мостового усилителя. Исключён фрагмент. Полный вариант статьи доступен меценатам и полноправным членам сообщества. Читай условия доступа.
Рис. 10. Принципиальная схема экспериментального мостового усилителя
В отличие от схемы стереофонического усилителя (рис. 3), в которой предполагается, что разделительные конденсаторы имеются на выходе предыдущего устройства, на входе мостового усилителя включен разделительный конденсатор, определяющий нижнюю частоту, воспроизводимую усилителем.
В зависимости от конкретного применения емкость конденсатора С1 может быть от 0,1 мкФ (fн = 180 Гц) до 0,68 мкФ (fн = 25 Гц) и более. При емкости С1, указанной на принципиальной схеме нижняя частота воспроизводимых частот составляет 80 Гц.
Внутренние резисторы, подключенные к инвертирующим входам усилителя через разделительный конденсатор С2 соединены между собой, что обеспечивает на выходах равные по величине, но противоположные по фазе сигналы.
Конденсатор С3 осуществляет коррекцию частотной характеристики усилителя на высоких частотах.
Поскольку потенциалы выходов усилителя по постоянному току равны, стало возможным непосредственное подключение нагрузки, без разделительных конденсаторов.
Назначение остальных элементов описывалось ранее.
Для стереофонического варианта потребуется два мостовых усилителя на микросхеме TDA2822M. Схему включения несложно получить, взяв за основу рис. 4.
Надежная работа усилителя в мостовом режиме обеспечивается выбором соответствующего напряжения питания в зависимости от сопротивления нагрузки (см. таблицу).
Все детали мостового усилителя размещены на печатной плате размерами 32 х 38 мм из односторонне фольгированного стеклотекстолита толщиной 2 мм. Чертеж возможного варианта платы изображен на рис. 11.
Рис. 11. Размещение элементов на плате мостового усилителя
Детали мостового усилителя
DA1 — TDA2822M ST Корпус: DIP8-300 — 1 шт., SCS-8 Розетка dip узкая — 1 шт., R1 — Рез.-0,25-10к (Коричневый, черный, оранжевый, золотистый) — 1 шт., R2, R3 — Рез.-0,25-4,7 Ом (Желтый, фиолетовый, золотистый, золотистый) — 2 шт., С1 — Конд.0,22/63V К73-17 — 1 шт., С2 — Конд.10/16V 0511 +105°C — 1 шт., С3 — Конд.0,01/630V К73-17 — 1 шт., С4 – С6 — Конд.0,1/63V К73-17 — 3 шт., С7 — Конд.1000/16V 1021+105°C — 1 шт.
Принципиальная схема типового мостового УМЗЧ и размещение элементов на печатной плате показаны соответственно на рис. 12 и 13.
Исключён фрагмент. Полный вариант статьи доступен меценатам и полноправным членам сообщества. Читай условия доступа.
Рис. 12. Типовая схема включения микросхемы в мостовом режиме
Рис. 13. Размещение элементов типового мостового УМЗЧ
Детали типового мостового УМЗЧ
DA1 — TDA2822M ST Корпус: DIP8-300 — 1 шт., SCS-8 Розетка dip узкая — 1 шт., R1 — Рез.-0,25-10к (Коричневый, черный, оранжевый, золотистый) — 1 шт., R2, R3 — Рез.-0,25-4,7 Ом (Желтый, фиолетовый, золотистый, золотистый) — 2 шт., С1, С3 — Конд.10/16V 0511 +105°C (Емкость С3 может быть увеличена до 470 мкФ) — 2 шт., С2 — Конд.0,01/630V К73-17 — 1 шт., С4 – С6 — Конд.0,1/63V К73-17 — 3 шт.
↑ УНЧ №2 — в корейский видик!
На столе остался лежать оконечник на LM4780 его тоже нужно было куда то запихнуть. LM 4780
Т.к. видео кассеты несколько лет назад стали неактуальны, мой видик хоть, и был в рабочем состоянии, пылился на шкафу. Выкинуть было жалко, все-таки 10 лет работал и не доставлял хлопот. Видик.
Кассеты с домашним видео были перегнаны на диски, остальные были разобраны, винтики стоечки пошли в хозяйство, пластмасса с пленкой в мусор. Для блока питания нужен был мощный и невысокий транс. В своих закромах ничего подходящего не нашлось. Был предпринят поход по гаражам друзей, товарищей на предмет поисков. В одном из гаражей был обнаружен оконечный усилитель Эстония 008 с изуродованным корпусом (похоже, что на нем рубили мясо), зато транс просто класс – мощный тор и перематывать не пришлось – две обмотки по 22 V.
Из корпуса удалено все, на месте лентопротяга на нижнюю металлическую крышку установлено крепление для тора (родная шпилька с резьбой М8 с обеих сторон).
Трас в корпусе.
На тор домотаны обмотки для получения 200V для индикатора, 12V для блока тембров, двуполярного 15V для индикатора пикового сигнала.
Блок питания.
На месте штатного БП разместился БП дежурного режима и мягкий старт основного БП.
БП деж. режима и мягкий старт.
Лицевую панель опять же не хотелось курочить. Вместо проема под кассету встроен индикатор входного сигнала на ИН13 и пикового сигнала, на месте родного индикатора поставлен контроллер управления блоком тембров, кнопки управления использованы штанные от управления видиком.
Контроллер управления.
В результате внутри получилось следующее:
Все внутри.
Результат.
Вот теперь слушаю то один, то другой аппарат, и пока не определился какой же оставить, а какой можно и подарить кому-нибудь. Жена довольна. А вопрос, который ребром, временно закрыт.
↑ Заглянем в даташиты
Проанализировав номенклатуру микросхем, выпускаемых ST Microelectronics, я выявил три полностью взаимозаменяемые микросхемы в корпусе Multiwatt11: TDA7269, TDA7265 и TDA7292. В Сети можно найти много вариаций даташитов на все эти чипы (см. ссылки внизу). Мощные двухканальные Hi-Fi усилители предназначены для высококачественной стереоаппаратуры, музыкальных центров и телевизоров класса Hi-Fi. Они имеют широкий диапазон напряжения питания, двухполярное питание, режим приглушения звука (Mute), режим ожидания, защиту от короткого замыкания и перегрева.
Я приобрел две из указанных микросхем, третью заказал в магазине, а испытал в работе пока что только TDA7265.
Характеристики микросхем при двухполярном питании приведены в табл. 1, а назначение выводов — в табл. 2.
Обратите внимание, что разработчики не приводят значений выходной мощности микросхемы TDA7265B при сопротивлении нагрузки Rн=4 Ом. Предположу, что нужно ориентироваться на соответствующие параметры микросхемы без индекса
В зависимости от типа микросхемы выходной пиковый ток составляет 4…5,5 А. Температура отключения при перегреве 145°С.
Скорость нарастания выходного напряжения VUвых=10 В/мкс, коэффициент усиления с разомкнутой петлей отрицательной обратной связи KU0=80 дБ. Входное сопротивление в неинвертирующем включении Rвх=20 кОм.
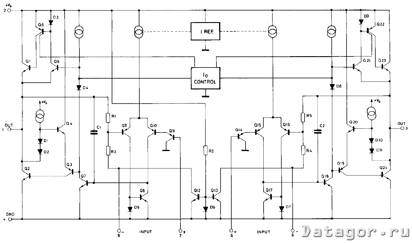
↑ Функциональная схема TDA2822M
приведена в документации . Как видно из рис. 1, каждый канал усилителя по структуре близок к типовой схеме Лина. Усилители имеют общие функциональные узлы: цепи задания опорного тока I REF для генераторов стабильного тока (ГСТ) в цепях эмиттеров дифференциальных каскадов, цепь задания смещения R3, D6 на базах ключей Q12, Q13 и цепи поддержания токов покоя I0 CONTROL выходных каскадов усилителя.
Данное решение способствует улучшению стабильности работы усилителя в мостовом режиме. Каждый канал усилителя состоит из дифференциального каскада Q9…Q11 (Q14…Q16), усилителя напряжения Q7 (Q18) и выходного каскада Q1…Q6 (Q18…Q24).

Рис. 1. Функциональная схема TDA2822M из Datasheet
Дифференциальный каскад имеет динамическую нагрузку в виде токового зеркала на элементах Q8, D5 (Q17, D6).
Исключён фрагмент. Полный вариант статьи доступен меценатам и полноправным членам сообщества. Читай условия доступа.
Обратите внимание, что другие цепи встроенной защиты выходного каскада отсутствуют, что сделано из соображений лучшего использования источника питания, к сожалению, в ущерб надежности. Выводы 5 и 8 микросхемы соединяются с общим проводом по переменному току
В этом случае коэффициент передачи усилителя с отрицательной обратной связью составит:
Выводы 5 и 8 микросхемы соединяются с общим проводом по переменному току. В этом случае коэффициент передачи усилителя с отрицательной обратной связью составит:
Ku=20lg(1+R1/R2)= 20lg(1+R5/R4)=39 дБ.
Структурная схема ИС представлена на рис. 2.

Рис. 2. Структурная схема TDA2822M
Экспериментально определено, что сумма сопротивлений резисторов R1+R2 и R5+R4 равна 51,575 кОм. Зная коэффициент усиления, несложно вычислить, что R1=R5=51 кОм, а R2=R4=0,575 кОм.
Чтобы уменьшить коэффициент усиления микросхемы с ООС, обычно последовательно с R2 (R4) включают дополнительный резистор. В данном случае такому схемотехническому приему «мешают» открытые транзисторные ключи на транзисторах Q12 (Q13).
Но даже, если предположить, что ключи не оказывают влияния на коэффициент передачи с обратной связью, маневр по уменьшению коэффициента усиления незначителен – не более 3 дБ; в противном случае не гарантируется устойчивость усилителя, охваченного ООС.
Поэтому можно поэкспериментировать с изменением коэффициента передачи усилителя, учтя, что сопротивление дополнительного резистора лежит в пределах 100…240 Ом.
Характеристики микросхемы TDA7388
| Параметр | Условия теста | Значение |
|---|---|---|
| Ток покоя | RL = ∞ | 120 — 350 mA |
| Выходное смещение | Режим воспроизведения | ±100 mV |
| Скачек напряжения во время вкл./выкл. |
±80 mV | |
| Усиление по напряжению | 25 — 27 dB | |
| Выходная мощность | THD = 10 %, Vs= 14.4 V | 26 W (typ) |
| Максимальная выходная мощность (немузыкальная) |
Vs= 14.4 V Vs= 15.2 V |
41 W 45 W |
| Гармонические искажения | POUT = 4 W | 0.04 % (typ) |
| Подавление пульсаций источника питания |
f = 100 Hz, VR = 1 VRMS | 50 — 65 dB |
| Верхняя частота среза | POUT = 0.5 W | 100 — 200 kHz |
| Входное сопротивление | 70 — 100 kOhm | |
| Стереоразделение | f = 1 kHz, POUT= 4 W | 60 — 70 dB |
| Потребляемый ток в ждущем режиме |
VST-BY = 0 | 20 uA (max) |
Схема усилителя на tda7388
На рисунке представлена схема подключения микросхемы tda7388, конденсатор C6 необходим для регулирования времени выключения/выключения и выполняет значимую роль в оптимизации щелчков при переходных процессах. Минимально значение емкости для такого конденсатора 10 мкФ.
Входной сигнал подается через конденсаторы с емкостью 0.1 мкФ на выводы 11,12,15,14 относительно вывода S-GND, при такой емкости нижняя частота среда будет 16 Гц.
Управление режимами работы ST-BY или MUTE можно использовать любые транзисторы небольшой мощности, либо CMOS вывод микроконтроллера. На этих выводах посажены RC цепочки которые необходимы для сглаживания управляющих сигналов, в противном случае при управлении микросхемы могут быть слышны щелчки управления. Для управления 22 выводом необходим так около 10 мкА, поэтому стоит резистор 70 кОм.
Если на выходе усилителя присутствуют какие либо шумы, то необходимо на входе повесить ФНЧ первого порядка, RC цепочка 1 кОм+220 пФ.
Аналоги микросхемы tda7388
Ниже представлены микросхемы, который имеют одинаковую распиновку (pin-to-pin аналоги).
| ИМС | Описание | Примечание |
|---|---|---|
| TDA7381 | 4 x 25 W quad bridge car radio amplifier | Отличие: 25 вывод — диагностика |
| TDA7382 | 4 x 22 W four bridge channels car radio amplifier | Отличие: 25 вывод — клип-детектор |
| TDA7383 | 4 x 30 W quad bridge car radio amplifier | Отличие: 25 вывод — клип-детектор |
| TDA7384A | 4 x 46 W quad bridge car radio amplifier | |
| TDA7385 | 4 x 42 W quad bridge car radio amplifier | Отличие: 25 вывод — диагностика |
| TDA7386 | 4 x 45W quad bridge car radio amplifier | |
| TDA7387 | 4 x 41 W quad bridge car radio amplifier | |
| TDA7388 | 4 x 45 W quad bridge car radio amplifier | |
| TDA7389 | 4 x 45W quad bridge car radio amplifier | отличие: 25 вывод — клип-детектор |
| TDA7454 | 4 x 35 W high efficiency quad bridge car radio amplifier | отличие: 16 вывод — переключение режимов и 25вывод — клип-детектор |
| TDA7850 | 4 x 50 W MOSFET quad bridge power amplifier | отличие: 25 вывод — выход HSD/OD |
| TDA7851F | 4 x 48 W MOSFET quad bridge power amplifier | отличие: 25 вывод — выход OD |
| TDA7854 | 4 x 47W MOSFET quad bridge power amplifier | отличие 25 вывод — выход клип-детектор |
| STPA001 | 4 x 50 W MOSFET quad bridge power amplifier | Только в корпусеFlexiwatt25. Отличие: 25 вывод – OFFSET DETECTOR OUT |
| STPA002 | 4 x 52 W quad bridge power amplifier with low voltage operation | Только в корпусеFlexiwatt25. Отличие: 25 вывод – OFFSET DETECTOR OUT |
УСИЛИТЕЛЬ ЗВУКА ИЗ ТЕЛЕВИЗОРА
Выражение «Сизифов труд» познан ста процентами радиолюбителей. Для успеха нужен положительный исход десятка (даже больше) выполненных работ, для того чтобы весь труд пошёл на смарку хватит одной единственной незначительной оплошности. А так иногда хочется, чтобы что-то получилось, особенно начинающему любителю электроники, освоившему ещё не весь арсенал навыков и умений. Однако безвыходных положений не бывает. На платах ранее принадлежавшим каким-то электронным устройствам всегда можно найти нечто, что после некоторой незначительной доработки станет отдельным, исправно функционирующим устройством. Так на плате, некогда входившей в состав телевизионного приёмника можно найти звуковой усилитель.
Его и искать-то особо не нужно, сам «лезет в глаза». Микросхема TDA c, торчащим «гребешком» — радиатором охлаждения и соответствующей «обвязкой» из электронных компонентов. Перед тем как выпилить ножовкой по металлу нужный фрагмент текстолита с деталями необходимо в обязательном порядке добыть принципиальную схему.
Основные параметры устройств
Детали выбирают, опираясь на количество каналов и класса усиления. Определив эти параметры, удастся подобрать подходящее устройство или сделать его самостоятельно на основе микросхемы TDA7388.
Класс усиления
Этот показатель определяет уровень искажения сигнала. Для автомобильных устройств усилители бывают 5 классов:
- А. Их КПД не превышает 20%, но звук меньше искажается после установки таких устройств. Стоит учитывать, что они потребляют и выделяют много энергии, поэтому подходят не для каждого автомобиля. Работают довольно шумно. В салоне их не устанавливают, чтобы постоянно не слушать гул устройства.
- В. По своим характеристикам они мощнее, но дают слегка скаженный сигнал. Работа при воспроизведении звука здесь стабильней, термические показатели тоже держатся на одном уровне. Устройства этого класса обычно более габаритные.
- С. Коэффициент полезного действия достигает 75%, но сигнал сильно искажается при переходе через усилитель. Подходит не для всех аудиосистем.
- D. Сюда относят компактные цифровые устройства с чистым звуком. Раньше они использовались только для низких частот, но теперь стали более практичными.
Также есть смешанный класс АВ, в него входят долговечные устройства с достойным уровнем звучания. Их КПД не превышает 60%, но этого достаточно. Устройства с высокой мощностью занимают много места, их нельзя устанавливать в закрытом пространстве, иначе повышается риск замыкания и возгорания.
Для водителей, которые больше всего ценят качество звучания, больше подходят устройства класса АВ. Тем, кто хочет иметь внутри машины громкую систему, подойдут усилители D класса.
Количество каналов
Усилители со встроенным процессором имеют разное количество каналов мощности. Мастера на СТО считают, что в идеале для каждой колонки отводят свой канал, но здесь тоже многое зависит от предпочтений.
Усилители имеют до 6 каналов мощности:
- Моноблок используют для сабвуферов, их ставят при наличии низкой нагрузки. Одноканальные усилители выпускаются класса D, у них есть кроссовер с низким диапазоном и выносной регулятор звучания. Подходит для стандартных магнитол, у которых нет сабвуфера.
- Устройства на два канала используют для нескольких колонок. В них устанавливается мостовая схема или катушка, если достаточно мощности.
- Используются редко, только там, где есть 2 канала для акустики и сабвуфер. Считаются не очень практичными и надежными.
- Четырехканальные усилители распространены больше всего. Вариантов их применения несколько, продаются по низкой цене, отличаются надежностью. Эти усилители считаются более практичными, поскольку при любом способе подключения появляется хорошее звучание. Для создания акустической системы их комбинируют с двухканальными приборами.
- Они компактные, но используются не так часто. Подходят для 4 динамиков и сабвуфера. Место экономится за счет того, что одно устройство используется сразу для нескольких целей.
https://youtube.com/watch?v=KEzLGC87mrQ
↑ Опыты с мостовым усилителем
проводились по схемам, показанным на рис. 10 и 12. На рис. 10 приведена схема экспериментального мостового усилителя. Исключён фрагмент. Полный вариант статьи доступен меценатам и полноправным членам сообщества. Читай условия доступа.
Рис. 10. Принципиальная схема экспериментального мостового усилителя
В отличие от схемы стереофонического усилителя (рис. 3), в которой предполагается, что разделительные конденсаторы имеются на выходе предыдущего устройства, на входе мостового усилителя включен разделительный конденсатор, определяющий нижнюю частоту, воспроизводимую усилителем.
В зависимости от конкретного применения емкость конденсатора С1 может быть от 0,1 мкФ (fн = 180 Гц) до 0,68 мкФ (fн = 25 Гц) и более. При емкости С1, указанной на принципиальной схеме нижняя частота воспроизводимых частот составляет 80 Гц.
Внутренние резисторы, подключенные к инвертирующим входам усилителя через разделительный конденсатор С2 соединены между собой, что обеспечивает на выходах равные по величине, но противоположные по фазе сигналы.
Конденсатор С3 осуществляет коррекцию частотной характеристики усилителя на высоких частотах.
Поскольку потенциалы выходов усилителя по постоянному току равны, стало возможным непосредственное подключение нагрузки, без разделительных конденсаторов.
Назначение остальных элементов описывалось ранее.
Для стереофонического варианта потребуется два мостовых усилителя на микросхеме TDA2822M. Схему включения несложно получить, взяв за основу рис. 4.
Надежная работа усилителя в мостовом режиме обеспечивается выбором соответствующего напряжения питания в зависимости от сопротивления нагрузки (см. таблицу).
Все детали мостового усилителя размещены на печатной плате размерами 32 х 38 мм из односторонне фольгированного стеклотекстолита толщиной 2 мм. Чертеж возможного варианта платы изображен на рис. 11.
Рис. 11. Размещение элементов на плате мостового усилителя
Детали мостового усилителя
DA1 — TDA2822M ST Корпус: DIP8-300 — 1 шт., SCS-8 Розетка dip узкая — 1 шт., R1 — Рез.-0,25-10к (Коричневый, черный, оранжевый, золотистый) — 1 шт., R2, R3 — Рез.-0,25-4,7 Ом (Желтый, фиолетовый, золотистый, золотистый) — 2 шт., С1 — Конд.0,22/63V К73-17 — 1 шт., С2 — Конд.10/16V 0511 +105°C — 1 шт., С3 — Конд.0,01/630V К73-17 — 1 шт., С4 – С6 — Конд.0,1/63V К73-17 — 3 шт., С7 — Конд.1000/16V 1021+105°C — 1 шт.
Принципиальная схема типового мостового УМЗЧ и размещение элементов на печатной плате показаны соответственно на рис. 12 и 13.
Исключён фрагмент. Полный вариант статьи доступен меценатам и полноправным членам сообщества. Читай условия доступа.
Рис. 12. Типовая схема включения микросхемы в мостовом режиме
Рис. 13. Размещение элементов типового мостового УМЗЧ
Детали типового мостового УМЗЧ
DA1 — TDA2822M ST Корпус: DIP8-300 — 1 шт., SCS-8 Розетка dip узкая — 1 шт., R1 — Рез.-0,25-10к (Коричневый, черный, оранжевый, золотистый) — 1 шт., R2, R3 — Рез.-0,25-4,7 Ом (Желтый, фиолетовый, золотистый, золотистый) — 2 шт., С1, С3 — Конд.10/16V 0511 +105°C (Емкость С3 может быть увеличена до 470 мкФ) — 2 шт., С2 — Конд.0,01/630V К73-17 — 1 шт., С4 – С6 — Конд.0,1/63V К73-17 — 3 шт.
Микросхемы tda для усилителей звука — на TDA7377
Микросхемы tda для усилителей звука
Микросхемы tda для усилителей звука — именно на этом электронных устройствах, а точнее на TDA7377 и NE5532 собран усилитель мощности, схема которого представлена ниже. Данная конструкция в основном рекомендована к повторению начинающим радиолюбителям. Но вполне возможно заинтересует тех, кто уже имеет опыт в работе по ремонту и конструированию электронных устройств.
Усилитель мощности на микросхемах TDA7377 — NE5532AP

Выходная максимальная мощность усилителя составляет 40W (2x20W) на каждый канал.
Принципиальная схема усилителя
В состав данного аппарата входит три модуля, один из которых сам усилитель мощности звука, другой блок регулировки тембра и естественно блок питания. Переменные резисторы выполняют функцию регулировки тембра низкой частоты, а R13 и R16 осуществляют регулирование тембра высокой частоты. Установленные в схеме два потенциометра R18 и R19 предназначены для регулирования уровня громкости. Все используемые в устройстве потенциометры — сдвоенного типа, кроме регулятора баланса R2.
Темброблок
Напряжение питания на блок регулировки тембра, подается с двух полярного стабилизированного источника. Данный стабилизатор образован цепочкой из двух советских стабилитронов Д814Д (VD1-VD2) и пары постоянных резисторов с номинальным сопротивлением 1 кОм (R23-R24). Сам усилитель мощности звука получает питание от независимого стабилизатора собранного на биполярных транзисторах кт819А (VT1) и кт815Б (VT2), а также стабилитроне Д814Д (VD3).
При условии правильной сборки схемы, данный усилитель никакой наладки не требует — включаешь и начинает работать.
Конструкция радиаторов охлаждения подойдет любая. На картинке радиатор показан для наглядности. У меня в качестве теплоотвода служит сам корпус усилителя. Но тот кто будет делать эту схему, может поставить свой радиатор, какой есть под рукой.
Печатная плата с радиатором
Компоновка элементов на печатной плате
Допустимая замена деталей
Вместо микросхемы NE5532 можно поставить JRC4558D либо NE542N — нужно определиться с контактными площадками на печатной плате. Также можно поставить пару одинарных операционных усилителей, но тогда необходимо будет существенно изменить печатку. Конечно можно использовать и микросхемы советского производства, такие как К157УД2, но это тоже потребует кардинальной переделки печатной платы. Стабилитроны Д814Д можно заменить на любые полуваттные или одно-ватные с номинальным напряжением 11v — 15v.
Силовой трансформатор должен иметь выходные напряжения 12v — 18v на каждое плечо с рабочим током 1,5А. Диодный мост, также можно поставить любой подходящий, главное чтобы был рассчитан на рабочее напряжение в пределах 40v и номинальным током выше 1А. Также, вместо моста можно установить в схему четыре отдельных диода рассчитанных на соответствующее напряжение и мощность.
Перечень деталей:
Картинки кликабельны
СКАЧАТЬ печатную плату в LAY
https://youtube.com/watch?v=KbG4xQrKm7g
Простой мощный стерео усилитель на одной микросхеме TDA7297. Схема
В статье приведен проект по созданию усилителя на одной микросхеме TDA7297 простого мощного стерео усилителя 2 x 15 Вт с питанием от 12 вольт. Он имеет минимум деталей и очень компактен так же как и мини стерео усилитель.
Построение усилителя на микросхеме TDA7297 не требует много обвеса. Электронная схема построена по схеме предложенной производителем из datasheet с небольшими доработками. В частности, доработка типовой схемы усилителя TDA7297 заключается в добавлении регулятора громкости с использованием двойного логарифмического потенциометра на 10 кОм.

Технические характеристики TDA7297
- Вид монтажа: Сквозное отверстие
- Выходная мощность: 15 Вт
- Выходной сигнал: Дифференцированный
- Диапазон напряжения питания TDA7297: 6,5…18В
- Источник питания: Однополярный
- Максимально потенциальное усиление: 32 дБ
- Максимальное рассеяние мощности: 33Вт
- Продукт: Класс AB
- Рабочее напряжение питания: 9В, 12В, 15В
- Рабочий диапазон температур: 0…+ 70C
- Сопротивление динамиков: 8 Ом
- Суммарные нелинейные искажения + шум: 0,1%
- Тип выхода: 2 стерео канала
- Тип корпуса: Multiwatt-15
- Ток потребления: 2А
TDA7297 datasheet — скачать (скачено: 878)
Данная схема из datasheet показывает как можно просто подключить TDA7297.

TDA7297 — схема усилителя мощности
Ниже приведена схема усилителя на TDA7297, который можно собрать своими руками. Усилитель TDA7297 является микросхема с выходным мостом и, следовательно, подключаемые колонки должны быть снабжены электролитическими конденсаторами.

Конфигурация выходного моста проста — два одинаковых усилителей для каждого канала, работающего в противофазе. Каждый вывод выхода подключен к одному полюсу динамика. Подобное управление выходным напряжением позволяет получить высокую мощность с очень низким напряжением питания. Согласно заявленным параметрам микросхемы TDA7297, этот схема может работать при напряжении от 6,5 вольт до 18 вольт. В данном варианте использовалось напряжение в 12В.

Резистивный делитель, состоящий из двух сопротивлений 47 кОм и электролитический конденсатор 10 мкф на 25 вольт служат для устранения искажений при включении питания. Два конденсатора по 2,2 мкФ — полиэстер или керамические.

Микросхему TDA7297 необходимо разместить на радиаторе. В данной конструкции применен теплоотвод в виде листового алюминия толщиной 2 мм и площадью около 45 кв. см.
Источник
↑ Выводы
Часто начинающие любители жалуются на малую мощность, но дело может быть совсем не в этом, а в недостаточном уровне сигнала от источника. У рассмотренных микросхем усиление равно 26 дБ т. е. 20 раз, а у TDA7297 оно равно 33 дБ т. е. 44 раза. Разница существенная!
При одинаковом входном сигнале не вызывающем ограничения, мощность излучемая динамиками, будет у TDA7297 в 4 раза выше! Однако максимальная неискаженная мощность (при достаточном входном сигнале) будет выше у TDA7379.При нагрузке 8 Ом предпочтительнее TDA7297, а при 4 Ом — TDA7379. Забавно, что стоимость этих и более мощных микросхем, одинакова — «всё за доллар».





