Автомобильный УМЗЧ 4×45Вт на TDA7386
Привет друзья! Продолжая тему автозвука, рассмотрим схему, параметры и конструкцию бюджетного четырёхканальный усилителя на микросхеме TDA7386 от ST Microelectronics.
Микросхема призвана обеспечить квадрафонический звук с максимальной выходной мощностью 40 Вт на канал с нагрузкой не менее 4 Ом и выпускается в корпусе Flexiwatt25. Стоимость этой версии не велика и составляет порядка 250₽. Работает данная TDA в самом распространённом режиме AB и в основном предназначена для повышения мощности автомагнитол.
Прежде чем перейдём к схеме этого УМЗЧ давайте уточним один, на мой взгляд, важный момент. Когда мы говорим в принципе о сборке усилителя мощности низкой частоты, то определяющими параметрами становятся выходная мощность и искажения, которые будет вносить УМЗЧ в звуковой тракт. Вот здесь то и может «попасться» начинающий радиолюбитель, увидев схему на TDA7386. Ведь четыре канала по 45 Вт в итоге дают 180 Вт. Очень как бы неплохо за 250 рублей.
Но на самом деле это всего лишь рекламный ход. Дело в том, что у этой TDA, как в прочем и у многих других указывается не номинальная мощность, а мощность максимальная при искажениях в 10%. А кого интересует звук с THD = 10%? Думаю, таких нет. Так какова же реальная выходная мощность TDA7386 каждого из каналов?
Измерения показывают, что если за приемлемое качество взять значение искажений в 0,5%, то мощность каждого из каналов составит 15 Вт. Итого мы получим четырёхканальный УМЗЧ с итоговой мощностью 60 Вт. Но всё равно по соотношению цена/качество эта версия TDA с однополярным питанием выглядит не плохо.
Технические характеристики УМЗЧ на TDA7386:
- Тип напряжения питания — однополярное 6-18В;
- Максимальный выходной ток — 5А;
- Минимальное сопротивление нагрузки — 4Ом;
- Диапазон частот — 20 Гц — 20 кГц;
- Максимальная выходная мощность — 4×45Вт;
- THD при Pвых=45Вт — 10%;
- THD при Pвых=15Вт — 0,5%
Схема этого усилителя довольно простая и особых пояснений не требует. Из преимуществ микросхемы TDA7386 следует отметить встроенную защиту от короткого замыкания выхода, замыкания на корпус и перегрева (максимальная температура кристалла может доходить до 150°С по Цельсию). Также в микросхеме реализована функция MUTE- SA2 и автоматический переход в ждущий режим — SA1.
Печатная плата показана на рисунке (ссылка).
Микросхему следует установить на теплоотвод площадью не менее 400 см 2 через изоляционную теплопроводящую подложку.
Источник
Микросхема TDA7386 4х канальный УМЗЧ
Микросхема TDA7386 представляет собой четырех канальный усилитель мощности низкой частоты класса АВ, с максимальной выходной мощностью 40-45 Ватт на канал и однополярным питанием в диапазоне от 9 до 18 вольт с сопротивлением нагрузки 4 или 8 Ом.
Данная микросхема обладает функциями защиты от короткого замыкания на выходе, замыкания на корпус и перегрева, а также функциями MUTE и автоматическим переходом в режим ожидания с пониженным энергопотреблением при отсутствии входного сигнала.
TDA7386 применяется в автомагитолах, может так же использоваться в качестве внешнего усилителя.
Усилитель мощности звуковой частоты на микросхеме TDA7386 не сложный в изготовлении, требует небольшое количество внешних элементов, имеет маленькие габариты.
Основные параметры устройств
Детали выбирают, опираясь на количество каналов и класса усиления. Определив эти параметры, удастся подобрать подходящее устройство или сделать его самостоятельно на основе микросхемы TDA7388.
Класс усиления
Этот показатель определяет уровень искажения сигнала. Для автомобильных устройств усилители бывают 5 классов:
- А. Их КПД не превышает 20%, но звук меньше искажается после установки таких устройств. Стоит учитывать, что они потребляют и выделяют много энергии, поэтому подходят не для каждого автомобиля. Работают довольно шумно. В салоне их не устанавливают, чтобы постоянно не слушать гул устройства.
- В. По своим характеристикам они мощнее, но дают слегка скаженный сигнал. Работа при воспроизведении звука здесь стабильней, термические показатели тоже держатся на одном уровне. Устройства этого класса обычно более габаритные.
- С. Коэффициент полезного действия достигает 75%, но сигнал сильно искажается при переходе через усилитель. Подходит не для всех аудиосистем.
- D. Сюда относят компактные цифровые устройства с чистым звуком. Раньше они использовались только для низких частот, но теперь стали более практичными.
Также есть смешанный класс АВ, в него входят долговечные устройства с достойным уровнем звучания. Их КПД не превышает 60%, но этого достаточно. Устройства с высокой мощностью занимают много места, их нельзя устанавливать в закрытом пространстве, иначе повышается риск замыкания и возгорания.
Для водителей, которые больше всего ценят качество звучания, больше подходят устройства класса АВ. Тем, кто хочет иметь внутри машины громкую систему, подойдут усилители D класса.
Количество каналов
Усилители со встроенным процессором имеют разное количество каналов мощности. Мастера на СТО считают, что в идеале для каждой колонки отводят свой канал, но здесь тоже многое зависит от предпочтений.
Усилители имеют до 6 каналов мощности:
- Моноблок используют для сабвуферов, их ставят при наличии низкой нагрузки. Одноканальные усилители выпускаются класса D, у них есть кроссовер с низким диапазоном и выносной регулятор звучания. Подходит для стандартных магнитол, у которых нет сабвуфера.
- Устройства на два канала используют для нескольких колонок. В них устанавливается мостовая схема или катушка, если достаточно мощности.
- Используются редко, только там, где есть 2 канала для акустики и сабвуфер. Считаются не очень практичными и надежными.
- Четырехканальные усилители распространены больше всего. Вариантов их применения несколько, продаются по низкой цене, отличаются надежностью. Эти усилители считаются более практичными, поскольку при любом способе подключения появляется хорошее звучание. Для создания акустической системы их комбинируют с двухканальными приборами.
- Они компактные, но используются не так часто. Подходят для 4 динамиков и сабвуфера. Место экономится за счет того, что одно устройство используется сразу для нескольких целей.
https://youtube.com/watch?v=KEzLGC87mrQ
Похожие материалы
- Усилитель УНЧ на TDA1558
- УМЗЧ с крайне глубокой ООС
- Транзисторный усилитель мощности для диапазона 144 и 430 МГц
- бестрансформаторный лампово-транзисторный усилитель мощности
- Усовершенствованный бестрансформаторный лампово-транзисторный усилитель мощности
- Ламповый усилитель на EL84
- Двухтактный усилитель на лампах 6П13С
- УКВ (FМ) усилитель мощности 1.5 Вт
- Приемник для охоты на лис на диапазон 80 метров
- Широкополосный реверсивный усилитель
| Всего комментариев: |
| Социальные сети |
| Календарь | ||||||
| Пн | Вт | Ср | Чт | Пт | Сб | Вс |
| 1 | 2 | 3 | 4 | 5 | 6 | 7 |
| 12 | 13 | |||||
| 16 | ||||||
| 25 | ||||||
| 30 |
| Статистика |
| Посешаемость |
| ТЕГИ |
| Рекламный блок |
| Радиолюбитель 2020 |
Схемы включения операционных усилителей
TDA7385 — схема четырех канального усилителя мощности
Также одним немаловажным фактором у TDA7386 является наличие эффективной системы защиты от короткого замыкания в нагрузке и перегрева. Кроме этого, у чипа есть функция MUTE, которая может, в случае необходимости отключать входные цепи микросхемы. На сегодняшний день такие четырех-канальные микросхемы как TDA7386 и TDA7385 очень востребованы радиолюбителями.
Особенно, такой четырех-канальный УМЗЧ популярен у тех, кто собирают собственными руками новые либо модернизируют штатные автомобильные усилители мощности. Здесь все дело в том, что усилитель в таком варианте значительно проще собрать и настроить, чем сделать схему на дискретных компонентах.
К тому же этот аппарат обладает превосходными электрическими характеристиками, имеет малые нелинейные искажения и эффективную защиту, следовательно, и воспроизводит звук высокого качества. Учитывая такие хорошие характеристики микросхемы и великолепное звучание, ее в большинстве случаев применяют как оконечный усилитель мощности в автомобильных магнитолах высокого качества и как следствие — дорогих.
Данная микросхема подключается почти также как указывает даташит с некоторым исключением. В целом эта схема выполнена с использованием минимума внешних электронных компонентов в обвязке чипа. Такой вариант построения усилителя мощности позволяет быстро собрать аппарат не только опытным радиолюбителям, но и тем, кто только начинает учится в этом деле. Что касается деталей используемых в обвязки микросхемы, то все резисторы являются металлопленочными с номинальной мощностью рассеивания 0.125 — 0.25 Вт.
Установленные в схеме конденсаторы должны быть с номинальном напряжением не менее 25v, подключаемая к УМЗЧ акустическая система может быть с динамиками имеющими сопротивление 4Ом либо 8Ом. Теплоотвод для охлаждения микросхемы, желательно поставить побольше, настолько, насколько позволяет корпус УМ, чтобы гарантировать надежный отвод тепла выделяемого чипом.
В случае, когда вам не требуется пользоваться функциями режима ожидания Stand By и временным отключением звука MUTE, то вам нужно будет сразу подключить эти выходы микросхемы к проводу положительного напряжения. Это будет означать, что в момент подачи напряжения питания, магнитола включится в автоматическом режиме, мягко и без щелчков.(ред)
Питающее напряжение усилителя составляет 12v — 18v, поэтому схема, собранная на TDA7386 может работать как в автомобиле, так и аудиосистемах для домашнего использования. Такое устройство можно свободно разместить, например в корпусе персонального компьютера, места там вполне хватит. Однако, сначала нужно убедится в достаточной мощности блока питания установленного в ПК, так чтобы он смог потянуть работу компьютера и усилителя мощности.
С такими звуковыми характеристиками, этот УМЗ отлично подойдет для геймеров, которые используют компьютерные игры многоканального звукового сопровождения. Если есть желание, то можно будет изготовить систему на восемь каналов с выходной мощностью каждого звукового тракта до 40 Вт, задействовав при этом только одну пару микросхем и один большой по площади рассеивания теплоотвод для охлаждения.
Источник
Простой усилитель звука
Вне сомнений что у каждого начинающего радиолюбителя появлялось желание собрать усилитель звука своими руками. Меня эта тема очень заинтересовала. Однажды я заметил у приятеля – радиолюбителя в тетради одну интересную схему. По данной схеме можно легко собрать простой усилитель звука на 10 Ватт с питанием от 5 до 16 Вольт. Попрощавшись с другом я довольный ушёл с его тетрадкой и уже дома принялся за сборку.
Схема простого усилителя звука
Схема представляет собой простой усилитель собранный на микросхема TDA2003. Входной сигнал поступает на микросхему через электролитический конденсатор 10 мкФ. Усиленный микросхемой сигнал с 4-й ножки поступает на динамик через конденсатор 470 мкФ. Схема питается от источника постоянного тока напряжением 12В.
Печатная плата усилителя
Изготовление самой платы у меня заняло буквально несколько минут. Плата была сделана с помощью лазерного утюга и после вытравлена в хлорном железе. Следующим этапом нужно отыскать необходимые детали и заняться их пайкой. Микросхема была взята из старого телевизора, кстати в ТВ находится она перед самим динамиком на плате. Далее отсоединив дорожки выпаял микросхему, отечественным аналогом которой является — К174УН14. В том случае если в качестве донора будет телевизор советский времён. Остальные нужные детали также были отпаяны там. Далее началась пайка деталей на плату.
Когда детали припаяны, была протестирована пайка – получилось всё отлично
Важно не забыть что микросхему нужно ставить на радиатор. Сразу же мне захотелось проверить на работоспособность схему, был подключен аккумулятор 12 Вольт – всё отлично работало
Схема усилка ЗЧ выдавала точно 10 Ватт. Музыка звучит очень хорошо, без лишних помех. Вот так без особых трудностей я собрал простой усилитель звука. Печетная плата усилителя выглядит следующим образом.
Печатная плата усилителя
Для того чтобы нарисовать плату для печати использовал программу layout 6.0. Получилась отличная и удобная плата
Важно отметить что ни в коем случае нельзя спутать + и -, иначе легко уничтожите микросхему! Для тех у кого нету layout 6.0 можно взять образец для печати платы в виде изображения, и вы легко её напечатаете
Всего я сделал 6 аналогичных усилителей, работает всё без лишних проблем. Один из которых не хотел работать, как позже стало ясно из-то того что перепутав питание + и – сгорела микросхема. Так что в этом плане надо быть очень внимательным.
Динамик я взял с того же телевизора и закрепил всё в пластиковом корпусе. Есть также возможность добавить к усилителю тембрблок.
- < Назад
- Вперёд >
Комментарии
Валерий 30.05.2015 20:50 а нельзя добавит перечень деталей
Цитировать
Андрей 31.05.2015 13:36 Цитирую Валерий:
Так на схеме вроде бы все указано. Цитировать Vi_ru_S 06.07.2015 16:45 Я хочу найти плату для выключателя света, что бы с помощью андройд устройства можно было управлять
Цитировать
Александр 06.07.2015 17:08 Цитирую Vi_ru_S:
Самый простой вариант это использовать Arduino+блютус модуль+реле) Цитировать Vi_ru_S 06.07.2015 17:10 Цитирую Александр:
Самый простой вариант это использовать Arduino+блютус модуль+реле) Алекс можно ссылку на ресурсы Цитировать Михан 06.07.2015 17:26 Вот отличный пример, где все по полочкам разложено, где то у него на канале есть пример голосового управления без доступа в интернет https://www.youtube.com/watch?v=Ci-5jLGZj3A
Цитировать
Dmitriy 19.04.2016 21:40 Здравствуйте. не совсем понятно как детали на плате распаивать что куда
Цитировать
Обновить список комментариев
TDA7386 схема усилителя мощности
Интересная штука. Очень часто сталкиваешься с такой ситуацией. При желании собрать какое-нибудь устройство, допустим, усилитель мощности, начинаешь искать необходимую информацию в таком замечательном со всех сторон источнике как Интернет
Найдя три-четыре радиолюбительских сайта с нужным материалом, обычно прочитываешь его, анализируешь, концентрируешь внимание на основных деталях, вычленяешь необходимые моменты, переносишь часть идей или советов в свою конструкцию усилителя, добавляешь индивидуальности и, в конце концов, получаешь ясный технический проект создаваемого усилителя мощности. Дело остается за малым – собрать спроектированное устройство
Так вот что интересно больше всего. Уже на стадии отбора информационных ресурсов бросаются в глаза различные коллизии в описательно-технических частях статей. И это, порой, касается не только технических характеристик готового усилителя мощности, его отдельных радиодеталей, но и смысловых, текстовых несостыковок. Это осложняет реализацию радиолюбительского замысла
усилителя мощности на TDA7386TDA7386
TDA7386 представляет собой интегральный усилитель мощности класса AB. Подробнее о классификации усилителей мощности можно прочитать в статье автоусилитель. Выглядит микросхема TDA7386 следующим образом:
Все приведенные далее технические характеристики усилителя мощности на TDA7386 заявлены производителем микросхемы. TDA7386 – это 4 канальный усилитель мощности, способный на нагрузку 4 Ом развивать выходную мощность в пике 45 ватт на канал. При коэффициенте нелинейных искажений 10% выходная мощность составляет 26…28 ватт. Но здесь стоит отметить, что на указанные характеристики очень сильное влияние оказывает напряжение питания. Максимальное напряжение питания, которого, кстати, стоит придерживаться, если конструируете подобный усилитель мощности для домашнего использования, 18 вольт. Так вот, указанный КНИ при мощности 28 Вт справедлив для напряжения питания 14,4 В. Усилитель на TDA7386 заточен под автомобиль, и нетрудно догадаться, что все замеры параметров производитель осуществляет при питании от автомобильного аккумулятора. Поэтому, повысив напряжение до максимума, можно значительно снизить уровень искажений при неизменной выходной мощности. В подтверждение сказанного можно привести графики зависимости выходной мощности от уровня напряжения питания (слева долгоиграющая мощность при неизменных значениях КНИ, справа — пиковая):
Самый минимальный КНИ наблюдается при мощности в 4 Вт и составляет 0,04…0,15%. Входное сопротивление усилителя мощности на TDA7386 70…100 кОм. Уровень входного напряжения порядка 500 мВ.
Для создания полноценных домашних кинотеатров дополнительно потребуется еще один такой же усилитель мощности для системы 7.1 или один дополнительный стереофонический усилитель для акустической системы 5.1. Микросхема TDA7386 имеет защиту от короткого замыкания на выходе, на корпус и защиту от перегрева. TDA7386 также имеет возможность отключать звук (режим «mute», вывод 22) и переключаться в ждущий режим («stand-by», вывод 4) без выключения питания. В этих режимах ток, потребляемый усилителем, равен 100 мкА. При длительном отсутствии сигналов на входах микросхема TDA7386 автоматически переходит в ждущий режим. Эти режимы включаются путем отключения питания от этих функциональных выводов. Схема усилителя мощности выглядит следующим образом:
Печатная плата усилителя (размеры 46х31 мм):
Для упрощения рисунка печатной платы часть ножек микросхемы TDA7386 и деталей соединены с удаленными радиодеталями перемычками из одножильного провода диаметром 0,35 мм, расположенными на лицевой стороне. Вывод 10 соединен с точкой В, вывод 12 – с точкой D, 14 – с С, 16 – с А, 6 – с I, 20 – с G, точка G – с I, R5 – с K, R6 – с E. При увеличенных габаритах печатной платы возможен вариант соединения радиодеталей без перемычек. Однако большинство печатных плат, приведенных в Интернете для усилителя на микросхеме TDA7386, содержат перемычки и имеют бОльшие габариты, чем приведенный вариант.
Усилитель мощности в сборе (с радиатором и без него):
Рекомендуемая производителем площадь радиатора без принудительного охлаждения 400 см 2 .
Источник
TDA7385 — схема четырех канального усилителя мощности
Также одним немаловажным фактором у TDA7386 является наличие эффективной системы защиты от короткого замыкания в нагрузке и перегрева. Кроме этого, у чипа есть функция MUTE, которая может, в случае необходимости отключать входные цепи микросхемы. На сегодняшний день такие четырех-канальные микросхемы как TDA7386 и TDA7385 очень востребованы радиолюбителями.
Особенно, такой четырех-канальный УМЗЧ популярен у тех, кто собирают собственными руками новые либо модернизируют штатные автомобильные усилители мощности. Здесь все дело в том, что усилитель в таком варианте значительно проще собрать и настроить, чем сделать схему на дискретных компонентах.
К тому же этот аппарат обладает превосходными электрическими характеристиками, имеет малые нелинейные искажения и эффективную защиту, следовательно, и воспроизводит звук высокого качества. Учитывая такие хорошие характеристики микросхемы и великолепное звучание, ее в большинстве случаев применяют как оконечный усилитель мощности в автомобильных магнитолах высокого качества и как следствие — дорогих.
TDA8567q 4х25 Вт
Мостовой усилитель класса Hi – Fi на четыре канала. Открыть в полном размере
Есть защита от короткого замыкания выходного каскада и термозащита с уменьшением выходной мощности при перегреве. А еще микросхема обладает защитой от колебаний напряжения и режимом отключения. Еще данная микросхема обладает режимом вкл/выкл входного сигнала(режим Mute), и защитой при подаче напряжения на схему от «щелчка».
Характеристики микросхемы
| Параметр | Значение |
| Uпит | 6-18 В |
| Iвых | 7,5 А |
| Iпокоя | 230 мА |
| Pвых | 4х25 Вт |
| Rвх | 30 кОм |
| Коэффициент усиления | 26 дБ |
| Полоса частот | 20-20000 Гц |
| Коэффициент гармоник | 0,05 % |
| Rнагр | 4 Ом |
Назначение выводов
| Номер вывода | Назначение |
| 1 | Напряжение питания |
| 2 | Выход 1+ |
| 3 | Общий |
| 4 | Выход 1- |
| 5 | Выход 2- |
| 6 | Общий |
| 7 | Выход 2+ |
| 8 | Напряжение питания |
| 9 | Диагностика |
| 10 | Вход 1 |
| 11 | Вход 2 |
| 12 | Общий сигнальный |
| 13 | Вход 3 |
| 14 | Вход 4 |
| 15 | Выбор режима |
| 16 | Напряжение питания |
| 17 | Выход 3+ |
| 18 | Общий |
| 19 | Выход 3- |
| 20 | Выход 4- |
| 21 | Общий |
| 22 | Выход 4+ |
| 23 | Напряжение питания |
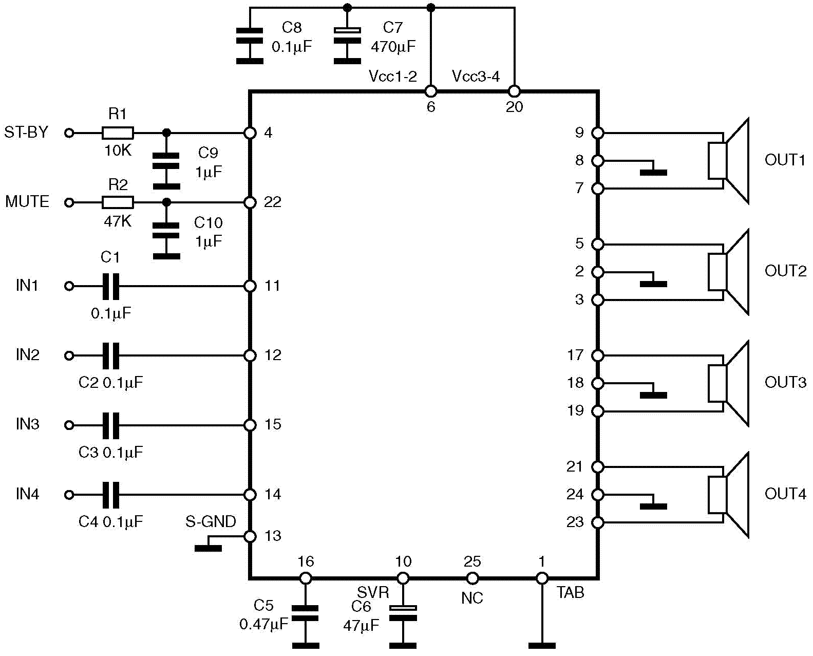
Схема усилителя на tda7388

На рисунке представлена схема подключения микросхемы tda7388, конденсатор C6 необходим для регулирования времени выключения/выключения и выполняет значимую роль в оптимизации щелчков при переходных процессах. Минимально значение емкости для такого конденсатора 10 мкФ.
Входной сигнал подается через конденсаторы с емкостью 0.1 мкФ на выводы 11,12,15,14 относительно вывода S-GND, при такой емкости нижняя частота среда будет 16 Гц.
Управление режимами работы ST-BY или MUTE можно использовать любые транзисторы небольшой мощности, либо CMOS вывод микроконтроллера. На этих выводах посажены RC цепочки которые необходимы для сглаживания управляющих сигналов, в противном случае при управлении микросхемы могут быть слышны щелчки управления. Для управления 22 выводом необходим так около 10 мкА, поэтому стоит резистор 70 кОм.
Если на выходе усилителя присутствуют какие либо шумы, то необходимо на входе повесить ФНЧ первого порядка, RC цепочка 1 кОм+220 пФ.
Унч на микросхеме tda7386 с регулировкой громкости
УНЧ класса Hi-Fi выполнен на интегральной микросхеме TDA7386. Эта ИМС представляет собой УНЧ класса AВ и устанавливается в авто-аудиоустройствах для получения мощного высококачественного выходного музыкального сигнала. ИМС рассчитана на работу с нагрузкой 2 — 4 Ом, искажения сигнала удовлетворяют требованиям Hi-Fi.
Напряжение питания — 6…18 ВПиковое значение выходного тока – 4,5…5,5 АТок в режиме mute/stand-by – 100 мкАДиапазон воспроизводимых частот – 20…75000 ГцКоэффициент нелинейных искажений — 1%Сопротивление нагрузки (номинальное 4 Ом) – более 2 ОмВыходная мощность – 4×30 (TDA7385) / 4×40 (TDA7386) ВтВходное сопротивление – 100 кОмКоэффициент усиления – 26 дБЧувствительность – 300 мВ
Внимание! ИМС чувствительна к напряжению питания – максимум 18 В. Переполюсовка источника напряжения питания приводит к выходу ИМС из строя (Uобр = 6 В максимум)
Принцип действия усилителя на TDA2030
Резисторы R1 (100k), R2 (100k) и R3 (100k) служат для создания виртуального нуля усилителя U1 (TDA2030A), а конденсатор C1 (22uF/35V) фильтрует это напряжение. Конденсатор С2 (2,2 uF/35V) отсекает постоянную составляющую — предотвращает попадание постоянного напряжения на вход микросхемы усилителя через линейный вход.
Элементы R4 (4,7k), R5 (100k) и C4 (2,2 uF/35V) работают в петле отрицательной обратной связи и имеют задачу формирования частотной характеристики усилителя. Резисторы R4 и R5 определяют уровень усиления, в то время как C4 обеспечивает усиление в единицу для постоянной составляющей.
Полезное: Блок питания переключаемый на напряжения 0-30В, 5В, 12В и 24В
Резистор R6 (1R) вместе с конденсатором C6 (100nF) работают в системе, которая формирует характеристику АЧХ на выходе. Конденсатор C7 (2200uF/35V) предотвращает прохождение постоянного тока через динамик (пропуская переменный звуковой сигнал музыки).
Диоды D1 и D2 предотвращают появление опасных напряжений обратной полярности, которые могут возникнуть в катушке динамика и испортить микросхему. Конденсаторы C3 (100nF) и C5 (1000uF/35V) фильтруют питающее напряжение.
Простейший предусилитель с цифровым управлением на TDA7449.
РадиоКот >Схемы >Аудио >Усилители > Простейший предусилитель с цифровым управлением на TDA7449.
В последнее время существует устойчивый интерес к конструкциям предусилителей на специализированных микросхемах (аудио-процессорах). Эти микросхемы обычно позволяют осуществлять коммутацию нескольких аудио-источников, регулировку громкости, часто — регулировки предусиления и тембра. Очевидное преимущество таких конструкций — простота, что, впрочем, как правило компенсируется не сильно высокими звуковыми параметрами. Однако проектирование подобных устройст представляет определенный интерес хотя бы с точки зрения освоения микроконтроллеров, поскольку аудио-процессоры в подавляющем большинстве случаев требуют для доступа к функциям регулировки и коммутации связи с управляющим МК, который, кроме этого, позволит организовать удобное управление устройством и наглядную индикацию режимов его работы. Вариант схемы подобного предусилителя представлен на рисунке:
Как видно, управляющие функции возложены на микроконтроллер Atmel ATMega8515, для отображения текущей информации служит двухстрочный LCD-модуль на 16 знакомест в каждой строке, в качестве органов управления применяется матричная клавиатура на 12 кнопок (реально используются 7) и модуль ИК-приемника TSOP1736 (реализована поддержка протокола RC-5, см. статью Некоторые протоколы ИК-пультов, часть вторая). Функции работы со звуковым сигналом возложены на микросхему TDA7449, установленную на отдельную плату и оформленную в виде модуля, схема которого представлена на рисунке:
Питание предусилителя осуществляется от источника постоянного напряжения 5В или от сети 220В переменного тока. В последнем случае для получения постоянного напряжения 5В используется модуль AC/DC-преобразователя, который представляет собой плату от малогабаритного импульсного адаптера питания (уже не помню, как он у меня оказался
Аналоги микросхемы tda7388
Ниже представлены микросхемы, который имеют одинаковую распиновку (pin-to-pin аналоги).
| ИМС | Описание | Примечание |
| TDA7381 | 4 x 25 W quad bridge car radio amplifier | Отличие: 25 вывод — диагностика |
| TDA7382 | 4 x 22 W four bridge channels car radio amplifier | Отличие: 25 вывод — клип-детектор |
| TDA7383 | 4 x 30 W quad bridge car radio amplifier | Отличие: 25 вывод — клип-детектор |
| TDA7384A | 4 x 46 W quad bridge car radio amplifier | |
| TDA7385 | 4 x 42 W quad bridge car radio amplifier | Отличие: 25 вывод — диагностика |
| TDA7386 | 4 x 45W quad bridge car radio amplifier | |
| TDA7387 | 4 x 41 W quad bridge car radio amplifier | |
| TDA7388 | 4 x 45 W quad bridge car radio amplifier | |
| TDA7389 | 4 x 45W quad bridge car radio amplifier | отличие: 25 вывод — клип-детектор |
| TDA7454 | 4 x 35 W high efficiency quad bridge car radio amplifier | отличие: 16 вывод — переключение режимов и 25вывод — клип-детектор |
| TDA7850 | 4 x 50 W MOSFET quad bridge power amplifier | отличие: 25 вывод — выход HSD/OD |
| TDA7851F | 4 x 48 W MOSFET quad bridge power amplifier | отличие: 25 вывод — выход OD |
| TDA7854 | 4 x 47W MOSFET quad bridge power amplifier | отличие 25 вывод — выход клип-детектор |
| STPA001 | 4 x 50 W MOSFET quad bridge power amplifier | Только в корпусеFlexiwatt25. Отличие: 25 вывод – OFFSET DETECTOR OUT |
| STPA002 | 4 x 52 W quad bridge power amplifier with low voltage operation | Только в корпусеFlexiwatt25. Отличие: 25 вывод – OFFSET DETECTOR OUT |
Схемы включения микросхемы 7375
Схема усилителя звука на микросхеме с печатной платой
Исходная схема:
Конечная схема:
И стерео вариант тоже приведем, на всякий случай:
Начнем с преобразования усилителя. Для этого снимаем конденсаторы C19 и C20, чтобы разорвать цепь сигнала. Затем соединяем контактные площадки после них, которые соединены с ножками 4 и 5 интегрированного усилителя мощности с его ножками 11 и 12. Таким образом подаем одинаковый сигнал на все 4 усилителя TDA7375, что позволяет им работать в мостовом включении. Затем мы удаляем электролитические конденсаторы C23 и C24, отсекающие постоянное напряжение, которые не нужны при работе второй пары каналов в мосте, и заменяем их перемычками для проводов, чтобы на крайних проводах разъема CON1-1 получался мостовой выход второго канала.
Средний кабель должен быть удален, а крайний обрезан на плате под разъемы RCA, предназначенные для подключения сателлитов. Подключаем динамики к этим крайним проводам разъема CON1-1 и разъемам заводского сабвуфера. Вот как должна выглядеть плата после доработки:
В случае эффекта подавления низких частот меняем провода одного динамика с другим, например, подключенного к CON1-1, чтобы оба динамика играли в согласованной фазе. Это можно проверить подав синусоидальный НЧ сигнал на вход усилителя, оба должны при правильном подключении дергаться в одном направлении.
Кроме того, также можем использовать усилитель на TDA7375 в автомобиле. Просто подключите источник питания или аккумулятор 12 В к разъему CON2. Оставляя диоды D1, D2, D3 и D4, схема устойчива к обратной полярности источника питания, однако при этом на диодах происходит падение напряжения и потеря мощности. Чтобы избежать этого удалите диоды либо подключите источник питания параллельно фильтрующему конденсатору C33, не забывая использовать предохранитель, либо используйте разъем CON2 и замените диоды D2 и D4 на перемычки для проводов и подключите источник питания в соответствии с полярностью, отмеченной на фотографии платы, к разъему CON2.
А ещё можете переделать этот УНЧ в стерео-усилитель в режиме двойного моста, удалив электролитические конденсаторы C23 и C24, заменив их перемычками, вынув конденсатор C28, не заменяя его перемычкой, а затем соедините ножки 4 и 5 с колодкой конденсатора C19 ближе к встроенному усилителю мощности и ножкам 11 и 12 с аналогичной конденсаторной площадкой C20.
Недавно была сделана аналогичная модификация на основе сдвоенной микросхемы TDA7378, и пока она работает в автомобиле без проблем. Скачать плату и даташит к TDA7375
Особенности
Микросхема имеет встроенные защитные функции оберегающие её от перегрева, переплюсовки, перегрузок по току и короткого замыкания. Оснащена режимами тишины (Mute) и сна (St-By). Эти функции включаются при подаче на соответствующие контакты (описанные выше) напряжения более 3,5 В, а выключаются при снижении до 1,5 В. Для их постоянно работы допускается замыкание соответствующих ножек микросхемы на плюс питания.
Комплементарная схема выходов PNP/NPN уTDA 7388 создает возможность достигать значений напряжения питания без использования вольтодобавочных конденсаторов. К сожалению эту микросхему нельзя использовать с низкоомной нагрузкой (от 2 Ом) акустики премиального класса.
Характеристики микросхемы TDA7388
| Параметр | Условия теста | Значение |
|---|---|---|
| Ток покоя | RL = ∞ | 120 — 350 mA |
| Выходное смещение | Режим воспроизведения | ±100 mV |
| Скачек напряжения во время вкл./выкл. |
±80 mV | |
| Усиление по напряжению | 25 — 27 dB | |
| Выходная мощность | THD = 10 %, Vs= 14.4 V | 26 W (typ) |
| Максимальная выходная мощность (немузыкальная) |
Vs= 14.4 V Vs= 15.2 V |
41 W 45 W |
| Гармонические искажения | POUT = 4 W | 0.04 % (typ) |
| Подавление пульсаций источника питания |
f = 100 Hz, VR = 1 VRMS | 50 — 65 dB |
| Верхняя частота среза | POUT = 0.5 W | 100 — 200 kHz |
| Входное сопротивление | 70 — 100 kOhm | |
| Стереоразделение | f = 1 kHz, POUT= 4 W | 60 — 70 dB |
| Потребляемый ток в ждущем режиме |
VST-BY = 0 | 20 uA (max) |
Схема усилителя на tda7388
На рисунке представлена схема подключения микросхемы tda7388, конденсатор C6 необходим для регулирования времени выключения/выключения и выполняет значимую роль в оптимизации щелчков при переходных процессах. Минимально значение емкости для такого конденсатора 10 мкФ.
Входной сигнал подается через конденсаторы с емкостью 0.1 мкФ на выводы 11,12,15,14 относительно вывода S-GND, при такой емкости нижняя частота среда будет 16 Гц.
Управление режимами работы ST-BY или MUTE можно использовать любые транзисторы небольшой мощности, либо CMOS вывод микроконтроллера. На этих выводах посажены RC цепочки которые необходимы для сглаживания управляющих сигналов, в противном случае при управлении микросхемы могут быть слышны щелчки управления. Для управления 22 выводом необходим так около 10 мкА, поэтому стоит резистор 70 кОм.
Если на выходе усилителя присутствуют какие либо шумы, то необходимо на входе повесить ФНЧ первого порядка, RC цепочка 1 кОм+220 пФ.
Аналоги микросхемы tda7388
Ниже представлены микросхемы, который имеют одинаковую распиновку (pin-to-pin аналоги).
| ИМС | Описание | Примечание |
|---|---|---|
| TDA7381 | 4 x 25 W quad bridge car radio amplifier | Отличие: 25 вывод — диагностика |
| TDA7382 | 4 x 22 W four bridge channels car radio amplifier | Отличие: 25 вывод — клип-детектор |
| TDA7383 | 4 x 30 W quad bridge car radio amplifier | Отличие: 25 вывод — клип-детектор |
| TDA7384A | 4 x 46 W quad bridge car radio amplifier | |
| TDA7385 | 4 x 42 W quad bridge car radio amplifier | Отличие: 25 вывод — диагностика |
| TDA7386 | 4 x 45W quad bridge car radio amplifier | |
| TDA7387 | 4 x 41 W quad bridge car radio amplifier | |
| TDA7388 | 4 x 45 W quad bridge car radio amplifier | |
| TDA7389 | 4 x 45W quad bridge car radio amplifier | отличие: 25 вывод — клип-детектор |
| TDA7454 | 4 x 35 W high efficiency quad bridge car radio amplifier | отличие: 16 вывод — переключение режимов и 25вывод — клип-детектор |
| TDA7850 | 4 x 50 W MOSFET quad bridge power amplifier | отличие: 25 вывод — выход HSD/OD |
| TDA7851F | 4 x 48 W MOSFET quad bridge power amplifier | отличие: 25 вывод — выход OD |
| TDA7854 | 4 x 47W MOSFET quad bridge power amplifier | отличие 25 вывод — выход клип-детектор |
| STPA001 | 4 x 50 W MOSFET quad bridge power amplifier | Только в корпусеFlexiwatt25. Отличие: 25 вывод – OFFSET DETECTOR OUT |
| STPA002 | 4 x 52 W quad bridge power amplifier with low voltage operation | Только в корпусеFlexiwatt25. Отличие: 25 вывод – OFFSET DETECTOR OUT |




