Самостоятельное изготовление
Изготовить фильтр для магнитолы своими руками можно как по П-образной, так и по Т-образной и комбинированной схемам. В это устройство обязательно должны входить катушки индуктивности, играющие роль дросселей, и конденсаторы. Также для защиты от переполюсовки и гальванической развязки магнитолы от остальной бортовой сети можно включить диод, рассчитанный на 12 вольт и, как минимум, 10 А.

Чтобы изготовить фильтр электропитания автомобильной магнитолы, потребуются следующие детали:
Перед самим фильтром впаивается диод. Провода, подсоединенные к аноду полупроводника и точке стыковки конденсатора и катушки, помечаются как входной и выходной соответственно. Конструкцию следует поместить в металлическую коробку. Она сыграет роль дополнительного электромагнитного экрана для защиты от шумов, вызванных искрением щеток и работой системы зажигания. Также к коробке нужно подпаять черный провод, соединяющийся с кузовом или минусовой клеммой аккумулятора.
Если используется готовый экранированный дроссель, то его корпус тоже нужно соединить с массой. При самостоятельном изготовлении катушки в ней должно быть не менее 12 витков провода с сечением от 0,9 до 1,5 мм. Для улучшения высокочастотной фильтрации параллельно оксидным конденсаторам включаются пленочные, емкостью 0,01 мкФ. Чем больше ток потребления автомобильного радио, тем толще должен быть провод в катушке, чтобы избежать ухудшения качества работы аудио устройства на большой громкости.
Детали устройства устанавливаются на печатной плате. Сборка самодельного сетевого фильтра для автомагнитолы своими руками осуществляется следующим образом:
3.Установка стекол на переднюю раму
Общая схема сборки передних стекол

Видео, сборка передней рамы душевой кабины Тритон.
Первое, вставьте передние неподвижные стекла в вертикальные профиля, используйте при этом резиновый уплотнитель,отрезав необходимое количество.
С другой стороны используя держатель стекла В18, закрепите стекло. Оденьте на край стекла отсекатели В22, отрезав необходимое количество.
Прикрутите к краям горизонтальных профилей резиновые отбойники В17. Прикрутите только 4 шт, остальные 4 шт, мы прикрутим позже, во время сборки дверей.
Обработайте места стыка стекла и профиля силиконовым герметиком.
Второе, соберите двери душевой кабины. Прикрутите ролики душевой кабины на двери, два двойных ролика вверх, и два одинарных вниз.
С одной стороны двери установите отсекатели В22, отрезав необходимое количество ножницами.
С другой стороны двери установите магнитные уплотнители В23,отрезав необходимое количество ножницами.
Третье, прикрутите к дверям ручки.
Четвертое, навесьте двери горизонтальные на профиля. Заведите вначале верхние ролики в верхние профиля. Затем нажав кнопочки на нижних роликах заведите их в нижние профиля.

После этого сомкните двери, чтобы они плотно закрылись, и прикрутите к горизонтальным профилям оставшиеся резиновые отбойники В17. После этого ваши двери должны плотно закрываться. И расстояние между отбойниками и центром дверей должны быть одинаковые с двух сторон.
Общие сведения. Что нужно – подбор схем и инвентаря
Защищать приборы помогает именно сетевой фильтр, который будет выполнять сразу две функции:
-
Отсекать сторонник сигналы высокой частоты в цепи питания.
- Предохраняет устройства в доме от скачков сильного напряжения.
Большинство людей очень часто встречаются с фильтрами питания, которые уже встроены в удлинитель электрического типа. Но, изготовители или торговцы часто вводят в заблуждение. Определенные модели фильтров в действительности не будут выполнять заявленных функций фильтров, и они только обеспечивают защиту от кратковременного перегруза при повышении напряжения или токовой силы (короткого замыкания).
В составе сетевых фильтров есть лишь один варистор (это является элементом электрической цепи, который будет реализовывать функцию переменного резистора, который повышает противодействие при увеличенном прикладываемом до напряжения) и самодействующего типа выключателя (предохранителя, который срабатывает при резком подъеме токовой силы). Помогать такое устройство может лишь, к примеру, от помех, которые создаются разрядом молнии при грозе. Устройства, которые на 100% реализуют перечень возможностей фильтров стоят куда больше своих адаптированных аналогов.
Для его модификации потребуются:
- Ферритовый фильтр.
- Резисторы.
- Конденсаторы.
- Варистор (можно оставлять имеющийся в удлинителе, если он там будет).
- Катушки индуктивности или дроссели.
Далее поговорим о схемах.
1.Сборка поддона
Общая схема сборки поддона
Итак первым делом, вам необходимо прикрутить слив, к душевому поддону.
Для этого используйте силиконовый герметик.Нанесите герметик в канавку корпуса слива, затем установите прокладку и нанесите герметик в ее канавку
Второе, соберите каркас и прикрутите на него пластиковые ножки
Третье, переверните поддон вверх дном и расположите каркас. Выровняйте каркас так, чтобы ножки никуда не выступали за пределы закладных поддона.
С помощью саморезов прикрутите каркас к поддону, самое главное не перепутайте длину саморезов, чтобы не проткнуть поддон.
Четвертое, подпилите крайнюю ножку, если она будет выступать за пределы поддона
Пятое, прикрутите крепежи переднего экрана
На этом поддон можно считать собранным. Так собираются все поддоны Тритон, как низкий, так средний и высокий.
Как выбрать сетевой фильтр для ПК и других устройств?
Все мы прекрасно понимаем, что при больших перепадах напряжения техника может не выдержать и выйти из строя. Во избежание этого используют сетевые фильтры. Я напишу о том, как выбрать сетевой фильтр для домашнего использования.
Сетевые фильтры лучше использовать в любом доме, так как, почти в каждом есть множество электроприборов. Они могут сгореть при перепадах напряжения, которые человек не всегда способен заметить.
[aesop_image imgwidth=»500px» img=»http://computerinfo.ru/wp-content/uploads/2016/07/setevie_filtri.jpg» align=»center» lightbox=»on» captionposition=»center»]
Зачем нужны сетевые фильтры?
Они предназначены для защиты от некоторых видов помех, например, всплесков напряжения, то есть, это значит, что на определенном отрезке времени происходит изменение оптимального напряжения. Такое может произойти из-за подключения к сети множеств мощных приборов. Внимательно следите за тем, что вы подключаете, и что может произойти.
Сетевые фильтры способны защитить технику от ударов молнии или от неполадок с заземлением. Присутствует защита от помех, которые могут вызывать другие приборы, находящиеся близко друг к другу.
Что сетевые фильтры могут защитить?
Я бы применял к любому оборудованию, то есть, это и компьютеры, ноутбуки, другая техника типа холодильников телевизоров и прочего. Можно еще применять для игровых консолей.
Виды сетевых фильтров
Хоть по внешнему виду эти устройства не отличаются они имеют ряд характеристик с различными уровнями защиты, которое может подразумевать даже отключения оборудования для его же спасения.
Вот, например, фильтры вида Essential. Самые простые и недорогие устройства. К ним можно подключать дешевую или старую технику.
Устройства вида Home/ Office уже более совершенные, так как, обладают повышенной защитой. Их без проблем можно использовать в домашних условиях.
Наконец тип Performance, уже более дорогие, но и более защищенные фильтры, к ним подключают дорогое оборудование, которые очень чувствительно к малейшим помехам в сети.
Есть более дорогие сетевые фильтры, которые имеют более высокие показатели защиты. Если обычный фильтр может поглотить примерно 960 Дж, а вот дорогостоящая модель 2500 Дж. Понятное дело, что чем дороже фильтр, тем лучше он защитит.
Стоит отметить, что такие фильтры предусмотрены, если в доме розетка имеет заземление. В старинных домах такого нет, из-за чего защита уже меньше. В любом случае технику нужно подключать к сетевому фильтру, желательно хорошему.
Фильтр – предохранитель?
Сетевой фильтр очень шустрый, потому что он сработает до того, как грозовой разряд попадет в дом. Схемы, расположенные внутри фильтра, быстро анализируют, что и как делать – рассеять или поглотить избыточную энергию. Как я писал выше, более дорогой фильтр отключит оборудование, чтобы электрический импульс или помехи не испортили его.
В некоторых фильтрах есть разъединитель, который в случае сильных помех просто отключает фильтр, для продолжения работы его нужно снова включить. Похоже на принцип пробки на счетчике или в электрощитке.
Дешевые фильтры похожи на простой предохранитель, если помехи достигли его, то сетевой фильтр уже не пригоден к использованию, но зато оно не плохо защищает подключенные к нему приборы.
На сетевые фильтры также есть и гарантия. Простые модели могут отработать 3 года, а более профессиональные до 5 лет, а может быть больше. Если устройство сломалось, то изготовитель должен починить его по гарантии.
Как выбирать сетевой фильтр, на что обратить внимание?
При выборе сетевого фильтра нужно выделить несколько характеристик
Для начала следует обратить внимание на провод. Устройство должно иметь крепление, что нормально прокладывать шнур. Это нужно, чтобы избежать кучи разбросанных повсюду проводов
Существуют модели, у которых провод проворачивается на 180 градусов, что позволяет располагать его, как душе угодно
Это нужно, чтобы избежать кучи разбросанных повсюду проводов. Существуют модели, у которых провод проворачивается на 180 градусов, что позволяет располагать его, как душе угодно.
У шнура есть длины, например, 3 метра поэтому их применяют в качестве удлинителя. Некоторые модели обладают возможностью прикрепления к стене.
У сетевых фильтров может быть разное расстояние между розетками поэтому выбирайте в зависимости от того, какие устройства будете подключать.
Нужно еще обратить внимание на количество розеток, что очень важно, если вы подключаете мало или много приборов. Было бы не плохо, если бы фильтр обладал специальными шторками, которые защитят детей от лишних прикосновений
3.Установка стекол на переднюю раму
Общая схема сборки передних стекол

Видео, сборка передней рамы душевой кабины Тритон.
Первое, вставьте передние неподвижные стекла в вертикальные профиля, используйте при этом резиновый уплотнитель,отрезав необходимое количество.

С другой стороны используя держатель стекла В18, закрепите стекло. Оденьте на край стекла отсекатели В22, отрезав необходимое количество.
Прикрутите к краям горизонтальных профилей резиновые отбойники В17. Прикрутите только 4 шт, остальные 4 шт, мы прикрутим позже, во время сборки дверей.
Обработайте места стыка стекла и профиля силиконовым герметиком.
Второе, соберите двери душевой кабины. Прикрутите ролики душевой кабины на двери, два двойных ролика вверх, и два одинарных вниз.

С одной стороны двери установите отсекатели В22, отрезав необходимое количество ножницами.
С другой стороны двери установите магнитные уплотнители В23,отрезав необходимое количество ножницами.
Третье, прикрутите к дверям ручки.

Четвертое, навесьте двери горизонтальные на профиля. Заведите вначале верхние ролики в верхние профиля. Затем нажав кнопочки на нижних роликах заведите их в нижние профиля.

После этого сомкните двери, чтобы они плотно закрылись, и прикрутите к горизонтальным профилям оставшиеся резиновые отбойники В17. После этого ваши двери должны плотно закрываться. И расстояние между отбойниками и центром дверей должны быть одинаковые с двух сторон.
Принципиальная схема
На рис.2 приведена типовая схема сетевого фильтра питания. На ней показана трехпроводная (европейская) сеть питания: “фаза” — “ноль” (“нейтраль”) — “земля”. Сразу на входе фильтра стоит варис-тор VR1.
Его задача — подавить высоковольтные выбросы напряжения сети. При появлении такого выброса электрическое сопротивление варистора резко падает, и он замыкает через себя эту помеху, не позволяя ей пройти дальше. Следом включены дроссель Т1 и конденсаторы С1, С2, C3, образующие LC-фильтр.
Сопротивление дросселя возрастает с увеличением частоты тока, а конденсаторов падает, так что все высокочастотные помехи задерживаются или “стекают” в землю.
Помехи могут возникать не только между сетевыми проводами (“фазой” и “нейтралью”), их отфильтрует конденсатор С3, но и между “фазой” и “землей”, а также возможны помехи “нейтоаль» — “земля”. Для эффективного подавления таких помех служат конденсаторы С1 и С2.

Рис. 2. Типовая схема сетевого фильтра питания.
При отсутствии земли общая точка конденсаторов С1 и С2 “висит” в воздухе, что приводит к созданию ими и дросселем Т1 паразитного колебательного контура, который начинает излучать высокочастотное электромагнитное поле, становясь источником потенциальной опасности для расположенной рядом радиоаппаратуры.

Рис. 3. Схема сетевого фильтра без заземленных конденсаторов и связи с землей.
Поэтому в двухпроводной сети применяются фильтры без этих конденсаторов и связи с “землей” (рис.З). Типовая амплитудно-частотная характеристика (АЧХ) сетевого фильтра показана на рис.4. Из этого графикавидно, что чем выше частота помех, тем эффективнее они подавляются.

Рис. 4. График зависимости.
Стоит остановиться на одной особенности фильтров питания. Речь пойдет все о той же “земле”. Существует целый класс сетевых фильтров, у которых заземляющий провод не имеет никакой связи с внутренней схемой, кроме соответствующих контактов самих евророзеток и заземляющего контакта евровилки.
Этим достигается важное преимущество: при работе от сети с заземлением все розетки фильтра заземлены, как и положено. Но в случае отсутствия “земли” в сетевой розетке (типичный случай отечественной сети питания) все розетки фильтра объединены между собой по заземляющему контакту (естественно, сам фильтр при этом не заземлен)
Почему это важно?
Представим, например, схему подключения различной периферии к компьютеру, показанную на рис. 5а (типичный случай — подключены принтер, сканер, внешний звуковой усилитель И Т.П.).
Это — идеальная схема: все подключено к заземленной сети питания, потенциалы корпусов устройств одинаковы (равны нулю), поскольку соединены с “землей”. В случае возникновения пробоя или повреждения изоляции любого из устройств “лишнее” напряжение уйдет в землю.

Рис. 5. Схемы подключения различной периферии к компьютеру.
Теперь возьмем схему соединений для случая сети без заземления (рис.5б). Как видно, провод заземления отсутствует, и единственной связью корпусов устройств является слаботочный интерфейсный кабель (точнее, его экранирующая оплетка).
При разности потенциалов корпуса компьютера и внешнего устройства (а такое наблюдается сплошь и рядом!) уравнительные токи, текущие от большего потенциала к меньшему, могут легко “выжечь” входные и выходные порты соединенных устройств.
Таких случаев встречается множество. Самый распространенный — выгорание входа или выхода звуковой карты в случае подключения ее к внешнему источнику сигнала или к усилителю звука.
Для решения проблемы нужно подключить эти устройства к “европейскому” удлинителю, даже не соединенному (за неимением) с внешней “землей” (рис,5в). Здесь электрические потенциалы всех устройств выровнены, сквозные токи выберут себе более легкий путь через заземляющие контакты евророзеток, и ничего страшного не произойдет.
Для чего нужен сетевой фильтр?
Сетевой фильтр нужен для обеспечения надлежащей защиты бытовой технике. К такой технике относится холодильник, телевизор, компьютер, и другие приборы, подключённые к домашней электросети 220 Вольт.
Многие люди путают, и думают, что сетевой фильтр и стабилизатор напряжения, это одно и то же. К сожалению, это не так, и сетевой фильтр не способен существенно повышать или понижать входное напряжение в электросети, как с этим умело справляется стабилизатор. Простыми словами, если у вас дома пониженное напряжение, скажем 170 Вольт, то сетевой фильтр в данном случае никак не поможет.
Основная функция сетевого фильтра это защита электроприборов от скачков напряжения и помех.
Кроме того, сетевой фильтр может:
- Обеспечить кратковременную защиту электропотребителей от импульсов напряжения. Подобные импульсы возникают при ударе молнии, например, или из-за неправильной работы системы заземления.
- Защитить электроприборы от электромагнитных или радиочастотных помех, вследствие работы вблизи радиостанции или других бытовых приборов.
- Автоматически выключить электроприборы от сети в случае КЗ (короткого замыкания) или большого скачка напряжения.
- Защитить бытовую технику от негативного воздействия всплесков напряжения.
Чем качественнее будет выполнен сетевой фильтр, тем лучше он будет справляться с поставленной задачей по устранению помех в электросети.
Но, как было сказано ранее, обязательным условием к этому, является подключение сетевого фильтра к заземлённой розетке.
Какие бывают сетевые фильтры
В зависимости от уровня установленной защиты, на сегодняшнее время бывают следующие виды сетевых фильтров:
- Базовые модели — представляют собой простейшие устройства с предохранителем и другими, недорогими компонентами на борту. Простой сетевой фильтр способен защитить бытовую технику от скачков напряжения и короткого замыкания.
- Продвинутые модели — улучшенный вариант сетевого фильтра с возможностью сглаживания помех в электросети. Подобные модели сетевых фильтров среднего класса отлично подходят для большинства бытовой техники установленной в доме.
- Профессиональные модели — дорогостоящие сетевые фильтры, которые используются преимущественно для защиты сверхчувствительной техники к перепадам напряжения (например, для домашних кинотеатров).
Чтобы правильно выбрать сетевой фильтр, следует обращать внимание на то, какая именно бытовая техника к нему будет подключена
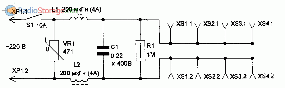
Самодельный фильтр питания
Предлагаю вашему вниманию два очень простых, но надёжных способа о том, как сделать самому фильтр питания для автомагнитолы. Главным преимуществом представленных самодельных девайсов является их цена и простота изготовления, которая ни в коей мере не избавляет вас от личной ответственности за возможные последствия подключений самодельных фильтров питания.
Способ первый
Данная схема представляет собой четыре конденсатора и катушку:

Фильтр для автомагнитолы сделать самому

Фильтр для автомагнитол
Преимуществом данной схемы является то, что в ней каждый элемент играет роль своеобразного фильтра: электролитические ёмкости сглаживают различные помехи и пульсации, а шунтирующие «кондеры» устраняют высокочастотные наводки.

Фильтр питания автомагнитолы
Второй способ
Схема этого простого LC – фильтра также состоит из катушки с конденсаторами, правда с добавлением защиты от переполюсовки (диодом) и предохранителем.

Фильтр для питания автомагнитолы
Перед сборкой схемы нам необходимо изготовить дроссель, который состоять будет состоять так же из ферритового кольца и намотанной на него обмотки в виде 10…15 витков провода с сечением в 1…1,5 миллиметра (для удобства можно использовать три жилы провода с сечением в 0,5 миллиметров каждая).
Преимущество именно этой схемы состоит в том, что она работает с очень широким диапазоном номинальных значений включённых в неё компонентов. Ёмкость конденсаторов не критична и варьируется от 1000 до 4700 мкФ (чем больше, тем лучше), а также возможно использование электролитов с напряжениями от 16 до 100 Вольт (большее напряжение не имеет смысла). На этом инструкция о том, как фильтр для автомагнитолы сделать самому подошла к концу, надеюсь, она вам пригодится и по праву займёт свою нишу в вашей личной копилке полезных советов.
Зачем нужен сетевой фильтр: краткое пояснение
Само название этой электронной схемы объясняет ее назначение. Слово «фильтр» указывает на отсеивание вредных помех, а «сетевой» — определяет их источник.
Другими словами, весь электрический мусор, поступающий из сети питания, отсеивается на входе нашего устройства и не влияет на качество работы бытового прибора. Основной же сигнал сети 220 вольт с частотой 50 герц беспрепятственно проходит через фильтр.
Электромагнитные помехи в сети появляются спонтанно, предугадать их появление невозможно. Даже простое включение лампы накаливания формирует начальный бросок тока, создающий зону переходных процессов.
Подключение электродвигателей холодильника, стиральной или посудомоечной машины связано с изменением индуктивного сопротивления. Ток такого включения может превышать в десятки и более раз номинальную величину нагрузки.
При этом в сети создается значительная «просадка» напряжения. А далее следует его всплеск, формирующий высоковольтные помехи.

Эти процессы протекают кратковременно. Во времена пользования аналоговой бытовой техникой они особого вреда не причиняли, а в аудио и видео аппаратуру встраивали простейшие фильтры, отлично выполняющие свои функции.
Они надежно сглаживали все эти быстрые провалы и пики напряжения своей конструкцией, предотвращая их попадание к чувствительной электронной схеме.
Важно понимать, что фильтр работает исключительно с кратковременными провалами и пиками входного сигнала. Если же подобный процесс немного затянется, то здесь нужно другое устройство — стабилизатор напряжения
Какой вред наносят электромагнитные помехи
- Напряжение кратковременных импульсов накладывается на основной сигнал питания сети 220. При этом в точке амплитуды может возникнуть перенапряжение, способное прожечь рабочий слой изоляции или повредить электронный компонент.
- Проникающие внутрь слаботочных цепей посторонние сигналы искажают работу звукозаписывающих или звуковоспроизводящих устройств, видеотехники, телеприемников, дорогой цифровой аппаратуры.
- Специальная техника позволяет через электромагнитные шумы, передающиеся по нулевому проводнику, проложенному вне квартиры, получать доступ к конфиденциальной информации.

Чтобы надежно бороться с помехами необходимо знать особенности своей бытовой сети.
Принцип работы сетевого фильтра
Напряжение переменного тока в сети 220 в изменяется в синусоидальном виде. Правильная форма электрического импульса «загрязняется» электромагнитными помехами. Синусоида выглядит в виде изгибающейся линии чистого сигнала, окружённой вязью блуждающих токов, вызванных фазными перекосами, подсадками и всплесками напряжения.

График сетевого тока
Сопровождающие помехи влияют на чувствительные компоненты электронных схем различных приборов и аппаратуры. Возникает проблема очистки тока от паразитных образований. Для этого применяют сетевой фильтр (СФ).
СФ встраивают между источником сетевого тока и потребителями. Он состоит из соединённых в определённом порядке дросселей и конденсаторов. Работа фильтра – выстраивание индуктивного сопротивления катушек, не пропускающего помехи высокой частоты. Ёмкости устройства отсекают нежелательные помехи. Конденсаторы замыкают цепь и не пропускают паразитные импульсы.
https://youtube.com/watch?v=RXwNLINV4D8
Сетевой фильтр своими руками
Схема простейшего фильтра состоит из выключателя и варистора, вот как она выглядит:
V1 – это и есть варистор, его маркировка «471», значит, что его напряжение срабатывания 470В, при этом чем больше его диаметр, тем большую энергию он сможет погасить не взорвавшись при этом. Таким образом, чем больших размеров варистор вы поставите, тем лучше, лишь бы он влез по габаритам. Вот пример сетевого фильтра, собранного по этой схеме, но в заводском исполнении. Это дешевый прибор, который гасит лишь импульсы высокого напряжения. При этом он может безвозвратно выйти из строя при особо сильном всплеске.
Чтобы ваш сетевой фильтр еще и действительно был фильтром помех, необходимо добавить еще один фильтрующий элемент – дроссель.
Схемы – это, конечно, хорошо, но как сделать сетевой фильтр из подручных средств? Достаточно просто! Почти всегда у любителя что-нибудь мастерить, можно найти старый ненужный или нерабочий блок питания, в нём есть такой фильтр на входе. Осталось только его выпаять. На фото он стоит в ближнем к нам углу платы. Эта деталь представляет собой ферритовый сердечник и медную лакированную проволоку, намотанную вокруг него.
Это дроссель с двумя обмотками, через одну из них проходит фаза, а через другую ноль, таким образом индуктивность входит в состав сетевого фильтра и снижает уровень помех.
Кстати блок питания может работать и без него, многие китайцы так и делают свои товары, часто это встречается в дешевых БП для компьютера и не только. Из-за этого в сети и возникает такое большое количество нежелательных помех.
Если вы не нашли такого элемента в своих запасах – можно поискать ферритовое колечко с магнитной проницаемостью 400-2000 НМ и обмотать медной лакированной проволокой ПЭВ-2 (можно использовать первичную обмотку с 50 Гц сетевого трансформатора) диметром от 0,5 мм, это зависит от мощности нагрузки, которую вы хотите подключать. Намотать на колечко так, как показано на картинке, предварительно обмотав его несколькими слоями диэлектрика, например: изолентой, лакотканью, каптоновым скотчем.
Используйте провод с качественным, не поврежденным лаковым покрытием. А после намотки для надежности покройте деталь несколькими слоями лака. Петельку на конце нужно разрезать, в идеале – сразу мотать двумя параллельными проводами.
Хорошая схема, которую легко сделать своими руками выглядит следующим образом:
А вот конкретный вариант его реализации «в железе». За основы взята пара фильтров от БП.
Конденсаторы лучше применять керамические или пленочные. Их можно также достать из блока питания, они часто там встречаются возле сетевого разъема в прямоугольном корпусе в виде параллелепипеда.
Если есть ненужный БП можно просто отрезать часть платы с фильтром и использовать её. Вот пример на фото с указанием, что нужно отпилить для получения сетевого фильтра за пару минут. Только будьте осторожны и не перемкните металлическими опилками слои платы, это может привести к короткому замыканию. А готовое устройство обязательно поместите в токонепроводящий корпус для безопасности.
И вот еще один вариант схемы для повторения. Именно она и используется во множестве блоков питания стандарта ATX:
Сетевой фильтр – полезное и простое устройство, которое не сложно сделать самому в домашних условиях. А если учесть, что у многих есть несколько ненужных, неработоспособных приборов, то выходит, что запчасти буквально валяются у нас под ногами. Поэтому изготовление устройства, которое может продлить или даже спасти жизнь дорогостоящей аппаратуре, является очень выгодным занятием. Напоследок рекомендуем просмотреть несколько интересных видео-инструкций по сборке самодельного сетевого фильтра:
https://youtube.com/watch?v=HoumqP1g0eY
https://youtube.com/watch?v=fc-V4542Ph8
Материалы по теме:
- Как сделать удлинитель своими руками
- Как выбрать стабилизатор напряжения
- Что такое перенапряжение в сети
Как самостоятельно сделать фильтр
Выяснив, для чего предназначен сетевой фильтр на 220 В, следует рассмотреть, как сделать его своими руками, используя разные схемы и пошаговые инструкции.
Простая схема
Чтобы собрать самый простой и лучший сетевой фильтр, понадобится переноска на несколько розеток с сетевым шнуром. Изделие изготавливается из доступных деталей по приведенной схеме:

Порядок работы таков:
- Раскрываем корпус удлинителя.
- Согласно схеме, припаиваем сопротивления соответствующего номинала и катушки индуктивности.
- Обе ветви соединяем между собой посредством конденсатора C1 и сопротивления R3.
- Между розетками устанавливаем концевой конденсатор C2.
Если места для установки конденсатора C2 внутри корпуса не найдется, то можно обойтись и без него. Подробнее с конструкцией простого фильтра можно ознакомиться в видео:
С дросселем из двух обмоток
Самодельный фильтр с двумя обмотками дросселя используется для аппаратуры с высокой чувствительностью. К таковой относится аудиотехника, колонки которой довольно чутко реагируют на помехи электросети. В результате динамики воспроизводят искаженный звук с посторонним фоновым шумом. Сетевой фильтр с двухобмоточным дросселем позволяет решить эту проблему. Монтаж удобнее выполнить в отдельном корпусе на печатной плате.

Сборку фильтра можно выполнить следующим образом:
- Для намотки дросселя используем ферритовое кольцо марки НМ с проницаемостью 400-3000. Деталь можно найти в советской аппаратуре.
- Сердечник изолируем тканью, а затем покрываем лаком.
- Для обмотки используем провод ПЭВ. Его диаметр напрямую зависит от мощности нагрузки. Для начала можно взять провод 0,25-0,35 мм.
- Обмотку ведем одновременно двумя проводами в разных направлениях. Каждая катушка состоит из 12 витков.
- При конструировании применяем емкости с рабочим напряжением 400 В.
Обмотки дросселя включены последовательно, что приводит к взаимному поглощению магнитных полей. В момент прохождения тока ВЧ увеличивается сопротивление дросселя. Благодаря конденсаторам происходит поглощение и закорачивание нежелательных импульсов. Печатную плату желательно смонтировать в металлический корпус. Если он пластиковый, то необходимо установить металлические пластины, что позволит избежать лишних помех.

С развязкой от фазного провода
Чтобы исключить непосредственную связь между фазой и потребителем, можно собрать несколько схем. Самый простой вариант – подключить пару трансформаторов от старых источников бесперебойного питания по представленной схеме:

Однако в чистом виде такая схема не дает должного результата. Поэтому ее следует доработать.

При таком схематическом решении удается получить АЧХ, как на фото ниже:

↑ Принципиальная схема сетевого фильтра для УМЗЧ
показана на рис. 1. Элементы С1 – С4, Т1 образуют фильтр нижних частот. Сопротивление конденсаторов фильтра понижается с ростом частоты, а сопротивление обмоток трансформатора наоборот, повышается. В результате с помощью указанных реактивных элементов достигается ослабление помех, как проникающих из питающей сети, так и с устройства (УМЗЧ).
Симметричному току питания двухпроводной линии L, N (фаза, нуль) обмотки трансформатора Т1 не оказывают сколь — либо существенного индуктивного сопротивления, так как включены встречно. Вместе с тем по отношению к синфазной помехе, наведенной в сети, трансформатор создает большое индуктивное сопротивление, возрастающее с ростом частоты.
Исключён фрагмент. Полный вариант статьи доступен меценатам и полноправным членам сообщества. Читай условия доступа.
Рис. 1. Принципиальная схема сетевого фильтра с контролем правильности подключения к питающей сети
Конденсаторы С3, С4 замыкают остаточный сигнал помехи на провод защитного заземления PE, соединенный с корпусом устройства.
Для индикации правильности включения фильтра в сеть имеется цепь HL1, VD1, VD2, R2, R3. Здесь для индикации использован двухцветный светодиод HL1, состояние которого описывается таблицей 1.
Исключён фрагмент. Полный вариант статьи доступен меценатам и полноправным членам сообщества. Читай условия доступа.
Резистор R1 служит для разрядки конденсаторов фильтра при выключении устройства из сети, что необходимо для исключения поражения электрическим током. Варистор RU1 защищает от перенапряжений между линейными проводами питающей сети.
Как сделать?
Чтобы сделать максимально простой сетевой фильтр, потребуется иметь самую обычную переноску на несколько розеток со шнуром сетевого типа. Изделие делается очень просто. Для этого потребуется раскрыть корпус удлинителя, после чего осуществить припаивание сопротивления необходимого номинала в зависимости от модели удлинителя и катушки индуктивности. После этого обе ветки должны быть соединены при помощи конденсатора и сопротивления. А между розетками должен быть установлен специальный конденсатор – сетевой. Данный элемент, кстати, не является обязательным.

Также можно сделать модель сетевого фильтра с дросселем из пары обмоток. Такой прибор будет применяться для аппаратуры, что имеет высокую чувствительность. Например, для аудиотехники, что довольно сильно реагирует даже на малейшие помехи в электрической сети. В результате динамики выдают звук с искажениями, а также посторонними фоновыми шумами. А сетевой фильтр такого типа дает возможность решить данную проблему. Сборку устройства лучше будет делать в удобном корпусе на плате печатного типа. Она выполняется так:
- для наматывания дросселя следует применять кольцо из феррита марки НМ, проницаемость которого находится в диапазоне 400-3000;
- теперь его сердечник следует заизолировать при помощи ткани, после чего покрыть лаком;
- для обмотки следует применить ПЭВ-кабель, диаметр которого будет зависеть от нагрузочной мощности, для начала подойдет вариант кабеля в диапазоне 0,25 – 0,35 миллиметров;
- обмотку следует осуществлять одновременно 2 кабелями в разных направлениях, каждая катушка будет состоять из 12 витков;
- при создании такого фильтра следует применять емкости, рабочее напряжение которых составляет где-то 400 Вольт.
Когда ВЧ ток проходит через дроссель, то увеличивается его сопротивление, а благодаря конденсаторам осуществляется поглощение и закорачивание нежелательных импульсов. Теперь остается печатную плату установить в корпус, выполненный из металла. В случае если вы решили использовать корпус, выполненный из пластика, в него потребуется вставить металлические пластины, что даст возможность избежать возникновения лишних помех.

Также можно сделать специальный сетевой фильтр для питания радиоаппаратуры. Такие модели нужны для техники, что имеет импульсные блоки питания, которые являются крайне чувствительным к возникновению различного рода явлений в электросети. Например, такая аппаратура может пострадать, если в электросеть 0,4 кВ попадает молния. В данном случае схема будет практически стандартной, просто уровень подавления сетевых помех будет выше. Тут силовые линии будут должны быть выполнены из медного провода с изоляцией из поливинилхлорида сечением 1 квадратный миллиметр.

Один должен быть рассчитан на напряжение постоянного типа емкостью 3 киловольта и иметь емкость около 0,01 мкФ, а второй с такой же емкостью, но рассчитанный на напряжение 250 В переменного тока. Также здесь будет присутствовать 2-обмоточный дроссель, что должен быть сделан на ферритовом сердечнике с проницаемостью 600 и диаметром 8 миллиметров и длиной около 7 сантиметров. Каждая обмотка должен иметь 12 витков, а остальные дроссели должны быть сделаны на броневых сердечниках, каждый из которых будет иметь по 30 витков кабеля. В качестве разрядника можно применить варистор на напряжение 910 В.





