ЭЛЕКТРОДВИГАТЕЛИ ПЕРЕМЕННОГО ТОКА
Благодаря удобству передачи на большие расстояния и легкости преобразования переменный ток успешно стал стандартом электроснабжения.
В сфере же производства электродвигателей его способность возбуждать переменное магнитное поле в статоре и соответственно индуцировать ток в короткозамкнутой обмотке ротора позволила создать асинхронные электродвигатели. В этом типе двигателей единственным испытывающим трение узлом остаются коренные подшипники якоря.
Ротор такого электродвигателя – это металлический цилиндр, в пазы которого под углом к оси вращения запрессованы или залиты токопроводящие жилы, на торцах ротора объединенные кольцами в одно целое. Переменное магнитное поле статора возбуждает в роторе, напоминающем беличье колесо, противоток и, соответственно, отталкивающее его от статора магнитное поле.
В зависимости от числа обмоток статора асинхронный двигатель может быть:
Однофазным – в этом случае главным недостатком двигателя становится невозможность самостоятельного запуска, так как вектор силы отталкивания проходит строго через ось вращения.
Для начала работы двигателю необходим или стартовый толчок, или включение отдельной пусковой обмотки, создающей дополнительный момент силы, смещающий их суммарный вектор относительно оси якоря.
Двухфазный электродвигатель имеет две обмотки, в которых фазы смещены на угол, соответствующий геометрическому углу между обмотками. В этом случае в электродвигателе создается так называемое вращающееся магнитное поле (спад напряженности поля в полюсах одной обмотки происходит синхронно с нарастанием его в другой).
Такой двигатель становится способным к самостоятельному запуску, однако имеет трудности с реверсом. Поскольку в современном электроснабжении не используются двухфазные сети, фактически электродвигатели этого рода применяются в однофазных сетях с включением второй фазы через фазовращающий элемент (обычно – конденсатор).
Трехфазный асинхронный электродвигатель – наиболее совершенный тип асинхронного мотора, так как в нем появляется возможность легкого реверса – изменение порядка включения фазных обмоток изменяет направление вращения магнитного поля, а соответственно и ротора.
Коллекторные двигатели переменного тока используются в тех случаях, когда требуется получение высоких частот вращения (асинхронные электродвигатели не могут превышать скорость вращения магнитного потока в статоре – для промышленной сети 50 Гц это 3000 об/мин).
Кроме того, они выигрывают в пусковом крутящем моменте (здесь он пропорционален току, а не оборотам) и имеют меньший пусковой ток, меньше перегружая электросеть при запуске. Также они позволяют легко управлять своими оборотами.
Обратной стороной этих достоинств становится дороговизна (требуется изготовление ротора с наборным сердечником, несколькими обмотками и коллектором, который к тому же сложнее балансировать) и меньший ресурс. Помимо необходимости в регулярной замене стирающихся щеток, со временем изнашивается и сам коллектор.
Синхронный электродвигатель имеет ту особенность, что магнитное поле ротора индуцируется не магнитным полем статора, а собственной намоткой, подключенной к отдельному источнику постоянного тока.
Благодаря этому частота его вращения равна частоте вращения магнитного поля статора, откуда и происходит сам термин «синхронный».
Как и двигатель постоянного тока, синхронный двигатель переменного тока является обратимым:
- при подаче напряжения на статор он работает как электродвигатель;
- при вращении от внешнего источника он сам начинает возбуждать в фазных обмотках переменный ток.
Основная область использования синхронных электродвигателей – высокомощные приводы. Здесь увеличение КПД относительно асинхронных электромоторов означает значительное снижение потерь электроэнергии.
Также синхронные двигатели используются в электротранспорте. Однако, для управления скоростью в этом случае требуются мощные частотные преобразователи, зато при торможении возможен возврат энергии в сеть.
Принцип работы
Заключается в формировании электромагнитного поля вокруг проводника, по которому протекает электрический ток. Для асинхронного электродвигателя данный процесс начинается сразу после подачи напряжения на обмотки статора, после чего в роторе наводится ЭДС взаимоиндукции, индуцирующей вихревые токи в металлическом каркасе. Наличие вихревых токов обуславливает генерацию собственной ЭДС, которая формирует электромагнитное поле ротора. Наиболее эффективный КПД асинхронной электрической машины получается при работе от трехфазной сети.
Конструктивно обмотки статора имеют смещение в пространстве друг относительно друга на 120°, что показано на рисунке 2 ниже:
Такой прием позволяет отстроить магнитное поле рабочих обмоток в строгом соответствии с напряжением трехфазной сети, которое имеет аналогичную разность кривых электрической величины.
На рисунке 3 выше все три фазы изображены в разных цветах для упрощения понимания процесса, также здесь изображена кривая токов, протекающих в фазах асинхронного электродвигателя. Теперь рассмотрим физические процессы в обмотках двигателя для трех позиций показанных на рисунке:
- I – в этой позиции максимальный ток протекает в красной обмотке электродвигателя, а значение силы тока в желтой и синей равны. Основной поток силовых линий формируется красной фазой, а два других дополняют его.
- II – в данной точке желтая синусоида равна нулю, поэтому никакого потока не создает, а сила тока красной и синей равны. Поток формируется сразу двумя фазами и смещается по часовой стрелке вправо, совершая поворот.
- III – третья точка характеризуется максимумом токовой нагрузки для синей кривой, а красная и желтая имеет равную амплитуду, но противоположную по направлению. В результате чего максимум магнитных линий южного и северного полюса сместиться еще на 30°.
По данному принципу магнитное поле статора вращается в асинхронной электрической машине в течении периода. За счет магнитного взаимодействия с полем статора асинхронного электродвигателя происходит поступательное движение ротора вокруг своей оси. Можно сказать, что ротор пытается догнать поле статора. Именно за счет разницы во вращении полей данный тип электрической машины получил название асинхронной.
ДВУХФАЗНЫЙ АСИНХРОННЫЙ ДВИГАТЕЛЬ С ФЕРРОМАГНИТНЫМ ПОЛЫМ ИЛИ МАССИВНЫМ РОТОРОМ
Этот двигатель имеет обычную двухфазную обмотку и ферромагнитный ротор в виде полого, или сплошного массивного цилиндра. Так как вращающийся магнитный поток замыкается через ферромагнитный ротор, внутренний статор подобно показанному на рис. 12-6, отсутствует. Вращающийся поток наводит в поверхности ротора вихревые токи, которые совместно с потоком создают вращающий момент. Активное сопротивление ротора велико (r
2 >х 2),что обеспечивает большой пусковой момент, устойчивость работы двигателя на всем диапазоне работы и отсутствие самохода. Механические и регулировочные характеристики (рис 12-9 и 12-10) близки к прямолинейным и тем ближе, чем больше частота питающей сети. Скорость двигателя широко регулируется, а конструкция проста и надежна в эксплуатации. Недостаток двигателя — малые к. п. д. и cos φ. Двигатели широко применяются в схемах автоматики при мощности 5—300вт и являются конденсаторными двигателями.
В тех устройствах, где стремятся увеличить момент инерции вращающихся частей (магнитофоны, гироскопы), указанные двигатели применяются в обращенном исполнении, когда обмотка статора помещается неподвижно на цилиндре, подобном показанному на рис. 12-7, а ротор в виде стального полого цилиндра вращается вокруг статора.
Способы пуска и схемы подключения
Асинхронный электродвигатель с короткозамкнутым ротором обладает низкой себестоимостью, большими пусковыми токами и низким усилием на старте. Поэтому для различных целей могут применять различные способы пуска, снижающие бросок тока в обмотках и улучшающие рабочие характеристики:
- прямой – напряжение на электродвигатель подается через пускатели или контакторы;
- переключение схемы соединения обмоток электродвигателя со звезды на треугольник;
- понижение напряжения;
- плавный пуск;
- изменение частоты питающего напряжения.
Однофазного асинхронного двигателя.
Для асинхронного однофазного электродвигателя могут использоваться три основных способа пуска:
С расщеплением полюсов – используется в электродвигателях особой конструкции, но недостатком методы является постоянная потеря мощности.

- С конденсаторным пуском – вводит пусковой конденсатор в момент запуска асинхронного двигателя и убирает его со схемы через несколько секунд после начала работы. Обладает максимальным вращательным моментом.
- С резисторным пуском электродвигателя – обеспечивает начальный сдвиг между векторами ЭДС обмоток для скольжения в асинхронной машине.

Трехфазного асинхронного двигателя.

Трехфазные асинхронные агрегаты могут подключаться такими способами:
- Напрямую в цепь через пускатель или контактор, что обеспечивает простоту процесса, но формирует максимальные токи. Этот способ не подходит в случае больших механических нагрузок на вал.
- Переключением схемы со звезды на треугольник – применяется для снижения токов в обмотках электродвигателя за счет уменьшения питающего напряжения с линейного на фазное.
- Путем подключения через преобразователь напряжения, реостаты или автотрансформатор для снижения разности потенциалов. Также используется изменение числа пар полюсов, частоты питающего напряжения и прочие.
Помимо этого трехфазные асинхронные двигатели могут использовать прямую и реверсивную схему включения в цепь. Первый вариант применяется только для вращения вала электродвигателя в одном направлении. В реверсивной схеме можно переключать движение рабочего органа в прямом и обратном направлении.

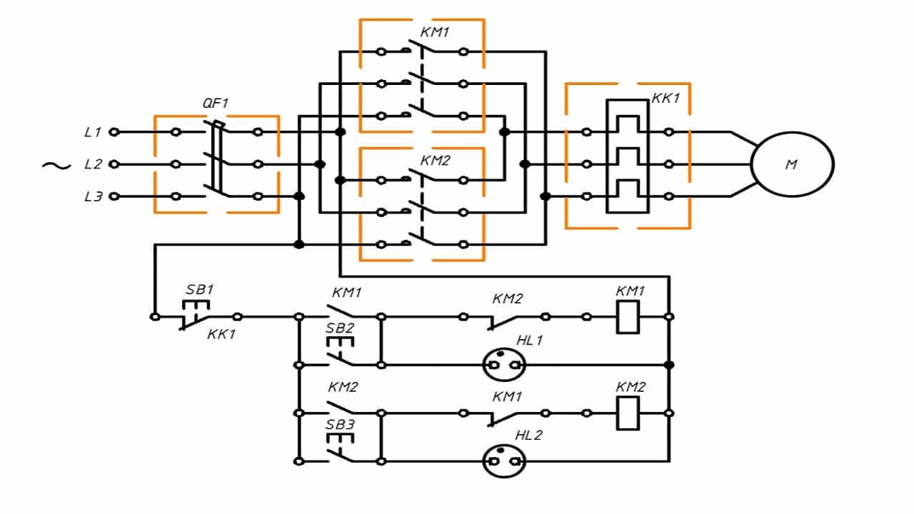
Рассмотрим нереверсивную схему пуска асинхронного электродвигателя (рисунок 9). Здесь, через трехполюсный автомат QF1 питание подается на пускатель KM1. При нажатии кнопки SB2 произойдет подача напряжения на обмотки электродвигателя, его остановка осуществляется кнопкой SB1. Тепловое реле KK1 применяется для контроля температуры нагрева, а лампочка HL1 сигнализирует о включенном состоянии контактора.

Реверсивная схема (смотрите рисунок 10) устроена аналогичным образом, но в ней используются два пускателя KM1 и KM2. Прямое включение асинхронного электродвигателя производиться кнопкой SB2, а обратное SB3.
Принцип действия.
Когда на обмотки статора подаются электрический ток, то в этих обмотках возникает электрический поток. Как вы помните, из выше написанных слов, фазы у нас смещены относительно друг друга на 120 градусов. И вот этот поток в обмотках начинает вращаться.
И при вращении магнитного потока статора, в обмотках ротора появляется электрический ток, и своё магнитное поле. Два этих магнитных поля начинают взаимодействовать и заставляют вращаться ротор электродвигателя. Это если ротор короткозамкнутый.
По принципу роботы вот посмотрите видео ролик.
https://youtube.com/watch?v=IhV0KBw481k
Ну а с фазным ротором, по сути, принцип тот же. Напряжение подаётся на статор и на ротор. Появляются два магнитных поля, которые начинают взаимодействовать и вращать ротор.
Принцип работы
В любом электродвигателе ротор приводится во вращение в результате взаимодействия магнитных полей ротора и статора и работы силы Ампера. Для создания магнитного поля используются либо постоянные магниты, либо электромагниты — обмотки статора и ротора. Одну из обмоток (ротора или статора) называют обмоткой возбуждения, вторую обмотку называют обмоткой якоря. Асинхронный двигатель отличается от других типов электромашин тем, что у него нет выраженной обмотки возбуждения, отсюда возникает вопрос «если нет обмотки возбуждения, то как создаётся магнитное поле?», если опустить некоторые особенности, то ответ на этот вопрос достаточно простой — асинхронный двигатель почти как трансформатор.
Напряжение от сети подключают к обмоткам статора. В них протекает электрический ток, в результате чего возникает магнитное поле статора. Так как сеть трёхфазная, фазы токов и напряжений каждой из фаз сдвинуты друг относительно друга на 120˚. Сила тока изменяется по синусоидальному закону и ток протекает то в одной, то в другой обмотке. Из-за этого магнитное поле получается вращающимся, что наглядно иллюстрирует ЭТО ВИДЕО
Магнитное поле статора индуцирует ЭДС в обмотках ротора (хоть короткозамкнутого, хоть фазного, о конструкции и видах мы поговорим дальше). Так как обмотки ротора закорочены или подключены к сопротивлениям — в них начинает протекать электрический ток, из-за которого возникает еще одно магнитное поле, которое, взаимодействуя с полем статора, приводит во вращение ротор.
Скорость вращения поля статора называют «синхронной», а скорость вращения ротора «асинхронной», из-за такой особенности этот тип электромашин и получил своё название. Ротор всегда немного отстает от поля статора, разность этих скоростей называют «скольжением». Скорость вращения (оборотов в минуту) поля статора зависит от частоты тока в питающей сети и числа его полюсов, если проще — от количества катушек в обмотке, и вычисляется по формуле:
где f – частота напряжения питающей сети, р – число пар полюсов, 60 – секунд в минуте
Синхронная скорость двигателя с одной парой полюсов равна: 60*50/1=3000 оборотов в минуту. Но асинхронная скорость или скорость вращения ротора будет несколько ниже, как отмечалось ранее. Обычно она находится в районе 2700-2950 об/мин, а скольжение лежит в пределах 2-8% (зависит от типа электродвигателя, его мощности и нагрузки на валу). Скольжение измеряется в относительных величинах или в процентах, и рассчитывается по формуле:
где n1 — синхронная скорость вращения, n2 — скорость вращения ротора.
Режимы работы
Электродвигатель асинхронного типа универсальный механизм и по продолжительности работы имеет несколько режимов:
- Продолжительный;
- Кратковременный;
- Периодический;
- Повторно-кратковременный;
- Особый.
Продолжительный режим — основной режим работы асинхронных устройств, который характеризуется постоянной работой электродвигателя без отключений с неизменной нагрузкой. Такой режим работы самый распространенный, используется на промышленных предприятиях повсеместно.
Кратковременный режим – работает до достижения постоянной нагрузки определенное время (от 10 до 90 минут), не успевая максимально разогреться. После этого отключается. Такой режим используют при подаче рабочих веществ (воду, нефть, газ) и прочих ситуациях.
Периодический режим – продолжительность работы имеет определенное значение и по завершении цикла работ отключается. Режим работы пуск-работа-остановка. При этом он может отключаться на время, за которое не успевает остыть до внешних температур и включаться заново.
Повторно-кратковременный режим – двигатель не нагревается максимально, но и не успевает остыть до внешней температуры. Применяется в лифтах, эскалаторах и прочих устройствах.
Особый режим – продолжительность и период включения произвольный.
В электротехнике существует принцип обратимости электрических машин — это означает, что устройство может, как преобразовывать электрическую энергию в механическую, так и совершать обратные действия.
Асинхронные электродвигатели тоже соответствуют этому принципу и имеют двигательный и генераторный режим работы.
Двигательный режим – основной режим работы асинхронного электродвигателя. При подаче напряжения на обмотки возникает электромагнитный вращающий момент, увлекающий за собой ротор с валом и, таким образом, вал начинает вращаться, двигатель выходит на постоянную частоту вращения, совершая полезную работу.
Генераторный режим – основан на принципе возбуждения электрического тока в обмотках двигателя при вращении ротора. Если вращать ротор двигателя механическим способом, то на обмотках статора образуется электродвижущая сила, при наличии конденсатора в обмотках возникает емкостный ток. Если емкость конденсатора будет определенного значения, зависящего от характеристик двигателя, то произойдет самовозбуждение генератора и возникнет трехфазная система напряжений. Таким образом короткозамкнутый электродвигатель будет работать как генератор.
Watch this video on YouTube
Устройство электродвигателя
Основные элементы, из которых состоит типичный трехфазный двигатель таковы:
- Корпус, имеющий ножки, которыми он крепится к фундаменту;
- Статор, напоминающий по строению простой трансформатор. Имеет сердечник и обмотку При подаче тока создается вихревое электромагнитное поле.
- Ротор. Основная вращающаяся часть.
- Вал, на который жестко насажен ротор. Передняя часть выходит наружу, имеет шпоночную борозду под шестерни или шкив. На заднюю часть, выходящую за пределы корпуса насаживается крыльчатка для охлаждения и обдува.
- Подшипки, находящиеся в нишах передней и задней крышки.
- Герметичная клеммная коробка.
Такие электродвигатели часто можно встретить на электрических коленчатых подъемниках которые применяются там, где нет возможности поставить подъемный механизм под местом проведения работ либо работы будут производиться на высоте над препятствием. К примеру, вам нужно смонтировать лотки под электропроводку или поставить элемент вентиляции, а снизу стоит станок или фермы помещения или монтаж будет осуществляться на высоте метров 8 и наверху стоит ферма здания, над которой нужно работать. Вы можете взять коленчатый подъемник в Белгороде в аренду в компании “СпецТехОборудование” и выполнить все поставленные задачи по монтажу слаботочных систем, противопожарной сигнализации, систем пожаротушения и вентиляции.

Оборудование представляет собой основание, на котором расположено все необходимые для работы компоненты, сверху находится блок колен которые оператор раскладывает, находясь в люльке. В сравнении с другой подъемной техникой стоит отметить возможность доступа к труднодоступным местам (есть модели, у которых гусак поворачивается не только вверх-вниз, но и влево вправо), к недостаткам сложность управления (к примеру, на ножничных подъемниках есть только подъем-спуск и передвижение) т.к. нужно управлять каждым коленом отдельно (либо секциями попарно, при наличии такой возможности).
Читайте здесь! Щетки для электродвигателей: советы по выбору нужной модели, инструкция по замене и ремонту своими урками
Особенности электрических моделей подъемников:
- Колеса не оставляют следов на наливных полах.
- Не создаёт шумов ввиду работы на электрической тяге.
- Компактны (в сравнении с дизельными версиями).
- Заряда аккумуляторов хватает на полный рабочий день.
https://youtube.com/watch?v=MegBqvlILqA
Конструкция мотора
Устройство и принцип действия синхронных двигателей несложны. Конструкция включает в себя такие элементы, как:
- Неподвижная часть – статор. На ней находится три обмотки, которые соединяются по схеме «звезда» или «треугольник». Статор собран из пластин электротехнической стали с высокой степенью проводимости.
- Подвижная часть – ротор. На нем тоже имеется обмотка. При работе на нее подается напряжение.
Между ротором и статором имеется прослойка воздуха. Она обеспечивает нормальное функционирование двигателя и позволяет магнитному полю беспрепятственно воздействовать на элементы агрегата. В конструкции присутствуют подшипники, в которых вращается ротор, а также клеммная коробка, расположенная в верхней части мотора.
Устройство асинхронного электродвигателя
В его конструкцию входят следующие элементы:
- Статор цилиндрической формы, собранный из стальных листов. Сердечник статора имеет пазы, в которые уложены обмотки. Их оси сдвинуты на 120 градусов по отношению друг к другу.
- Ротор (короткозамкнутый или фазный). Первый вариант представляет собой сердечник с алюминиевыми стержнями, накоротко замкнутыми торцевыми кольцами (беличья клетка). Второй вариант состоит из трехфазной обмотки, чаще всего соединенной «звездой».
- Конструктивные детали – вал, подшипники, лапы, подшипниковые щиты, крыльчатка и кожух вентилятора, коробка выводов — обеспечивающие вращение, охлаждение и защиту механизма.
Схему асинхронного двигателя с указанием его деталей легко найти в интернете или в пособиях.
Принцип работы асинхронного двигателя
Принцип действия асинхронного электродвигателя заложен в его названии (не синхронный). То есть статор и ротор при включении создают вращающиеся с разной частотой магнитные поля. При этом частота вращения магнитного поля ротора всегда меньше частоты вращения магнитного поля статора.
Чтобы более наглядно представить себе этот процесс, возьмите постоянный магнит и покрутите его вокруг своей оси возле медного диска. Диск с небольшим отставанием начнет вращаться вслед за магнитом. Дело в том, что при вращении магнита в структуре диска возбуждаются токи Фуко (индукционные токи), движущиеся по замкнутому кругу. По сути они являются токами короткого замыкания, разогревающими металл. В диске «зарождается» собственное магнитное поле, в дальнейшем взаимодействующее с полем магнита.
В асинхронном двигателе для получения вращающегося поля используются обмотки статора. Магнитный поток, образованный ими, создает ЭДС в проводниках ротора. При взаимодействии магнитного поля статора и индуцируемого тока в обмотке ротора создается электромагнитная сила, приводящая во вращение вал электродвигателя.
Пошагово процесс выглядит следующим образом:
- При запуске двигателя магнитное поле статора пересекается с контуром ротора и индуцирует электродвижущую силу.
- В накоротко замкнутом роторе возникает переменный ток.
- Два магнитных поля (статора и ротора) создают крутящий момент.
- Крутящийся ротор пытается «догнать» поле статора.
- В тот момент, когда частоты вращения магнитного поля статора и ротора совпадут, электромагнитные процессы в роторе затухают и крутящий момент становится равным нулю.
- Магнитное поле статора возбуждает контур ротора, который к этому моменту снова отстает.
То есть ротор всегда медленнее магнитного поля статора, что и обеспечивает асинхронность.
Поскольку ток в роторе индуцируется бесконтактно, отпадает необходимость установки скользящих контактов, что делает асинхронные двигатели более надежными и эффективными. Изменяя направление тока в одной из обмоток (для этого нужно поменять фазы на клеммах), вы можете «заставить» мотор вращаться в ту или другую сторону.
Направление электромагнитной силы легко определить, вспомнив школьный курс физики и воспользовавшись «правилом левой руки».
На частоту вращения магнитного поля статора влияет частота питающей сети и число пар полюсов. Поскольку число пар полюсов зависит от типа двигателя и остается неизменным, то, если вы хотите изменить частоту вращения поля, необходимо изменить частоту питающей сети с помощью преобразователя.
Преимущества асинхронных двигателей
Благодаря тому, что устройство и принцип работы асинхронного электродвигателя достаточно просты, он обладает массой преимуществ и широко применяется во всех сферах народного хозяйства и в быту. Двигатели этого типа характеризуются:
- Надежностью и долговечностью. Отсутствие контакта между подвижными и неподвижными деталями сводит к минимуму возможность износа и поломок.
- Низкой стоимостью. Они доступны (не зря 90% от всех выпускающихся в мире двигателей именно асинхронные).
- Простотой эксплуатации. Для того чтобы использовать их, не обязательно иметь специальные знания и навыки.
- Универсальностью. Их можно установить практически на любое оборудование.
Изобретение асинхронного электродвигателя было значимым вкладом в развитие науки, промышленности и сельского хозяйства. С ним наша жизнь стала более комфортной.
Применение
Область применения асинхронных электродвигателей охватывает достаточно большой сегмент хозяйственной деятельности человека. Поэтому их можно встретить в различных типах станочного оборудования – токарных, шлифовальных, фрезерных, прокатных и т.д. В работе грузоподъемных кранов, талей, тельферов и прочих механизмов.
Их используют для лифтов, горнодобывающей техники, землеройного оборудования, эскалаторов, конвейеров. В быту их можно встретить в вентиляторах, микроволновках, хлебопечках и прочих вспомогательных устройствах. Такая популярность асинхронных электродвигателей обусловлена их весомыми преимуществами.
Устройство синхронного электродвигателя
Строение агрегата данного вида типично. Двигатель состоит из:
- Неподвижной части (якорь или статор).
- Подвижной части (ротор или индуктор).
- Вентилятора.
- Контактных колец.
- Щеток.
- Возбудителя.
Статор представляет собой сердечник, состоящий из обмоток, который заключен в корпус. Индуктор комплектуется электромагнитами постоянного тока (полюсами). Конструкция индуктора может быть двух видов – явнополюсная и неявнополюсная. В статоре и роторе расположены ферромагнитные сердечники, изготовленные из специальной электротехнической стали. Они необходимы для уменьшения магнитного сопротивления и улучшения прохождения магнитного потока.
Частота вращения ротора в синхронном двигателе равна частоте вращения магнитного поля. Независимо от подключаемой нагрузки частота ротора неизменна, так как число пар полюсов магнитного поля и ротора совпадают. Их взаимодействие обеспечивает постоянную угловую скорость, не зависящую от момента, приложенного к валу.
Принцип работы синхронного электродвигателя
Самые распространенные типы такого рода агрегатов – однофазный и трехфазный. Принцип работы синхронного электродвигателя в обоих случаях примерно одинаков. После подключения обмотки якоря к сети ротор остается неподвижным, в то время как постоянный ток поступает в обмотку возбуждения. Направление электромагнитного момента меняется дважды за время одного изменения напряжения. При значении среднего момента равном нулю, ротор под влиянием внешнего момента (механического воздействия) разгоняется до частоты, близкой по значению частоте вращения магнитного поля в зазоре, после чего двигатель переходит в синхронный режим.
В трехфазном устройстве проводники расположены под определенным углом относительно друг друга. В них возбуждается вращающееся с синхронной скоростью электромагнитное поле.
Разгон двигателя может осуществляться в двух режимах:
- Асинхронный. Обмотки индуктора замыкаются с помощью реостата. Вращающееся магнитное поле, возникающее при включении напряжения, пересекает короткозамкнутую обмотку, установленную на роторе. В ней индуцируются токи, взаимодействующие с вращающимся полем статора. По достижении синхронной скорости крутящий момент начинает уменьшаться и сводится к нулю после замыкания магнитного поля.
- С помощью вспомогательного двигателя. Для этого синхронный двигатель механически соединяется со вспомогательным (двигателем постоянного тока либо трехфазным индукционным двигателем). Постоянный ток подается только после того, как вращение двигателя достигает скорости, близкой к синхронной. Магнитное поле замыкается, и связь со вспомогательным двигателем прекращается.
Характеристики синхронного электродвигателя
Хотя асинхронные двигатели считаются более надежными и дешевыми, их синхронные «собратья» имеют некоторые преимущества и широко применяются в различных областях промышленности. К отличительным характеристикам синхронного электродвигателя можно отнести:
- Работу при высоком значении коэффициента мощности.
- Высокий КПД по сравнению с асинхронным устройством той же мощности.
- Сохранение нагрузочной способности даже при снижении напряжения в сети.
- Неизменность частоты вращения независимо от механической нагрузки на валу.
- Экономичность.
Синхронным двигателям также присущи некоторые недостатки:
- Достаточно сложная конструкция, делающая их производство дороже.
- Необходимость источника постоянного тока (возбудителя или выпрямителя).
- Сложность пуска.
- Необходимость корректировать угловую частоту вращения путем изменения частоты питающего напряжения.
Однако в некоторых случаях использование синхронных двигателей предпочтительнее:
- Для улучшения коэффициента мощности.
- В длительных технологических процессах, где нет необходимости в частых запусках и остановках.
Таким образом, «плюсы» двигателей такого типа значительно превосходят «минусы», поэтому на данный момент они высоко востребованы.
Изучив синхронный двигатель, устройство и принцип его действия и учтя условия, в которых он будет эксплуатироваться, вы сможете быстро и с легкостью подобрать оптимально подходящий для ваших целей тип агрегата (защищенный, закрытый, открытый) и использовать его с максимальной эффективностью.
Асинхронные электродвигатели. Принцип работы
Асинхронные электродвигатели – это надёжное, долговечное и недорогое устройство, преобразующее электроэнергию в механическую и позволяющее решить много задач в работе вентиляции, компрессии, подъёмных механизмов и многие другие. Возможно и бытовое применение электродвигателей с малой мощностью.
Устройство асинхронного электродвигателя
Классическая конструкция двигателя включает в себя:
Статор
– неподвижная (статичная) часть двигателя имеет цилиндрическую форму. Для минимилизации потерь из-за вихревых токов (токи Фуко) сердечник статора делают из тонких стальных пластин, которые изолированы окалиной или скреплены лаком. Сердечник статора имеет пазы, куда крепятся обмотки под углом 120 градусов по отношению друг к другу.
Ротор
– подвижная часть, бывает двух видов:
- Короткозамкнутый представляет собой сердечник, состоящий из алюминиевых стержней накоротко замкнутыми торцевыми кольцами (беличья клетка);
- Фазный, состоящий из трёхфазной обмотки, соединённой звездой или треугольником, и помещённой в пазы шихтованного сердечника ротора.
Обе части разделены воздушным зазором.
Принцип работы асинхронного электродвигателя
Иногда можно встретить определение асинхронного двигателя как коллекторного либо индукционного. Это объясняется тем, что посредством вращающегося поля статора индуцируется ток в обмотке.
В основу принципа работы асинхронного электродвигателя положено вращение магнитного поля. То есть электродвигатель приводится в движение вследствии взаимодействия магнитных полей ротора и статора.
Синхронной скоростью двигателя называют скорость вращения магнитного поля статора, а скорость вращения ротора асинхронной, потому как она отличается от скорости вращения магнитного поля статора на 2-3%, когда двигатель вращается в холостую, и примерно на 5-8% при нагрузке. Это отставание обусловлено тем, что при совпадении скорости магнитного поля статора и скорости ротора в обмотках ротора перестала бы наводиться ЭДС и вращающий момент не появится. Разность между скоростями поля статора и ротора называют скольжением.
Рассмотрим принцип работы на примере 3х-фазного двигателя с тремя обмотками, установленными под углом 120 градусов, как показано на рисунке справа. Переменный ток проходит по обмоткам статора, создавая магнитное поле в каждой из катушек. Вращающееся магнитное поле статора наводит ЭДС в обмотках ротора. ЭДС в замкнутых проводниках создает ток, который при взаимодействии с магнитным полем приводит к вращению ротора. Скольжение с разгоном двигателя уменьшается, стремясь к 2-3% в холостом режиме.
Однофазные электродвигатели
Асинхронные двигатели переменного тока имеют одну рабочую обмотку. При протекании синусоидального напряжения по обмотке статора создается пульсирующее магнитное поле, изменяющееся по величине, но неподвижное в пространстве.
Основная проблема возникает при пуске двигателя.
В теории возможно запустить его, физически воздействуя на вал и задав вращение в любую сторону. На практике же выделяют 4 способа пуска однофазного двигателя:
Электродвигатель CSIR с пуском с помощью конденсатора, работа через обмотку.
Наиболее многочисленная группа однофазных электродвигателей, ограничена мощностью 1,1 кВт. Конденсатор последовательно соединён с пусковой обмоткой, он создаёт отставание между пусковой и главной обмотками. Это способствует сдвигу фаз пусковой и рабочей обмотки, образуя появление вращающегося поля, влияя на возникновение вращающего момента. При достижении рабочей частоты вращения открывается пускатель, и двигатель продолжает работать в обычном режиме.
Электродвигатель CSCR с пуском через конденсатор, работа через конденсатор.
Двигатели CSCR работают с постоянно подключённым конденсатором к пусковой обмотке и подключаемым при включении пусковым конденсатором. Являются лучшим вариантом для работы в сложных условиях. Конденсатор последовательно соединён с пусковой обмоткой, что обеспечивает высокий пусковой момент. Электродвигатели CSCR – это самые мощные однофазные двигатели, их мощность достигает 11 кВт. Могут использоваться для работы с низким током нагрузки и при более высоком КПД, что даёт преимущества: в частности, обеспечивает работу двигателя с меньшими скачками температур по сравнению с другими однофазными электродвигателями.
https://youtube.com/watch?v=s9jqH-FCJl4
https://youtube.com/watch?v=UfcHsD3lMaU
Сферы применения
Без асинхронных машин с короткозамкнутым ротором не может обойтись ни промышленность, ни транспорт, ни быт и др. Они используются практически везде. Это и электроприводы дымососов, подъемных кранов, шаровых мельниц, насосов, лебедок, дробилок, станков, бытовой техники. При необходимости ступенчатого изменения скорости (в тех же лифтах) пользуются многоскоростными асинхронными двигателями. Где требуется быстро остановиться и зафиксировать вал, когда исчезает напряжение, не обойтись без асинхронных двигателей с электромагнитным стопором (станки, лебедки). Асинхронные двигатели с большой величиной скольжения хорошо справляются с повторно-кратковременными режимами и при пульсации нагрузки.Широкое применение находится и линейным асинхронным двигателям из-за простого производства и хорошей надежности. Однофазными машинами оборудуются небольшие устройства (бытовые вентиляторы, мини-помпы и др.). Наиболее эффективны 2-х фазные асинхронные машины, когда их питание идет от однофазной сети переменного тока. Другое их название – конденсаторные двигатели, поскольку без фазосдвигающего конденсатора они не могут работать.Трехфазные электромашины устанавливаются на станочное оборудование, тали, пилорамы, строительные краны и др. У 3-х фазных асинхронных машин с фазным ротором цена выше, чем у машин с короткозамкнутым ротором, но их пусковые нагрузочные моменты намного больше. Поэтому эти двигатели составляют привода на лифтах и подъемных кранах, т. е. там, где требуется запуск в условиях нагрузки.
Читайте 7 самых мощных тракторов России





