Зависимость входного напряжения и тока в нагрузке
При разработке схем с участием представленной микросхемы необходимо учитывать порог регулирования тока, который зависит нелинейной характеристикой от входного напряжения:
- В ТТЛ-логике при входном напряжении 2,4 В ток коммутации составляет не более 200 мА.
- При U вх.=2,7В, выходной ток не превышает 250 мА.
- При величине входного напряжения не более 3 В, ток коллектора выходного транзистора составляет 300 мА.
Также в устройстве присутствует паразитная емкость, которая может достигать 25 pF в зависимости от частоты управляющего напряжения или создаваемых помех в непосредственной близости от нее. При этом минимальный порог паразитной емкости находиться на уровне 15 пФ. Что касается времени включения выходных транзисторов, то они являются достаточно быстрыми. Время перехода из одного состояния в другое лежит в пределах от 0,25 до 1 мкс, что говорит о возможности работы на достаточно высоких частотах.
Исходя из описания на микросхему, максимальный ток составляет 0,5 А, но в таком режиме она существенно нагревается до 70 и более градусов, что может быть критичным. Ведь максимальная температура, при которой микросхема еще нормально работает, составляет порядка 85 градусов. Также следует отметить, что максимальный входной ток управления при напряжении 3,85 В не должен превышать 1,35 мА. А это немаловажный факт, потому что именно по входу у многих схемотехников она выходит из строя.
На следующих диаграммах показана зависимость входного и выходного токов, которая является практически линейной, что позволяет более качественно подобрать элементы схемы, обеспечив нормальный температурный режим для стабильной работы устройства. Более подробно узнать о свойствах микросхемы можно из datasheet, который можно скачать на сайте.
Измененный код для Arduino
Окончательная версия скетча для шагового двигателя:
/* Скетч для шагового двигателя BYJ48
Схема подключения: IN1 >> D8 IN2 >> D9 IN3 >> D10 IN4 >> D11 VCC … 5V.
Лучше использовать внешний источник питания Gnd
Автор кода: Mohannad Rawashdeh
Детали на русском языке: /arduino-shagovii-motor-28-BYJ48-draiver-ULN2003
Англоязычный вариант: http://www.instructables.com/member/Mohannad+Rawashdeh/ 28/9/2013 */
#define IN1 8
#define IN2 9
#define IN3 10
#define IN4 11
int Steps = 0;
boolean Direction = true;
unsigned long last_time;
unsigned long currentMillis ;
int steps_left=4095;
long time;
void setup()
{
Serial.begin(115200);
pinMode(IN1, OUTPUT);
pinMode(IN2, OUTPUT);
pinMode(IN3, OUTPUT);
pinMode(IN4, OUTPUT);
// delay(1000);
}
void loop()
{
while(steps_left>0){
currentMillis = micros();
if(currentMillis-last_time>=1000){
stepper(1);
time=time+micros()-last_time;
last_time=micros();
steps_left—;
}
}
Serial.println(time);
Serial.println(«Wait…!»);
delay(2000);
Direction=!Direction;
steps_left=4095;
}
void stepper(int xw){
for (int x=0;x<xw;x++){
switch(Steps){
case 0:
digitalWrite(IN1, LOW);
digitalWrite(IN2, LOW);
digitalWrite(IN3, LOW);
digitalWrite(IN4, HIGH);
break;
case 1:
digitalWrite(IN1, LOW);
digitalWrite(IN2, LOW);
digitalWrite(IN3, HIGH);
digitalWrite(IN4, HIGH);
break;
case 2:
digitalWrite(IN1, LOW);
digitalWrite(IN2, LOW);
digitalWrite(IN3, HIGH);
digitalWrite(IN4, LOW);
break;
case 3:
digitalWrite(IN1, LOW);
digitalWrite(IN2, HIGH);
digitalWrite(IN3, HIGH);
digitalWrite(IN4, LOW);
break;
case 4:
digitalWrite(IN1, LOW);
digitalWrite(IN2, HIGH);
digitalWrite(IN3, LOW);
digitalWrite(IN4, LOW);
break;
case 5:
digitalWrite(IN1, HIGH);
digitalWrite(IN2, HIGH);
digitalWrite(IN3, LOW);
digitalWrite(IN4, LOW);
break;
case 6:
digitalWrite(IN1, HIGH);
digitalWrite(IN2, LOW);
digitalWrite(IN3, LOW);
digitalWrite(IN4, LOW);
break;
case 7:
digitalWrite(IN1, HIGH);
digitalWrite(IN2, LOW);
digitalWrite(IN3, LOW);
digitalWrite(IN4, HIGH);
break;
default:
digitalWrite(IN1, LOW);
digitalWrite(IN2, LOW);
digitalWrite(IN3, LOW);
digitalWrite(IN4, LOW);
break;
}
SetDirection();
}
}
void SetDirection(){
if(Direction==1){ Steps++;}
if(Direction==0){ Steps—; }
if(Steps>7){Steps=0;}
if(Steps
}
Видео работающего мотора приведено ниже:
https://youtube.com/watch?v=6zlxlOrSh-Q
Но есть и более интересный вариант — написать собственную библиотеку для шагового двигателя
Схема усилителя
Схема усилителя проста и не содержит никаких дефицитных деталей. VR1 – переменный резистор с одной группой контактов, служит для регулирования громкости звука. Желательно использовать резистор с логарифмической характеристикой для плавности регулировки, но работать будет и обычный линейный.
Светодиод HL1 служит для индикации включения усилителя и загорается сразу при подаче на плату питания. Напряжение питания данной схемы лежит в пределах 8-18 вольт самый оптимальный вариант – 12 вольт, поэтому все электролитические конденсаторы нужно брать на напряжение не ниже 16 вольт, желательно установить больше – 25 вольт.
Микросхема, особенно при работе на большой громкости, ощутимо нагревается, поэтому ей необходим хотя бы небольшой радиатор. Конденсатор С5 подключается последовательно с динамиком и отсекает постоянную составляющую в сигнале, поэтому постоянное напряжение никак не появится на динамике, даже при выходе микросхемы из строя.
Практическое применение
Сфера применения микросхемы uln 2003 достаточно широкая и охватывает как промышленность, так и детские игрушки с целью развлечения. Например, ее можно применить в устройстве переключения бегущих огней, собранных на мощных светодиодах или даже лампочках с общим питание не более 50 В. U ln2003 биполярный шаговый двигатель может вращать, потому что у нее достаточно выводов, чтобы выполнить целый оборот с позиционированием. Как пример, можно организовать управление вентиляторным шаговым двигателем посредством параллельного порта, собрав небольшую схему с подключением к цифровым выходам интерфейса из линии DATA .
А если использовать в составе с микроконтроллером, то можно организовать полноценное управление релейной схемой с током потребления по каждому из каналов не более 300 мА.
Сборка усилителя на TDA2003
Вся схема собирается на небольшой печатной плате размерами 45 х 55 мм, сделать которую можно методом ЛУТ. Печатная плата полностью готова к печати на лазерном принтере и не требует отзеркаливания. После перевода платы кладём ей в травильный раствор и после травления получаем такой результат, как на фото ниже.
Теперь остаётся лишь стереть слой тонера, просверлить отверстия и залудить дорожки и можно приступать к запаиванию деталей. В первую очередь устанавливаются мелкие детали – резисторы и небольшие конденсаторы, после них всё остальное. Для подключения проводов питания, динамика и источника аудиосигнала удобнее всего использовать винтовые клеммники, как я и сделал. В самую последнюю очередь на микросхему устанавливается радиатор, можно использовать абсолютно любой, подходящий на плату по размерам.
↑ Усилитель для наушников на микросхеме BA5415A
Микросхема BA5415A попала в список рекомендуемых для использования в усилителе для наушников волей случая. Наш местный поэт и бард Сергей Алексеевич Круговых, окрыленный очередной поездкой в Друкшяй, занимался увековечиванием своих произведений на персональном компьютере, пожаловался мне на отсутствие гнезда для наушников в его компьютерных активных акустических системах.
Кто не в курсе, Друкшяй — живописное место в Белоруссии, куда каждый год, начиная с августа 1967, собираются команды из Таллинна, Риги, Шауляя, Минска, Москвы, Великого Новгорода и других городов. Эти веселые и доброжелательные люди приезжают встретиться и отдохнуть. Традиционным является песенный конкурс «Друкшяйские Зори».
Чтобы не вспугнуть озарение поэта, я немедленно приступил к улучшению его рабочего места: приобрел телефонное гнездо, нашел с десяток резисторов (для подбора в качестве токоограничивающих на выходе усилителя) и подарил ему свои вторые наушники ТДС-5. Результаты модернизации превзошли все ожидания — звук в наушниках оказался на редкость замечательным, поэтому я зарисовал схему в свой блокнот (рис. 4).
Рис. 4. Принципиальная схема стереофонического усилителя для наушников на микросхеме BA5415A
Характеристики усилителя на микросхеме ВА5415А фирмы Rohm:
Выходная мощность: 3 Вт (4 Ом) Чувствительность: 100…150 мВ Входное сопротивление: 47 кОм Диапазон воспроизводимых частот: 20…20000 Гц Сопротивление нагрузки: 3…250 Ом Коэффициент нелинейных искажений: 0,06% Соотношение сигнал/шум: 86 дБ (А) Ток покоя: 30 мА
На входе установлен регулятор громкости — сдвоенный переменный резистор сопротивлением 47 кОм. Коэффициент усиления микросхемы с отрицательной обратной связью может быть выставлен в диапазоне 33…45 дБ изменением резистора R2 (R3) в цепи обратной связи:
Ku=20lg[1+44/(R2(R3))], где R2 (R3) — сопротивление внешнего резистора, кОм.
Позднее, в Интернете я нашел информацию, что микросхема BA5415A (High — output dual power amplifier) применяется в усилителе для наушников ERGO AMP 1 швейцарской компании Precide с внешним источником питания 15…18 В/0,5 А, регулятором громкости 22 кОм, рис. 5. Внешний адаптер содержит силовой трансформатор, а диодный мост и стабилизированный источник питания (микросхема 7812, конденсаторы 5×1000 мкФх25 В = 5000 мкФ) размещены на печатной плате усилителя. Размеры корпуса 20×7х18 см, вес 1,1 кг.
Рис. 5. Внешний вид усилителя для наушников ERGO AMP 1 со снятой крышкой
Усилитель не содержит дефицитных комплектующих, их можно приобрести в магазинах радиотоваров.
Элементная база усилителя для наушников на BA5415A
DA1 — Микросхема BA5415A — 1 шт., R1, R2 — Рез.-0,25-33 кОм — 2 шт., R3…R6 — Рез.-0,25-1,0 кОм — 4 шт., R7, R8 — Рез.-0,5-1,5 Ом — 2 шт., C1, C2 — Конд.10/25V 0511 +105°C — 2 шт., C3…C6 — Конд.100/25V 0812 +105°C — 4 шт., C7, C8 — Конденсатор металлоплёночный К73-17 имп, 0,1 мкФ, 63 В, 10%, POLYESTER BOXED, B32529C0104K000 — 2 шт., C9, C11, C12 — Конд.1000/25V 1021+105°C — 3 шт., C10 — Конд.220/25V 0812 105°C — 1 шт., Вилка 3к. на плату PLS-3 2,54 — 1 шт., Джампер JP-2 для штыревых линеек и соединителей, шаг 2,54 мм — 1 шт., Печатная плата 75×50 мм — 1 шт.
Печатная плата для усилителя (рис. 6) спроектирована на основе Data Sheet микросхемы BA5415A.
Рис. 6. Размещение элементов на печатной плате
Микросхема стереофонического усилителя BA5415A установлена на небольшой пластине — теплоотводе (рис. 7).
Рис. 7. Радиатор микросхемы BA5415A. Материал: дюралюминий толщиной 3…6 мм
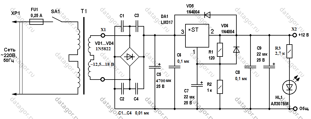
↑ Блок питания на микросхеме регулируемого стабилизатора LM317
показан на рис. 12. Резисторы R1, R2 образуют внешний регулируемый делитель напряжения, с помощью которого устанавливают выходное напряжение стабилизатора: Uвых=1,25(1+R2/R1)+IпотR2, где Iпот=50…100 мкА — собственный потребляемый ток микросхемы. В этой формуле число 1,25 — это опорное напряжение между выходом и управляющим выводом, поддерживаемое стабилизатором в рабочем режиме.

Рис. 12. Блок питания на микросхеме регулируемого стабилизатора LM317
Минимальное значение выходного тока (около 10 мА), необходимое для надежной работы стабилизатора DA1, обеспечивает делитель R1, R2 и цепь R3, HL1.
Конденсатор C7 служит для снижения пульсаций на выходе стабилизатора. Диоды VD5, VD6 — защитные. Первый из них, диод VD5, защищает от большого обратного напряжения со стороны нагрузки, способного вывести микросхему из строя, и возникающего при случайном замыкании входной цепи или отключении источника питания.
Другой защитный диод — VD6, защищает микросхему со стороны заряженного конденсатора С7. Диод разряжает конденсатор С7 при аварийном замыкании выхода или входа стабилизатора.
В блоках питания применены распространенные компоненты. Диоды Шоттки VD1 — VD4 могут быть заменены диодным мостом KBP204, RS204, D2SBA40 (400V/2A), естественно, с корректировкой печатной платы.
Микросхемы стабилизаторов в корпусе ТО-220 установлены на небольших радиаторах высотой 25 мм, нарезанных из алюминиевого профиля общестроительного назначения (швеллера) 10×20×10×2 мм.
Силовой трансформатор Т1 — любой мощностью 10 — 30 Вт, позволяющий получить напряжение на вторичной обмотке 12,5 — 18 В при токе не менее 0,5 А.
Компоненты для блоков питания
БП на ИС 7812:
DA1 — Микросхема КР142ЕН8Б, корпус TO-220 — 1 шт., VD1…VD4 — Диод Шоттки 1N5822 (40V/3A), корпус DO-201 — 4 шт., VD5 — Диод 1N4004 (400V;1A), корпус DO-41 (замена КД243Г) — 1 шт., HL1 — Светодиод Led LG2040 d=3мм зеленый — 1 шт., R1 — Рез.-0,25-2,7 кОм — 1 шт., C1…C4 — Конд.0,01/630V К73-17 — 4 шт., C5 — Конд.4700/25V 1625+105°С — 1 шт., C6, C7 — Конд.0,1µ/63V J К73-17(имп.) — 2 шт., C8 — Конд.22/25V 0511 +105°C — 1 шт., X1, X2 — Клеммник ТВ-12А 2К шаг 5 мм на плату — 2 шт., Печатная плата 70×33 мм — 1 шт.БП на ИС LM317: DA1 — Микросхема LM317BT, корпус TO-220 — 1 шт., VD1…VD4 — Диод Шоттки 1N5822 (40V/3A), корпус DO-201 — 4 шт., VD5, VD6 — Диод 1N4004 (400V;1A), корпус DO-41 (замена КД243Г) — 2 шт., HL1 — Светодиод Led LG2040 d=3мм зеленый — 1 шт., R1 — Рез.-0,25-120 Ом — 1 шт., R2 — Рез.-0,25-1,0 кОм — 1 шт., R3 — Рез.-0,25-2,7 кОм — 1 шт., C1…C4 — Конд.0,01/630V К73-17 — 4 шт., C5 — Конд.4700/25V 1625+105°С — 1 шт., C6, C8 — Конд.0,1µ/63V J К73-17 (имп.) — 2 шт., C7, C9 — Конд.22/25V 0511 +105°C — 2 шт., X1, X2 — Клеммник ТВ-12А 2К шаг 5 мм на плату — 2 шт., Печатная плата 70×33 мм — 1 шт. На рис. 13 приведено размещение элементов блока питания на микросхеме регулируемого стабилизатора на печатной плате. Принят ряд мер, повышающих стабильность работы источника питания. Для снижения влияния тока нагрузки на стабильность выходного напряжения соединения общих выводов выполнены «звездой» в точке отрицательного вывода конденсатора С5. Для этих же целей верхний (по принципиальной схеме рис. 12) вывод резистора R1 отдельной дорожкой соединяется с выходом микросхемы стабилизатора DA1.
Минимизированы длины проводников от входного конденсатора С5 до микросхемы, а также от выхода микросхемы до оксидного конденсатора С9. Непосредственно у выводов микросхемы стабилизатора размещены пленочные конденсаторы С6 и С8.

Рис. 13. Расположение элементов блока питания с LM317 на печатной плате
При изготовлении блоков питания строго выполняйте правила техники безопасности, изложенные, например, в журнале«Радио«, 2015, № 5, с
54 (Осторожно! Электрический ток!)
Для изоляции токоведущих частей, придания внешнего вида концам экранированных кабелей и прочих работ очень удобна термоусадочная трубка. Работа с этим материалом проста. Учтите, что усадка трубки происходит примерно в два раза по диаметру, а перед работой тщательно обезжирьте место расположения трубки. Обычно термоусадочная трубка имеет температуру плавления около 120ºС, поэтому любители часто используют спички, зажигалки. Гораздо профессиональнее выполнить эту операцию с помощью инструмента, например, газового мини-пистолета (рис. 14).

Рис. 14. Газовое устройство для усадки кембрика на основе зажигалки
Маленькая хитрость микросхемы TDA2003 (К174УН14)
Во многих устройствах применяется микросхема УМЗЧ TDA2003 (К174ун14), обычно это только устройства, питаемые от осветительной или автомобильной сети. Применение интегральной микросхемы TDA2003 (К174ун14) в портативной технике ограничено её большим током покоя.
Причем, большая часть тока покоя расходуется не на саму микросхему, а на нагрев постоянных резисторов в цепи отрицательной обратной связи по переменному току, поскольку эти резисторы, образуя суммарное сопротивление около 20 Ом (по типовой схеме) находится под постоянным напряжением выхода микросхемы, равным половине напряжения источника питания.
В результате при напряжении питания 9 вольт получается лишний ток 0,023 Ампера. Кардинально решить проблему можно, если разрезать по постоянному току отрицательную обратную связь от выхода, так как это показано на рисунке. При этом работа микросхемы никак не нарушится, а ток покоя значительно снижается.
Последние сообщения
- Как выбрать графитовые, меднографитовые и угольные щетки для электродвигателя, генератора, преобразователя и других электрических машин.18.05.2020
- Как установить натяжной потолок17.05.2020
- Сварочный агрегат: виды, классификации17.05.2020
Сборка усилителя на TDA2003
Вся схема собирается на небольшой печатной плате размерами 45 х 55 мм, сделать которую можно методом ЛУТ. Печатная плата полностью готова к печати на лазерном принтере и не требует отзеркаливания. После перевода платы кладём ей в травильный раствор и после травления получаем такой результат, как на фото ниже.
Теперь остаётся лишь стереть слой тонера, просверлить отверстия и залудить дорожки и можно приступать к запаиванию деталей. В первую очередь устанавливаются мелкие детали – резисторы и небольшие конденсаторы, после них всё остальное. Для подключения проводов питания, динамика и источника аудиосигнала удобнее всего использовать винтовые клеммники, как я и сделал. В самую последнюю очередь на микросхему устанавливается радиатор, можно использовать абсолютно любой, подходящий на плату по размерам.
TDA8567q 4х25 Вт
Мостовой усилитель класса Hi – Fi на четыре канала. Открыть в полном размере
Есть защита от короткого замыкания выходного каскада и термозащита с уменьшением выходной мощности при перегреве. А еще микросхема обладает защитой от колебаний напряжения и режимом отключения. Еще данная микросхема обладает режимом вкл/выкл входного сигнала(режим Mute), и защитой при подаче напряжения на схему от «щелчка».
Характеристики микросхемы
| Параметр | Значение |
| Uпит | 6-18 В |
| Iвых | 7,5 А |
| Iпокоя | 230 мА |
| Pвых | 4х25 Вт |
| Rвх | 30 кОм |
| Коэффициент усиления | 26 дБ |
| Полоса частот | 20-20000 Гц |
| Коэффициент гармоник | 0,05 % |
| Rнагр | 4 Ом |
Назначение выводов
| Номер вывода | Назначение |
| 1 | Напряжение питания |
| 2 | Выход 1+ |
| 3 | Общий |
| 4 | Выход 1- |
| 5 | Выход 2- |
| 6 | Общий |
| 7 | Выход 2+ |
| 8 | Напряжение питания |
| 9 | Диагностика |
| 10 | Вход 1 |
| 11 | Вход 2 |
| 12 | Общий сигнальный |
| 13 | Вход 3 |
| 14 | Вход 4 |
| 15 | Выбор режима |
| 16 | Напряжение питания |
| 17 | Выход 3+ |
| 18 | Общий |
| 19 | Выход 3- |
| 20 | Выход 4- |
| 21 | Общий |
| 22 | Выход 4+ |
| 23 | Напряжение питания |
↑ Усилитель для наушников на микросхеме BA5417
Также как и предыдущая, микросхема BA5417 предназначена для построения усилителей для радиоприемников и кассетных плееров с напряжением питания от 6 до 15 В. Схема усилителя для наушников изображена на рис. 8.
Рис. 8. Усилитель для наушников на микросхеме BA5417
В микросхеме BA5417 мое внимание привлекло наличие отдельных общих сигнальных «земель» в каждом из каналов (выводы 14 и 15 микросхемы), а также силового общего провода (вывод 7 микросхемы), что позволяет надеяться на лучшие характеристики усилителя. Коэффициент передачи схемы с обратной связью (43…47 дБ) определяется отношением резисторов внутри микросхемы и внешних резисторов:
Коэффициент передачи схемы с обратной связью (43…47 дБ) определяется отношением резисторов внутри микросхемы и внешних резисторов:
Ku=20lg[1+30000/(45+R1(R2))], где R1 (R2) — сопротивление резистора, Ом.
Конденсаторы С5 и С6 работают в цепях «вольтодобавки», имеются цепи Зобеля (R3, C9 и R4, C10) для предотвращения самовозбуждения при реактивном характере нагрузки.
Микросхема снабжена входом Stand by, при напряжении на нем выше 3,5 В включается рабочий режим, а при напряжении менее 1,2 В усилитель переходит в режим малого энергопотребления (20 мкА).
Характеристики усилителя на микросхеме ВА5417:
Выходная мощность: 3,5 Вт (4 Ом) Чувствительность: 20…50 мВ Входное сопротивление: 33 кОм Диапазон воспроизводимых частот: 20…20000 Гц Сопротивление нагрузки: 3…250 Ом Коэффициент нелинейных искажений (Rн=32 Ом, Рвых=0,25 Вт): 0,08% Соотношение сигнал/шум: 85 дБ (А) Ток покоя: 22 мА
Следует помнить, что величины емкостей оксидных конденсаторов в схеме влияют на время установления режимов работы усилителя по постоянному току после включения питания. При номиналах конденсаторов, указанных на схеме (рис.
Детали усилителя для наушников на BA5417
DA1 — Микросхема BA5417, корпус HSIP15 — 1 шт., R1, R2 — Рез.-0,25-160 Ом — 2 шт., R3, R4 — Рез.-0,5-2,2 Ом — 2 шт., R5, R6 — Рез.-0,25-1,0 кОм — 2 шт., R7, R8 — Рез.-0,5-1,5 Ом — 2 шт., C1, C2 — Конд.10/25V 0511 +105°C — 2 шт., C3, C4 — Конд.330/25V 0812 +105°C — 2 шт., C5, C6, C8 — Конд.100/25V 0812 105°C — 3 шт., C7, C11, C12 — Конд.1000/25V 1321 (1021) +105°C — 3 шт., C9, C10 — Конд.0,15/63V К73-17 — 2 шт., Вилка 3к. на плату PLS-3 2,54 — 1 шт., Джампер JP-2 для штыревых линеек и соединителей, шаг 2,54 мм — 1 шт., Печатная плата 70×50 мм — 1 шт.
На рис. 9 представлено размещение деталей на печатной плате усилителя на микросхеме BA5417.
Рис. 9. Расположение элементов на печатной плате усилителя
Попробуйте изготовить два блока питания, чтобы на практике оценить его влияние на звучание усилителя.
Корпуса микросхем LM383 (TDA2003)
Т0220 с пятью выводами. Обе ИС специально разработаны для автомобильной звуковой аппаратуры, где при нормальном рабочем напряжении 14,4 Вольт они имеют выходную мощность 5,5 Ватт на нагрузке 4 Ом или 8,6 Вт на нагрузке 2 Ом. ИС LM383 может отдавать в нагрузку ток до 3,5 А, обе ИС имеют функцию ограничения тока нагрузки и термозащиту выходного каскада.
Интегральная схема LM383 (или TDA2003) проста в применении. На рисунке показана практическая схема (с цепочкой, увеличивающей высокочастотную стабильность), предназначенная для простого звукового автомобильного усилителя мощностью 5.5 Ватт. В этой схеме усиление определяется отношением резисторов цепочки отрицательной обратной связи 220 Ом/2,2 Ом и составляет 100;
ИС работает в не инвертирующем режиме, входной сигнал подастся на вывод 1 через электролитический конденсатор емкостью 10 мкФ. На рисунке представлена схема усилителя для автомобиля, в которой для получения выходной мощности 16 Вт используется пара ИС LM383 или унч на TDA2003. Подстроенный резистор RV1 необходим в этой схеме для регулировки баланса выходных напряжений покоя обеих ИС и тем самым обеспечивает минимальный ток покоя схемы.
16-ваттный мостовой усилитель на ИС LM383 (TDA2003) для автомобиля.
TDA2003 является монофоническим усилителем мощности низкой частоты (отечественный аналог К174УН14). Микросхема развивает мощность 10Вт при сопротивлении нагрузки 2Ом. Усилитель обладает широким диапазоном воспроизводимых частот от 30Гц до 30КГц. Маломощный усилитель не оснащен защитой от переполюсовки, обязательно при подключении к источнику питания стоит соблюдать полярность.
TDA2003 устанавливается на теплоотвод (радиатор) площадью не менее 100кв². Ток покоя микросхемы составляет 44мА. Напряжение питания от 8В до 18В. На вход микросхемы не рекомендуется подавать сигнал с амплитудой более 1Вольт.
Усилитель мощности звуковой частоты превосходно работает с любыми предварительными усилителями, которые соответствуют всеми техническими параметрами микросхемы. Усилитель широко применяется в зарубежных автомагнитолах, а также в портативной бытовой технике, телевизорах, видеомагнитофонах и т.д.
Схема усилителя
Схема усилителя проста и не содержит никаких дефицитных деталей. VR1 – переменный резистор с одной группой контактов, служит для регулирования громкости звука. Желательно использовать резистор с логарифмической характеристикой для плавности регулировки, но работать будет и обычный линейный.
Светодиод HL1 служит для индикации включения усилителя и загорается сразу при подаче на плату питания. Напряжение питания данной схемы лежит в пределах 8-18 вольт самый оптимальный вариант – 12 вольт, поэтому все электролитические конденсаторы нужно брать на напряжение не ниже 16 вольт, желательно установить больше – 25 вольт.
Микросхема, особенно при работе на большой громкости, ощутимо нагревается, поэтому ей необходим хотя бы небольшой радиатор. Конденсатор С5 подключается последовательно с динамиком и отсекает постоянную составляющую в сигнале, поэтому постоянное напряжение никак не появится на динамике, даже при выходе микросхемы из строя.
Как проверить микросхему?
Обычно на руках у радиолюбителя всяческие микросхемы появляются из других устройств, которые были разобраны очень давно, и уже нет никакой информации о состоянии его компонентов, поэтому вопрос, как проверить uln 2003a вполне актуален. А сделать это можно достаточно просто:
Прозвонить мультиметром. С его помощью можно выяснить пробит ли диод или сам транзистор. Если что-то пробито (звонится на КЗ или около), то в любом случае эта ячейка неисправна. Базу прозвонить таким способом не удастся, потому что на входе имеется резистор сопротивлением 2,7 кОм. Лучше попробовать включить открыть транзистор, подав на вход напряжение величиной не более 3,85 В.
https://youtube.com/watch?v=jJQwmnyfw5k
Маленькая хитрость микросхемы TDA2003 (К174УН14)
Во многих устройствах применяется микросхема УМЗЧ TDA2003 (К174ун14), обычно это только устройства, питаемые от осветительной или автомобильной сети. Применение интегральной микросхемы TDA2003 (К174ун14) в портативной технике ограничено её большим током покоя.
Причем, большая часть тока покоя расходуется не на саму микросхему, а на нагрев постоянных резисторов в цепи отрицательной обратной связи по переменному току, поскольку эти резисторы, образуя суммарное сопротивление около 20 Ом (по типовой схеме) находится под постоянным напряжением выхода микросхемы, равным половине напряжения источника питания.
В результате при напряжении питания 9 вольт получается лишний ток 0,023 Ампера. Кардинально решить проблему можно, если разрезать по постоянному току отрицательную обратную связь от выхода, так как это показано на рисунке. При этом работа микросхемы никак не нарушится, а ток покоя значительно снижается.
Корпуса микросхем LM383 (TDA2003)
Т0220 с пятью выводами. Обе ИС специально разработаны для автомобильной звуковой аппаратуры, где при нормальном рабочем напряжении 14,4 Вольт они имеют выходную мощность 5,5 Ватт на нагрузке 4 Ом или 8,6 Вт на нагрузке 2 Ом. ИС LM383 может отдавать в нагрузку ток до 3,5 А, обе ИС имеют функцию ограничения тока нагрузки и термозащиту выходного каскада.
Интегральная схема LM383 (или TDA2003) проста в применении. На рисунке показана практическая схема (с цепочкой, увеличивающей высокочастотную стабильность), предназначенная для простого звукового автомобильного усилителя мощностью 5.5 Ватт. В этой схеме усиление определяется отношением резисторов цепочки отрицательной обратной связи 220 Ом/2,2 Ом и составляет 100;
ИС работает в не инвертирующем режиме, входной сигнал подастся на вывод 1 через электролитический конденсатор емкостью 10 мкФ. На рисунке представлена схема усилителя для автомобиля, в которой для получения выходной мощности 16 Вт используется пара ИС LM383 или унч на TDA2003. Подстроенный резистор RV1 необходим в этой схеме для регулировки баланса выходных напряжений покоя обеих ИС и тем самым обеспечивает минимальный ток покоя схемы.
16-ваттный мостовой усилитель на ИС LM383 (TDA2003) для автомобиля.
TDA2003 является монофоническим усилителем мощности низкой частоты (отечественный аналог К174УН14). Микросхема развивает мощность 10Вт при сопротивлении нагрузки 2Ом. Усилитель обладает широким диапазоном воспроизводимых частот от 30Гц до 30КГц. Маломощный усилитель не оснащен защитой от переполюсовки, обязательно при подключении к источнику питания стоит соблюдать полярность.
TDA2003 устанавливается на теплоотвод (радиатор) площадью не менее 100кв². Ток покоя микросхемы составляет 44мА. Напряжение питания от 8В до 18В. На вход микросхемы не рекомендуется подавать сигнал с амплитудой более 1Вольт.
Усилитель мощности звуковой частоты превосходно работает с любыми предварительными усилителями, которые соответствуют всеми техническими параметрами микросхемы. Усилитель широко применяется в зарубежных автомагнитолах, а также в портативной бытовой технике, телевизорах, видеомагнитофонах и т.д.
Схема подключения
На uln 2003 схема подключения до боли проста и не включает никаких компонентов. Главное, не перепутать вход с выходом и общий вывод, в остальном все и так ясно. Но все же для наглядности стоит повторить схему на примере с шаговым двигателем с питанием от 12 до 24 В. Общий провод от +24В подключается на 9 вывод и к центральному отводу обмоток двигателя, все остальные оп порядку согласно полюсам. Управление двигателем осуществляется по аналогичным линиям, только со входа МС.
При работе в таком режиме вероятность спалить выходной транзистор достаточно большая, потому что короткое замыкание в двигателе никто еще не отменял, точно также, как и клин ротора, из-за чего ток может существенно возрасти. Поэтому в каждую линию управления по выходу можно поставить шунт и обрисовать его схемой защиты от КЗ. Это зависит от конкретной задачи и типа устройства, в котором эта микросхема применяется.
Маленькая хитрость микросхемы TDA2003 (К174УН14)
Во многих устройствах применяется микросхема УМЗЧ TDA2003 (К174ун14), обычно это только устройства, питаемые от осветительной или автомобильной сети. Применение интегральной микросхемы TDA2003 (К174ун14) в портативной технике ограничено её большим током покоя.
Причем, большая часть тока покоя расходуется не на саму микросхему, а на нагрев постоянных резисторов в цепи отрицательной обратной связи по переменному току, поскольку эти резисторы, образуя суммарное сопротивление около 20 Ом (по типовой схеме) находится под постоянным напряжением выхода микросхемы, равным половине напряжения источника питания.
В результате при напряжении питания 9 вольт получается лишний ток 0,023 Ампера. Кардинально решить проблему можно, если разрезать по постоянному току отрицательную обратную связь от выхода, так как это показано на рисунке. При этом работа микросхемы никак не нарушится, а ток покоя значительно снижается.
Первый запуск и испытания
Для начала стоит проверить правильность монтажа, прозвонить соседние дорожки на замыкание. Если всё собрано правильно – подаём на плату питание, подключив динамик, а вход сигнала оставив неподключенным. Регулятор громкости при этом желательно повернуть в минимальное положение, чтобы вход микросхемы замыкался в землёй. Подаём на плату питание, сразу же должен загореться светодиод.
Теперь аккуратно поворачиваем регулятор громкости, должен быть слышен небольшой треск в динамике, ведь вход теперь «висит в воздухе». Это означает, что микросхема работает – теперь можно подавать на вход музыку, например, с плеера, телефона или компьютера. Подключать такой усилитель можно к любым колонкам сопротивлением 4-16 Ом, чем ниже будет сопротивление динамика, тем больше будет выходная мощность, соответственно и нагрев микросхемы. Удачной сборки!
Скачать печатную плату
Скачано: 339, размер: 15.7 KB, дата: 25.Фев.2019
Характеристики микросхемы
Как показывает практика использования представленной микросхемы, она является достаточно мощной, потому что судя по datasheet uln2003ag технические характеристики позволяют коммутировать достаточно большой ток до 500 мА. Но не стоит давать работать ей на пределе, потому что выходной транзистор хоть и защищен обратным диодом, он может пострадать из-за банального перегрева.
Читать также: Ту 3178 004 87879481 2010
Чтобы этого не происходило, правильно подходите к расчету потребляемой и рассеиваемой мощности. В данном случае при максимальном напряжении на CE равном 50 В максимальная мощность выходного транзистора составит не более 25 Вт, при этом он будет очень сильно греться. Поэтому номинальный коммутационный ток лучше поддерживать не более 300-400 мА. В таком режиме микросхема будет работать долго и стабильно.
Структурная схема микросхемы до боли проста и состоит всего из 7 ячеек стандартной ТТЛ-логики И-НЕ с подключенным обратным диодом на общий вывод питания COM . С топологией устройства также все просто, каждый вход расположен напротив выхода, что не даст спутать выводы при проектировании каких-либо устройств. Главное запомнить, что первый вывод является прямым входом.
Что касается характеристик, то они представлены для микросхем с ТТЛ-логикой, при котором управляющий сигнал не превышает 5 В. Но также выпускаются аналоги КМОП, которые могут работать от более низкого порога около 2 В до 9 В.
https://youtube.com/watch?v=p_MFU3XT3SI
https://youtube.com/watch?v=Cv3vrtfSszA
https://youtube.com/watch?v=8UzNJ7v3sBY





