Особенности эксплуатации
Все операции, по выполнению охранных функций, при приобретении базового комплекта, осуществляется при помощи «GSM»-связи путем отправки специальных SMS-сообщений. «» может комплектоваться сиреной, уровень звука которой вполне достаточен для привлечения внимания посторонних и отпугивания воров, а подача звукового сигнала, осуществляется одновременно с отсылкой «тревожного» сообщения.
Удаленный доступ к большинству функций сигнализации защищен пользовательским паролем, который также можно отвратить по «GSM» – сети, обеспечивая дистанционный доступ к функциям приборов. Настройка параметров, а также подключение и контроль работы различных датчиков осуществляется с кнопочной клавиатуры центрального процессора или дистанционно, путем подачи специальных команд с мобильного гаджета.
Включение и отключение охранных устройств и доступ в охраняемое помещение осуществляется при помощи специальных брелоков или электронных (в виде пластиковой карты) ключей.
Питание всего охранного комплекса в штатном режиме осуществляется от бытовой электросети напряжением 220,0 вольт, а при перебоях с электроснабжением устройства переходят на резервное питание от встроенного аккумулятора.
Базовый комплект «Security Alarm System», стоимостью около 200,0 североамериканских долларов, включает центральный блок и 2 беспроводных датчика, реагирующие на:
- звук;
- пожароопасные факторы;
- движение и взлом;
- одновременно все признаки опасности или несанкционированного доступа.
Приобретая дополнительные аксессуары:
При приобретении базового комплекта необходимо учитывать следующее:
- настройка оборудования входит в обязанность продавца – реализатора;
- гарантийный срок от производителя можно продлить за отдельную плату;
- при использовании сигнализации лучше использовать собственный, «охранный» канал, используя отдельно SIM-карту;
- несмотря на простоту монтажа любой владелец, при приобретении «Security Alarm System» в фирменном магазине (у дилеров), может заказать монтаж устройства на объекте, заплатив за него чисто символическую сумму.
https://youtube.com/watch?v=ghX3F-HeinA
Структура GSM сигнализации
Охранные сигнализации китайского производства с модулем GSM можно разделить на две группы:
- Проводные сигнализации
- Беспроводные системы
В первом случае охранные датчики подключаются к приёмно-контрольному прибору с помощью проводных линий, а в беспроводных системах контакт между датчиками и базовым блоком осуществляется по радиоканалу. Китайские производители представляют большую часть своей охранной продукции в виде готовых комплектов, куда входит полный набор комплектующих, предназначенных для самостоятельной установки.
Соленоид
Это стандартный минимальный набор, который подойдёт для дачи или небольшой квартиры. Для объектов большего размера, количество охраняемых зон и датчиков в них можно наращивать.
GSM сигнализация производства Китая внешне может выглядеть очень достойно. Красивый пластиковый корпус, наличие LCD-дисплея у многих моделей, а заявленные технические характеристики соответствуют самым жёстким требованиям. Кроме того очень низкая цена по сравнению с отечественными разработками. Именно такая стоимость охранных систем не может не настораживать.
Преимущества и характеристики GSM сигнализации Alarm System
Alarm System заслужила свою популярность не только благодаря низкой цене, но и своим рабочим характеристикам. К главным преимуществам сигнализации Alarm System можно отнести следующие функции.
Возможность удаленного управления и программирования системы с мобильного телефона по средствам СМС команд.
Владелец может ставить/снимать охрану, удалять/блокировать ключи-брелоки, менять пароль на установку и снятие замка, настраивать автозапуск сигнализации.
Добавление до шести и более номеров для оповещения в экстренных ситуациях.
Удобство установке и эксплуатации.
Благодаря малым габаритам устройства и удобным пластиковым креплениям датчиков, установка и запуск охранной системы займет буквально несколько минут.
Чувствительные датчики, громкая сирена
Сирена наверняка привлечет внимание окружающих и отпугнет злоумышленников.
Возможность подключения к имеющимся разъёмам более десятка дополнительных датчиков.
Например, для обнаружения дыма, огня, газа, шума и т.д. Таким образом,GSMсигнализация становится по-настоящему многофункциональной.
Автономная работа на пальчиковых батарейках при отсутствии питания электросети.
Длительность работы в таком режиме не очень большая, но её хватит, чтобы обеспечить функционирование до возобновления подачи электричества
Можно настроить оповещение о низком заряде на телефон владельца для оперативного принятия мер.
Это самая недорогаяGSMсигнализация для дома и дачи. Однако при правильной настройке её параметров «под себя» и соблюдении простых правил эксплуатации, AlarmSystem прослужит долго, обеспечивая полномасштабную защиту территории.
https://youtube.com/watch?v=z4NY0Ow0fhM
|
Cигнализация Starline gsm
высокая степень криптостойкости для предотвращения программного взлома; |
|
Проводная gsm сигнализация |
|
Тариф для GSM сигнализации |
|
GSM сигнализация с автозапуском |
|
GSM сигнализация своими руками |
| Все статьи |
? НАСТРОЙКА СИСТЕМЫ
Инструкция GSM сигнализации SH-031G/22. ПРОГРАММИРОВАНИЕ БЕСПРОВОДНЫХ АКСЕССУАРОВ
1.2 Вход в режим Настройки
В режиме «ОЖИДАНИЯ» кратковременно нажать кнопку . Прозвучит длинный звуковой сигнал, замигает индикатор – режим настроек включен. Все дальнейшие настойки системы производятся в этом режиме. При бездействии в течении 30-ти секунд после ввода последних параметров прозвучит тройной финальный звуковой сигнал, и система автоматически выйдет из режима настроек.
2.2 Программирование пультов дистанционного управления
Для программирования пульта дистанционного управления необходимо войти в режим настроек, нажав кнопку . Затем нажать кнопку еще один раз. Все светодиоды засветятся, прозвучит короткий звуковой сигнал и голосовая подсказка «Remotecontrolcoding». На брелоке нажать любую кнопку. Индикаторы всех зон погаснут, прозвучит длинный звуковой сигнал и голосовая подсказка «codingcompleting». Программирование пульта успешно завершено.
3.2 Удаление пульта дистанционного управления из программы
Для удаления из программы пульта дистанционного управления необходимо войти в режим настроек, нажав кнопку . Затем нажать кнопку еще один раз. Все светодиоды засветятся, прозвучит короткий звуковой сигнал и голосовая подсказка «Remote control coding». Затем нажать и удерживать 3 секунды кнопку пока индикаторы всех зон погаснут, прозвучит длинный звуковой сигнал и голосовая подсказка «remote completing». Все пульты успешно удалены из программы.
4.2 Инсталляция беспроводных датчиков в зоны
Беспроводные датчики движения и открытия двери/окна, поставляемые в стандартном комплекте, настроены для работы в данной системе. Для инсталляции дополнительных беспроводных датчиков необходимо войти в режим настроек, нажав кнопку . Затем нажать кнопку еще один раз. Все светодиоды засветятся, прозвучит короткий звуковой сигнал и голосовая подсказка «Remote control coding». Затем нажать кнопку еще раз. Индикаторы всех зон кроме первой погаснут и прозвучит голосовая подсказка «detector coding». Зона №1 готова к инсталляции датчика. Теперь нужно вызвать срабатывание датчика, который будет закреплен за этой зоной. Индикатор зоны погаснет, прозвучит длинный звуковой сигнал и голосовая подсказка «coding completing». Инсталляция датчика в данную зону успешно завершена. Таким методом в каждую зону возможно запрограммировать до 10-ти датчиков.
5.2 Удаление датчиков из зон
Для удаления датчика из зоны необходимо войти в режим настроек, нажав кнопку . Перейти в нужную зону, как описано выше. Индикатор выбранной зоны светится. Зона готова к удалению ранее инсталлированных в нее датчиков. Затем нажать и удерживать 3 секунды кнопку пока индикатор зоны погаснет, прозвучит длинный звуковой сигнал и голосовая подсказка «remote completing». Все датчики из данной зоны успешно удалены.
6.2 Выход из режима программирования
После ввода параметров настроек необходимо кратковременно нажимать кнопку , пока не прозвучит длинный финальный звуковой сигнал и индикатор не погаснет. Все параметры новых настроек будут сохранены, и система вернется в режим «ОЖИДАНИЯ».
7.2 Запись голосового сообщения
Данное голосовое сообщение, система будет воспроизводить по телефону при дозвоне в режиме тревоги.
В режиме «ОЖИДАНИЯ» нажать кнопку 3 раза. Прозвучит длинный звуковой сигнал, замигает индикатор – запись включена. Диктовать сообщение нужно на расстоянии 30 см. от системного блока. После 10-ти секундной записи индикатор перестанет мигать и прозвучит финальный звуковой сигнал.
Охранная система «SafeHouse»Инструкция GSM сигнализации SH-031G/2
Данный готовый беспроводной комплект GSM сигнализации SH-031G/2 в обновленной версии, на базе микропроцессора STC, использует самые передовые технологии обработки GSM-сигнала. Имеет удобную функцию голосовых подсказок. Технология автоматической настройки не требует активного вмешательства пользователя. Легкость и простота в настройке и установке делает эту систему идеальным вариантом для установки в частном доме, квартире, офисе, даче, гараже и т.д. Эта система, не обремененная лишними функциями, что делает ее недорогой и доступной.
Особенности GSM сигнализации SH-031G/2
- 4 проводных / 6 беспроводных охранных зон
- 3 способа постановки/снятия с охраны
- 6 номеров для оповещения дозвоном
- 3 номера для оповещения SMS сообщением
- 10 – секундная запись голосового сообщения
- Встроенный цифровой голосовой автоответчик
- Запрограммированные тексты SMS сообщений для всех событий
- Возможность постановки/снятия с охраны пультом ДУ (брелоком)
- Удаленное управление системой телефонными звонками и SMS-командами
- Функция голосовых подсказок для всех операций
- Наличие беспроводной 24-часовой охранной зоны для пожарных датчиков
- Легко добавлять дополнительные беспроводные компоненты
- Функция прослушивания охраняемого помещения по телефону через встроенный микрофон
- Релейный выход NO, NC для подключения электроприборов (программируемый, включается командой с телефона)
- Встроенный NI-HI аккумулятор, позволяет перейти на автономное питание при отсутствии входного напряжения (220В) и работать до 12 часов
- Энергонезависимая память

Gsm сигнализации Sapsan
Беспроводная охранная сигнализация gsm Sapsan Pro 6 также китайского производства. Современный комплекс обладает развернутым функционалом, широкой вариативностью размещения. Резервный блок питания позволяет автономно работать до 1 недели без подключения питания. Температурный диапазон рабочего режима от -10⁰ С до +50⁰ С, выносной термодатчик определяет температуру в диапазоне -55⁰ С – +125⁰ С.
Беспроводная интеллектуальная gsm сигнализация позволяет не только охранять дом, здание, но и управлять электроприборами, коммуникациями. Базовый комплект включает приемную панель, сенсоры движения и открытия, внешний термодатчик, брелоки удаленного управления, программное обеспечение. Дополнительно могут приобретаться для системы «Умный дом»: датчик протечки воды беспроводной, датчик дыма, утечки газа, выносной микрофон, wi fi камера наблюдения и др.
Возможно разделение на зоны реагирования (12 автномных зон, 4 проводные), электропитание контролируется и при отключении владелец оповещается смс. Подключение 10 мобильных номеров, которые будут оповещаться тревожным вызовом.
Беспроводная сигнализация E Robot
Системы охраны данного производителя полностью адаптированы к российским климатическим условиям. Работает от сим-карты любого оператора сотовой сети. Дисплей отображает меню на русском языке, возможно записать текстовые сообщения для тревожного оповещения.
Комплектуется блоком резервного питания, датчиком открытия двери, сенсором движения, который игнорирует животных (уменьшает процент ложных срабатываний), двумя пультами дистанционного управления, картами постановки/снятия с охраны. Также есть инструкция на русском языке.
Особенность – IP камеры видеонаблюдения, передающие изображение по gsm mms. Также возможно подключение сенсоров необходимого назначения для построения системы «Умный дом».
Модель 052.1
Данная модель предлагает Вам следующие функции:
ВКЛЮЧЕНИЕ РЕЖИМА ОХРАНЫ
Нажатие в течение 1 секунды на шероховатую кнопку вызовет включение сигнализации. Это проявится следующим образом:
ВЫКЛЮЧЕНИЕ РЕЖИМА ОХРАНЫ
Нажатием той же кнопки на дистанционном ключе в течение 1 секунды происходит снятие с режима охраны. Это проявится следующим образом:
Память сигнализации автоматически обнуляется через 15 секунд после запуска двигателя или в случае нового включения системы в режим охраны.
Включите систему, используя дистанционный ключ. В течение 30 секунд после включения нажмите гладкую кнопку брелка. При этом 3 «бипа» и 3 мигания габаритных огней будут сигнализировать о включении этого режима.
Система действует, но ультразвуковой датчик не вызовет срабатывания сигнализации.
Система позволяет оставлять окна частично открытыми для вентиляции салона в летний период времени, без включения тревоги объемным датчиком.
АВТОМАТИЧЕСКОЕ ВКЛЮЧЕНИЕ СИГНАЛИЗАЦИИ
Вставьте черную вилку в розетку и соедините серо-красный провод с «землей».
При выключении мотора система пассивно подготовлена для включения.
После закрытия всех дверей, подсоединенных к пурпурному проводу, сигнализирующий СИД замигает через 15 секунд, если двери не будут вновь открыты.
Центральная запирающая система (если она подсоединена) не вызовет закрытия.
Для выключения системы процедура остается обычной.
Нормальное включение системы остается возможным с помощью нажатия шероховатой кнопки брелка.
Если Вы хотите иметь возможность отключать этот режим, то достаточно подсоединить красно-серый провод к «земле» через переключатель, установленный внутри автомобиля.
Если машина принадлежит людям, незнакомым с работой пассивного включения сигнализации, советуем исключить эту функцию с помощью этого переключателя.
СИСТЕМА ЗАЩИТЫ ОТ ОГРАБЛЕНИЙ
Если Вас вынудили оставить машину с включенным зажиганием, то после выхода из машины в течение 15 секунд нажмите шероховатую кнопку брелка, в этом случае включается система защиты от ограбления.

Addressable Fire Alarm Systems (Standard Protocol)
| Model Number | Description | Download |
| QT/1QT/2QT/3QT/4 | Premier Quatro Addressable Fire Alarm Panel | Installation ManualUser Manual |
| SP-M | Simplicity Micro Addressable Fire Alarm Panel | Instruction ManualAdditional Features |
| SP-252/MSP-126/MSP-64/M | Simplicity Plus 252/M, 126/M & 64/M 1 or 2 Loop Analogue Addressable Fire Alarm Control Panel | Installation ManualUser Manual |
| SP-64SP-126 | Simplicity Plus 64 & 126 Fire Alarm Panel | Installation ManualUser Manual |
| SP-REP | Simplicity Plus Full Function Repeater | Installation Manual |
| NPAD(Version 2.X) | Premier AD Addressable Fire Alarm Panel | Installation ManualUser Manual |
| NPAD(Version 1.X) | Premier AD Addressable Fire Alarm Panel | Installation ManualUser Manual |
| PR-AL/1PR-AL/2PR-AL/3PR-AL/4REP-AL/G | Premier AL 1-4 Loop Addressable Fire Alarm Panel | User ManualCause & Effect User Manual |
| REP-AL/P | Premier AL Repeater Panel | User Manual |
| A1599 | Premier AL Panel Printer | User Manual |
| AL-AM | Premier AL Alarm Manager System | User ManualShort Setup Guide |
| A1535 | Premier AL 8 Way I/O Board — Relay | User Manual |
| A1536 | Premier AL 8 Way I/O Board — Alarm | User Manual |
| AD-REP | Premier AD Repeater Panel | User Manual |
| IP-COMM | Zeta TCP/IP Communicator | User Manual |
| CL MKII | Classic 2000 MKII Addressable Fire Alarm Panel | User ManualPC3K User ManualZNDC User Manual |
| FEAO2000FEAH2000FEAHH2000 | Fyreye Analogue Addressable Detectors | Detector Addressing |
| FE-CBFE-CB/D | Fyreye Common Bases | Manual |
| SM-ASBSM-ASFIB | Securetone Micro Addressable Sounder and Flasher Bases | User Manual |
| ZAS2/RZAS2/WZAS2/RFIZAS2/WFIZASF/RI | Zeta Addressable Securetone 2 Sounders & Flashers | Manual |
| ZT-CP3/AD | Zeta Addressable CP3 Manual Call Point | Manual |
| ZT-CP2/AD | Zeta Addressable Maual Call Point | User Manual |
| ZIU | Zeta Addressable Input Unit | User Manual |
| ZIOU | Zeta Addressable Input Output Units | User Manual |
| ZSCC | Zeta Addressable Sounder Circuit Controller Units | User Manual |
| ZTZM/4 | Zeta Addressable Zone Monitoring Units | User Manual |
| GSM-COM | Zeta GSM Communicator | User Manual |
Произведение процесса установки охранной системы своими руками
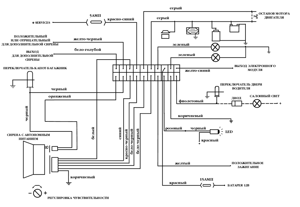
Выбрав автомобильную сигнализацию с автозапуском и обратной связью, человек должен позаботиться о её правильной установке. Общий алгоритм действий, который предполагает установка автосигнализации с обратной связью и функцией автозапуска выглядит следующим образом:
- производится снятие приборной и рулевой панелей;
- нижняя накладка рулевой колонки аккуратно извлекается;
- производится установка системного блока сигнализации в скрытом мете;
- выполняется прокладка проводов, их защита и удлинение;
- в багажном отсеке устанавливают датчик удара и сирену;
- подключают провода необходимых цветов, согласно тому что показывает схема, к специальным точкам на машине;
- подключаются провода сигнализации к системе питания машины.
- производится проверка функциональности при помощи автозапуска сигнализации с обратной связью.
Поставить сигнализацию самому на машину будет легко если пользоваться инструкцией к охранной системе.

Что владельцу транспортного средства нужно знать о сигнализациях
Модели охранных, автомобильных систем разных марок и видов отличаются между собой не только в плане внешнего вида и комплектации.
Подводные камни этого процесса могут скрываться не только в схемах, а и в следующих показателях:
- в разных сигнализациях провода одного и того же цвета могут выполнять разные функции, которые не будут являться идентичными;
- некоторые виды сигнализации требуют больше усилий в плане установки со стороны владельца машины, ведь могут иметь дополнительные элементы, отвечающие за разные функции системы;
- схема подключения самой сигнализационной системы может не подходить для авто определённого типа – следует выбирать охранную систему под конкретную модель машины.
Если человек учёл все особенности своего транспортного средства, рассмотрел ряд возможных усложнений для работы над монтажом и понял, что ему это под силу – установка сигнализации своими руками для него не станет проблемой.
Беспроводная охранная gsm сигнализация Страж
Беспроводная gsm сигнализация Страж представлена нескольким вариантами комплектации, функционала.
Gsm сигнализация беспроводная охранная Страж Лайт обладает стандартной комплектацией из датчиков, приемно-контрольного прибора, брелоков управления, звуковой сирены. При этом, сенсоры отличаются устойчивостью к повышенной температуре, влажности.
Gsm сигнализация беспроводная Страж Лайт Макс – расширенная комплектация предыдущего варианта, включающая: 4 сенсора открытия, 4 сенсора движения, датчики (по 1 единице) утечки газа, дыма, проводной звуковой оповещатель. Компактный контрольный прибор позволяет незаметно монтировать комплекс.
Gsm сигнализация беспроводная Страж Про отзывы покупателей характеризуют как надежную систему охраны. Отличается расширенным функционалом. Базовая gsm охранная комплектация стандартная. Возможно дополнительно оснастить комплекс датчиками различного назначения. Создавая полноценную систему «Умный дом». Беспроводная gsm сигнализация Страж Про позволяет контролировать работу электромеханизмов дома: освещение, отопление, электропривод жалюзи, автоматизированный полив растений, гаражные ворота и т.д.
Время от тревожного сигнала датчика до появления сообщения на телефоне – 10-15 сек.
Gsm сигнализация Страж Стандарт комплектуется стандартно. Регистрирует до 6 номеров автодозвона, до 3 – для текстового сообщения. Особенность – встроенный микрофон позволяет прослушивать происходящее внутри помещения после тревожного сигнала. Эффективна при использовании дома, в квартире, на даче, офисе. Также подойдет для отапливаемого гаража. При температуре ниже -10⁰ С может снизиться эффективность.
https://youtube.com/watch?v=XwBABORh7HA
Кратко рассмотренные комплексные системы охраны – лишь немногие в списке средств контроля охраняемого объекта: есть комплексы Fuers беспроводной системы сигнализации gsm, gsm10a и многие другие. Оптимальный вариант можно подобрать в любом специализирующемся магазине (Киев).
Как это работает?
Возможность удаленного контроля над всем происходящим на даче, когда вы находитесь в городе, появилась с распространением мобильной связи. Благодаря ей возникли технологии сбора информации, нашедшие широкое применение в системах охранных GSM сигнализаций для дома.
Их принцип работы основывается на передаче сигнала по радиоканалу. Для этого в помещениях устанавливают датчики, которые, срабатывая, приводят к подаче тревожного сообщения на приемное устройство. Что приводит к включению сирены и отправке SMS на указанные номера телефонов о внештатной ситуации на охраняемом объекте.
Смотрим видео о GSM системе и как это работает:
В состав GSM сигнализация от компании Security Alarm System входят:
- Центральный блок
- Периферийное оборудование
Выбор устройства осуществляется в индивидуальном порядке и зависит от различных причин. После установки оборудования выполняется настройка системы и синхронизация с мобильным телефоном владельца помещения. Возможен вывод сигнала на пульт вневедомственной охраны и частной компании, заключив с ними договор. В этом случае, при проникновении в ваш дом незваных гостей, на место прибудет патруль.
What is a Smart Video Doorbell?
Smart Video Doorbell is a breakthrough in time and space for traditional doorbells. Smart Video Doorbell not only has a traditional doorbell function that sounds to remind the owner to visit, but also can remotely view the area that the user cares about like a webcam. In addition, with the development of technology, Smart Video Doorbell is carrying more and more intelligent functions. You only need to have a mobile phone that stays connected to the Internet. Through the simple operation of the APP, you can talk to visitors outside the porch without leaving the bedroom, and they can also check the changes at the door at any time.
Even if someone wanders at night and step on the point, you are not afraid. With night vision recording and playback at any time, and even the alarm function, you can not only stop the bad people at that time, but also check the night video before deciding whether to call the police.





