Конструкция и устройство самодельного озонатора воздуха
Все детали озонатора были смонтированы в пластмассовой банке с закручивающейся крышкой. По периметру банки были с помощью, разогретой на газовой плите тонкостенной трубки, методом плавления, сделаны отверстия диаметром ⌀8 мм.
Блок генератора и клеммная колодка были установлены на дно банки и закреплены к нему с помощью винтов гайками М3.
Для безопасности в разрыв одного из питающих проводов методом пайки был установлен плавкий предохранитель F1, рассчитанный на ток 0,25 А. Электрическая схема озонатора простая, поэтому возникновение короткого замыкания маловероятно. По этой причине не стал устанавливать для предохранителя отдельную колодку.
Заизолирован предохранитель был путем размещения его в разрезанный вдоль отрезок пластиковой трубки с последующим покрытием изоляционной лентой.
Можно было включать озонатор с помощью сетевой вилки, но для удобства в разрыв одного из питающих проводов был установлен малогабаритный тумблер.
Вентилятор был взят от старого советского компьютерного блока питания, рассчитанный на напряжение переменного тока 220 В. В крышке было вырезано ножом отверстие по размеру крыльчатки и вентилятор закреплен с помощью четырех винтов с гайками, как показано на фотографии.
Такой вентилятор можно заменить любым вентилятором от компьютера, рассчитанным на напряжение питания 12 В, подключив его через адаптер, преобразующий напряжение 220 В в напряжение 9-12 В постоянного тока.
Провода питания вентилятора были подключены к схеме с помощью клеммной колодки. На фотографии показан собранный озонатор со снятой крышкой.
Керамический генератор озона был размещен в центре корпуса озонатора и закреплен за провода с помощью пластмассового хомута, продетого через сделанные в корпусе отверстия.
На этой фотографии показан внешний вид озонатора со стороны дна. Работа по изготовлению самодельного озонатора закончена и можно приступать к его применению на практике.
Сборка излучателя

Излучатель представляет собой две алюминиевые пластины, толщиной около 1 мм, скрепленные между собой на расстоянии 2 мм. В качестве изолятора между ними прекрасно подойдет обычное оконное стекло, толщиной 2 мм. Скрепляются эти пластины между собой через изоляторы — они не должны соприкасаться.
Сборка устройства происходит так:
- Первоначально вырезаются две заготовки из стеклотекстолита, толщиной 3 мм и размерами 100мм. Х 100 мм. Они будут служить внешними изоляторами излучателя.
- На одну из заготовок закрепляется пластина из алюминия, размерами 80 мм на 80 мм.
- На пластину накладывается стекло, размерами 80 мм на 80 мм.
- С двух противоположных сторон закрепляются пластины, из стеклотекстолита, но толщиной 4 мм и размерами 100 мм на 10 мм. Они будут служить обрамлением с двух сторон пластин излучателя и стекла.
- На эти полоски текстолита накладывается вторая пластина алюминиевого излучателя.
- Последним слоем «пирога» будет вторая заготовка из текстолита, толщиной 3 мм.
Стекло получается одной стороной лежит на текстолитовом изоляторе, а между второй стороной стекла и алюминиевым контактом расстояние в 1 мм. Именно здесь и будет происходить коронный разряд для производства озона. Теперь осталось все смонтировать в корпус, подключить детали и озонатор своими руками готов к работе.
Предлагаем посмотреть видео, где показано как будет выглядеть готовый самодельный озонатор.
Монтаж устройства
Озонатор собирается в такой последовательности:
- Сеть
- Преобразователь напряжения, на выходе которой стоит конденсатор.
- Поле напряжение подается на низковольтную обмотку катушки.
- При помощи проводов высокого напряжения с силиконовыми изоляторами, ток поступает на второй конденсатор, а с него на излучатель.
Следует не забыть в эту схему включить вентилятор, который будет подавать воздух на излучатель, установленный вертикально.
Озонирование для бытовых нужд, выбор и обслуживание оборудования

Бытовые канальные (устанавливающиеся в систему вентиляции) или квартирные озонаторы, похожие на пылесос, становятся все популярнее.
Но получить стакан чистой воды – это не то же самое, что обеспечить ею частный дом в полной мере.
Полноценное озонирующее воду оборудование в квартирах обычно не устанавливают по причине экономической нецелесообразности. Ведь магистральная вода обычно достаточно чиста для повседневных нужд.
Для питья же многие используют привозную воду или пользуются фильтрами, очищающими небольшой, но достаточный объем. Совсем другое дело – скважина, обеспечивающая коттедж. Железо, органика, сероводород здесь совсем не редкость.
Однако применение дорогого озонатора, потребляющего, к тому же, немало энергии, также не всегда обосновано.
Например:
- Превышение предельно допустимой концентрации (ПДК) железа в питьевой воде (2-3 мг/л) вдвое или втрое — легко нивелируется аэрацией и отстаиванием;
- Чересчур жесткая вода (с содержанием солей кальция более 0.5 г/л) очищается методом обратного осмоса (даже ионный обмен не всегда справляется);
- Высокое содержание сульфатов (как правило, это обычный гипс) также ликвидируется отстаиванием, осмосом, «продавливанием» через засыпки, ионным обменом.
Обратите внимание: правильный выбор устройств для водоподготовки производится только по результатам лабораторного анализа. Но применение озонирования, как способа дезинфекции в составе очистного комплекса, может быть оправдано
Особенно, когда речь идет об установке, работающей не для одного дома, а для поселка, города, завода, больницы и т.д
Но применение озонирования, как способа дезинфекции в составе очистного комплекса, может быть оправдано. Особенно, когда речь идет об установке, работающей не для одного дома, а для поселка, города, завода, больницы и т.д.
Озонатор — что это такое?
Если говорить очень простым языком, то озонатор – это прибор, который при работе выделяет некоторое количество озона. Всем известно, что этот газ сам по себе в большой концентрации очень вреден и разрушителен практически для всего живого (не случайно его используют для обеззараживания и уничтожения микробов).
Озон возникает в результате действия на кислород электрического разряда большой силы, что приводит к его расщеплению на атомы, которые соединяются в молекулы синеватого газа. Данный процесс постоянно происходит в природе во время грозы. В такие моменты при наличии мощных молний очень хорошо чувствуется запах этого газа.
Его свойства активно используют в одноименном приборе. Озонатор воздуха для дома предназначен для очистки воздуха, придания ему свежести, что устройство с легкостью и обеспечивает при правильном применении. Также эти приборы можно использовать и в промышленной сфере. Рассмотрим их подробнее.
Об опасности озона
Необходимо четко понимать, что озон в высоких концентрациях является ядом. Поэтому отнестись к вопросу озонирования воздуха нужно ответственно.
Важно! Бытовые озонаторы не способны создать ту концентрацию газа, которая может нанести вред человеческому организму. Количество озона достаточно лишь для того, чтобы убить токсины, вирусы и бактерии, повысить объем кислорода в микросреде
Категорически запрещено нарушать правила эксплуатации оборудования. А также использовать неисправные озонаторы, способные нарушить нормальное процентное содержание газа в воздухе или воде.
Достоинства и недостатки
Этот способ очистки воды применяется довольно часто. У него есть свои достоинства и недостатки. К основным плюсам можно отнести:
- быструю очистку;
- удаление из воды различных примесей и тяжёлых металлов;
- уничтожение вредных организмов;
- сохранение химических свойств воды.

Остатки озона очень быстро распадаются и превращаются в кислород. Это позволяет избавиться от привкусов и запаха.
Но у этого метода есть и свои недостатки. Озон нельзя сохранить и транспортировать. Его необходимо производить непосредственно на месте использования. Остальные минусы:
- Для качественного удаления загрязнений требуется длительный контакт газа с водой. При этом выделяются фенольные соединения, которые плохо распадаются.
- Для изготовления реагента необходим кислород или же подготовленный воздух.
- Требуется озонатор. Стоимость оборудования довольно высока.
Если в жидкости есть фенольные соединения, то вода не является полностью безопасной. Необходимо дополнительно проводить обработку. Нужно учитывать, что озон является очень сильным окислителем. Превышение дозировки может плохо отразиться на здоровье человека.
Если озон будет воздействовать на организм довольно длительное время, то есть вероятность развития патологий дыхательной системы
Поэтому использовать такое вещество нужно осторожно. Также недостатком является и то, что озоновые фильтры стоят довольно дорого, а если вода слишком грязная, уйдет больше времени на очистку
https://youtube.com/watch?v=zX8TKqvgUeE
Полезные рекомендации, как правильно и быстро сделать озонатор
Если нет опыта работы электриком и радиотехником – самой полезной рекомендацией будет сходить в магазин бытовой техники и купить озонатор заводской сборки. Если с навыками все не так плохо, то прежде чем собирать агрегат, следует ознакомиться с конструкцией уже готовых устройств, и взять готовую рабочую схему вместо изобретения велосипеда. Озонатор относится к приборам повышенной опасности, поэтому лучше учиться на чужих ошибках, чем на своих. Затраченное на ознакомление с готовыми, рабочими устройствами время окупится с лихвой.
Важные нюансы сборки бытового самодельного озонатора
Самым важным моментом является сборка излучателя. Необходимо грамотно подобрать изолирующие материалы, а также убедиться в том, что алюминиевые пластины излучателя не контактируют между собой, в противном случае может произойти короткое замыкание с вытекающими последствиями.
В обязательном порядке готовое устройство монтируется в прочный, не проводящий электричество корпус. Вопрос здесь стоит больше не об эстетике, а о безопасности эксплуатации озонатора.
Немаловажный нюанс – квалификация собирающего озонатор человека. Настоятельно не рекомендуется сборка подобных электроприборов дилетантом, в противном случае до оздоровления воздуха дело может не дойти – понадобится оздоравливать самого собиравшего.
Правила монтажа прибора
Монтаж осуществляется в такой последовательности:
- питание от сети;
- преобразователь напряжения с конденсатором на выходе;
- низковольтная обмотка катушки;
- по проводам высокого напряжения питание приходит на второй конденсатор, после чего на излучатель.
На вертикально установленный излучатель воздух подаётся принудительно посредством вентилятора.
Отчет номер один.
После установки озонатора проехал километров 10. Сразу скажу, резкого улучшения в поведении машины я не заметил. Но! Ради интереса увеличил угол зажигания на деление. Стучит. Уменьшил на пол-деления — не стучит. А это значит, что увеличил почти на пол-деления, и не стучит.
Во время движения несколько раз включал/выключал на ходу озонатор, думал, поймаю какую-то реакцию авто. Ничего не поймал. Правда, народ с тех, кто уже опробовал девайс, говорят, что какой-то результат будет наблюдаться только после 2-й или 3-й сотни км. Так что у меня еще все впереди.
А, вот еще интересный момент — прогреваться начала быстрее. Метров 150 ехал на 2–3, потому как ямы, приехав домой, обнаружил, что вентилятор вращается, чего раньше никогда не было. И стрелка за середину зеленой зоны. Значит, эффект какой-то есть? Надо будет в пробках выключать, благо, кнопочку в салон вывел, даже разобрал ее, глянул, что да как, и светодиодик запитал.
И еще одно. Проезжая часть дороги в колдобинах, притормозил где-то меньше двадцати, ну а потом начал ускоряться. Поймал себя на мысли, что ускоряюсь на третьей. Снова притормозил, и снова на третьей машина с двадцати вытягивает. Раньше тряслась как в лихорадке, а сейчас нет, правда, ускорение небольшое, но ведь разгоняется, зараза!
Короче, стал я у обочины. Начал трогаться. Со второй тронулся как с первой, даже газку не сильно давал. Начал трогаться с третьей, и что вы думаете? Поехал!!! Правда, газку пришлось поддать, но ведь поехал!! А вот с четвертой не поехал. Машину колбасит всю, и глохнет, если сцепление не выжать.
Виды озонаторов
Промышленность производит озонаторы разной мощности, что определяет их область применения.
Промышленные и медицинские
Приборы промышленного назначения предназначены для озонирования больших помещений. Озонаторы используют для очистки питьевой воды, обеззараживания стоков канализации, очищают машинные масла, дезинфицируют салоны автомобилей. Применяют промышленные модели для озонирования воды в бассейне, отбеливание бумаги на производстве.
Медицинские электронные устройства применяют для дезинфекции помещений, стерилизации инструментов. Озоном обрабатывают даже лекарственные препараты в виде растворов. От этого усиливаются их заживляющие свойства.
Автомобильные
Озонаторы для автомобиля часто оснащены дополнительной функцией увлажнения. Работает прибор от электрической сети машины. Популярны модели, подключаемые к прикуривателю. Полезное свойство автомобильного очистителя проявляется в старой машине, у которой внутрь салона попадают выхлопные газы.
Бытовые
Бытовые модели выпускаются отдельным прибором или в совокупности с другими устройствами. О пользе озонатора в быту можно судить по его предназначению:
- комнатные модели предназначены для обеззараживания воздуха;
- озонаторы в холодильнике имеют свойство устранять неприятные запахи, дезинфицировать воздух;
- приборы для питьевой воды уничтожают озоном вредные бактерии;
- аквариумные модели имеют свойство осветлять озоном воду, нейтрализовать запахи, токсичные примеси.
Бытовые модели обычно маломощные, вырабатывают малое количество озона.
На видео рассказывают о свойствах озона и назначении озонатора:
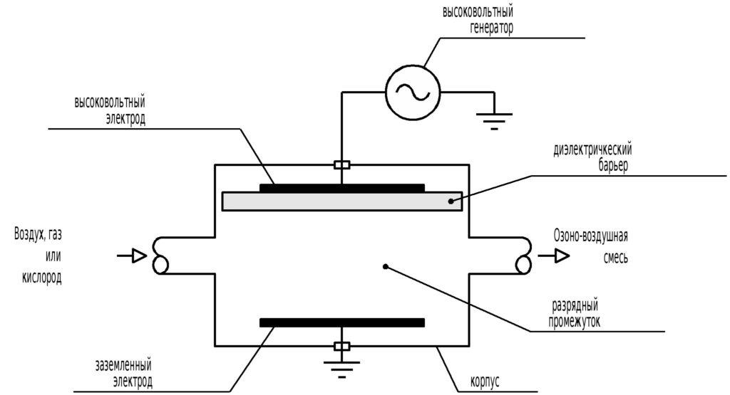
Принцип работы и устройство
Получение озона в специализированных установках производится тем же способом, что и в природе — поток воздуха пропускается сквозь электрическую дугу (разряд). От этого происходит расщепление воздушного кислорода на атомарный, с последующим соединением в молекулы озона.
Химическая реакция описывается уравнением: 3О2 → 2О3
Кроме этого, существуют установки, вырабатывающие озон путем облучения кислорода ультрафиолетом.
Однако, эти приборы малоэффективны и применяются только для освежения воздуха в жилых комнатах.
Устройство озонатора представляет собой генератор высокого напряжения, соединенный с излучателем. Это керамическая пластина, на которой имеются 2 (или более) токопроводящие дорожки, одна из которых подключена к положительному, а другая — к отрицательному выходу преобразователя.
При подаче напряжения в несколько киловольт между дорожками происходит пробой воздушного зазора, и образуется дуга. Она разлагает воздушный кислород на атомарный с последующим преобразованием части в озон. Для увеличения эффективности работы прибора внутри корпуса устанавливают вентилятор, подающий воздушный поток на излучатель.
О принципе работы озонатора также рассказывается в видео ниже:
https://youtube.com/watch?v=M5s0fld0Fjg
Рекомендации при повторении схемы
При самостоятельной сборки подобного устройства предлагаем экранировать / отделить некоторые корпуса электроники от озонирующих пластин
Озон очень агрессивен и будет разрушительно воздействовать на все пластмассы / изоляцию.
Уже почти 2 года используется озонатор на основе этих плат от китайцев, и можем сказать, что очень важно чистить керамическую плату спиртовой салфеткой. Без этого эффективность падает, а радиатор снизу нагревается, лучше тут использовать радиатор от старого процессора.
Безусловно, это не обязательно должно быть стационарное устройство. Он может быть мобильным и использоваться в других помещениях или автомобиле. Частота применения — 3-5 раз в год, этого вполне хватит для дезинфекции.
Что такое озонатор
В природе озон чаще всего образуется в грозу. Под действием электрического разряда двухатомный кислород модифицируется в трехатомный. Именно на этом основан принцип работы озонатора. Бытовая модель прибора состоит из следующих основных частей:
- Электрического разрядника.
- Высоковольтного трансформатора.
- Системы забора воздуха с вентилятором.
- Автоконтроллера с датчиками.
Некоторые версии устройства дополнительно совмещаются ионизатором и увлажнителем.
Работа озонатора осуществляется в несколько этапов:
- Прибор подключается к питанию, выполняются настройки, задаются параметры автоматики.
- При срабатывании программы на запуск одновременно инициируется генератор разряда и воздухозаборник с вентилятором.
- Из устройства выходит поток озонированного воздуха.
- В зависимости от программных настроек и установленного таймера прибор отключается, а затем снова включается на определенный промежуток времени.

Что умеют озонаторы воздуха для дома
Прежде чем понять, как пользоваться озонатором воздуха в квартире, необходимо узнать, для каких целей вообще может использоваться данный вид прибора. Сфера его применения широка:
- Дезинфекция помещений, одежды, предметов от возбудителей всевозможных инфекций и патогенной микрофлоры.
- Освежение воздуха, устранение неприятных и специфических запахов.
- Стерилизация медицинских инструментов и оборудования.
- Обеззараживания воды и пищи.
- Продление срока хранения продуктов питания.
Кроме того, озон применяется в качестве медицинского средства для скорейшего заживления открытых ран, улучшения иммунного ответа организма и борьбы с целлюлитом.
Автоматизация устройства самостоятельно
Преимуществ от использования программируемых бытовых устройств всегда больше, чем у непрограммируемых. Так, благодаря специальным настройкам генератор озона можно инициировать тогда, когда дома никого нет или в ночное время. Однако далеко не каждая модель имеет встроенные функции автовключения.
Самостоятельно сделать автоматический озонатор можно из стандартной версии благодаря умным технологиям. Для этой цели подойдет смарт-выключатель. Устройство нужно просто подключить через него к сети питания. Частота и время работы задается непосредственно умным переключателем. Также его можно интегрировать с системой «умного дома», а настройки задавать с помощью общего программного управления.

Более подробнее ознакомится с умными розетками можно тут.
Польза
Использование озонатора в домашних условиях дает следующие преимущества:
- Устранение старых, въевшихся, острых запахов.
- Обеззараживание воздуха, вещей, предметов – особенно в трудно доступных местах, куда обычные средства не проникают.
- Уничтожение плесени, грибков в помещениях с образованием сырости на стенах – санузлах, банях, подвалах.
- Уменьшение риска распространения инфекций во время эпидемий.
В медицине в малых концентрациях озон используется, как одно из лучших многофункциональных восстанавливающих средств при различных патологиях:
- Разрушение токсинов.
- Обезболивание.
- Стимуляция иммунитета.
- Улучшение кроветворной функции.
- Уничтожение болезнетворных микроорганизмов.
- Нормализация свертываемости крови.
- Стимуляция выработки биологически важных веществ.
Необходим ли он в нашем доме
Помимо того, что озонатор очищает воздух, при неправильном применении он может приносить и вред. Среди явных его недостатков выделяются:
- Отсутствие официальных научных доказательств по уничтожению вредоносных микроорганизмов при выработке озона в малой концентрации.
- Невозможность с помощью озонатора осадить взвешенную в воздухе пыль.
- При химическом взаимодействии его с некоторыми веществами образуются токсичные вещества.
- При высокой концентрации вызывает раздражение, ожоги слизистой дыхательных путей и разрушает легочную ткань.
- Препятствует образованию хлорофилла у растений.
- Усиливает приступы аллергической реакции у предрасположенных к этому людей.
- Подавляет иммунную реакцию организма.
Таблица расчета
На озонирование 1 метра квадратного жилого помещения уходит в среднем 1 минута – при учете, что высота потолка не превышает 2,5 м. При этом в комнатах должен быть естественный воздухообмен для обеспечения наилучших условий по обработке.
В следующей таблице представлены примеры, как рассчитать основные параметры работы озонатора воздуха для дома:
| Площадь помещения, м2 | Мощность прибора, мкг/м³ | Время обработки в жилых помещениях, мин. | Продолжительность озонирования в закрытых местах, мин. |
| Не более 15 | До 8 | 15 | 20-30 |
| 30-49 | 10-12 | 30-50 | 60-100 |
| 50-60 | 20 | 60 | 90-120 |
Как сделать озонатор своими руками
Добрый день,дорогие друзья,вы тут потому что вам скорее всего интересно,как собрать озонатор,или ионизатор своими руками.Да,да озонатор и ионизатор-одно и то же. Сначала хочу еще раз напомнить,что такое ионизатор. Ионизатор-прибор,выделяющийся газ-озон (O3) в кислород. Вообще,озон-газ окислитель,который убьет вас со временем,при невыполнении некоторых условий.
1 условие. Концентрация озона в воздухе должна быть 1/16 озона на 1 кислорода. 2 условие. Если вы все-таки купили озонатор,то после часа работы вашего прибора,открывайте примерно на пол часа окно.Это уменьшит содержание озона в кислороде,и у вас будет меньший шанс отравиться газом. — Хочу предупредить сразу.Если вы собрались покупать ионизатор в магазине,то подумайте еще раз,а лучше прочитайте эту статью — Виды покупных озонаторов: Бесполезные; Озонаторы-убийцы. — Бесполезные озонаторы .Это вид озонаторов,которые не будут ни лечить,ни убивать вас.Они выделяют одновременно и положительно заряженные частицы и отрицательно заряженные частицы.Как вы уже поняли,пользы от такого-никакой. — Озонаторы-убийцы .Купить такой озонатор-тоже самое,что выпить яд,убивающий со временем.На таких озонаторах чаще всего написано ПДК (предел допустимой концентрации).Такие приборы чаще всего как раз выделяют газа больше чем нужно ≈ 5/16 газа на 1 целую кислорода. — Наш озонатор будет выделять как раз немного меньше то есть 1/16 на 1 целую. — Что нам понадобится для создания нашего ионизатора: •2 обычных провода с вилкой;

•2 или больше шарика от пинг-понга;

•Изолента;

•Ножницы,скрепка. — Приступаем к сборке! Шаг 1: Берем ножницы и скрепку, берем ножницами скрепку,нагревает конец скрепки,проделывает дыру в шарике для Пинг-понга.Делаем дырочку чуть больше.Где-то 2-3 мм. Шаг 2: Распускаем наш провод на волосины (жилы).Через первое отверстие в 1 шарике пропускаем конец жилы, также через 2 отверстие.Делаем также со вторым проводком, но этот проводок мы распускаем еще на несколько мелких,в дырочки просовываем только один маленький провод. Должно получиться так,чтобы (+),где провод меньше,был в одном шарике, а (-) в другом. Шаг 3: Тщательно изолируем провод. Шаг 4: Проделываем примерно 20 крошечных дырочек в шарике (-),и примерно 5,6 в шарике (+). Шаг 5: Если вы уже заизолировали ваши провода,время соединить их вместе! Шаг 6: Включаем в сеть,наслаждаемся.Не забывайте периодически открывать окно,польза-пользой,а может вам и навредить. — Можно также поместить наше устройство в какой либо корпус,так оно будет смотреться лучше! Ну вот и все,друзья!Я рассказал,как сделать ионизатор за 10 минут. Главное будьте осторожны! Как никак — электричество!

Как сделать генератор озона своими руками: пошаговая инструкция
Озонатор для бассейна — весьма дорогой прибор, доступный не каждому владельцу бассейна. Однако, при наличии хотя бы начальных навыков работы с инструментами и элементарных познаний в электротехнике, можно изготовить самодельный прибор.
Конструкция его не слишком сложна, главное — обзавестись необходимыми деталями и узлами.
Схема
На фото ниже можно увидеть схему:
Электрическая схема озонатора достаточно проста и состоит всего из нескольких деталей:
- S1 — выключатель;
- M1 — вентилятор;
- U1 — генератор (преобразователь) напряжения;
- F1 — предохранитель;
- F2 — излучатель.
Существуют более сложные схемы, где используется не готовый преобразователь, а самодельная схема. Однако, такие решения по силам лишь подготовленным людям, так как схемы подобного рода нуждаются в настройке и требую от мастера немалых познаний.
Инструменты и материалы
Для сборки необходимо приготовить:
- набор деталей вместе с вентилятором;
- корпус (не герметичный, так как нужен приток воздуха для вентилятора);
- паяльник, олово и канифоль;
- соединительные провода;
- клей для соединения деталей корпуса.
Указаны только самые необходимые детали, для более сложных конструкций могут потребоваться дополнительные принадлежности.
Процесс изготовления списком
Сборка озонатора производится в следующем порядке:
- Необходимые детали и узлы размещают в корпусе, обеспечивая прямой воздушный поток от вентилятора в сторону излучателя.
- Когда все элементы размещены, их соединяют проводами (припаивают) и прикрепляют к монтажной плате с помощью клея или пластиковых хомутов.
- Присоединяют к корпусу емкость для сбора озонированного воздуха и смешивания его с водой из циркуляционной системы. На выходе из емкости устанавливают воздушную помпу и присоединяют ее в разрыв системы циркуляции.
Внимание! Озонатор подключают к циркуляционной системе только в конце петли, после насоса и фильтра.
Выбор озонатора
При выборе озонатора, кроме дополнительных функций, например, таймера, следует обратить внимание на производительность озонатора, которая выражается в количестве генерируемого озона в час. Для применения озонатора в домашних условиях, за исключением борьбы с плесенью, когда объем замкнутого помещения, как правило, меньше 50 м3, вполне подойдет озонатор производительностью от 150 мг/час
Для применения озонатора в домашних условиях, за исключением борьбы с плесенью, когда объем замкнутого помещения, как правило, меньше 50 м3, вполне подойдет озонатор производительностью от 150 мг/час.
Для наглядности привел в таблице технические характеристики наиболее популярных моделей бытовых озонаторов. Любой из них вполне подойдет для применения в быту.
| Технические характеристики популярных озонаторов | |||||
| Характеристики | Модель озонатора | ||||
| «Тяньши» | «Гроза» | «Алтай» | «JQ-881» | «Миллдом» | |
| Производительность, мг/час | 150 | 300 | 400 | 400 | 500 |
| Площадь очистки воздуха в помещениях до, м2 | 40 | 50 | 70 | 70 | 110 |
| Возможность озонирования воды | есть | нет | есть | есть | нет |
| Время непрерывной работы, мин | 40 | 30 | — | 30 | 30 |
| Наличие таймера | цифровой | цифровой | механический | — | цифровой |
| Напряжение питающей сети, В | 220 | 220 | 220 | 220 | 220 |
| Потребляемая мощность, Вт | 15 | 30 | 18 | 30 | 10 |
| Производитель | Китай | Россия | Россия | Китай | Россия |
Во всех инструкциях по эксплуатации озонаторов указывается не максимальный объем обрабатываемого помещения, а его площадь. Очевидно это сделано для удобства пользователей, так как площадь каждого помещения в своей квартире люди хорошо знают, а высота в среднем составляет около 2,5 м.
При необходимости бороться с плесенью или при объеме помещения более 200 м3 следует приобретать озонатор производительностью от 1 г/час. Тут работает простое правило, чем производительность больше, тем лучше, так как можно будет за более короткое время создать требуемую концентрацию озона в воздухе. Единственное ограничение, это цена прибора, которая с увеличением производительности озонатора растет в геометрической прогрессии.
Если в инструкции по эксплуатации озонатора не указана его производительность, то от покупки такого устройства советую воздержаться, так как будет невозможно рассчитать время озонирования.
Озон тяжелее воздуха в полтора раза и при озонировании стремится вниз. По этой же причине при озонировании озонатор следует устанавливать на максимально возможной высоте.
Потому лучше выбирать озонатор с встроенным вентилятором, который будет лучше распределять озон по объему помещения. Кроме того, за счет хорошего охлаждения генератора и излучателя озонатора он может работать круглосуточно, без отключений. Если в озонаторе нет вентилятора, то, как правило, время непрерывной работы такого озонатора ограничено.
Что это за метод очищения?
Озон – это нестабильная модификация кислорода, молекулы которой состоят из трех его атомов (O3).
Представляет собой сильно ядовитый газ голубого цвета с ярко выраженным запахом. Характеризуется как один из мощнейших окислителей.
В природе образуется под действием электричества (в эпицентре грозы) и ультрафиолетового излучения (в озоновом слое). В обоих случаях сырьем является кислород воздуха.
Обратите внимание: как средство дезинфекции, этот газ в 4-5 раз сильнее УФ излучения и в 500-800 раз эффективнее хлора.
Озонирование – это направленное воздействие на жидкую или газообразную среду путем растворения в ней озона. Методы искусственного получения газа схожи с природными.
Самый популярный, экономически обоснованный способ
Цели озонирования связаны с основной характеристикой этого газа:
- Дезинфекция озонируемой среды;
- Окисление металлов, солей, газов и прочих посторонних растворенных в среде примесей.
Результат такого воздействия – почти идеально чистая и прозрачная среда (воздух или вода), насыщенная кислородом. В случаях, когда остается переизбыток газа, вода может обладать голубоватым оттенком.
Однако в воздухе период распада озона – чуть больше 1 часа, затем остается лишь кислород. Поэтому, при соблюдении технологии, опасности он никакой не представляет.
Важно: применение технологии особенно оправдано, когда поступающая вода содержит много железа, марганца, сероводорода, органических примесей, аммиака. Ни один микроорганизм (вирус, бактерия, микроб) не способен пережить даже краткий контакт с O3
Нюансы обслуживания
При соблюдении установленных режимов аппарат проработает без нареканий много лет. К ним относятся — давление и расход воды, а также температура и влажность воздуха.
Озонатору практически не требуются расходные материалы, разбор, чистка. Обслуживание включает следующие мероприятия:
- Замена (регенерация) воздушных фильтров;
- Поверка расходометров и манометров;
- Проверка и подстройка контролирующей и управляющей автоматики.
Учитывая цену агрегатов, серьезная фирма, занимающаяся водоподготовкой, берет эти процедуры на себя. Потребителю остается лишь оценивать качество воды визуально, на вкус и запах. Особо мнительные и беспокоящиеся покупатели иногда заказывают лабораторный анализ того, что они пьют.
Важно! Как бы ни был опасен озон, его нельзя не почувствовать заранее. ПДК этого газа в разы больше, чем концентрация, при которой ощущается сильный запах
В любом случае, при нормальной работе озонатора никакого запаха быть не должно.




