Параметры, корпуса, аналоги
Категория Микросхемы отечественные
Микросхемы серии К140УД7- малошумящий операционный усилитель (ОУ) с внутренней частотной коррекцией и защитой выхода от короткого замыкания.Выпускались в нескольких видах корпусов и поэтому маркировка микросхемы имеют небольшие отличия в маркировке:К140УД7, КР140УД7, КР140УД708, КФ140УД7, КБ140УД7-4.
Корпуса микросхем:
Корпус К140УД7 типа 301.8-2, масса не более 1,5 г., КР140УД7 типа 201.14-1, КР140УД608 типа 2101.8-1, КФ140УД7 типа 4303.8-1, КБ140УД7-4 — бескорпусный.
КФ140УД7
Схемы балансировки
| Назначение выводов КР140УД7:1,2,7,8,13,14 — свободные;3,9 — балансировка;4 — вход инвертирующий;5 — вход неинвертирующий;6 — напряжение питания -Uп;10 — выход;11 — напряжение питания +Uп;12 — коррекция; |
| Назначение выводов К140УД7, КР140УД708, КФ140УД7:1,5 — балансировка;2 — вход инвертирующий;3 — вход неинвертирующий;4 — напряжение питания -Uп;6 — выход;7 — напряжение питания +Uп;8 — коррекция; |
Параметры
| 1 | Напряжение питания | 15 В 10% |
| 2 | Диапазон синфазных входных напряжений при Uп= 15 В | 12 В |
| 3 | Максимальное выходное напряжениепри Uп= 15 В, Uвх= 0,1 В, Rн = 2 кОм | 10,5 В |
| 4 | Напряжение смещения нуля при Uп= 15 В, Rн = 2 кОмК140УД7, КР140УД7, КР140УД708КФ140УД7 | не более 9 мВне более 6 мВ |
| 5 | Входной ток при Uп= 15 В, Rн = 2 кОм | не более 400 нА |
| 6 | Разность входных токов при Uп= 15 В, Rн = 2 кОм | не более 200 нА |
| 7 | Ток потребления при Uп= 15 В, Rн = 2 кОм | не более 3,5 мА |
| 8 | Коэффициент усиления напряженияК140УД7, КР140УД7, КР140УД708КФ140УД7 | не менее 30000не менее 25000 |
| 9 | Входное сопротивление | не менее 400 кОм |
Предельно допустимые режимы эксплуатации
| 1 | Напряжение питания | (5…17) В |
| 2 | Входное синфазное напряжение | 12 В |
| 3 | Входное дифференциальное напряжение | не более 24 В |
| 4 | Время, в течении которого допустимо короткое замыкание выходапри T=-45…+35 ° Cпри T=+35…+85 ° Cдля КФ140УД7 при T=-10…+70 ° C | не ограниченно60 c5 c |
Рекомендации к применению
Питание КФ140УД7 можно осуществлять ассиметричными напряжениями или от одного источника напряжения при условии: 10 В |Uп1|+|Uп2| 33 В. При этом нагрузка подключается к «+» или «-» источника питания. Бескорпусную ИС К140УД7-4 следует приклеивать к подложке нерабочей стороной, также должен быть обеспечен такой отвод теплоты, чтобы температура кристалла составляла не более 135 ° C.
Зарубежные аналоги µ A741HC, µ A741PC
Литература
Интегральные микросхемы и их зарубежные аналоги: Справочник. Том 7./А. В. Нефедов. — М.:ИП РадиоСофт, 1999г. — 640с.:ил.
Отечественные микросхемы и зарубежные аналоги Справочник. Перельман Б.Л.,Шевелев В.И. «НТЦ Микротех», 1998г.,376 с. — ISBN-5-85823-006-7
Интегральные микросхемы Справочник. Тарабрин Б.В.,Лунин Л.Ф.,Смирнов Ю.Н. «Радио и связь», 1983 г.,528 с. — ББК 32.844.1 И73
Детали и печатная плата
Большинство деталей расположено на печатной плате. Все регуляторы-резисторы, переключатели и разъемы расположены на передней панели. Многие детали смонтированы на их выводах.

Рис. 2. печатная плата для низкочастотного генератора сигналов.
Переключатель S1 галетный на три направления и три положения. Используются только два направления. Выключатель S2 -тумблер на два направления. Все разъемы — коаксиальные разъемы типа «Азия» от видеотехники.
Дроссели L1 и L2 — от модулей цветности старых телевизоров УСЦТ (можно использовать любые дроссели индуктивностью не менее 30 мкГн). Лампа накаливания Н1 — индикаторная, с гибкими проволочными выводами (похожа на светодиод), на напряжение 6,ЗV и то 20 мА. Можно использовать и другую лампу на напряжение 2,5-13,5V и ток не более 0,1 А.
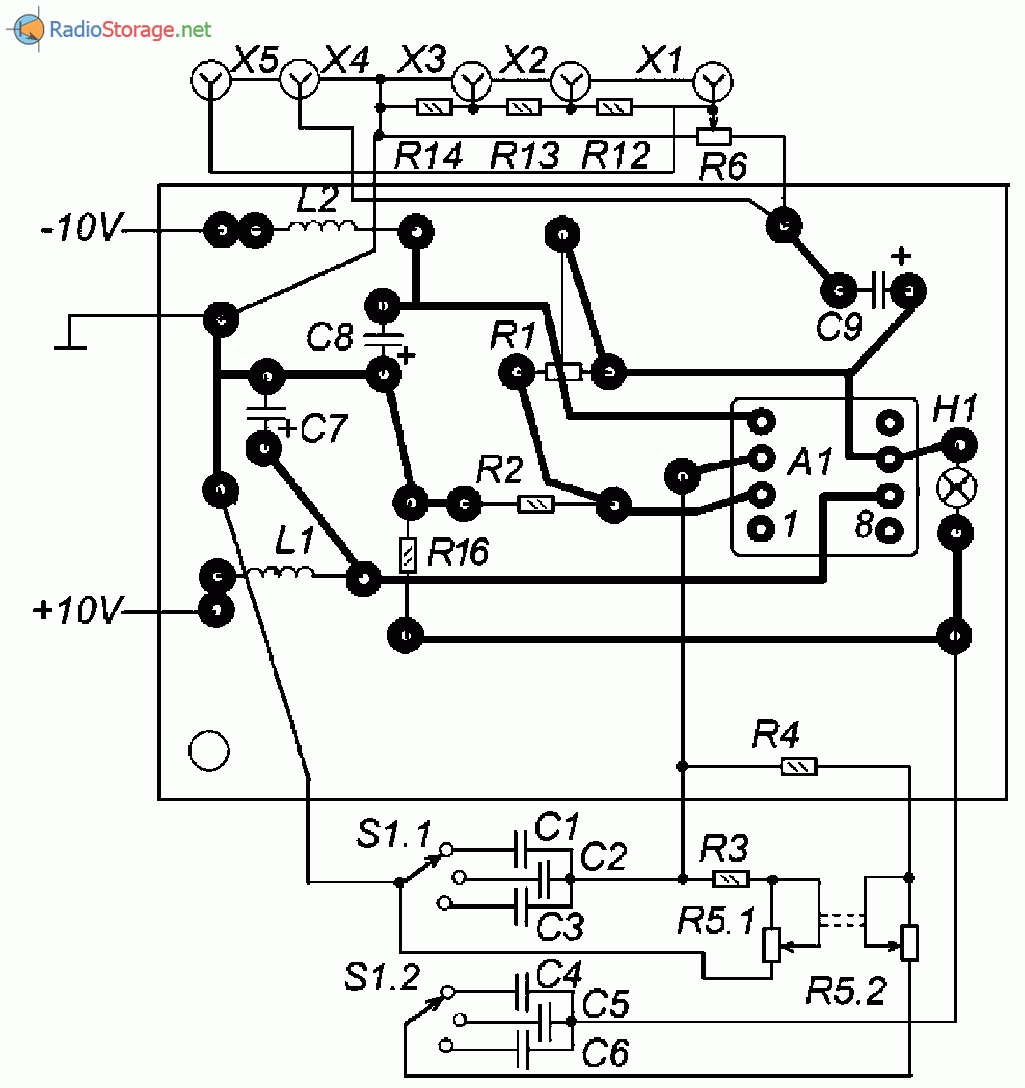
Принципиальная схема генератора
Схема состоит из низкочастотного синусоидального генератора на операционном усилителе А1 и выходного делителя на резисторах R6, R12, R13, R14.
Рис. 1. Принципиальная схема НЧ генератора на ОУ (20-20000Гц).
Схема синусоидального генератора традиционная. Операционный усилитель, при помощи положительной обратной связи (С1-C3, R3, R4, R5, С4-С6) выполненной по схеме моста Винна, переведен в режим генерации. Избыточная глубина положительной обратной связи, приводящая к искажению выходного синусоидального сигнала, компенсируется отрицательной ОС R1-R2.
Причем, R1 подстроечный, чтобы с его помощью можно было установить величину ОС такой, при которой на выходе операционного усилителя неискаженный синусоидальный сигнал наибольшей амплитуды.
Лампа накаливания Н1 включена на выходе ОУ в его цепи обратной связи. Вместе с резистором R16 лампа образует делитель напряжения, коэффициент деления которого зависит от протекающего через него тока (лампа Н1 выполняет функции терморезистора, увеличивая свое сопротивление от нагрева, вызванного протекающим током).
Частота устанавливается двумя органами управления, — переключателем S1 выбирают один из трех поддиапазонов «20-200 Гц», «200-2000 Гц» и «2000-20000 Гц». Реально диапазоны немного шире и частично перекрывают друг друга. Плавная настройка частоты производится сдвоенным переменным резистором R5. Желательно чтобы резистор был с линейным законом изменения сопротивления.
Сопротивления и законы изменения составных частей R5 должны быть строго одинаковыми, поэтому, применение самодельных сдвоенных резисторов (сделанных из двух одиночных) недопустимо. От точности равенства сопротивлений R5 сильно зависит коэффициент нелинейных искажений синусоидального сигнала.
На оси переменного резистора закреплена ручка со стрелкой (как у галетных приборных переключателей) и простая шкала для установки частоты. Для точной установки частоты лучше всего использовать цифровой частотомер.
Выходное напряжение плавно регулируют переменным резистором R6. С этого резистора поступает НЧ напряжение на выход. Понизить установленное значение в 10 и 100 раз можно при помощи аттенюатора на резисторах R12-R14.
Максимальное выходное напряжение НЧ генератора, -1,0V. Контролировать величину выходного напряжение удобнее всего по низкочастотному милливольтметру, делая поправку на значение аттенюатора на резисторах R12-R14. Выключают генератор тумблером на два направления S2, отключающим генератор от источника двуполярного напряжения ±10V.
Параметры и характеристики
| Параметр | 544УД1А | 544УД1Б | 544УД1В |
| Коэффициент усиления, не менее | 50E3 | 20E3 | 20E3 |
| Входной ток (нА), не более | 0.15 | 1 | 1 |
| Потребляемый ток (мА), не более | 3.5 | 3.5 | 3.5 |
| Скорость нарастания выходного напряжения (В/мкс), не менее | 2 | 2 | 5 |
| Максимальная частота (МГц), не менее (1) | 1 | 1 | 1 |
| Напряжение питания (В) (2) | от +- 6до +- 16.5 | от +- 6до +- 16.5 | от +- 6до +- 16.5 |
| Выходное напряжение (В) | +- (напряжение питания — 4) | +- (напряжение питания — 4) | +- (напряжение питания — 4) |
| Напряжение на входах (В) (3) | +- 10 | +- 10 | +- 10 |
| Сопротивление нагрузки (кОм) | 2 | 2 | 2 |
| Емкость нагрузки (пФ) (4) | 500 | 500 | 500 |
| Рассеиваемая мощность (мВт) | 250 | 250 | 250 |
(1) Мои попытки сделать приложения, работающие на частоте 1 МГц, на этой микросхеме, не увенчались успехом. Могу рекомендовать использовать ее на частотах до 500 кГц.
(2) Как я уже писал, мне удавалось заставить (в ущерб линейности) работать этот операционник и при меньшем напряжении питания.
(3) Плюс, если Вы заинтересованы в линейности, то напряжение на входах не должно приближаться к положительному или отрицательному напряжению питания ближе, чем на 4 вольта. Если же линейность не важна (например, в компараторе), то ограничение только +- 10 вольт, чтобы не пробило. Для схем автоматики полезно выбирать питающее напряжение +- 10 вольт, тогда ограничения по входному напряжению будут выполнены автоматически.
(4) Если емкость нагрузки больше, то нужно включить последовательно с ней резистор 2 кОм.
(читать дальше…) :: (в начало статьи)
| 1 | 2 |
:: ПоискТехника безопасности :: Помощь
К сожалению в статьях периодически встречаются ошибки, они исправляются, статьи дополняются, развиваются, готовятся новые. Подпишитесь, на новости, чтобы быть в курсе.
Если что-то непонятно, обязательно спросите!Задать вопрос. Обсуждение статьи.
Еще статьи
Операционный усилитель, ОУ, операционник. Применение, типовые схемы….
Схемы на операционных усилителях. Применение ОУ…
Практика проектирования электронных схем. Самоучитель электроники….
Искусство разработки устройств. Элементная база радиоэлектроники. Типовые схемы….
Применение дифференциального усилителя, использование усилительного ка…
Типовые схемы с дифференциальным усилительным каскадом…
Микроконтроллеры — пример простейшей схемы, образец применения. Фузы (…
Самая первая Ваша схема на микро-контроллере. Простой пример. Что такой фузы?…
Бесперебойник своими руками. ИБП, UPS сделать самому. Синус, синусоида…
Как сделать бесперебойник самому? Чисто синусоидальное напряжение на выходе, при…
Преобразователь однофазного напряжения в трехфазное. Принцип действия,…
Принцип действия, сборка и наладка преобразователя однофазного напряжения в трех…
Усилитель на полевом транзисторе. FET, MOSFET. Звуковая, низкая частот…
Применение полевых транзисторов в низкочастотных усилителях….
Лабораторный импульсный автотрансформатор, латр. Схема, конструкция, у…
Схема импульсного ЛАТРа для самостоятельной сборки….
К140УД66
Некий операционный усилитель с однополярным питанием.
Производитель — «Родон», г.Ивано-Франковск.
В справочниках встречается упоминание о том, что этот усилитель скопирован с
некоего неопознанного ОУ фирмы GM. Александр Перебаскин пишет «На Родон поступил заказ на создание микросхем для какого-то автомобильного узла (вроде как датчик чего-то для Жигулей). В качестве прототипа передали аналогичный американский узел производства
GM. В этом узле использовался ОУ в очень миниатюрном корпусе с недешифруемой маркировкой. Родоновские разработчики передрали этот ОУ настолько точно, насколько смогли, так что 140УД66 точно имеет, если не аналог, то прототип. Оказалось, что это Rail to Rail усилитель с однополярным питанием. У GM была в
то время собственная карманная фирма для производства полупроводников, продукция которой использовалась только внутри концерна. Сравнительный анализ схемы этого ОУ проводил я лично, и он не выявил аналогов или прототипов среди известных мне на тот период ОУ западных производителей. Поэтому я предположил, что это как раз продукт карманной фирмы
GM, а н/н означает — название не известно.»
Микросхема выпускалась в разных корпусах:
1. Analog integrated circuits. Catalog. Volume II. — V/O «Mashpriborintorg», USSR, Moscow.
2. Каталог интегральных микросхем (дополнение).- Центральное бюро
применения. 1971-1972.
3. Справочник по полупроводниковым диодам, транзисторам и интегральным схемам. Под общ. ред. Н. Н. Горюнова. Изд. 3-е, переработ. и доп. М., «Энергия», 1972.
4. Каталог интегральных микросхем. Часть II (аналоговые).- Центральное
бюро применения. 1975.
5. Молчанов А.П., Занадворов П.Н. Курс электротехники и радиотехники, изд. 3-е перераб., Главная редакция физико-математической литературы изд-ва Наука, 1976.
6. Микросхемы и их применение/Батушев В.А., Вениаминов В.Н., Ковалев В.Г. и др. —
М.: Энергия, 1978 (Массовая радиобиблиотека; Вып. 967).
7. Перечень развиваемых серий ИС. Редакция 1978 г.
8. Лавриненко В.Ю. Справочник по полупроводниковым приборам. 9-е изд., перераб. К.: Технiка, 1980.
9. В. Златаров, Р. Иванов, Г. Михов, М. Недялков. Аналогови интегрални
схеми. Параметри, характеристики, основни приложения — Кратък справочник. — София, 1981,
Държавно издателство «Техника».
10. Лавриненко В.Ю. Справочник по полупроводниковым приборам. 10-е изд., перераб. и доп. — К.: Технiка, 1984.
11. Каталог интегральных микросхем. Том 1. Центральное конструкторское бюро. 1986.
12. Мокеев О.К. Полупроводниковые приборы и микросхемы: Учеб. пособие для сред. ПТУ. —
М.: Высш. шк., 1987.
13. Микросхемы интегральные. Группа 6331. Сборник справочных листов РД 11 0435.1-87. Издание официальное. Всесоюзный научно-исследовательский институт «Электронстандарт». 1988
14. Цифровые и аналоговые интегральные схемы: Справочник/С.В.
Якубовский, Л.И. Ниссельсон, В.И. Кулешова и др.; Под ред. С.В. Якубовского. — М.: Радио и
связь, 1990.
15. Димитър Рачев. Справочник радиолюбителя. Държавно издателство «Техника». 1990.
16. Чернецов В.И. Операционные усилители и аналоговые функциональные элементы на их основе для радиотелеметрии:
Конспект лекций. — Пенза: Пенз. политех. ин-т, 1992.
17. Интегральные схемы: Операционные усилители.
Том 1. — М.: Физматлит, 1993.
18. Интегральные микросхемы: Операционные усилители. Обзор — М.: ДОДЭКА, 1994.
19. Каталог. Цифровые и аналоговые интегральные микросхемы. Часть 2. Условные графические обозначения,
назначения выводов и габаритные чертежи корпусов. — ГУП Центральное конструкторскою бюро «Дейтон», 1998.
20. Операционные усилители и компараторы. — М., Издательский дом «Додэка-2000», 2002.
21. Микросхемы интегральные народнохозяйственного назначения. Дополнение 2 к РД 11 0435.
Издание официальное. ОАО «Российский научно-исследовательский институт «Электронстандарт». 2008
22. Шелохвостов, В.П. Проектирование интегральных микросхем : учеб. пособие /
В.П. Шелохвостов, В.Н. Чернышов. – 2-е изд., стер. – Тамбов : Изд-во Тамб. гос. техн. ун-та, 2008.
23. Стратегия выбора. — К.: «Корнiчук», 2012.
LM358 DataSheet на русском, описание и схема включения
Микросхема LM358 как написано в его DataSheet является универсальным решением, так как схема включения большинства популярных устройств весьма проста, в случаях отсутствия жестких требований к высокому быстродействию, рассеиваемой мощности и нестандартному питающему напряжению. Небольшая стоимость, отсутствие необходимости подключения дополнительных элементов частотной коррекции, возможность использования во всем диапазоне стандартных питающих напряжений (до +32В) и низкий потребляемый ток, делают его кандидатом номер один для электронных проектов с ОУ.
LM358 цоколевка
LM358 состоит из двух ОУ, каждый имеет по 4 вывода, имеющих свое назначение. Всего получается 8 контактов. Производятся в нескольких видах корпусного исполнения, для объемного DIP и поверхностного монтажа на плату SO. Так же могут встречается в усовершенствованных корпусах SOIC, VSSOP, TSSOP.

Назначение контактов для всех видов корпусов совпадает: 2,3, 5,6, — входы, 1,7 – выходы, 4 – минус источника питания, 8 – плюс источника питания.

Технические характеристики
Ниже указаны предельные допустимые значения условий эксплуатации для диапазона рабочих температур окружающей среды TA от 0 до +70 °C, если не указано иное.

Основные электрические характеристики, при температуре окружающей среды TA = 25 °C.

Рекомендуемые условия эксплуатации в диапазоне рабочих температур окружающей среды, если не указано иное:
Подверженность устройства повреждению от электростатического разряда (ESD):
Также у данного устройства есть тепловые характеристики:
Схемы подключения
Ниже приведем несколько простых схем включения lm358 которые могут вам пригодится. Все они являются ознакомительными, так что обязательно проверяйте все перед внедрением в производственной сфере.
Схема в мощном неинвертирующим усилителе.

Преобразователь напряжения — ток.
Схема с дифференциальным усилителем.

Неинвертирующий усилитель средней мощности.
Аналоги
Аналогами LM358 можно считать микросхемы в которых указываются идентичные характеристики. К таким относятся: LM158, LM258, LM2904, LM2409. Эти микросхемы незначительно отличаются от описываемой своими тепловыми параметрами и подойдут в качестве замены для большинства проектов.
Для ее замены можно использовать: GL 358, NE 532, OP 04, OP 221, OP 290, OP 295, OPA 2237, TA7 5358-P, UPC 358C, AN 6561, CA 358E, HA 17904. Отечественные аналоги lm358: КР 1401УД5, КР 1053УД2, КР 1040УД1.
Для замены также может подойти аналог по электрическим параметрам, но уже c четырьмя ОУ в одной микросхеме — LM324.
Маркировка
Префикс LM сначала использовался при маркировке общего назначения компанией National Semiconductor. Цифры “358” это ее серийный номер. В 2011 году эта компания была приобретена другим производителем электроники Texas Instruments. С этого года префикс “LM” является кодом производителя Texas Instruments, но несмотря на это, этот код используют и другие производители при маркировке своей продукции. Микросхемы LM358, LM358-N и LM358-P имеют одинаковые технические параметры. У большинства компаний-производителей символами “-N” , “-P” обозначаются пластиковые корпуса PDIP.
В технических описания встречается такие виды: LM358A, LM358B, LM358BA. Так указывается версии следующего поколения промышленного стандарта LM358. Устройства «B» могут быть доступны в более современных микрокорпусах TSOT и WSON.
Применение
Lm358 широко используется в:
- устройствах типа «мигающий маяк»;
- блоках питания и зарядных устройствах;
- схемах управления двигателем;
- материнских платах;
- сплит системах внутреннего и наружного применения;
- бытовой технике: посудомоечные, стиральные машины, холодильные установки;
- различных видах инверторов;
- источниках бесперебойного питания;
- контроллерах и др.
Возможности применения микросхемы производители обычно указывают в технических описаниях на свои устройства.
Применение 544УД1, 544УД1A, 544УД1Б, 544УД1В
Основными преимуществами операционников этой серии являются: высокое входное сопротивление (входной ток не более 1 нА), широкий диапазон приемлемых питающих напряжений (по справочнику от +- 6 до +- 16.5 вольт, но я питал эти микросхемы +- 4 вольтами, они прекрасно работали), возможность работы, как от двуполярного, так и от однополярного источника питания (у микросхем нет ножки, которая должна быть подключена к общему проводу), хорошая нагрузочная способность (операционник может работать на нагрузку 2кОм)
Разрабатывая устройства на базе операционных усилителей 544 серии стоит помнить про их очень высокое входное сопротивление и высокую чувствительность. Я несколько раз сталкивался с таким эффектом. Устройство прекрасно работает на стенде, но при переносе в реальные условия работать перестает. В лаборатории через некоторое время опять начинает прекрасно работать. Сначала я стал подозревать чудо, но потом заметил, что приход в рабочее состояние можно сильно ускорить с помощью фена. В лабораторных условиях влажность довольно низкая, а в реальной среде может быть высокой. Между контактами скапливается некоторое количество влаги. Сопротивление таких ‘перемычек’ может быть от 10 МОм. Но названной микросхеме этого вполне достаточно, чтобы сменить режим работы.
Я для себя решил, если использую операционник 544 серии, то всегда после отладки и испытаний заливаю схему лаком или парафином.
Некоторые приложения, в которых используются эти микросхемы:
Налаживание
Налаживать генератор желательно используя частотомер и осциллограф. В этом случае, подстройкой резистора R1 добиваются максимального и неискаженного переменного синусоидального напряжения на выходе генератора, во всем диапазоне частот (это, обычно, соответствует величине выходного переменного напряжения 1V).
Затем, более точным подбором R4 и R3 (эти сопротивления должны быть одинаковы) устанавливают диапазоны перестройки частоты. Если используются недостаточно точные конденсаторы С1-С6 может понадобиться их подбор или включение параллельно им «достроечных» конденсаторов.
Иванов А. РК-08-16.
Литература: 1. Овечкин М. Низкочастотный измерительный комплекс, Р-1980-04.




