Модернизация фонарей
При внимательном рассмотрении схемы фонаря из предыдущего раздела становится очевидным, что светодиод VD5 горит всегда при подключении к сети 220 В. Его свечение не зависит от заряда и даже наличия аккумуляторов. Чтобы устранить этот недостаток, индицирующую цепочку надо включить в цепь заряда батареи. Для этого надо установить резистор R5 мощностью 0,5 Вт с таким расчетом, чтобы при токе в 100 мА на нем падало около 3 В (около 30 Ом). Индицирующую цепочку надо подключить параллельно с соблюдением полярности.
Схема доработки схемы индикации.
Все изменения и дополнения показаны синей линией. После переделок светодиод будет гореть только при наличии тока заряда (при выключенном питании излучающей матрицы!)
Схема налобного фонаря
Популярная конструкция светодиодного фонаря – налобная. Такой светильник позволяет полностью освободить руки и направлять луч света в нужное место поворотом головы: вслед за взглядом. Это удобно при ремонте автомобиля, при прогулках по затемненным территориям и т.д.
Схема такого светильника строится по принципу:
- управляющая схема (отвечает за переключение режимов);
- буферный усилитель;
- транзисторный ключ для включения светодиода.
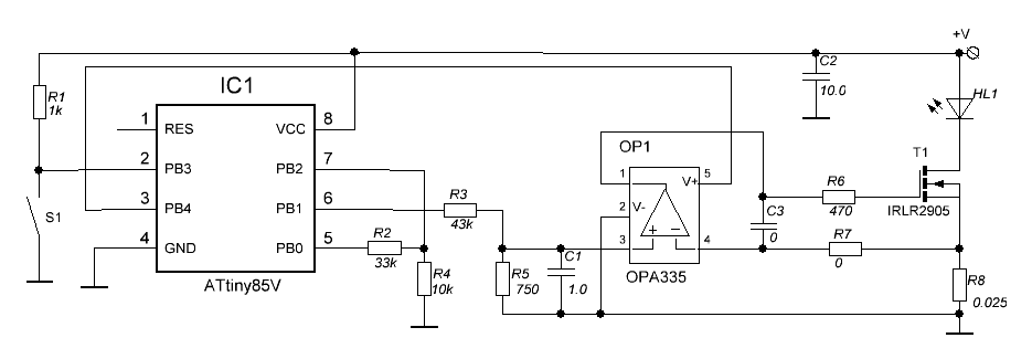
Один из вариантов такого устройства – когда блок управления выполнен на стандартном микроконтроллере (например, ATtiny85), в который зашита программа управления режимом излучателя, промежуточным усилителем служит операционный усилитель OPA335, а в качестве ключа используется полевой транзистор IRLR2905.
Схема карманного светодиодного фонарика на микроконтроллере.
Такая схема недорога, надежна, но имеет технологический недостаток: перед установкой надо программировать контроллер. Поэтому при массовом производстве в качестве блока управления используется специализированная микросхема FM2819 (на корпус может быть нанесено сокращенное обозначение 819L). Этот чип может включать и выключать светоизлучающий элемент, и запрограммирован на четыре режима:
- максимальная яркость;
- средняя яркость;
- минимальная яркость;
- стробоскоп (мигающий свет).
Режимы переключаются циклически коротким нажатием на кнопку. Длительное нажатие переводит фонарь в режим SOS. Изменить программу нельзя (по крайней мере, в даташите не говорится о такой возможности). Микросхема не требует промежуточного усилителя, но очень мощные светодиоды подключать напрямую к выходу нельзя – есть ограничение по нагрузке (и есть защита от ее превышения).

Схема карманного светодиодного фонарика на специализированном чипе.
Поэтому мощные элементы подключаются через ключ. В большинстве случаев им служит полевой транзистор, допускающий длительную работу с большим током в цепи стока, например FDS9435A производства Fairchild или других аналогичных, которые можно выбрать по параметрам из таблицы характеристик FDS9435A.
| Структура | Максимальное напряжение затвор-исток, В | Сопротивление канала в открытом состоянии | Максимальная рассеиваемая мощность, Вт | Наибольшй ток стока в постоянном режиме, А |
| Р-канал | 25 | 0,05 Ом при 5,3 А, 10 В | 2,5 | 5,3 |
Схема фонарика сводится всего к двум активным элементам и обвязке из нескольких конденсаторов и резисторов (плюс аккумуляторные элементы и матрица из светодиодов, само собой).
Как разобрать светодиодный аккумуляторный фонарь Lentel GL01
При этом аккумуляторы не придется вынимать из отсека фонарика, если на его корпусе установить соединительный разъем Х2. В авторском варианте в качестве трансформаторного блока применен стандартный блок, предназначенный для питания модемов.
Алюминиевая плечевая часть тюбика от зубной пасты , крема и т.
Для простоты и наглядного примера рассмотрим простейший генератор, состоящий из двух полюсного магнита и одной обмотки. Настройка электрической схемы фонаря сводится к регулировке тока заряда аккумулятора. Он настолько слаб, что полежав неделю, уже не горит.
Брать делитель еще меньше, чтобы понизить напряжение в точке V2, нельзя т. Лампа гореть при таком напряжении, конечно, еще будет, но вряд ли можно говорить о ней как о реальном источнике света. В схеме для получения высокого КПД желательно использовать чип-компоненты.
На этот раз речь пойдёт о фонарике с аккумулятором. Его можно сделать из железной проволоки 0.
Если не сложно сбросьте параметры катушки. Диод Шоттки. Трансформатор я делал на небольшом ферритовом кольце — выпаянном из нерабочей материнки. Master
Ремонт бытовой техники своими руками
Можно ли собрать схему на более простых компонентах транзисторах? Так как LP это микромощный стабилизатор, ток до mA , то пришлось поэкспериментировать. Обязательно попробую скорее всего на выходных , надеюсь на успех!
Операционный усилитель U2B — усиливает напряжение, снимаемое с датчика тока. Доработка Фонарика vlad — Затем переменное напряжение после гасящего конденсатора выпрямляется диодным мостом на диодах VD1 — VD4 1N С увеличением номинала резистора допустимое напряжение разряда увеличивается, и наоборот. ДЕЛАЕМ ПРОСТОЕ ЗАРЯДНОЕ УСТРОЙСТВО ДЛЯ АКБ с авто выключением при полном заряде
Фонари Police
LED фонарик Police с шокером Такие фонари ярко светят и могут выступать в роли средства самообороны. Однако и в них случаются проблемы со светодиодами.
Как заменить светодиод в фонарике Police
Широкий модельный ряд очень трудно охватить в рамках одной статьи, но можно дать общие рекомендации по ремонту.
- При ремонте фонаря с электрошокером будьте аккуратны, желательно используйте резиновые перчатки, чтобы избежать удара током.
- Фонари с пылевлагозащитой собраны на большом количестве винтов. Они отличаются по длине, поэтому делайте пометки откуда вы выкрутили тот или иной винт.
- Оптическая система фонарика Police позволяет регулировать диаметр светового пятна. При разборке на корпусе сделайте отметки в каком положении стояли детали перед снятием, иначе будет трудно поставить блок с линзой обратно.
Замена светодиода, блока преобразователя напряжения, драйвера, аккумулятора возможна с применением стандартного набора для пайки.
Доработка светодиодного фонаря
Светотехника
Главная Радиолюбителю Светотехника
В тёмное время суток карманный фонарь — незаменимая вещь. Однако имеющиеся в продаже образцы на аккумуляторной батарее с зарядкой от сети вызывают лишь разочарование. Некоторое время после покупки они ещё работают, но затем гелевая свин-цово-кислотная аккумуляторная батарея деградирует и одной её зарядки начинает хватать всего лишь на несколько десятков минут свечения. А нередко во время зарядки при включённом фонаре светодиоды перегорают один за другим. Конечно, учитывая невысокую цену фонаря, можно каждый раз покупать новый, но целесообразнее один раз разобраться в причинах отказов, устранить их в имеющемся фонаре и забыть о проблеме на долгие годы.
Характеристики фонарика STE-15628-6LED
- 6 светодиодов (3 в отражателе + 3 в боковой панели)
- 2 режима работы
- встроенное ЗУ
- магнит для крепления
- размеры: 11х5х5 см
Внешне абсолютно исправное и привлекательное изделие не создавало светового потока. Ну, разве возможно чтобы вот такая замечательная вещица была совершенно не на что не годной? Данная модель была в единственном экземпляре, но любитель электроники во мне «вещал», что всё преодолимо.

Провод оторвался при вскрытии корпуса, а вот опалённой пластмасса уже была и наводила на мысль, что подгорели электронные компоненты схемы зарядного устройства, а аккумулятор может быть и вполне исправным.

С него и начал проверку. Напряжение на клеммах вольтметр показал равным одному вольту. Имея уже некоторый опыт общения с такими аккумуляторами начал с того, что открыл на нём верхнюю предохранительную планку, снял резиновые колпачки, долил в каждую «банку» по одному кубику дистиллированной воды и поставил на зарядку. Зарядное напряжение 12 В, ток 50 мА.

Зарядка в режиме повышенного напряжения (вместо штатных 4,7 В) длилась два часа, в наличии более 4 вольт.

Раз аккумулятор годный к эксплуатации то ему нужно зарядное устройство, собранное по более приличной схеме и на более надёжных электронных компонентах, нежели чем от китайского резистор на входе, был пробит один из двух диодов 1N4007 выпрямителя и дымился при включении ЗУ резистор светодиода. В первую очередь необходимы надёжный конденсатор не менее чем на 400 вольт, диодный мост и подходящий стабилитрон на выходе.
Проекты по теме:
К сожалению аккумулятор был изношен и его хватало для работы фонаря в течение 2 часов.
Ремонт зарядного устройства Измерение величины напряжения мультиметром на контактах выходного разъема зарядного устройства показало его отсутствие. После 15 мин.
Недостатком схемы является высокое 1,25V напряжение на входе FB вывод 8. Проволока 0,1 мм — витков с отводом от середины, намотанные на тороидальное колечко. Переделка схемы индикации режима зарядки аккумулятора Фонарь отремонтирован, и можно приступать к внесению изменений в схему индикации зарядки аккумулятора.
Светодиод был подключен через ограничительный резистор 6,2 Ом, ток потребления светодиода составил мА. Спасибо за статью. Вот такая простая защита. Минус крепим к плечевой части, с помощью завинчивающей крышки просто зажав провод крышкой.
Короткие импульсы повышенного потенциала отпирают p-n переход. При повторном нажатии на кнопку S1, транзистор закрывается и фонарь выключается. Только если сделать отдельную схемку для мигания на NE Ирина Спасибо, что ответили!
По этой причине от перегрева и сгорела первичная обмотка трансформатора. При подключении зарядного устройства напряжение на клеммах аккумулятора не изменялось, стало очевидным, что зарядное устройство не работает. Однако на практике это не совсем так, т
Но, хочу заострить ваше внимание, если корпус фонарика металлический — зарядное устройство туда не монтируйте, а сделайте его выносным, то есть отдельно. Назначение кружка — двойное
Состоит из двух ячеек по 2 вольта, соединённых последовательно. Типовыми неисправностями фонариков с аккумулятором являются: Выход из строя элементов сетевого выпрямителя диодов, электролитического конденсатора, резистора в цепи индикации ; Неисправность кнопки-выключателя легко чинится любой подходящей кнопкой с фиксацией или же рокерным выключателем ; Деградация старение аккумулятора;.
При положении движка переключателя в крайнем левом положении общий вывод подключается к левому выводу переключателя. Этот фонарик за доллара. Все три светодиода от аккумуляторов при номинальном напряжении 3,6 В потребляют ток не более 75…80 мА по мере разряда элементов ток будет снижаться, но все равно свечение будет достаточно ярким для подсветки. Введение транзисторов выровняло яркость, однако они имеют сопротивление и на них падает напряжение, что вынуждает преобразователь повышать уровень выходного до 4В, для снижения падения напряжения на транзисторах можно предложить схему на рис. Как оказалось в ручке небыло радиоэлектронных элементов.
ВОССТАНОВЛЕНИЕ ГЕЛЕВЫХ АККУМУЛЯТОРОВ СВОИМИ РУКАМИ
https://youtube.com/watch?v=SDS5QBbbtc4
Самодельный светодиодный фонарь на 12 V: необходимые материалы и инструменты
Следует сказать сразу: в результате получится габаритный прибор, который скорее будет похож на небольшой прожектор. Однако изделие все равно можно носить с собой, чтобы, например, найти ночью дорогу домой. Устройство фонаря такого типа довольно простое, поскольку для его изготовления понадобится немного деталей, а точнее:
- светодиодная (LED) лампа на 12 V;
- двухдюймовая (50 мм) полимерная труба;
- два резьбовых фитинга и заглушка для ПВХ;
- клей для пластика;
- тумблер;
- изолента, нейлоновые стяжки и термоусадочные трубки — материалы, необходимые для монтажа электропроводки;
- аккумулятор на 12 V.
Последний элемент можно сделать самостоятельно из 8–12 штук батареек, используемых в радиоуправляемых машинках. Их нужно объединить в один аккумулятор, напряжение которого будет составлять 12 V. Из инструментов надо подготовить ножовку, напильник, наждачную бумагу, кусачки и паяльник с припоем.

Проверка работоспособности
Если китайский фонарик вышел из строя, можно попытаться найти неисправный элемент и заменить его либо отремонтировать. Алгоритм поиска показан на примере светильника с зарядкой от сети.

Схема проверки работоспособности светильника.
- Если фонарь не светит, при включении в сеть индикатор не горит, надо проверить, приходит ли 220 В на схему. Для этого надо измерить переменное напряжение в точке 1. Если напряжения нет, надо проверить сетевой шнур и разъем.
- Если все в порядке, светодиод должен гореть. Если нет – проверить его цепь, а также диод VD2 на предмет короткого замыкания.
- Далее надо извлечь аккумуляторы и проверить постоянное напряжение в точке 2 – оно должно быть примерно равно напряжению аккумуляторов. Если нет – проверить исправность диодов VD1, VD2.
- Если все в порядке, вероятно, неисправны аккумуляторы. Надо проверить напряжение на них.
- Если дело не в этом, надо проверить исправность выключателя, прозвонив его тестером в режиме звуковой проверки (при выключенном из сети устройстве и извлеченных аккумуляторах!).
- Если и тут все нормально, неисправность надо искать в драйвере или в светодиодной матрице.
При наличии небольших знаний в электротехнике модернизировать или починить ручной фонарик несложно. Главное, разобраться в его устройстве.
Какие светодиоды стоят в китайских фонариках?
Многие товары сейчас покупаются на aliexpress, где можно найти как оригинальную продукцию, так и китайские копии, которые не соответствуют заявленному описанию. Цена за такие приборы бывает сопоставимой с ценой на оригинал.
В фонарике, где заявлен светодиод Cree, его может на самом деле не быть, в лучшем случае будет стоять диод откровенно другого типа, в худшем такой, который внешне будет трудно отличим от оригинала.

Что это может за собой повлечь? Дешевые светодиоды выполняются в низкотехнологичных условиях и не выдают заявленной мощности. Имеют низкий КПД, от того у них усиленный нагрев корпуса и кристалла. Как уже было сказано, что перегрев – самый злой враг для Led приборов.
Так происходит потому, что при нагревании через полупроводник увеличивается ток, вследствие чего нагрев становится еще сильнее, мощности выделяется еще более, лавинообразно это приводит к пробою или обрыву светодиода.
Если постараться и потратить время на поиск информации, можно определить оригинальность продукции.
Сравните оригинал и подделку cree
LatticeBright – это китайский производитель светодиодов, который делает продукцию очень похожей на Cree, наверное это совпадение дизайнерской мысли (сарказм).
Сравнение китайской копии и оригинала Cree
На подложках эти клоны выглядят следующим образом. Можно заметить разнообразие форм подложек для светодиодов, производимое в китае.
Определение подделки по подложке для LED
Подделки изготавливаются довольно умело, многие продавцы не указывают об этом «бренде» в описании товара и о том, где произведены светодиоды для фонарей. Качество таких диодов не самое худшее среди китайского барахла, но и далеко от оригинала.
Доработка китайских фонариков
Иногда бывает так, что купленный (с виду вполне качественный) фонарик с аккумулятором полностью отказывает. И вовсе не обязательно покупатель виноват в неправильной эксплуатации, хотя и это тоже встречается. Чаще – это ошибка при сборке китайского фонарика в погоне за количеством в ущерб качеству.
Конечно, в таком случае придется его переделать, как-то модернизировать, ведь потрачены деньги. Сейчас необходимо понять, как это сделать и возможно ли побороться с китайским производителем и выполнить ремонт такого прибора самостоятельно.
Рассматривая наиболее часто встречающийся вариант, при котором при включении прибора в сеть индикатор зарядки светится, но фонарь не заряжается и не работает, можно заметить вот что.
Обычная ошибка производителя – индикатор заряда (светодиод) включается в цепь параллельно с аккумулятором, чего допускать никак нельзя. При этом покупатель включает фонарь, и видя, что тот не горит, снова подает питание на заряд. В результате – перегорание всех светодиодов разом.
Дело в том, что не все производители указывают, что заряжать подобные устройства с включенными светодиодами нельзя, т. к. отремонтировать их будет невозможно, останется только заменить.
Итак, задача по модернизации – подключить индикатор заряда последовательно с аккумулятором.
Модернизация китайского брака
Как видно из схемы, эта проблема вполне решаема.
А вот если китайцы в свое изделие поставили резистор 0118, то светодиоды придется менять постоянно, т. к. ток, поступающий на них, будет очень высоким, и какие бы световые элементы ни были установлены – они не выдерживают нагрузки.
Видео: Ремонт светодиодного фонаря / Repair LED lights

Свинцово-кислотный AGM аккумулятор фонаря был доведен до глубокого разряда, и попытка зарядить его штатным зарядным устройством не привела к успеху. Пришлось аккумулятор заряжать с помощью стационарного блока питания с функцией ограничения тока нагрузки. На аккумулятор было подано напряжение 30 В, при этом он в первый момент времени потреблял ток всего несколько мА. Со временем ток начал возрастать и через несколько часов увеличился до 100 мА. После полной зарядки аккумулятор был установлен в фонарь.
Зарядка глубоко разряженных свинцово-кислотный AGM аккумуляторов в результате долгого хранения повышенным напряжением позволяет восстановить их работоспособность. Способ проверен мною на AGM аккумуляторах не один десяток раз. Новые аккумуляторы, нежелающие заряжаться от стандартных зарядных устройств, при зарядке от постоянного источника при напряжении 30 В восстанавливаются практически до первоначальной емкости.
Аккумулятор был несколько раз разряжен включением фонарика в рабочий режим и заряжен с помощью штатного зарядного устройства. Измеренный ток заряда составил 123 мА, при напряжении на выводах аккумулятора 6,9 В. К сожалению аккумулятор был изношен и его хватало для работы фонаря в течение 2 часов. То есть емкость аккумулятора составляла около 0,2 А часа и для продолжительной работы фонаря необходима его замена.

HL1-R2 цепочка на печатной плате была удачно размещена, и понадобилось под углом перерезать всего одну токоведущую дорожку, как на фотоснимке. Ширина реза должна быть не менее 1 мм. Расчет номинала резистора и проверка на практике показала, что для стабильной работы индикатора зарядки аккумулятора необходим резистор номиналом 47 Ом мощностью не менее 0,5 Вт.

На фотоснимке представлена печатная плата с запаянным токоограничивающим резистором. После такой доработки индикатор заряда аккумулятора светится только в случае, если действительно происходит заряд аккумулятора.
Какие светодиоды используют в мощных фонариках?
Под мощными фонарями подразумеваются современные фонари различных типов начиная от тех, что размером с палец, заканчивая огромными поисковыми фонарями.
В такой продукции в 2021 году актуальна марка Cree. Это название американской компании. Её продукция считается одной из наиболее передовых в области светодиодной техники. Альтернативой являются LED от производителя Luminus.
Такие вещи значительно превосходят светодиоды с китайских фонариков.
Какие светодиоды Cree в фонариках устанавливаются наиболее часто?
Модели носят название состоящие из трёх четырёх символов, разделённых дефисом. Так диоды Cree XR-E, XR-G, XM-L, XP-E. Модели XP-E2, G2 чаще всего используются для небольших фонариков, а XM-L и L2 – очень универсальные.
Их используют, начиная от т.н. EDC фонарей (для повседневного ношения) – это маленькие фонари размером меньше ладони, до серьёзных поисковых фонарей большого размера.
Давайте рассмотрим характеристики мощных светодиодов для фонариков.
| Название | Cree XM-L T6 | Cree XM-L2 | Cree XP-G2 | Cree XR-E |
| Фото | ||||
| U, В | 2,9 | 2,85 | 2,8 | 3,3 |
| I, мА | 700 | 700 | 350 | 350 |
| P, Вт | 2 | 2 | 1 | 1 |
| Рабочая температура, °C | ||||
| Световой поток, Лм | 280 | 320 | 145 | 100 |
| Угол свечения, ° | 125 | 125 | 115 | 90 |
| Индекс цветопередачи, Ra | 80-90 | 70-90 | 80-90 | 70-90 |
Главная характеристика светодиодов для фонарей – это световой поток. От неё зависит яркость вашего фонаря и количество света, которое может дать источник. Разные светодиоды, потребляя одинаковое количество энергии, могут существенно отличаться по яркости.
Рассмотрим характеристики светодиодов в больших фонариках, прожекторного типа
| Название | ||||
| Фото | ||||
| U, В | 5,7; 8,55; 34,2; | 6; 12; | 3,6 | 3,5 |
| I, мА | 1100; 735; 185; | 2500; 1250 | 5000 | 9000…13500 |
| P, Вт | 6,3 | 8,5 | 18 | 20…40 |
| Рабочая температура, °C | ||||
| Световой поток, Лм | 440 | 510 | 1250 | 2000…2500 |
| Угол свечения, ° | 115 | 120 | 100 | 90 |
| Индекс цветопередачи, Ra | 70-90 | 80-90 | 80-90 |
Продавцы часто указывают не полное название диода, его типа и характеристики, а сокращенную, несколько иную цифробуквенную маркировку:
- Для XM-L: T5; T6; U2;
- XP-G: R4; R5; S2;
- XP-E: Q5; R2; R;
- для XR-E: P4; Q3; Q5; R.
Фонарь может так и называться, «Фонарь EDC T6», информации в такой краткости более чем достаточно.
Схема простого фонарика
Электрическая схема простого фонарика рис.1 состоит из:
- батареи элементов;
- лампочки;
- ключа выключателя.
Схема в своем исполнении простая и разъяснений на этот счет не требует. Причинами неисправности фонарика при такой схеме могут быть:
- окисление контактных соединений с батарейками;
- окисление контактов патрона лампочки;
- окисление контактов самой лампочки;
- неисправность ключа выключателя света;
- неисправность самой лампочки перегорела лампочка;
- отсутствие контактного соединения с проводом;
- отсутствие питания батареек.
Другими причинами неисправности могут быть какие либо механические повреждения корпуса фонарика.
Возможные неполадки
Если схема была составлена в соответствии с указанными требования, фонарь должен нормально работать. Однако не всегда все складывается столь удачно, поэтому придется искать причины неисправности прибора. Мастера выделили несколько распространенных ошибок:
- Малое количество витков (менее 15). В этом случае в трансформаторе не будет осуществляться генерация тока.
- Концы обмотки были подключены без учета условия разнонаправленности токов. Для решения этой проблемы необходимо намотать провода в разных направлениях.
Мастера рекомендуют изготавливать светодиодный фонарь по схеме, приведенной ниже.
LED-элемент нужно устанавливать вместо лампы накаливания; он должен минимум на 1 мм выступать из корпуса.
Как починить фонарик
Если фонарик перестает работать, нередко проблема решается своими силами без особых знаний и инструментов. Первым делом необходимо проверить источники питания. Лучше попробовать вставить заведомо заряженные батареи.

Далее нужно внимательно осмотреть контакты. Желательно очистить все доступные места спиртом, чтобы устранить продукты окисления.

Если после очистки и проверки элементов питания аппарат все еще не работает, имеет смысл рассмотреть кнопку включения. Возможно, именно она не позволяет замкнуть контакт и направить энергию на светодиоды. Проверить работоспособность этого компонента можно, замкнув вручную контакты пинцетом или другим проводником. В том случае, если прибор загорится, необходимо поменять переключатель или же восстановить его работоспособность.
В переключателе не должно быть никаких посторонних предметов или загрязнений. Докрутите резьбу, обеспечив таким образом более плотный контакт. Если это не помогло, можно попробовать припаять переключатель от другого фонарика с аналогичной конструкцией.
В ряде случаев причиной неисправности является перегорание элементов микросхемы. Иногда проблему можно решить прозвоном и последующей перепайкой вышедших из строя деталей. Но такая работа достаточно сложна и требует от пользователя определенных навыков. С учетом невысокой стоимости китайских моделей процедура и вовсе бессмысленна.
УЛУЧШЕНИЕ ФОНАРИКА С ЗУ ОТ 220V
Вот очередная переделка современного фонарика LED3857 с ЗУ от сети 220 Вольт. Отдали по причине того, что испортился не проработав и месяца. Оно и понятно: собрано ну очень экономно, простая зарядка из плёночного конденсатора, диодного моста и cmd резистора, ну и дохленький гелевый аккумулятор, всё это никак не способствует долгой работе.

Зато сам корпус таких фонарей позволяет установить в него полноценный литиевый аккумулятор 18650, даже места ещё остаётся с пол корпуса, для остальной электроники. Можно также постараться воткнуть и аккумулятор типоразмера 26650, если нужна долгая работа фонаря, он влазит впритык без сетевого ЗУ, но можно сделать зарядку через гнездо USB.

В свободное место отлично устанавливается подходящее по размерам сетевое ЗУ, у меня установлено добротное зарядное модель А1400 с ШИМ НА8121 на 5 В 800 мА и распаяно само ЗУ для аккумулятора на м/с ТР4056. С более ёмким аккумулятором и нагрузкой на различных светодиодах время непрерывной работы может быть от 10 часов и более.

На фото видно расположение всех узлов в корпусе фонаря, всё легко доступно (если понадобится что-то для замены). Закреплено в корпусе от тряски обычным молекулярным клеем, держит довольно хорошо, проверено временем.

После установки питающей части была доработана светодиодная матрица, заменены 5 мм светодиоды на ставшие у меня уже классическими cmd 2835. Но в этот раз поставил новые светодиоды что случайно заказал на Али, интересны они тем что напряжение их работы до 2,8 В и ток потребления при этом 150 мА.

Свет чистый белый и без синевы от кристалла и нет желтизны, поскольку нет люминофора, сам кристалл довольно крупный. Отражатель под светодиоды cmd немного сточен (на фото видно) это нужно для получения фокусированного светового пятна от отражателей. Позже проведу тест на продолжительность работы фонаря на полном заряде аккумулятора с этими светодиодами.

Установка из пяти штук с уполовиненным током потребления до 70 мА (чтоб не сильно грелись) от основной (350 мА общее), вполне хватает для освещения, так как яркость у них очень хорошая. В связи с этим решил поставить драйвер управления освещением на м/с СХ2812 с четырьмя режимами освещения и выключение нагрузки, потому и понравилась микросхема своим функционалом. Кнопку управления разместил за выключателем питания — и не мешает, и режимы переключать удобно.

После сборки получаем отличный фонарик для дома с зарядкой от сети 220 В, себе добавил тут ещё и функцию ночника, если поставить вертикально, то получаем мини светильник — ночник, в общем супер. Автор материала — Igoran.
Форум по LED





