Описание модуля для SD карты памяти
Работа с памятью SD в ардуино не представляет особых трудностей. Самым простым способом является подключение готового модуля и использование стандартной библиотеки. С этого варианта мы и начнем.

Универсальный модуль представляет собой обыкновенную плату, на которой помещены слот для карты, резисторы и регулятор напряжений. Он обладает следующими техническими характеристиками:
- Диапазон рабочих напряжений 4,5-5 В;
- Поддержка SD карты до 2 Гб;
- Ток 80 мА;
- Файловая система FAT 16.
Модуль SD-карты реализует такие функции как хранение, чтение и запись информации на карту, которая требуется для нормального функционирования прибора на базе микроконтроллера.


Естественно, у недорогих модулей карт памяти есть и недостатки. Например, самые дешевые и распространенные модели поддерживают только карты до 4Гб и почти все модули позволяют хранить на SD карте файлы объемом до двух гигабайт – это ограничение используемой в большинстве моделей файловой системы FAT.
Еще одним недостатком карт памяти является относительно долгое время записи, однако существуют пути работы с ней, позволяющие увеличить ее скорость работы. Для этого используется механизм кэширования, когда данные сначала копятся в оперативной памяти, а потом сбрасываются за раз на карту памяти.
Платы Arduino для работы с SD
Для работы с SD card существует несколько различных плат:
- Arduino Ethernet – эта плата оснащена специальным модулем для вывода данных. Для выхода CS используется контакт 4. Для правильной работы нужно применять команду SD.begin(4).
- Adafruit Micro-SD – это отладочная плата, которая используется при работе с Micro-SD картами.
- Sparkfun SD – закрепляется сверху Ардуино, для выхода CS использует 8 контакт. В новой версии платы есть соединение с 3.3 В и встроен шестиразрядный инвертор.
Что такое протокол I2C и как он работает
Термин IIC расшифровывается как “Inter Integrated Circuits” и часто обозначается как I2C или даже как TWI (2-wire interface protocol), но во всех случаях за этими обозначениями скрывается один и тот же протокол. I2C представляет собой протокол синхронной связи – это значит что оба устройства, которые обмениваются информацией с помощью данного протокола должны использовать общий сигнал синхронизации. Поскольку в этом протоколе используются всего 2 линии (провода), то по одной из них должен передаваться сигнал синхронизации, а по другой – полезная информация.
Впервые протокол I2C был предложен фирмой Phillips. Протокол в самом простом случае соединяет с помощью 2-х линий 2 устройства, одно из устройств должно быть ведущим, а другое – ведомым. Связь возможна только между ведущим и ведомым. Преимуществом протокола (интерфейса) I2C является то, что к одному ведущему можно подключить несколько ведомых.
Схема связи с помощью протокола I2C представлена на следующем рисунке.
Назначение линий данного интерфейса:
- Serial Clock (SCL): по ней передается общий сигнал синхронизации, генерируемый ведущим устройством (master);
- Serial Data (SDA): по ней осуществляется передача данных между ведущим и ведомым.
В любой момент времени только ведущий может инициировать процесс обмена данными. Поскольку в этом протоколе допускается несколько ведомых, то ведущий должен обращаться к ним, используя различные адреса. То есть только ведомый с заданным (указанным) адресом должен отвечать на сигнал ведущего, а все остальные ведомые в это время должны «хранить молчание». Таким образом, мы можем использовать одну и ту же шину (линию) для обмена данными с несколькими устройствами.
Уровни напряжений для передаваемых сигналов в интерфейсе I2C жестко не определены. В этом плане I2C является достаточно гибким, то есть если устройство запитывается от напряжения 5v, оно для связи с помощью протокола I2C может использовать уровень 5v, а если устройство запитывается от напряжения 3.3v, то оно для связи с помощью протокола I2C может использовать уровень 3v. Но что делать если с помощью данного протокола необходимо связать между собой устройства, работающие от различных питающих напряжений? В этом случае используются преобразователи/переключатели напряжения (voltage shifters).
Существует несколько условий для осуществления передачи данных в протоколе I2C. Инициализация передачи начинается с падения уровня на линии SDA, которое определяется как условие для начала передачи (‘START’ condition) на представленной ниже диаграмме. Как видно из этого рисунка, в то время как на линии SDA происходит падение уровня, в это же самое время на линии SCL ведущий поддерживает напряжение высокого уровня (high).
То есть, как следует из рисунка, падение уровня на линии SDA является аппаратным триггером для условия начала передачи. После этого все устройства на этой шине переключаются в режим прослушивания.
Аналогичным образом, повышение уровня на линии SDA останавливает передачу данных, что на представленной диаграмме обозначено как условие окончания передачи данных (‘STOP’ condition). В это же самое время ведущим на линии SCL поддерживается напряжение высокого уровня (high).
На следующем рисунке представлена структура адреса ведомого в протоколе I2C.
Бит R/W показывает направление передачи следующих за ним байт, если он установлен в HIGH – это значит что будет передавать ведомый (slave), а если он установлен в low – это значит что будет передавать ведущий (master).
Каждый бит передается в своем временном цикле, то есть нужно 8 временных циклов чтобы передать байт информации. После каждого переданного или принятого байта 9-й временной цикл используется для подтверждения/не подтверждения (ACK/NACK) приема информации. Этот бит подтверждения (ACK bit) формируется либо ведомым, либо ведущим в зависимости от ситуации. Для подтверждения приема информации (ACK) на линии SDA ведущим или ведомым устанавливается низкий уровень (low) в 9 временном цикле, в противном случае происходит не подтверждение приема информации (NACK).
На следующем рисунке представлена структура передаваемого сообщения в протоколе I2C.
Начало работы с Ардуино
Для того, что бы начать использовать Arduino необходимо приобрести плату Arduino или стартовый набор Arduino. Я советую выбрать стартовый комплект ардуино, так как он включает в себя не только микроконтроллер ардуино, но и беспаечную макетную плату, соединительные провода, кнопки, светодиоды и дополнительные детали. С таким набором вы сможет выполнить примеры из уроков по Arduino для начинающих. Это позволит вам быстро разобраться с принципами работы с Arduino.
После прохождения уроков вы будите знать как программировать Arduino, как обмениваться сигналами с другими модулями и устройствами. Вы сможете проектировать, а так же создавать ваши собственные устройства.
Arduino IDE
Для начала работы с Ардуино вам понадобится специальное программное обеспечение. Это среда для разработки прошивок Arduino IDE. В этой программе легко и удобно писать скетчи и загружать их на ваш микроконтроллер Ардуино. В среде разработки уже предустановленно большое количество примеров и дополнительных библиотек.
Ссылки на скачивание, инструкции по установке и настройке среды разработки есть на странице Arduino IDE.
Управление яркостью светодиода
Мы можем не только включать или выключать свет, но и управлять его яркостью. Для этого используется специальная технология с красивым названием ШИМ. Подключившись к пинам контроллера, поддерживающим ШИМ, можно регулировать интенсивность свечения с помощью функции analogWrite(). Мы должны указывать ей в качестве параметров номер пина и значение из диапазона от 0 до 255. Чем больше число, тем ярче будет светить лампочка. Например, для пина 3 пример будет выглядеть так: analogWrite(3, 255) или analogWrite(3, 100). В первом случае яркость будет максимально возможная, во втором – гораздо меньше.
Нужно помнить, что далеко не все пины контроллера поддерживают ШИМ. У Arduino Uno, Nano, основанных на ATMEGA328, шим поддерживают пины 3, 5, 6, 9, 10, 11. У платы Mega таких пинов гораздо больше.
Установка Arduino IDE
Прежде чем начать работу с Arduino необходимо установить среду программирования Arduino IDE на ваш компьютер/ноутбук. Все описанные далее шаги по установке данной программной среды будут ориентированы на операционную систему Windows, для остальных операционных систем последовательность действий будет примерно такой же. Если возникнут проблемы с другими системами, то помощь можно найти по следующим ссылкам – для пользователей Mac и пользователей Linux. Перед началом установки Arduino IDE убедитесь что вы обладаете правами администратора на вашем компьютере – это облегчит установку.
Шаг 1. Загрузите Arduino IDE с официального сайта — https://www.arduino.cc/download_handler.php.
Шаг 2. Запустите скачанный exe файл.
Шаг 3. В открывшемся окне кликните на “I Agree” чтобы согласиться с условиями лицензии Arduino.
Шаг 4. В окне опций установки отметьте все галочки (см. рисунок).

Шаг 5. На этом шаге необходимо выбрать место установки Arduino IDE. По умолчанию стоит путь установки в Program files на диске C – крайне рекомендуется оставить именно этот путь.

Шаг 6. На этом шаге вы можете наблюдать как Arduino IDE устанавливается на ваш компьютер (см. рисунок). После того как установка будет завершена нажмите кнопку “completed”.

Шаг 7. После завершения установки запустите на выполнение файл Arduino.exe. Откроется окно IDE с минимумом кода внутри него – см. рисунок.

Простейшая схема программирования (и проверки работы)
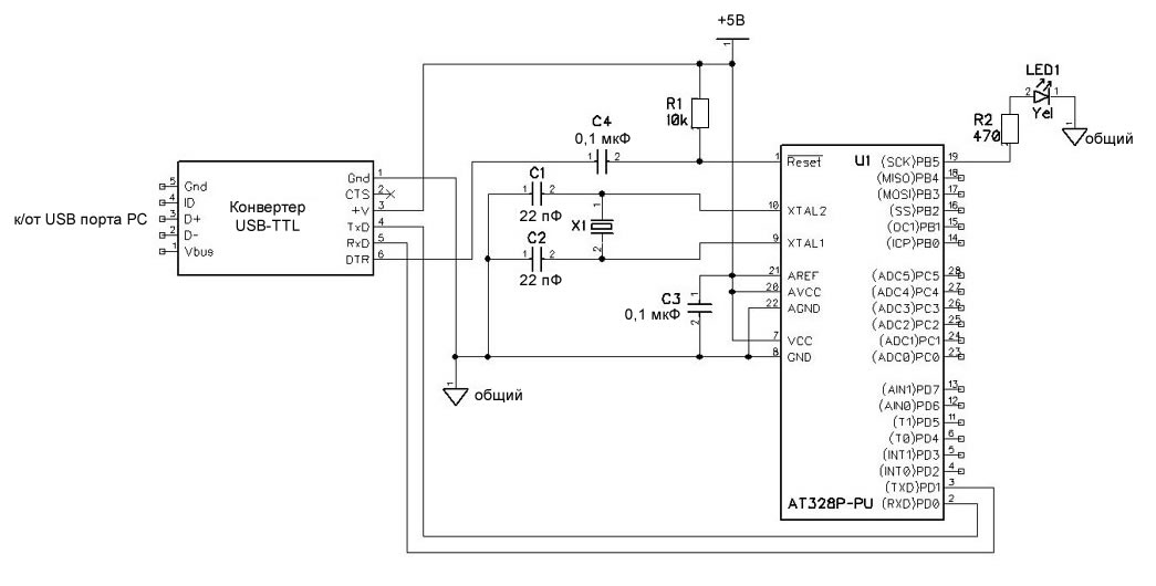
Ниже приведен список комплектующих, необходимых для преобразования схемы прошивки загрузчика в простейшую схему программирования и проверки работоспособности.
| Обозначение | Описание |
|---|---|
| R2 | Резистор 470 Ом, 0,25 Вт |
| C4 | Конденсатор, керамический, 0,1 мкФ, 50 В |
| LED1 | Светодиод, T1 3/4, желтый |
| нет | Конвертер USB–TTL с выводом DTR |
Преобразовать схему прошивки загрузчика AT328P-PU в простейшую схему программирования и проверки работоспособности довольно просто. Ниже приведены принципиальная схема и фотография макета.
- Удалите все шесть перемычек между Arduino Uno и схемой прошивки программатора.
- Подключите R2 и LED1 между землей и выводом 19 микроконтроллера AT328P-PU.
- Подключите выводы 1, 3, 4 и 5 от USB-TTL конвертера к AT328P-PU, как показано ниже. Вывод 2 не используется.
- Подключите вывод 6 через конденсатор C4 (0,1 мкФ) к выводу 1 AT328P-PU. (C4 обеспечивает, чтобы сигнал DTR от преобразователя USB-TTL выдавал кратковременный сигнал сброса, а не тот сигнал, который остается на низком логическом уровне в течение длительного периода времени.)
Простейшая схема программирования AT328P-PU
Макет простейшей схемы программирования AT328P-PU
Принципиальная схема
Используя универсальный микроконтроллерный модуль ARDUINO UNO и двухстрочный ЖК-дисплей типа 1602А (на основе контроллера HD44780) можно легко сделать такой прибор. В одной строке он будет показывать напряжение U1, в другой — напряжение U2.
Рис. 1. Принципиальная схема двойного вольтметра с дисплеем 1602A на Arduino UNO.
Но, прежде всего, хочу напомнить, что ARDUINO UNO это относительно недорогой готовый модуль, — небольшая печатная плата, на которой расположен микроконтроллер ATMEGA328, а так же вся его «обвязка», необходимая для его работы, включая USB-программатор и источник питания.
Тем, кто незнаком с ARDUINO UNO, советую сначала ознакомиться со статьями Л.1 и Л.2. Схема двойного вольтметра показана на рис. 1. Он предназначен для измерения двух напряжений от 0 до 100V (практически, до 90V).
Как видно из схемы, к цифровым портам D2-D7 платы ARDUINO UNO подключен модуль жидкокристаллического индикатора Н1 типа 1602А. Питается ЖК-индикатор от стабилизатора напряжения 5V, имеющегося на плате стабилизатора напряжения 5V.
Измеряемые напряжения поступают на два аналоговых входа А1 и А2. Всего аналоговых входов шесть, — А0-А5, можно было выбрать любые два из них. В данном случае, выбраны А1 и А2. Напряжение на аналоговых портах может быть только положительным и только в пределах от нуля до напряжения питания микроконтроллера, то есть, номинально, до 5V.
Выход аналогового порта преобразуется АЦП микроконтроллера в цифровую форму. Для получения результата в единицах вольт, нужно его умножить на 5 (на опорное напряжение, то есть, на напряжение питания микроконтроллера) и разделить на 1024.
Для того чтобы можно было измерять напряжение более 5V, вернее, более напряжения питания микроконтроллера, потому что реальное напряжение на выходе 5-вольтового стабилизатора на плате ARDUINO UNO может отличаться от 5V, и обычно немного ниже, нужно на входе применить обычные резистивные делители. Здесь это делители напряжения на резисторах R1, R3 и R2, R4.
При этом, для приведения показаний прибора к реальному значению входного напряжения, нужно в программе задать деление результата измерения на коэффициент деления резистивного делителя. А коэффициент деления, обозначим его «К», можно вычислить по такой формуле:
К = R3 / (R1+R3) или К = R4 / (R2+R4),
соответственно для разных входов двойного вольтметра.
Очень любопытно то, что резисторы в делителях совсем не обязательно должны быть высокоточными. Можно взять обычные резисторы, затем измерить их фактическое сопротивление точным омметром, и уже в формулу подставить эти измеренные значения. Получится значение «К» для конкретного делителя, которое и нужно будет подставлять в формулу.
Проекты Arduino для начинающих
Если посмотреть на все проекты ардуино, информация о которых доступна в интернете, то можно их разделить на несколько основных групп:
Начальные учебные проекты, не претендующие на какое-то важное практическое использование, но помогающие разобраться в разных аспектах платформы.Мигающие светодиоды – маячок, мигалка, светофор и другие.
Проекты с датчиками: от простейших аналоговых до цифровых, использующих разнообразные протоколы для обмена данными.
Устройства регистрации и отображения информации.
Машины и устройства с сервоприводами и шаговыми двигателями.
Устройства с использованием различных беспроводных видов связи и GPS.
Проекты для автоматизации жилья – умные дома на Arduino, а также отдельные элементы управления домашней инфраструктурой.
Разнообразные автономные машины и роботы.
Проекты для исследования природы и автоматизации сельского хозяйства
Необычные и креативные – как правило, развлекательные проекты.
По каждой из этих групп можно найти множество самых разнообразных материалов в книгах и на сайтах. В этой статье мы начнем знакомство с описанием наиболее простых проектов, с которых рекомендуется стартовать начинающим.
Как создавать проект на ардуино
Проект Ардуино – это всегда сочетание электронной схемы, некоторых связанных друг с другом аппаратных и механических устройств, системы питания и программного обеспечения, управляющего всем этим хаосом. Поэтому приступая к работе, вы должны твердо понимать, что создавая устройство в одиночестве, вы должны будете стать и программистом, и электронщиком, и конструктором.
Если речь идет не об учебном проекте, то вы обязательно столкнетесь со следующими этапами реализации с такими вот задачами:
- Придумать что-то, что будет полезно и (или) интересно для окружающих. Даже самый простой проект несет какую-то пользу – как минимум, он помогает изучать новые технологии.
- Собрать схему, подключить модули друг к другу и к контроллеру.
- Написать скетч (программу) в специальной среде и загрузить ее в контроллер.
- Проверить, как все работает вместе, и исправить ошибки.
- После тестирования – готовиться к созданию готового устройства. Это означает, нужно собрать устройство в каком-то пригодном для эксплуатации корпусе, предусмотреть систему питания, связи с окружающей средой.
- Если вы собираетесь распространять созданные вами устройства, то придется также заняться дизайном, системой транспортировки, задуматься о безопасности использования необученными пользователями и обучением этих самых пользователей.
- Если ваше устройство работает, оно протестировано и обладает какими-то преимуществами перед другими решениями, то можно попытаться сделать из вашего инженерного уже бизнес-проект, попробовать привлечь инвестиции.
Каждый из этих этапов создания проекта достоин отдельной статьи
Но мы уделим главное внимание этапам сборки электронных схем (основы электроники) и программирования контроллера
Электронные схемы
Электронные схемы обычно собираются с применением макетных плат, скрепляющих элементы друг с другом без пайки и скрутки. О том, как работают модули и схемы подключения можно узнать на нашем сайте. Обычно в описании проекта указаны способы монтажа деталей. Но для большинства популярных модулей есть уже десятки готовых схем и примеров в интернете.
Программирование
Создание и прошивка скетчей производится в специальной программе – среде программирования. Наиболее популярной версией такой среды является Arduino IDE. На нашем сайте вы сможете найти информацию о том, как скачать, установить и настроить эту программу.
Скачать Arduino 1.8.7
Версия 1.8.x Arduino IDE появилась 11 Сентября 2018 года и является последней стабильной на момент написания статьи. По сравнению с 1.8.6 вы не найдете существенных улучшений в интерфейсе – все изменения, в основном, касались исправления ошибок и повышения стабильности работы.
Изменения в версии 1.8.7
Из наиболее важных изменений данной версии можно выделить следующее:
- Исправлена проблема выбора порта при первом использовании.
- Исправлены ошибки запуска с некорректным файлом library_index.json или некорректными версиями библиотек.
- Исправлены проблемы с низкой скоростью отрисовки меню File и Tools на версии для Mac OS X.
- Улучшена работы с диалоговыми окнами в MAC OS.
- Повышена стабильность работы системы в целом (исправлены ошибки ядра).
Язык программирования Ардуино
Когда у вас есть на руках плата микроконтроллера и на компьютере установлена среда разработки, вы можете приступать к написанию своих первых скетчей (прошивок). Для этого необходимо ознакомиться с языком программирования.
Для программирования Arduino используется упрощенная версия языка C++ с предопределенными функциями. Как и в других Cи-подобных языках программирования есть ряд правил написания кода. Вот самые базовые из них:
- После каждой инструкции необходимо ставить знак точки с запятой (;)
- Перед объявлением функции необходимо указать тип данных, возвращаемый функцией или void если функция не возвращает значение.
- Так же необходимо указывать тип данных перед объявлением переменной.
- Комментарии обозначаются: // Строчный и /* блочный */
Подробнее о типах данных, функциях, переменных, операторах и языковых конструкциях вы можете узнать на странице по программированию Arduino. Вам не нужно заучивать и запоминать всю эту информацию. Вы всегда можете зайти в справочник и посмотреть синтаксис той или иной функции.
Все прошивки для Arduino должны содержать минимум 2 функции. Это setup() и loop().
Функция setup
Функция setup() выполняется в самом начале и только 1 раз сразу после включения или перезагрузки вашего устройства. Обычно в этой функции декларируют режимы пинов, открывают необходимые протоколы связи, устанавливают соединения с дополнительными модулями и настраивают подключенные библиотеки. Если для вашей прошивки ничего подобного делать не нужно, то функция все равно должна быть объявлена. Вот стандартный пример функции setup():
Функция loop
Функция loop() выполняется после функции setup(). Loop в переводе с английского значит «петля». Это говорит о том что функция зациклена, то есть будет выполняться снова и снова. Например микроконтроллер ATmega328, который установлен в большинстве плат Arduino, будет выполнять функцию loop около 10 000 раз в секунду (если не используются задержки и сложные вычисления). Благодаря этому у нас есть большие возможности.
Защита от помех DC
Раздельное питание
Один из лучших способов защититься от помех по питанию – питать силовую и логическую части от отдельных источников питания: хороший малошумящий источник питания на микроконтроллер и модули/сенсоры, и отдельный на силовую часть. В автономных устройствах иногда ставят отдельный аккумулятор на питание логики, и отдельный мощный – на силовую часть, потому что стабильность и надёжность работы очень важна.
Искрогасящие цепи DC
При размыкании контактов в цепи питания индуктивной нагрузки происходит так называемый индуктивный выброс, который резко подбрасывает напряжение в цепи вплоть до того, что между контактами реле или выключателя может проскочить электрическая дуга (искра). В дуге нет ничего хорошего – она выжигает частички металла контактов, из за чего они изнашиваются и со временем приходят в негодность. Также такой скачок в цепи провоцирует электромагнитный выброс, который может навести в электронном устройстве сильные помехи и привести к сбоям или даже поломке! Самое опасное, что индуктивной нагрузкой может являться сам провод: вы наверняка видели, как искрит обычный выключатель света в комнате. Лампочка – не индуктивная нагрузка, но идущий к ней провод имеет индуктивность. Для защиты от выбросов ЭДС самоиндукции в цепи постоянного тока используют обыкновенный диод, установленный встречно-параллельно нагрузке и максимально близко к ней. Диод просто закоротит на себя выброс, и все дела:
Где VD – защитный диод, U1 – выключатель (транзистор, реле), а R и L схематично олицетворяют индуктивную нагрузку. Диод нужно ОБЯЗАТЕЛЬНО ставить при управлении индуктивной нагрузкой (электромотор, соленоид, клапан, электромагнит, катушка реле) при помощи транзистора, то есть вот так:
При управлении ШИМ сигналом рекомендуется ставить быстродействующие диоды (например серии 1N49xx) или диоды Шоттки (например серии 1N58xx), максимальный ток диода должен быть больше или равен максимальному току нагрузки.
Фильтры
Если силовая часть питается от одного источника с микроконтроллером, то помехи по питанию неизбежны. Простейший способ защитить МК от таких помех – конденсаторы по питанию как можно ближе к МК: электролит 6.3V 470 uF (мкФ) и керамический на 0.1-1 мкФ, они сгладят короткие просадки напряжения. Кстати, электролит с низким ESR справится с такой задачей максимально качественно.
Ещё лучше с фильтрацией помех справится LC фильтр, состоящий из индуктивности и конденсатора. Индуктивность нужно брать с номиналом в районе 100-300 мкГн и с током насыщения больше, чем ток нагрузки после фильтра. Конденсатор – электролит с ёмкостью 100-1000 uF в зависимости опять же от тока потребления нагрузки после фильтра. Подключается вот так, чем ближе к нагрузке – тем лучше:
Подробнее о расчёте фильтров можно почитать здесь.
Наборы и конструкторы Ларт
ЛАРТ Сармат Армага
Набор на основе контроллера Ардуино, при помощи которого можно собрать робота, движущегося по линии. Главный компонент комплекта – миниатюрная плата Ардуино Нано, которая позволяет подключать не только входящие в состав набора компоненты, а и другие элементы совместимые с Ардуино, как механического, так и электронного типа. Это дает возможность совершенствовать полученного робота.
ЛАРТ Печенег Батана
Комплект включает плату Ардуино Нано и имеет достаточное количество элементов для разработки и строительства роботов, которых при помощи состава набора можно собрать две разновидности: робот, движущийся по черной линии и робот с датчиком ультразвука. Для программирования применяется текстовая среда Arduino IDE. Для разных модификаций роботов имеется возможность использования совместимых с Ардуино компонентов, а при помощи дополнительной пластины можно установить большее количество датчиков.
Выбрать и купить наборы ЛАРТ можно на официальном сайте: lartmaster.ru/
Конструктор Смарт Робо
Готовый конструктор для создания электронного робота на основе Ардуино, в комплект входит необходимое количество элементов, и руководство к сборке. Базовый элемент набора – плата от Keyestudio (100% аналог Ардуино). Полученный робот может быть запрограммирован на движение по линии, возможность объезда препятствий и управление от дистанционного пульта. Все элементы соединяются при помощи быстроразъемных соединителей и не требуют пайки. Доработать и усовершенствовать полученную конструкцию можно добавив на плату дополнительные элементы, совместимые с контроллером Ардуино.
Конструктор Смарт
Серия наборов, которые отличаются по комплектации. Основной компонент – плата Smart Uno – аналог контроллера Ардуино Уно, не уступающий ему по качественным характеристикам. В зависимости от комплектации (Смарт 10, Смарт 20 и Смарт 30) набор содержит элементы, как для начального уровня проектирования, так и для разработки более сложных проектов. При необходимости возможно подключение других электронных компонентов, совместимых с микроконтроллером.
Смарт Genuino
Серия наборов – Смарт 10 Genuino, Смарт 20 Genuino, Смарт 30 Genuino, которые отличны по количеству деталей в комплекте. Главный базовый компонент – плата Genuino Uno, кроме которой в составе имеются электронные детали, беспаечная макетная плата, провода и руководство по проектированию. Набор будет интересен как новичкам, так и профессиональным пользователям.
Выбрать и купить конструктор SmartElements можно на официальном сайте: https://smartelements.ru/
Робоплатформа Robbo (ScratchDuino)
Конструктор предназначен для обучения детей и взрослых основам робототехники и электроники. Управление роботизированным механизмом может осуществляться из различных сред программирования (Scratch, Lazarus, Кумир) или же пульта управления. Базовый компонент – картридж Ардуино. В зависимости от типа комплектации варьируется количество составных элементов.
Выбрать и купить конструктор Robbo можно на официальном сайте: https://robboclub.ru/
Подключение устройств
Подключение любых устройств к плате осуществляется путем присоединения к контактам, расположенным на плате контроллера: одному из цифровых или аналоговых пинов или пинам питания. Простой светодиод можно присоединить, используя два контакта: землю (GND) и сигнальный (или контакт питания).
Самый простой датчик потребует задействовать минимум три контакта: два для питания, один для сигнала.

При любом варианте подключения внешнего устройства следует помнить, что использование платы в качестве источника питания возможно только в том случае, если устройство не потребляет больше разрешенного предельного тока контроллера.
Видео с инструкциями:
https://youtube.com/watch?v=739WmHH4uSY
Макетная плата
Помните, что наше устройство кроме моргания светодиодом ничего пока уметь не будет? Чтобы не было скучно, давайте сделаем три светодиода:
-
Зелёный — будет гореть, пока связь с хостом установлена (не путать с физическим подключением к порту).
-
Красный — загорается или гаснет по нажатию ‘r’ на клавиатуре.
-
Белый — загорается или гаснет по нажатию ‘w’ на клавиатуре.
Нажатие ‘x’ на клавиатуре будет разрывать сеанс передачи данных, гасить зелёный светодиод и завершать работу ПО хоста. Но я забежал немного вперед, вернёмся к схеме устройства:
Рис. 3 — Схема тестового устройства
Думаю, тут всё понятно. Я даже не стал ставить подтягивающий резистор R1, хотя в реальной схеме он нужен. Сейчас нам главное получить минимально рабочую модель. Вот так выглядит макетка:
Рис. 4 — Макетная плата
Кстати, очень удобно использовать витую пару в качестве соединительных проводков, они дешёвые и нарезать их можно разной длины. В жгуте из 5 проводов используются только 4, зелёный провод идёт с контакта DTR преобразователя на макетку и никуда не подключается (оставлен про запас). Atmega328 в корпусе DIP-28 прошла огонь, воду и трубы, но ещё жива — когда-то она была подопытным кролем в создании первой музыкальной катушки тесла. Кварцевый генератор я не ставлю, а использую встроенный на 8 МГц. Для удобства я сделал преобразователь съёмным и слегка подогнул вверх вывод 3.3V, чтобы избежать неправильного подключения.
Примечание. Если у вас другой МК, подключите все пины в соответствии с его даташитом и схемой на рисунке 3.
2Дребезг контактов
Кнопка – очень простое и полезное изобретение, служащее для лучшего взаимодействия человека и техники. Но, как и всё в природе, она не идеальна. Проявляется это в том, что при нажатии на кнопку и при её отпускании возникает т.н. «дребезг» («bounce» по-английски). Это многократное переключение состояния кнопки за короткий промежуток времени (порядка нескольких миллисекунд), прежде чем она примет установившееся состояние. Это нежелательное явление возникает в момент переключения кнопки из-за упругости материалов кнопки или из-за возникающих при электрическом контакте микроискр.
Дребезг контактов в момент нажатия и отпускания кнопки
В следующей статье подробно описаны основные способы борьбы с «дребезгом» при замыкании и размыкании контактов. А пока что рассмотрим варианты подключения кнопки к Arduino.
Заключение
Подключить светодиод к своей схеме на Ардуино – несложное занятие. Просто соединяем ножки в правильной последовательности и не забываем о токоограничивающем резисторе. Главное преимущество Ардуино в таких схемах – возможность программного управления светодиодом. Мы просто пишем в программе нужный алгоритм, загружаем его в контроллер и плата включает и выключает нужные нам пины.
Можно подключать несколько светодиодов, но следить, чтобы не выйти в итоге за пределы ограничений по току. Можно не просто включать или выключать свет, но и управлять его яркостью. Для этого используем пины, поддерживающие ШИМ и функцию analogWrite.
Более подробно о подключении и управлении светодиодами на ардуино вы сможете узнать в статьях с описанием таких проектов как мигалка, маячок, светофор.





