Обозначение источников питания
Любое радиоэлектронное устройство способно выполнять свои функции только при наличии электроэнергии. Принципиально выделяют два типа источников электроэнергии: постоянного и переменного тока. В данной статье рассматриваются исключительно источниках постоянного тока. К ним относятся батарейки или гальванические элементы, аккумуляторные батареи, различного рода блоки питания и т.п.
В мире насчитывается тысячи тысяч разных аккумуляторов, гальванических элементов и т.п., которые отличаются как внешним видом, так и конструкцией. Однако всех их объединяет общее функциональное назначение – снабжать постоянным током электронную аппаратуру. Поэтому на чертежах электрических схем источники они обозначаются единообразно, но все же с некоторыми небольшими отличиями.
Электрические схемы принято рисовать слева на право, то есть так, как и писать текст. Однако такого правила далеко не всегда придерживаются, особенно радиолюбители. Но, тем не менее, такое правило следует взять на вооружение и применять в дальнейшем.
Гальванический элемент или одна батарейка, неважно «пальчиковая», «мизинчиковая» или таблеточного типа, обозначается следующим образом: две параллельные черточки разной длины. Черточка большей длины обозначает положительный полюс – плюс «+», а короткая – минус «-»
Также для большей наглядности могут проставляться знаки полярности батарейки. Гальванический элемент или батарейка имеет стандартное буквенное обозначение G.
Однако радиолюбители не всегда придерживаются такой шифровки и часто вместо G пишут букву E, которая обозначает, что данный гальванический элемент является источником электродвижущей силы (ЭДС). Также рядом может указываться величина ЭДС, например 1,5 В.
Иногда вместо изображения источника питания показывают только его клеммы.
Группа гальванических элементов, которые могут повторно перезаряжаться, аккумуляторной батареей. На чертежах электрических схем они обозначается аналогично. Только между параллельными черточками находится пунктирная линия и применяется буквенное обозначение GB. Вторая буква как раз и обозначает «батарея».
https://youtube.com/watch?v=ey-Lz6RGN4k
https://youtube.com/watch?v=dVPN1xHXqFg
https://youtube.com/watch?v=TQUsGnJ51ig
Учимся читать схемы с транзисторами
На данном чертеже мы видим транзистор VT1 и двигатель M1. Для определенности будем применять транзистор типа 2N2222, который работает в режиме электронного ключа.
Чтобы транзистор открылся, нужно на его базу подать положительный потенциал относительно эмиттера – для n—p—n типа; для p—n—p типа нужно подавать отрицательный потенциал относительно эмиттера.
Кнопка SA1 с фиксацией, то есть он сохраняет свое положение после нажатия. Двигатель M1 постоянного тока.
В исходном состоянии цепь разомкнута контактами SA1. При нажатии кнопки SA1 создается несколько путей протеканию тока. Первый путь – «+» GB1 – контакты SA1 – резистор R1 – переход база-эмиттер транзистора VT1 – «-» GB1. Под действием протекающего тока через переход база-эмиттер транзистор открывается и образуется второй путь току – «+»GB1 – SA1 – катушка реле K1 – коллектор-эмиттер VT1 – «-» GB1.
Получив питание, реле K1 замыкает свои разомкнутые контакты K1.1 в цепи двигателя M1. Таким образом, создается третий путь: «+» GB1 – SA1 – K1.1 – M1 – «-» GB1.
Теперь давайте все подытожим. Для того чтобы научиться читать электрические схемы, на первых порах достаточно лишь четко понимать законы Кирхгофа, Ома, электромагнитной индукции; способы соединения резисторов, конденсаторов; также следует знать назначение всех элементом. Также поначалу следует собирать те устройства, на которые имеются максимально подробные описания назначения отдельных компонентов и узлов.
Разобраться в общем подходе к разработке электронных устройств по чертежам, с множеством практических и наглядных примеров поможет мой очень полезный для начинающих курс Как читать электрические схемы и создавать электронные устройства. Пройдя данный курс, Вы сразу почувствуете, что перешли от новичка на новый уровень.
Дополнительные материалы по теме: Схема электрической цепи.
Перед выполнением следующего задания хочется напомнить китайскую мудрость: Расскажи — и я забуду… Дай мне возможность действовать самому — и я научусь. Что же такое электрическая принципиальная схема и зачем она нужна?

Схема электрическая принципиальная Однако перед нами встаёт небольшая проблема: а никаких, собственно, электронных элементов мы и не знаем… Что, например, за прямоугольники или параллельные черточки нарисованы на рисунке 7. Нарисуйте схему соединения аккумулятора, двух выключателей и одного звонка, при которой позвонить можно было бы из двух разных мест.

Нарисуйте схему соединения батарейки, двух лампочек и трех ключей, в которой каждой из лампочек управляет свой ключ, а размыкание третьего ключа приводит к выключению обеих лампочек. Элементы на схеме электрической цепи и в самой цепи можно соединить двумя способами — последовательно и параллельно. Перед вами схемы электрических цепей.

Она целиком описывает процесс работы устройства, показывает все элементы цепи и то, как они взаимодействуют между собой. Давайте исходя из описанных выше правил попробуем составить простейшую принципиальную схему, состоящую из трех элементов: источника аккумуляторная батарея , приемника лампа накаливания и выключателя.

Нарисуйте схему соединения батарейки, лампочки, звонка и двух ключей. Распечатать Прежде чем разобраться в том, что такое схема электрической цепи, необходимо ввести несколько определений: Параметр электрической цепи — это число, которое устанавливает зависимость тока и напряжения на каком-то участке цепи на рисунке 1a r — это сопротивление, на рисунке 1б L — это индуктивность, на рисунке 1в C — это емкость.

Наличие такой схемы существенно облегчало процесс ремонта. Как научиться читать электрические схемы

Связь и телефония
Схемы радиоприёмников (300)Самодельные радиоприёмники на микросхемах и транзисторах, детекторные, СВ, ДВ, КВ, УКВ (FM).
Радиостанции и трансиверы (134)Конструкции и схемы радиостанций, трансиверов, трансвертеров и устройств двухсторонней радиосвязи.
Конструкции и схемы антенн (72)Конструкции антенн для приёма и передачи радиосигнала, антенные усилители и конвертеры.
Радиопередатчики (160)Схемотехника радиопередатчиков, трансмиттеров, усилителей мощности высокой частоты.
Аппаратура радиоуправления (100)Устройства для радиоуправления, радиопередатчики с приемниками, шифраторы и дешифраторы, рулевые машинки.
Телефония и фрикинг (77)Различные приставки к телефону, защита ТА и разговоров, переговорные устройства, телефонные аппараты.
Телевидение (18)Схемы телевизионных приставок, устройств управления, коммутаторов ТВ сигналов.
Как научиться читать электрические схемы автомобиля
Здравствуйте любители авторемонта своими руками. Сегодня я хочу поделится с вами простым способом, как читать электрические схемы автомобиля.
На самом деле чтение электросхем автомобиля не такое уж и сложное занятие. Но, как всегда повторюсь если у вас нет желания то лучше не лезьте в электросхемы автомобилей.
Вообще то в интернете хватает и статей и даже видеообзоров о том, как читать электрические схемы автомобиля.
Поэтому особого смысла повторятся я не вижу если только, конечно не попытаться объяснить, как это сделать самым простым способом.
И так, чтобы принципиальная электрическая схема автомобиля была вам понятна, или как говорят прочитана, необходимо просто представить самую простую электрическую схему, например:
Так вот, что вы будете делать если в этой схеме перегорел предохранитель? Ну конечно по условию задачи вы не будете знать, что предохранитель перегорел.
Так вот сейчас мы и попытаемся узнать, как научиться читать электрические схемы автомобиля.
Правильный ответ будет такой – если у вас не имеется ни каких приборов, инструментов и приспособлений, проще говоря инструмент автоэлектрика, и у вас при этом нет даже минимального опыта в ремонте подобных вещей, то вы ни когда не обнаружите причину неисправности, ну если только случайно.
А на самом деле приборы для этого необходимы самые простые, например самая обычная контролька.
Теперь давайте добавим в нашу схему реле, мы же хотим понять, как читать схему электрооборудования автомобиля, так вот и сделаем самую простую схему, как в настоящем автомобиле.
Теперь при помощи кнопки включим лампочку.
Ну, а теперь, как и определились — у нас перегорел предохранитель, но мы об этом не знаем. Теперь нам понадобиться проверить электрические цепи для того, чтобы определить участок схемы, который вышел из строя.
Как вы видите кнопка включена но из за того, что предохранитель перегорел, ток на лампочку больше не идет хотя контакты реле замкнуты.
Первое, что надо проверить так это саму лампочку — очень часто проблема именно в ней.
Затем, как правило проверяют предохранитель.
А вот если лампочка и предохранитель исправны, то следующее, что надо проверять — это реле, затем контакты кнопки, которые проверяются с помощью обычной перемычки.
На примере выше видно, что лампочка горит в первом случаи и не горит во втором, потому что предохранитель не исправлен.
Заменим предохранитель и лампочка снова загорится.
Иными словами один контакт контрольки ставите жестко на минусовую клемму или корпус автомобиля, что одно и тоже, а вот вторым концом надо проверить предохранитель с обоих сторон.
Если он целый то напряжение будет с обоих сторон, а если нет то только с одной.
Все, что нарисовано на схемах это и есть идущие в жгутах автомобиля проводки.
И идут они именно так, как нарисовано на этих схемах, ну по крайней мере, так должно быть.
Вот вам и ответ, как читать электрические схемы автомобиля, а заодно, как выявлять неисправности.
Электрические схемы автомобилей практически во всех автомобилях одинаковые.
Ну конечно небольшие отличия будут, некоторые производители автомобилей используют больше защиты электрики автомобиля, какие то меньше, суть от этого не меняется.
Все электросхемы автомобилей идентичны.
Хотелось бы немного остановится на том, какой инструмент автоэлектрика вам понадобиться для изучения электросхемы автомобилей.
Все просто — контролька, кусачки, плоскогубцы, перемычка, мультиметр, изолента, может быть термо — кембрик (на любителя).
Вот такой вот не хитрый набор инструментов для автоэлектрика будет вам очень полезен.
Небольшое видео по нашей теме: «Как научиться читать электрические схемы автомобиля»
https://youtube.com/watch?v=ahgwsN_ljns
Ну вот я думаю вы и разобрались хоть чуть — чуть, в том как читать электрические схемы автомобиля.
C уважением автор блога: Doctor Shmi
Автоматический выключатель
Выключатель, гасящий свет сам – очень полезная вещь.

Схема востребована и в подвале с консервами, где не нужно возиться часами, и в личном санузле, который периодически нужно проветрить.

Принцип действия устройства по данной схеме следующий: при нажатии выключателя SB в цепь включается потребитель электроэнергии HL. По прошествии определенного времени цепь размыкается, источник, соответственно, гаснет.

Для пайки данной электросхемы взят конденсатор в 10 000 мкФ. При нажатии выключателя конденсатор получает заряд от источника питания, к примеру, с 12-вольтового батарейного блока либо аккумулятора.

После этого конденсатор разряжается через цепь R на базу транзистора, с него на эмиттер и на минус.
Поскольку до включения между коллектором и эмиттером транзистора сопротивление было очень большим, то после включения задействовалась цепь с катушкой реле на 12 вольт, которая создала магнитное поле, притянувшее контакты на 220 вольт. Выключатель штатно сработал, включив лампочку/вентилятор/что-то еще.

Единственная разница в том, что через какое-то время лампочка потухнет сама. А как долго схема будет включена, зависит уже от значения конденсатора и резистора. Пока конденсатор разряжается, на базе транзистора напряжение падает вместе с силой проходящего тока.

Схема удобна тем, что в ней можно заменять кондер и сопротивление, чтобы играть с временной задержкой. Однако резистор лучше использовать в значении от 100 Ом и до 5 КилоОм.

Иначе транзистору, в нашем случае КТ815Б, может не хватить напряжения. Такое взаимодействие конденсатора и резистора в радиоэлектронике называется RC-цепь.

Обозначение источников питания
Любое радиоэлектронное устройство способно выполнять свои функции только при наличии электроэнергии. Принципиально выделяют два типа источников электроэнергии: постоянного и переменного тока. В данной статье рассматриваются исключительно источниках постоянного тока. К ним относятся батарейки или гальванические элементы, аккумуляторные батареи, различного рода блоки питания и т.п.
В мире насчитывается тысячи тысяч разных аккумуляторов, гальванических элементов и т.п., которые отличаются как внешним видом, так и конструкцией. Однако всех их объединяет общее функциональное назначение – снабжать постоянным током электронную аппаратуру. Поэтому на чертежах электрических схем источники они обозначаются единообразно, но все же с некоторыми небольшими отличиями.
Электрические схемы принято рисовать слева на право, то есть так, как и писать текст. Однако такого правила далеко не всегда придерживаются, особенно радиолюбители. Но, тем не менее, такое правило следует взять на вооружение и применять в дальнейшем.
Гальванический элемент или одна батарейка, неважно «пальчиковая», «мизинчиковая» или таблеточного типа, обозначается следующим образом: две параллельные черточки разной длины. Черточка большей длины обозначает положительный полюс – плюс «+», а короткая – минус «-»
Также для большей наглядности могут проставляться знаки полярности батарейки. Гальванический элемент или батарейка имеет стандартное буквенное обозначение G.

Однако радиолюбители не всегда придерживаются такой шифровки и часто вместо G пишут букву E, которая обозначает, что данный гальванический элемент является источником электродвижущей силы (ЭДС). Также рядом может указываться величина ЭДС, например 1,5 В.
Иногда вместо изображения источника питания показывают только его клеммы.
Группа гальванических элементов, которые могут повторно перезаряжаться, аккумуляторной батареей. На чертежах электрических схем они обозначается аналогично. Только между параллельными черточками находится пунктирная линия и применяется буквенное обозначение GB. Вторая буква как раз и обозначает «батарея».
Основные правила чтения чертежей
Любая стойка или крепёж сначала воплощаются на листе бумаги или экране компьютера и лишь потом передаются в производственный цех. Для правильного понимания задачи, чтобы ответственный работник мог понять, где именно должно проходить наложение сварочных швов или делать отверстие нужного диаметра, надо уметь читать технологические документы.

В машиностроении чертежи могут быть разными: существуют чертежи деталей, сборочные, схемы, спецификации и др. Технические рисунки должны изготавливаться согласно правилам государственных стандартов (ГОСТ) или Единой системы конструкторской документации (ЕСКД).
Количество изображений должно быть минимальным. В инженерной графике чертёж — это представление предмета с помощью проекций и точным соотношением его размеров.
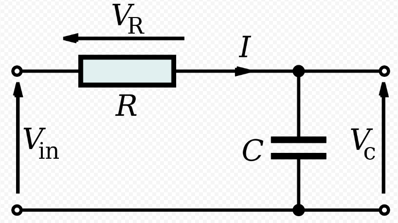
Как читать электрические схемы реально
Давайте вернемся к простейшей схеме, состоящей из батареи гальванических элементов GB1, резистора R1 и светодиода VD1.
Как мы видим – цепь замкнута. Поэтому в ней протекает электрический ток I, который имеет одинаковое значение, поскольку все элементы соединены последовательно. Направление электрического тока I от положительной клеммы GB1 через резистор R1, светодиод VD1 к отрицательной клемме.
Назначение всех элементов вполне понятно. Конечной целью является свечение светодиода. Однако, чтобы он не перегрелся и не вышел из строя резистор ограничивает величину тока.
Величина напряжения, согласно второму закона Кирхгофа, на всех элементах может отличаться и зависит от сопротивления резистора R1 и светодиод VD1.
Если измерить вольтметром напряжение на R1 и VD1, а затем полученные значения сложить, то их сумма будет равна напряжению на GB1: V1 = V2 + V3.
Соберем по данному чертежу реальное устройство.
Как читать электрические схемы с минимальным набором радиодеталей мы разобрались. Теперь можем перейти к более сложному варианту.
Добавляем радиодетали
Рассмотрим следующую схему, состоящую из четырех параллельных ветвей. Первая представляет собой лишь аккумуляторную батарею GB1, напряжением 4,5 В. Во второй ветви последовательно соединены нормально замкнутые контакты K1.1 электромагнитного реле K1, резистора R1 и светодиода VD1. Далее по чертежу находится кнопка SB1.
Третья параллельная ветвь состоит из электромагнитного реле K1, шунтированного в обратном направлении диодом VD2.
В четвертой ветви имеются нормально разомкнутые контакты K1.2 и бузер BA1.
Здесь присутствуют элементы, ранее нами не рассмотрены в данной статье: SB1 – это кнопка без фиксации положения. Пока она нажата ее, контакты замкнуты. Но как только мы перестанем нажимать и уберем палец с кнопки, контакты разомкнутся. Такие кнопки еще называют тактовыми.
Следующий элемент– это электромагнитное реле K1. Принцип работы его заключается в следующем. Когда на катушку подано напряжение, замыкаются его разомкнутые контакты и размыкаются замкнутые контакты.
Все контакты, которые соответствуют реле K1, обозначаются K1.1, K1.2 и т. д. Первая цифра означает принадлежность их соответствующему реле.
Бузер
Следующий элемент, ранее не знакомый нам, — это бузер. Бузер в какой-то степени можно сравнить с маленьким динамиком. При подаче переменного напряжения на его выводы раздается звук соответствующей частоты. Однако в нашей схеме отсутствует переменное напряжение. Поэтому мы будем применять активный бузер, который имеет встроенный генератор переменного тока.
Пассивный бузер – для переменного тока.
Активный бузер – для постоянного тока.
Активный бузер имеет полярность, поэтому следует ее придерживаться.
Теперь мы уже можем рассмотреть, как читать электрическую схему в целом.
В исходном состоянии контакты K1.1 находятся в замкнутом положении. Поэтому ток протекает по цепи от GB1 через K1.1, R1, VD1 и возвращается снова к GB1.
При нажатии кнопки SB1 ее контакты замыкаются, и создается путь для протекания тока через катушку K1. Когда реле получило питание ее нормально замкнутые контакты K1.1 размыкаются, а нормально замкнутые контакты K1.2 замыкаются. В результате гаснет светодиод VD1 и раздается звук бузера BA1.
Теперь вернемся к параметрам электромагнитного реле K1. В спецификации или на чертеже обязательно указывается серия применяемого реле, например HLS‑4078‑DC5V. Такое реле рассчитано на номинальное рабочее напряжение 5 В. Однако GB1 = 4,5 В, но реле имеет некоторый допустимы диапазон срабатывания, поэтому оно будет хорошо работать и при напряжении 4,5 В.
Для выбора бузера часто достаточно знать лишь его напряжение, однако иногда нужно знать и ток. Также следует не забывать и о его типе – пассивный или активный.
Диод VD2 серии 1N4148 предназначен для защиты элементов, которые производят размыкание цепи, от перенапряжения. В данном случае можно обойтись и без него, поскольку цепь размыкает кнопка SB1. Но если ее размыкает транзистор или тиристор, то VD2 нужно обязательно устанавливать.
Символы электрических схем автомобилей
Читаем электрические схемы с транзистором Символы электрических схем автомобилей, показанные в табл. «Схематические символы по EN 60617«, представляют собой подборку стандартизированных символов, подходящих для автомобильной электрики. Но, за редким исключением, они соответствуют стандартам Международной электротехнической комиссии (IEC).
Таблица схематических символов электрических схем автомобилей по EN 60617
- Общие области применения часть 2;
- Проводники и соединительные устройства часть 3;
- Пассивные компоненты часть 4;
- Полупроводники и электронные лампы часть 5;
- Производство и преобразование электроэнергии часть 6;
- Коммутационная и контрольная аппаратура и защитные устройства часть 7;
- Измерительные приборы, лампы и сигнальные устройства часть 8;
- Телекоммуникационное передающее, коммутационное и периферийное оборудование часть 9;
- Телекоммуникации, передающее оборудование часть 10;
- Архитектурные и топографические монтажные схемы часть 11;
- Двоичные элементы часть 12;
- Аналоговые элементы часть 13.
Требования к символам электрических схем
Символы электрических схем-это мельчайшие элементы для упрощенного графического представления электрического устройства или его части.

Символы электрических схем показывают принцип работы устройства и функциональные связи технического порядка. Символы электрических схем не учитывают форму и размеры устройства, и положение соединений на нем. Обособленное представление на принципиальной схеме возможно лишь абстрактно.
Символы электрических схем должны обладать следующими свойствами: они должны легко запоминаться, быть легко понятными, несложными в графическом отображении и логично вписываться в классификационную группу.
Символы электрических схем состоят из элементов и указательных символов. Вот несколько примеров указательных символов: буквы, цифры, символы, математические знаки и символы, символы единиц измерения и характеристические кривые.
Если электрическая схема становится слишком детальной из-за представления внутренних схем устройства (рис. а, «Электрическая схема и схематический символ генератора с регулятором» ) или если не все детали цепи нужны для идентификации функции устройства, то электрическую схему для этого особого устройства можно заменить одним символом (без внутренней схемы) (рис. Ь, «Электрическая схема и схематический символ генератора с регулятором» ).
В случае интегральных схем, обеспечивающих высокую степень экономии пространства (это синонимично высокому уровню интеграции функций в компоненте) предпочтительно упрощенное изображение схемы.
Изображение символов электрических схем

Символы схем отображаются без эффекта физического количества, т.е. в обесточенном и механически не активированном состоянии. Рабочее состояние символа схемы, отличающееся от этого стандартного изображения (базового состояния), обозначается двойной стрелкой (рис. «Рабочее состояние схематического символа отличное от базового» ). Символы схем и соединительные линии (электрические провода и механические соединения) имеют одинаковую ширину линии.
Во избежание ненужных изгибов и пересечений соединительных линий,

можно поворачивать символы схем с шагом 90° или отображать их в зеркально отраженном виде, при условии, что их значение от этого не изменится. Направление непрерывных линий можно выбирать произвольно. Исключениями являются символы схем для резисторов (там символы соединения разрешаются только на узких сторонах) и соединения для электромеханических приводов (где символы соединения разрешаются только на широких сторонах, рис. «Оконечные нагрузки» ).

Соединения могут изображаться и с точкой, и без точки. Если в месте пересечения нет точки, значит нет электрического соединения. Точки соединения на устройствах большей частью не отображаются специфически. Точка соединения, штекер, гнездо или резьбовые соединения обозначаются символами схем лишь в точках, необходимых для монтажа и снятия. Другие места соединения стандартно обозначаются точками.
Контактные элементы с общим приводом обозначаются на монтажной схеме таким образом, чтобы при активации они следовали направлению движения, установленному механическим соединением (- — -) (Рис. «Механические связи у многопозиционного выключателя» ).
Самый простой усилитель звука
В настоящий момент большая часть потребительской аудиотехники производится с использованием микросхем, в частности TDA, производимых Phillips.

Сейчас они повсеместно используются в автомобильной аудиотехнике, магнитолах, сабвуферах, системах домашних кинотеатров и других вариантах аудиоусилителей. Их популярность и дешевизна сделали их доступными в любом магазине радиоэлектронных компонентов, самых разных конфигураций и мощности.

Чтобы собрать из них своими руками «усилок», достаточно припаять несколько деталей к ножкам, прикрепить конструкцию к радиатору, поскольку схема очень сильно греется, и сделать выводы на плеер, динамики и сеть. Готово.
Поэтому – осторожность и терпение

Вариант одноканального усилителя на TDA7396

Характеристики усилителя: при нагрузке в 2 Ом до 45 Ватт. Хватит чтобы устроить дискотеку в комнате, да и с соседями поделиться настроением.

Порядок разработки монтажной электрической схемы
Объединенная Ну и последней из применяемых в распределительных сетях электросхемой является объединенная, которая может включать в себя несколько видов и типов документов.
Первая обеспечивает поступление электричества в зал и прихожую, вторая предназначена для санузла, кухни и ванной комнаты. Структурные электрические схемы Разрабатываются на первом этапе проектирования. Например, для пуска электродвигателя нужно включить.
Прежде чем приступать к монтажу, прикиньте в голове, как будете прокладывать жгуты проводов внутри шкафа. Графическое обозначение элементов и соединяющие их линии связи необходимо стремиться располагать на схеме таким образом, чтобы обеспечить наилучшее представление о взаимодействии её составных частей.
Схема питающей и распределительной сетей могут изображаться на отдельных листах либо на одном, если распределительная сеть состоит из небольшого числа групп питания. Изображения проводов выполняются линиями прямого направления и маркируются тем же способом, как и на принципиальной схеме. Пример такой схемы показан ниже.
См. также: Подключение двухклавишного выключателя двухжильным проводом
Назначение каждой электросхемы
Однако схемы питающей сети системы электропитания иногда целесообразно выполнять в однолинейном изображении, так как в этом случае достигается сокращение объема графических работ и уменьшение размеров схемы без какой-либо потери наглядности и удобства пользования ею рис. Монтаж Монтажник обычно занимается соединением деталей в корпусе шкафа между собой проводами. Схемы служат основанием для разработки других конструкторских документов, например, схем соединений монтажных и чертежей. Данная схема приведена в качестве примера, чтобы наглядно показать, как имея перед собой графическое изображение проекта, определить его слабые стороны.
В конструкторской документации к любому электротехническому оборудованию в обязательном порядке включается монтажная схема. Из перечисленных там стандартов ГОСТ 2. На этапе разработки позволяют составить аналитическую модель устройства, дающую представление о его функциональном назначении того или иного узла.
Никогда не снимайте изоляцию с провода больше, чем это нужно, это во первых не красиво, во вторых, может случайно коротнуть, если провода располагаются рядом. На чертеже обязательно обозначают функциональные узлы, их связь. Работа схемы. Общая схема по своей сути похожа на схему подключения [2, п.
Как правильно читать электрические схемы
Принципиальная схема электроцепи отображает все детали и звенья, между которыми протекает ток через проводники. Такие схемы являются базой для разработки электрических приборов, поэтому чтение и понимание электрических схем является обязательным для любого электрика.
Грамотное понимание схем для начинающих дает возможность понять принципы их составления и правильного соединения всех элементов в электрической цепи для достижения ожидаемого результата. Чтобы правильно читать даже сложные схемы, необходимо изучить основные и второстепенные изображения, условные знаки элементов. Условные знаки обозначают общую конфигурацию, специфику и назначение детали, что позволяет составить полноценную картину прибора при чтении схемы.
Начинать ознакомление со схемами можно с небольших приборов, таких как конденсаторы, динамики, резисторы. Более сложны для понимания схемы полупроводниковых электронных деталей в виде транзисторов, симисторов, микросхем. Так в биполярных транзисторах предусмотрены как минимум три вывода (базовый, коллектор и эмиттер), что требует большего количества условных обозначений. Благодаря большому количеству разных знаков и рисунков можно выявить индивидуальные характеристики элемента и его специфику. В обозначениях зашифрована информация, позволяющая выяснить структуру элементов и их особые характеристики.
Часто условные обозначения имеют вспомогательные уточнения – возле значков имеются латинские буквенные обозначения для детализации. С их значениями также рекомендуется ознакомиться перед началом работы со схемами. Также возле букв часто имеются цифры, отображающие нумерацию или технические параметры элементов.
Watch this video on YouTube
Итак, чтобы научиться читать и понимать электрические схемы, нужно ознакомиться с условными обозначениями (рисунками, буквенными и цифровыми символами). Это позволит получать информацию из схемы касательно структуры, конструкции и назначения каждого элемента. То есть для понимания схем нужно изучить основы радиотехники и электроники.
Что такое однолинейная схема электроснабжения и какие требования для её проектирования
Как условно обозначаются элементы на электрических схемах?
Параллельное и последовательное соединение проводников
Что такое резистор и для чего он нужен?
Что такое конденсатор, виды конденсаторов и их применение
Как сделать реле времени своими руками?
Что такое электрическая схема
Это графическое изображение, где указаны все электронные элементы, связанные между собой проводниками. Поэтому знание электрических цепочек – это залог правильно собранного электронного прибора. А, значит, основная задача сборщика – это знать, как на схеме обозначаются электронные компоненты, какими графическими значками и дополнительными буквенными или цифровыми значениями.
Все принципиальные электрические схемы состоят из электронных элементов, которые имеют условное графическое обозначение, короче УЗО. Для примера дадим несколько самых простых элементов, которые в графическом исполнении очень похожи на оригинал. Вот так обозначается резистор:
Резистор
Как видите, очень похоже на оригинал. А вот так обозначается динамик:
Динамик
То же большое сходство. То есть, существуют некоторые позиции, которые сразу же можно опознать. И это очень удобно. Но есть и совершенно непохожие позиции, которые или надо запомнить, или надо знать их конструкции, чтобы легко определять на принципиальной схеме. К примеру, конденсатор на рисунке снизу.
Конденсатор
Тот, кто давно разбирается в электротехнике, то знает, что конденсатор – это две пластинки, между которыми размещен диэлектрик. Поэтому в графическом изображении был и выбран этот значок, он в точности повторяет конструкцию самого элемента.
Самые сложные значки у полупроводниковых элементов. Давайте рассмотрим транзистор. Необходимо отметить, что у этого прибора три выхода: эмиттер, база и коллектор. Но и это еще не все. У биполярных транзисторов встречаются две структуры: «n – p – n» и «p – n – p». Поэтому и на схеме они обозначаются по-разному:
Транзистор
Как видите, транзистор по своему изображению на него-то и не похож. Хотя, если знать структуру самого элемента, то можно сообразить, что это именно он и есть.
Простые схемы для начинающих, зная несколько значков, можно читать без проблем. Но практика показывает, что простыми электросхемами в современных электронных приборах практически не обходятся. Так что придется учить все, что касается принципиальных схем. А, значит, необходимо разобраться не только со значками, но и с буквенными и цифровыми обозначениями.
https://youtube.com/watch?v=D3WE6_loag4
Что обозначают буквы и цифры
Все цифры и буквы на схемах являются дополнительной информацией, это опять-таки к вопросу, как правильно читать электросхемы? Начнем с букв. Рядом с каждым УЗО всегда проставляется латинская буква. По сути, это буквенное обозначение элемента.
Это сделано специально, чтобы при описании схемы или устройства электронного прибора, можно было бы обозначать его детали. То есть, не писать, что это резистор или конденсатор, а ставить условное обозначение. Это и проще, и удобнее.
Теперь цифровое обозначение. Понятно, что в любой электронной схеме всегда найдутся элементы одного значения, то есть, однотипных. Поэтому каждую такую деталь пронумеровывают. И вся эта цифровая нумерация идет от верхнего левого угла схемы, затем вниз, далее вверх и опять вниз.
И последнее. Все электронные элементы имеют определенные свои параметры. Их обычно также прописывают рядом со значком или выносят в отдельную таблицу. К примеру, рядом с конденсатором может быть указана его номинальная емкость в микро- или пикофарадах, а также номинальное его напряжение (если такая необходимость возникает).
Вообще, все, что связано с полупроводниковыми деталями должно обязательно дополняться информацией. Это не только упрощает чтение схемы, но и позволяет не ошибиться при выборе самого элемента в процессе сборки.
Иногда цифровые обозначения на электросхемах отсутствуют. Что это значит? К примеру, взять резистор. Это говорит о том, что в данной электрической схеме показатель его мощности не имеет значения. То есть, можно установить даже самый маломощный вариант, который выдержит нагрузки схемы, потому что в ней течет ток малой силы.
И еще несколько обозначений. Проводники графически обозначаются прямой непрерывной линией, места пайки точкой. Но учтите, что точка ставиться только в том месте, где соединяются три или более проводников.





