Последовательное и параллельное соединения диодов.
Если для выпрямительной схемы нельзя выбрать нужный тип диода в соответствии с заданным значением обратного напряжения или прямого тока, то используют два или более однотипных диодов с меньшими значениями параметров, включая эти диоды последовательно или параллельно.
Параллельное соединение диодов
Параллельное соединение диодов
При параллельном соединении диодов из-за возможного разброса параметров их токи будут неодинаковыми. Один из этих токов может превысить максимально допустимое значение, что приведёт к выходу из строя сначала одного, а затем и другого диода. Более равномерное распределения тока между параллельно соединёнными диодами достигается включением последовательно с каждым из них одинаковых по номиналу резисторов Rд. Сопротивление резисторов Rд должно быть в 5…10 раз больше, чем сопротивление диода в прямом направлении. В мощных выпрямительных устройствах для этой же цели используются индуктивные выравниватели токов.
Расчёт параллельного соединения диодов
Для начала расчёта необходимо определить требуемое количество параллельно соединённых диодов, исходя из того, что ток, проходящий через один диод не должен превышать значения максимально допустимого значения тока для данного типа диода, тогда количество параллельно соединённых диодов будет равно
mTnp
При дробных значениях расчётного количества диодов округление ведётся в большую сторону.
Значение сопротивления добавочных резисторов определяется по формуле
, где
np.cp
Расчитаное сопротивление добавочных резисторов округляют до ближайшего стандартного сопротивления.
Пример расчёта параллельного соединения диодов
Рассчитать выпрямительную цепь, позволяющую получить выпрямленный ток Iвыпр = 550 мА, если используются диоды Д226Б.
Так как средний прямой ток диода Д226Б Iпр. ср = 300 мА, то необходимо применить несколько параллельно соединённых диодов с добавочными резисторами. Рассчитаем количество параллельно соединённых диодов, примем kT = 0,8
Возьмём n = 3.
Найдём значение сопротивлений добавочных резисторов
Выберем резистор из стандартного ряда сопротивлений Е24 (± 5%) Rдоб = 6,2 Ом
Последовательное соединение диодов
Последовательное соединение диодов
Для обеспечения возможности работы выбранного типа диода в схеме выпрямителя с обратным напряжением, превышающим его максимально допустимое значение, следует соединять однотипные диоды последовательно. Если параметры не совпадают, то один из диодов оказывается под значительно большим напряжением, чем другой. Это может привести к пробою одного, а затем и другого диода. Выравнивание обратного напряжения на последовательно соединенных диодах достигается шунтированием каждого из диодов резистором Rш. Ток, протекающий через эти резисторы, должен быть в 5…10 раз больше максимально возможного обратного тока диодов. В мощных высоковольтных выпрямительных устройствах для этой же цели диоды шунтируют конденсаторами Сш или RC-цепью.
Расчёт последовательного соединения диодов
Для начала расчёта необходимо определить количество последовательно соединенных диодов, исходя из того что падение напряжения на каждом отдельно взятом диоде не должно превышать амплитудного значения напряжения, тогда количество последовательно включённых диодов будет равно
, где
Um — амплитудное значение напряжения проходящее через диод,
kH – коэффициент нагрузки по напряжению (может принимать значения от 0,5 до 0,8),
Uobp max — максимально допустимое обратное напряжение диода.
При дробных значениях расчётного количества диодов округление ведётся в большую сторону.
Значение сопротивлений шунтирующих резисторов определяется по формуле
, где
Iобp max — максимально допустимый обратный ток диода при максимальной температуре.
Пример расчёта последовательного соединения диодов
Рассчитать выпрямительную цепь для напряжения с амплитудным значением 700В, используя диоды Д226Б.
Так как максимально допустимое обратное напряжение диода Uобр.max = 300В, то для выпрямления необходимо применить цепочку из последовательно соединённых диодов с шунтирующими резисторами. Рассчитаем количество последовательных диодов, примем kH = 0,7
Возьмём n = 4
Найдём значение сопротивлений шунтирующих резисторов
Выберем резистор из стандартного ряда сопротивлений Е24 (± 5%) Rш = 1 MОм
Включение дополнительных и шунтирующих резисторов неизбежно связано с увеличением потерь мощности и уменьшением КПД выпрямительной схемы.
Использование операционных усилителей
Как известно, у диодов вольтамперная характеристика нелинейная, создавая однофазный прицензионный (высокоточный) выпрямитель двухполупериодного типа на микросхеме ОУ, можно существенно снизить погрешность. Помимо этого, имеется возможность создать преобразователь, позволяющий стабилизировать ток на нагрузке. Пример схемы такого устройства показан ниже.

Схема: простой стабилизатор на операционном усилителе
На рисунке изображен простейший стабилизатор тока. Используемый в нем ОУ — это управляемый по напряжению источник. Такая реализация позволяет добиться, чтобы ток на выходе преобразователя не зависел от потери напряжения на нагрузке R н и диодном мосту D1-D4.
Если требуется стабилизация напряжения, схему преобразователя можно незначительно усложнить, добавив в нее стабилитрон. Он подключается параллельно сглаживающей емкости.
Управляемые выпрямители
Однофазная двухполупериодная схема с общей точкой на тиристорах показана на рисунке. От аналогичной схемы на диодах она отличается присутствием системы управления (СУ), формирующей импульсы для открывания тиристоров.
От времени подачи этого импульса (точки t0, t1, t2 и t3 на рисунке) зависит, какую часть полуволны пропустит тиристор. Это время, в свою очередь, зависит от сдвига по фазе управляющих импульсов относительно входного напряжения (угол регулирования или управления), задаваемого пользователем.
Применяются управляемые выпрямители, например, для таких целей:
- регулирование частоты вращения двигателей постоянного тока;
- изменение яркости светильника;
- зарядка аккумуляторов.
Трансформаторы (с выпрямителем или без него)
Сердце трансформатора — сердечник. Он набирается из пластин трансформаторной стали, изготовить которые вручную довольно проблематично. Правдами и неправдами исходный материал добывается на заводах, в строительных бригадах, на пунктах сбора металлолома. Полученная конструкция (как правило, в виде прямоугольника) должна иметь сечение не меньше, чем 55 см². Это довольно тяжелая конструкция, особенно после укладки обмоток.
При сборке обязательно надо предусмотреть регулировочный винт, с помощью которого можно двигать вторичную обмотку относительно неподвижной первички.
Чтобы не вдаваться в сложности расчетов сечения проводов, возьмем типовые параметры:
- сила тока на вторичке 100–150 А;
- напряжение холостого хода 60–65 вольт;
- рабочее напряжение при сварке 18–25 вольт;
- сила тока на первичной обмотке до 25 А.
Исходя из этого, сечение провода первички должно быть не менее 5 мм², если делать с запасом — можно взять провод 6–7 мм². Изоляция должна быть жаростойкой, из материала, не поддерживающего горение.
Вторичная обмотка набирается из провода (а лучше медной шины), сечением 30 мм². Изоляция тряпичная. Пусть толщина вас не пугает, количество витков на вторичке небольшое.
Количество витков первичной обмотки определяется по коэффициенту 0.9–1 виток на вольт (для наших параметров).
Формула выглядит так:
W(количество витков) = U(напряжение) / коэффициент.
То есть, при напряжении в сети 200–210 вольт, это будет порядка 230–250 витков.
Соответственно, при напряжении вторички 60–65 вольт, количество ее витков составит 67–70.
С технической точки зрения трансформатор готов. Для удобства использования рекомендуется выполнить небольшой запас по вторичной обмотке, с несколькими ответвлениями (на 65, 70, 80 витках). Это позволит уверенно работать в местах с пониженным напряжением сети.
Прятать агрегат в корпус, или оставлять открытым — это вопрос безопасности использования. Типовой изготовленный сварочный трансформатор своими руками выглядит так:
Оптимальный материал для корпуса — текстолит 10–15 мм.
Добавляем выпрямитель
Самодельный мощный сварочный трансформатор с точки зрения схемотехники — обычный блок питания. Соответственно выпрямитель устроен так же просто, как в сетевом заряднике для мобильного телефона. Только элементная база будет выглядеть на несколько порядков массивнее.
Как правило, в простую схему из диодного моста добавляют пару конденсаторов, гасящих импульсы выпрямленного тока.
Можно собрать выпрямитель и без них, но чем ровнее ток, тем качественней получается сварочный шов. Для сборки собственно моста применяются мощные диоды типа Д161–250(320). Поскольку при нагрузке на элементах выделяется много тепла, его нужно рассеивать с помощью радиаторов. Диоды крепятся к ним с помощью болтового соединения и термопасты.
Разумеется, ребра радиаторов должны либо обдуваться вентилятором, либо выступать над корпусом. Иначе вместо охлаждения они будут греть трансформатор.
Мини сварочный трансформатор
Если вам не нужно варить рельсы или швеллера из стали 4–5 мм, можно собрать компактный сварочник для спайки стальной проволоки (изготовление каркасов для самоделок) или сварки тонкой жести. Для этого можно взять готовый трансформатор от мощного бытового прибора (идеальный вариант — микроволновка), и перемотать вторичную обмотку. Сечение провода 15–20 мм², потребляемая мощность не более 2–3 кВт.
Расчет схемы производится также, как и для более мощных агрегатов. При сборке выпрямителя можно использовать менее мощные диоды.
Микросварочник
Если сфера применения ограничена спайкой медных проводов (например, при монтаже распределительных коробок), можно ограничиться конструкцией размером с пару спичечных коробков.
Выполняется на транзисторе КТ835 (837). Трансформатор изготавливается самостоятельно. Фактически — это высокочастотный повышающий преобразователь.
Трансформатор мотаем на ферритовом стержне. Две первичные обмотки: коллекторная (20 витком 1 мм), базовая (5 витков 0.5 мм). Вторичная (повышающая) обмотка — 500 витков 0.15 проволоки.
Собираем схему, припаиваем по схеме резисторную обвязку (чтобы трансформатор не перегревался на холостом ходу), аппарат готов. Питание от 12 до 24 вольт, с помощью такого аппарата можно сваривать жгуты проводов, резать тонкую сталь, соединять металлы толщиной до 1 мм.
В качестве сварочных электродов можно использовать толстую швейную иглу.
Принцип действия двухполупериодной схемы
Рассмотрим два варианта реализации двухполупериодного преобразователя (выпрямителя): балансный и мостовой. Схема первого показана на рисунке ниже.

Простейший неуправляемый балансный преобразователь на двух диодах с использованием трансформатора со средним выводом
Используемые элементы:
- Tr – трансформатор, у которого имеются две одинаковые вторичные обмотки (или одна с отводом по середине);
- DV1 и DV2 – вентили (диоды);
- Cf – емкостной фильтр;
- Rn – сопротивление нагрузки.
Приведем сразу для наглядности осциллограмму в контрольных точках.

Диаграмма прибора балансного типа
- U1 – осциллограмма на входе;
- U2 – график перед емкостным фильтром;
- Un – диаграмма на выходе устройства.
Данная схема — это два совмещенных однополупериодных преобразователя, то есть на два раздельных источника приходится одна общая нагрузка. Результат работы такого устройства наглядно демонстрирует график U2. Из него видно, что в процессе используются оба полупериода, что и дало название этим преобразователям.
Осциллограмма наглядно демонстрирует преимущества такого устройства, а именно, следующие факты:
- частота пульсаций на выходе устройства удваивается;
- уменьшение «провалов» между импульсами допускает использование меньшей фильтрующей емкости;
- двухтактный преобразователь обладает большим КПД, чем однополупериодный.
Теперь рассмотрим мостовой тип, он изображен на рисунке ниже.

Схема: Пример использования диодного моста
Осциллограмма устройства мостового типа практически не отличается от балансного, поэтому приводить ее нет смысла. Основное преимущество такой схемы – нет необходимости использовать более сложный трансформатор.
Видео: Двухполупериодный выпрямительный мост
Преобразователи, где используется полупроводниковый диодный мост, широко применяются как в электротехнике (например, в аппаратах для сварки, где номинальный ток может доходить до 500 ампер), так и радиоэлектронике, в качестве источника для слаботочных цепей.
Заметим, что помимо полупроводниковых можно использовать и вакуумные диоды – кенотроны (ниже показан пример схемы такого устройства).

Схема: преобразователь на двуханодном кенотроне 6Ц4П
Собственно, представленная схема – это классическая реализация балансного преобразователя двухполупериодного типа. На сегодняшний день вакуумные диоды практически не применяются, их заменили полупроводниковые аналоги.
Однополупериодный выпрямитель.
Схема однополупериодного выпрямителя выглядит следующим образом:
Пусть на входе у нас переменное напряжение, меняющееся по синусоидальному закону:
Резистор же R_н играет роль нагрузки. То есть мы должны обеспечить протекание через него постоянного тока. Давайте разберемся как эта простейшая схема сможет решить нашу задачу!
Итак, диод D_1 пропускает ток только в одном направлении, в те моменты, когда к нему приложено прямое смещение, что соответствует положительным полупериодам (U_{вх}\gt0) входного сигнала. Когда к диоду будет приложено обратное смещение (отрицательные полупериоды), он будет закрыт и по цепи будет протекать только незначительный обратный ток. И в результате сигнал на нагрузке будет выглядеть так:
Обратным током обычно можно пренебречь, поэтому в итоге мы получаем, что ток через нагрузку протекает только в одном направлении. Но назвать его постоянным не представляется возможным Ток через нагрузку хоть и является выпрямленным (протекает только в одном направлении), но носит пульсирующий характер.
Для сглаживания этих пульсаций в схему выпрямителя тока обычно добавляется конденсатор:
Идея заключается в том, что во время положительного полупериода, конденсатор заряжается (запасает энергию). А во время отрицательного полупериода конденсатор, напротив, разряжается (отдает энергию в нагрузку).
Таким образом, за счет накопленной энергии конденсатор обеспечивает протекание тока через нагрузку и в отрицательные полупериоды входного сигнала. При этом емкость конденсатора должна быть достаточной для того, чтобы он не успевал разряжаться за время, равное половине периода.
Проверяем напряжение на нагрузке для этой схемы:
В точке 1 конденсатор заряжен до напряжения U_1. Далее входное напряжение понижается, а конденсатор, в свою очередь, начинает разряжаться на нагрузку. Поэтому выходное напряжение не падает до нуля вслед за входным.
В точке 2 конденсатор успел разрядиться до напряжения U_2. В то же время значение входного сигнала также становится равным этой же величине, поэтому конденсатор снова начинает заряжаться. И эти процессы в дальнейшем циклически повторяются.
А теперь поэкспериментируем и используем в схеме однополупериодного выпрямителя конденсатор меньшей емкости:
И здесь мы видим, что конденсатор из-за меньшей емкости успевает разрядиться гораздо сильнее, и это приводит к увеличению пульсаций, а следовательно к ухудшению работы всей схемы.
На промышленных частотах 50 – 60 Гц однополупериодный выпрямитель практически не применяется из-за того, что для таких частот потребуются конденсаторы с очень большой емкостью (а значит и внушительными габаритами).
Смотрите сами, чем ниже частота, тем больше период сигнала (а вместе с тем, и длительности положительного и отрицательного полупериодов). А чем больше длительность отрицательного полупериода, тем дольше конденсатор должен быть способен разряжаться на нагрузку. А это уже требует большей емкости.
Таким образом, на более низких частотах в силу своих ограничений эта схема не нашла широкого применения. Однако, на частотах в несколько десятков КГц однополупериодный выпрямитель используется вполне успешно.
Рассмотрим преимущества и недостатки однополупериодного выпрямителя:
- К основным достоинствам схемы, в первую очередь, конечно же, можно отнести простоту и, соответственно, небольшую себестоимость – используется всего один диод.
- Кроме того, снижено падение напряжения. , при протекании тока через диод на нем самом падает определенное напряжение. По сравнению с мостовой схемой (которую мы разберем в следующей статье), ток протекает только через один диод (а не через два), а значит и падение напряжения меньше.
Основных недостатков также можно выделить несколько:
- Схема использует энергию только положительного полупериода входного сигнала. То есть половина полезной энергии, которую также можно было бы использовать, уходит просто в никуда. В связи с этим КПД выпрямителя крайне низок.
- И даже с использованием сглаживающих конденсаторов величина пульсаций довольно-таки значительна, что также является очень серьезным недостатком.
Итак, давайте резюмируем! Мы разобрали схему и принцип работы однофазного однополупериодного выпрямителя тока, а в следующей статье перейдем к более сложным схемам выпрямителей, не пропустите!
Как проверить диодный мост
1-ый способ.
Как вы теперь знаете, однофазный диодный мост состоит из 4 диодов. Для того, чтобы узнать их расположение, мы должны скачать даташит на данный диод и посмотреть, как расположены диоды в данном диодном мосте. Например, для моего моста GBU6K диоды расположены вот так.

Второй способ.
Он же 100%. Но для этого потребуется осциллограф, ЛАТР или понижающий трансформатор, а также резистор, желательно 5-10 КОм. После того, как мы нашли его расположение выводов, на “+” и “-” припаиваем резистор 5-10 КОм. С этих же выводов снимаем осциллограмму.

То есть все должно выглядеть вот так.

Смотрим осциллограмму

Значит, диодный мост исправен.
Полноволновой полууправляемый мостовой выпрямитель
Двухполупериодное выпрямление имеет много преимуществ по сравнению с более простым полуволновым выпрямителем, например, выходное напряжение более согласовано, имеет более высокое среднее выходное напряжение, входная частота удваивается в процессе выпрямления и требует меньшего значения емкости сглаживающего конденсатора, если таковой требуется. Но мы можем улучшить конструкцию мостового выпрямителя, используя тиристоры вместо диодов в его конструкции.
Заменив диоды внутри однофазного мостового выпрямителя тиристорами, мы можем создать фазо-управляемый выпрямитель переменного тока в постоянный для преобразования постоянного напряжения питания переменного тока в контролируемое выходное напряжение постоянного тока. Фазоуправляемые выпрямители, полууправляемые или полностью управляемые, имеют множество применений в источниках питания переменного тока и в управлении двигателями.
Однофазный мостовой выпрямитель — это то, что называется «неуправляемым выпрямителем» в том смысле, что приложенное входное напряжение передается непосредственно на выходные клеммы, обеспечивая фиксированное среднее значение эквивалентного значения постоянного тока. Чтобы преобразовать неуправляемый мостовой выпрямитель в однофазную полууправляемую выпрямительную цепь, нам просто нужно заменить два диода тиристорами (SCR), как показано на рисунке.
В конфигурации с полууправляемым выпрямителем среднее напряжение нагрузки постоянного тока контролируется с использованием двух тиристоров и двух диодов. Как мы узнали из нашего урока о тиристорах, тиристор будет проводить (состояние «ВКЛ») только тогда, когда его анод (A) более положительный, чем его катод (K) и импульс запуска подается на его затвор (G). В противном случае он остается неактивным.
Таким образом, задерживая импульс запуска, подаваемый на клемму затвора тиристоров, на контролируемый период времени или угол ( α ) после того, как напряжение питания переменного тока прошло пересечение нулевого напряжения между анодным и катодным напряжением, мы можем контролировать, когда тиристор начинает проводить ток и, следовательно, контролировать среднее выходное напряжение.
Во время положительного полупериода входного сигнала ток течет по пути: SCR 1 и D 2 и обратно к источнику питания. Во время отрицательного полупериода V INпроводимость проходит через SCR 2 и D 1 и возвращается к источнику питания.
Понятно, что один тиристор из верхней группы ( SCR 1 или SCR 2 ) и соответствующий ему диод из нижней группы ( D 2 или D 1 ) должны проводить вместе, чтобы протекать ток любой нагрузки.
Таким образом, среднее выходное напряжение V AVE зависит от угла включения α для двух тиристоров, включенных в полууправляемый выпрямитель, поскольку два диода неуправляются и пропускают ток всякий раз, когда смещено вперед. Таким образом, для любого угла срабатывания затвора α среднее выходное напряжение определяется как:
Обратите внимание, что максимальное среднее выходное напряжение возникает, когда α = 1, но все еще равно 0,637 * V MAX, как для однофазного неуправляемого мостового выпрямителя. Мы можем использовать эту идею для контроля среднего выходного напряжения моста на один шаг вперед, заменив все четыре диода тиристорами, что дает нам полностью управляемую схему мостового выпрямителя
Мы можем использовать эту идею для контроля среднего выходного напряжения моста на один шаг вперед, заменив все четыре диода тиристорами, что дает нам полностью управляемую схему мостового выпрямителя .
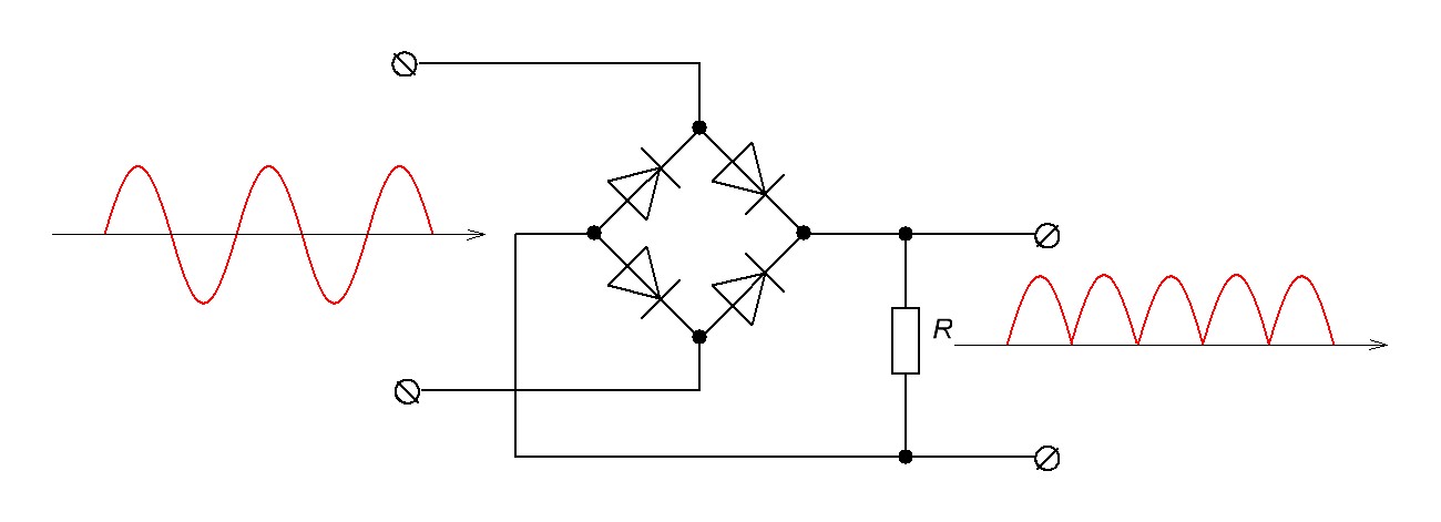
Двухполупериодный мостовой выпрямитель
Чтобы выпрямить оба полупериода синусоидальной волны, как мы уже говорили ранее, в мостовом выпрямителе используются четыре диода, соединенных вместе в конфигурации «моста». Вторичная обмотка трансформатора подключена с одной стороны диодного моста, а нагрузка — с другой.
На следующем рисунке показана схема мостового выпрямителя.

Во время положительного полупериода переменного напряжения диоды D1 и D2 смещены в прямом направлении, в то время как диоды D3 и D4 смещены в обратном направлении
Это создает положительное напряжение на нагрузочном резисторе (обратите внимание на плюс-минус полярности на нагрузочном резисторе)

В течение следующего полупериода полярность переменного напряжения меняется на противоположную. Теперь диоды D3 и D4 смещены в прямом направлении, а диоды D1 и D2 — в обратном. Это также создает положительное напряжение на нагрузочном резисторе, как и раньше.

Тестер транзисторов / ESR-метр / генератор
Многофункциональный прибор для проверки транзисторов, диодов, тиристоров…
Подробнее
Обратите внимание, что независимо от полярности напряжения на входе, полярность на нагрузке постоянная, а ток в нагрузке течет в одном направлении. Таким образом, схема преобразует входное переменное напряжение в пульсирующее постоянное напряжение

Выпрямительные схемы
Выпрямление электрических колебаний, это процесс, в результате которого переменное входное колебание преобразуется в выходное колебание только одного знака (рисунок 1.5). Процесс выпрямления используется в устройствах электропитания (блоках питания) и демодуляторах.
Выпрямление всегда осуществляется при использовании нелинейных элементов, обладающих свойством однонаправленного пропускания электрического тока. Благодаря таким свойствам на выходе выпрямляющего элемента получают ток одного знака.
Для выпрямления применяют полупроводниковые и вакуумные (кенотроны) диоды, газоразрядные диоды (газотроны), тиратроны, кремниевые и селеновые элементы, тиристоры и другие элементы с нелинейными свойствами в зависимости от применения, значений выпрямленных напряжений и токов, отбираемых нагрузкой. В маломощных электронных устройствах для выпрямления чаще всего применяют полупроводниковые диоды.
Название “выпрямитель” используется, прежде всего, для схем, преобразующих переменный ток в постоянный. Выпрямителем называется также и сам элемент с однонаправленными свойствами, используемые в процессе выпрямления.
Однополупериодным выпрямителем называется такой выпрямитель, на выходе которого после процесса выпрямления остаются колебания одного знака. Схема однополупериодного выпрямителя, возбуждаемого синусоидальным сигналом, представлена на рисунке 1.6.
Диод, включенный таким образом, что приводит ток только при положительных полупериодах входного колебания, т.е. когда напряжение на его аноде больше потенциала катода. Среднее значение колебания, полученного в результате выпрямления синусоидального напряжения с действующим значением и максимальным значением , равно
Например, при выпрямлении напряжения с действующим значением , после выпрямления получаем напряжение .
В отрицательный полупериод диод не проводит ток, и все подведенное к выпрямителю напряжение действует на диоде как обратное напряжение выпрямителя. При изменение направления включения диода он будет проводить в отрицательные полупериоды и не проводить в положительные.
Рассматриваемая схема выпрямителя называется последовательной. Название связано с тем, что нагрузка включается последовательно с нелинейным элементом (вентилем).
Двухполупериодным выпрямителем называют такой выпрямитель, в котором после процесса выпрямления остаются участки входного колебания, имеющие один знак. К ним после изменения знака добавляются участки, имеющие противоположный знак.
Принципиальная схема двухполупериодного выпрямителя, управляемого синусоидальным сигналом от трансформатора, показана на рисунке 1.7.
В периоды времени, когда на аноде диода Д1 действует положительное напряжение, на аноде диода Д2 присутствует отрицательное и наоборот. Это происходит потому, что средняя точка вторичной обмотки трансформатора заземлена, и, следовательно, она имеет нулевой потенциал. При положительной полуволне напряжения на вторичной обмотке диод Д1 пропускает ток, а диод Д2 не пропускает.
При отрицательной полуволне положительное напряжение действует на диоде Д2, который при этом проводит, а диод Д1, смещенный в обратном направлении, не проводит. Среднее значение напряжения, полученого на выходе двухполупериодного выпрямителя в 2 раза больше напряжения, полученного на выходе однополупериодного выпрямителя.
Технические параметры выпрямителя:
— Коэффициент пульсаций выпрямителя называется отношение максимального значения переменной составляющей напряжения на выходе выпрямителя к значению его постоянной составляющей на этом выходе. В большинстве применений желательно, чтобы коэффициент пульсаций был как можно меньше. Уменьшение пульсаций достигается путем применения соответствующих фильтров.
— Коэффициент использования трансформатора в выпрямительной схеме, определяется как отношение двух мощностей: выходной мощности постоянного тока и номинальной мощности вторичной обмотки трансформатора.
— Коэффициент полезного действия, это параметр, характеризующий эффективность схемы выпрямителя при преобразовании переменного напряжения в постоянное. КПД выпрямителя выражается отношением мощности постоянного тока, выделяемой в нагрузке, к входной мощности переменного тока. Коэффициент полезного действия определяется для резистивной нагрузки.
—
Частотная пульсация выпрямителя, это основная частота переменной составляющей, существующей на выходе выпрямителя. В случае однополупериодного выпрямителя частота пульсаций равна частоте входного колебания. Фильтрация пульсаций тем проще, чем выше частота пульсации.
Классификация по назначению и устройству
Разбираемся с электроизмерительными приборами
Выпрямители переменного тока разделяют на несколько различных видов, в зависимости от характеристик, использования периодов переменного тока, схем, по количеству фаз и типу пропускающего элемента. В общем виде классификация имеет следующий вид:
- По количеству периодов, задействованных в работе (одно,- и двухполупериодные, а также с полным и неполным использованием волны);
- По типажу устройства делят на включающие электронный мост, умножающие напряжение, с наличием или отсутствием трансформаторов;
- По количеству фаз разделяют на однофазные, двух, трех,- и N-фазные;
- Согласно типу устройства, пропускающего синусоиду, делят на полупроводниковые диодные и тиристорные, механические и вакуумные, ртутные;
- По виду пропускаемой волны делят на импульсные, аналоговые и цифровые.
Однополупериодный выпрямитель (четвертьмост)
Представляет собой простейшее устройство, преобразовывающее сигнал из переменного электрического тока в постоянный. Таким образом происходит сглаживание уровня сигнала. Схема построена на одном полупроводниковом вентиле (диоде). Редко применяется в промышленности, так как для питания автоматики и аппаратуры требуется добавление в цепь питания фильтров, которые бы сглаживали полуволну. Поэтому размеры и масса устройств на базе данного выпрямителя выходят слишком значительными. Не подходит к электрическому току с промышленной частотой сигнала в 50-60 Герц.
Такая схема выпрямителя используется в импульсных БП. Требуется для компьютерной техники и с высокой частотой сигнала – около 10 Герц. Также применяется в промышленности для выпрямления высокочастотного тока.
Устройство отличается следующими достоинствами:
- Высокая частота пульсация;
- Повышенная нагрузка на выпрямляющее устройство;
- Ухудшение работы трансформатора вследствие намагничивания;
- Невысокий показатель соотношения габаритов к мощности.
Достоинство – дешевизна.
Однополупериодный выпрямитель
Два четвертьмоста параллельно
Данная схема состоит из двух четвертьмостов с одним периодом, которые работают независимо один от одного, на одну мощность. Принцип работы заключается в распараллеливании полуволны на 2 части. При первом временном промежутке происходит на одну половину, затем через часть схемы.
Два полных моста последовательно
Это двухфазная схема, которая включает два последовательных диодных моста. При этом электродвижущая сила равняется удвоенной относительно полного моста с одной фазой. Относительно сопротивление увеличивается в 4 раза.
Двухполупериодный выпрямитель, мостовая схема
В таком устройстве диодные мосты подключается ко вторичной обмотке трансформирующего прибора. Полупроводниковые элементы работают попарно, каждый со своей очередностью, пропуская только положительную или отрицательную полуволну. Таким образом частота колебания мощности, которая была выпрямлена, вдвое выше частоты тока в сети.
Три полных моста параллельно (12 диодов)
Это менее распространенная схема, состоящая из 12 параллельно соединенных диодов. По большинству характеристик значительно превосходит другие выпрямители напряжения. При прохождении электрического тока через всю схему исходящее напряжение выходит без пульсаций.
Три полных моста последовательно
Последовательная схема с двенадцатью диодами представляет собой трехфазный выпрямитель тока. Сопротивление в ней эквивалентно трем диодным мостам, в каждом из которых уровень сопротивления равен 3R. Таким образом, общий уровень препятствия движению заряженных частиц приблизительно равен 9R. В то время как частота колебаний в 6 раз выше, чем такая же от поступающего сигнала. Достоинством такого выпрямителя является наибольшая средняя электродвижущая сила, поэтому он часто используется в источниках мощности с большим выходным напряжением.
Трехфазная схема выпрямления
Устройства с тремя входящими фазами являются достаточно распространенными. Они обрезают часть волны, за счет чего значительно снижают колебания. Наиболее популярна трехдиодная схема Миткевича и шестидиодная схема Ларионова.
Трехфазные выпрямители





