Схема простого частотомера
Схема частотомера довольно простая, большинство функций выполняет микроконтроллер. Единственное, для микроконтроллера необходим усилительный каскад, чтобы увеличить входное напряжения с 200-300 мВ до 3 В. Транзистор, включенный по схеме с общим эмиттером, обеспечивает псевдо-TTL сигнал, поступающий на вход микроконтроллера. В качестве транзистора необходим какой-нибудь «быстрый» транзистор, я применил BFR91 — отечественный аналог КТ3198В.
Напряжение Vкэ устанавливается на уровне 1.8-2.2 вольта резистором R3* на схеме. У меня это 22 кОм, однако может потребоваться корректировка. Напряжение с коллектора транзистора прикладывается к входу счетчика/таймера микроконтроллера PIC, через последовательное сопротивление 470 Ом. Для выключения измерения, в PIC задействываются встроенные pull-down резисторы. В PIC реализован 32-битный счетчик, частично аппаратно, частично софтово. Подсчет начинается после того, как выключаются встроенные pull-down резисторы микроконтроллера, продолжительность составляет точно 0.4 секунды. По истечении этого времени, PIC делит полученное число на 4, после чего прибавляет или отнимает соответствующую промежуточную частоту, для получения реальной частоты. Полученная частота конвертируется для отображения на дисплее.
Для того, чтобы частотомер работал правильно, его необходимо откалибровать. Проще всего это сделать так: подключить источник импульсов с заранее точно известной частотой и вращая подстроечный конденсатор выставить необходимые показания. Если данный метод не подходит, то можно воспользоваться «грубой калибровкой». Для этого, выключите питание прибора, а 10 ножку микроконтроллера подсоедините на GND. Затем, включите питание. МК будет измерять и отображать внутреннюю частоту.
Если вы не можете подстроить отображаемую частоту (путем подстройки конденсатора 33 пФ), то кратковременно подсоедините вывод 12 или 13 МК к GND. Возможно, что это нужно будет сделать несколько раз, так как программа проверяет эти выводы только один раз за каждое измерение (0.4 сек). После калибровки, отключите 10 ногу микроконтроллера от GND, не выключая при этом питания прибора, чтобы сохранить данные в энергонезависимой памяти МК.
Печатную плату рисовал под свой корпус. Вот что получилось, при подаче питания выскакивает кратковременно заставка и частотомер переходит в режим измерения, тут на входе нет ни чего:
Особенности программного обеспечения
Таймер TC1 настраивается на работу в режимах CTC и генерирует «окно счета» длительностью 1 с на выходе OC1A (SEC1). Такой выбор позволяет организовать (псевдо) аппаратное формирование нарастающего и спадающего фронтов, положение которых во времени жестко привязано к системной частоте. В качестве опорного может применяться любой кварц. Настоятельно рекомендуем использовать как можно более высокочастотные.
Если используется кварц, отличающийся от указанного на схеме, нужно изменить две константы в программе. Частоту в Гц требуется разделить на 512, записать в шестнадцатеричной системе и присвоить значение константам Dbase, Dadd. При настройке «временных ворот» (1 с) следует подбирать значение Dadd. Здесь имеется ввиду то обстоятельство, что точная частота генерации конкретного кварца нам неизвестна, тем более, что она еще сдвинута от среднего значения работой при повышенной температуре в термостате.
Программа температурной стабилизации использует только 8 младших разрядов кода аналого-цифрового преобразования UBE транзистора-нагревателя. Поскольку зависимость UBE от тока коллектора и температуры кристалла не нормируется производителями, транзистор для датчика-нагревателя следует выбирать по минимальному UBE на рабочем токе (120-130 мА) и максимальному усилению тока. Для справки: 2SC4115S (T = 25 °C, IC = 1 мА, UBE = 607 мВ), применяемый в термостате, имеет UBE = 531 мВ при токе коллектора 120 мА и температуре кристалла +60 °C. Конечно, можно использовать двухбайтное значение и не экономить программную память МК, но это дело второе. Исходный код написан на ассемблере и очень компактен при компиляции.
Практические результаты
Макет частотомера (Рисунок 2) строился на микросхемах CD74HC393E, CD74HC4053E и без замечаний работает на частоте 70 МГц. Также испытывался счетчик LV393, но с ним выше 125 МГц проверка не проводилась. Программный предел для входной частоты – 150-160 МГц. Замена серии HC на LV в коммутаторе ощутимого улучшения характеристик не выявила, разве что на частоте 125 МГц субъективно на несколько единиц счета уменьшилась разница между минимальным и максимальным показаниями.
| Рисунок 2. |
Поскольку источник эталонной частоты отсутствовал, настройка и проверка характеристик частотомера проводилась с набором серийных кварцевых генераторов, на технические параметры которых однозначно указывала маркировка. Таких оказалось четыре: 5, 30, 70, 100 МГц (частоты округлены). Вначале под каждый кварц подбиралось значение константы Dadd, чтобы показания частотомера соответствовали маркировке. В дальнейшей работе использовалось среднее значение Dadd, и все кварцы уложились в допустимое паспортное отклонение от центральной частоты (не более ±100 ppm). Наиболее близкими к среднему оказались настройки под кварц 70 МГц, который был принят за эталон. Далее каждый кварц термостатировался и фиксировалось максимальное отклонение показаний. После этого этапа работы с кварцами 5 и 30 МГц прекратились, потому что ошибка лежала в пределах ±1 ед.счета в течение достаточно длительного времени. Частота 100 МГц отображалась с максимальной ошибкой ±5 ед.
Частотомер на PIC16F628 своими руками | Мастер Винтик. Всё своими руками!
Одним из приборов-помощников радиолюбителя должен быть частотомер. С его помощью легко обнаружить неисправность генератора, измерить и подстроить частоту. Генераторы очень часто встречаются в схемах. Это приемники и передатчики, часы и частотомеры, металлоискатели и различные автоматы световых эффектов…
Особенно удобно пользоваться частотомером для подстройки частоты, например при перестройки радиостанций, приёмников или настройки металлоискателя.
Один из таких несложных наборов я недорого приобрёл на сайте китайского магазина здесь: GEARBEST.com
Набор содержит:
- 1 x PCB board (печатная плата);
- 1 x микроконтроллер PIC16F628A;
- 9 x 1 кОм резистор;
- 2 x 10 кОм резистор;
- 1 x 100 кОм резистор;
- 4 x диоды;
- 3 x транзисторы S9014, 7550, S9018;
- 4 x конденсаторы;
- 1 x переменный конденсатор;
- 1 x кнопка;
- 1 x DC разъём;
- 1 x 20МГц кварц;
- 5 x цифровые индикаторы.
Описание частотомера
- Диапазон измеряемых частот: от 1 Гц до 50 МГц;
- Позволяет измерять частоты кварцевых резонаторов;
- Точность разрешение 5 (например 0,0050 кГц; 4,5765 МГц; 11,059 МГц);
- Автоматическое переключение диапазонов измерения частоты;
- Режим энергосбережения (если нет изменения показаний частоты — автоматически выключается дисплей и на короткое время включается;
- Для питания Вы можете использовать интерфейс USB или внешний источник питания от 5 до 9 В;
- Потребляемый ток в режиме ожидания — 11 мА
Схема содержит небольшое количество элементов. Установка проста — все компоненты впаиваются согласно надписям на печатной плате.
Мелкие радиодетали, разъемы и т.п. упакованы в небольшие пакетики с защелкой. Индикаторы, микросхема и её панелька для исключения повреждений ножек вставлены в пенопласт.
(измерения мультиметром)
- 4,0
- 4,0
- 0,3
- 5,0
- 0,98
- 0,98
- 0,98
- 0,98
- 0,98
- 0,98
- 5
- 1,26
- 2,13
- 4
- 4,12
Приступаем к сборке
Высыпаем на стол содержимое пакета. Внутри находятся печатная плата, сопротивления, конденсаторы, диоды, транзисторы, разъемы, микросхема с панелькой и индикаторы.
https://youtube.com/watch?v=AMjpPIS_1j4
Ну и вид на весь набор в полностью разложенном виде.
Теперь можно перейти к собственно сборке данного конструктора, а заодно попробовать разобраться, на сколько это сложно.
Я начинал сборку с установки пассивных элементов: резисторов, конденсаторов и разъёмов. При монтаже резисторов следует немного узнать об их цветовой маркировке из предыдущей статьи.
Дело в том, что резисторы очень мелкие, а при таких размерах цветовая маркировка очень плохо читается (чем меньше площадь закрашенного участка, тем сложнее определить цвет) и поэтому также посоветую просто измерить сопротивление резисторов при помощи мультиметра. И результат будем знать и за одно его исправность.
Они маркируются просто указанием емкости так как емкость меньше 100 пФ, т.е. меньше трехзначного числа.
Резисторы и керамические конденсаторы можно впаивать любой стороной — здесь полярности нет.
Выводы резисторов и конденсаторов я загибал, чтобы компонент не выпал, лишнее откусывал, а затем опаивал паяльником.
Немного рассмотрим такой компонент, как — подстроечный конденсатор. Это конденсатор, ёмкость которого можно изменять в небольших пределах (обычно 10-50пФ). Это элемент тоже неполярный, но иногда имеет значение как его впаивать.
Конденсатор содержит шлиц под отвертку (типа головки маленького винтика), который имеет электрическое соединение с одним из выводов.
Чтобы было меньше влияния отвертки на параметры цепи, надо впаивать его так, чтобы вывод соединенный со шлицом, соединялся с общей шиной платы.
Разъемы — сложная часть в плане пайки. Сложная не точностью или малогабаритностью компонента, а наоборот, иногда место пайки тяжело прогреть, плохо облуживается. Потому нужно ножки разъёмов дополнительно почистить и облудить.
Теперь впаиваем кварцевый резонатор, он изготовлен под частоту 20МГц, полярности также не имеет, но под него лучше подложить диэлектрическую шайбочку или приклеить кусочек скотча, так как корпус у него металлический и он лежит на дорожках. Плата покрыла защитной маской, но я как то привык делать какую нибудь подложку в таких случаях, для безопасности.
Длительность пайки каждой ножки не должна превышать 2 сек! Между пайками ножек должно пройти не менее 3 сек на остывание.
Ну вот собственно и всё!
Теперь осталось смыть остатки канифоли щёткой со спиртом.
Теперь красивее
Генератор сигналов на микросхеме таймера 555

Генератор сигналов на микросхеме таймера 555. Схема электрическая принципиальная Прежде всего, мы поговорим о генераторе прямоугольного сигнала на микросхеме 555, или, я бы сказал, о нестабильном (астабильном, автоколебательном) мультивибраторе на 555. Эта схема необходима, потому что для проверки частотомера нам необходим сигнал, частота которого известна. Без этого сигнала мы не сможем рассказать о работе частотомера. Если у нас есть прямоугольный сигнал с известной частотой, мы можем использовать его для проверки частотомера на Arduino и для подстройки точности в случае любых отклонений. Макет генератора сигнала на микросхеме таймера 555 показан ниже.

Макет генератора сигналов на микросхеме таймера 555
Ниже показана типовая схема таймера 555 в нестабильном режиме, из которой мы получили вышеприведенную схему генератора сигналов.

Типовая схема на таймере 555 в автоколебальном режиме
Частота выходного сигнала зависит от резисторов RA и RB и конденсатора C. Формула будет следующей:
\
Здесь RA и RB – значения сопротивлений, а C – значение емкости. Подставляя значения сопротивлений и емкости в приведенную выше формулу, мы получаем частоту выходного прямоугольного сигнала.
Можно увидеть, что RB на схеме выше заменен в нашей схеме генератора сигналов потенциометром; это сделано для того, чтобы для лучшего тестирования мы могли получить на выходе прямоугольный сигнал переменной частоты. Для простоты можно заменить этот потенциометр простым резистором.
https://youtube.com/watch?v=R4_cYB6m-zI
https://youtube.com/watch?v=g1oatDSD2W0
Настройка.
Настройка частотомера выполняется с помощью НЧ-генератора с частотой до 100 кГц и осциллографа в несколько шагов.
1. Подбором сопротивления R4 выставить напряжение в точке «а» примерно на 0,5 В меньше напряжения питания.
2. Подключить генератор к входу частотомера. Установить движки потенциометров R1 и R7 в верхнее по схеме положение, переключатель
диапазонов SA2 — в положение «х100».
Открытый вход «Y» осциллографа подключить к выходу DD1. Установить на выходе генератора f = 100 кГц и напряжение примерно 0,1 В.
3. Проконтролировать наличие положительных прямоугольных импульсов длительностью 8 мкс (при необходимости корректируется подбором
емкости С6).
4. В диапазонах «х1» и «х10» длительность импульсов установить равной 800 и 80 мкс подбором емкостей С4 и С5 при частоте генератора 1 и 10
кГц соответственно.
5. Регулировкой резистора R7 установить стрелку прибора Р1 на максимальное деление шкалы (на любом диапазоне частотомера при
максимальной частоте 1, 10 или 100 кГц).
Радио-начинающим, Измерения
|
|
|||||
|
Аналоговый частотомер собран на одновибраторе — микросхеме К155АГ1 (рис. 100). Этот частотомер имеет четыре поддиапазона 10…100 Гц, 100…1000 Гц, 1…10 кГц, 10…100 кГц, но в него можно ввести и пятый — до 1 МГц, добавив соответствующий времязадающий конденсатор. Аналоговый частотомер собран на одновибраторе — микросхеме К155АГ1 (рис. 100). Этот частотомер имеет четыре поддиапазона 10…100 Гц, 100…1000 Гц, 1…10 кГц, 10…100 кГц, но в него можно ввести и пятый — до 1 МГц, добавив соответствующий времязадающий конденсатор. Длительность импульсов, генерируемых одновибратором, определяется конденсаторами С1 — С4 и резисторами R1 — R5 (в зависимости от поддиапазона), а частота их повторения — частотой входного сигнала. Через диод Д5 импульсы поступают на конденсатор С5, напряжение на котором будет пропорционально частоте входного сигнала. Это напряжение измеряется прибором ИП1. Диоды Д1- Д4 (кремниевые высокочастотные любые, например КД503А) защищают вход микросхемы от перегрузок. Номиналы конденсатора С5 и резистора R6 зависят от тока полного отклонения микроамперметра ИП1. При токе 100 мкА они составляют 2 мкФ и 39 кОм, а при токе 500 мкА — 15 мкФ и 6,8 кОм. Времязадающие конденсаторы могут иметь разброс до 20% от указанных на схеме значений, он будет “выбран” подстроенными резисторами. От температурной и временной стабильности этих конденсаторов зависит, естественно, точность измерений.
Рис. 100. Принципиальная электрическая схема и внешний вид аналогового частотомера Налаживание прибора сводится к установке, на каждом поддиапазоне одним из подстроечных резисторов R2-R5, стрелки микроамперметра ИП1 на последнее деление шкалы при подаче на вход эталонных частот, соответствующих верхней частоте измерений для каждого поддиапазона. Резисторы R2-R5 подстроечные любого типа, диод Д5 — кремниевый высокочастотный, типа КД503А. Переключатель можно брать любого типа. Прибор конструктивно собран в алюминиевом корпусе.
В.Г. Бастанов. 300 практических советов 1986 |
|||||
|
|||||
|
|||||
Детали.
Конденсаторы С4, С5, С6 желательно применить термостабипьные с группой по ТКЕ МПО, или ПЗЗ, МЗЗ с любым технологическим
разбросом; например, К22-5, К10-47а, МО. Остальные конденсаторы -любого типа.
Резистор R1 — не проволочный;
R7 — подстроечный, любого типа (не проволочный), например, СПЗ-1, СПЗ-6, СПЗ-24.
Резистор R6 — С2-13 или другой термостабильный.
Остальные резисторы — МЛТ любой мощности с разбросом сопротивления ±10%.
Выключатель SA1 — П2Т-11 или аналогичный;
переключатель SA2 — любого типа.
Вольтметр Р1 — микроамперметр магнитоэлектрический системы с током полного отклонения 50…100 мкА и последовательно включенным
резистором сопротивлением около 20 кОм (резистор на схеме не показан), или вольтметр с напряжением полного отклонения 1 В и входным
сопротивлением 10…20 кОм/В. Можно использовать внешний прибор (мультиметр) с таким же входным сопротивлением. Желательно, чтобы
максимум шкалы вольтметра был кратен 10. Это упростит отсчет показаний по шкале.
С целью упрощения монтажа частотамера вместо микросхемы 564АГ1 можно применить 155АГ1, но тогда потребляемый от батареи GВ1 ток
увеличится с 0,З до 25 мА. Для микросхемы 155АГ1 можно поставить на плате контактную панельку. При замене микросхемы следует учесть
изменение цоколевки.
Какие приборы можно использовать
Классификация частотомеров
Все данные приборы делятся на две основные группы по области их применения:
- Электроизмерительные. Применяются для бытового или же производственного измерения частоты в цепях переменного тока. Их используют при частотной регулировке оборотов асинхронных двигателей, так как вид частотного измерения оборотов, в этом случае, самый эффективный и распространённый.
- Радиоизмерительные. Нашли применение исключительно в радиотехнике и могут измерять широкий диапазон высокочастотного напряжения.
По конструкции частотомеры делятся на щитовые, стационарные и переносные. Естественно, переносные более компактные, универсальные и мобильные устройства, которые широко применяются радиолюбителями.

Для любого типа частотомера самыми важными характеристиками, на которые, в принципе, и должен обращать внимание человек при покупке, являются:
- Диапазон частот, которые прибор сможет измерить. При планировании работы именно со стандартной промышленной величиной 50 Гц, нужно внимательно ознакомиться с инструкцией, так как не все приборы её смогут увидеть.
- Рабочее напряжение в цепях, в которых будут проходить измерительные работы.
- Чувствительность, эта величина более важна для радиочастотных устройств.
- Погрешность, с которой он может производить замеры.
Мультиметр с функцией измерения частоты переменного тока
Самый распространенный прибор, с помощью которого можно узнать величину частотных колебаний и который находится в свободном широком доступе — это мультиметр
Нужно обращать своё внимание на его функциональные возможности, так как не каждый такой прибор сможет измерить частоту переменного тока в розетке или же другой электрической цепи

Такой тестер выполняется чаще всего очень компактным, для того чтобы в сумке он легко помещался, и был максимально функциональным, измеряющим помимо частоты также напряжение, ток, сопротивление, а иногда даже температуру воздуха, ёмкость и индуктивность. Современный вид мультиметра и его схема основаны чисто на цифровых электронных элементах, для более точного измерения. Состоит такой мультиметр из:
- Жидкокристаллического информативного индикатора для отображения результатов измерения, расположенного, чаще всего, в верхней части конструкции.
- Переключателя, в основном, он выполнен в виде механического элемента, позволяющего быстро перейти от измерения одних величин к другим. Нужно быть очень осторожным, так как, допустим, если измерять напряжение, а переключатель будет стоять на о, то есть сила тока, тогда следствием этого неминуемо будет короткое замыкание, которое приведёт не только к выходу со строя прибора, но может вызвать и термический ожог дугой рук и лица человека.
- Гнезд для щупов. С их помощью непосредственно происходит электрическая связь прибора с измеряемым токопроводящим объектом. Провода не должны иметь потрескиваний и изломов изоляции, особенно это касается их наконечников, которые будут находиться в руках измеряющего.
Хотелось бы также упомянуть о специальных приставках к мультиметру, которые существуют и разработаны специально для того, чтобы увеличить число функций обычного прибора со стандартным набором.
https://youtube.com/watch?v=hBgOo35y9mk
https://youtube.com/watch?v=eTiHxWuvv7w
https://youtube.com/watch?v=3s8I6r9rVYg
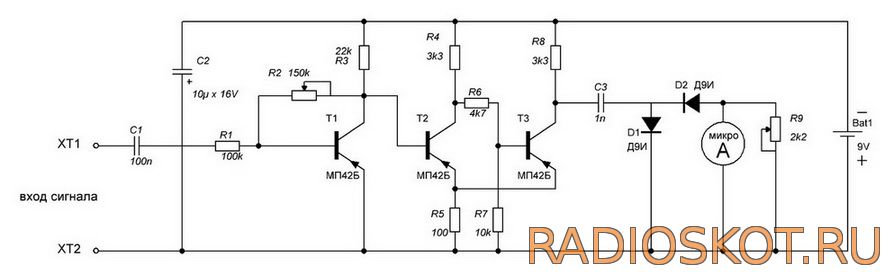
Принципиальная электросхема простого частотомера

Диапазон измеряемых частот 10 – 30000 Гц, как раз то, что и нужно МД/строителю. Напряжение питания от 9V батарейки «Крона». Очень даже удобно. Транзисторы любые МП39 – МП42. Диоды Д9 с буквами от Е до Л. Микроамперметр на 50 – 100 мкА. Печатная плата к этой схеме. Её размер 65 мм х 35 мм.

Можно питать схему частотомера и от 12V. Добавляем стабилитрон (подобрать точненько на 9 вольт) и резистор на 360 Ом.

После того как запаяны все детали, на вход сигнала паяем экранированный провод длиной 30 см, жилу на ХТ2, экран на ХТ1, на концы провода маленькие крокодильчики. Провод идущий к измерительной головке также лучше ставить экранированный (жилу на плюс, экран на минус). Провода питания, как принято, красного цвета на плюс и чёрного на минус. Теперь необходимо измерить напряжение на коллекторе транзистора Т1: подаём питание, плюсовой щуп мультиметра на плюс питания (самая толстая дорожка на плате), а минусовой щуп на коллектор. Должно быть 0,55V. Если напряжение другое – подстраиваем до нужного подстроечным резистором R2. Присоединяем измерительную головку. На вход цепляем генератор звуковой частоты. У меня был ранее собранный низкочастотный генератор с якобы фиксированной частотой 1000 Гц. Насколько действительно — не замерял (не чем было), но для проверки работоспособности собранной схемы пригоден вполне.

Стрелка начала движение по шкале и прошла определённое расстояние – свершилось, прибор заработал. Ну а для полного счастья, на вход частотомера нужно подать сигнал амплитудой 1 вольт и частотой, 15000 Гц или 20000 Гц (а можно сделать диапазон и «до упора» — 30000 Гц, но тогда шкала будет менее подробной), затем подстроечным резистором R9 установить стрелку микроамперметра точно на конечную отметку шкалы. Возможно, придётся подобрать конденсатор С3.

Тогда будет окончательное ВСЁ. Тогда можно доделать начатый металлодетектор и впредь ни когда не иметь проблем с замером рабочей частоты на всех последующих поисковых приборах. Для платы нужен металлический корпус.
Частотомер на PIC16F628 своими руками
Первым делом рассмотрим простую и дешевую схему частотомера. Он может измерять сигналы от 16 до 100Гц с максимальной амплитудой 15В. Чувствительность высокая, разрешение — 0,01 Гц. Входной сигнал может быть синусоидальной, прямоугольной или треугольной волной.
Частотомер может использоваться во многих приложениях. Например, для наблюдения за точностью генератора, для измерения частоты сети или нахождения оборотов двигателя, соединенного с датчиком.
Схема частотомера и необходимые детали для монтажа
Файл печатной платы представлен в формате PDF, архив можно скачать ниже. Вы можете сделать плату используя метод ЛУТ.
CCP (Capture(Захват)/Compare(Сравнение)/PWM(ШИМ)) модуль PIC-микроконтроллера считывает входной сигнал. Используется только функция захвата.
Необходимые детали для сборки частотомера:
Рекомендации по подключению частотомера
Перед измерением частоты входного сигнала, он должен быть преобразован в прямоугольный. Для этой цели используется схема оптической развязки с оптроном 4N25. Таким образом, входной сигнал надежно изолирован от микроконтроллера и превращается в меандр. Амплитуда сигнала не должна превышать 15В. Если это произойдет, резистор 1кОм может сгореть. Если вы хотите измерить частоту сети, вы должны использовать 220В/9В трансформатор.
Принципиальная схема счетчика (частотомера) приведена в файле проекта. Есть 4 дисплея, которые работают по методу мультиплексирования (динамическая индикация). Для измерения вывод RB3 подключен к выходу оптического изолятора. 5 вывод второго дисплея подключен к питанию через резистор 1 кОм, так что точка после второго дисплея горит. Это соединение не показано на схеме.
C-код, написанный в PIC C компиляторе, доступен для скачивания. HEX также прилагается.
Триггер Шмитта
Мы знаем, что не все тестовые сигналы являются прямоугольными. У нас есть сигналы треугольные, пилообразные, синусоидальные и так далее. Поскольку Arduino Uno может детектировать только прямоугольные сигналы, нам необходимо устройство, которое могло бы преобразовывать любые сигналы в прямоугольные. Поэтому мы используем триггер Шмитта. Триггер Шмитта представляет собой цифровой логический элемент, предназначенный для арифметических и логических операций.
Этот элемент обеспечивает выходной сигнал (OUTPUT) на основе уровня напряжения входного сигнала (INPUT). Триггер Шмитта имеет пороговый уровень напряжения (THERSHOLD): когда уровень входного сигнала выше порогового уровня элемента, уровень сигнала на выходе будет равен высокому логическому уровню. Если уровень входного сигнала ниже порога, на выходе будет низкий логический уровень. Обычно у нас нет отдельного триггера Шмитта, за ним всегда следует элемент НЕ.
Мы собираемся использовать микросхему 74LS14, которая содержит 6 триггеров Шмитта. Эти шесть элементов внутри подключены, как показано на рисунке ниже.
Микросхема 74LS14, содержащая шесть триггеров Шмитта. Распиновка
Таблица истинности инвертированного триггера Шмитта показана ниже, в соответствии с ней мы должны запрограммировать Arduino Uno для инвертирования положительных и отрицательных периодов времени на ее выводах.
\(Y = \bar{A}\)
| Вход | Выход |
|---|---|
| A | Y |
| L | H |
| H | L |
- H – высокий логический уровень;
- L – низкий логический уровень.
Теперь, когда мы подадим сигнал любого типа на элемент триггера Шмитта, у нас на выходе будет прямоугольный сигнал с инвертированными временными периодами, и этот сигнал мы подадим на Arduino Uno.
Как работает счётчик
Дистанционный мини-частотомер / тахометр / счетчик импульсов очень прост и учитывает то, что фототранзистор видит после отражения от объекта, освещенного светодиодом, излучающим инфракрасное излучение (ИК-диод активируется только в момент подсчета). Вы можете почти полностью сделать схему на микроконтроллере без использования операционного усилителя, но решено было использовать ОУ для повышения чувствительности устройства. Основа представляет собой модифицированную и упрощенную версию блока мониторинга сердечного ритма.
В режиме «1» достаточно поднести переднюю часть счетчика к тестируемой области и дождаться стабилизации сигнала. Измерение длится 0,5 с, и если оно идентично по меньшей мере в двух последовательных измерениях, тогда программа отображает результат, циклически изменяющий цифры на дисплее, разделяющие каждую цифру с коротким гашением.
Из-за упрощения операции и сокращения времени измерения результат всегда становится четным — программа умножает его на 2, что позволит вычислить результат «в секунду». Несмотря на это округление, результаты на удивление точны и возможная ошибка измерения относительно небольшая. Частоту на практике измеряли в диапазоне до 40 кГц, и с этим он справляется без проблем.

Как только мы прочитаем результат и захотим что-то измерить, на короткое время нажмите кнопку и измерьте снова. Но когда мы удерживаем кнопку — выходим из текущего режима и переключаемся на другой.

В режиме подсчета импульсов «2» измерение начинается сразу после подтверждения режима (кратковременное нажатие кнопки). Второе нажатие останавливает измерение и отображает результат. Сброс — это повторное нажатие, которое запускает следующий цикл подсчета. На этом этапе вы можете удерживать кнопку дольше и вернуться в режим выбора режима.

Для показывания сигнала принятого импульса в обоих режимах сделана простая анимацию движущегося сегмента по периметру цифры, а удерживание кнопки во время измерения сигнализируется путем свечения среднего сегмента.

Если вам лень считать — ставьте полный трехзначный дисплей, который хотя и с меньшей высотой цифр вполне может быть размещен внутри. Или даже миниатюрный ЖК-дисплей 6×1 (естественно с доработкой схемы).
Плата сделана ЛУТ-ом для элементов smd. Счетчик помещается в пластиковый корпус.






