Принцип работы
Электропитание потребителей АВР происходит в обычном режиме от основного ввода. Постоянный контроль наличия напряжения осуществляется в цепи основного (ВВОД №1) источника питания АВР. В случае пропадания напряжения на основном вводе АВР производит автоматическое переключение на резервный ввод. Реверсивная механическая блокировка АВР не допускает одновременное включение разных ВВОДов, что позволяет избежать короткого замыкания фаз с разными потенциалами.
Осуществляется световая индикация режима работы каждого ввода АВР. При восстановлении напряжения на основном вводе происходит автоматический возврат на него. Номинальный режим работы АВР как основного, так и резервного ввода – продолжительный.

Что такое АВР и его назначение?
В подавляющем большинстве случаев такие системы относятся к электрощитовым вводно-коммутационным распредустройствам. Их основная цель — оперативное подключение нагрузки на резервный ввод, в случае возникновения проблем с энергоснабжением потребителя от основного источника питания. Чтобы обеспечить автоматическое переключение на работу в аварийном режиме, система должна отслеживать напряжение питающих вводов и ток нагрузки.
Типовой щит АВР
Расшифровка аббревиатуры АВР
Данное сокращение это первые буквы полного названия системы – Автоматический Ввод Резерва, как нельзя лучше объясняющее ее назначение. Иногда можно услышать расшифровку «Автоматическое Включение Резерва», такое определение не совсем корректное, поскольку под ним подразумевается запуск генератора в качестве резервного источника, что является частным случаем.
Классификация
Вне зависимости от исполнения, блоки, шкафы или АВР принято классифицировать по следующим характеристикам:
-
Количество резервных секций. На практике чаще всего встречаются АВР на два питающих ввода, но чтобы обеспечить высокую надежность электроснабжения, может быть задействовано и больше независимых линий.
Шкаф АВР на три ввода
-
Тип сети. Большинство устройств предназначено для коммутации трехфазного питания, но встречаются и однофазные блоки АВР. Они применяются в бытовых сетях электроснабжения для запуска двигателя генератора.
Применение АВР в частном доме
- Класс напряжения. Устройства могут быть предназначены для работы в цепях до 1000 или использоваться при коммутации высоковольтных линий.
- Мощностью коммутируемой нагрузки.
- Время срабатывания.
Требования к АВР
В число основных требований к системам аварийного восстановления электроснабжения входит:
- Обеспечение подачи питания потребителю электроэнергии от резервного ввода, если произошло непредвиденное прекращение работы основной линии.
- Максимально быстрое восстановление электропитания.
- Обязательная однократность действия. То есть, недопустимо несколько включений-отключений нагрузки из-за КЗ или по иным причинам.
- Включение выключателя основного питания должно производиться автоматикой АВР до подачи резервного электропитания.
- Система АВР должна контролировать цепь управления резервным оборудованием на предмет исправности.
https://youtube.com/watch?v=F351OMf_hsA
Устройство и принцип работы
АВР для генератора состоит из трёх взаимосвязанных основных блоков:
- семейства контакторов, коммутирующих вводные и нагрузочные цепи;
- логических и индикационных устройств;
- блока релейных переключателей, предназначенных для управления генератором.
С целью повышения надёжности резервной энергосистемы устройства АВР могут комплектоваться дополнительными блоками. Например, включение в схему инверторов позволяет выровнять провалы в напряжениях, исключить временные задержки, сделать выходной ток более качественным.
Включение резервной линии обеспечивает контактная группа. За наличием вводного напряжения следит реле контроля фаз.
Рассмотрим принцип работы системы резервного питания на примере упрощённой схемы (рис. 2). В штатном режиме, когда питание осуществляется от основной сети, контакторный блок направляет электроэнергию на линии потребителей. На схеме показан дополнительный блок – инвертор, преобразующий постоянный ток от аккумулятора в переменный, напряжением 220 В.

Рис. 2. Упрощённая схема резервного питания
Сигнал о наличии вводного напряжения подаётся на блок логических и индикационных устройств. В номинальном режиме вся система находится в устойчивом состоянии. При аварии в основной сети (напряжение падает ниже установленного уровня) насыщение соленоида реле контроля фаз становится недостаточным для удерживания контактов в рабочем (нормально замкнутом) состоянии. Происходит разъединение контактов и отключение нагрузки от линии электропередач.
Если система оборудована инвертором, как показано на схеме, он переходит в режим генерации переменного тока, напряжением 220 В. Таким образом, потребители получают стабильное напряжение даже при полном отсутствии тока в коммерческой сети.
Если параметры линий электропередач не восстанавливаются в заданный промежуток времени, контролёр подаёт сигнал на запуск генератора. При поступлении от альтернатора стабильного напряжения, контакторы переключаются на резервную линию.
При полном автоматическом переключении участие оператора не требуется. Система надёжно защищена от взаимодействия встречных токов и КЗ. Для этого применяются дополнительные реле и механизмы блокировок, которые не показаны на схеме.
При необходимости оператор может переключать линии вручную с панели контролёра. Он также может изменять настройки блока управления, включать ручной или автоматический режим работы. Фото панели показано на рис. 3.

Рис. 3. Панель контролёра резервного питания
В АВР могут реализовываться несколько режимов функционирования:
- ручной;
- автоматический;
- полуавтоматический.
Ручной режим чаще всего используют наладчики при настройке АВР.
Схемы подключения АВР и их описание
Основная функция АВР – автоматическое переключение вводов, причём таким способом, чтобы исключить встречные токи.
Простая схема на рис. 4 объясняет принцип переключения.

Рисунок 4. Схема АВР
Контакты КМ1и КМ2 взаимосвязаны. После размыкания одного контакта, замыкается другой. Они не могут быть одновременно включены.
Существует множество различных схем подключения автоматического ввода резерва, но принцип их построения всегда такой: АВР устанавливают между вводом и потребителями. Обычно после электросчётчика. Сам щит с автоматикой может располагаться где угодно, но принцип его подключения именно такой. Этот принцип наглядно иллюстрирует схема на рис. 5.

Рис. 5. Наглядная схема подключения АВР
Детальная схема подключения блока автоматического запуска генератора показана на рисунке 6. На схеме К1 и К2 – это контакторы. Цифрами в кружках обозначены номера клемм. Пользуясь этой схемой не сложно подключить такой блок самостоятельно.

Рис. 6. Детальная схема подключения блока автозапуска генератора (БАГ)
Принципиальная схема подключения АВР для частного дома показана на рис. 7.

Рис. 7. Принципиальная схема
В данной схеме применено АЗУ, обеспечивающее стабильное напряжение и непрерывное питание в локальной сети.
В качестве примера приводим две схемы для трёхфазного тока (рис. 8). На изображении В показано одностороннее исполнение(дополнительное реле напряжения PH). При таком подключении генератор запускается в автоматическом режиме, после прекращения подачи электроэнергии. Другими словами, ввод от генератора является резервным.
На изображении А – исполнение двухстороннее. Обе секции имеют одинаковый приоритет. Такое подключение позволяет переключать линии, не зависимо от наличия напряжения в каждой из них.

Рис. 8. Подключение АВР для трёхфазного тока
Выбор схемы зависит от поставленной задачи, которую вы намерены решить.
Простые системы АВР
Простейшая схема АВР показана на рисунке ниже:
В данной схеме используется электромагнитное реле или контактор K1 с одним переключающим контактом. Обычно такая схема применяется в однофазных сетях с небольшим током нагрузки. В данной схеме катушка реле питается от основного ввода, и в нормальном режиме его сердечник притянут, левый по схеме контакт К1 замкнут, правый разомкнут. При пропадании напряжения на основном вводе катушка реле отпускает сердечник, левый контакт размыкается, а правый становится замкнутым. Питание на нагрузку поступает от резервного ввода.
Данная простейшая схема имеет множество недостатков, и обычно в таком виде не используется. Главная причина — то, что при значительных колебаниях напряжения в сети, реле будет часто переключаться, что неблагоприятно как для самого реле, так и для питающихся электроприборов. В дальнейшем будут рассмотрены более сложные и более надежные схемы АВР.
Представленная ниже схема автоматического включения резерва, в отличие от предыдущих, более применяемая, и годится уже для системы электропитания в частном доме или его части, коммутируемая нагрузка вполне может составлять десятки киловатт:
В данной схеме устранены предыдущие недостатки, и ее можно рекомендовать как базовую для применения в домах, коттеджах, административных и производственных зданиях с потребляемой мощностью до 100 кВт.
Описанная ниже схема электропитания является исключительно простой. Она может применяться для электроснабжения хозяйства с малой потребляемой мощностью, порядка нескольких киловатт
Вот такая схема:
Разберем ее подробно. В рабочем состоянии автоматы SA1 и SA2 включены. При наличии на основном вводе на К1 поступает питание, его контакт К1.1 замкнут, и потребители получают питание через него. В случае исчезновения напряжения реле К1 обесточивается, К1.1 размыкается, а К1.2 наоборот, замыкается. Схема готова к питанию от резервного источника и, при наличии на нем напряжения, подача электроэнергии потребителям возобновляется.
В качестве К1 нужно выбирать мощное реле, которое достаточно дефицитное. Обычно предлагаются реле на коммутируемый ток до 16А. На большие токи можно в качестве К1 взять контактор, но не любой, у него должен быть размыкающий (в просторечии «нормально замкнутый») силовой контакт. Поэтому данная схема и предлагается для маломощных, до 16А, подключений. Если у реле есть несколько контактных групп, то можно их запараллелить, но такое редко делается, обычно для больших токов берется схема с реверсивным пускателем либо на симисторах. В промышленности применяются более сложные схемы — придет время, мы их тоже рассмотрим.
К недостаткам данной схемы можно отнести то, что катушка К1 включена до прибора учета, что может не понравиться энергопоставщику, но это легко устранить, переставив счетчик выше по схеме, это будет учтено далее, здесь же ошибка пусть остается, как напоминание.
Схема, лишенная указанных недостатков, будет показана ниже. Здесь тоже не обошлось без контактора с размыкающими силовыми контактами.
Предлагаемая схема на основе контактора 2з+2р типа VS463-22 позволяет использовать ее при токах до 63А:
Схема отличается дешевизной и простотой, в ней исправлены недостатки предыдущей схемы:
В схеме используется контактор VS463-22-230. Здесь, в отличие от предыдущей схемы, коммутируется как фазный, так и нулевой провода, что исключает попадание тока от генератора в сеть. Один замыкающий контакт К1.1 включен до катушки, что не позволит контактору самопроизвольно включаться при повторном появлении напряжения на главном вводе после отключения. При появлении напряжения на основном вводе, чтобы заново запитаться от него, нужно кратковременно нажать кнопку SB1, после чего контактор включится и замкнет контакты К1.1 и К1.2, одновременно с этим разомкнет К1.3 и К1.4.
При пропадании напряжения на главном вводе К1.1 и К1.2 отключаются, а питание в дом поступает от резерва через К1.3 и К1.4. В качестве резерва используется какой-либо автономный источник электроэнергии, поэтому он подключается, минуя счетчик. Если резервный источник настроен так, что он автоматически отключается при возобновлении питания на основном вводе, то схему нужно изменить — убрать кнопку SB1, а К1.1 перенести ниже по схеме, в разрыв фазного провода непосредственно перед Q1, а катушку запитать напрямую к выходам счетчика. Впрочем, такая схема со схемой запуска резервного генератора будет скоро опубликована отдельной статьей.
Добавлю, что потребляет катушка около 5 Ватт, стоит контактор около 2500 рублей.
Типы моделей электрогенераторов
Домашние резервные генераторы оборудованы специальным двигателем с определенной мощностью, который вращает генератор для выработки электрической энергии. В большинстве случаев, для загородных домов используют четырёхтактные установки с частотой вращения до трёх тысяч оборотов в минуты. Объём топливных баков для дизельного или бензинового топлива равен 10-15 литрам.
При выборе генератора нужно обратить внимание на цель, для которой он будет использован. Кто-то задействует подобное оборудование в качестве основного источника электрической энергии, в то время как значительная часть владельцев частных домов устанавливает систему при сбоях в работе стационарной сети в результате аварий на линии или прочих неприятностей
Основные характеристики систем заключаются в мощности, моторесурсе и экономичности. Также перед покупкой конкретной модели стоит оценить надёжность конструкции и простоту эксплуатации. Подключение бензиновой модели требует правильного монтажа следующих элементов:
- кабеля от резервной установки;
- централизованной цепи подачи электрической энергии;
- домашней сети;
В настоящее время существует ряд типов электрических генераторов. Среди них:
Асинхронные агрегаты. За счёт простоты и надёжности конструкции эти системы пользуются большим спросом. Важные узлы надёжно спрятаны от воздействия влаги и пыли. Их разумно эксплуатировать при выполнении сложных задач и интенсивных нагрузках. В качестве питания для электрических двигателей асинхронный тип использовать не следует;
Синхронные. Недостатки, характерные для предыдущего типа, здесь отсутствуют. Также синхронные модели способны обеспечить поддержание более точного напряжению
При выборе следует обратить внимание на бесщёточные конструкции, которые обладают более хорошим качеством тока и отсутствием интенсивных радиопомех;
Инверторные модели отличаются дорогой стоимостью и относительно низкой мощностью. Однофазные устройства не популярны за счёт низких рабочих показателей
В свою очередь, трёхфазные модели намного лучше. Из недостатков инверторных моделей дорогая стоимость оборудования и плохие эксплуатационные свойства;
Достаточно выбрать относительно простую в плане конструктивных особенностей модель, которая позволит рационально распределить мощность оборудования. 3-фазные системы не пользуются большим спросом по причине отсутствия нормального распределения нагрузок. Чтобы избежать перегрева, коротких замыканий и прочих негативных последствий, такие установки нужно правильно настраивать. Если допустимая нагрузка превышена на 25 процентов, система быстро выйдет из строя.
ЧИТАТЬ ДАЛЕЕ: Регулятор оборотов для болгарки своими руками схема подключения самодельного регулятора числа оборотов Как сделать регулировку из диммера
Если речь идёт об обустройстве резервного источника электрического питания, намного разумнее применить однофазный генератор.
https://youtube.com/watch?v=ebXRxSJ0mx4
https://youtube.com/watch?v=cLAtLpDbo3M
https://youtube.com/watch?v=SH12mukdV1w
Схема АВР на одном контакторе.
Рассмотрим простейшую схему АВР, которую можно применить для однофазной сети собственного дома, небольшого производственного или административного здания. Схема выполнена на одном контакторе КМ1
, двух однополюсных автоматических выключателейSF1 иSF2 , и одном двухполюсном автоматическом выключателеQF1 .

При первом включении АВР в работу поочередно включаем автоматы SF1
иSF2 . Врабочем режиме напряжение питания от основного ввода поступает на катушку контактораКМ1 . Контактор срабатывает и его нормально-разомкнутый контактКМ1.1 замыкается, а нормально-замкнутыйКМ1.2 размыкается.

Фаза А1
через однополюсный выключательSF1 и силовой контактКМ1.1 приходит на вход двухполюсного выключателяQF1 . НольN нигде не разрывается, а сразу подключается на второй вход выключателяQF1 . При включенииQF1 его контакты замыкаются, и напряжение основного ввода поступает в сеть к потребителю.
Читать также: Как правильно точить японские ножи
В аварийном режиме
, когда напряжение на основном вводе отсутствует, катушка контактора обесточивается, контактКМ1.1 размыкается, аКМ1.2 становится замкнутым.

Теперь от резервного ввода фаза А2
через выключателиSF2 ,QF1 и контактКМ1.2 поступает к потребителю в сеть.
При восстановлении питания на основном вводе на катушку контактора КМ1
вновь поступает напряжение и контактор срабатывает. При этом контактКМ1.1 замыкается, аКМ1.2 размыкается, и к потребителю опять поступает напряжение от основного ввода.
Бывают ситуации, когда при нормальном режиме работы возникает необходимость перевести питание нагрузки с основного ввода на резервный. Для этого достаточно отключить автоматический выключатель SF1
Данная схема АВР классическая и прекрасно работает, но при ее использовании необходимо учитывать коммутирующую мощность силовых контактов: если контакты рассчитаны на рабочий ток, например, 12 Ампер, то и нагрузку к АВР следует подключать не более 12 Ампер
В случае же, когда общая потребляемая мощность, например, дома, будет более 12 Ампер, то от резервного ввода можно запитать только самое необходимое электрооборудование, которое будет обеспечивать нормальную жизнедеятельность до восстановления напряжения на основном вводе.
Однако в таком варианте схема пригодна только для объектов, где есть возможность получить от подстанции две независимые линии питающего напряжения. В домашних условиях такой роскоши нет, поэтому немного видоизменим схему, чтобы адаптировать ее под домашнюю сеть.
Простые системы АВР
Простейшая схема АВР показана на рисунке ниже:
В данной схеме используется электромагнитное реле или контактор K1 с одним переключающим контактом. Обычно такая схема применяется в однофазных сетях с небольшим током нагрузки. В данной схеме катушка реле питается от основного ввода, и в нормальном режиме его сердечник притянут, левый по схеме контакт К1 замкнут, правый разомкнут. При пропадании напряжения на основном вводе катушка реле отпускает сердечник, левый контакт размыкается, а правый становится замкнутым. Питание на нагрузку поступает от резервного ввода.
Данная простейшая схема имеет множество недостатков, и обычно в таком виде не используется. Главная причина – то, что при значительных колебаниях напряжения в сети, реле будет часто переключаться, что неблагоприятно как для самого реле, так и для питающихся электроприборов. В дальнейшем будут рассмотрены более сложные и более надежные схемы АВР.
Представленная ниже схема автоматического включения резерва, в отличие от предыдущих, более применяемая, и годится уже для системы электропитания в частном доме или его части, коммутируемая нагрузка вполне может составлять десятки киловатт:
В данной схеме устранены предыдущие недостатки, и ее можно рекомендовать как базовую для применения в домах, коттеджах, административных и производственных зданиях с потребляемой мощностью до 100 кВт.
Описанная ниже схема электропитания является исключительно простой. Она может применяться для электроснабжения хозяйства с малой потребляемой мощностью, порядка нескольких киловатт
Вот такая схема:
Разберем ее подробно. В рабочем состоянии автоматы SA1 и SA2 включены. При наличии на основном вводе на К1 поступает питание, его контакт К1.1 замкнут, и потребители получают питание через него. В случае исчезновения напряжения реле К1 обесточивается, К1.1 размыкается, а К1.2 наоборот, замыкается. Схема готова к питанию от резервного источника и, при наличии на нем напряжения, подача электроэнергии потребителям возобновляется.
В качестве К1 нужно выбирать мощное реле, которое достаточно дефицитное. Обычно предлагаются реле на коммутируемый ток до 16А. На большие токи можно в качестве К1 взять контактор, но не любой, у него должен быть размыкающий (в просторечии “нормально замкнутый”) силовой контакт. Поэтому данная схема и предлагается для маломощных, до 16А, подключений. Если у реле есть несколько контактных групп, то можно их запараллелить, но такое редко делается, обычно для больших токов берется схема с реверсивным пускателем либо на симисторах. В промышленности применяются более сложные схемы – придет время, мы их тоже рассмотрим.
К недостаткам данной схемы можно отнести то, что катушка К1 включена до прибора учета, что может не понравиться энергопоставщику, но это легко устранить, переставив счетчик выше по схеме, это будет учтено далее, здесь же ошибка пусть остается, как напоминание.
Схема, лишенная указанных недостатков, будет показана ниже. Здесь тоже не обошлось без контактора с размыкающими силовыми контактами.
Предлагаемая схема на основе контактора 2з+2р типа VS463-22 позволяет использовать ее при токах до 63А:
Схема отличается дешевизной и простотой, в ней исправлены недостатки предыдущей схемы:

В схеме используется контактор VS463-22-230. Здесь, в отличие от предыдущей схемы, коммутируется как фазный, так и нулевой провода, что исключает попадание тока от генератора в сеть. Один замыкающий контакт К1.1 включен до катушки, что не позволит контактору самопроизвольно включаться при повторном появлении напряжения на главном вводе после отключения. При появлении напряжения на основном вводе, чтобы заново запитаться от него, нужно кратковременно нажать кнопку SB1, после чего контактор включится и замкнет контакты К1.1 и К1.2, одновременно с этим разомкнет К1.3 и К1.4.
При пропадании напряжения на главном вводе К1.1 и К1.2 отключаются, а питание в дом поступает от резерва через К1.3 и К1.4. В качестве резерва используется какой-либо автономный источник электроэнергии, поэтому он подключается, минуя счетчик. Если резервный источник настроен так, что он автоматически отключается при возобновлении питания на основном вводе, то схему нужно изменить – убрать кнопку SB1, а К1.1 перенести ниже по схеме, в разрыв фазного провода непосредственно перед Q1, а катушку запитать напрямую к выходам счетчика. Впрочем, такая схема со схемой запуска резервного генератора будет скоро опубликована отдельной статьей.
Добавлю, что потребляет катушка около 5 Ватт, стоит контактор около 2500 рублей.
Выбор АВР
Приведенная ниже таблица поможет вам определиться с выбором типа АВР.
Таблица 1
| Тип АВР | Особенности устройства | Действие |
| Одностороннего действия | Две секции. Одна рабочая, а одна резервная | Подключает резервную линию в случае пропадания напряжения на основной |
| Двухстороннего действия | Секции равнозначные | Можно подключить любую линию, не зависимо от наличия напряжения |
| С восстановлением | Контролирует наличие напряжения на основном вводе после переключения на резервное питание | При появлении напряжения на основной линии переводит схему (с небольшой задержкой) в исходное состояние |
| Без восстановления | Переключает секции после пропадания напряжения на основном вводе | Для перевода в основной режим требуется вмешательство оператора |
Секреты выбора
Начнем с того, что существуют кое-какие «фишки», которые позволяют выбрать действительно качественный АВР, причем не важно для какого механизма – для трехфазного или однофазного. Первый момент состоит в том, что контакторы имеют крайне важное значение, их роль в данной системе переоценить сложно
Они должны быть очень чувствительны и отслеживать буквально самое незначительное изменение параметров входной стационарной сети.
Второй важный момент, на который нельзя не обратить внимание – это контролер. По сути, это мозг АВР-блока


Еще одна тонкость – правильно выполненный щит на панели должен иметь определенные обязательные атрибуты. Сюда можно отнести:
- клавишу аварийного выключения;
- измерительные приборы – вольтметр, позволяющий контролировать уровень напряжения и амперметр;
- световая индикация, что дает возможность понять, идет питание от сети либо от генератора;
- переключатель для управления вручную.
Кроме того, все клеммы, кабели и зажимы внутри ящика должны быть промаркированы, как указано в схеме. Она вместе с инструкцией по эксплуатации должна быть понятной.

Можно ли подключать сварку при работе ABP
Подключать сварку к генератору можно тогда, когда достаточно мощностиИсточник burforum.ru
Вы, наверное, понимаете, что автозапуск бензогенератора, это хорошо, только вот не все мощное оборудование карбюраторный агрегат сможет вытянуть. Для примера мы рассмотрим выбор такого устройства, которого будет достаточно для работы электрической сварки, как одного из самых мощных потребителей энергии, возможных в бытовых условиях. При этом будем рассматривать компромиссные решения, когда главным прибором будет не только сварочный аппарат, но и генератор с дизелем, газом или карбюратором. Кстати, не меньшая мощность потребуется для столярной мастерской, если она укомплектована профессиональным оборудованием.
Итак, если ваша система автозапуска бензинового генератора оборудована инвертором и при этом выходная мощность агрегата, указанная в документах или на корпусе, совпадает с потребляемой мощностью сварки, это еще не все. Существуют не только основные, но и дополнительные величины, влияющие на напряжение:
- потребляемая мощность сварочного аппарата;
- диапазон напряжения;
- maximum инвертора по сварочному току;
- параметры вольтажа дуги;
- предполагаемая длительность рабочего процесса;
- КПД.
Примечание: также важно учитывать состояние электрической проводки в здании и режимы сварочных работ, предусмотренные на то время, когда осуществится автоматический запуск генератора при отключении электричества.
Очень важно учитывать фактор ложной информации, то есть не особо мощные инверторы, подключенные в схему ABP не всегда способны выдать 220 V. Но в таких случаях обращаемся к техническим параметрам сварочного аппарата и, если агрегат способен работать при напряжении 150-200 V, значит, все в порядке и проблем у вас не возникнет
Технические параметрыИсточник asutpp.ru
Когда заранее известно, что при отключении основного источника питания будет совершен автоматический ввод резерва, и при этом будут производиться сварочные работы, не лишним будет изучить таблицу, приведенную выше. Так вы сможете подобрать оптимальное соотношение для генератора с ABP и аппарата электросварки.
Совет: при выборе соотношения мощности генератора и сварочного аппарата лучше всего, если на выходе будет запас, то есть, при вводе резерва вы получите больше, чем нужно для работы оборудования.
АВР с автозапуском генератора
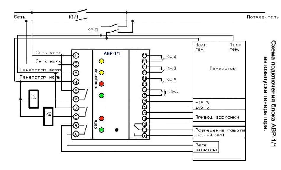
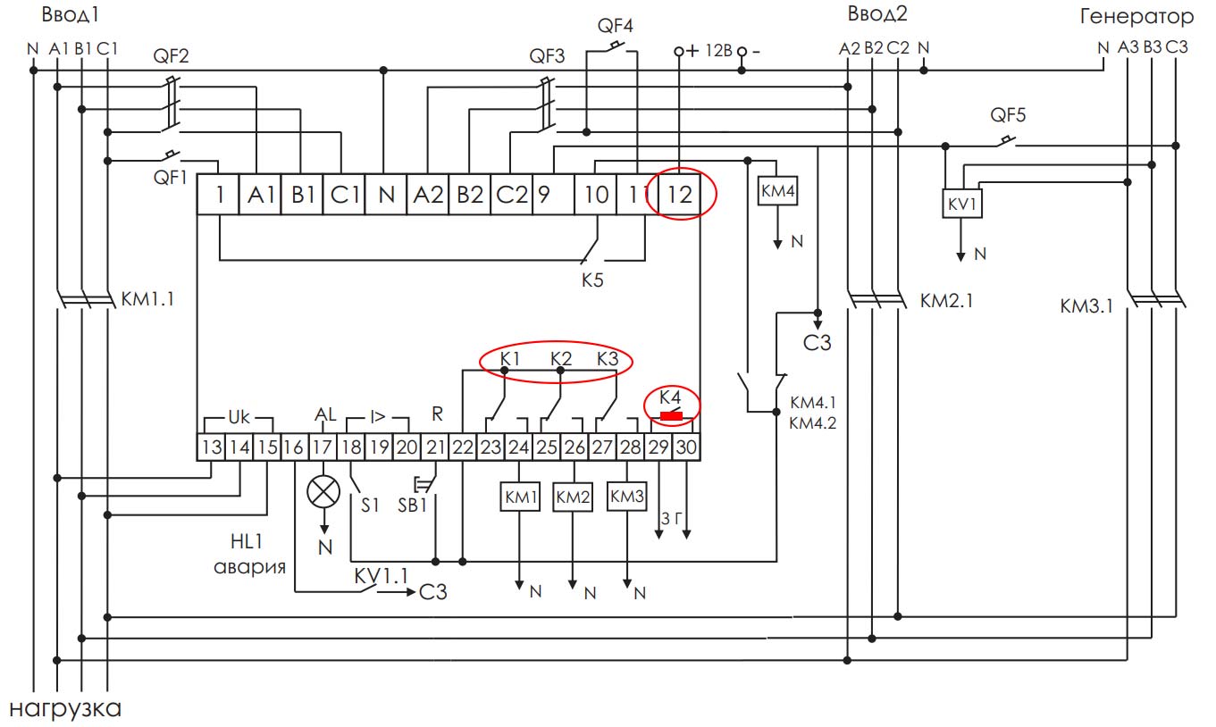
А как будет запускаться генератор, если исчезнет питание с обоих вводов? Контакт №12 служит для подключения к АВР внешнего источника питания +12В.
Когда у вас пропало напряжение на двух вводах, все контакты К1,К2,К3 получаются в разомкнутом состоянии. При этом автоматически происходит замыкание внутреннего контакта реле К4. За счет этого, формируется сигнал запуска для генератора.
Большинство генераторов с возможностью АВР, управляют заслонкой своей собственной автоматикой. Для этого им нужен только сигнал на старт. Вы его как раз и подаете.
Если у вас этого нет, то можно смастерить такую систему самостоятельно.
https://youtube.com/watch?v=z3D_QcAoBDU
После подачи импульса, происходит запуск ДГУ и его прогрев. Когда он прогрелся, напряжение на реле KV1 достигает нормы. KV1 представляет из себя, что-то вроде реле защиты трехфазных двигателей.
Оно необходимо для контроля напряжения 3-х фазной сети (правильное чередование фаз и их номинальное значение). Подойдет например такое — CKF-317.
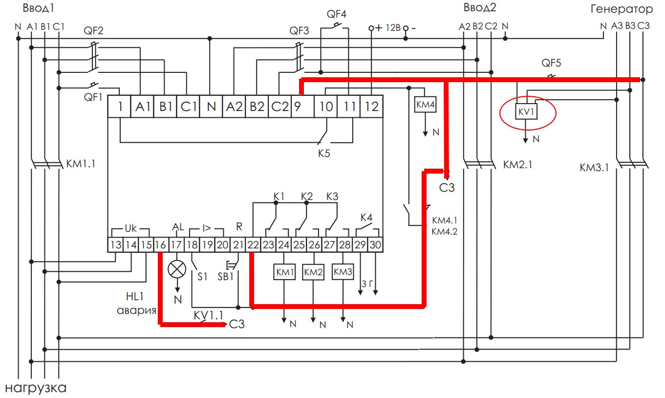
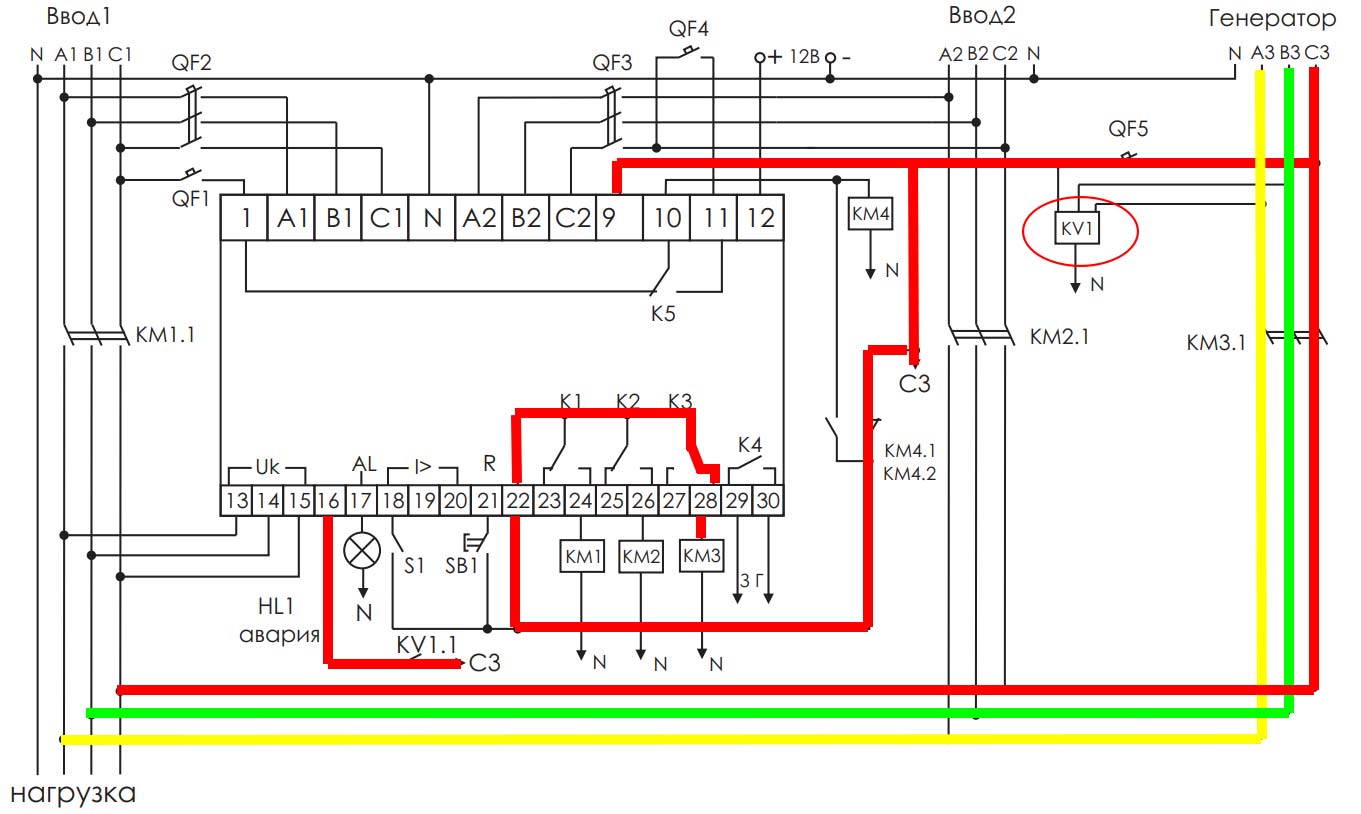
После срабатывания, реле KV1 замыкает свой контакт KV1.1 и напряжение достигает разъема №16. Также U поступает на контакт №9 (он управляет внутренними цепями AVR) и №22.
AVR это видит и подает сигнал на замыкание реле К3 и катушки КМ3. После чего включаются силовые контакты пускателя генератора КМ3.1 Вся нагрузка запитывается от генератора.
Простая схема АВР на 2 ввода на магнитных пускателях

Схема на магнитных пускательных устройствах
Принципиальная схема соединений на пускательных устройствах используется для однофазных цепей, трехфазным этот вариант не подходит. Электросхема простая, поскольку в ней применяется минимум элементов, но это не снижает ее эффективности. Для активации по очереди включаются SA1 и SA2. При наличии напряжения, использующегося для питания нагрузки, на первом вводе второй выход останется свободным, то есть резервным.
Если на первом контакте напряжение пропадает, то питание автоматически переключится на второй ввод. Если на первом опять появится нагрузка, то до ее исчезновения на втором вводе ничего не случится. Возврат в изначальное, отключенное состояние обесточенного устройства приведет к срабатыванию разомкнутого контактного элемента. Последний установлен в электроцепи запитки катушки.
Несмотря на простоту эта электросхема надежна, хотя в ней не используется механизм блокировки пускательных устройств, но его внедрение не повредит. Переключаться подача питания на другие выходы может посредством кратковременного отключения электролинии первого или второго автомата. Величина напряжения, питающего главный и дополнительный ввод, составляет 380 В. Но параметр тока катушек на пускательных устройствах составляет 220 вольт.
Общие принципы построения систем АВР
Системы, осуществляющие коммутацию источников электроснабжения, обозначаются аббревиатурой АВР – Автоматический Ввод Резерва. Принципы их построения одинаковы как для потребителей электроэнергии I, так и II категории.
- Ими должна обеспечиваться полная гальваническая развязка между двумя источниками электроснабжения – когда работает один, все фазные линии другого отключены от линии, питающей потребителя.
- Качество энергоснабжения от резервного источника не должно быть хуже, чем от основного. Как по количеству фаз, так и по номиналу токов, напряжения и мощности.
Обеспечение гальванической развязки
Самой распространенной схемой АВР, обеспечивающей простое и надежное переключение между источниками питания, является использование магнитных пускателей, имеющих два типа контактов: силовые и управляющие. Первые всегда нормально разомкнутые – при отсутствии электричества механическая связь между клеммами отсутствует. Вторые бывают как нормально разомкнутыми, так и нормально замкнутыми.

Это разделение позволяет, например, построить цепь так называемой блокировки, через которую подается напряжение на втягивающую катушку пускателя при отпущенной кнопке «Пуск». Этим свойством мы и воспользуемся для обеспечения гальванической развязки.
Для каждого источника питания берется по одному магнитному пускателю, силовые контакты которых рассчитаны на штатное значение силы тока и напряжения в сети потребителя электрической энергии. Входная группа каждого подключается к своему источнику питания – одна к линии электропередач, другая к выходу резервного генератора переменного тока, вращаемого дизельным или бензиновым ДВС. Выходные группы силовых контактов объединяются по принципу фаза к фазе.

Если линия трехфазная, то катушку соленоида магнитного пускателя – электрики ее называют «втягивающая» – лучше иметь ту, которая рассчитана на 380 вольт и включается между фазами. У ведущего контактора (он подключен к основной линии) втягивающая включается между двумя любыми входными фазами напрямую. Так решается задача определения напряжения в основной линии. Если оно отсутствует, то силовые контакты размыкаются.
Втягивающая ведомого контактора (тот, что подключен к резервной линии) подключается сложнее: первый контакт напрямую к одной из входных силовых клемм, а второй через нормально замкнутый дополнительный контакт ведущего магнитного пускателя – обычно они располагаются с обеих сторон корпуса, попарно с нормально замкнутыми. Также электротехнической промышленностью выпускается блок, в котором два нормально замкнутых и два нормально разомкнутых контакта. Он крепится на разъем, расположенный на верхней крышке корпуса магнитного пускателя.
Для случая, когда используются две независимые (подключенные к разным силовым подстанциям) электролинии, схема работает так:
- Если в основной линии пропадает напряжение, то втягивающая катушка ведущего контактора обесточивается и его силовые контакты размыкаются.
- Одновременно с этим его дополнительный контакт, к которому подключена одна из клемм втягивающей катушки ведомого контактора, замыкается.
- На втягивающую катушку ведомого контактора подается напряжение, он срабатывает и замыкает силовые контакты. Потребителю подается энергия из резервного источника.
- При появлении напряжения в основной линии ведущий контактор срабатывает, что вызывает обрыв в линии подачи напряжения на втягивающую катушку ведомого. Резервная линия отключается, а питание потребителя осуществляется от основной.
АВР для генератора: что это такое
АВР — расшифровывается как автоматическое включение (ввод) резерва. Под резервом подразумевается какой-либо генератор, вырабатывающий электрический ток, в случае прекращения энергоснабжения объекта. Основной функцией АВР является своевременное переключение нагрузки между двумя источниками. Некоторые АВР настраиваются вручную, однако большинство устройств управляются автоматически, по сигналу о потере напряжения, в том числе и АВР для бензогенератора.
Одним из важнейших показателей, необходимых для автоматического управления служит напряжение, которое контролирует первичная обмотка. Сам переключатель обеспечивает изоляцию резервного генератора от переменного тока, поступающего из общей электрической сети. В этот период генератор находится во включенном состоянии и обеспечивает подачу временного питания потребителям.
Работа автоматического ввода резерва осуществляется следующим образом:
- При отключении электричества через АВР генератору поступает команда о начале работы.
- После поступления на устройство сигнала о готовности генератора, АВР осуществляет его соединение с домашней электрической сетью.
- При возобновлении подачи электроэнергии в частный дом, АВР получает соответствующий сигнал и отключает резервное устройство.
- Одновременно автоматически переключается проводка между генератором и домашней сетью.
В случае необходимости можно выполнить настройку переключений с целью обеспечения питания только наиболее важных электрических цепей и участков. В качестве приоритетных назначаются системы отопления помещений, охлаждения оборудования и другие дополнительные схемы. Более сложные распределения применяются для крупных систем резервных установок, образующих мягкую нагрузку, плавно переходящую из синхронизированного генератора туда и обратно. Как правило эти установки применяются для того, чтобы сократить величину пиковых нагрузок.





