↑ Выбор схемы
Ну, собственно, их не так и много, как могло бы показаться. Первая — как советует производитель. Без изысков: не инвертирующий усилитель, с достаточно высоким входным сопротивлением, но с использованием разделительных конденсаторов в сигнальных цепях и в цепи ООС. В большинстве случаев, кстати, их можно и не ставить. Всё зависит от конкретного корпуса микросхемы. Однако, присутствие конденсатора, гарантирует Кус по постоянному току 1, и как следствие — очень малое постоянное смещающее напряжение на выходе усилителя. Чтобы устранить присутствие разделительных электролитических конденсаторов полностью, в сети распространена схема включения LM3886 инвертирующим усилителем с входным буфером на ОУ. Отсутствие разделительных конденсаторов в тракте передачи звука превращает схему в один большой усилитель постоянного тока (УПТ), с заданным К усиления. И как следствие — появление на выходе устройства постоянной составляющей.
Устранить смещение призвано другое устройство — интегратор. Его задача — отслеживать смещение постоянной составляющей на выходе и выработка «компенсирующего» напряжения подаваемого на вход усилителя. Таким образом, на выходе усилителя имеем постоянный нуль. Вроде всё хорошо, однако, на мой взгляд, подобное усложнение оправдано для достаточно мощных усилителей, с высокими питающими напряжениями и большими К усиления.
Мне же не требовались высокие мощности. К тому же, судя по «даташитам», после 50—60 Ватт у этой МС обозначался резкий рост Кгр. Так что мне требовались 30 Ватт, но, насколько возможно, качественных. Вследствие этого была выбрана схема, представленная на рисунке.
↑ Некоторые особенности монтажа
Из особенностей монтажа хочется отметить: — C5, C6 и С7, С8 желательно расположить как можно ближе к выводам LM3886 — плата крепится ко дну корпуса на стойках высотой 6 мм — не люблю питание через дорожки платы. Поэтому +/-27 В и земля от БП до LM3886 проведено проводами 1,5 мм2 свитыми между собой. — сигнал подается от входных гнезд так: на каждый канал свой кабель в виде двух проводов МГТФ в экране и термоусадке. По одному проводу земля по другому сигнал. Экран соединен с землей с одной стороны (у регулятора громкости). — чтобы не было лишних наводок, т.к. выключатель питания расположен в передней части усилителя, то 220 В заведено на выключатель двумя свитыми проводами, уложенными в экран и термоусадку. — подключение реле к переключателю, который тоже расположен на передней панели, также проложено отдельными проводами в экране и термоусадке. Экран тут выполняет роль третьего провода, по которому подается земля на переключатель. Все провода расположены с низу платы (между платой и дном корпуса). Т.к. LM3886 у меня в изолированном корпусе, то радиаторы можно заземлить. Что сделано с помощью проводочка припаянного к «массе» на плате и заведенного под винт крепление LM3886 к радиатору. В виду того что выходные разъемы на колонки расположены близко к «тюльпанам» я закрыл их, вместе с коммутирующим реле, экраном из медной фольги. На всякий случай.
Еще одно важное замечание:
на фотографии видно, что LM3886 довольно сильно смещены к переднему краю радиатора. Это получилось потому, что плата разводилась, когда у меня не было трансформатора на руках. Т.е. он был только заказан. Плата разводилась, исходя из размеров трансформатора, которые у меня были. По другому не компоновалось. Толи я не правильно записал ожидаемые размеры трансформатора, толи еще что случилось, но в реальности транс получился заметно меньшего размера. Это, а также то, что отказ от стаб. питания накала освободил место на плате, привело к тому, что трансформатор можно развернуть на 90 градусов и LM3886 расположить ближе к центру радиатора.
Но на самом деле даже при таком расположении (ближе к краю радиатора) микросхема нагревается в допустимых пределах. При комфортной громкости (регулятор «на 9 часов») радиатор в районе микросхемы чуть теплый. При громкости «на 12 часах» радиатор теплый, но не горячий. При максимальной громкости радиатор горяченький, но не критично. Тепловая защита микросхемы не срабатывает. Правда на максимальной громкости долго погонять не удалось — я не выдержал такой громкости.
В прилагаемых файлах есть обе разводки платы.
Трансформатор крепится на плате через резиновые прокладки, чтобы уменьшить воздействие вибрации трансформатора на лампу. Для вентиляции трансформатора в дне корпуса, плате и крышке сделаны отверстия.
↑ Коммутатор входов и встроенный ЦАП FiiO D03K
В качестве бонуса решил сделать несколько входов с переключением. Два входа будут обычные «тюльпаны», а третий вход будет ЦАП. С «тюльпанами» все понятно, не интересно. Расскажу про ЦАП. Есть такой ЦАП FiiO D03K. Нравится мне тем, что маленький и вполне приличный.
ЦАП подвергся небольшой доработке. 1. Меняем выходной операционник на OPA2132UA. Можно еще поставить параллельно С10, С12, C16, C18 емкости по 100 Мкф. В одном из своих усилителей я так и сделал. Но здесь с доп. конденсаторами я побоялся не впихнуться обратно в родной корпус. Поэтому ставить их не стал. 2. Выпаиваются лишние разъемы: тюльпаны и мини-usb. Можно еще выпаять гнездо на джек 3,5. Но больно он там хорошо заделан. Оставил его в покое. 3. Удаляется переключатель входов который переключал «Оптический вход» или «Коаксиал». Он расположен с низу платы и в данной конструкции ему там не место. Вместо него ставится небольшой переключатель, который располагается там где ранее был мини-usb (на термоклей + дополнительно фиксируется гаечкой к задней панели) и припаивается к плате проводками. 4. Припаиваются два проводка для питания (ранее питание шло через мини-usb). 5. Припаиваются провода вместо «тюльпанов».
6. В нижней части корпуса делается пропил, чтобы удобнее было вывести провода и 4 отверстия с резьбой М3 чтобы прикрутить к плате.
Доработанную плату вставляем в родной корпус и прикручиваем на плату усилителя. Провода при этом пропускаются сквозь отверстия в плате усилителя и распаиваются снизу к нужным дорожкам.
Коммутация входов
осуществляется с помощью двух реле типа TRS-5VDC-SB-L15-R. Реле переключаются с помощью переключателя на 3 положение (оn – off — on), расположенного на передней панели усилителя. Логика работы такая: • Включено реле 1 – сигнал идет с ЦАП (левое положение переключателя). • Выключены оба реле — сигнал идет с тюльпана 1 (среднее положение переключателя). • Включено реле 2 – сигнал идет с тюльпана 2 (правое положение переключателя). Реле коммутируются «землей».В итоге получилось вот такая плата усилителя:
Первый запуск УНЧ
Для первого запуска корпус не нужен. Первое включение через токоограничитель. После осмотра и включения усилитель сразу запустился. На выходе практически нет постоянной составляющей. Потом для теста подключите старый динамик и MP3-плеер. Усилитель звучал довольно неплохо. После некоторого времени игры можно считать схему собранной и заняться коробкой.
Ограничив количество компонентов, можно сократить пути прохождения сигнала, что очень желательно для аудио. Превосходные результаты достигаются при удалении блока питания в отдельный корпус, но это кто как предпочитает. Советуем четко отделить кабели питания и выпрямительные мосты от усилителей
Важно чтобы в обратной связи был резистор хорошего качества, который припаян прямо к выводам микросхемы
↑ Защита акустики
Здесь я ничего нового выдумывать не стал. Взял схему защиты на CA1237HA
С указанными номиналами схема осуществляет задержку при включении порядка 1 минуту. Цепочка D14, R19, C15 подключается к одной из обмоток трансформатора на 20 В. Это позволяет автоматически отключать колонки и переводить LM3886 в режим «mute» при выключении питания. Конденсатор C13. Мнения на счет его необходимости в интернете разошлись. По описаниям должно работать так: • Если вместо него поставить перемычку, то в случае срабатывания защиты, защита вернется в рабочее состояние (подключит колонки) после того как причина срабатывания защиты будет ликвидирована. • Если оставить C13, то защита вернется в рабочее состояние только после полного выключения и включения питания усилителя.
Я себе поставил перемычку. Защита уверенно срабатывает от +/- 1,2 В постоянного напряжения на выходе. Для каждого канала применена своя защита.
Конструкция и детали
Печатная плата усилителя приведена на рис.2, а схема размещения деталей на ней — на рис.3. Резисторы R7 и R8 мощностью 2 Вт класс точности 1%. Для изготовления выходной индуктивности L1 необходимо намотать 12 витков провода диаметром 0,5…0,6 мм с эмалевой изоляцией на трубку или карандаш такой же толщины, как и R7.
Затем в нее вставляется резистор — так, чтобы он нигде не прикасался к ней(чтобы не повредить изоляцию). Емкость конденсатора C2 можно увеличить для лучшей передачи низких частот.
Глубина обратной связи задается резистором R4. Режим Mute включается при размыкание переключателя S1. Для сетевого трансформатора желательно использовать тороид. Напряжение вторичной обмотки – 2×25 В.
Выпрямительный мостик должен быть рассчитан на номинальный ток — как минимум, 6 А. Выпрямленное напряжение без нагрузки ±35÷38В. Емкость электролитических конденсаторов C5, C4 4700÷10000 мкФ, допустимое напряжение — не меньше 50 В. Конденсаторы желательно зашунтировать плЈночным конденсаторами Јмкости (0,1 — 1 мкФ) в непосредственной близости от выводов микросхемы.
Рис. 2. Печатная плата усилителя на микросхеме LM3886.
Рис. 3. Размещение деталей на печатной плате усилителя.
Внимание! ИМС необходимо установить на радиатор. Внутренняя защита микросхемы эффективна только тогда, когда выделяющееся тепло рассеивается радиатором соответствующих размеров
Относительно высокое напряжение на оконечных транзисторах (5,2 В) и ток покоя около 38 мА существенно увеличивают теплоотдачу. Размеры радиатора можно определить, руководствуясь графиками на рис.4.
В правой части рисунка приведены графики зависимости выделяющейся мощности от суммарного напряжения (для некоторых значений импеданса громкоговорителей). Этим мощностям соответствуют температуры радиатора Тс. При заданной темпетуре среды ТА, из таблицы в левой части можно определить необходимое тепловое сопротивление радиатора.
Рис. 4. Тепловое сопротивление радиатора.
Пример. Пусть суммарное значение напряжения питания равно 80 В, импеданс громкоговорителя — 8 Ом. По графикам этим значениям соответствует выделяемой мощности РD=40 Вт, т.е. ТС=102°С. Пусть максимальная температура среды ТА равна 25°С.
Тогда для теплового сопротивления радиатора по таблице получаем 1,9 °/Вт. Если усилитель должен надежно работать при максимальной температуре 40°С, это значение уменьшается до 1,6.
При 50°С будет нужен уже очень большой радиатор (пластина примерно 30×30 см толщиной 5 мм). У современных ребристых или игольчатых радиаторов тепловое сопротивление меньше, чем у гладкой пластины, и можно обойтись гораздо меньшим по размерам радиатором.
Проблему охлаждения можно решить, используя радиатор длиной 150 мм и шиной 95 мм, имеющий 16 ребер. Радиатор на плату необходимо устанавливать обязательно так, чтобы между ребрами могли свободно протекать воздушные потоки. Поэтому он должен располагаться снаружи корпуса на задней стенке. Поскольку корпус и у этой ИМС также находится под напряжением питания, радиатор необходимо изолировать от корпуса усилителя (если он металлический).
Может возникнуть вопрос: поскольку размеры радиатора достаточно велики, не лучше ли использовать для охлаждения небольшой вентилятор?
Однако шум постоянно включенного даже малошумящего вентилятора будет мешать прослушиванию тихих музыкальных пассажей. Некоторые фирмы используют в мощных усилителях вентиляционное охлаждение, однако включение вентилятора происходит при определенном уровне входного сигнала.
Поскольку в этом случае вентилятор не мешает тихим музыкальным мелодиям (отключается), такое решение имеет право на существование. Однако при усилении речи возникают акустические помехи из включения и выключения вентилятора при резком изменении громкости.
Для получения высокого качества звуковоспроизведения, на входы микросхемы должно попадать как можно меньше помех. Поскольку в проводах питания неизбежно имеются большие пульсации тока, которые могут легко передаваться на вход усилителя, входные провода и провода питания должны быть расположены как можно дальше друг от друга.
Технические данные на микросхему LM3886 (datasheet) — Скачать (0,8 МБ).
Усилитель 140 Вт — схема включения микросхем LM3886
В связи с этим в этой статье мы подробно покажем устройство усилителя при параллельном соединении двух ИС. Параллельное соединение позволяет использовать более двух микросхем, поэтому это станет хорошей основой для других, более экзотических решений. Для этого будет использоваться схема включения уже известного монолитного усилителя звука LM3886T/TF.
Стремление к совершенству в аудио технологиях — сильная мотивация для всех аудиофилов. Поэтому многие из наших участников и читателей просто не могут постоянно говорить или обсуждать новое решение или новую схему, которые они видели в Интернете. Именно по этим причинам мы решили создать этот усилитель, вдохновленные большим количеством друзей и решениями, которые мы видели на нескольких веб-сайтах.
Корректная печатная плата
В качестве дополнительного мотива можно упомянуть, что эта микросхема очень ценится в мире почитателей хорошего звука, она отличается большой музыкальностью, и в подтверждение этого факта можно привести пример: — его используют несколько уважаемых производителей.
Одним из величайших достижений этой ИС являются усилители Jeff Rowland, Model 10 и Concentra II. Представленный здесь усилитель и все, что вы найдете в Интернете, основаны на официально опубликованном документе «AN-1192» компании «Texas Instruments» (далее — TI), которая является одним из производителей этого монолитного усилителя.
Печатная плата четырех LM3886 в мост
Этот вариант несколько сложнее, зато выходная мощность увеличивается вдвое и составляет порядка 200 В. Данная схема включения микросхем LM3886 может быть использована в составе высококачественного сабвуфера.
В этом документе описывается несколько решений, а именно: соединение двух микросхем мостом, параллельное и параллельное мостовое соединение. Все эти решения можно задействовать для различных целей. Например, если вы хотите получить больше мощности, чем обеспечивает ИС, вы можете применить мостовое соединение, но вам придется снизить напряжение питания или не использовать динамики с импедансом менее 8 Ом.
Тем, кто хочет получить больше мощности и намеревается подключать динамики с сопротивлением менее 8 Ом, можно воспользоваться параллельным соединением двух или более ИС. При установке более двух микросхем можно включать динамики с импедансом менее 4 Ом. Те, кто хочет лучшего из обоих миров, могут воспользоваться решением мостовой параллели на 4 LM3886 (BPA-200), которое даже допускает непрерывную выходную мощность 335 Вт.
Электронные компоненты
Все детали в схеме использовались согласно рекомендации в даташите, единственное, что было изменено, это конденсаторы во входной цепи усилителя — была установлена емкость с номинальным значением 1uF.
Конечно, данные решения носят очень общий характер и представлены довольно «спартански» и не содержат конкретного решения для печатных плат, поэтому для менее опытных самостроителей это может быть небольшой проблемой, если они руководствуются только прилагаемым документом «Texas Instruments».
Используемый блок питания
Для данного проекта был собран источник питания состоящий из следующих компонентов:
Установлены пара трансформаторов, выполненных на тороидальных сердечниках, обеспечивающих переменное напряжение 24V 40VA и 28V 120VA. В цепь выпрямителя были включены два ультрабыстрых диодных моста MUR860 с прямым током 8А. В качестве фильтров выпрямленного напряжения установил электролитические конденсаторы 6800uF/50v в количестве 4 шт, по паре на каждое плечо.
Без подключенной к блоку питания нагрузке, напряжение на выходе составляет 39v, при полной загруженной мощности, падение напряжения составляет 2 вольта, то-есть равняется 37 вольтам, что совсем неплохо. Напряжение питания подается по проводам имеющим диаметр 2,5 мм и усиленную изоляцию.
Технические характеристики:
- Выходная мощность синусоиды Prms: 140 Вт/4 Ом; 80 Вт/8 Ом (@ Ucc = ±40 В, THD=1%)
- Источник питания Ucc: от ±30 В до ±40 В
- Отношение сигнал/шум S/N:> 85 дБ
- Искажения THD: <0,03% (100 Вт/4 Ом); <0,01% (75 Вт/8 Ом)
- Коэффициент демпфирования DF: 106
Основные элементы и материалы:
- Печатная плата: PPK1421
- IC: LM3886T/TF;
- Конденсаторы: 2200 мкФ/63 В, 4700 мкФ/63 В;
- Триммеры: многооборотные 100 Ом;
- Трансформатор: 230 В/2×27 В/300 ВА
Предыдущая запись TPA3116D2 — мини-усилитель мощности 50 Вт
Следующая запись Правильная распиновка XLR шнура
↑ Блок питания
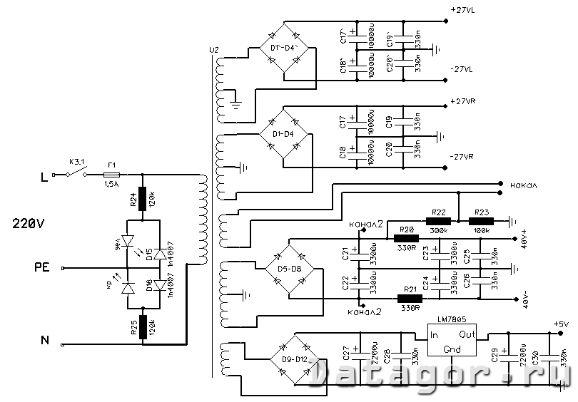
Трансформатор мотался на заказ. Это связано с тем, что необходим был транс с определенным набором обмоток и по габаритам определенной высоты. Последнее условие исходило из концепции корпуса, которая была придумана заранее. Вот схема БП:

Траснформатор содержит следующие обмотки: — 6,3 В 1 А для накала. — 8 В 0,3 А для получения стабилизированных 5 В. Питание коммутации и ЦАПа. — Две обмотки по 30 В 0,1 А – питание лампы. — Четыре обмотки 20 В 3А – питание LM3886. Таким образом для питания LM3886 используются два отдельных выпрямителя. Отдельные для каждого канала. Для питания лампы используется общий выпрямитель, но с отдельными RC цепочками.
Также для индикации правильности включения вилки в розетку, с точки зрения фаза-ноль, сделан индикатор на элементах R24, R25, D15, D16 и светодиоде с двойным свечением (красный и зеленый). Схема из датагорской статьи «Сетевой фильтр с контролем правильности подключения к питающей сети для усилителя звуковой частоты».
Хочу несколько слов сказать, зачем по-моему нужно правильное включение в сеть. Меня учили, что начало обмотки должно быть подключено к фазе, а конец обмотки нулю. В этом случае нуль как бы покрывает сверху обмотку и таким образом получается дополнительная экранировка сетевой обмотки. В правоте этого утверждения я не раз убеждался, поэтому стараюсь придерживаться этого правила.
Раз уж речь зашла о правильности подключения обмоток, то еще несколько замечаний. Может кому пригодится. Используемой мной трансформатор состоит как бы из двух половинок. На каждой половинке намотаны по две обмотки 20 В (для питания LM3886). Так вот вопрос: как использовать эти обмотки? Как их правильно подключить? Понятно, что конец одной обмотки с началом следующей.
Вопрос в другом: использовать на один канал две обмотки с одной половинки трансформатора или с разных? Ответ: с разных. Именно в этом случае наводок будет меньше. По крайней мере у меня получилось именно так. Кроме того т.к. я не знал, где у вторичных обмоток начало, а где конец, то пришлось поэкспериментировать. Коммутируя обмотки по разному, нашел вариант с минимальными наводками от него. Другими словами, иногда достаточно поменять концы у обмоток, чтобы уменьшить фон.
Прослушивание
На данный момент усилитель мощности работает со старыми колонками JVC и CD-плеером той же компании.
- Усилитель звучит очень красиво. У него чистый и динамичный бас, его не слишком много или слишком мало — просто правильно, как надо.
- Он не заглушает остальную часть спектра, как в некоторых конструкциях, и опускается довольно низко по АЧХ.
- Средний диапазон чистый и одинаково динамичный. Высокие частоты чистые, а не звонкие или приглушенные.
- Гитары агрессивны, барабаны не исчезают на заднем плане. На большой громкости практически нет искажений.
Думаю он звучит намного лучше, чем УМЗЧ на STK, который есть дома, или несколько других усилителей, которые слышал у друзей. Звук действительно динамичный и сочный. Эффект стерео отлично различим — легко определить где гитарист или солист.
↑ Примененные детали
Лампа — 6Н23П-ЕВ. Практически все резисторы (кроме блока защиты) у меня Kiwame на 2 Вт.
Так исторически сложилось, что я их применяю в ламповых усилителях, поэтому у меня скопился небольшой запас. Плата разведена именно под размер этих резисторов. Хотя вполне можно использовать резисторы 0.25 Вт (кроме R11 и R12). В блоке защиты применены обычные дешевые резисторы на 0.25 Вт. Резистор R10 фирмы Allen-Bradley.
Опять же случайно получилось. Kiwame на 10кОм у меня закончились, а парочка Allen-Bradley нашлась. Вообще Allen-Bradley мне нравится в катодах выходных ламп, поэтому поставил сюда без сомнений, тем более что такое сопротивление малоприменимо в катодах ламп.
Катушка L1 мотается на резисторе 10 Ом мощностью 5 Вт эмалированным проводом диаметром 0,8 мм до заполнения. Получается ок. 18 витков.
Реле в защите на 24 В с необходимым кол-вом контактных групп. Я использовал реле PT581024 фирмы TE Connectivity с 4 группами контактов. Одна группа отвечает за светодиод и «mute». Две других группы включены параллельно и подключают колонку. Четвертая группа свободна. Хотел ее использовать для других целей, но не сложилось, поэтому можно через нее тоже колонки запитать
Выбор именно этого реле обусловлено его небольшой высотой, что было для меня важно
Большинство остальных элементов можно приобрести в датагорском магазине: чип LM3886TF, регулятор громкости ALPS, диоды БП УМЗЧ HER508, диоды питания лампы и стабилизатора на 5 Вольт SF14, все диоды зашунтированы керамическими конденсаторами керамическими конденсаторами 0,022 мкФ, конденсаторы в питании Samwha 3300uF, низкопрофильная серия HC. Подозреваю, что для питания лампы такие большие емкости не нужны, можно и поменьше, но у меня других не было для эксперементов.
Конденсаторы С17 и С18 на 10000 uF Panasonic, небольшие по высоте. Плёночные конденсаторы, шунтирующие электролиты в питании, емкостью 0,33 мкф типа К73-17.
Конденсатор C1 – главная деталь усилителя. От него зависит ВСЕ. Т. к. в ламповых конструкциях межкаскадные конденсаторы такой емкости практически не применяются, то запаса таких емкостей у меня не было. Пришлось экспериментировать с теми, что нашлись в закромах.
Первым был Mundorf MCap 1 мкф — звук чистый приятный, но низов катастрофически не хватает. Далее был noname красного цвета емкостью 4,7 мкф. – низких вагон (срез примерно 7 Гц) звук мягкий, похож на ламповый. Но какой то размытый. Четкости не хватает. Последним был неполярный Mundorf E-Cap емкостью 3,3 мкф. Низких хватает. Звук очень четкий, я бы сказал слишком резкий. По началу мне не понравился именно своей излишней четкостью. Но т.к. кандидаты на место С1 у меня закончились, я его оставил временно. Через пару дней звук вошёл в норму. Наверное приработался Mundorf или я привык. В итоге у меня стоит именно Mundorf E-Cap.
Корпус и сборка
В качестве корпуса использовался старый магнитофон, потому что он имел правильные размеры и хорошую вентиляцию. Сняв все лишнее, пришло время вырезать вентиляционные отверстия сзади и высверлить все места под винты. Вентиляционные отверстия были подточены напильником, но они так и не выглядели идеально, поэтому накрыл их матерчатыми кусками.
На задней панели установлены позолоченные клеммы для бананов / динамиков — они удобны и выглядят красиво. Также на задней панели находится гнездо предохранителя на 6 А (меньшие по размеру не выдерживают скачок тока источника питания) и выключатель питания. Входной сигнал пропускается через экранированные кабели.
Следующим шагом — сделать переднюю панель. Вначале клей и кусочки пластика начали покрывать все лишние отверстия. Затем автомобильная шпаклевка. Оставлен только выключатель и индикатор. Остальное отшлифовали наждачной бумагой в порядке 80-180-400-600. Получился довольно хороший эффект.
Управление охлаждением УНЧ — схема
Два вентилятора 12 В с питанием от блока питания меньшего номинала 9 В работают в режиме охлаждения. Они не производят шума, но в будущем планируется изменить напряжение на ещё более тихое.





