Схема пробника для проверки микросхемы КРЕН
Эта схема уступает предыдущей компоновке.
Конденсатор С1 удаляет генерацию при ступенчатом подключении входного напряжения, а емкость С2 предназначена для защиты от импульсных помех. Величину ее берем 100 микрофарад, напряжение по величине стабилизатора напряжения
.Диод 1N 2021 не дает возможность конденсатору разрядиться . Входное напряжение стабилизатора должно превышать напряжение выхода на 2,5 В. Нагрузку следует выбирать в соответствии с тестируемым стабилизатором.
На корпусе установили кнопку питания для удобства пользования. Штыревой контакт пришлось доработать путем изгибания.
На этом пробник готов. Он является своеобразной приставкой к мультиметру
.Вставляем в гнезда штыри пробника, границу измерения устанавливаем на 20 В, провода соединяем с блоком питания, регулируем напряжение на 15 В и нажимаем кнопку питания на пробнике . Прибор сработал, на экране отображается 9,91 вольта.
Как проверить выходное напряжение стабилизатора?
https://youtube.com/watch?v=JPZTt7CB8_I
TL 431 это программируемый шунтирующий регулятор напряжения. Хотя, эта интегральная схема начала выпускаться в конце 70-х она до сих пор не сдаёт своих позиций на рынке и пользуется популярностью среди радиолюбителей и крупных производителей электротехнического оборудования
. На плате этого программируемого стабилизатора находится фоторезистор, датчик измерения сопротивления и терморезистор.TL 431 повсеместно используются в самых разных электрических приборах бытовой и производственной техники . Чаще всего этот интегральный стабилитрон можно встретить в блоках питания компьютеров, телевизоров, принтеров и зарядок для литий-ионных аккумуляторов телефонов.
Схемы применения TL431
Для того, чтобы правильно подключить, важно соблюдать технику безопасности и следовать последовательности, как, например, при применении схемы подключении двухклавишного выключателя или при применении схемы подключения узо
Работа микросхемы
Извне принцип работы аппарата выделяется довольно несложно. Если подать на контакт ref напряжение, которое превышает 2 В, тогда выходной транзистор проведёт электрически ток между анодом и катодом. Ток, который идёт к микросхеме, в блоке питания в таком случае увеличивается. Это вызывает уменьшение мощности блока питания. Затем происходит уменьшение напряжения до допустимого уровня. Следовательно, для блока питания применяют TL431 с целью того, чтобы поддерживалось стабильное выходное напряжение.
Одна из самых важных частей микросхемы – источник опорного напряжения. Он эквивалентен ширине запрещённой зоны. Основные составляющие есть на фото кристалла – пространство эммитера транзистора Q5 в восемь раз превышает Q4. Так, два транзистора имеют разные реакции на температуру. Объединение выходных сигналов с транзисторов происходит посредство объединения через резисторы R4, R3 и R2 в необходимой пропорции с целью компенсации эффектов температуры. Итого, формируется стабильный опорный сигнал.
В компаратор по температуре из стабилизированной запрещённой зоны посылается напряжение. Входом компаратора служат Q9 и Q8, Q1 и Q6. Выход же компатора идёт через Q10, чтобы управлять резистором Q11 (выходной).
Схема включения и контроля напряжения TL431A
Нередко терморезистор выполняет функцию датчика температуры, уменьшая степень своего сопротивления в случае возрастания температуры. Это происходит по причине отрицательного температурного коэффициента сопротивления (ТКС). Те резисторы, у которых сопротивление увеличивается вместе с увеличением температуры (с положительным значением ТКС), имеют название позисторы. В этом терморегуляторе в случае превышения температуры заданного лимита, заработает реле или любое другое устройство с подобными функциями. Оно сразу же отключит нагрузку или включит систему охлаждения в зависимости от ситуации.
Данная схема имеет малый гистерезис, и чтобы его увеличить, нужно ввести ООС (отрицательная обратная связь) между выводами 1-3. К примеру, подстроченный резистор с сопротивлением 1.0-0.5 мОм. Надо подобрать экспериментальным путём подобрать в зависимости от требуемого гистерезиса. Если требуется, чтобы устройство срабатывало во время температурного снижения, тогда следует поменять местами регуляторы и датчик. Иначе говоря, включить в верхнее плечо термистор, а в нижнее – переменное сопротивление с самим резистором.
Производители
Первая микросхема TL431 изготовлена американской фирмой Texas Instruments в далеком 1977 году и с тех пор завоевала популярность. Сейчас ее производством занимаются множество зарубежных компаний: Texas Instruments, ON Semiconductor, Unisonic Technologies, STMicroelectronics, IK Semicon Co, HTC Korea TAEJIN Technology, NXP Semiconductors, Microsemi Corporation, Motorola, Fairchild Semiconductor, Analog Intergrations Corporation, Guangdong Kexin Industrial, Diodes Incorporated, Wing Shing Computer Components, KEC(Korea Electronics), SHIKE Electronics, Calogic, Continental Device India Limited, Sangdest Microelectronic (Nanjing), SeCoS Halbleitertechnologie GmbH, Hotchip Technology, Foshan Blue Rocket Electronics, Compact Technology, GUANGDONG HOTTECH INDUSTRIAL, Sames, Kersemi Electronic, Sirectifier Global, Shenzhen Jin Yu Semiconductor, Nanjing International Group, DONGGUAN YOU FENG WEI ELECTRONICS. На Российском рынке представлена продукция таких компаний: Diodes Incorporated, Texas Instruments, STMicroelectronics, NXP Semiconductors, ON Semiconductor, Fairchild Semiconductor, Unisonic Technologies.
TL 431 интегральный стабилитрон
Основные характеристики программируемого источника опорного напряжения TL 431
- Номинальное рабочее напряжение на выходе от 2,5 до 36 В;
- Ток на выходе до 100 мА;
- Мощность 0,2 Ватт;
- Диапазон рабочей температуры для TL 431C от 0° до 70°;
- Диапазон рабочей температуры для TL 431A от -40° до +85°.
Точность интегральной схемы TL 431 указывается шестой буквой в обозначении:
- Точность без буквы – 2%;
- Буква А – 1%;
- Буква В – 0, 5%.
Столь широкое его применения обусловлено низкой ценой, универсальным форм-фактором, надёжностью, и хорошей устойчивостью к агрессивным факторам внешней среды. Но также следует отметить точность работы данного регулятора напряжения. Это позволило ему занять нишу в устройствах микроэлектроники.
Основное предназначение TL 431 стабилизировать опорное напряжение в цепи. При условии, когда напряжение на входе источника ниже номинального опорного напряжения, в программируемом модуле транзистор будет закрыт и проходящий между катодом и анодом ток не будет превышать 1 мА. В случае, когда выходное напряжение станет превышать запрограммированный уровень, транзистор будет открыт и электрический ток сможет свободно проходит от катода к аноду.
Схема включения TL 431
В зависимости от рабочего напряжения устройства схема подключения будет состоять из одноступенчатого преобразователя и расширителя (для устройств 2,48 В.) или модулятора небольшой ёмкости (для устройств 3.3 В). А также чтобы снизить риск короткого замыкания, в схему устанавливается предохранитель, как правило, за стабилитроном. На физическое подключение оказывает влияние форм-фактор устройства, в котором будет находиться схема TL 431, и условия окружающей среды (в основном температура).
Стабилизатор на основе TL 431
Простейшим стабилизатором на основе TL 431 является параметрический стабилизатор. Для этого в схему нужно включить два резистора R 1, R 2 через которые можно задавать выходное напряжение для TL 431 по формуле: U вых= Vref (1 + R 1/ R 2). Как видно из формулы здесь напряжение на выходе будет прямо пропорционально отношению R 1 к R 2. Интегральная схема будет держать напряжение на уровне 2,5 В. Для резистора R 1 выходное значение рассчитывается так: R 1= R 2 (U вых/ Vref – 1).
Эта схема стабилизатора, как правило, используется в блоках питания с фиксированным или регулируемым напряжением. Такие стабилизаторы напряжения на TL 431 можно обнаружить в принтерах, плоттерах, и промышленных блоках питания. Если необходимо высчитать напряжение для фиксированных источников питания, то используем формулу Vo = (1 + R 1/ R 2) Vref.
Временное реле
Прецизионные характеристики TL 431 позволяют использовать его не совсем по «прямому» назначению. Из-за того, что входной ток этого регулируемого стабилизатора составляет от 2 до 4 мкА, то используя данную микросхему можно собрать временное реле. Роль таймера в нём будет исполнять R1 который начнёт постепенно заряжаться после размыкания контактов S 1 C 1. Когда напряжение на выходе стабилизатора достигнет 2,5 В, транзистор DA1 будет открыт, через светодиоды оптопары PC 817 начёт проходить ток, а открытый фоторезистор замкнёт цепь.
Термостабильный стабилизатор на основе TL 431
Технические характеристики TL 431 позволяют создавать на его основе термостабильные стабилизаторы тока. В которых резистор R2 выполняет роль шунта обратной связи, на нём постоянно поддерживается значение 2,5 В. В результате значение тока на нагрузке будет рассчитываться по формуле Iн=2,5/R2.
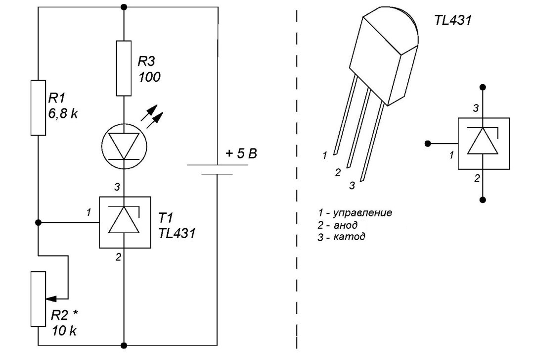
Цоколёвка и проверка исправности TL 431
Форм-фактор TL 431 и его цоколёвка будет зависеть от производителя. Встречаются варианты в старых корпусах TO -92 и новых SOT-23. Не стоит забывать про отечественный аналог: КР142ЕН19А тоже широко распространённый на рынке. В большинстве случаев цоколёвка нанесена непосредственно на плату. Однако не все производители так поступают, и в некоторых случаях вам придётся искать информацию по пинам в техпаспорте того или иного устройства.
TL 431 является интегральной схемой и состоит из 10 транзисторов. Из-за этого проверить её мультиметром невозможно. Для проверки исправности микросхемы TL 431 нужно использовать тестовую схему. Конечно, часто нет смысла искать перегоревший элемент и проще заменить схему целиком.
Программы расчёта для TL 431
В интернете существует множество сайтов, где вы сможете скачать программы-калькуляторы для расчёта параметров напряжения и силы тока. В них можно указывать типы резисторов, конденсаторов, микросхем и прочих составных частей схемы. TL 431 калькуляторы также бывают онлайн, они по функционалу проигрывают устанавливаемым программам, но если вам нужно исключительно входные/выходные и максимальные значения схемы, то они справятся с этой задачей.
Особенности конструкции
У TL431 есть альтернативная версия TL43LI, у которой более лучшая стабильность, а также более низкий температурный дрейф (VI (dev)). Также у улучшенной версии более низкий опорный ток, которой необходим для повышения уровня точности всей системы.
Устройство TL431 является трёхконтактным и регулируется шунтирующим регулятором с термической стабильностью. Напряжение на выходе может устанавливаться между значением источника опорного напряжения (Vref) 2.5 и 36 В с двумя внешними резисторами. У устройства на выходе стандартный электрический импенданс – 0,2 Ом. Схема активного выхода обеспечивает очень точный способ включения. Эта возможность делает аппарат превосходной заменой диодов Зенера (стабилитронов) во многих областях применения, таких как встроенное регулирование и переключение источников питания.
Другая версия устройства – TL432 – имеет те же функциональные и технические характеристики, что и верися TL431, но имеет различные выводы для цоколевки DBV, DBZ и PK. Обе версии TL431 и TL432 представлены в трех классах с изначальными температурными пределами (при 25 градусах) 0.5%, 1% и 2% для B, A и стандартного класса соответственно. Более того, низкий дрейф на выходе в зависимости от температуры обеспечивает хорошую стабильность во всем диапазоне рабочих температур.
Цоколевка TL431 имеет следующий вид:
Распиновка TL431 выглядит так:
Источник опорного напряжения TL431
В то же время ток светодиода очень круто зависит от питающего напряжения. Выпускаются радиоконструкторы для самостоятельной сборки своими руками.
Для контроля уровня жидкости, например воды в ванне, к схеме подключается датчик из двух нержавеющих пластин, которые расположены на расстоянии нескольких миллиметров друг от друга.
Вследствие этого напряжение на управляющем контакте TL ниже заданного уровня, из-за этого светодиод не горит.
Общее описание TL TL — регулируемый или программируемый регулятор напряжения.
Если же светодиод совсем не светится, то это означает что контролируемое напряжение на уровне заданного порога 0,05…0,1В. Поскольку данной величины тока хватает для того чтобы светодиод светился, то что бы избежать этого, нужно просто параллельно светодиоду подсоединить сопротивление на 2…3 кОм.
Если потенциал ниже порога установленного делителем R1 и R2, то светодиод горит зеленым цветом, если же выше порогового значения, то светодиод горит красным цветом.
Она также находит применение практически во всех маломощных импульсных источниках питания. При этом сопротивление резистора должно быть около 20 Ом, мощность рассеивания — 18 мВт.
Как сделать индикатор напряжения 2,5-36 Вольт
https://youtube.com/watch?v=t7Zz8IGAda4

Кому лень читать
Я не зря опять затронул эту тему ,это одна из самых массово выпускаемых интегральных микросхем.
Рисунок 5.
Улучшенная схема будет выглядеть так: Данная доработка позволяет значительно снизить пульсации тока и, следовательно, яркости светодиодов. Для стопроцентного предотвращения загорания светодиода в его цепь дополнительно включены 2 диода.
Datasheet на русском.. К примеру, если в качестве датчика применить фототранзистор , то в конечном итоге получится фотореле, реагирующее на степень освещенности. На данной микросхеме реализовано множество схем зарядных устройств для литиевых аккумуляторов. Быстрое переключение.
Схема, приведенная ниже, представляет собой мощный светильник на двух ваттных светодиодах и ваттном IRF в корпусе ТО см. В полной схеме включения к TL добавляются еще два резистора, но в этом случае можно получить произвольное выходное напряжение. Рисунок 5.
Простое зарядное устройство для литиевого аккумулятора. Но этого тока достаточно для очень слабого свечения светодиода HL1. Следующая формула справедлива для вычисления сопротивлений резисторов, в случае если мы хотим получить какое-то фиксированное напряжение. Но главный плюс схемы заключается в нормализации режима работы светодиодов и защита их от бросков напряжения во время включения.
Вместо заключения
Но у светодиода максимально допустимый ток составляет всего 20 мА. В данной схеме R3 рассчитывается точно также, как если бы использовался обычный стабилитрон, то есть зависит от выходного напряжения, диапазона входного напряжения и диапазона токов нагрузки. Варианты использования данной микросхемы могут быть различные, но максимальное распространение она получила в блоках питания с регулируемым и фиксированным напряжением. Реле времени TL нашел свое применение не только как источник опорного напряжения, а и во многих других применениях. Все это время она находится на первых местах в списке мировых лидеров в производстве электронных компонентов, прочно удерживаясь в первой десятке или, как чаще говорят, в мировом рейтинге TOP
TL Ее выпуск стартовал в году. В этом случае вместо фототранзистора нужно подсоединить два нержавеющих электрода, которые втыкают в землю на небольшом расстоянии друг от друга.
TL431 управляемый стабилитрон,как проверить работу.
https://youtube.com/watch?v=aiNyHpu88lg
Что это такое

Параллельный стабилизатор TL431 работает так же, как стандартный стабилизатор. Различие уровня напряжения выхода и входа компенсируется благодаря мощному транзистору биполярного типа. Стабилизация будет лучше при условии того, что обратная связь поступает с выхода самого стабилизатора.
Резистор R1 должен быть рассчитан на минимальный ток, который равен 5 мА. Резисторы R2 и R3 рассчитываются аналогично, как для стабилизатора параметрического типа. Через каждый резистор протекает ток, у которого сила обратно пропорциональна значению сопротивления резистора. Существует два типа соединений резисторов: параллельное и последовательное соединение в форме цепи.
https://youtube.com/watch?v=7TjhVWOklro
Какие существуют аналоги
Микросхема имеет высокую популярность в мире профессионалов и любителей электроники. Поэтому её выпускают многие изготовители. Всемирно известные фирмы Texas Instruments (как разработчик), Motorola, Fairchild Semiconductor и другие производят микросхему под оригинальным названием. Нельзя не упомянуть выпускавшийся ранее стабилизатор TL430, с Vref=2,75 В и увеличенным в полтора раза максимальным рабочим током. Но эта микросхема была менее востребована, и до начала эпохи SMD-монтажа не дожила.
Другие производители выпускают регулятор напряжения с другими буквенными индексами, но обязательно имеющими в своих названиях цифры 431 (в противном случае потребитель просто не обратит внимания на неизвестную микросхему). На рынке присутствуют:
- KA431AZ;
- KIA431;
- HA17431VP;
- IR9431N
и другие микросхемы, сходные по функционалу. Но изделия малоизвестных и неизвестных производителей не гарантируют соответствие параметров.
Существует отечественный аналог – КР142ЕН19А, выпускается в корпусе КТ-26 (похож на транзистор малой мощности). Полностью аналогичен оригинальной микросхеме, но некоторые характеристики немного отличаются. Так, внутреннее сопротивление нормируется в пределах <0,5 Ом.
Заслуживает упоминания и ШИМ-контроллер SG6105. Он содержит два внутренних стабилизатора, абсолютно идентичных TL431. Они имеют отдельные выводы и их можно использовать в качестве источников образцового напряжения.
Статус
| TL431ACD | TL431ACDBVR | TL431ACDBVRE4 | TL431ACDBVRG4 | TL431ACDBVT | TL431ACDBVTE4 | TL431ACDBVTG4 | TL431ACDBZR | TL431ACDBZRG4 | TL431ACDBZT | TL431ACDBZTG4 | TL431ACDCKR | TL431ACDG4 | TL431ACDR | TL431ACDRE4 | TL431ACDRG4 | TL431ACLP | TL431ACLPE3 | TL431ACLPM | TL431ACLPME3 | TL431ACLPR | TL431ACLPRE3 | TL431ACP | TL431ACPK | TL431ACPKG3 | TL431ACPSR | TL431ACPW | TL431ACPWE4 | TL431ACPWR | TL431ACPWRG4 | TL431AID | TL431AIDBVR | TL431AIDBVRE4 | TL431AIDBVRG4 | TL431AIDBVT | TL431AIDBVTE4 | TL431AIDBVTG4 | TL431AIDBZR | TL431AIDBZRG4 | TL431AIDBZT | TL431AIDBZTG4 | TL431AIDCKR | TL431AIDCKRE4 | TL431AIDCKRG4 | TL431AIDCKT | TL431AIDCKTG4 | TL431AIDG4 | TL431AIDR | TL431AIDRE4 | TL431AIDRG4 | TL431AILP | TL431AILPE3 | TL431AILPM | TL431AILPME3 | TL431AILPR | TL431AILPRE3 | TL431AIP | TL431AIPE4 | TL431AIPK | TL431AIPKG3 | TL431AQDBVR | TL431AQDBVT | TL431AQDBZR | TL431AQDBZRG4 | TL431AQDBZT | TL431AQDBZTG4 | TL431AQDCKR | TL431AQDCKT | TL431AQPK | TL431AQPKG3 | |
|---|---|---|---|---|---|---|---|---|---|---|---|---|---|---|---|---|---|---|---|---|---|---|---|---|---|---|---|---|---|---|---|---|---|---|---|---|---|---|---|---|---|---|---|---|---|---|---|---|---|---|---|---|---|---|---|---|---|---|---|---|---|---|---|---|---|---|---|---|---|---|
| Статус продукта | В производстве | В производстве | В производстве | В производстве | В производстве | В производстве | В производстве | В производстве | В производстве | В производстве | В производстве | В производстве | В производстве | В производстве | В производстве | В производстве | В производстве | В производстве | В производстве | В производстве | В производстве | В производстве | В производстве | В производстве | В производстве | В производстве | В производстве | В производстве | В производстве | В производстве | В производстве | В производстве | В производстве | В производстве | В производстве | В производстве | В производстве | В производстве | В производстве | В производстве | В производстве | В производстве | В производстве | В производстве | В производстве | В производстве | В производстве | В производстве | В производстве | В производстве | В производстве | В производстве | В производстве | В производстве | В производстве | В производстве | В производстве | В производстве | В производстве | В производстве | В производстве | В производстве | В производстве | В производстве | В производстве | В производстве | В производстве | В производстве | В производстве | В производстве |
| Доступность образцов у производителя | Нет | Нет | Нет | Нет | Да | Нет | Нет | Нет | Нет | Нет | Нет | Да | Да | Нет | Да | Да | Нет | Да | Нет | Нет | Нет | Да | Да | Нет | Нет | Да | Да | Нет | Нет | Нет | Нет | Да | Нет | Нет | Нет | Нет | Нет | Да | Нет | Нет | Да | Нет | Нет | Нет | Нет | Нет | Нет | Нет | Да | Нет | Да | Да | Нет | Нет | Нет | Нет | Да | Нет | Нет | Нет | Нет | Да | Нет | Нет | Нет | Нет | Нет | Нет | Нет | Нет |
Калькулятор для TL431
Для облегчения расчетов можно воспользоваться калькулятором:
Скачать калькулятор для TL431 (103,4 Kb, скачано: 22 880) Скачать datasheet TL431 на русском (702,6 Kb, скачано: 15 476)
Компактные регуляторы напряжения tl431, реализованные корпорацией Texas Instruments в виде интегральной схемы, поступили в эксплуатацию в конце семидесятых годов. Популярность, которой пользуется этот шунтирующий, с возможностью программирования, регулятор, не проходит до сих пор. Установка подобного интегрального стабилитрона осуществляется в импульсные блоки питания таких устройств, как телевизоры, персональные компьютеры, зарядные устройства для сотовых телефонов и другой аппаратуры.
Технические характеристики
ИС tl431a описание которой объясняет её работу, имеет следующие параметры:
- интервал Uвх – от 2,5 до 36В;
- Rвых – 0,2 Ом;
- допустимый ток в прямом направлении – от 1 до 100 мА;
- линейка погрешности (%) – 0,5%, 1%, 2%.
Микросборка не содержит в своём составе свинца, термостабильна на всём интервале рабочей температуры и отличается низким уровнем выходного шума.
Точностные характеристики
Стабилизаторы тока tl431имеют точность заявленных по паспорту завода-изготовителя характеристик. Главный параметр UREF=2,495 В. Он определялся при следующих условиях:
- при токе через катод 10 мА;
- при Т окр.ср. = +250С;
- в режиме замыкания входа R на катод К.
Реальная величина UREF в определённой схеме может зависеть от нескольких причин:
- переменных температурных отклонений;
- воздействия напряжения UAK (между анодом и катодом);
- влияния IK (тока катода) на крутизну преобразований.
В любом случае отклонение значения UREF – не больше 20-40 мВ.
Частотные характеристики
АЧХ (амплитудно-частотная характеристика) стабилитрона tl431может быть описана простой моделью, включающей в себя идеальный преобразователь напряжения в ток. На его выходе в роли шунта выступает ёмкость С = 70 нФ. Когда стабилизатор работает на нагрузку, имеющую сопротивление Rн = 230 Ом, то АЧХ имеет спад, начиная с отметки 10 кГц.
К сведению. Если рассчитать частоту усиления без учёта Rн, то она равна примерно 2 МГц. Однако спад АЧХ на высших частотах происходит быстрее расчётной и составляет 1 МГц. Такие особенности не влияют на работоспособность ИС и могут не учитываться.
Устройство и принцип действия
По внешнему виду устройство напоминает обыкновенный транзистор. Однако, несмотря на три вывода, в состав интегральной схемы (ИС) tl431a входят:
- операционный усилитель (ОУ);
- источник опорного (эталонного) напряжения UREF;
- транзистор, включенный на выходе.
ИС тл431 выполняет контроль такого параметра, как напряжение, и носит название управляемого стабилитрона.
Внимание! Эталонное (опорное) напряжение (UREF) необходимо не для питания цепей микросхемы, а для того чтобы, опираясь на значение этого напряжения, производить стабилизацию на выходе ИС
Если провести аналогию с транзистором, то выполненный с применением биполярных триодов параллельный стабилизатор напряжения (СН) так же обладает тремя выводами:
- «база» – управляющий вход (R0);
- «коллектор» – катод (C);
- «эмиттер» – анод (А).
При работе СН к управляющему входу (R0) и аноду (А) прикладывается положительный потенциал. Ток IКА, протекающий по цепи «катод – анод», представляется стабилизированным выходным сигналом.
Важно! ОУ в составе ИС сравнивает значение UREF с U входящим и на основании этого выполняет стабилизацию. В этой ИМС UREF равно 2,5 В и вырабатывается встроенным источником
Иными словами, транзистор, установленный на выходе ОУ, откроется тогда, когда подаваемое на вход напряжение будет равно или чуть превысит UREF.
Как следует из схемы, на электроде R расположен делитель напряжения из резистивных элементов. Используя внешние делители, реально организовать стабилизацию в интервале Uвх = 2…36 В. При этом максимальный ток может достигать 100 мА.
Интересно. Если накоротко замкнуть выводы первый и третий и не использовать делитель, то напряжение стабилизации такого управляемого стабилизатора будет равно 2,5 В.
Частотные характеристики [ править | править код ]
Амплитудно-частотная характеристика (АЧХ) TL431, скомпенсированная встроенной миллеровской ёмкостью выходного каскада , в первом приближении описывается уравнением фильтра нижних частот первого порядка; простейшая частотно-зависимая модель схемы состоит из идеального преобразователя напряжения в ток, выход которого зашунтирован ёмкостью в 70 нФ . При работе на типичную резистивную нагрузку сопротивлением 230 Ом спад АЧХ стандартной TL431 начинается на отметке 10 кГц , а расчётная частота единичного усиления, не зависящая от сопротивления нагрузки, составляет около 2 МГц . Из-за явлений второго порядка АЧХ в области высших частот спадает быстрее, чем предсказывает модель, поэтому реальная частота единичного усиления составляет всего 1 МГц ; на практике это различие не имеет значения .
Скорости нарастания и спада IKA, UKA и время установления UREF не нормируются. По данным Texas Instruments, при включении питания UKA быстро возрастает до ≈2 В и, временно, примерно на 1 мкс , останавливается на этом уровне. Затем в течение примерно 0,5…1 мкс происходит заряд встроенной ёмкости, и на катоде устанавливается постоянное стабилизированное UKA .
Шунтирование анода и катода TL431 ёмкостью может приводить к самовозбуждению . При малых (не более 1 нФ ) и при больших (свыше 10 мкФ ) ёмкостях TL431 устойчива; в области 1 нФ…10 мкФ самовозбуждение вероятно . Ширина области неустойчивости зависит от сочетания IKA и UKA. Наихудшим с точки зрения устойчивости является сочетание малых токов и малых напряжений; напротив, при больших токах и напряжениях, когда рассеиваемая микросхемой мощность приближается к предельной величине, TL431 становится абсолютно устойчивой . Однако даже стабилизатор относительно высокого напряжения может самовозбуждаться при включении, когда напряжение на катоде ещё не поднялось до штатного уровня .
Публикуемые в технической документации графики граничных условий устойчивости являются, по признанию самой Texas Instruments, неоправданно оптимистичными . Они описывают «типичную» микросхему при нулевом запасе по фазе , тогда как на практике следует ориентироваться на запас по фазе не менее 30° . Для подавления самовозбуждения обычно достаточно включить между анодом TL431 и ёмкостью нагрузки «антизвонное» сопротивление в 1…1 000 Ом ; его минимальная величина определяется сочетанием ёмкости нагрузки, IKA и UKA .
Описание работы
Работа микросхемы lm324n основана на функционировании внутри неё одновременно четырех ОУ. Все усилители запитываеются от одного источника питания, имеют инвертирующий, не инвертирующий входы и одни выход. Источник питания может быть однополярным или двухполярным.
Рассмотрим внутреннюю схему одного из операционных усилителей c однополярным питанием. Возьмем её прямо из даташит на LM324.
Функционально каждый операционный усилитель состоит из: дифкаскада, а так же каскадов промежуточного и выходного усиления.
Дифференциальный каскад, выполняет функции усиления разности подаваемых на вход напряжений (V+ и V—) и нейтрализации синфазных сигналов. Обеспечивает высокое сопротивление на входе.
Промежуточный каскад обеспечивает балансировку операционника (установку на выходе нулевого напряжения при замкнутых входах), согласование сопротивлений дифференциального и выходного каскадов, а так же частотную коррекцию (защиту от самовозбуждения).
Выходной каскад обеспечивает низкое выходное сопротивление, требуемую мощность в нагрузке, ограничение тока и защиту при коротком замыкании.
Маркировка
Серия LM основана на интегральных микросхемах производства National Semiconductor. Приставка LM изначально означала linear monolithic (линейный, монолитный) и применялась для обозначения усилителей общего назначения (General Purpose) к которым не предъявлялись жестких требований. Цифры “324” указывают на серийный номер микросхемы. «-N», в конце серийника, обозначаются устройства, приобретенные Texas Instruments у National Semiconductor. В сентябре 2011 году National Semiconductor была передана Texas Instruments, которая не изменила приставку LM в своей продукции. Поэтому в настоящее время маркировка LM является кодом производителя Texas Instruments, но её широко используют другие производители при выпуске своих аналогов этой микросхемы.
Следует также отметить, что фирмы-производители постоянно совершенствуют свою продукцию. В настоящее время появились превосходящие по ряду функций модификации, например: LM324K, LM324KA с внутренней защитой от электрического разряда (HBM ESD); микромощные LP324 с током потребления 21 мкА; низковольтные LMV324, с напряжением питания от 2,7 В до 5,5 В; LPV324, изготавливаемые по технологии BiCMOS и током потребления 9 мкА и др. Усилители с символом «А» в маркировке, например “ LM324A-N ”, будут иметь лучшие характеристики по VIO по сравнению c другими (без «A»).
Производители
Из-за своих хороших параметров, надежности и дешевизны, TL431 используется в различных технических решениях. Поэтому её производством занимаются многие зарубежных компаний. Существует даже полностью переведенный datasheet tl431 на русском от Texas Instruments (TI). А вот ссылки на некоторые даташит устройств продающихся в РФ: TI, ON Semiconductor, STMicroelectronics, Nexperia, HTC Korea, NXP Semiconductors. Есть еще изготовители этих изделий, но их трудно найти в российских магазинах. К ним относятся: Unisonic Technologies, Motorola, Fairchild Semiconductor, Diodes Incorporated, HIKE Electronics, Calogic, Sangdest Microelectronic (Nanjing), SeCoS Halbleitertechnologie GmbH, Hotchip Technology, Foshan Blue Rocket Electronics и др.
Советуем изучить Информация о плановом отключении электроэнергии: где и как искать?
Технические параметры
Свойства
Предлагаем рассмотреть максимально допустимые рабочие свойства микросхемы. Если при его применении они будут превышены, то устройство будет неминуемо выходить из строя. Длительная эксплуатация с характеристиками, которые близки к предельному значению, тоже недопустимы. Рассмотрим их подробнее:
- Напряжение выходного типа, катодное (VКА), по отношению к анодному выводу до 37 В.
- Вероятные токовые значения – для катодного значения непрерывного на выходе (IКА) составляет 100-150 мА, а для обратного при вхождении от 50 до 10 мА.
- Типичный импеданс бывает от 0.22 Ом.
- Мощность рассеиваемого типа (для различных видов упаковки) РD: 0.75 Вт (SO-8); 0,33 Вт (SOT-23); 0,5 Вт (SOT-25); 0.8 Вт (SOT-89) и 0,78 Вт (ТО-92).
- Кристаллическая температура (ТJ) – рабочая от -40 до +70 градусов (для определенных автомобильных версий).
- Температура хранения составляет от -65 до +155 градусов.
Рекомендуемые эксплуатационные параметры
При рабочих условиях рекомендованные значения применения стабилизатора является входное напряжение опорного типа не более 36 В, катодный ток должен быть от 1 до 100 мА, а также соблюдение режимов температуры при применении. Следует учесть, что при IКА< 5мА эта микросхема может работать нестабильно. Ниже есть электрические параметры устройства, которые замерены при температурном уровне ТА=25 градусов.
https://youtube.com/watch?v=BWN99lanMSg
Схемы подключения
Требуется разобраться, как работает элемент на примере простой схемы стабилизации, которая состоит непосредственно из стабилитрона и 1 резистора. В катод требуется подключить положительный, а в анод минусовой полюс для запитки. Для подключения микросхемы, на ее управляющий электрод требуется подавать опорное напряжение. Если значение стабилизатора ТL получится больше 2.5 В, то стабилитрон практически сразу откроется и начинает пропускать через себя электрический ток, которым можно запитывать требуемую нагрузку. Его значение начнет расти вместе с увеличением уровня Vin. А вот ток можно определить по формуле IKA = (Vin— Vref)/R. При этом напряжение выходного типа будет стабилизовано на уровне опорного, которое не более 2.5 В и вне зависимости от подаваемого на входе Vin. Максимальное значение IKA у стабилизатора ограничено не просто 100 мА, но и мощностью корпусного рассеивания.
Расчет параметрической стабилизационной схемы
Регулирование напряжения стабилизации
Для выстраивания схем с возможность регулирования вручную напряжения на выходе, вместо простого первого резистора устанавливают потенциометр. Номинал резистора ограничительного типа, который оказывает сопротивление току на входу, требуется рассчитать по формуле R=(VIN-VКА)/ IIN. При этом IIN = IKA+ IL. Несмотря на преимущества микросхемы, у нее есть достаточно существенный минус – малый ток в нагрузке, который она может выдержать. Для решения такой проблемы в схему требуется подключать полевые или мощные биполярные транзисторы. Примеры разных схем можно увидеть в видео.
Аналоги стабилизатора
Есть микросхемы отечественного производства, которые похожи по своим свойствам на рассматриваемую. Это линейный российский стабилизатор КР142ЕН19. Больше всего подойдут IR943N, ТL432 и LМ431. К устройствам с такой цоколевкой, но немного иными остальными электрическими характеристиками можно отнести НА17431А и КIА431. В роли замены еще можно попробовать применять АРL1431.





