↑ Начинаем сборку!
Перед сборкой усилителя подготавливаем все необходимые радиодетали согласно приведенному выше перечню элементов. С помощью тестера осуществляем входной контроль резисторов и конденсаторов. Резисторы и неполярные конденсаторы могут иметь отклонения от номинального значения +/-10%, а электролитические конденсаторы -10%…+80%. Далее с помощью пинцета формуем выводы радиодеталей. При установке вертикально расположенных элементов на печатную плату пригодится простейшее приспособление — полоска из изоляционного материала толщиной 0,6…1,0 мм с прорезью на конце (рис. 6). Применение этого приспособления поможет установить все элементы на одной высоте над платой, что придаст профессиональный вид выполненному монтажу.
Рис. 6. Приспособление для монтажа
Такая же полоска из изоляционного материала толщиной 1,5…2,0 мм позволит осуществить строго одинаковую обрезку выводов радиодеталей со стороны печатных дорожек.
Монтаж усилителя начинаем с установки двух перемычек
Обратите внимание на то, чтобы диаметр провода перемычки, расположенной под выводами микросхемы DA1 соответствовал толщине ее выводов. Далее устанавливаем все малогабаритные детали: резисторы, конденсаторы (кроме С6), транзисторы, светодиод и штыревой разъем со съемной перемычкой (джампером)
Последними запаиваем конденсатор С6 и микросхему DA1. Тщательно проверяем монтаж в соответствии со схемой (рис. 4). При этом особое внимание уделяем отсутствию замыканий между токоведущими дорожками, правильности установки электролитических конденсаторов, транзисторов и светодиода.
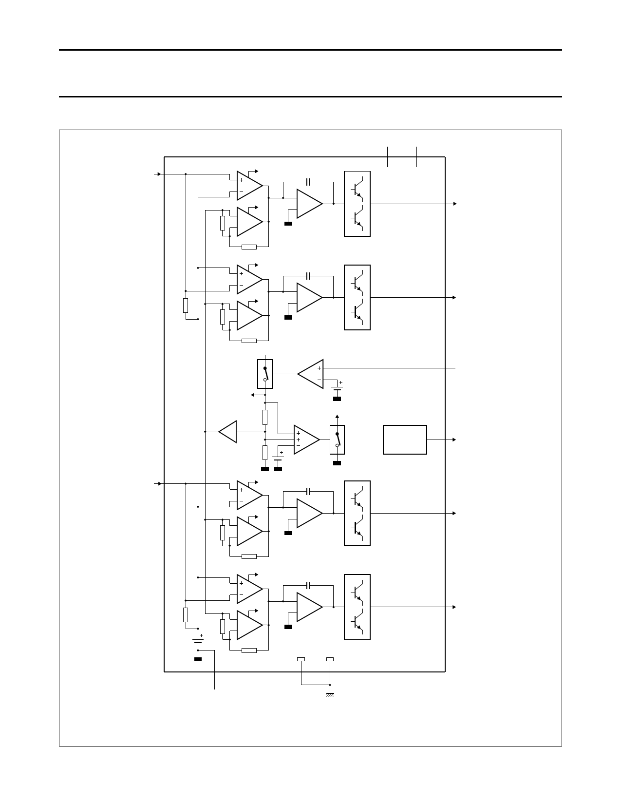
Структурная схема микросхемы TDA1557Q
Монтаж усилителя на TDA 1558Q
Если сборку можно производить навесным монтажом без применения печатной платы, то сначала у микросхемы надо удалить не используемые выводы 4, 9 и 15. Потом аккуратно распрямите выводы. Далее отогните выводы 5, 13 и 14 вверх, все эти выводы подключаются к плюсу питания. Следующим шагом отогните выводы 3, 7 и 11 вниз – это минус питания, или «земля». После этих манипуляций прикрутите микросхему к теплоотводу, используя теплопроводную пасту. На рисунках виден монтаж с разных ракурсов, но я всё же поясню. Выводы 1 и 2 спаиваются вместе – это вход правого канала, к ним надо припаять конденсатор 0.33 мкФ. Точно так же надо поступить с выводами 16 и 17. Общий провод для входа это минус питания или «земля». К выводам 5, 13 и 14 припаяйте провод плюса питания. Этот же провод припаивается к плюсу конденсатора 6800 мкФ. Отогнутые вниз выводы 3, 7 и 11 так же спаиваются вместе проводом, и этот провод припаивается к минусу конденсатора 6800 мкФ. Далее от конденсатора провода идут к источнику питания. Выводы 6 и 8 – это выход правого канала, 6 вывод припаивается к плюсу динамика, а вывод 8 к минусу. Выводы 10 и 12 – это выход левого канала, вывод 10 припаивается к плюсу динамика, а вывод 12 к минусу. Конденсатор 0.22 мкФ надо припаять параллельно выводам конденсатора 6800 мкФ.
Варианты собранных усилителей
Микросхемы имеют довольно высокую выходную мощность (около 22Вт х 2) и для её охлаждения понадобится радиатор, площадью не менее 100кв см. Можно применить радиатор от процессора.
Прежде чем подавать питание, внимательно проверьте правильность монтажа. На входе усилителя надо поставить сдвоенный переменный резистор 47-100 кОм для регулировки громкости.
Вышеизложенные схемы для начинающих радиолюбителей, вполне лёгкие в сборке и не нуждаются в настройке. Собраны на дешёвых деталях, которые можно купить в любом радиомагазине. Детали можно также найти в автомагнитолах.
- Доработка усилителя «Радиотехника У-101-стерео»
У многих со времен СССР остались усилители мощности «Радиотехника У-101-стерео». В статье, ниже рассмотрены его схема, характеристики и доработки.
МЗЧ с малыми нелинейными искажениями
Основные технические характеристики:
- Номинальная выходная мощность на нагрузке 8 Ом, Вт … 25
- Коэффициент гармоник, %, не более ……………….. 0,003
- Скорость нарастания выходного напряжения , В/мкс …. не менее 40
- Номинальное входное напряжение, В ……………….. 0,7 Подробнее…
Активная акустическая система.
Всем хороши минимузыкальные центры, и широкий набор функциональных возможностей, и неплохие характеристики, мало места занимают в квартире. Одно плохо, — выходная мощность невысокая, обычно не более 5-10W. Конечно, можно купить более мощный аппарат, но музыкальный центр с выходной мощностью около 100W стоит на порядок дороже. А это существенно для кармана многих наших граждан. Подробнее…
Аннтенные усилители — SWA
В публикуемой здесь статье наш постоянный автор анализирует схемотехнику антенных усилителей польского производства и обосновывает свой осознанный подход к их выбору с точки зрения коэффициентов шума и усиления.
Он также дает рекомендации по ремонту таких устройств, довольно часто выходящих из строя от грозовых разрядов, и устранению самовозбуждения.
Это позволит, надеемся, многим радиолюбителям не только выбрать необходимый усилитель, но и улучшить его работу. Подробнее…
Популярность: 55 904 просм.
↑ Налаживание
Припаиваем провода от печатной платы, подключаем источник питания и убеждаемся в работоспособности усилителя. Правильно собранный из исправных деталей усилитель не требует налаживания . Микросхему DA1 следует установить на теплоотвод площадью не менее 600 кв. см. Для повышения надежности работы микросхемы при монтаже рекомендуется использовать теплопроводную пасту КПТ-8 или АЛСИЛ-3. Будьте внимательны при подключении усилителя к источнику питания.Максимальное напряжение не должно превышать 18В. Переполюсовка источника питания, начиная с напряжения 6 В, приводит к выходу микросхемы из строя.
Режимы работы усилителя по постоянному току приведены в табл. 2. ▼ Файловый сервис недоступен. Зарегистрируйтесь или авторизуйтесь на сайте.
Усилитель на TDA1562Q микросхеме 70Вт
08.12.2014 | Своими руками, Электро | 1 | Кирилл
В детстве собирал интересный усилитель на TDA1562Q, интересен он минимальным набором деталей, простотой и хорошей работой, а так же высокой выходной мощностью. Заявленная производителем мощность в 70Вт не RMS, т.
е эта мощность не может выдаваться постоянно, лишь в пиковые моменты.
Это связано что напряжение на микросхеме подкачивается за счет конденсаторов большой емкости, благодаря чему усилитель TDA1562Q, способен поднять мощность вsit чем аналогичные усилители без конденсаторной подкачки.
Усилитель на TDA1562Q был собран специально для самодельного сабвуфера, сердцем которого служила 10″ (дюймовая) низкочастотная головка Sony Xplod, несмотря на заявленную производителем завышенную мощность динамика, микросхем TDA1562Q раскачивала ее ОЧЕНЬ хорошо, на столько что в комнатке 10 м², басом качало и в грудак и шкафы.
Сабвуфер умер в пожаре, а усилитель остался, раздербаненый в поисках нужных деталей. А сейчас, я решил вернуть его к жизни и повторить удачный опыт сборки Бассзиллы.
Вернемся к восстановлению усилителя на TDA1562Q:
Схема включения и печатная плата позаимствована из набора NM2034 для сборки усилителя НЧ 70Вт, моно (TDA1562Q, авто)
Мне не хотелось придумывать велосипед.
— Нестеров Кирилл
Номиналы электронных компонентов приведены в таблице:
| Позиция | Наименование | Примечание | Кол. |
| C1 | 0,47мкФ/63В | Тип К73-17 | 1 |
| С2, СЗ | ОДмкФ или 0,22мкФ | Тип К73-44 (пленочный) (код 104 или 224) | 2 |
| С4 | 10мкФ/25…50В | 1 | |
| С5, С6 | 4700мкФ/25В | 0 17 | 2 |
| С7 | ОДмкФ | (104) | 1 |
| С8 | 2200мкФ/25В | 1 | |
| DA1 | TDA1562 | 1 | |
| HL1 | Светодиод, красный. 03 мм | 1 | |
| HL2 | Светодиод, зеленый, 03 мм | 1 | |
| R1 | 1 ОкОм | Подстроечный резистор | 1 |
| R2, R4 | 1 ОкОм | Коричневый, черный, оранжевый | 2 |
| R3 | 1 ООкОм или 91 кОм | Коричневый, черный, желтый или белый, коричневый, оранжевый | 1 |
| R5 | 1кОм | Коричневый, черный, красный | 1 |
| R 6 | 820 Ом | Серый, красный, коричневый | 1 |
| VD1 | Zeiiner 2V7 | Стабилитрон на 2,7 В 1/2W | 1 |
| VT1 | ВС558 | Возможная замена ВС557 | 1 |
| VT2 | ВС547 | Возможная замена ВС548 | 1 |
| PLS-40 | 2 контакта3 контакта | 2 2 | |
| Съемная перемычка (джампер) | 1 | ||
| А2034 | Печатная плата 67×37 | 1 |
Datasheet Download — NXP Semiconductors
| Номер произв | TDA8560 | ||
| Описание | 2 x 40 W/2 ohm stereo BTL car radio power amplifier with diagnostic facility | ||
| Производители | NXP Semiconductors | ||
| логотип | |||
|
1Page
INTEGRATED CIRCUITS 2 × 40 W/2 Ω stereo BTL car radio power amplifier with diagnostic
Philips Semiconductors 2 × 40 W/2 Ω stereo BTL car radio power amplifier with diagnostic facility • Requires very few external components • High output power • 4 Ω and 2 Ω load impedance • Low output offset voltage • Fixed gain • Diagnostic facility (distortion, short-circuit and temperature detection) • Good ripple rejection • Mode select switch (operating, mute and standby) • Load dump protection • Short-circuit safe to ground, to VP and across the load • Low power dissipation in any short-circuit condition • Thermally protected • Reverse polarity safe • Electrostatic discharge protection • No switch-on/switch-off plop • Flexible leads • Low thermal resistance. GENERAL DESCRIPTION It contains 2 × 40 W/2 Ω amplifiers in BTL configuration. The device is primarily developed for car radio VP IORM Iq(tot) Isb Isw ZI Po PARAMETER αcs Gv Vno ∆VO supply voltage ripple rejection RL = 4 Ω; THD = 10% RL = 2 Ω; THD = 10% Rs = 0 Ω Rs = 10 kΩ Rs = 0 Ω MIN. µA µA kΩ W µV mV
Philips Semiconductors 2 × 40 W/2 Ω stereo BTL car radio power amplifier with diagnostic facility 18 kΩ mute switch Cm V P1 3 kΩ input 2 18 kΩ VP 15 kΩ x1 15 kΩ mute 11 mode switch mute 18 kΩ mute switch Cm kΩ input 18 kΩ ground (signal) 7 output 2A MEA856 — 1 |
|||
| Всего страниц | 16 Pages | ||
| Скачать PDF |
Усилитель звука для компьютера на микросхеме TDA8560Q
Представленная здесь схема УНЧ собрана на одном из самых популярных и востребованных чипов TDA8560Q. Широкую известность микросхема получила благодаря своей универсальности и надежности в работе. Ее можно применять как в схемах усиления звука для компьютера, так и в автомобильных стерео-усилителях. Предлагаемый усилитель звука для компьютера, выходной каскад которого работает в классе В и гарантирует музыкальную картину на выходе высокого качества.

Кроме этого аппарат способен стабильно работать на 2-х оммную нагрузку, обеспечивая при этом мощность 40 Вт на каждый канал. При работе на динамические излучатели с сопротивлением 4 Ом, устройство может выдать максимальную мощность 25 Вт или номинальную 18 Вт. Структура данного чипа представляет собой пару идентичных усилителя объединенных в мост.
Все радиоэлектронные элементы скомпонованы на одной печатке. Схема УНЧ подсоединяется напрямую к звуковому модулю компьютера, поэтому здесь не предусмотрено отдельной регулировки баланса, тембра и громкости. Параметры по частоте регулируются посредством программного обеспечения, такого как Win-Amp Player с встроенным эквалайзером на десять полос. Кроме этого плеер дает возможность устанавливать уровень баланса и громкости.
Усилитель звука для компьютера — принципиальная схема

Сборка TDA8560Q размещена на алюминиевом теплоотводе через изоляционную прокладку с применением теплопроводящей пасты КПТ-8. Входные и выходные цепи микросхемы снабжены дополнительными корректирующими элементами. Силовой трансформатор обеспечивающий устройство персональным напряжением питания, встроен в эту же печатную плату, там где и все остальные детали усилителя.
Печатная плата усилителя для компьютера

Используя такой вариант компоновки, удалось получить малогабаритную конструкцию, которая легко уместится в корпусе предназначенного для встраивания в ПК. Печатная плата усилителя изготовлена из фольгированного стеклотекстолита размером 120×160 мм.
Компоновка радиодеталей на плате усилителя

Простая схема усилителя мощности звука на микросхеме TDA8560Q с минимальным набором деталей будет под силу для повторения не только опытным радиолюбителям, но и начинающим.
Принцип работы схемы
Сигналы низкой частоты во входные цепи устройства поступают через фильтрующий конденсатор с номинальной емкостью 0,47 мкФ. Пара динамических излучателей подсоединяются к выводам микросхемы 4-6 и 7-9. Схема задержки включения усилителя реализована в виде каскада собранном на транзисторе BC548. Во время включения устройства, напряжение подается на сопротивление R2, затем поступает на емкость С6, при этом начинается зарядка данного конденсатора.
Исходя из величины накопленной энергии на конденсаторе С6 происходит изменение значения выходного напряжения MODE, что в свою очередь изменяет порядок работы схемы. Если взять для примера: питающее напряжение UMODE в диапазоне от 0v до 2v усилитель перейдет в состояние STANDBY с потреблением тока около 100 мкА. При питании UMODE в диапазоне от 3v до 6v УНЧ перейдет в рабочий режим MUTE с одновременным отключением динамиков. Если питание составит больше 8,4v, что означает нормальный режим, тогда усилитель будет находиться в штатном усиливающем режиме.
Технические характеристики
| Параметр | Значение |
|---|---|
| Напряжение питания: | 6 — 18 В; типовое 14,4 В |
| Пиковое значение выходного тока: | 7,5 А |
| Ток в режиме покоя: | 120 мА |
| Долговременная выходная мощность, при | — |
| Rн = 4 Ом, коэффициенте гармоник = 10%, | 25 Вт |
| Rн = 2 Ом, коэффициенте гармоник = 10%, | 40 Вт |
| Коэффициент усиления по напряжению: | 40 дБ |
| Входное сопротивление: | 30 кОм |
| Входная чувствительность: | 100 мВ |
| Диапазон воспроизводимых частот: | 20 — 20000 Гц |
| Размеры печатной платы: | 120×160 мм |
Скачать: Печатные платы
Предыдущая запись Лучшие колонки для компьютера
Следующая запись HDMI кабель для компьютера к монитору
Усилитель на tda1562
Усилитель на tda1562
Предлагаемый усилитель мощности построен на микросхеме TDA1562, в которой реализован новый класс “H”. Суть его состоит в том, что до определенного значения мощности усилитель работает в классе “В”. Если выходная Мощность повышается дальше, включается схема увеличения напряжения на выходном каскаде и таким образом позволяет раскачать усилитель до максимальной мощности.
На схеме усилителя на TDA1562 показан вариант УНЧ с блоком питания для использования в домашних условиях. Трансформатор с габаритной мощностью 150 Вт должен обеспечивать ток вторичной обмотки не менее 6 А.
Из готовых подойдёт транс от телевизоров – лампачей ТС180. Диодный мост лучше собрать на Д242 – Д245. Для эксплуатации усилителя на TDA1562 в машине, просто подаём питание сразу от 12 В аккумулятора на микросхему. Не забывайте про радиатор, не менее 300 квадратов.
Усилитель имеет защиту выхода от КЗ и термозащиту.
Технические характеристики усилителя на TDA1562
Uпит………………………………………………… +8…18 V
Iпотр.(Uвх.=0)……………………………………. 0,15…0,2 А
Iпотр. средний …………………………………….. 1,5…2 А
Iпотр. максим………………………………………. до 10 А
Рвых. номинал (RMS)…………….50 W (4 Ом); 30 W (8 Ом)
Рвых. максимальная ……………………..70 W (4 Ом.) ; 40 W (8 Ом.)
fраб………………………………………….15…60000 Hz (+0 dB; -3dB)
Uвх. ………………………………………………… -0,7 V
Кусил…………………………………………………..26 dB
Кгарм. ……………………………………………….0,03 %
Ксигнал/шум………………………………………. -90 dB
Кдемпф. (100 Hz; 4 Ом) ……………………..не менее 40
Фирма мастеркит уже давно выпускает готовые наборы для его сборки, так что кто не хочет возиться с изготовлением, может и заказать:
Благодаря внутренним вольтодобавочными элементам, и конденсаторам по 10000 мкф, можно развить, на нагрузке 4 Ома при питании 16 вольт, мощность до 100 Вт.
Реальные испытания усилителя на TDA1562 показали немалый уровень нелинейных искажений, поэтому данную схему рекомендуется устанавливать именно в качестве сабвуфера, где критичность КНИ не столь важна, а не для левых – правых СЧ-ВЧ каналов.
В стационарных условиях, для повышения выходной мощности, микросхему усилителя на TDA1562 лучше питать от увеличенного до 17В напряжения.
Обсудить на ФОРУМЕ
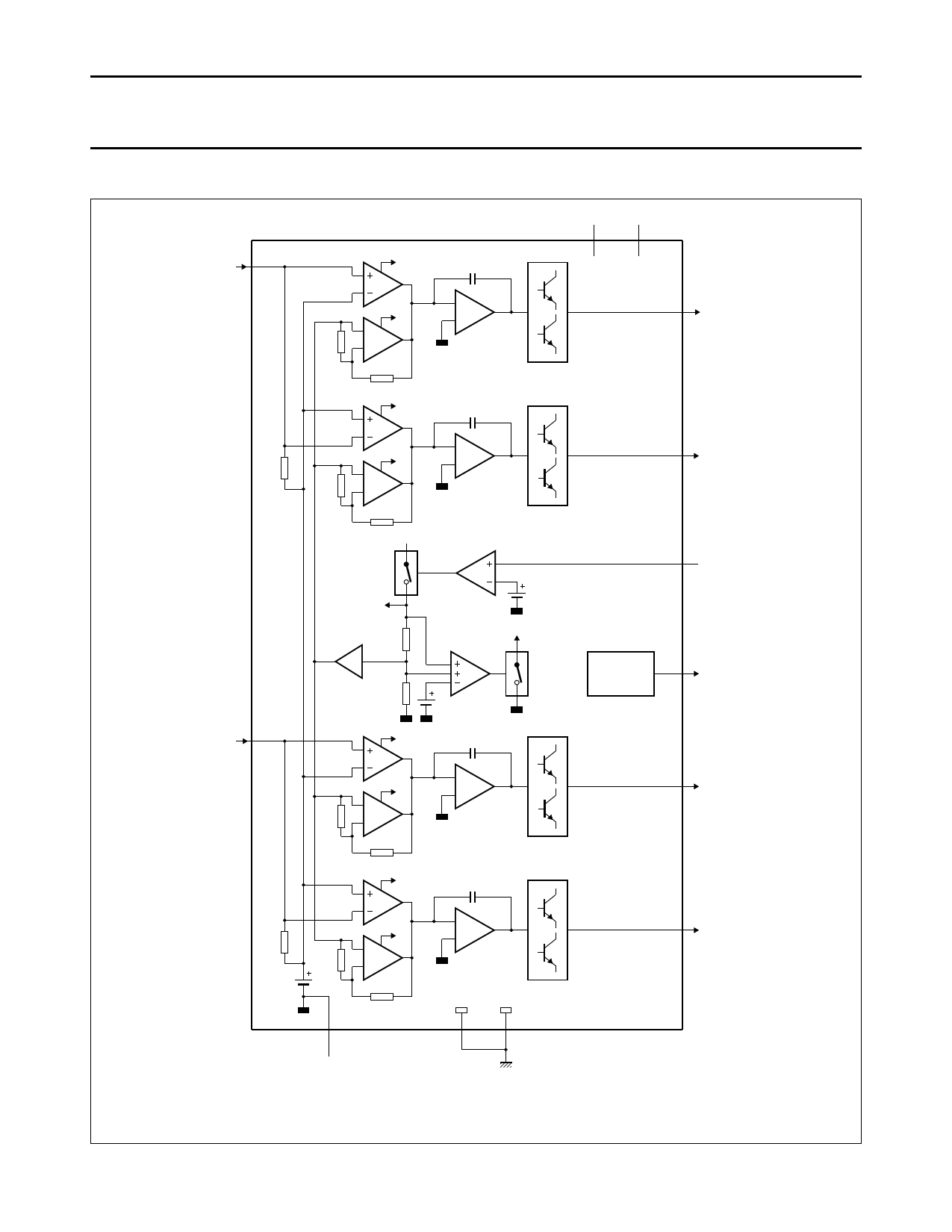
Структурная схема микросхемы TDA1557Q
Монтаж усилителя на TDA 1558Q
Если сборку можно производить навесным монтажом без применения печатной платы, то сначала у микросхемы надо удалить не используемые выводы 4, 9 и 15. Потом аккуратно распрямите выводы. Далее отогните выводы 5, 13 и 14 вверх, все эти выводы подключаются к плюсу питания. Следующим шагом отогните выводы 3, 7 и 11 вниз – это минус питания, или «земля». После этих манипуляций прикрутите микросхему к теплоотводу, используя теплопроводную пасту. На рисунках виден монтаж с разных ракурсов, но я всё же поясню. Выводы 1 и 2 спаиваются вместе – это вход правого канала, к ним надо припаять конденсатор 0.33 мкФ. Точно так же надо поступить с выводами 16 и 17. Общий провод для входа это минус питания или «земля».
К выводам 5, 13 и 14 припаяйте провод плюса питания. Этот же провод припаивается к плюсу конденсатора 6800 мкФ. Отогнутые вниз выводы 3, 7 и 11 так же спаиваются вместе проводом, и этот провод припаивается к минусу конденсатора 6800 мкФ. Далее от конденсатора провода идут к источнику питания.
Выводы 6 и 8 – это выход правого канала, 6 вывод припаивается к плюсу динамика, а вывод 8 к минусу.
Выводы 10 и 12 – это выход левого канала, вывод 10 припаивается к плюсу динамика, а вывод 12 к минусу.
Конденсатор 0.22 мкФ надо припаять параллельно выводам конденсатора 6800 мкФ.
Варианты собранных усилителей
Микросхемы имеют довольно высокую выходную мощность (около 22Вт х 2) и для её охлаждения понадобится радиатор, площадью не менее 100кв см. Можно применить радиатор от процессора.
Прежде чем подавать питание, внимательно проверьте правильность монтажа.
На входе усилителя надо поставить сдвоенный переменный резистор 47-100 кОм для регулировки громкости.
Вышеизложенные схемы для начинающих радиолюбителей, вполне лёгкие в сборке и не нуждаются в настройке. Собраны на дешёвых деталях, которые можно купить в любом радиомагазине. Детали можно также найти в автомагнитолах.
- Доработка усилителя «Радиотехника У-101-стерео»
У многих со времен СССР остались усилители мощности «Радиотехника У-101-стерео». В статье, ниже рассмотрены его схема, характеристики и доработки.
МЗЧ с малыми нелинейными искажениями
Основные технические характеристики:
- Номинальная выходная мощность на нагрузке 8 Ом, Вт … 25
- Коэффициент гармоник, %, не более ……………….. 0,003
- Скорость нарастания выходного напряжения , В/мкс …. не менее 40
- Номинальное входное напряжение, В ……………….. 0,7 Подробнее…
Активная акустическая система.
Всем хороши минимузыкальные центры, и широкий набор функциональных возможностей, и неплохие характеристики, мало места занимают в квартире. Одно плохо, — выходная мощность невысокая, обычно не более 5-10W. Конечно, можно купить более мощный аппарат, но музыкальный центр с выходной мощностью около 100W стоит на порядок дороже. А это существенно для кармана многих наших граждан. Подробнее…
Аннтенные усилители — SWA
В публикуемой здесь статье наш постоянный автор анализирует схемотехнику антенных усилителей польского производства и обосновывает свой осознанный подход к их выбору с точки зрения коэффициентов шума и усиления.
Он также дает рекомендации по ремонту таких устройств, довольно часто выходящих из строя от грозовых разрядов, и устранению самовозбуждения.
Это позволит, надеемся, многим радиолюбителям не только выбрать необходимый усилитель, но и улучшить его работу. Подробнее…
Популярность: 55 904 просм.
↑ Упомянутые источники
• Стереофонический аудиоусилитель на микросхеме TDA2616 • Аудио усилитель TDA7265 2×25W. Объект «Труба» — отгадка • TDA7265 Справочный листок на Датагоре. • TDA7265 (25 +25W STEREO AMPLIFIER WITH MUTE & ST-BY, April 2002). • TDA7265B (30 W + 30 W stereo amplifier with mute and standby, December 2011). • TDA7269A (14W+14W STEREO AMPLIFIER WITH MUTE & ST-BY, June 2003). • TDA7292 (40 W + 40 W stereo amplifier with mute and standby, February 2012). • Баширов С. Р., Баширов А. С. Современные интегральные усилители. — М.: ЭКСМО, 2008. — 176 с. • Авраменко Ю. Ф. Качественный звук — сегодня это просто. — К.: МК-Пресс, 2007
— 288 с.Спасибо за внимание!
↑ Выбор чипа
Что касается заданного вопроса, то схема навскидку будет воспроизводить весь звуковой частотный диапазон (20…20000 Гц), а значит и низкие частоты тоже. Первое, что пришло в голову — рекомендовать к повторению усилитель на TDA2005 или на тошибовском «кирпиче»TA8210 , от надежности работы и звука которого осталось хорошее впечатление . Но эти конструкции безоговорочно проигрывали найденной моим товарищем схеме в простоте. Информация о микросхемеTDA8560Q имеется в литературе . Ее предшественницуTDA1557 я слышал «вживую» и не был разочарован звуком. Итак, решение принято: делаем усилитель наTDA8560Q !
Усилитель на tda1562
Усилитель на tda1562
Предлагаемый усилитель мощности построен на микросхеме TDA1562, в которой реализован новый класс «H». Суть его состоит в том, что до определенного значения мощности усилитель работает в классе «В». Если выходная Мощность повышается дальше, включается схема увеличения напряжения на выходном каскаде и таким образом позволяет раскачать усилитель до максимальной мощности.
На схеме усилителя на TDA1562 показан вариант УНЧ с блоком питания для использования в домашних условиях. Трансформатор с габаритной мощностью 150 Вт должен обеспечивать ток вторичной обмотки не менее 6 А.
Из готовых подойдёт транс от телевизоров — лампачей ТС180. Диодный мост лучше собрать на Д242 — Д245. Для эксплуатации усилителя на TDA1562 в машине, просто подаём питание сразу от 12 В аккумулятора на микросхему. Не забывайте про радиатор, не менее 300 квадратов.
Усилитель имеет защиту выхода от КЗ и термозащиту.
Технические характеристики усилителя на TDA1562
Uпит………………………………………………… +8…18 V
Iпотр.(Uвх.=0)……………………………………. 0,15…0,2 А Iпотр. средний …………………………………….. 1,5…2 А Iпотр. максим………………………………………. до 10 А Рвых. номинал (RMS)…………….50 W (4 Ом); 30 W (8 Ом) Рвых. максимальная ……………………..70 W (4 Ом.) ; 40 W (8 Ом.) fраб………………………………………….15…60000 Hz (+0 dB; -3dB) Uвх. ………………………………………………… -0,7 V Кусил…………………………………………………..26 dB Кгарм. ……………………………………………….0,03 % Ксигнал/шум………………………………………. -90 dB Кдемпф. (100 Hz; 4 Ом) ……………………..не менее 40
Фирма мастеркит уже давно выпускает готовые наборы для его сборки, так что кто не хочет возиться с изготовлением, может и заказать:
Благодаря внутренним вольтодобавочными элементам, и конденсаторам по 10000 мкф, можно развить, на нагрузке 4 Ома при питании 16 вольт, мощность до 100 Вт.
Реальные испытания усилителя на TDA1562 показали немалый уровень нелинейных искажений, поэтому данную схему рекомендуется устанавливать именно в качестве сабвуфера, где критичность КНИ не столь важна, а не для левых — правых СЧ-ВЧ каналов.
В стационарных условиях, для повышения выходной мощности, микросхему усилителя на TDA1562 лучше питать от увеличенного до 17В напряжения.
Обсудить на ФОРУМЕ
Datasheet Download — NXP Semiconductors
| Номер произв | TDA8560Q | ||
| Описание | 2 x 40 W/2 ohm stereo BTL car radio power amplifier with diagnostic facility | ||
| Производители | NXP Semiconductors | ||
| логотип | |||
|
1Page
INTEGRATED CIRCUITS 2 × 40 W/2 Ω stereo BTL car radio power amplifier with diagnostic
Philips Semiconductors 2 × 40 W/2 Ω stereo BTL car radio power amplifier with diagnostic facility • Requires very few external components • High output power • 4 Ω and 2 Ω load impedance • Low output offset voltage • Fixed gain • Diagnostic facility (distortion, short-circuit and temperature detection) • Good ripple rejection • Mode select switch (operating, mute and standby) • Load dump protection • Short-circuit safe to ground, to VP and across the load • Low power dissipation in any short-circuit condition • Thermally protected • Reverse polarity safe • Electrostatic discharge protection • No switch-on/switch-off plop • Flexible leads • Low thermal resistance. GENERAL DESCRIPTION It contains 2 × 40 W/2 Ω amplifiers in BTL configuration. The device is primarily developed for car radio VP IORM Iq(tot) Isb Isw ZI Po PARAMETER αcs Gv Vno ∆VO supply voltage ripple rejection RL = 4 Ω; THD = 10% RL = 2 Ω; THD = 10% Rs = 0 Ω Rs = 10 kΩ Rs = 0 Ω MIN. µA µA kΩ W µV mV
Philips Semiconductors 2 × 40 W/2 Ω stereo BTL car radio power amplifier with diagnostic facility 18 kΩ mute switch Cm V P1 3 kΩ input 2 18 kΩ VP 15 kΩ x1 15 kΩ mute 11 mode switch mute 18 kΩ mute switch Cm kΩ input 18 kΩ ground (signal) 7 output 2A MEA856 — 1 |
|||
| Всего страниц | 16 Pages | ||
| Скачать PDF |
Проверка работоспособности

Как сделать усилитель для сабвуфера мы разобрались, осталось проверить его работоспособность. Это можно сделать в домашних условиях, но ни в коем случае нельзя пренебрегать правилами безопасности, иначе можно получить удар током или испортить устройство. Тестирование проходит следующим образом: усилитель запитывают через аккумулятор и подключают колонку с сопротивлением в 20 Ом. На усилитель подается нагрузка и проверяется мощность.
Если нет начальных знаний радиоэлектроники, лучше проверить работоспособность, вмонтировав усилитель в акустическую систему. Перед этим производится настройка магнитолы. Если после установки усилителя в систему, вы получили желаемый звук, значит усилитель собран правильно.
https://youtube.com/watch?v=Q7FGHvDDiQo
↑ Функциональная схема TDA2822M
приведена в документации . Как видно из рис. 1, каждый канал усилителя по структуре близок к типовой схеме Лина. Усилители имеют общие функциональные узлы: цепи задания опорного тока I REF для генераторов стабильного тока (ГСТ) в цепях эмиттеров дифференциальных каскадов, цепь задания смещения R3, D6 на базах ключей Q12, Q13 и цепи поддержания токов покоя I0 CONTROL выходных каскадов усилителя.
Данное решение способствует улучшению стабильности работы усилителя в мостовом режиме. Каждый канал усилителя состоит из дифференциального каскада Q9…Q11 (Q14…Q16), усилителя напряжения Q7 (Q18) и выходного каскада Q1…Q6 (Q18…Q24).
Рис. 1. Функциональная схема TDA2822M из Datasheet
Дифференциальный каскад имеет динамическую нагрузку в виде токового зеркала на элементах Q8, D5 (Q17, D6).
Исключён фрагмент. Полный вариант статьи доступен меценатам и полноправным членам сообщества. Читай условия доступа.
Обратите внимание, что другие цепи встроенной защиты выходного каскада отсутствуют, что сделано из соображений лучшего использования источника питания, к сожалению, в ущерб надежности. Выводы 5 и 8 микросхемы соединяются с общим проводом по переменному току
В этом случае коэффициент передачи усилителя с отрицательной обратной связью составит:
Выводы 5 и 8 микросхемы соединяются с общим проводом по переменному току. В этом случае коэффициент передачи усилителя с отрицательной обратной связью составит:
Ku=20lg(1+R1/R2)= 20lg(1+R5/R4)=39 дБ.
Структурная схема ИС представлена на рис. 2.
Рис. 2. Структурная схема TDA2822M
Экспериментально определено, что сумма сопротивлений резисторов R1+R2 и R5+R4 равна 51,575 кОм. Зная коэффициент усиления, несложно вычислить, что R1=R5=51 кОм, а R2=R4=0,575 кОм.
Чтобы уменьшить коэффициент усиления микросхемы с ООС, обычно последовательно с R2 (R4) включают дополнительный резистор. В данном случае такому схемотехническому приему «мешают» открытые транзисторные ключи на транзисторах Q12 (Q13).
Но даже, если предположить, что ключи не оказывают влияния на коэффициент передачи с обратной связью, маневр по уменьшению коэффициента усиления незначителен – не более 3 дБ; в противном случае не гарантируется устойчивость усилителя, охваченного ООС.
Поэтому можно поэкспериментировать с изменением коэффициента передачи усилителя, учтя, что сопротивление дополнительного резистора лежит в пределах 100…240 Ом.
TDA8567q 4х25 Вт
Мостовой усилитель класса Hi – Fi на четыре канала. Открыть в полном размере
Есть защита от короткого замыкания выходного каскада и термозащита с уменьшением выходной мощности при перегреве. А еще микросхема обладает защитой от колебаний напряжения и режимом отключения. Еще данная микросхема обладает режимом вкл/выкл входного сигнала(режим Mute), и защитой при подаче напряжения на схему от «щелчка».
Характеристики микросхемы
| Параметр | Значение |
| Uпит | 6-18 В |
| Iвых | 7,5 А |
| Iпокоя | 230 мА |
| Pвых | 4х25 Вт |
| Rвх | 30 кОм |
| Коэффициент усиления | 26 дБ |
| Полоса частот | 20-20000 Гц |
| Коэффициент гармоник | 0,05 % |
| Rнагр | 4 Ом |
Назначение выводов
| Номер вывода | Назначение |
| 1 | Напряжение питания |
| 2 | Выход 1+ |
| 3 | Общий |
| 4 | Выход 1- |
| 5 | Выход 2- |
| 6 | Общий |
| 7 | Выход 2+ |
| 8 | Напряжение питания |
| 9 | Диагностика |
| 10 | Вход 1 |
| 11 | Вход 2 |
| 12 | Общий сигнальный |
| 13 | Вход 3 |
| 14 | Вход 4 |
| 15 | Выбор режима |
| 16 | Напряжение питания |
| 17 | Выход 3+ |
| 18 | Общий |
| 19 | Выход 3- |
| 20 | Выход 4- |
| 21 | Общий |
| 22 | Выход 4+ |
| 23 | Напряжение питания |
↑ Наша схема на TDA8560Q — правильная!
Схема усилителя с внесенными исправлениями показана на рис. 2. Переключатель SW1 используется для включения усилителя из режима STAND-BY, в котором все каскады усилителя заперты, и он практически не потребляет ток от источника питания. В усилителе имеются две общие шины: сигнальная и силовая. Резистор R3 необходим для соединения этих «земель» на плате, чтобы не спалить усилитель при случайном отсоединении слаботочного (сигнального) общего провода. В дальнейшем силовая и сигнальная «земли» соединяются отдельными проводами в одной точке, например на пластине заземления, размещенной у входного разъема
Акцентировано внимание на правильности подключения акустических систем, для чего на принципиальной схеме (рис. 2 ) указана их фазировка
Исключён фрагмент. Полный вариант статьи доступен меценатам и полноправным членам сообщества. Читай условия доступа.
Рис. 2.
Исправленная схема усилителя на ИС TDA8560Q
Заключение
Монтаж усилителя своими руками имеет массу преимуществ:
- Качественный звук.
- Высокая выходная мощность.
- Достаточно простой процесс сборки.
- Экономия средств.
Если вы решили собрать усилитель самостоятельно, отнеситесь к этому серьезно, ознакомьтесь с точным описанием процесса и постарайтесь вникнуть в суть
Важно соблюдать меры безопасности во время работы. Установку каждой детали нужно производить очень внимательно и аккуратно, спешка тут ни к чему, иначе вся работа будет насмарку
Проверяйте все контакты, чтобы не пришлось делать это уже после монтажа в аудиосистему.
Это описание подойдет новичкам, которые никогда не сталкивались с работой с электроникой. Изготовление усилителя своими руками позволит значительно сэкономить на покупке этого дорогостоящего девайса. Правильная сборка может гарантировать надежную работу и качественный звук.












