Напряжение стабилизации
Самый главный параметр стабилитрона – это конечно же, напряжение стабилизации. Что это за параметр?
Давайте возьмем стакан и будем наполнять его водой…
Сколько бы воды мы не лили в стакан, ее излишки будут выливаться из стакана. Думаю, это понятно и дошкольнику.
Теперь по аналогии с электроникой. Стакан – это стабилитрон. Уровень воды в полном до краев стакане – это и есть напряжение стабилизации стабилитрона. Представьте рядом со стаканом большой кувшин с водой. Водой из кувшина мы как раз и будем заливать наш стакан водой, но кувшин при этом трогать не смеем. Вариант только один – лить воду из кувшина, пробив отверстие в самом кувшине. Если бы кувшин был меньше по высоте, чем стакан, то мы бы не смогли лить воду в стакан. Если объяснить языком электроники – кувшин обладает “напряжением” больше, чем “напряжение” стакана.
Так вот, дорогие читатели, в стакане заложен весь принцип работы стабилитрона. Какую бы струю мы на него не лили (ну конечно в пределах разумного, а то стакан унесет и разорвет), стакан всегда будет полным. Но лить надо обязательно сверху. Это значит, напряжение, которое мы подаем на стабилитрон, должно быть выше, чем напряжение стабилизации стабилитрона.
Интегральный стабилизатор и стабилитрон
На Трехвыводных стабилизаторах напряжения построить стабильный источник нестандартного напряжения. Схемы в студию!
Что мы в результате видим? Видим стабилизатор напряжения и стабилитрон, подключенный к среднему выводу стабилизатора. ХХ – это две последние цифры, написанные на стабилизаторе. Там могут быть цифры 05, 09, 12 , 15, 18, 24. Может уже есть даже больше 24. Не знаю, врать не буду. Эти две последние цифры говорят нам о напряжении, которое будет выдавать стабилизатор по классической схеме включения:
Здесь стабилизатор 7805 выдает нам по такой схеме 5 Вольт на выходе. 7812 будет выдавать 12 Вольт, 7815 – 15 Вольт. Более подробно про стабилизаторы можно прочитать здесь.
U стабилитрона – это напряжение стабилизации на стабилитроне. Если мы возьмем стабилитрон с напряжением стабилизации 3 Вольта и стабилизатор напряжение 7805, то на выходе получим 8 Вольт. 8 Вольт – уже нестандартный ряд напряжения ;-). Получается, что подобрав нужный стабилизатор и нужный стабилитрон, можно с легкостью получить очень стабильное напряжение из нестандартного ряда напряжений ;-).
Давайте все это рассмотрим на примере. Так как я просто замеряю напряжение на выводах стабилизатора, поэтому конденсаторы не использую. Если бы я питал нагрузку, тогда бы использовал и конденсаторы. Подопытным кроликом у нас является стабилизатор 7805. Подаем на вход этого стабилизатора 9 Вольт от балды:
Следовательно, на выходе будет 5 Вольт, все таки как-никак стабилизатор 7805.
Теперь берем стабилитрон на Uстабилизации =2,4 Вольта и вставляем его по этой схеме, можно и без конденсаторов, все-таки делаем просто замеры напряжения.
Опа-на, 7,3 Вольта! 5+2,4 Вольта. Работает! Так как у меня стабилитроны не высокоточные (прецизионные), то и напряжение стабилитрона может чуточку различаться от паспортного (напряжение, заявленное производителем). Ну, я думаю, это не беда. 0,1 Вольт для нас погоды не сделают. Как я уже сказал, таким образом можно подобрать любое значение из ряда вон.
Применение диодов
Не следует думать, что диоды применяются лишь как выпрямительные и детекторные приборы. Кроме этого можно выделить еще множество их профессий. ВАХ диодов позволяет использовать их там, где требуется нелинейная обработка аналоговых сигналов. Это преобразователи частоты, логарифмические усилители, детекторы и другие устройства. Диоды в таких устройствах используются либо непосредственно как преобразователь, либо формируют характеристики устройства, будучи включенными в цепь обратной связи. Широкое применение диоды находят в стабилизированных источниках питания, как источники опорного напряжения (стабилитроны), либо как коммутирующие элементы накопительной катушки индуктивности (импульсные стабилизаторы напряжения).
Выпрямительные диоды.
С помощью диодов очень просто создать ограничители сигнала: два диода включенные встречно – параллельно служат прекрасной защитой входа усилителя, например, микрофонного, от подачи повышенного уровня сигнала. Кроме перечисленных устройств диоды очень часто используются в коммутаторах сигналов, а также в логических устройствах. Достаточно вспомнить логические операции И, ИЛИ и их сочетания. Одной из разновидностей диодов являются светодиоды. Когда-то они применялись лишь как индикаторы в различных устройствах. Теперь они везде и повсюду от простейших фонариков до телевизоров с LED – подсветкой, не заметить их просто невозможно.
Будет интересно Как устроен туннельный диод?
Параметры диодов
Параметров у диодов достаточно много и они определяются функцией, которую те выполняют в конкретном устройстве. Например, в диодах, генерирующих СВЧ колебания, очень важным параметром является рабочая частота, а также та граничная частота, на которой происходит срыв генерации. А вот для выпрямительных диодов этот параметр совершенно не важен. Основные параметры выпрямительных диодов приведены в таблице ниже.
Таблица основных параметров выпрямительных диодов.
В импульсных и переключающих диодах важна скорость переключения и время восстановления, то есть скорость полного открытия и полного закрытия. В мощных силовых диодах важна рассеиваемая мощность. Для этого их монтируют на специальные радиаторы. А вот диоды, работающие в слаботочных устройствах, ни в каких радиаторах не нуждаются. Но есть параметры, которые считаются важными для всех типов диодов, перечислим их:
- U пр.– допустимое напряжение на диоде при протекании через него тока в прямом направлении. Превышать это напряжение не стоит, так как это приведёт к его порче.
- U обр.– допустимое напряжение на диоде в закрытом состоянии. Его ещё называют напряжением пробоя. В закрытом состоянии, когда через p-n переход не протекает ток, на выводах образуется обратное напряжение. Если оно превысит допустимое значение, то это приведёт к физическому «пробою» p-n перехода. В результате диод превратиться в обычный проводник (сгорит).
Очень чувствительны к превышению обратного напряжения диоды Шоттки, которые очень часто выходят из строя по этой причине.
Обычные диоды, например, выпрямительные кремниевые более устойчивы к превышению обратного напряжения. При незначительном его превышении они переходят в режим обратимого пробоя. Если кристалл диода не успевает перегреться из-за чрезмерного выделения тепла, то изделие может работать ещё долгое время.
- I пр.– прямой ток диода. Это очень важный параметр, который стоит учитывать при замене диодов аналогами или при конструировании самодельных устройств. Величина прямого тока для разных модификаций может достигать величин десятков и сотен ампер. Особо мощные диоды устанавливают на радиатор для отвода тепла, который образуется из-за теплового действия тока. P-N переход в прямом включении также обладает небольшим сопротивлением. На небольших рабочих токах его действие не заметно, но вот при токах в единицы-десятки ампер кристалл диода ощутимо нагревается. Так, например, выпрямительный диодный мост в сварочном инверторном аппарате обязательно устанавливают на радиатор.
- I обр.– обратный ток диода. Обратный ток – это так называемый ток неосновных носителей. Он образуется, когда диод закрыт. Величина обратного тока очень мала и его в подавляющем числе случаев не учитывают.
- U стаб.– напряжение стабилизации (для стабилитронов). Подробнее об этом параметре читайте в статье про стабилитрон.
Будет интересно SMD транзисторы
Кроме того следует иметь в виду, что все эти параметры в технической литературе печатаются и со значком “max”. Здесь указывается предельно допустимое значение данного параметра. Поэтому подбирая тип диода для вашей конструкции необходимо рассчитывать именно на максимально допустимые величины.
Диоды высокого тока.
Разновидности 12В стабилизаторов
В зависимости от конструкции и способа поддержания 12-ти вольтного напряжения выделяют две разновидности стабилизаторов:
- Импульсные – стабилизаторы, состоящие из интегратора (аккумулятора, электролитического конденсатора большой емкости) и ключа (транзистора). Поддержание напряжения в заданном интервале значений происходит благодаря циклическому процессу накопления и быстрой отдачи заряда интегратором при открытом состоянии ключа. По конструктивным особенностям и способу управления такие стабилизаторы подразделяются на ключевые устройства с триггером Шмитта, выравниватели с широтно-импульсной и частотно-импульсной модуляцией.
- Линейные – стабилизирующие напряжение устройства, в которых в качестве регулирующего устройства применяются подключаемые последовательно стабилитроны или специальные микросхемы.
Виды диодов
Диоды подразделяются на полупроводниковые и не полупроводниковые.
Не полупроводниковые — это газонаполненные и ламповые.
Полупроводниковые — являются в современном мире электроники самыми востребованными на настоящий момент. Такие элементы подразделяются между собой по множественным характеристикам.
По размеру токового перехода— различаются выпрямительные, точечные и микросплавные диоды.
Выпрямительные диоды — имеют возможность эксплуатироваться в условиях влажности при значительном напряжении прямого тока. Они устанавливаются в блоках питания и выполняют роль выпрямителей переменного тока.
Точечные модели — отличаются малой площадью и участвуют в преобразовании колебаний значительной частоты.
Микросплавные диоды — по характеру применений аналогичны точечным моделям.
- По частотному диапазону, подразделяются на элементы с высокой, низкой и сверхвысокой частотностью.
- По области применения:
- Диодный мост или выпрямитель используется практически во всех блоках питания и автомобильных генераторах.
- В радиоприемниках и телевизорах используют разработанную схему диодов с конденсаторами или диодные детекторы.
- Для работы с высокочастотными сигналами используют диодные переключатели. Они помогают мгновенно изменять частоту высокочастотных сигналов при помощи переменного тока.
- Для защиты от скачков напряжения используют ограничительные диоды и искрозащитные.
Также выделяются параметрические, сместительные, генераторные, настоечные и умножительные радиоэлементы.
Для стабилизации напряжения требуются диоды, которые способны стабилизировать действия переменного тока. Называются эти диоды стабилитронами, и они могут при электрическом пробое сохранять свои рабочие функции.
Для оформления светящихся рекламных баннеров или вывесок используют специально разработанные светодиоды. Лампы для освещения изготовленные на основе светодиодов потребляют минимальное количество тока и считаются экономичными. Работа токового прибора зависит от номинального тока, а не от напряжения. Кроме того, они в свою очередь также подразделяются на индикаторные, с легким свечением и осветительные, они применяются в LED-лампах и фонариках.
Те диоды, проводимость у которых управляется с помощью дополнительного электрода, называют тиристорами. Они применяются для управления высокой мощностью при помощи сигнала, который подается дополнительному электроду. Они в свою очередь подразделяются на диоды, которые пропускают через себя ток в двух направлениях, поэтому их используют в цепях с переменным током и в одном направлении.
Если человек запутался в характеристиках диодов и не знает какой диод для чего приспособлен, то это легко исправить. Дело в том, что на всех диодах имеется необходимая маркировка, которую будет весьма нетрудно расшифровать.
Первый знак на маркировке будет означать заглавную букву того вещества, из которого был изготовлен диод. Например, буква К, означает что исходным материалом для изготовления был кремний.
Второй знак — означает подкласс. Например, буква С — стабилизатор, Г — генератор шумов.
Третьим знаком обычно является цифра, которая обозначает функции диода. Например, выпрямительные или импульсивные.
Четвертый знак — порядковый номер партии.
Пятый знак — классификация, к которой принадлежит данное изделие.
Выбор устройства
При выборе стабилизатора учитывают следующие характеристики:
- Размеры. Выбранный стабилизатор должен компактно размещаться в запланированном для него месте для установки с возможностью нормального доступа.
- Вид. Из имеющихся в продаже устройств наиболее надежными, компактными и недорогими являются стабилизаторы на основе небольших микросхем.
- Возможность самостоятельного ремонта. Так как даже самые надежные устройства выходят из строя, необходимо отдавать предпочтение ремонтопригодным стабилизаторам, радиодетали к которым имеются в продаже в достаточном количестве и по доступной цене.
- Надежность. Выбранный стабилизатор должен обеспечивать постоянное значение напряжения без значительных отклонений от заявленного их производителем диапазона.
- Стоимость. Для электрической системы автомобиля достаточно приобрести устройство стоимостью до 200 рублей.
Виды диодов
Стабилитроны
Стабилитроны представляют из себя те же самые диоды. Даже из названия понятно, чтоб стабилитроны что-то стабилизируют. А стабилизируют они напряжение. Но чтобы стабилитрон выполнял стабилизацию, требуется одно условие. Они должны подключатся противоположно, чем диоды. Анод на минус, а катод на плюс. Странно не правда ли? Но почему так? Давайте разберемся. В Вольт амперной характеристике (ВАХ) диода используется положительная ветвь – прямое направление, а вот в стабилитроне другая часть ветки ВАХ – обратное направление.
Снизу на графике мы видим стабилитрон на 5 Вольт. Сколько бы у нас не изменялась сила тока, мы все равно будем получать 5 Вольт ;-). Круто, не правда ли? Но есть и подводные камни. Сила тока не должны быть больше, чем в описании на диод, иначе он выйдет из строя от высокой температуры – Закон Джоуля-Ленца. Главный параметр стабилитрона – это напряжение стабилизации (Uст). Измеряется в Вольтах. На графике вы видите стабилитрон с напряжением стабилизации 5 Вольт. Также есть диапазон силы тока, при котором будет работать стабилитрон – это минимальный и максимальный ток (Imin, Imax). Измеряется в Амперах.
Выглядят стабилитроны точно также, как и обычные диоды:
На схемах обозначаются вот так:
Светодиоды
Светодиоды – особый класс диодов, которые излучают видимый и невидимый свет. Невидимый свет – это свет в инфракрасном или ультрафиолетовом диапазоне. Но для промышленности все таки большую роль играют светодиоды с видимым светом. Они используются для индикации, оформления вывесок, светящихся баннеров, зданий а также для освещения. Светодиоды имеют такие же параметры, как и любые другие диоды, но обычно их максимальный ток значительно ниже.
Предельное обратное напряжение (Uобр) может достигать 10 Вольт. Максимальный ток (Imax) будет ограничиваться для простых светодиодов порядка 50 мА. Для осветительных больше. Поэтому при подключении обычного диода нужно вместе с ним последовательно подключать резистор. Резистор можно рассчитать по нехитрой формуле, но в идеале лучше использовать переменный резистор, подобрать нужное свечение, замерять номинал переменного резистора и поставить туда постоянный резистор с таким же номиналом.
Лампы освещения из светодиодов потребляют копейки электроэнергии и стоят дешево.
Очень большим спросом пользуются светодиодные ленты, состоящие из множества SMD светодиодов. Смотрятся очень красиво.
На схемах светодиоды обозначаются так:
Не забываем, что светодиоды делятся на индикаторные и осветительные. Индикаторные светодиоды обладают слабым свечением и используются для индикации каких-либо процессов, происходящих в электронной цепи. Для них характерно слабое свечение и малый ток потребления
Ну и осветительные светодиоды – это те, которые используются в ваших китайских фонариках, а также в LED-лампах
Светодиод – это токовый прибор, то есть для его нормальной работы требуется номинальный ток, а не напряжение. При номинальном токе на светодиоде падает некоторое напряжение, которое зависит от типа светодиода (номинальной мощности, цвета, температуры). Ниже табличка, показывающая какое падение напряжения бывает на светодиодах разных цветов свечения при номинальном токе:
Как проверить светодиод можно узнать из этой статьи.
Тиристоры
Тиристоры представляют собой диоды, проводимость которых управляется с помощью третьего вывода – управляющего электрода (УЭ). Основное применение тиристоров – это управление мощной нагрузкой с помощью слабого сигнала, подаваемого на управляющий электрод. Выглядят тиристоры примерно как диоды или транзисторы. У тиристоров параметров столько, что не хватит статьи для их описания. Главный параметр – Iос,ср. – среднее значение тока, которое должно протекать через тиристор в прямом направлении без вреда для его здоровья. Немаловажным параметром является напряжение открытия тиристор – (Uу), которое подается на управляющий электрод и при котором тиристор полностью открывается.
а вот так примерно выглядят силовые тиристоры, то есть тиристоры, которые работают с большой силой тока:
На схемах триодные тиристоры выглядят вот таким образом:
Существуют также разновидности тиристоров – динисторы и симисторы. У динисторов нет управляющего электрода и он выглядит, как обычный диод. Динисторы начинают пропускать через себя электрический ток в прямом включении, когда напряжение на нем превысит какое-то значение. Симисторы – это те же самые триодные тиристоры, но при включении пропускают через себя электрический ток в двух направлениях, поэтому они используются в цепях с переменным током.
Как проверить стабилитрон
Как же проверить стабилитрон? Да также как и диод! А как проверить диод, можно посмотреть в этой статье. Давайте же проверим наш стабилитрон. Ставим мультиметр на прозвонку и цепляемся красным щупом к аноду, а черным к катоду. Мультиметр должен показать падение напряжения прямого .

Меняем щупы местами и видим единичку. Это значит, что наш стабилитрон в полной боевой готовности.

Ну что же, настало время опытов. В схемах стабилитрон включается последовательно с резистором:

где Uвх – входное напряжение, Uвых.ст. – выходное стабилизированное напряжение
Если внимательно глянуть на схему, мы получили ни что иное, как Делитель напряжения. Здесь все элементарно и просто:
Uвх=Uвых.стаб +Uрезистора
Или словами: входное напряжение равняется сумме напряжений на стабилитроне и на резисторе.
Эта схема называется параметрический стабилизатор на одном стабилитроне. Расчет этого стабилизатора выходит за рамки данной статьи, но кому интересно, в гугл 😉
Итак, собираем схемку. Мы взяли резистор номиналом в 1,5 Килоом и стабилитрон на напряжение стабилизации 5,1 Вольта. Слева цепляем блок питания, а справа замеряем мультиметром полученное напряжение:

Теперь внимательно следим за показаниями мультиметра и блока питания:

Так, пока все понятно, еще добавляем напряжение… Опа на! Входное напряжение у нас 5,5 Вольт, а выходное 5,13 Вольт! Так как напряжение стабилизации стабилитрона 5,1 Вольт, то как мы видим, он прекрасно стабилизирует.

Давайте еще добавим вольты. Входное напряжение 9 Вольт, а на стабилитроне 5,17 Вольт! Изумительно!

Еще добавляем… Входное напряжение 20 Вольт, а на выходе как ни в чем не бывало 5,2 Вольта! 0,1 Вольт – это ну очень маленькая погрешность, ей можно даже в некоторых случаях пренебречь.

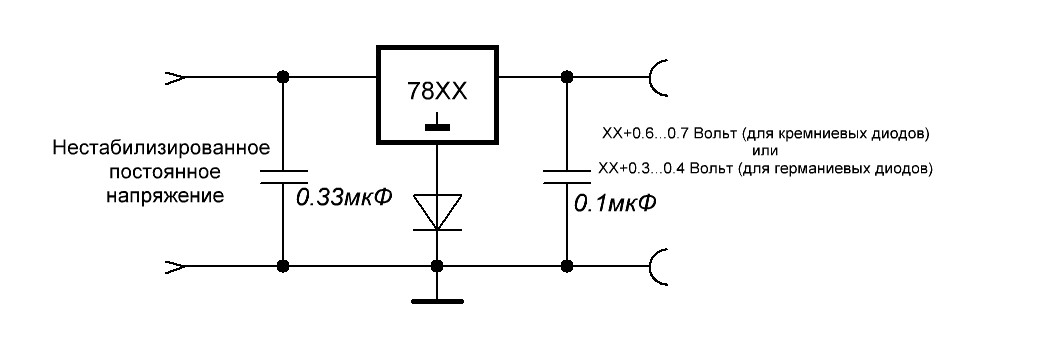
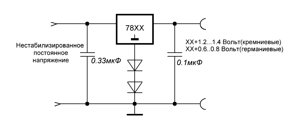
Интегральный стабилизатор и диод
Есть также другой подобный способ, но здесь используются диоды. Может быть Вам известно, что падение напряжение на прямом переходе кремниевого диода составляет 0,6-0,7 Вольт, а германиевого диода – 0,3-0,4 Вольта? Именно этим свойством диода и воспользуемся ;-).
Итак, схему в студию!

Собираем по схеме данную конструкцию. Нестабилизированное входное постоянное напряжение также и осталось 9 Вольт. Стабилизатор 7805.

Итак, что на выходе?

Почти 5.7 Вольт ;-), что и требовалось доказать.
Если два диода соединять последовательно, то на каждом из них будет падать напряжение, следовательно, оно будет суммироваться:

На каждом кремниевом диоде падает по 0,7 Вольт, значит, 0,7+0,7=1,4 Вольта. Также и с германиевыми. Можно соединить и три, и четыре диода, тогда нужно суммировать напряжения на каждом. На практике более трех диодов не используют. Диоды можно ставить даже малой мощности, так как в этом случае ток через них все равно будет мал.
Вот такими простыми способами можно получить нестандартное напряжение.
Что такое стабилитрон, где используется и какие бывают
Стабилитрон, или диод Зенера (по имени американского ученого, первым изучившим и описавшим свойства этого полупроводникового прибора), представляет собой обычный диод с p-n переходом. Его особенность – работа на участке характеристики с отрицательным смещением, то есть, когда напряжение прикладывается в обратной полярности. Используется такой диод в качестве самостоятельного стабилизатора, поддерживающего напряжение потребителя постоянным вне зависимости от изменения тока нагрузки и колебаний входного напряжения. Также узлы на стабилитронах применяются в качестве источников опорного напряжения для других стабилизаторов с развитой схемой. Реже диод с обратным включением используется в качестве элемента формирования импульсов или защитного ограничителя от перенапряжений.
Существуют обычные стабилитроны и двуханодные. Двуханодный стабилитрон — это два диода, включенные встречно в одном корпусе. Его можно заменить двумя отдельными приборами, включив их по соответствующей схеме.
Немного теории
Стабильная зарплата, стабильная жизнь, стабильное государство. Последнее не про Россию, конечно :-). Если глянуть в толковый словарик, то можно толково разобрать, что же такое “стабильность”. На первых строчках Яндекс мне сразу выдал обозначение этого слова: стабильный – это значит постоянный, устойчивый, не изменяющийся.
Но чаще всего этот термин используется именно в электронике и электротехнике. В электронике очень важны постоянные значения какого-либо параметра. Это может быть сила тока, напряжение, частота сигнала и другие его характеристики. Отклонение сигнала от какого-либо заданного параметра может привести к неправильной работе радиоэлектронной аппаратуры и даже к ее поломке
Поэтому, в электронике очень важно, чтобы все стабильно работало и не давало сбоев
В электронике и электротехнике стабилизируют напряжение. От значения напряжения зависит работа радиоэлектронной аппаратуры. Если оно изменится в меньшую, или даже еще хуже, в большую сторону, то аппаратура в первом случае может неправильно работать, а во втором случае и вовсе колыхнуть ярким пламенем.
Для того, чтобы не допустить взлетов и падения напряжения, были изобретены различные стабилизаторы напряжения. Как вы поняли из словосочетания, они используются чтобы стабилизировать “играющее” напряжение.
Классическая модель
Классические стабилизаторы – это большой класс устройств, собираемых на основе таких полупроводниковых деталей, как биполярные транзисторы и стабилитроны. Среди них основную функцию по поддержанию напряжения на уровне 12 В выполняют стабилитроны – разновидность диодов, подключаемых в обратной полярности (к катоду такого полупроводникового прибора подключается плюс источника питания, к аноду – минус), работающих в режиме пробоя. Суть работы данных полупроводниковых деталей заключается в следующем:
- При напряжении подключенного к стабилитрону источника питания меньше 12 В он находится в закрытом положении и не участвует в регулировке данной характеристики электрического тока.
- При превышении порога в 12 Вольт стабилитрон «открывается» и поддерживает данное значение в заданном его характеристиками диапазоне.
В случае превышения напряжения, подаваемого на стабилитрон, относительно заявленного как максимальное производителем прибор очень быстро выходит из строя из-за эффекта теплового пробоя.
В зависимости от подключения различают два варианта классического стабилизатора: линейный – регулировочные элементы подключаются последовательно нагрузке; параллельный – стабилизирующие напряжение устройства располагаются параллельно запитываемым приборам.
Маркировка стабилитронов
Для того, чтобы узнать напряжение стабилизации советского стабилитрона, нам понадобится справочник. Например, на фото ниже советский стабилитрон Д814В:
Ищем на него параметры в онлайн справочниках в интернете. Как вы видите, его напряжение стабилизации при комнатной температуре примерно 10 Вольт.
Зарубежные стабилитроны маркируются проще. Если приглядеться, то можно увидеть незамысловатую надпись:
5V1 – это означает напряжение стабилизации данного стабилитрона составляет 5,1 Вольта. Намного проще, не так ли?
Катод у зарубежных стабилитронов помечается в основном черной полосой
Заключение
Раньше, во времена дефицитных деталей и начала расцвета электроники, стабилитрон часто использовался, как ни странно, для стабилизации выходного напряжения блока питания. В старых советских книгах по электронике можно увидеть вот такой участок цепи различных источников питания:
Слева, в красной рамке, я пометил знакомый вам участок цепи блока питания. Здесь мы получаем постоянное напряжение из переменного. Справа же, в зеленой рамке, схема стабилизации ;-).
В настоящее время трехвыводные (интегральные) стабилизаторы напряжения вытесняют стабилизаторы на стабилитронах, так как они в разы лучше стабилизируют напряжение и обладают хорошей мощностью рассеивания.
На Али можно взять сразу целый набор стабилитронов, начиная от 3,3 Вольт и до 30 Вольт. Выбирайте на ваш вкус и цвет.
Можете посмотреть видео на тему “КАК РАБОТАЕТ СТАБИЛИТРОН (ДИОД ЗЕНЕРА)”, рекомендую.
https://youtube.com/watch?v=1KBeWyX5b_4





