Нереверсивная схема управления асинхронного двигателя.
Рисунок 1 — Простейшая схема асинхронного двигателя
Для подачи напряжения на управляющую и силовую цепь используется автоматический выключатель QF. Пуск асинхронного двигателя осуществляется кнопкой SB1 «Пуск”, которая замыкает свои контакты в цепи катушки магнитного пускателя КМ. Который срабатывая замыкает основные контакты силовой цепи статора. Вследствие чего электродвигатель М подсоединяется к питанию. В то же время в управляющей сети происходит замыкание блокирующего контакта КМ который шунтирует кнопку SB1.
Чтобы отключить асинхронный двигатель с кз ротором, необходимо нажать клавишу SB2 «Стоп». При этом питающая сеть контактора КМ размыкается и подача напряжения на статор прекращается. После этого нужно выключают автомат QF. Схема управления АД с кз предусматривает несколько защит:
- от КЗ — посредством автоматического выключателя QF и плавкими предохранителями FU;
- от перегрузок — посредством теплореле КК (при перегреве данные устройства отсоединяют контактор КМ, прекращая работу движка);
- нулевая защита — посредством магнитного пускателя КМ (при низком напряжении или его полном отсутствии контактор КМ оказывается незапитанным, размыкается и электродвигатель выключается).
Для подключения электродвигателя после срабатывания защитного механизма требуется снова надавить клавишу SB1.
Регулирование частоты вращения трёхфазного асинхронного двигателя
Частота вращения ротора асинхронного двигателя определяется из выражения:
(6.16)
где — частота вращения магнитного поля статора в минуту,
— скольжение ротора,
— частота мгновенных токов в обмотках статора в секунду,
— количество пар полюсов статора.
Исходя из выражения (6.16), регулирование частоты вращения асинхронных двигателей с короткозамкнутым ротором возможно путём изменения частоты тока , скольжения , и количества пар полюсов статора .
Регулирование частоты тока в обмотках статора двигателя может осуществляться тиристорным регулятором частоты, конструкция которого достаточно сложна. При этом происходит плавное регулирование частоты вращения магнитного поля статора.
Регулирование скольжения производится путём изменения подводимого напряжения в цепи статора с помощью трёхфазного автотрансформатора, либо симисторного регулятора, схемы которых приведены выше.
Регулирование частоты вращения асинхронного двигателя путём изменения количества пар полюсов статора , является ступенчатым. Так, если , то количество обмоток статора равно шести. На каждую фазу приходится по две обмотки. При последовательном соединении звездой двух обмоток, соединённых согласно (рис.6.21), получим четырёхполюсное магнитное поле с количеством пар полюсов , которое будут вращаться с чатотой в минуту , или в два раза меньше, чем у двухполюсного магнитного поля с количеством пар полюсов , у которого частота вращения магнитного поля статора в минуту .
Рис.6.21. Схема последовательного соединения обмоток статора асинхронного двигателя, соединённых звездой, и образующих четырёхполюсное магнитное поле
На рис.6.22 изображена схема параллельного соединения статорных обмоток, подключенных встречно двойной звездой. Переключение секций фазных обмоток со звезды на двойную звезду происходит при постоянных значениях вращающегося максимального момента и пускового момента.
Рис.6.22. Схема параллельного соединения обмоток статора асинхронного двигателя, соединённых двойной звездой, и образующих двухполюсное магнитное поле
Советуем изучить — Автоматизация систем управления энергоснабжением
Механические характеристики преключения фазных обмоток приведены на рис.6.23.

Рис.6.23. Механические характеристики асинхронного двигателя со ступенчатым регулированием частоты вращения
Для регулирования частоты вращения асинхронных двигателей с фазным ротором применяется способ реостатного регулирования скольжения ротора путём изменения активного сопротивления его фазных обмоток.
Подключение электродвигателя по схеме звезда и треугольник
Применяются основные способы подключения к сети трёхфазных электродвигателей: «подключение звездой» и «подключение треугольником».
При соединении трёхфазного электродвигателя звездой, концы его статорных обмоток соединяются вместе, соединение происходят в одной точке, а на начала обмоток подаётся трехфазное напряжение (рис 1).
При соединении трёхфазного электродвигателя по схеме подключения «треугольником» обмотки статора электродвигателя соединяются последовательно таким образом что конец одной обмотки соединяется началом следующей и так далее (рис 2).
Клеммные колодки электродвигателей и схемы соединения обмоток:
Не вдаваясь в технические и подробные теоретические основы электротехники необходимо сказать, что электродвигатели у которого обмотками, соединенные звездой работают плавнее и мягче, чем электродвигатели с соединенные обмотками в треугольником, необходимо отметить, что при соединении обмоток звездой электродвигатель не может развить полную мощность. При соединении обмоток по схеме треугольник электродвигатель работает на полную паспортную мощность (что составляет в 1,5 раз больше по мощности, чем при соединении звездой), но при этом имеет очень большие значения пусковых токов.
В связи с этим целесообразно (особенно для электродвигателей с большей мощностью) подключение по схеме звезда — треугольник; первоначально запуск осуществляется по схеме звезда, после этого (когда электродвигатель «набрал обороты»), происходит автоматическое переключение по схеме треугольник.
Схема управления:
Подключение напряжения питания через контакт NC (нормально закрытый) реле времени К1 и контакт NC К2, в цепи катушки пускателя К3.
После включения пускателя К3, своими нормально-замкнутыми контактами размыкает цепи катушки пускателя К2 контактами К3 (блокировка случайного включения) и замыкает контакт К3, в цепи питания катушки магнитного пускателя К1, который совмещен с контактами реле времени.
При включении пускателя К1 происходит замыкание контактов К1 в цепи катушки магнитного пускателя К1 и одновременно включается реле времени, размыкается контакт реле времени К1 в цепи катушки пускателя К3, замыкает контакт реле времени К1 в цепи катушки пускателя К2.
Отключение обмотки пускателя К3, замыкается контакт К3 в цепи катушки магнитного пускателя К2. После включение пускателя К2, размыкает своими контактами К2 в цепи катушки питания пускателя К3.
Возможности пускателей
Ситуация, с которой чаще всего сталкивается обычный человек на практике, это необходимость собрать схему подключения реверса электродвигателя асинхронного переменного тока либо коллекторного мотора постоянного тока.
При этом в нем возникают электромагнитные волны. Пускатель обладает более широким функционалом, нежели базовый контактор и кроме обеспечения частых пусков и остановок, может выступать в роли защитного барьера при перегрузках.
Их границы на схеме выделены штриховыми линиями; Стоп, Пуск — органы управления сам блок выделен штриховой линией. К примеру, может функционировать только лишь КМ1 либо же, напротив, КМ2. В этой статье подробно рассмотрена пошаговая работа схемы.
Между ротором и статором есть небольшой воздушный зазор, благодаря которому и возможно беспрепятственное смещение. Схемы включения реверсивного магнитного пускателя Принцип действия схем включения реверсивного магнитного пускателя Для изменения направления вращения асинхронного электродвигателя необходимо изменить порядок чередования фаз статорной обмотки.
Любой магнитный пускатель состоит из следующих основных частей: Электромагнитная часть. Они используются в различных станках, в качестве электропривода, в транспортерах, подъемных механизмах, насосах и вентиляторах. Контактор выполняет ту же роль, что и пускатель.

В некоторых случаях под потребности приходится собирать какой-то конкретный инструмент, который стоит довольно дорого или под него просто есть все необходимые компоненты. Чтобы свести риски к минимуму, потребуется пускатель. С учетом параметров пускателя, он может иметь до 5 пар контактов. Защита работы реверсного включения электродвигателя Всегда, перед тем как изменить порядок подключения 3-фазного двигателя, изменяя порядок фаз на обмотках электродвигателя, надо его остановить. Тепловое реле в этой схеме играет для электродвигателя защитную функцию от перегрузки и включено в разрыв питающей фазы.
Обратите внимание! К трехфазной сети Руководствуясь представленной схемой легко составить последовательность, в которой должно производиться подключение электродвигателя. Если прямой пуск двигателя невозможен и необходимо ограничить пусковой ток асинхронного короткозамкнутого двигателя, применяют пуск на пониженное напряжение
Шунт поддерживает целостность электрической цепи после возврата кнопки пружиной в исходное положение. Обратите пристальное внимание на треугольник между силовыми контактами КМ1 и КМ2.
Реверсивные магнитные пускатели в своем устройстве могут иметь контакты в верхней части конструкции и на стороне обмотки якоря КМ ; блок-контакты функционально предназначены для коммутации цепи управления; переход в начальное положение пускатель осуществляет при помощи возвратного механизма, это пружина, которую якорь катушки управления КМ возвращает в начальное положение, размыкая все контакты. В этом случае используются электромагнитные пускатели с катушками на напряжение , 48, 36 или 24 В.
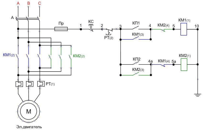
Реверсивная схема пускателя
https://youtube.com/watch?v=D7bMxq-MJfk
Реверсивная схема коммутации магнитных пускателей
Схема подключения реверсивного магнитного пускателя применяется тогда, когда требуется обеспечение вращение электродвигателя в обоих направлениях. К примеру, реверсивный пускатель устанавливается на лифт, грузоподъемный кран, сверлильный станок и прочие приборы требующие прямой и обратный ход.
Реверсивный пускатель состоит из двух обыкновенных пускателей собранных по специальной схеме. Выглядит он так:
Схема подключения реверсивного магнитного пускателя отличается от других схем тем, что имеет два совершенно одинаковых пускателя, которые работают попеременно. При подключении первого пускателя двигатель вращается в одну сторону, при подключении второго пускателя, двигатель вращается в противоположную сторону. Если вы внимательно посмотрите на схему, то заметите, что при переменном подключении пускателей, две фазы меняются местами. Это и заставляет трехфазный двигатель вращаться в разные стороны.
К имеющемуся в предыдущих схемах пускателю добавлены второй пускатель «КМ2» и дополнительные цепи управления вторым пускателем. Цепи управления состоят из кнопки «SB3», магнитного пускателя «КМ2», а также изменённой силовой частью подачи питания к электродвигателю. Кнопки при подключении реверсивного магнитного пускателя имеют названия «Вправо» «Влево», но могут иметь и другие названия, такие, как «Вверх», «Вниз». Чтобы защитить силовые цепи от короткого замыкания, до катушек добавлены два нормально замкнутых контакта «КМ1.2» и «КМ2.2», что взяты от дополнительных контактов на магнитных пускателях КМ1 и КМ2. Они не дают возможности включиться обоим пускателям одновременно. На выше приведенной схеме цепи управления и силовые цепи одного пускателя имеют один цвет, а другого пускателя — другой цвет, что облегчает понимание, как работает схема. Когда включается автоматический выключатель «QF1», фазы «A», «B», «C» идут к верхним силовым контактам пускателей «КМ1» и «КМ2», после чего ожидают там включения. Фаза «А» питает управляющие цепи от защитного автомата, проходит через «SF1» — контакты тепловой защиты и кнопку «Стоп» «SB1», переходит на контакты кнопок «SB2» и «SB3» и остается в ожидании нажатия на одну из этих кнопок. После нажатия пусковой кнопки ток движется через вспомогательный пусковой контакт «КМ1.2» или «КМ2.2» на катушку пускателей «КМ1» или «КМ2». После этого один из реверсивных пускателей сработает. Двигатель начинает вращаться. Что бы запустить двигатель в обратную сторону, надо нажать кнопку стоп (пускатель разомкнет силовые контакты), двигатель обесточится, дождаться остановки двигателя и после этого нажать другую пусковую кнопку. На схеме показано, что подключен пускатель «КМ2». При этом его дополнительные контакты «КМ2.2» разомкнули цепь питания катушки «КМ1», что не даст случайного подключения пускателя «КМ1».
Магнитный пускатель наиболее часто используется для управления электродвигателями. Хотя есть у него и другие сферы применения: управление освещением, отоплением, коммутация мощных нагрузок. Их включение и отключение может выполняться как вручную, при помощи кнопок управления, так и с применением систем автоматики. О подключении кнопок управления к магнитному пускателю мы и поговорим.
Выбираем автоматический выключатель и пусковое устройство.
Прежде чем заняться подключением двигателя, давайте подберем пускорегулирующую аппаратуру. Современная промышленность выпускает огромное количество автоматов для защиты электродвигателя. Купив такой прибор, можно сразу отбросить вопросы по дальнейшему выбору.
Это интересно — «Способы крепления светильников».
Единственное, что придется сделать — рассчитать аппарат по номинальному току. Вычисляется по формуле: для трехфазной сети — I = Р/ Un*1 .73*n*cosф, и для однофазной — I = Р/ Un*cosф, где Р – мощность электромотора, Un – рабочее напряжение, n – его КПД (как правило, есть в паспорте на изделие, обычно 0,85), а cosф – коэффициент мощности (можно найти в паспорте, для электромоторов, обычно, он равен 0,85). Далее получив результат, умножаем его на температурный коэффициент (это примерно 1,2). Из этого следует, что если, к примеру, мы имеем двигатель 1кВт – то его номинальный ток получится 2,1А для 380в и 6,3А для 220в. Подбираем автоматические выключатели (АВ) с ближайшими параметрами на увеличение. Хорошо зарекомендовали себя автоматы защиты двигателя с встроенным тепловым реле производства Moeller, ABB, Schneider Electric. Но есть одно «НО», они достаточно дорогие.
Поэтому, исходя из финансовых вопросов, берем обычный модульный АВ с характеристикой «С». Однако, к нему еще необходимо тепловое реле (теплушка). Самым оптимальным вариантом будет выбор ПМЛ-1220. И наконец, давайте сами соберем это устройство, тем более, что в нем нет ничего сложного. Нам понадобится: кроме АВ, модульный или просто контактор с 4 нормально-разомкнутыми контактами. Теплушка и две кнопки без фиксации (по одной с нормально-разомкнутыми нормально-замкнутым контактами). Дальше делаем как представлено ниже.
Как изменить направление вращения однофазного асинхронного двигателя
Рис. 1 Схема подключения двигателя однофазного асинхронного двигателя с пусковым конденсатором.
Возьмем за основу уже подключенный однофазный асинхронный двигатель, с направлением вращения по часовой стрелке (рис.1).
- точками A, B условно обозначены начало и конец пусковой обмотки, для наглядности к этим точкам подключены провода коричневого и зеленого цвета соответственно.
- точками С, В условно обозначены начало и конец рабочей обмотки, для наглядности к этим точкам подключены провода красного и синего цвета соответственно.
- стрелками указано направление вращения ротора асинхронного двигателя
Задача.
Изменить направление вращения однофазный асинхронный двигатель в другую сторону – против часовой стрелки. Для этого достаточно переподключить одну из обмоток однофазного асинхронного двигателя – либо рабочую либо пусковую.
Вариант №1
Меняем направление вращения однофазного асинхронного двигателя, путем переподключения рабочей обмотки.
Рис.2 При таком подключении рабочей обмотки, относительно рис. 1, однофазный асинхронный двигатель будет вращаться в противоположную сторону.
Вариант №2
Меняем направление вращения однофазного асинхронного двигателя, путем переподключения пусковой обмотки.
Рис.3 При таком подключении пусковой обмотки, относительно рис. 1, однофазный асинхронный двигатель будет вращаться в противоположную сторону.
Важное замечание. Такой способ изменить направление вращения однофазного асинхронного двигателя возможен только в том случае, если на двигателе имеется отдельные отводы пусковой и рабочей обмотки
Такой способ изменить направление вращения однофазного асинхронного двигателя возможен только в том случае, если на двигателе имеется отдельные отводы пусковой и рабочей обмотки.
Рис.4 При таком подключении обмоток двигателя, реверс невозможен.
На рис. 4 изображен довольно распространенный вариант однофазного асинхронного двигателя, у которого концы обмоток В и С, зеленый и красный провод соответственно, соединены внутри корпуса. У такого двигателя три вывода, вместо четырех как на рис. 4 коричневый, фиолетовый, синий провод.
UPD 03/09/2014 Наконец то удалось проверить на практике, не очень правильный, но все же используемый метод смены направления вращения асинхронного двигателя. Для однофазного асинхронного двигателя, который имеет только три вывода, возможно заставить ротор вращаться в обратном направлении, достаточно поменять местами рабочую и пусковую обмотку. Принцип такого включения изображен на рис.5
Рис. Нестандартный реверс асинхронного двигателя
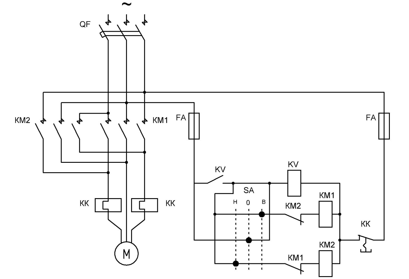
Определение режима работы
Теперь определимся, как будет работать двигатель: постоянно включен и отключается при нажатии кнопки «стоп». Как, к примеру, в сверлильном, токарном, фрезерном станках. Или же нам нужно, чтобы он работал при удерживании кнопки «пуск-вправо» или «пуск-влево», как, к примеру, в лебедках, электротележках, кран-балках.
Для первого случая необходимо составить схему реверсивного пуска асинхронного двигателя таким образом, чтоб осуществлялось самошунтирование пускателя, а также защитить от случайного включения второго пускателя.
Схема реверсивного включения с блокировкой, и защитой
Пуск по схеме «звезда-треугольник»
Этот вариант привлекает простотой и дешевизной. Он предполагает соединение обмоток «звездой» при запуске, а в процессе разгона электродвигателя – перекоммутацию обмоток в нормальное положение «треугольник».
Напряжение на обмотке уменьшается почти в 2 раза, но в случае отказа одного из контакторов, управляемых вручную, пострадает вся коммутация. Как следствие, существенно упадет мощность двигателя, возникнут проблемы с его запуском.
Важно учитывать и уменьшающийся крутящий момент при соединении обмоток по схеме «звезда», вследствие которого запуск электропривода под нагрузкой может быть затруднен
Особенности подключения пускателя

Для тех, кому не принципиально самостоятельное подключение пускателя, возможно приобретение уже объединённого с кнопочным постом экземпляра. Его потребуется только подключить к питанию.
Всем остальным понадобятся некоторые разъяснения.
До того, как приступать к подключению магнитного пускателя потребуется:
- Обесточить весь фронт работ. Для пущей достоверности проверить возможное наличие напряжения при помощи специальных индикаторов.
- Уточнить подходящий для выбранной катушки диапазон рабочего напряжения (380 вольт и 220 вольт). В случае, если это 220 В, требуется подать на катушку фазу и ноль. При 380 В — должны быть разноимённые фазы. Если это не учитывать, то разность напряжений выведет прибор из строя.
В большинстве случаев магнитный пускатель и двигатель соединяются через тепловое реле. Этот необходимо для обеспечения безопасного поступления тока к устройству, а также даёт возможность не прекращать рабочий процесс, даже если одна из фаз перегорела.
Читать также: Самый простой сварочный инвертор тимвала
Чтобы вращение электродвигателя изменило направление, две из трёх используемых фаз должны быть поменяны местами (например, вместо ABC — CBA). Обеспечить такую смену фаз помогает дополнительный пускатель. Проблема в том, что одновременное выключение двух приборов может вызвать короткое замыкание. Эта ситуация благополучно избегается благодаря постоянно-замкнутым контактам. Они обеспечивают разрыв одной цепи или просто блокируют её. Есть вариант и с механической блокировкой второго пускателя.
https://youtube.com/watch?v=_aqFBtnpI1M
https://youtube.com/watch?v=BwxeaRW4s0Q
Управление коллекторным двигателем — без реостата
Для управления коллекторным двигателем — без реостата, вполне подойдет пакетный переключатель, с помощью которого осуществляется переключение контактной группы — в переключателе рис.4.
рис.4
В этом примере, в зависимости от переключения позиции, будет изменяться направление вращения ротора электродвигателя, работа осуществляется с постоянной скоростью и оборотами двигателя, изменяется только полярность обмоток статора.
переключатель кулачковый пакетный
Для управления скоростью вращения ротора электродвигателя, можно воспользоваться симисторным регулятором скорости вращения. Данное электроустановочное изделие как и все остальные, подбирается с учетом номинальных значений по силе тока и напряжению, — учитывается подключаемая нагрузка мощность потребителя электрической энергии.
рис.5
Мощность потребителя, как наглядно видно из формулы рис.5, это произведение силы тока и напряжения. Для чего вообще необходимо проводить преварительные вычисления? Нагрузка, как известно нам, подключается через автомат защитного отключения. Чтобы установить и подключить автомат защитного отключения, принимается во внимание расчет по силе тока нагрузки рис.6. рис.6. рис.6
рис.6
симисторный регулятор скорости вращения электродвигателя
В кратце, чтобы представить — что из себя представляет симисторный регулятор, опять-же нужно вспомнить основы электроники. Симистор, состоящий в схеме управления, выполняет функцию регулирующего элемента — для питания электродвигателя рис.7.
рис.7
На рисунке показаны выводы симистра:
-
A1;
-
A2;
-
G.
При поступлении импульса на вход G — симистор открывается рис.8, то-есть, выполняет роль электронного ключа — для питания электродвигателя.
На фотоснимке показано изображение электронного модуля управления. Электронный модуль управления встречается в стиральных машинах-автомат, работающих в заданом, автоматическом режиме.
электронный модуль управления стиральной машины индезит
Подключение коллекторного двигателя — через реостат
рис.9
В этом схематическом изображении рис.9 показано подключение нагрузки к выводным клеммам генератора через реостат. Нагрузкой здесь является электрическая лампа накаливания. Реостат в электрической схеме состоит в последовательном соединении, нагрузка лампочка соединена в схеме параллельно. Таким-же образом, вместо данной нагрузки можно подключить коллекторный двигатель, работающий от источников электрической энергии, таких как:
-
генератор переменного тока;
-
генератор постоянного тока
либо от внешнего источника энергии, то-есть, от электрической сети. При подключении коллекторного двигателя нужно принимать во внимание электрическую схему обмоток статора, тип двигателя, как допустим для следующей схемы рис.10. рис.10. рис.10
рис.10
Электрическая схема представляет из себя схему универсального коллекторного двигателя, где двигатель может работать как от переменного так и от постоянного тока.
В свое время мною было изготовлено определенное количество электрических наждаков, электрические двигатели монтировались на платформу с последующим подключением, на вал ротора закреплялась насадка для установки наждачного круга, поэтому, в своей практике приходилось подключать различные типы электродвигателей.
наждачный круг
Приведенный пример по электрическим наждакам, — тема довольно-таки тоже занимательная и полезная для наших бытовых нужд.
Остается пожелать Вам успешного проведения ремонта для различных видов бытовой техники.
Это интересно: Почему электросчетчик издает звук (щелкает) при нагрузке? (видео)
Силовые цепи.
А теперь посмотрим на работу силовой части схемы, которая и отвечает за переброс питающих фаз для осуществления реверса вращения эл. двигателя.
Обвязка силовых контактов пускателя КМ1 выполнена так, что при их срабатывании фаза «А» поступает на обмотку №1, фаза «В» на обмотку №2, и фаза «С» на обмотку №3. Двигатель, как мы определились, получает вращение влево. Здесь переброс фаз не осуществляется.
Обвязка силовых контактов пускателя КМ2 выполнена таким-образом, что при его срабатывании фазы «В» и «С» меняются местами: фаза «В» через средний контакт подается на обмотку №3, а фаза «С» через крайний левый подается на обмотку №2. Фаза «А» остается без изменений.
А теперь рассмотрим нижний рисунок, где показан монтаж всей силовой части на реальных элементах.
Фаза «А» белым проводом заходит на вход левого контакта пускателя КМ1 и перемычкой заводится на вход левого контакта пускателя КМ2. Выхода обоих контактов пускателей также соединены перемычкой, и уже от пускателя КМ1 фаза «А» поступает на обмотку №1 двигателя М — здесь переброса фазы нет.
Фаза «В» красным проводом заходит на вход среднего контакта пускателя КМ1 и перемычкой заводится на правый вход пускателя КМ2. С правого выхода КМ2 фаза перемычкой заводится на правый выход КМ1, и тем самым, встает на место фазы «С». И теперь на обмотку №3, при включении пускателя КМ2 будет подаваться фаза «В».
Фаза «С» синим проводом заходит на вход правого контакта пускателя КМ1 и перемычкой заводится на средний вход пускателя КМ2. С выхода среднего контакта КМ2 фаза перемычкой заводится на средний выход КМ1, и тем самым, встает на место фазы «В». Теперь на обмотку №2, при включении пускателя КМ2 будет подаваться фаза «С». Двигатель будет вращаться в правую сторону.
Схемы подключения магнитного пускателя.
Первая, классическая схема, предназначена для обычного пуска электродвигателя: кнопку «Пуск» нажали – двигатель включился, кнопку «Стоп» нажали – двигатель отключился. Причем вместо двигателя Вы можете подключать любую нагрузку, например, мощный ТЭН.
Для удобства понимания схема разделена на две части: силовая часть и цепи управления.
Силовая часть запитывается от трехфазного переменного напряжения 380В с фазами «А» «В» «С». В силовую часть входит: трехполюсный автоматический выключатель QF1, три пары силовых контактов магнитного пускателя 1L1-2T1, 3L2-4T2, 5L3-6T3 и трехфазный асинхронный эл. двигатель М.
Цепь управления получает питание от фазы «А».
В схему цепи управления входят кнопка SB1 «Стоп», кнопка SB2 «Пуск», катушка магнитного пускателя КМ1 и его вспомогательный контакт 13НО-14НО, включенный параллельно кнопке «Пуск».
При включении автомата QF1 фазы «А», «В», «С» поступают на верхние контакты магнитного пускателя 1L1, 3L2, 5L3 и там дежурят. Фаза «А», питающая цепи управления, через кнопку «Стоп» приходит на контакт №3 кнопки «Пуск», вспомогательный контакт пускателя 13НО и так же остается дежурить на этих двух контактах. Схема готова к работе.
При нажатии на кнопку «Пуск» фаза «А» попадает на катушку пускателя КМ1, пускатель срабатывает и все его контакты замыкаются. Напряжение появляется на нижних силовых контактах 2Т1, 4Т2, 6Т3 и уже от них поступает на эл. двигатель. Двигатель начинает вращаться.
Вы можете отпустить кнопку «Пуск» и двигатель не отключится, так как с использованием вспомогательного контакта пускателя 13НО-14НО, подключенного параллельно кнопке «Пуск», реализован самоподхват.
Получается так, что после отпускания кнопки «Пуск» фаза продолжает поступать на катушку магнитного пускателя, но уже через свою пару 13НО-14НО. На нижнем рисунке стрелкой показано движение фазы «А».
А если не будет самоподхвата, придется все время держать нажатой кнопку «Пуск» пока будет работать эл. двигатель или любая другая нагрузка, питающаяся от магнитного пускателя.
Чтобы отключить эл. двигатель достаточно нажать кнопку «Стоп»: цепь разорвется, управляющее напряжение перестанет поступать на катушку пускателя, возвратная пружина вернет сердечник с силовыми контактами в исходное положение, силовые контакты разомкнутся и отключат двигатель от трехфазного питающего напряжения.
А теперь рассмотрим монтажную схему цепи управления пускателем.
Здесь все практически так же, как и на принципиальной схеме, за небольшим исключением реализации самоподхвата.
Чтобы не тянуть лишний провод на кнопку «Пуск», ставится перемычка между выводом катушки и одним из ближних вспомогательных контактов: в данном случае это «А2» и «14НО». А уже с противоположного вспомогательного контакта провод тянется непосредственно на контакт №3 кнопки «Пуск».
Ну вот, мы с Вами и разобрали простую классическую схему подключения магнитного пускателя. Также на одном пускателе можно собрать схему автоматического ввода резерва (АВР), которая предназначена для обеспечения бесперебойного электроснабжения потребителей электроэнергией.
Ну а если остались вопросы или сомнения по работе пускателя, то посмотрите видеоролик, из которого Вы дополнительно подчерпнете нужную информацию.
https://youtube.com/watch?v=xOXyvLWfTEc
Следующая схема будет немного сложнее этой, так как в ней будут задействованы два магнитных пускателя и три кнопки и называется эта схема реверсивной. При помощи такой схемы можно будет, например, вращать двигатель влево – вправо, поднимать и опускать лебедку.
А пока досвидания.
Удачи!





