Инструкция по ремонту и сборке ходовых огней
Если ДХО на вашем автомобиле перестали работать, это еще не повод их выбрасывать и ставить новые. Всегда можно попытаться произвести ремонт ходовых огней — так вы сможете сэкономить и получить навыки по ремонту оптики. Непосредственно сама процедура ремонта включает в себя несколько этапов — демонтаж и вскрытие, замену вышедших из строя элементов, а также последующую сборку конструкции.
Ремонт ДХО производится следующим образом:
Для начала необходимо произвести демонтаж оптических элементов с машины. В зависимости от конструктивных особенностей авто, а также места монтажа ходовых огней, вам может потребоваться снять бампер. Либо же снятие оптики может быть осуществлено на установленном бампере, смотрите по ситуации
Когда диодные огни будут у вас в руках, нужно осторожно демонтировать стекло с модуля. Если слой герметика держит стекло слабо, то демонтировать его будет просто, если же снять без усилий стекло не удается, то воспользуйтесь бытовым феном
Воздействие тепла позволит размягчить герметик. После демонтажа стекла нужно отсоединить плату с корпуса ходовых огней, где установлены диодные элементы. На следующем этапе вы можете начать ремонт самих диодов. Для начала следует произвести очистку самой схемы и корпуса оптики, удалите весь герметик. Затем вам нужно будет точно определить, какие из диодных элементов перегорели, чтобы знать, какие лампы нужно менять. Чтобы точно определить перегоревшую лампочку, воспользуйтесь тремя батарейками типа ААА. В зависимости от конструкции, диодные лампочки могут иметь один или два чипа. После того, как вышедшие из строя элементы будут обнаружены, можно приступить к их ремонту. Следует учитывать, что диодные лампочки, которые подлежат замене, называются эммитерами, при необходимости их можно купить к любом тематическом магазине или на радиорынке. Для установки дополнительно приобретите термопасту. Произведите снятие перегоревших элементов и впаяйте вместо них новые светодиоды. Поскольку вы работаете с разобранным модулем фонарей, можно произвести шлифовку поверхности самого корпуса, если в этом есть необходимость. Эта процедура даст возможность обеспечить более оптимальный контакт лампочка, соответственно, их свечение должно быть более стабильным. После этого ровным слоем необходимо нанести термопасту. Когда замена светодиодных лампочек будет завершена, можно приступить к установке схемы, на этом этапе зафиксируйте ее как можно прочнее, чтобы не допустить отклеивания в дальнейшем. Для более равномерного распределения термопасты по поверхности подвигайте плату в разные стороны. Если конструкция модулей предусматривает использование болтов, то закрепите схему с их помощью. Далее, на использующийся герметик следует установить стекло модуля и надежно его зафиксировать. Если в конструкции используются болты, то их также надо закрутить. Чтобы исключить вероятность попадания внутрь конструкции воды, проследите за тем, чтобы после сборки в конструкции модуля не было щелей и зазоров, любых отверстий. Кроме того, для более безопасной эксплуатации необходимо также загерметизировать и проводку на корпусе. Когда герметик полностью высохнет, светодиодный модуль можно ставить на место. Подключите провода и надежно зафиксируйте ДХО в месте монтажа. Проверьте работоспособность лампочек.
Цена вопроса
Что касается стоимости, то здесь все зависит исключительно от качества покупаемой продукции. Как известно, китайские диодные ходовые огни всегда будут стоить дешевле, но их качество и эффективность в целом более низкая. Тем более, что они не могут похвастаться высоким ресурсом эксплуатации. Если вы хотите, чтобы ДХО проработали долго, то при покупке не стоит экономить.
Как сделать светодиодную мигалку своими руками
Существует множество схем, с помощью которых можно заставить мигать светодиод. Мигающие устройства можно изготовить как из отдельных радиодеталей, так и на основе различных микросхем. Сначала мы рассмотрим схему мигалки мультивибратора на двух транзисторах. Для ее сборки подойдут самые ходовые детали. Их можно приобрести в магазине радиодеталей или «добыть» из отживших свой срок телевизоров, радиоприемников и другой радиоаппаратуры. Также во многих интернет магазинах можно купить наборы деталей для сборки подобных схем led мигалок.
На рисунке изображена схема мигалки мультивибратора, состоящая всего из девяти деталей. Для ее сборки потребуются:
- два резистора по 6.8 – 15 кОм;
- два резистора имеющие сопротивление 470 – 680 Ом;
- два маломощных транзистора имеющие структуру n-p-n, например КТ315 Б;
- два электролитических конденсатора емкостью 47 –100 мкФ
- один маломощный светодиод любого цвета, например красный.
Не обязательно, чтобы парные детали, например резисторы R2 и R3, имели одинаковую величину. Небольшой разброс номиналов практически не сказывается на работе мультивибратора. Также данная схема мигалки на светодиодах не критична к напряжению питания. Она уверенно работает в диапазоне напряжений от 3 до 12 вольт.
Схема мигалки мультивибратора работает следующим образом. В момент подачи на схему питания, всегда один из транзисторов окажется открытым чуть больше чем другой. Причиной может служить, например, чуть больший коэффициент передачи тока. Пусть первоначально больше открылся транзистор Т2. Тогда через его базу и резистор R1 потечет ток заряда конденсатора С1. Транзистор Т2 будет находиться в открытом состоянии и через R4 будет протекать его ток коллектора. На плюсовой обкладке конденсатора С2, присоединенной к коллектору Т2, будет низкое напряжение и он заряжаться не будет. По мере заряда С1 базовый ток Т2 будет уменьшаться, а напряжение на коллекторе расти. В какой-то момент это напряжение станет таким, что потечет ток заряда конденсатора C2 и транзистор Т3 начнет открываться. С1 начнет разряжаться через транзистор Т3 и резистор R2. Падение напряжения на R2 надежно закроет Т2. В это время через открытый транзистор Т3 и резистор R1 будет течь ток и светодиод LED1 будет светиться. В дальнейшем циклы заряда-разряда конденсаторов будут повторяться попеременно.
Если посмотреть осциллограммы на коллекторах транзисторов, то они будут иметь вид прямоугольных импульсов.
Когда ширина (длительность) прямоугольных импульсов равна расстоянию между ними, тогда говорят, что сигнал имеет форму меандра. Снимая осциллограммы с коллекторов обоих транзисторов одновременно, можно заметить, что они всегда находятся в противофазе. Длительность импульсов и время между их повторениями напрямую зависят от произведений R2C2 и R3C1. Меняя соотношение произведений можно изменять длительность и частоту вспышек светодиода.
Для сборки схемы мигающего светодиода понадобятся паяльник, припой и флюс. В качестве флюса можно использовать канифоль или жидкий флюс для пайки, продающийся в магазинах. Перед сборкой конструкции необходимо тщательно зачистить и залудить выводы радиодеталей. Выводы транзисторов и светодиода нужно соединять в соответствии с их назначением. Также необходимо соблюдать полярность включения электролитических конденсаторов. Маркировка и назначение выводов транзисторов КТ315 показаны на фото.
Проще всего определить катод светодиода, рассматривая прибор на просвет. Катодом является электрод с большей площадью. Минусовой вывод «электролита» обычно помечен белой полосой на корпусе прибора.
В зависимости от задач, которые ставит перед собой радиолюбитель, схему мигалки можно собрать «навесу», соединяя выводы радиодеталей между собой с помощью отрезков тонкого провода. В этом случае может получиться конструкция наподобие той, что показана ниже на фото.
Собираем мигалку «на коленке»
Если нужно собрать мигалку для последующего применения, то монтаж можно выполнить на куске жесткого картона или изготовить печатную плату из текстолита.
Принцип действия
Светодиод с мигающим световым излучением – это стандартный лэд-кристалл, в электрическую схему питания которого включены задающие режим функционирования емкость и резистор. Внешне он ничем не отличается от обычных аналогов. При этом механизм его работы на уровне процессов, происходящих в электрической цепи, сводится к следующему:
- При подаче тока на резистор R накапливается заряд и напряжение в конденсаторе С.
- При достижении его потенциала 12 вольт образуется пробой в p-n-границе в транзисторе. Это повышает проводимость, что и инициирует производство светового потока лед-кристаллом.
- Когда напряжение снижается, транзистор снова становится закрытым и процесс начинается заново.

Все модули такой схемы функционируют на единой частоте.
https://youtube.com/watch?v=YcahQ5PduNw
https://youtube.com/watch?v=e4-wxuHJsCs
Почему нельзя оставить без внимания моргающую лампу
Если прибор используется для освещения технического помещения, то это не может принести серьезного вреда. В этом случае можно оставить все как есть. Однако если речь идет о жилой комнате, то моргающий свет может стать причиной серьезных неприятностей.
Дело в том, что мерцание очень вредно для зрения. Если в помещении все время моргает лампа, то глаза будут слишком быстро уставать, а мыслительная деятельность со временем станет заторможенной. Особенно это вредно для маленьких детей.
Также повторяющиеся вспышки могут спровоцировать эпилептический приступ у человека, страдающего от этого серьезного недуга. Моргание ламп негативно сказываются на животных, особенно кошках. Четвероногие начинают вести себя более беспокойно и могут начать проявлять агрессию.
Поэтому если светодиодная лампа моргает после выключения, проблему нужно исправить. Причем сделать это как можно быстрее. Также необходимо следить чтобы коэффициент моргания люстры не превышал 20%. Для этого достаточно приобрести люксметр.
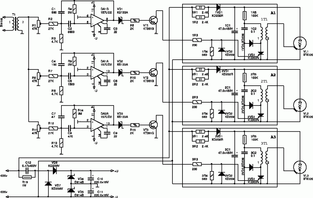
Схема цветомузыки
На рисунке ниже показана схема цветомузыкальной установки, работающая с 3-я различными светильниками. При этом мощность прожекторов доходит до 100 Вт каждая.

Благодаря этой несложной схеме можно будет самостоятельно собрать установку.Рассмотрим самые главные положения этой схемы:
Основной вход предназначен для проводов, идущих к выходу усилителя. Подключение осуществляется так: снимается один из проводов динамика(см.Как выбрать динамики для автомагнитолы своими силами) и на его место ставится провод от цветомузыки или же параллельно, оставляя все, как есть.

Цветомузыка из китайской гирлянды

Как сделать цветомузыку из гирлянды самому
- Трансформатор в данной схеме можно использовать от однопрограммной радиоточки. Если найти такой не удалось, то подойдет и выходной трансформатор звука. Идеальный вариант – от старого лампового телевизора;
- Что касается тиристоров, то они ставятся в металлических корпусах. Анод у них выводится на корпус, а сверху располагается катод, снизу – управляющий электрод. Крепление тиристоров осуществляется с помощью гаек прямо на плату.

Гирлянда цветомузыкальная 220 30
Управление светодиодами
Управление светодиодами на ардуино позволяет реализовать самые разнообразные схемы: включение/отключение по нажатию кнопки, мигание, плавное включение/отключение.
Для работы со светодиодом нам потребуется простейшая программа для управления портами. Для ее написания используем лишь несколько базовых команд:
pinMode (порт, режим) – команда устанавливает режим работы вывода (порта) на плате. Порт – номер вывода, режим – OUTPUT (режим передачи) и INPUT (режим приёма информации).
digitalWrite (порт, значение) – команда объявления состояния порта. Порт – номер вывода, режим – HIGH (включён), LOW (выключен).
Delay (интервал) – задержка между выполнением команд. Интервал – количество миллисекунд.
Сам скетч представляет собой две функциональные части. Объявление переменных находится в модуле voidsetup () {…}, исполняемый код — voidloop () {…}.
Наглядно все можно увидеть на видео:
https://youtube.com/watch?v=6JJ7bi8eAkc
Мигаем светодиодом арудино

Код скетча для мигания светодиода (скетч для ардуино мигание светодиодом находится во встроенном скетче “blink”).
Мигаем с частотой 1 секунда.
Скетч мигание светодиодом на ардуино:
void setup () {pinMode (9, OUTPUT); // устанавливаем вывод 9 в режим передачи}void loop() {digitalWrite (9, HIGH); // подаём сигнал на порт 9 +5Вdelay(1000); // ждем секундуdigitalWrite (9, LOW); // отключаем порт 9delay(1000); // ждем секунду}
Обычные светодиоды и семы мигалок на их основе
Начинающий радиолюбитель может собрать мигалку и на простом одноцветном светоизлучающем диоде, имея минимальный набор радиоэлементов. Для этого рассмотрим несколько практических схем, отличающихся минимальным набором используемых радиодеталей, простотой, долговечностью и надежностью.
Первая схема состоит из маломощного транзистора Q1 (КТ315, КТ3102 или аналогичный импортный аналог), полярного конденсатора C1 на 16В с емкостью 470 мкФ, резистора R1 на 820-1000 Ом и светодиода L1 наподобие АЛ307. Питается вся схема от источника напряжения 12В.
Приведенная схема работает по принципу лавинного пробоя, поэтому база транзистора остаётся «висеть в воздухе», а на эмиттер подаётся положительный потенциал. При включении происходит заряд конденсатора, примерно до 10В, после чего транзистор на мгновение открывается с отдачей накопленной энергии в нагрузку, что проявляется в виде мигания светодиода. Недостаток схемы заключается в необходимости наличия источника напряжения 12В.
Вторая схема собрана по принципу транзисторного мультивибратора и считается более надёжной. Для её реализации потребуется:
- два транзистора КТ3102 (или их аналога);
- два полярных конденсатора на 16В емкостью 10 мкФ;
- два резистора (R1 и R4) по 300 Ом для ограничения тока нагрузки;
- два резистора (R2 и R3) по 27 кОм для задания тока базы транзистора;
- два светодиода любого цвета.
В данном случае на элементы подаётся постоянное напряжение 5В. Схема работает по принципу поочередного заряда-разряда конденсаторов С1 и С2, что приводит к открыванию соответствующего транзистора. Пока VT1 сбрасывает накопленную энергию С1 через открытый переход коллектор-эмиттер, светится первый светодиод. В это время происходит плавный заряд С2, что способствует уменьшению тока базы VT1. В определённый момент VT1 закрывается, а VT2 открывается и светится второй светодиод.
Вторая схема имеет сразу несколько преимуществ:
- Она может работать в широком диапазоне напряжений начиная от 3В. Подавая на вход более 5В, придётся пересчитать номиналы резисторов, чтобы не пробить светодиод и не превысить максимальный ток базы транзистора.
- В нагрузку можно включать 2–3 светодиода параллельно или последовательно, пересчитав номиналы резисторов.
- Равное увеличение ёмкости конденсаторов ведёт к увеличению длительности свечения.
- Изменив ёмкость одного конденсатора, получим несимметричный мультивибратор, в котором время свечения будет различным.
Иногда вместо мигающих светодиодов радиолюбитель наблюдает обычное свечение, то есть оба транзистора частично приоткрыты. В таком случае нужно либо заменить транзисторы, либо запаять резисторы R2 и R3 с меньшим номиналом, увеличив, тем самым, ток базы.
Кроме рассмотренных принципиальных схем, существует великое множество других несложных решений, которые вызывают мигание светодиода
Начинающим радиолюбителям стоит обратить внимание на недорогую и широко распространенную микросхему NE555, на которой также можно реализовать данный эффект. Её многофункциональность поможет собирать и другие интересные схемы
Изготовление гирлянды из светодиодов
При последовательно подключенных светодиодах можно создать мерцающую гирлянду. На ее создание уйдет минимум времени, а с задачей сможет справиться практически каждый человек с начальными знаниями электрики. Самое главное в данном случае: четко следовать инструкции.
Для самостоятельной сборки светодиодной гирлянды своими руками вам нужно выполнить действия в следующем порядке:
- Определитесь с желаемым расстоянием между соседними источниками (диодами).
- Раскрутив провод, маркером любого цвета нанесите соответствующие отметки на те места, где предположительно будут установлены светодиоды. В идеале расстояние между ними должно составлять 200-250 мм.
- В тех точках, где были оставлены пометки, удалите с провода изоляцию, создав «голые островки» длиной по 20-30 мм. Действовать нужно аккуратно, чтобы не повредить сам кабель. Это упростит процесс будущего крепления диодов.
- На такие участки нужно нанести канифоль с припоем.
https://youtube.com/watch?v=S_tpoZjNRpE
- К образовавшимся наплывам закрепите светодиоды, соединяя паяльником их ножки с проводом. Учтите, что данный вариант крепления будет менее надежным, поэтому придется воспользоваться усиливающими фиксаторами, которые также закроют оголенные части гирлянды.
- Узкий скотч нарежьте на разные кусочки длиной 30-40 мм, затем примените в качестве изоляции для диодов. В результате этих действий каждый светодиод должен быть расположен в «кармашке», крепко удерживающем его на кабеле. Обмотать нужно все источники света на проводе.
- Затем нужно обеспечить герметизацию верхней части «кармашка». Для этого сгодится силиконовый герметик, который не просто повышает прочность конструкции, но и совершенствует свечение.
- Остается подключить к схеме резистор и блок питания, а затем протестировать работу самодельного оборудования.
Подготовка к созданию светодиодной гирлянды на батарейках
Не менее красиво смотрится светодиодная гирлянда, подключаемая к батарейкам. Кроме того, такое изделие будет максимально безопасным для детей. Данная разновидность иллюминации используется в качестве наружного источника света. При перемещении в воздухе будет оставаться яркий разноцветный шлейф, который дизайнеры часто используют для создания в пространстве разнообразных узоров. Изделие должно быть защищено от ветра, осадков и низкой температуры.
Для производства гирлянды на батарейках вам будут нужны:
- светодиоды диаметром 10 мм разных цветов с рассеивающим эффектом;
- магниты диаметром 1,3 и толщиной не более 30 мм;
- изолента или узкий скотч;
- литиевая батарейка (например, CR2032 3V);
- эпоксидный клей.
Процесс изготовления гирлянды на литиевых батарейках
Для создания яркой мерцающей гирлянды потребуется выполнить качественную пайку. Спешить в процессе выполнения работы не стоит. Запаситесь терпением, будьте аккуратны и внимательны, следуйте шагам:
- Выполните тестирование светодиодов, чтобы увидеть уровень их свечения. По очереди подключите компоненты к литиевой батарейке (одну, более длинную ножку, соедините с «плюсом», другую короткую – с «минусом»).
- Зафиксируйте положение диодов, затем каждый элемент вместе с батарейкой оберните скотчем или изолентой в 2 слоя.
- С положительным контактом батарейки совместите магнит, зафиксировав его.
- Каждая часть конструкции должна быть установлена на тонкий провод. Проверьте работоспособность изделия!
Использование резисторов парами
В данном случае вы сможете снизить себестоимость изделия, сделав его более экономичным, но помните: гораздо лучше с точки зрения электрической безопасности и долговечности оборудования соединять каждый светодиод с собственным резистором. К тому же, последние компоненты дешевые.
Подключение мигающих и многоцветных светодиодов
Внешне мигающие светодиоды ничем не отличаются от обычных аналогов и могут мигать одним, двумя или тремя цветами по заданному производителем алгоритму. Внутреннее отличие состоит в наличии под корпусом ещё одной подложки, на которой расположен интегральный генератор импульсов. Номинальный рабочий ток, как правило, не превышает 20 мА, а падение напряжения может варьироваться от 3 до 14 В. Поэтому перед подключением мигающего светодиода нужно ознакомиться с его характеристиками. Если их нет, то узнать параметры можно экспериментальным путём, подключившись к регулируемому БП на 5–15 В через резистор сопротивлением 51-100 Ом.
В корпусе многоцветного RGB-светодиода расположены 3 независимых кристалла зелёного, красного и синего цвета. Поэтому при расчёте номиналов резисторов нужно помнить, что каждому цвету свечения соответствует своё падение напряжения.
Простая мигалка на светодиоде
Существуют более простые схемы мигалок на светодиоде. Одна из таких показана на следующем фото.
Схема самой простой мигалки
Если внимательно присмотреться к этой светодиодной мигалке, то можно увидеть, что транзистор в схеме мигалки включен «неправильно». Во-первых, неправильно подключены эмиттер и коллектор. Во-вторых, база «висит в воздухе». Однако схема светодиодной мигалки вполне рабочая. Дело в том, что в ней КТ315 работает как динистор. При достижении на нем порогового значения обратного напряжения происходит пробой полупроводниковых структур и транзистор открывается. Нарастание напряжения на транзисторе происходит по мере зарядки конденсатора. После открывания транзистора конденсатор разряжается на светодиод. Так как в схеме мигалки на светодиодах используется нестандартное включение транзистора, она может потребовать подбора резистора или конденсатора при наладке.
После того, как сделаете своими руками простую мигалку, можете переходить к более сложным мигающим устройствам, например к созданию цветомузыки на светодиодах.
Как сделать гирлянду из светодиодов
- светодиоды 20 мАч;
- провода, имеющие сечение 0,5/0,25 мм;
- блок питания 6V;
- резистор 100 Ом;
- паяльник с тонким жалом, припой и канифоль;
- острый канцелярский или строительный нож;
- силиконовый прозрачный герметик.
Пошаговая технология самостоятельной сборки диодной гирлянды:
- определиться с оптимальным расстоянием между диодами;
- раскрутить и распрямить провод;
- нанести маркером на провод отметки под расположение диодов;
- на участках отметок острым ножом удалить изоляцию;
- нанести на участки без изоляции канифоль и припой;
- зафиксировать световые диоды, припаяв их ножки;
- заизолировать участки крепления диодов с применением ленты и силиконового герметика.
На заключительном этапе выполняется подсоединение блока питания на 8-12V и стандартного резистора.
https://youtube.com/watch?v=yXSXTUBsm5I
При самостоятельной сборке светящейся гирлянды необходимо помнить, что только последовательное соединение всех светодиодов в цепи по стандартной схеме, позволяет получить традиционный мерцающий эффект.
Сфера применения мигающих светодиодов в настоящее время достаточно широка. При желании и некоторых знаниях в области электрики, на основе таких источников света вполне можно самостоятельно изготовить различные сигнальные схемы, оригинальные детские игрушки, портативные фонарики и даже светящиеся новогодние гирлянды.
Обычные светодиоды
Стандартный не мигающий светодиод дает яркое равномерное освещение и характеризуется малым потреблением электроэнергии. Наряду с такими качествами, как долговечность, компактность, энергоэффективность и широкий диапазон температур свечения это делает его вне конкуренции среди прочих искусственных источников света. На базе таких led-элементов и собирается схема мерцающих светильников. Рассмотрим, по какому принципу они изготавливаются.
https://youtube.com/watch?v=Xkzw3sMrYPk
Как сделать чтобы светодиоды мигали
Мигалка на светодиоде может быть собрана на базе одной из выше представленных схем. Соответственно нужно будет приобрести компоненты, описанные выше. Они необходимы для функционирования того или иного варианта. При этом для сборки потребуется паяльник, припой, флюс и другие необходимые комплектующие для пайки.
Сборка цепочки мигающих светодиодов предваряется обязательным лужением выводных контактов всех соединяемых элементов. Также нельзя забывать о соблюдении правил полярности, особенно при включении конденсаторов. Готовый светильник будет выдавать мерцание с частой около 1,5 Гц или что тоже самое порядка 15 импульсов каждый 10-секундный отрезок времени.

Схемы мигалок на их основе
Чтобы происходили элементарные заданные определенной периодичностью вспышки света, требуется пара транзисторов типа C945 или аналоговых элементов. Для первого варианта коллектор размещается в центре, а у второго – по середине располагается база. Один или пара мигающих светодиодов изготавливается по обычной схеме. При этом частотность вспышек задается наличием в цепочке конденсаторов С1 и С2.
В такую систему допустимо внедрение одновременно нескольких лед-кристаллов при монтаже достаточно мощного транзистора pnp-типа. При этом мигающими светодиоды делаются при соединении их контактов с разноцветными элементами, поочередность вспышек задается генераторным модулем, а частотность – заданными программными настройками.
https://youtube.com/watch?v=oCrOh69r7a8
Тестирование мигающих RGB светодиодов
Компьютерный блок питания выступает идеальным вариантом тестирования светодиодов SMD0603. Нужно просто поставить резистивный делитель. Согласно схеме технической документации оценивают сопротивления p-n переходов в прямом направлении, заручившись помощью тестера. Прямое измерение здесь невозможно. Соберем схему, показанную ниже:
Схема оценки сопротивления p-n переходов
Микросхема дана вместе с номерами ножек согласно техническим характеристикам.
Питание подается на катод, полярность напряжения отрицательная. 3,3 вольта хватит открыть p-n переходы.
Переменный резистор нужен небольшого номинала. На рисунке установлен с максимальным пределом 680 Ом. В таком положении должен находиться изначально.
Сопротивление открытого p-n перехода невелико, нужен значительный запас, чтобы диоды не погорели (помним, что максимальное прямое напряжение составляет 3 В)
Принимается во внимание факт: при низком вольтаже сопротивление каждого светодиода составит 700 Ом. При параллельном включении суммарное сопротивление вычисляется формулой, показанной на рисунке
Подставляя в качестве трех входных параметров 700, получаем 233 Ом. Сопротивление светодиодов, когда только-только начнут открываться (по крайней мере, так полагаем). Формула расчета суммарного сопротивления
Понадобится контролировать режим тестером (см. рисунок). Постоянно измеряем напряжение на светодиодной микросхеме, одновременно уменьшая значение сопротивления, пока разница потенциалов поднимется до 2,5 В. Дальше повышать вольтаж попросту опасно, быть может, многие остановятся на 2,2 В.
Затем из пропорции найдем искомое сопротивление светодиодной микросхемы: (3,3 – 2,5)/2,5 = R пер / Rобщ, R пер – сопротивление переменного резистора, когда напряжение на дисплее тестера достигает 2,5 В. R общ = 3,125 R пер.
Провод +3,3 В блока питания компьютера оранжевой изоляции, схемную землю берем с черного
Обратите внимание: опасно включать модуль без нагрузки. Идеально подключить DVD-привод или другое устройство
Допускается при наличии умения обращения с приборами под током снять боковую крышку, извлечь оттуда нужные контакты, не снимать блок питания. Подключение светодиодов иллюстрирует схема. Измерили сопротивление на параллельном подключении светодиодов и остановились?
Теперь знаем, как сделать мигающую светодиодную подсветку своими руками. Можно ли варьировать время срабатывания. Полагаем, внутри должны использоваться емкости. Возможно, собственные паразитные элементы p-n переходов светодиодов. Подключая переменный конденсатор параллельно схеме на вход, можно попробовать что-либо изменить. Номинал очень мал, измеряется пФ. Маленькая микросхема лишена больших емкостей. Допускаем, резистор, подключенный параллельно микросхеме (см. пунктир на рисунке), усаженный на землю, будет образовывать точный делитель. Стабильность возрастет.
Номиналы нужно брать весомые, не забывать: значительно ограничим ток, идущий через светодиоды. Фактически потребуется продумать вопрос согласно ситуации.
Сердце бегущих огней
То, что AVR микроконтроллеры Atmel обладают высокими эксплуатационными характеристиками – всем известный факт. Их многофункциональность и лёгкость программирования позволяет реализовывать самые необыкновенные электронные устройства. Но начинать знакомство с микроконтроллерной техникой лучше со сборки простых схем, в которых порты ввода/вывода имеют одинаковое назначение. Одной из таких схем являются бегущие огни с выбором программ на ATtiny2313. В данном микроконтроллере есть всё необходимое для реализации подобных проектов. При этом он не перегружен дополнительными функциями, за которые пришлось бы переплачивать. Выпускается ATtiny2313 в корпусе PDIP и SOIC и имеет следующие технические характеристики:
- 32 8-битных рабочих регистра общего назначения;
- 120 операций, выполняемых за 1 тактовый цикл;
- 2 кБ внутрисистемной flash-памяти, выдерживающей 10 тыс. циклов запись/стирание;
- 128 байт внутрисистемной EEPROM, выдерживающей 100 тыс. циклов запись/стирание;
- 128 байт встроенной оперативной памяти;
- 8-битный и 16-битный счётчик/таймер;
- 4 ШИМ канала;
- встроенный генератор;
- универсальный последовательный интерфейс и прочие полезные функции.
Энергетические параметры зависят от модификации:
- ATtiny2313 – 2,7-5,5В и до 300 мкА в активном режиме на частоте 1 МГц;
- ATtiny2313А (4313) – 1,8-5,5В и до 190 мкА в активном режиме на частоте 1 МГц.
В ждущем режиме энергопотребление снижается на два порядка и не превышает 1 мкА. Кроме этого данное семейство микроконтроллеров обладает целым рядом специальных свойств. С полным перечнем возможностей ATtiny2313 можно ознакомиться на официальной страничке производителя www.atmel.com.





