Самодельный регулированный блок на одном транзисторе
Какой можно сделать самому самый простой регулированный блок питания? Это получится сделать на микросхеме lm317. Она уже сама с собой представляет почти блок питания. На ней можно изготовить как регулируемый по напряжению блок питания, так и потоку. В этом видео уроке показано устройство с регулировкой напряжения. Мастер нашёл несложную схему. Входное напряжение максимальное 40 вольт. Выходное от 1,2 до 37 вольта. Максимальный выходной ток 1,5 ампер.
Без теплоотвода, без радиатора максимальная мощность может быть всего 1 ватт. А с радиатором 10 ватт. Список радиодеталей.
Приступаем к сборке
Подключим на выход устройства электронную нагрузку. Посмотрим, насколько хорошо держит ток. Выставляем на минимум. 7,7 вольта, 30 миллиампер.
Всё регулируется. Выставим 3 вольта и добавим ток. На блоке питания выставим ограничения только побольше. Переводим тумблер в верхнее положение. Сейчас 0,5 ампера. Микросхема начал разогреваться. Без теплоотвода делать нечего. Нашёл какую-то пластину, ненадолго, но хватит. Попробуем еще раз. Есть просадка. Но блок работает. Регулировка напряжения идёт. Можем вставить этой схеме зачёт.
Видео Radioblogful. Видеоблог паяльщика.
https://youtube.com/watch?v=4YRK1XJ1w88
Фото блоков питания своими руками
https://youtube.com/watch?v=ETArHgrN05A
https://youtube.com/watch?v=plJ0uUZJkVU
Также рекомендуем просмотреть:
- Вентилятор своими руками
- Прикормка своими руками
- Откатные ворота своими руками
- Ремонт компьютера своими руками
- Станок по дереву своими руками
- Столешница своими руками
- Брусья своими руками
- Лампа своими руками
- Котел своими руками
- Установка кондиционера своими руками
- Отопление своими руками
- Фильтр для воды своими руками
- Как сделать нож своими руками
- Усилитель сигнала своими руками
- Ремонт телевизора своими руками
- Зарядное для аккумулятора своими руками
- Точечная сварка своими руками
- Дымогенератор своими руками
- Металлоискатель своими руками
- Ремонт стиральных машин своими руками
- Ремонт холодильника своими руками
- Антенна своими руками
- Ремонт велосипеда своими руками
- Сварочный аппарат своими руками
- Холодная ковка своими руками
- Трубогиб своими руками
- Дымоход своими руками
- Заземление своими руками
- Стеллаж своими руками
- Светильник своими руками
- Жалюзи своими руками
- Светодиодная лента своими руками
- Нивелир своими руками
- Замена ремня ГРМ своими руками
- Лодка своими руками
- Как сделать насос своими руками
- Компрессор своими руками
- Усилитель звука своими руками
- Аквариум своими руками
- Сверлильный станок своими руками
Подпишись на RSS!
Подпишись на RSS и получай обновления блога!
Получать обновления по электронной почте:
-
-
Пленочные конденсаторы — применение в энергетике
9 апреля 2021 -
Поворотное устройство для солнечного коллектора
15 марта 2021 -
Выбор подпрограммы с помощью кнопки
11 марта 2021 -
Керамические конденсаторы SMD, параметры
4 марта 2021 -
Программа для проверки выходных буферов PIC16F676 и PIC16F628A
21 февраля 2021
-
Пленочные конденсаторы — применение в энергетике
-
- Зарядное устройство для автомобильных аккумуляторов — 242 127 просмотров
- Стабилизатор тока на LM317 — 176 997 просмотров
- Стабилизатор напряжения на КР142ЕН12А — 128 051 просмотров
- Реверсирование электродвигателей — 104 705 просмотров
- Зарядное для аккумуляторов шуруповерта — 101 146 просмотров
- Карта сайта — 101 064 просмотров
- Зарядное для шуруповерта — 89 943 просмотров
- Самодельный сварочный аппарат — 89 702 просмотров
- Схема транзистора КТ827 — 85 772 просмотров
- Регулируемый стабилизатор тока — 85 508 просмотров
-
- DC-DC (5)
- Автомат откачки воды из дренажного колодца (5)
- Автоматика (35)
- Автомобиль (3)
- Антенны (2)
- Ассемблер для PIC16 (3)
- Блоки питания (30)
- Бурение скважин (6)
- Быт (11)
- Генераторы (1)
- Генераторы сигналов (8)
- Датчики (4)
- Двигатели (7)
- Для сада-огорода (11)
- Зарядные (17)
- Защита радиоаппаратуры (8)
- Зимний водопровод для бани (2)
- Измерения (41)
- Импульсные блоки питания (2)
- Индикаторы (6)
- Индикация (10)
- Как говаривал мой дед … (1)
- Коммутаторы (6)
- Логические схемы (1)
- Обратная связь (1)
- Освещение (3)
- Программирование для начинающих (19)
- Программы (1)
- Работы посетителей (7)
- Радиопередатчики (2)
- Радиостанции (1)
- Регуляторы (5)
- Ремонт (1)
- Самоделки (12)
- Самодельная мобильная пилорама (3)
- Самодельный водопровод (7)
- Самостоятельные расчеты (37)
- Сварка (1)
- Сигнализаторы (5)
- Справочник (13)
- Стабилизаторы (16)
- Строительство (2)
- Таймеры (4)
- Термометры, термостаты (27)
- Технологии (21)
- УНЧ (2)
- Формирователи сигналов (1)
- Электричество (4)
- Это пригодится (14)
-
Архивы
Выберите месяц Апрель 2021 (1) Март 2021 (3) Февраль 2021 (2) Январь 2021 (1) Декабрь 2020 (1) Ноябрь 2020 (1) Октябрь 2020 (1) Сентябрь 2020 (2) Июль 2020 (2) Июнь 2020 (1) Апрель 2020 (1) Март 2020 (3) Февраль 2020 (2) Декабрь 2019 (2) Октябрь 2019 (3) Сентябрь 2019 (3) Август 2019 (4) Июнь 2019 (4) Февраль 2019 (2) Январь 2019 (2) Декабрь 2018 (2) Ноябрь 2018 (2) Октябрь 2018 (3) Сентябрь 2018 (2) Август 2018 (3) Июль 2018 (2) Апрель 2018 (2) Март 2018 (1) Февраль 2018 (2) Январь 2018 (1) Декабрь 2017 (2) Ноябрь 2017 (2) Октябрь 2017 (2) Сентябрь 2017 (4) Август 2017 (5) Июль 2017 (1) Июнь 2017 (3) Май 2017 (1) Апрель 2017 (6) Февраль 2017 (2) Январь 2017 (2) Декабрь 2016 (3) Октябрь 2016 (1) Сентябрь 2016 (3) Август 2016 (1) Июль 2016 (9) Июнь 2016 (3) Апрель 2016 (5) Март 2016 (1) Февраль 2016 (3) Январь 2016 (3) Декабрь 2015 (3) Ноябрь 2015 (4) Октябрь 2015 (6) Сентябрь 2015 (5) Август 2015 (1) Июль 2015 (1) Июнь 2015 (3) Май 2015 (3) Апрель 2015 (3) Март 2015 (2) Январь 2015 (4) Декабрь 2014 (9) Ноябрь 2014 (4) Октябрь 2014 (4) Сентябрь 2014 (7) Август 2014 (3) Июль 2014 (2) Июнь 2014 (6) Май 2014 (4) Апрель 2014 (2) Март 2014 (2) Февраль 2014 (5) Январь 2014 (4) Декабрь 2013 (7) Ноябрь 2013 (6) Октябрь 2013 (7) Сентябрь 2013 (8) Август 2013 (2) Июль 2013 (1) Июнь 2013 (2) Май 2013 (4) Апрель 2013 (7) Март 2013 (7) Февраль 2013 (7) Январь 2013 (11) Декабрь 2012 (7) Ноябрь 2012 (5) Октябрь 2012 (2) Сентябрь 2012 (10) Август 2012 (14) Июль 2012 (5) Июнь 2012 (21) Май 2012 (13) Апрель 2012 (4) Февраль 2012 (6) Январь 2012 (6) Декабрь 2011 (2) Ноябрь 2011 (9) Октябрь 2011 (14) Сентябрь 2011 (22) Август 2011 (1) Июль 2011 (5)
Характеристики лабораторного блока питания
- входное напряжение: 24 В переменного тока;
- выходное напряжение: от 0 до 30 В (регулируемое);
- выходной ток: 2 мА – 3 А (регулируемый);
- пульсации выходного напряжения: менее 0.01%
- размер платы 84 х 85 мм;
- защита от короткого замыкания;
- защита по превышению установленной величины тока.
- О превышении установленного тока сигнализирует светодиод.
Для получения полноценного блока следует добавить лишь три компонента – трансформатор с напряжением на вторичной обмотке 24 вольта при 220 вольтах на входе (важный момент, о котором подробно ниже) и током 3,5-4 А, радиатор для выходного транзистора и кулер на 24 Вольта для охлаждения радиатора при большом токе нагрузки. Кстати, в интернете нашлась и схема данного блока питания:
Из основных узлов схемы можно выделить:
- диодный мост и фильтрующий конденсатор;
- регулирующий узел на транзисторах VT1 и VT2;
- узел защиты на транзисторе VT3 отключает выход, пока питание операционных усилителей не будет нормальным
- стабилизатор питания вентилятора на микросхеме 7824;
- на элементах R16, R19, C6, C7, VD3, VD4, VD5 построен узел формирования отрицательного полюса питания операционных усилителей. Наличие этого узла обуславливает питание всей схемы именно переменным током от трансформатора;
- выходные конденсатор С9 и защитный диод VD9.
Отдельно нужно остановиться на некоторых компонентах примененных в схеме:
- выпрямительные диоды 1N5408, выбраны впритык – максимальный выпрямленный ток 3 Ампера. И хоть диоды в мосте работают попеременно, все же не будет лишним заменить их более мощными, например диодами Шотки на 5 А;
- стабилизатор питания вентилятора на микросхеме 7824 выбран на мой взгляд не совсем удачно – под рукой у многих радиолюбителей наверняка найдутся вентиляторы на 12 вольт от компьютеров, а вот куллеры на 24 В встречаются гораздо реже. Покупать такой не стал, решив заменить 7824 на 7812, но в процессе испытаний БП отказался от этой идеи. Дело в том, что при входном переменном напряжении в 24 В, после диодного моста и фильтрующего конденсатора получаем 24*1,41=33,84 Вольта. Микросхема 7824 прекрасно справится с задачей рассеивания лишних 9, 84 Вольта, а вот 7812 приходится тяжко, рассеивая в тепло 21,84 Вольта.
Кроме того, входное напряжение для микросхем 7805-7818 регламентировано производителем на уровне 35 Вольт, для 7824 на уровне 40 Вольт. Таким образом, в случае простой замены 7824 на 7812, последняя будет работать на грани. Вот ссылка на даташит.
Учитывая вышеприведенное, имевшийся в наличии кулер на 12 Вольт подключил через стабилизатор 7812, запитав ее от выхода штатного стабилизатора 7824. Таким образом, схема питания кулера получилась хоть и двухступенчатой, но надежной.
Операционные усилители TL081, согласно даташита требуют двуполярное питание +/- 18 Вольт – в целом 36 Вольт и это максимальное значение. Рекомендуемое +/- 15.
И вот тут начинается самое интересное относительно переменного входного напряжения величиной 24 Вольта! Если взять трансформатор, который при 220 В на входе, выдает 24 В на выходе, то опять же после моста и фильтрующего конденсатора получаем 24*1,41=33,84 В.
Таким образом, до достижения критической величины остается всего 2,16 Вольта. При увеличении напряжения в сети до 230 Вольт (а такое бывает в нашей сети), с фильтрующего конденсатора снимем уже 39,4 Вольта постоянного напряжения, что приведет к гибели операционных усилителей.
Выхода тут два: либо заменить операционные усилители другими, с более высоким допустимым напряжением питания, либо уменьшить количество витков во вторичной обмотке трансформатора. Я пошел по второму пути, подобрав количество витков во вторичной обмотке на уровне 22-23 Вольта при 220 В на входе. На выходе БП получил 27,7 Вольта, что меня вполне устроило.
В качестве радиатора для транзистора D1047 нашел в закромах радиатор процессора. На нем же закрепил стабилизатор напряжения 7812. Дополнительно установил плату контроля оборотов вращения вентилятора. Ею со мной поделился донорский компьютерный блок питания ПК. Терморезистор закрепил между ребер радиатора.
При токе в нагрузке до 2,5 А вентилятор вращается на средних оборотах, при повышении тока до 3 А в течении длительного времени вентилятор включается на полую мощность и снижает температуру радиатора.
tibirium › Блог › Самодельный импульсный блок питания с регулировкой напряжения и тока.
Такой тип источников питания ещё называют лабораторными, и не зря!Он подойдет не только для питания различных устройств, но и как универсальное зарядное устройство для абсолютно любых аккумуляторов.
1 Внутренний источник питания.
Представляет из себя любой компактный источник напряжение 12 вольт и током не менее 300 мА.Предназначен для питания шим контроллера, вентилятора охлаждения и вольтамперметра.Можно использовать абсолютно любой адаптер на 12 вольт. Рассказывать как собрать такой в этой статье не буду, будем использовать готовый AC-DC преобразователь с китая вот такого типа:
Представляет из себя микросхему TL494 c небольшим драйвером на 4-х транзисторах:
Благодаря использованию встроенных операционных усилителей обвязка TL494 получается очень простая, такое включение широко распространено у радиолюбителей.Резистором R4 задаём желаемое максимальное напряжение, R2- ток.R11 и R12 для удобства могут быть многооборотные, но я использую обычные. При использовании ЛУТ плату управления я как правило собираю на отдельной платке:
3 Силовая часть.
Основную часть компонентов можно использовать из старого компьютерного блока питания, главное чтобы он был соответствующей топологии.
Комментарии 196
Здравствуйте. Мне очень понравился данный блок питания. Скачал архив, но он не открывается. Пишет, что архив поврежден. Заранее спасибо!
Здравствуйте. Проверил, всё работает. Проблема у вас, попробуйте обновите архиватор.
Да действительно. Обновил архиватор и все получилось. Большое спасибо Вам.
Да я имел ввиду защиту максимальной мощности.Большое спасибо за ответы, буду собирать.
Здравствуйте! На плате между положительным выходом и входом Uвых блока управления стоит подстроечный резистор (на схеме его нет). Подскажите, пожалуйста, его номинал.
Он стоит для удобной настройки Uмах, я использую на 50к
В таком случае поясните в каком случае нужна защита от кз, если кз для лбп это штатный режим. Перенапряжение- это вообще что в вашем понимании? Как это вообще может относится к нормально работающему лбп. Может вы про защиту от макс мощности, так не надо в целом закладывать такие некорректные диапазоны, ну а если уж очень надо то делать правильно на токовом трансе как в этом варианте yandex.ru/efir/?stream_id=vjmaXpmLF7Ro, там я использовал другую шим, но и к этой аналогично можно прикрутить к 4 ноге. Ампервольтметр подключается отдельно, его шунт использовать не надо. Точность зависит от партии, за свои деньги нормальная. При мощности до 700-900ват на каком драйвере собирать разница не существенна.
Здравствуйте! Понравилась ваша схема, но хотелось бы ток больше, что надо изменить в цепях управления? И как реаализовать защиту от превышения тока.
Увеличить ток можно либо уменьшением сопротивления шунта, либо резистора R2.Про защиту не понял о чём вы? Кз штатный режим бп на любом установленном токе.
Здравствуйте. Добавите модуль управления 2 в sprint-layout?
Источник
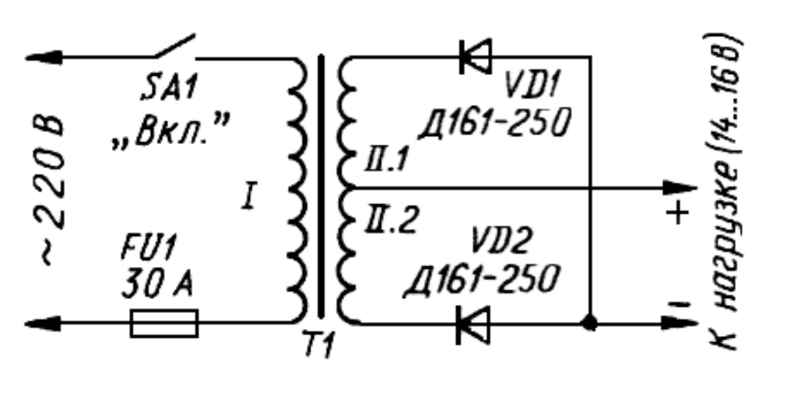
Описание и принцип работы пуско-зарядного устройства
Здесь особо сложного ничего нет. Сетевое U = 220 В подаётся через выключатель на первичную обмотку трансформатора, а на вторичной происходит уменьшение переменного напряжения. Потом оно сглаживается двухполупериодным или мостовым выпрямителем, собранным на мощных диодах. Далее пульсирующее напряжение может быть отфильтровано посредством электролитических конденсаторов. При необходимости около выхода осуществляется увеличение напряжения, что делается с помощью усилителей, в которых основными компонентами являются транзисторы, тиристоры.
Из недостатков описываемого пуско-зарядного устройства можно отметить разве что солидный вес, что обусловлено установкой мощного и, как следствие, габаритного трансформатора. Ниже – схема двухполупериодного пуско-зарядного устройства своими руками:

В этой схеме задействован лабораторный трансформатор ЛАТР. Вместо двух диодов можно использовать и диодный мост типа КЦ405. Схема пуско-зарядного устройства для автомобиля с усилителем:

Как сделать пуско-зарядное устройство своими руками, чтобы оно наверняка заработало? Нужно соблюдать параметры деталей. Мощность указанных на картинке тиристоров – не менее 80 А (если будет использоваться диодный мост, то от 160 А). Диоды на ток – 100–200 А. Транзистор – КТ361 либо КТ 3102 (можно любой другой с такими же параметрами). Мощность используемых резисторов – от 1 Вт.
Собранное своими руками зарядно-пусковое устройство подключается через зажимы-крокодилы к АКБ в соответствии с полярностью. При нормально заряженной батарее с ПЗУ энергия поступать не будет. Если же АКБ не функционирует, тиристорный переход откроется, и зарядный ток пойдёт на батарею и стартер.
Расчёт обмоток трансформатора
Сначала нужно подобрать магнитопровод, сечение которого должно быть не меньше 37 кв. см. Чтобы рассчитать количество витков в первичной обмотке, необходимо воспользоваться формулами: Т = 30/S, где S – площадь магнитопровода и N = 220*Т, то есть W1 = 220*30/37 = 178 витков. Для обмотки необходимо использовать изолированный провод сечением не менее 2 кв. мм. Формула для вторичной обмотки: W2 = 16*Т = 16*30/37 = 13 витков. Здесь понадобится шина из алюминия площадью 36 кв. мм.
Стоит заметить, что формулы не всегда могут выдавать точное число обмоток (особенно вторичной), поэтому можно применить метод подбора. Намотав первичную обмотку, накрутите несколько витков вторичной и измерьте получившееся напряжение, не обрезая шину. Таким образом нужно добиться на выходе значения 14–16 В.
Дело будет обстоять проще, если у вас имеется ЛАТР – лабораторный трансформатор. От него нужно взять сердечник. Количество витков первичной обмотки – 265–295. Используйте изолированный провод сечением 2 мм. Намотку производите в три слоя. Далее обязательно проверьте значение тока холостого хода (включите мультиметр в разрыв между сетью 220 В и одним из концов обмотки). Прибор должен показывать 210–390 мА. Если показания больше, число витков нужно увеличить, в противном случае, наоборот, уменьшить. Вторичная обмотка разделена на две секции, в каждой из которых 15–18 витков. Здесь понадобится провод сечением 10 кв. мм.
Расчёт выпрямителя
Далее рассмотрены параметры электронных компонентов (помимо указанных выше), применяемых в обеих схемах:
- Диоды. Максимальный пропускаемый ток не должен быть менее 100 А. Это могут быть В200, Д141, 2Д141, 2Д151 и иные аналогичные детали. Вместо КД105 не возбраняется применять КД209 или даже Д226. Стабилитрон – Д808, 2С182 и т. п.
- Тиристоры. I = 80 А и более: ТС185, Т15-80, Т15-100, Т161, Т125 и т. п. Если используется вариант выпрямления тока с диодным мостом, тиристоры будут мощнее вдвойне: Т15, Т160, Т250, Т16 и другие, аналогичные.
- Транзисторы. Здесь важен коэффициент усиления h = 21э. Это КТ361 либо КТ3107 проводимостью n-p-n. Вместо КТ816 подойдёт и КТ814.
- Резисторы. Желательно, чтобы их мощность была не менее 1 Вт.
- Выключатель. Должен держать ток от 6 А.
Подбор сечения проводов
Подбирая выходные провода, которые будут присоединяться к аккумулятору, нужно помнить, что их диаметр не может быть меньше такого же параметра вторичной обмотки. Лучше использовать многожильный медный кабель, используемый в сварочных аппаратах, где каждый проводок имеет сечение 2,5 кв. мм. Такую же площадь должен иметь провод, посредством которого самодельный аппарат будет подключаться к сети. Не забудьте приобрести мощные зажимы-крокодилы для подключения к клеммам АКБ. Здесь тоже рекомендуется использовать изделия, применяемы при сварке («масса»).
Выходной ток
Честно говоря, все, о чем было сказано выше, является, слабо говоря, второстепенным критерием выбора. Потому что основной параметр блоков питания постоянного тока – это выходная сила тока, то есть, номинальный ток нагрузки.
Все остальные параметры являются дополнительными или вспомогательными. Некоторые производители указывают огромное количество величин и характеристик. Не введитесь на них, вам просто затуманивают голову.

- И если номинальный ток нагрузки ни в паспорте, ни на корпусе блока не указано, значит, перед вами бесполезный кусок металла.
- Если вы нашли вот такую надпись: «номинальный ток нагрузки без АКБ», то знайте, что через сеть он может быть номинальным, а через аккумулятор заниженным.
Как протравить плату
Подготовленную и просушенную плату поместите в раствор хлорного железа. Насыщенность его должна быть такой, чтобы медь как можно быстрее разъедалась. Если процесс идет медленно, то рекомендуется увеличить концентрацию хлорного железа в воде. Если и это не помогает, то попробуйте нагреть раствор. Для этого наберите в емкость воду, установите в нее банку с раствором (не забывайте о том, что его желательно хранить в пластиковой или стеклянной таре) и нагревайте на медленном огне. Теплая вода будет нагревать раствор хлорного железа.
Если у вас много времени либо нет хлорного железа, то воспользуйтесь смесью из соли и медного купороса. Плата подготавливается аналогичным образом, после чего помещается в раствор. Недостаток способа – плата блока питания травится очень медленно, потребуются почти сутки для полного исчезновения всей меди с поверхности текстолита. Но за неимением лучшего, можно использовать и такой вариант.

Исходная схема
Сначала была собрана исходная однополярная схема для пробы и поиска возможных ошибок, про которые писали некоторые собиравшие данную конструкцию. У меня всё сразу заработало нормально, возникли лишь вопросы с регулировкой тока ограничения и индикацией срабатывания этого ограничения.
Далее была собрана аналогичная схема для напряжения отрицательной полярности — полностью аналогичная, лишь с заменой полярности включения электролитических конденсаторов, диодов (стабилитронов) и с применением транзисторов противоположной структуры (n-p-n / p-n-p). Обозначения элементов «минусового» плеча оставлены такими же, как у «плюсового» для упрощения рисования схемы 🙂
Защита
Как я говорил в начале статьи, БП должен защищать компоненты ПК от повреждения при нештатных ситуациях. Поэтому при выборе блока нужно смотреть на наличие схем защиты.
- Защита от чрезмерно высокого/низкого напряжения (OVP/UVP): OVP защищает железо от проблем с самим блоком, а UVP — блок от высокого внешнего напряжения.
- Защита от перегрузки отдельных линий (OCP): предотвращает подачу всей мощности по какой-то одной линии питания. Сделано для того, чтобы какой-то компонент не мог выйти из строя из-за избыточного питания.
- Защита от перегрузки (OPP): грубо говоря, OCP по линии 12 В и является OPP для всего блока питания.
- Защита от перегрева (OTP).
- Защита от короткого замыкания (SCP).
Переделка БП ATX в регулируемый или лабораторный блок питания
А теперь самое время сделать своими руками импульсный лабораторный блок питания из компьютерного блока питания. Доработаем блок питания, ШИМ-контроллер которого собран на специализированной микросхеме TL494 (также известной как μA494, μPC494, M5T494P, KIA494, UTC51494, AZ494AP, KA7500, IR3M02, AZ7500BP, KR1114EU4, MV3759 и тому подобное).
Мнение эксперта Алексей Бартош Специалист по ремонту, обслуживанию электрооборудования и промышленной электроники. Задайте вопрос Сразу оговоримся — хотя типовые схемы включения этих микросхем одинаковы, все же есть некоторые отличия в зависимости от модели блока питания. Поэтому универсального решения по переделке всех блоков питания не существует.
Например, доработаем блок питания, схема которого представлена ниже. Поняв идею происходящих изменений, не составит труда выбрать алгоритм для изменения любого другого блока.
Разбираем блок питания, вытаскиваем плату. Сразу отпаиваем все ненужные провода силовых цепей, оставляя один желтый, один черный и один зеленый.
Также паяем сглаживающие электролитические конденсаторы на всех линиях электропередачи. На схеме они обозначены как C30, C27, C29, C28, C35. Значительно увеличим (до 25 В на шине +12 В) выходное напряжение, на которое эти конденсаторы не рассчитаны. На место того, что был на шине +12 В, устанавливаем конденсатор такой же или большей емкости на напряжение не менее 35 В. Остальные места оставляем пустыми. Припаиваем зеленый провод в том месте, где должен был быть черный провод, для подачи питания. Теперь вы можете приступить к модификации контроллера.
Давайте посмотрим на назначение контактов микросхемы TL494. Нас интересуют два узла: усилитель ошибки 1 и усилитель ошибки 2. На первом собран регулятор напряжения, на втором — регулятор тока. То есть нас интересует обвязка шпилек 1, 2, 3, 4, 13, 14, 15, 16.
Мы меняем трубопровод так, чтобы усилитель ошибки 1 отвечал за регулирование выходного напряжения, а усилитель 2 — за регулирование тока. Сначала нарежем крестиками следы, указанные на схеме ниже.
Теперь находим резисторы R17 и R18. Первый имеет сопротивление 2,15 кОм, второй — 27 кОм. Меняем их на номиналы 1,2 кОм и 47 кОм соответственно. Добавьте в схему два переменных резистора, постоянный 10 кОм (обозначен зеленым), клеммы для подключения внешнего потребителя, амперметр и вольтметр. В итоге получаем следующую схему.
Как видно из схемы, резистор 22 кОм позволяет плавно регулировать напряжение в пределах 3-24 В, резистор 330 Ом — ток от 0 до 8 А. Для подключения нагрузки используются Cl1 и CL2. Вольтметр имеет предел измерения 25-30 В, амперметр — 10 А. Приборы могут быть как циферблатами, так и цифровыми шкалами, особенно маленькими — ведь они должны помещаться в корпусе блока питания. Можно начинать тестирование и калибровку.
Все отлично? Включаем питание напрямую в сеть, резисторные моторы выводим в нижнее положение по схеме. Подключаем нагрузку к клеммам КЛ1, Кл2 — 2 лампы дальнего света, соединенные последовательно. Вращаем резистор регулирования напряжения и с помощью встроенного вольтметра убеждаемся, что напряжение плавно меняется от 3 до 24 вольт. На всякий случай подключаем к клеммам контрольный вольтметр, например тестер. Градуируем ручку регулятора напряжения, руководствуясь показаниями приборов.
Возвращаем мотор в нижнее положение по схеме, отключаем питание и параллельно подключаем лампы. Включите питание, установите регулятор тока в среднее положение, а регулятор напряжения на отметку 12 В. Поверните ручку регулятора тока. При этом показания амперметра должны постепенно изменяться от 0 до 8 А, а яркость ламп должна постепенно меняться. Градуируем регулятор тока, руководствуясь показаниями амперметра.
Отключите устройство и соберите его. Наш лабораторный блок питания готов. С его помощью мы можем получить любое напряжение от 3 до 24 вольт и установить ограничение тока через нагрузку в диапазоне 0-10 А.
Стоимость сборки БП
Что касается денег, которые потрачены на этот мощный цифровой регулируемый ИП, общая смета расходов выглядит следующим образом:
- DPS5020 4500 рублей
- POWERONE XR08.48 2000 рублей
- Стоимость вентилятора и прочей мелочи 500 рублей.
Итого около 100 долларов, а за такие деньги можно купить лишь готового простенького китайца ватт на 50-100.

Если надумаете тоже собрать такую вещь и будете использовать БП в качестве зарядного устройства, необходимо иметь плавкий предохранитель на выходе и параллельный диод со стороны модуля, который будет перегорать при обратном подключении аккумуляторной батареи.

Стабильность выходного напряжения по осциллографу не идеальна, но как часто вам нужно иметь, например, 15 В и 20 А с точностью нагрузки 0,01 А или стабильностью напряжения 0,1 В?






