Узлы, пригодные к модернизации
Важнейший параметр любого сварочного аппарата — вольт-амперная характеристика (ВАХ), за счёт неё и обеспечивается стабильное горение дуги при разной её длине. Правильная ВАХ создаётся микропроцессорным управлением: маленький «мозг» инвертора на ходу меняет режим работы силовых ключей и мгновенно подстраивает параметры сварочного тока. К сожалению, каким либо образом перепрограммировать бюджетный инвертор нельзя — управляющие микросхемы в нём аналоговые, а замена на цифровую электронику требует незаурядных знаний схемотехники.
Однако «умений» управляющей схемы вполне достаточно, чтобы нивелировать «криворукость» начинающего сварщика, ещё не научившегося стабильно удерживать дугу. Гораздо правильнее сосредоточиться на устранении некоторых «детских» болезней, первая из которых — сильный перегрев электронных компонентов, ведущий к деградации и разрушению силовых ключей.

Вторая проблема — использование радиоэлементов сомнительной надёжности. Устранение этого недостатка сильно снижает вероятность возникновения поломок через 2–3 года эксплуатации аппарата. Наконец, даже начинающему радиотехнику будет вполне по силам реализовать индикацию фактического сварочного тока для возможности работы со специальными марками электродов, а также провести ряд других мелких доработок.
Новый шим-контроллер полумостового преобразователя с высокой степенью интеграции
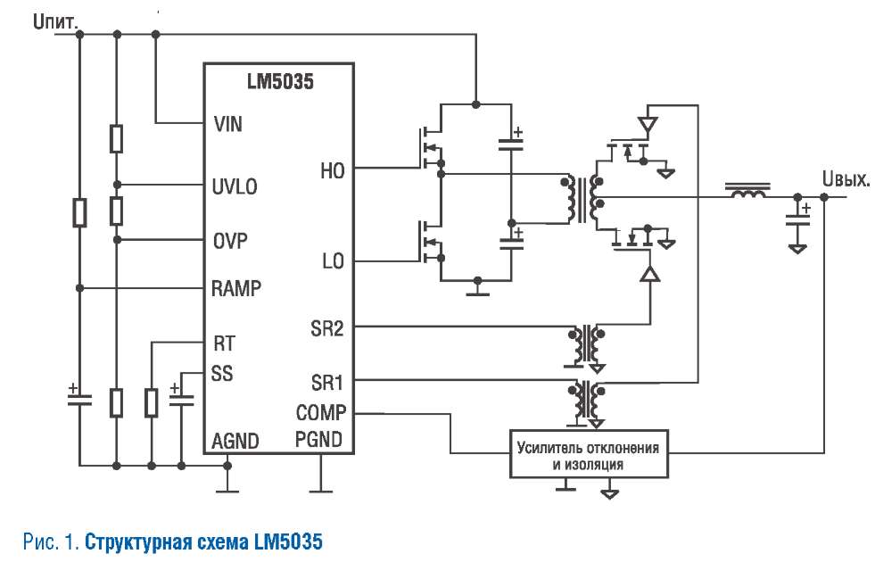
Новая микросхема от National Semiconductor LM5035 интегрирует драйвер полумоста (100В/2А) и полнофункциональный ШИМ-контроллер, что ведет к увеличению КПД преобразования и плотности мощности.
Это позволяет использовать LM5035 там, где перечисленные параметры играют ведущую роль — в компактных источниках питания для телекоммуникации, промышленности и в иных подобных приложениях.
Использование LM5035 позволяет отказаться от внешнего драйвера полумоста.
Компания National Semiconductor представила 100-вольто-вый ШИМ-контроллер полумостового преобразователя, который за счет высокой степени интеграции позволяет минимизировать общие размеры полумостовых преобразователей постоянного напряжения.
LM5035 является новейшим изделием из семейства LM5000 и интегрирует ШИМ-контроллер с обратной связью по напряжению, драйверы затворов верхнего и нижнего уровней с током управления 2А и два программируемых драйвера синхронных выпрямителей. Программное управление выпрямляющими ключами позволяет разработчикам установить требуемые параметры временной диа-
граммы для достижения наилучшего КПД К областям применения LM5035 относятся источники питания в телекоммуникационных, промышленных и других приложениях, где ведущую роль играют КПД и плотность мощности.
«Большинство конкурирующих полумостовых контроллеров требуют применения внешнего драйвера полумоста, что увеличивает габариты приложения и вносит погрешности во временную диаграмму из-за задержек распространения», — сказал Пауль Гринленд, директор по стратегическому маркетингу группы преобразователей питания компании National Semiconductor. — «В один кристалл LM5035 интегри-

рованы ядра драйвера затвора LM5100A и ШИМ-контроллера LM5025. В результате получено надежное решение с превосходным значением плотности рассеиваемой мощности, которое может стать основой для построения высококомпактных модулей питания».
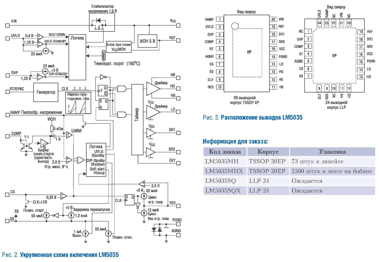
Краткое описание LM5035
LM5035 содержит все компоненты, необходимые для реализации преобразователя, выполненного по полумостовой топологии с отслеживанием входного напряжения. Кроме того, он осуществляет следующие функции:
• Управление синхронным выпрямителем с программируемыми задержками, которые позволяют оптимизировать КПД за счет подстройки временной диаграммы переключения полевых транзисторов на первичной и вторичной стороне;
• Управление напряжением для стабильной работы в составе полумостовой топологии и лучшей устойчивости к шумам по сравнению с управлением в токовом режиме;
• Прямая компенсация для улучшения стабильности при колебаниях входного напряжения;
• Генератор с установкой частоты с помощью внешнего резистора и возможностью работы на частотах до 2 МГц;
• Возможность синхронизации ШИМ внешним генератором для

снижения электромагнитных излучений;
• Программируемая блокировка при снижении входного напряжения для управления последовательностью подачи питания и минимизации выбросов пускового тока;
• Вход подключения внешнего датчика температуры (термистор)
• Регулируемый плавный старт для схем с большими емкостными нагрузками;
• Гибкая двухрежимная защита от токовой перегрузки с таймером автоматического перезапуска, который позволяет снизить тепловыделение при длительной перегрузке;
• Пошаговое ограничение тока для защиты компонентов источника питания от импульсных токовых перегрузок;
• Оригинальный интерфейс оп-топары токового управления, который расширяет частотный диапазон обычных оптопар;
• Выход прецизионного источника опорного напряжения 5 В, который может использоваться во внешней схеме и позволяет сократить количество элементов.
Предыдущая статья «Инфракрасный Барьер.Продолжение»
Следующая статья >> «Неизолированный обратноходовой драйвер светодиода: схема применения»
Приложения
Инкапсулированный преобразователь постоянного тока в постоянный в модульной конструкции для сборки печатной платы
Преобразователи постоянного напряжения являются частью импульсных источников питания, с которыми работают такие нагрузки, как блоки питания ПК , ноутбуки , сотовые телефоны , небольшие двигатели, устройства Hi-Fi и многое другое. м. Быть в эксплуатации. Преимущества перед линейными источниками питания — лучшая эффективность и меньшее тепловыделение. Прежде всего, первый играет важную роль в преобразовании напряжения батареи, поскольку срок службы батареи намного больше с импульсным источником питания: с линейным регулятором напряжения или последовательным резистором, с другой стороны, мощность падение через резистор преобразуется в отходящее тепло. С другой стороны, коммутационные потери , возникающие в импульсном источнике питания , намного ниже.
Регулятор напряжения с тактовой частотой не только выполняет функцию преобразователя напряжения, но и служит фильтром, чтобы максимально снизить негативное влияние на энергосистему (так называемая обратная связь по сети ) , особенно в высокопроизводительных приложениях . Одним из примеров являются активной мощностью коррекции коэффициента (ПФ).
Преобразователи постоянного тока в постоянный также предлагаются в виде полностью инкапсулированных модулей преобразователей, некоторые из которых предназначены для непосредственной сборки на печатных платах . Выходное напряжение может быть меньше, равно или больше входного напряжения, в зависимости от конструкции. Наиболее известны сборки, которые преобразуют низкое напряжение в гальванически изолированное низкое напряжение. Инкапсулированные преобразователи постоянного тока доступны для напряжений от 1,5 кВ до более 3 кВ и используются для питания небольших потребителей в сетях постоянного напряжения, таких как B. до 24 В на промышленных предприятиях или до 48 В в телекоммуникациях или в области электронных сборок, например 5 В для цифровых схем или ± 15 В для работы операционных усилителей .
Преобразователи напряжения постоянного тока , и, исторически, для высоких выходных напряжений также известны как трансвертерами . Схема содержит инвертор и трансформатор с последующим выпрямлением. Примерами являются электронные вспышки с батарейным питанием или преобразователи постоянного напряжения с разделением потенциалов.
В электроэнергетике и приводной технике преобразователи постоянного тока относят к преобразователям постоянного тока. Различия в первую очередь касаются использования и диапазона производительности. В качестве переключателей в области энергетических технологий здесь в качестве клапанов используются силовые MOSFET , IGBT и тиристоры . Прерыватели постоянного тока также используются в этой области применения в виде комбинации двух- или четырехквадрантных прерывателей . Исходя из этой терминологии, простой прерыватель постоянного тока называется одноквадрантным прерывателем.
Проверка работоспособности
После сборочных и отладочных работ проверяется работоспособность сварочного аппарата. Для этого устройство надо запитать от электросети 220 В, далее задать высокие показатели силы тока и сверить показатели по осциллографу. В нижней петле напряжение должно быть в пределах 500 В и не более 550 В. Если все правильно и электроника подобрана строго, показатель напряжения не превысит величины 350 В.
Потом сварка проверяется в действии. С этой целью используются необходимые электроды, и шов раскраивается до полного выгорания электрода
Затем важно проконтролировать температуру трансформатора. Если он попросту закипает, значит, в схеме есть недочеты и работу лучше не продолжать
После раскраивания двух-трех швов радиаторы нагреются до большой температуры, и важно дать им остыть. Для этого хватит двух-трехминутной паузы, в итоге температура выровняется до оптимальной
https://youtube.com/watch?v=zq1DXiTX7qE
Необходимые компоненты
Полный список компонентов, необходимых для сборки нашего инвертора, представлен в следующей таблице.
| № п/п | Название | Тип компонента | Количество | Где купить |
| 1 | Atmega328P | микроконтроллер | 1 | |
| 2 | IRFZ44N | Mosfet транзистор | 2 | купить на AliExpress |
| 3 | BD139 | транзистор | 2 | купить на AliExpress |
| 4 | BD140 | транзистор | 2 | купить на AliExpress |
| 5 | 22pF | конденсатор | 2 | купить на AliExpress |
| 6 | 10K,1% | резистор | 1 | купить на AliExpress |
| 7 | 16MHz | кварцевый генератор | 1 | купить на AliExpress |
| 8 | 0.1uF | конденсатор | 3 | купить на AliExpress |
| 9 | 4.7R | резистор | 2 | купить на AliExpress |
| 10 | 1N4148 | диод | 2 | купить на AliExpress |
| 11 | LM7805 | регулятор напряжения | 1 | купить на AliExpress |
| 12 | 200uF,16V | конденсатор | 1 | купить на AliExpress |
| 13 | 47uF, 16V | конденсатор | 1 | купить на AliExpress |
| 14 | 2.2uF,400V | конденсатор | 1 | купить на AliExpress |
Внешний вид этих компонентов показан на следующем рисунке.

Сравнение параметров автономных инверторов равной мощности
Важнейшим параметром является выходной ток инвертора. Он определяет загрузку полупроводниковых элементов, наиболее критичных к перенапряжениям и перегрузкам по току.
На рис. 5 представлена характерная форма кривых выходного тока для каждой из схем в режиме номинальной мощности. Эти кривые показывают, что в момент паузы (непроводящего состояния вентилей автономного инвертора) в нагрузке протекает постоянная составляющая входного тока инвертора. При этом во второй схеме она реверсируется в нагрузке, увеличивая амплитуду первой гармоники выходного тока, а в первой — четверть мостовой схеме — постоянная составляющая входного тока не меняет своего направления, но при этом можно наблюдать эффект удвоения выходной частоты автономного инвертора. Загрузка тиристоров по току в первой схеме существенно выше.

Рис. 5. Коммутирующие элементы и нагрузка автономных инверторов (выделены справа) и про те ка ю щий по ним выходной ток (слева)
Резонансный режим работы автономных инверторов характеризуется почти синусоидальным изменением тока в момент включения тиристора, поэтому скорость нарастания тока в тиристоре di/dt далека от критической величины, допускаемой высокочастотными тиристорами.
Начальная скорость нарастания тока тиристоров в момент их включения определяется выражением
На рис. 6 показаны графики токов обратных диодов исследуемых схем автономных инверторов при равной входной мощности. Длительность протекания тока диода определяет время восстановления управляющих свойств тиристоров. По этому параметру рассматриваемые схемы потенциально равноценны .

Рис. 6. Обратные диоды выделены справа) и токи диодов изображены слева) автономных резонансных инверторов
Другой параметр — величина среднего тока, протекающего через диоды, — существенно выше у четверть мостовой схемы. Однако по этому параметру диоды необходимо выбирать исходя из максимального значения при минимальном сопротивлении нагрузки. Это режим короткого замыкания нагрузки (КЗ), характерный для применения автономного инвертора в преобразователях частоты для индукционных установок ТВЧ. В этом отношении рассматриваемые схемы также равноценны.
Топологии для формирования синусоидального сигнала
следующим образом
Плюсы:
- Минимально возможное количество силовых транзисторов, а значит потери в 2 раза меньши и стоимость устройства тоже ниже
- Сквозной ноль. Это упрощает процесс сертификации, особенно CE и ATEX. Связано это с тем, что сквозной ноль позволяет системам защиты по входу (например, УЗО) срабатывать так же при возникновение аварии в выходных цепях после преобразователя
- Простая топология, что позволяем максимально уменьшить стоимость изделия при мелко-
и средне серийном производстве
Минусы:
- Необходимость двухполярного источника питания. Как видите на схему инвертора надо подавать ±380В и еще ноль
- Удвоенное количество высоковольтных конденсаторов. Высоковольтные конденсаторы большой емкости и с малым ESR на мощностях от 3-4 кВт начинают составлять от 20 до 40%
стоимости компонентов - Применение электролитических конденсаторов в «делителе». Они сохнут, подобрать конденсаторы с одинаковыми параметрами практически нереально, а если учесть, что параметры электролитов меняются в процессе эксплуатации, то и бессмысленно. Заменить на пленку можно, но дорого
Плюсы:
- Очень высокая надежность. Она в основном обусловлена качеством системы управления силовыми транзисторами и не зависит от деградации компонентов
- Входная емкость требуется в разы, а то и на порядок меньше. Необходимо лишь обеспечить расчетное значение ESR. Это позволяет использовать пленочные конденсаторы при сохранение себестоимости. Пленочные конденсаторы — не сохнут, лучше ведут в суровых температурах, рабочий ресурс на порядок выше, чем у электролитов
- Минимальные пульсации напряжения на транзисторах, а значит можно применить транзисторы на меньшее напряжение
- Простота и понятность алгоритмов работы. Это приводит к значительному уменьшению времени на разработку изделия, а также на его пуско-наладочные работы
Минусы:
- Увеличенное количество силовых транзисторов, а значит необходимо более серьезное охлаждение. Увеличение цены на транзисторах, но за счет меньшего количества конденсаторов это скорее даже плюс
- Повышенная сложность драйвера, особенно при требованиях к наличию гальванической развязки
Небольшой итог
Виды сварочных инверторов
В настоящее время существует огромное количество модификаций инверторов, с помощью которых можно проводить соединение мелких и крупных деталей из различных материалов. Однако в большинстве случаев, когда говорят про инверторный сварочный аппарат, это значит, что имеют в виду один из трёх основных его разновидностей:
Однотактный сварочный инвертор с импульсным преобразователем
Это наиболее простые и компактные инверторы, которые имеют существенный недостаток – транзисторы, при переключении которых происходит разрыв цепи, в результате чего снижается КПД оборудования. Этот тип инвертора отлично подходит для нечастого использования в быту, когда необходимо произвести сварку небольших деталей. Мощность однотактных инверторов обычно не превышает 4 кВт.
Двухтактный или мостовой сварочный инвертор
КПД таких аппаратов значительно выше, за счёт низких коммутационных потерь. Мощность оборудования обычно достигает 10 кВт, что позволяет использовать инверторы этого типа там, где есть необходимость в частом соединении различных деталей. Качество сварки на высоком уровне, швы ровные, практически незаметные. Качество швов во многом зависит от используемых электродов и мастерства сварщика.
Полумостовой сварочный инвертор с резонансным преобразователем
Такие аппараты оснащены устройством, позволяющим создавать стабильную сварную дугу. Этот тип инверторов относят к профессиональным и используют в промышленности, их мощность составляет десятки кВт, они обладают внушительными габаритами и весом.
Как работает импульсный блок питания
Принцип работы импульсного блока питания в корне отличается от действия обычного, трансформаторного блока питания. Изначально напряжение в 220 В проходит через диодный мост, после чего прямой ток поступает в инвертор, т.е. преобразователь напряжения в токи высокой частоты. Это действие может выполняться либо посредством гальванического отделения питающей сети от входной цепи, либо без такового.
Если гальваническая развязка присутствует, то высокочастотный ток подвергается ей при помощи трансформатора. Причем, чем выше будет частота импульсов, тем эффективнее будет работать трансформатор.

Схемы включения каскадов силовых ключей
Само действие такого БП основывается на применении трех элементов, которые содержит схема импульсного блока. Они четко взаимодействуют между собой в процессе работы. Элементы эти следующие:
- контроллер широтно-импульсного модулятора;
- транзисторный блок, который может быть включены по одной из схем — мостовой, полумостовой или же по схеме со средней точкой;
- импульсный трансформатор, у которого имеется первичная и вторичная обмотки, смонтированные на магнитопроводе.
При условии отсутствия гальванической развязки высокочастотного трансформатора тока в схеме нет, а сигнал подается сразу на фильтры НЧ. По сути, все схемы импульсных источников питания идентичны.
Далее попробуем более детально разобрать, как работает каждый из этих трех элементов.
Контроллер широтно-импульсной модуляции
Наверное, не нужно объяснять, что контроллер — это управляющее чем-либо устройство. Если разбирать именно ШИМ в импульсном блоке, то тут закладывается задача создания токов с одной частотой, но с различной длительностью включения. Логической единицей выступает, естественно, сам импульс, ну а нулем — его отсутствие.
Импульсы обусловлены одинаковым периодом колебания, т.е. амплитуда их величин равна. А вот работой электронной схемы позволяет управлять именно отношение продолжительности к самому периоду.
Для того чтобы проще было понять изложенное, можно обратиться к схематическому изображению.

Импульсы, создаваемые ШИМ
Принимая во внимание, что частота тока в сети 220 В равна 50 Гц, можно себе представить, насколько сложна работа, выполняемая контроллером и модулятором ШИМ. Обычно на его выходе образуется ток, с частотой порядка 30-60 кГц
Вообще, широтно-импульсная модуляция в наше время применяется во многих устройствах. И самый яркий тому пример — инверторные сварочные аппараты, где как раз при помощи ШИМ удалось снизить габариты и массу устройства в десятки раз по сравнению с обычными трансформаторными агрегатами.
Транзисторный блок, или каскад силовых ключей
Мощные полевые или IGBT-транзисторы образуют каскад, который также может управляться и менее мощными элементами либо интегральными драйверами. Собраны эти транзисторы могут быть в одну из трех схем: мостовую, полумостовую либо со средней точкой.
Вот, собственно, и все, что можно сказать о силовых ключах импульсного блока питания.
Импульсник, или блок без гальваники
Импульсник, т.е. высокочастотный трансформатор, может быть собран на основе ферритового или альсиферового кольца, на котором и размещены первичная и вторичная обмотки. Они могут выдавать высокочастотный ток с импульсом до 100 кГц. Их работу дополняют различные фильтрующие элементы и диоды.
Если же гальваническая развязка в подобном БП отсутствует, то сигнал напрямую будет поступать на низкочастотный фильтр без какой-либо трансформации. Наглядно это показано на схематическом изображении.

Импульсный блок питания без гальванической развязки
Тестирование работы инвертора

Для тестирования работы инвертора мы использовали:
- Свинцово-кислотная батарея с напряжением 12V.
- Трансформатор с отводами 6-0-6 и 12-0-12.
- Электрическую лампу на 40 Вт в качестве нагрузки.
- Мультиметр Meco 108B+TRMS.
- Мультиметр Meco 450B+TRMS.
Выходной сигнал с платы Arduino
После загрузки кода в плату Arduino мы измерили SPWM сигнал на двух ее контактах и получили следующую картину:

Если мы увеличим это изображение, то мы увидим каждый изменяющийся полуцикл ШИМ волны.

На следующем рисунке показан сигнал на выходе трансформатора.

Инвертор в идеальном состоянии

Как вы видите на рисунке, в идеальном состоянии схема инвертора потребляет примерно 13 Вт электроэнергии.
Выходное напряжение без нагрузки

Как вы видите, без подсоединённой нагрузки напряжение на выходе инвертора составляет примерно 245 В.
Потребление энергии на входе инвертора

На представленном рисунке вы можете увидеть входную потребляемую мощность при подключенной нагрузке 40 Вт.
Потребление энергии на выходе инвертора

На представленном рисунке вы можете увидеть выходную потребляемую мощность при подключенной нагрузке 40 Вт.
Более подробно все эти процессы вы можете посмотреть на видео, приведенном в конце статьи.
Что такое электронный балласт 4х18 (электронное пусковое устройство)
Балласт в схемах используется для ограничения величины тока. В момент появления заряда в газе лампы его величина возрастает мгновенно, а сопротивление падает. Это вызывает нагрев контактов светильника и их вероятное перегорание. Для предотвращения этого и применяются данные устройства.

Электронное пусковое устройство для люминесцентных ламп 4×18
К сведению! Наиболее широко распространены электронные и электромагнитные балласты. Электромагнитный модуль создает регулируемое индуктивное сопротивление катушки. Электронное устройство изменяет и регулирует сам сигнал.

Электромагнитный балласт
Электронное пусковое устройство для люминесцентных лампочек имеет несколько преимуществ:
- предотвращает мерцание;
- намного меньше в размерах и весе;
- не создает постороннего шума;
- имеет режим «горячего старта», при котором контакты светильника предварительно нагреваются, что увеличивает срок их службы.

Устройство электронного модуля
Обнаружение неисправностей инвертора
Перечисленные простые схемы имеют две наиболее распространенных неисправности – либо на выходе трансформатора отсутствует напряжение, либо оно слишком мало.
- Первый случай – это либо одновременный отказ обоих плеч преобразователя, что маловероятно, либо отказ ШИМ-генератора. Для проверки воспользуйтесь светодиодным пробником, какой можно приобрести в любом магазине радиодеталей. Если ШИМ работает, на затворах транзисторов Вы увидите наличие сигнала по быстрым пульсациям свечения диода (особенно хорошо это заметно в низкочастотных схемах). При наличии управляющего сигнала проверьте, нет ли обрывов в соединениях трансформатора и целостность его обмотки.
- Большое падение напряжения – это явный признак отказа одного из силовых плеч инвертора. Найти отказавший транзистор можно простейшим образом – его радиатор останется холодным. Замена ключа вернет инвертору работоспособность.
Топология и характеристики резонансного полумостового LLC-преобразователя
На рис. 1 показана базовая топология резонансного полумостового LLC-преобразователя. Эта схема состоит из блока генератора прямоугольных импульсов, резонансной цепи, выпрямителя и фильтра. Блок генератора прямоугольных импульсов состоит из двух MOSFET (Q1 и Q2), которые генерируют однополярное напряжение. Резонансная цепь состоит из емкости Cr и двух индуктивностей Lr и Lm. Резонансный LLC-преобразователь отличается от последовательного резонансного LC-преобразователя (SRC) только индуктивностью Lm. Выпрямитель состоит из вторичной стороны преобразователя, двух диодов для двухполупериодного выпрямления и выходной емкости Co, которая сглаживает выпрямленное напряжение, подаваемое на нагрузку RL.

Рис. 1. Базовая топология резонансного полумостового LLC-преобразователя
На рис. 2 показаны рабочие области резонансного LLC-преобразователя двух типов: с коммутацией при нулевом токе (область ZCS) и при нулевом напряжении (ZVS). В первом случае частота переключения ниже резонансной fr2, т. е. поведение резонансной цепи имеет емкостной характер. Иной режим возникает при работе в области ZVS: в этом случае частота переключения выше резонансной fr1.

Рис. 2. Рабочие области резонансного LLC-преобразователя
При коммутации преобразователя в диапазоне частот fr1–fr2 режим его работы (ZVS или ZCS) определяется нагрузкой. В нормальном режиме резонансный LLC-преобразователь работает на частоте чуть выше fr1. Это наилучшая рабочая точка, обеспечивающая высокую эффективность. При работе на резонансной частоте выходные параметры преобразователя не зависят от нагрузки. Преобразователю, работающему в этой точке, нет необходимости менять частоту коммутации при любом значении выходной мощности, пока входное напряжение остается неизменным.
Полный мост с ШИМ
Представляет собой классический двухтактный преобразователь, блок схема которого показана ниже:

Данная схема позволяет получать мощность в 2 раза больше, чем при включении типа полумост и в 2 раза больше чем при включении типа «косой» мост, при этом величины токов и соответственно потери во всех трех случаях будут равны. Это можно объяснить тем, напряжение питания будет равным напряжению «раскачки» первичной обмотки трансформатора силового.
Для того, чтоб получить одинаковые мощности с полумостом (напряжение раскачки 0,5Uпит.) необходим ток в 2 раза! меньше чем для случая полумоста. В схеме полного моста с ШИМ транзисторы будут работать поочередно – Т1, Т3 включены, а Т2, Т4 выключены и соответственно наоборот при изменении полярности. Через трансформатор тока отслеживают и контролируют значения амплитудное тока протекающего через эту диагональ. Для его регулирования есть два наиболее часто применяемые способы:
- Оставить неизменным напряжение отсечки, а изменять только длину импульса управления;
- Проводить изменения уровня отсекающего напряжения по данным с трансформатора тока при этом оставляя неизменным длительность импульса управления;
Оба способа могут позволить проводить изменения выходного тока в довольно больших пределах. У полного моста с ШИМ недостатки и требования такие же, как и у полумоста с ШИМ. (Смотри выше).
Преобразователь импульсного напряжения: объяснение простыми словами с поясняющими картинками
Правило №4: выпрямленный сигнал подвергается широтно-импульсной модуляции на силовом ключе под управлением ШИМ контроллера.
Силовой ключ выполняется первичной обмоткой высокочастотного трансформатора. Для эффективной трансформации в/ч импульсов до 100 килогерц конструкцию магнитопровода делают из альсифера или ферритов.
На обмотку трансформатора от цепей управления через в/ч транзистор поступают импульсы сигналов в несколько десятков килогерц.
Прямоугольные импульсы тока подаются по времени, чередуются с паузами, обозначаются единицей (1) и нулем (0).
Продолжительность протекания импульса или его ширина в каждый момент низкочастотного синусоидального напряжения соответствует его амплитуде: чем она больше, тем шире ШИМ. И наоборот.
ШИМ контроллер отслеживает величину подключенной нагрузки на выходе импульсного блока питания. По ее значению он вырабатывает импульсы, кратковременно открывающие силовой транзистор.
Если подключенная к ИБП мощность начинает возрастать, то схема управления увеличивает длительность импульсов управления, а когда она снижается, то — уменьшает.
За счет работы этой конструкции производится стабилизация напряжения на выходе блока в строго определенном диапазоне.
Моделирование полумостовой схемы в MATLAB
Обе схемы инвертора моделируются в MATLAB довольно легко. Для полумостового инвертора, соберите цепь в MATLAB, как показано на рисунке ниже.

Gate pulse 1 и gate pulse 2 являются импульсами затвора для MOSFET1 и MOSFET2. Импульс затвора генерируется генератором импульсов PULSE GENERATOR. В этом случае MOSFET1 и MOSFET2 не могут быть включены одновременно. Если это произойдет, источник напряжения будет замкнут накоротко. Когда MOSFET1 закрыт, MOSFET2 будет открыт в это время, а когда MOSFET2 закрыт, MOSFET1 будет открыт. Итак, если мы генерируем импульс затвора для любого MOSFET, то мы можем переключить этот импульс и использовать для другого MOSFET. Принцип настройки генератора импульсов затвора показан далее.


На рисунке выше показаны параметры для блока генератора импульсов в MATLAB. Период 2e-3 означает 20 мсек. Если вам нужен выход с частотой 60 Гц, период составит 16,67 мсек. Ширина импульса в процентах от периода. Это означает, что импульс затвора генерируется только для этой области. В этом случае мы устанавливаем это значение равным 50%, это означает, что генерируется импульс затвора с периодом 50%, а импульс затвора с периодом 50% не генерируется. Задержка фазы установлена на 0 секунд, это означает, что мы не даем никакой задержки импульсу затвора. Если есть какая-либо фазовая задержка, это означает, что по истечении этого времени будет генерироваться импульс затвора. Например, если фазовая задержка составляет 1e-3, то импульс затвора будет генерироваться через 10 мс.
Таким образом, мы можем генерировать импульс затвора для MOSFET1 и теперь мы переключим этот импульс затвора и используем его для MOSFET2. В симуляции мы будем использовать логические элементы НЕ (NOT). Логический элемент NOT инвертирует выход, что означает, что он преобразует 1 в 0 и 0 в 1. Таким образом, мы можем точно получить противоположный импульс строба, чтобы источник постоянного тока никогда не был закорочен.
На практике мы не можем использовать 50% ширины импульса. MOSFET или любой силовой электрический выключатель требует небольшого времени для пребывания в выключенном состоянии. Чтобы избежать короткого замыкания источника, ширина импульса установлена на 45%, чтобы время выключения MOSFET было немного большим. Этот период времени известен как мертвое время (dead time). Но для целей моделирования мы можем использовать 50% ширину импульса.

Этот скриншот показывает выходное напряжение на нагрузке. На этом изображении мы видим, что пиковое значение напряжения нагрузки составляет 50 В, что составляет половину входного напряжения постоянного тока, а частота равна 50 Гц. Для завершения одного цикла требуемое время составляет 20 мс.
Недостатки
Импульсные блоки питания обладают и определенными недостатками в сравнении с линейными. Основная часть схемы прибора работает от сети без гальванической развязки, что существенно затрудняет ремонт подобных приспособлений. Импульсный блок питания для усилителя, как и для всей прочей аппаратуры, характеризуется тем, что создает высокочастотные помехи, что связано с сами принципом его работы. Часто приходится применять определенные методы помехоподавления, которые очень часто не приводят к полному их устранению. Именно поэтому импульсные блоки питания во многих случаях невозможно использовать для некоторой аппаратуры. Обычно у этих приспособлений имеется ограничение на минимальную нагрузку в плане мощности. Если этот параметр ниже необходимого, то может просто не произойти запуска блока, либо его параметры выходного напряжения не будут укладываться в допустимые отклонения.
Заключение
Все «навесные» дополнения, такие как дроссель или амперметр, лучше монтировать отдельной приставкой, которая включается в разрыв любой из сварочных жил посредством штекера типа байонет. Таким образом внутри корпуса инвертора сохранится достаточно пространства для вентиляции, а дополнительные устройства можно будет легко отключить за ненадобностью.
Нужно помнить, что кардинальной, глубокой модернизации провести не получится, иными словами, «РЕСАНТУ» в KEMPPI разумными силами и средствами не превратить. Однако изготовление приспособлений и мелкая доработка оборудования — отличный способ лучше изучить технологию дуговой сварки и проникнуться профессиональными тонкостями.





