Схемы осциллографов
Модулятор, фокусирующий электрод и анод имеют центральные отверстия, через которые и пролетает электронный луч. С эмиттера транзистора VT1 синхронизирующий сигнал поступает на дифференциальный каскад транзисторы VT2 и VT3 , усиливающего его до уровня, достаточного для срабатывания триггера синхронизации. Его основные достоинства — калиброванные чувствительность усилителя вертикального отклонения луча и длительность развертки, позволяющие не только наблюдать сигнал, но и измерить его параметры, а также относительно небольшие размеры.
Если нет осциллографа, можно ограничиться приблизительной оценкой размаха измерением вольтметром с высоким входным сопротивлением напряжения на коллекторе транзистора VT7 при максимальной длительности развертки.

Внешний вид осциллографа показан на рис. Положительный перепад импульса с блока запуска развертки переводит триггер в другое устойчивое состояние, отрицательный — возвращает в исходное состояние.

Стабилитрон VD1, резистор R12, конденсатор C7 защищают повторитель от перегрузок входным сигналом. Подобное может случиться в процессе ремонта осциллографа или при самостоятельном изготовлении простенького любительского прибора. Преобразователь напряжения , формирует отрицательный полюс 5 Вольт. Конструктор осциллографа: модель DSO Китайские производители всегда славились умением создавать электронику для профессиональных потребностей с очень ограниченным функционалом и за довольно небольшие деньги. Малогабаритные осциллографы, например, С, С могут работать от автомобильного аккумулятора. Если всё нормально, выключаем питание и устанавливаем перемычку JP4. Техническое обслуживание осциллографа ОМЛ после долгого хранения

Принципиальная схема
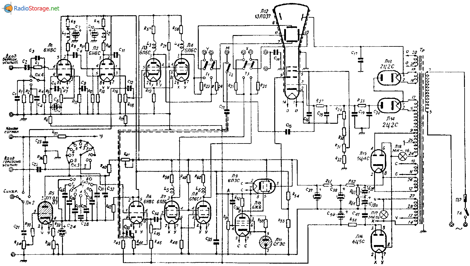
Схема осциллографа С1-94 электрическая принципиальная. Усилитель и высоковольтный источник питания осциллографа С1-94.
Развертка и низковольтный источник питания осциллографа С1-94.
RadioHata.RU Портал радиолюбителя, начинающему радиолюбителю, Arduino, Raspberry Pi, книги по радиотехнике и электронике, простые схемы, схемы, радиотехнические журналы, видео, программы для радиолюбителя.
Download Mgzine: AudioXpress, Circuit Cellar, CQ Amateur Radio, Electronics For You, Elektronika dla Wszystkich, Elektorlabs, Elektor Magazine DVD, Elektronika Praktyczna, Elettronica In, ELV Journal, Funkamateur, Hi-Fi World, Klang+Ton, Nuts and Volts, Prakticka Elektronika A Radio, Practical Electronics, Practical Wireless, QST, Servo Magazine, Silicon Chip, Swiat Radio, The MagPi. Скачать: Журнал Радио, Журнал Радиомир, Журнал Радиоаматор, Журнал Радиолоцман, Журнал Радиоконструктор, Журнал Радиосхема, Журнал Радиохобби, Журнал Ремонт и сервис, Журнал Компоненты и технологии, Журнал Электронная техника.
Скачать книги: Начинающему радиолюбителю, Телевидение и Радио, Источники питания, Для дома и быта, Прием-передача, Автолюбителю, Аудиотехника, Справочники, Учебники, Микроконтроллеры, Arduino, Raspberry Pi, Электроника, Электрика Скачать: Программы для радиолюбителя, Видеокурсы.
Переводим на литий
Питание от внешнего источника — самый главный недостаток данной модели, но с помощью аккумулятора от телефона и небольшого повышающего модуля на MT3608 эту ситуацию можно исправить. В корпусе осциллографа идеально умещается аккумулятор BL-4U от Nokia, при этом вообще не нужно ничего подрезать и подпиливать:
Повышайку на MT3608 нельзя оставлять постоянно подключенной к аккумулятору, потому что на холостом ходу она потребляет около 1мА и будет его высаживать. Для отключения модуля задействуем уже имеющийся выключатель, и чтобы это сделать нам необходимо перерезать 2 дорожки, а затем зачистить маску на одной из них для подпайки провода:
Повышающий модуль я собрал сам на коленке, ибо заводских у меня не было, зато были дроссели и сами микросхемы:
Схема:
Сверлить отверстия и соединять землю со вторым слоем не стал, хотя по-правильному надо было бы. Изначально я поставил дроссель CD32, но он сильно грелся, поэтому позже я заменил его на CD47. Резисторы: R1 — 43 КОм, R2 — 3 КОм, с такими номиналами теоретическое напряжение на выходе — 9.14В, на практике:
Вполне сойдет, конденсаторы поставил по 22 мкф. Дальше подпаиваем провода к дорожкам выключателя, заодно не забываем накинуть на ногу AMS1117 питание с диода:
Да, получилось немного грязновато — тыкал обычным USB паяльником с канифольным припоем) Дальше приклеиваем к плате осциллографа и подключаем модуль зарядки лития:
Затем приклеиваем аккумулятор с повышающим модулем и подключаем провода. Общий вид с еще пока не подключенным ко входу осциллографа повышающим модулем:
Влезло все идеально, прямо миллиметр в миллиметр, не пришлось ничего подпиливать или ломать:
Вход для зарядки:
Общий вид:
Готово! Теперь у нас есть полностью автономный карманный осциллограф, батарейка имеет реальную емкость около 800мА/ч, хватает ее примерно на 3 часа полноценной работы, после преобразователь перестает справляться, и появляются шумы. Но даже такая автономность лучше, чем никакая, не правда ли?)
Комментарии: 6
Видео работы осциллографа С При обратной сборке после ремонта проверяем положение трубки и ставим ее ровно.

Внешний вид пятилучевого осциллографа С с установленной фотокамерой показан на рисунке 1. Кстати, такие калибраторы есть и у современных цифровых осциллографов.

Крышка оклеена искусственной кожей и снабжена ручкой для переноски осциллографа.

Для регулировки была также и отверточка, но она мне сильно пригодилась для работы с осциллографом, а не щупом. Поэтому синусоида на экране начинается с положительного полупериода.

В осциллографе используется автоматический режим триггера. К сожалению осциллограф умеет работать только с переменным током, впрочем для большинства задач этого более чем достаточно.
Комментарии: 6
Такой же диаметр имеют и текстолитовые валики-удлинители осей переменных резисторов R, R Ну все думаю, «Бобик сдох», на экране ерунда, в первом режиме не рассмотреть, во втором почти треугольник. Снизу пайка хоть и относительно качественная, но вот флюс, его много.
Но ведь работает же. Это означает, что если входной сигнал повторяющийся к примеру треугольник то триггер работает хорошо. В комплект осциллографа входила регистрирующая фотокамера РФК-5, прикрепленная к экрану, что обеспечивало съемку осциллограмм на фотопленку. Получается, что каскад на одном транзисторе усилил сигнал амплитудой 10 мВ в 8,7 раз.
Питание ЭЛТ нестабилизированным напряжением приводит к тому, что при колебаниях напряжения сети размеры осциллограмм несколько изменяются, однако для простого осциллографа это можно считать допустимым. Цепи накала ЭЛТ питаются от отдельной обмотки силового трансформатора блок А1. На рисунке 3 луч отклоняется в точку О3. Кстати, цена щупа весьма низкая, как на мой взгляд, у нас в оффлайне они стоят куда дороже. Осциллографы Первая часть
Блок развертки осциллографа С1-94
Блок развертки осциллографа может работать как в ждущем, так и в автоколебательном режиме, диапазон калиброванных значений коэффициента развертки от 0,1 мкс на деление до 50 мс на деление и разбит на 18 фиксированных поддиапазонов, кратных числам ряда 1, 2, 5.
Погрешность коэффициента развертки не превышает ±5% на всех диапазонах, кроме 0,1 мкс на деление, для которого она не превышает ±8%.
Перемещение луча по горизонтали обеспечивает установку начала и конца развертки в центре экрана.
Параметры канала горизонтального отклонения (КГО) луча:
— коэффициент отклонения на частоте 1 кГц не превышает 0,5 В на деление;
— неравномерность амплитудно-частотной характеристики усилителя горизонтального отклонения в диапазоне частот от 20 Гц до 2 МГц — не более 3 дБ.
Осциллограф имеет внутреннюю и внешнюю синхронизацию развертки.
Внутренняя синхронизация развертки возможна:
— синусоидальным напряжением размахом от 2 до 8 делений в диапазоне частот от 20 Гц до 10 МГц;
— синусоидальным напряжением размахом от 0,8 до 8 делений в диапазоне частот от 50 Гц до 2 МГц;
— импульсными сигналами любой полярности длительностью от 0,3 мкс при высоте изображения от 0,8 до 8 делений.
Внешняя синхронизация развертки может быть реализована:
— синусоидальным сигналом амплитудой 0,5 В в диапазоне частот от 20 Гц до 10 МГц;
— синусоидальным сигналом амплитудой от 0,25 до 1,5 В в диапазоне частот от 50 Гц до 2 МГц;
— импульсными сигналами любой полярности длительностью от 0,3 мкс с амплитудой от 0,5 до 3 В.
Нестабильность синхронизации — не более 20 нc.
Амплитуда выходного отрицательного пилообразного напряжения развертки для синхронизации внешних устройств (контакт 1, разъем ШЗ) — не менее 4 В.
Осциллограф питается от сети переменного тока напряжением 220 В и обеспечивает указанные значения технических характеристик после пятиминутного прогрева. Мощность, потребляемая от сети при номинальном напряжении, не превышает 35 Вт. Прибор способен работать непрерывно в течение 8 ч при сохранении своих технических характеристик.
Габариты осциллографа 300X190X100 мм. Масса — не более 3,5 кг.
Рис.1 Структурная схема универсального осциллографа С1-94.
Структурная схема осциллографа приведена на рис. 1. КВО служит для усиления сигнала с минимальными амплитудными и частотными искажениями в частотном диапазоне 0…10 МГц до уровня, необходимого для получения заданного коэффициента отклонения. КВО состоит из аттенюатора, предварительного усилителя, линии задержки и оконечного усилителя.
КГО состоит из усилителя синхронизации, триггера синхронизации, устройства запуска, генератора, устройства блокировки и усилителя развертки.
Калибратор, предназначен для формирования сигнала калиброванного по амплитуде и длительности.
Исследуемый электрический сигнал подают на вход канала вертикального отклонения прибора. Через аттенюатор сигнал проходит на вход предварительного усилителя, который совместно с оконечным усилителем усиливает исследуемый сигнал до уровня, достаточного для наблюдения сигнала на экране электроннолучевой трубки (ЭЛТ).
Вид входа (открытый или закрытый) выбирают переключателем УЗ-В1.1.
С выхода предварительного усилителя КВО исследуемый сигнал поступает на вход усилителя синхронизации КГО (переключатель УЗ-В1.2 в положении «Внутр.»), Усилитель синхронизации совместно с триггером синхронизации формирует сигнал, поступающий на блок запуска генератора развертки. Генератор развертки формирует линейно падающее пилообразное напряжение, которое усиливается усилителем развертки и поступает на горизонтально отклоняющие пластины ЭЛТ.
Блок запуска совместно с генератором развертки формируют пилообразное напряжение развертки, обеспечивают автоколебательный или ждущий режим развертки («Авт./Ждущ.») и переключение диапазонов коэффициента развертки.
Блок управления лучом по яркости, входящий в электроннолучевой индикатор, формирует положительные импульсы, поступающие на модулятор ЭЛТ во время рабочего хода развертки. Высоковольтный источник обеспечивает ЭЛТ всеми необходимыми напряжениями.
Таблицы напряжений
Проверка режимов, приведенных в табл. 1 (кроме особо оговоренных) производится относительно корпуса прибора при следующих условиях:
- усилители У1 й У2: производится при сбалансированном усилителе; переключатель УЗ-В1-4 устанавливается в положение ЖДУЩ; резисторами R2 и R20 луч устанавливается в центре экрана;
- развертка УЗ: резистором R8 (УРОВЕНЬ) потенциал базы транзистора УЗ-Т8 устанавливается О; переключателями УЗ-В1-2, УЗ-В1-З, УЗ-В1-4 устанавливаются в положения ВНУТР, JL, ЖДУЩ соответственно, резистором R20 луч устанавливается в центре экрана; переключатели V/ДЕЛ и ВРЕМЯ/ДЕЛ находятся в положениях „05” и „2” соответственно; напряжение на электродах транзистора УЗ-Т7 снимается в положении* переключателя V/ДЕЛ; напряжения иа электродах транзисторов УЗ-Т4, УЗ-Т6 проверяются относительно общей точки диодов УЗ-Д2 и УЗ-Д3, при этом переключатель УЗ-В1-4 устанавливается в положение АВТ; питающие напряжения 12 и минус 12 В должны быть установлены с точностью ± 0,1 В, при напряжении сети 220 ± 4 В.
Таблица 1.
Таблица 2.
Проверка режимов, приведенных в таблице 2 (кроме особо оговоренных) , производится относительно корпуса прибора. Проверка режима на контактах 1, 14 ЭЛТ (Л2) производится, относительно потенциалакатода(минус 2000 В). Режимы работа могут отличаться от указанных с табл. 1, 2 на ±20%.
https://youtube.com/watch?v=MO4weBep4MA
https://youtube.com/watch?v=gB3sJkl1LNQ
Подробное описание
Прибор может быть применен в службах ремонта электронной радиоаппаратуры на предприятиях и в быту, а также у радиолюбителей и в учебных заведениях.
Электрическая схема осциллографа С1-94, djvu
Технические характеристики С1-94
| Параметры | Значения | ||
| ЭЛТ | Тип | 8ЛО7И | |
| Рабочая часть экрана | 40 × 60 мм (8 × 10 делений) | ||
| Ширина линии луча | не более 0.8 мм | ||
|
Канал вертикального отклонения |
Полоса пропускания | 0…10 МГц | |
|
Коэффициент отклонения |
Диапазон | 10 мВ/дел … 5 В/дел. | |
| Шаг | согласно ряду чисел 1, 2, 5 | ||
|
Погрешность коэффициентов отклонения |
Без делителя | не более ±5% | |
| С делителем 1:10 | не более ±8% | ||
| Параметры ПХ | Время нарастания ПХ | не более 35 нс | |
| Выброс на вершине ПХ | не более 10% | ||
| Время установления ПХ | не более 120 нс | ||
| Смещение луча |
Из-за дрейфа усилителя в течение 1 ч после 5-минутного прогрева |
не более 0.3 дел. | |
| Кратковременное за 1 мин | не более 0.2 дел. | ||
|
Входной импеданс |
При непосредственном входе |
сопротивление | 1 ±0.05 МОм |
| емкость | 40 ±4 пФ | ||
| С делителем 1:1 | сопротивление | 1 ±0.05 МОм | |
| емкость | ~150 пФ | ||
| С делителем 1:10 | сопротивление | 10±1 МОм | |
| емкость | не более 25 пФ | ||
| Вход | Тип | закрытый или открытый | |
|
Максимальная амплитуда входного сигнала на открытом входе |
без делителя | не более 30 В | |
| с делителем 1:10 | не более 300 В | ||
|
Допустимое суммарное значение постоянного и переменного напряжений, которое можно подавать при закрытом входе |
не более 250 В | ||
|
Канал горизонтального отклонения |
Развертка | Режимы | ждущий, автоколебательный |
| Диапазон коэффициентов развертки | 0.1 мкс/дел … 50 мс/дел. | ||
| Количество поддиапазонов | 18 | ||
| Шаг | согласно ряду чисел 1, 2, 5 | ||
|
Погрешность коэффициентов развертки |
На всех диапазонах, кроме 0.1 мкс/дел. | не более ±5% | |
| На диапазоне 0.1 мкс/дел. | не более ±8% | ||
|
Усилитель горизонтального отклонения |
Коэффициент отклонения на частоте 1 кГц | не более 0.5 В/дел. | |
|
Неравномерность амплитудно-частотной характеристики в диапазоне частот 20 Гц…2 МГц |
не более 3 дБ | ||
| Синхронизация |
Внутренняя синхронизация |
Виды | внутренняя, внешняя |
|
Синусоидальным напряжением в диапазоне частот 20 Гц.10 МГц |
2 … 8 дел. | ||
|
Синусоидальным напряжением в диапазоне частот 50 Гц…2 МГц |
0.8 … 8 дел. | ||
|
Импульсными сигналами любой полярности длительностью от 0.3 мкс и более |
0.8 … 8 дел. | ||
|
Задержка сигнала относительно начала развертки |
не менее 20 нс | ||
|
Внешняя синхронизация |
Синусоидальным сигналом в диапазоне частот 20 Гц…10 МГц |
1 В п-п | |
|
Импульсными сигналами любой полярности длительностью от 0.3 мкс и более |
0.5 … 3 В | ||
| Нестабильность синхронизации | не более 20 нс | ||
|
Прочие характеристики |
Время самопрогрева | 5 мин | |
| Время непрерывной работы | 8 ч | ||
| Наработка на отказ | не менее 6000 ч | ||
| Питание от сети переменного тока |
220 ±22 В или 240 ±24 В 50 или 60 Гц |
||
| Потребляемая мощность | не более 32 В·А | ||
|
Условия эксплуатации |
Температура окружающей среды | +10 … 35 °С | |
| Относительная влажность воздуха | до 80% при температуре 25°С | ||
| Напряжение питающей сети |
(220 ± 22) В или (240 ±24) В / / 50 или 60 Гц |
||
|
Конструктивные параметры |
Габаритные размеры |
С учетом выступающих частей | 300 × 190 × 100 мм |
| Без учета выступающих частей | 250 × 180 × 100 мм | ||
| Масса | не более 3.5 кг |
Приставка для компьютера
При сборке этого простого прибора понадобится минимальное количество деталей, знаний и навыков. Принципиальная схема очень простая, разве, что нужно будет изготовить самому плату для сборки прибора.
Размеры приставки к осциллографу своими руками будет примерно как коробок для спичек или немножко больше, поэтому лучше всего использовать такого размера пластиковую емкость или бокс от батареек.
Поместив в него собранный прибор с готовыми выходами, можно приступать к организации работы с монитором компьютера. Для этого следует скачать программы «Осциллограф» и «Soundcard Oscilloscope». Можно протестировать их работу и выбрать ту, что понравилась больше.
Подключенный микрофон также сможет ретранслировать на подключенный осциллятор звуковые волны, программа будет отражать изменения. Подключается такая приставка к микрофонному или линейному входу и не требует никаких дополнительных драйверов.
Впечатления
Тру-электронщикам возможности данного осциллографа покажутся слишком слабыми, но для моих низкочастотных задач — самое норм. На частотах свыше 100КГц форма меандра начинает искажаться и превращается в синусоиду ближе к 200КГц))) В целом, DSO150 меня порадовал, шумы практически отсутствуют:
Помимо, собственно, графика сигнала на экране можно включить отображение параметров сигнала:
Наводки от сети 50Гц на теле:
ШИМ сигнал с драйвера фонаря в разных режимах яркости:
Какие плюсы у DSO150? Главные козыри — цена, портативность и низковольтное питание. По сравнению с полноценными осциллографами это все же полу-игрушка, но тем не менее даже с ее помощью можно решать некоторые задачи. Переделка на питание от аккумулятора достаточно тривиальна, поэтому приложив немного усилий можно получить очень компактный автономный осциллограф.
Технические характеристики осциллографа С1-94
Рабочая часть экрана: 40×60 мм (8×10 делений).Толщина линии луча в центре экрана: не более 0,8 мм.Параметры канала вертикального отклонения (КВО) луча:- коэффициент отклонения — калиброванный, от 10 мВ на деление до 5 В на деление;- погрешность калиброванных значений коэффициента отклонения — не более ±5%, с делителем 1:10 — не более ±10%;- время нарастания переходной характеристики (ПХ) не превышает 35 не (полоса пропускания 0…10 МГц);- выброс на вершине ПХ — не более 10%;- время установления FIX — не более 120 нс;- неравномерность и перекос вершины ПХ из-за раскомпенсации входных делителей — не более 3%;- спад вершины ПХ при закрытом входе усилителя на длительности 4 мс — не более 10%;- смещение луча из-за дрейфа усилителя в течение 1 ч после пятиминутного прогрева не превышает 0,5 деления;- кратковременное смещение луча за 1 мин не превышает 0,2 деления;- смещение луча в различных положениях переключателя «У/Дел.»не превышает 0,5 деления.Вход прибора может быть открытым и закрытым:- входное сопротивление открытого входа — 1 МОм, входная емкость — 40 пФ (с делителем 1:1 соответственно 1 МОм, 150 пФ; с делителем 1:10 — 10 МОм, 2,5 пФ);- максимальная амплитуда входного сигнала при минимальном коэффициенте отклонения на открытом входе — не более 30 В (с делителем 1:10 — не более 300 В);- допустимое суммарное значение входного постоянного и переменного напряжений при закрытом входе не должно превышать 250 В;- задержка сигнала при внутренней синхронизации относительно начала развертки — не менее 20 нс.
Принципиальная схема
Схема осциллографа С1-94 электрическая принципиальная. Усилитель и высоковольтный источник питания осциллографа С1-94.
Развертка и низковольтный источник питания осциллографа С1-94.
Купил осциллограф С1-94 как-то для проведения ремонтов (уже давно задумывался о покупке такого прибора), он не новый и достался дешево, правда щуп там оказался самодельный, потом его переделаю, но все же так как прибор использовался редко – решил его немного перебрать и заменить то, что не работало и давало косяки. Итак, нашел схему, изучил кучу форумных информаций, руководств и несколько статей. Все это заняло несколько дней по 3-4 часа на день! Информации много пришлось изучить — это все же не кофеварка, а сложный измерительный прибор – некоторые новички также пробуют ремонтировать, но кидаются на него сразу с паяльником и за пару часов проблему не решить тут, надо подход, знания, опыт.
Схема принципиальная С1-94
В общем для начала расскажу кратко о осциллографе и его особенностях, плюсах и минусах, и вообще свое мнение в целом. Быть может буковок тут получится и много, но прибор такой категории думаю стоит.
Итак, главный плюс этого измерительного прибора в том, что в нем нету вообще микросхем и сборок. Ремонтировать ища редкую замену тут практически нечего, ремонт транзисторной схемы с какой-то из сторон даже лучше.
Конечно есть несколько редких элементов – типа как в генераторе германиевые транзисторы и прочая мелочь-рассыпуха, но она, как правило, качественная и ломаться может редко.
Осциллограф закрыт кожухом – снять который можно открутив 4 винта и сняв ножки с подставками, снимаем кожух, на раме основная плата где смонтирована почти вся часть блока питания и другие регулирующие элементы.
Есть также откидная плата которая сделана такой для удобства монтажа и ремонта, и плата закрытая пластиковым кожухом сзади, которая крепится винтом – и откручивать который просто запарился!
Трубку для удобства ремонта снял – открутить надо хомут чуть сместив его, а также фиксатор направляющий, который утапливаясь фиксировал для регулировки положения трубки.
Панельку лучше пометить маркером так как ключа на ней нет и потом можно долго вымерять накал, чтобы поставить в нужное, правильном положение. Провода гибкие, прочные, у меня в процессе ремонта ничего не оторвалось, сделано все на совесть – это не современные нежные китайские приборы, где при первом же демонтаже может отвалится половина проводки и часть их креплений. В частности была плохая балансировка напряжений 12-0-12 вольт (двухполярка), там разбаланс должен быть мизерным, а у меня как не регулировал получалось порядка 1 вольт.
Проверять начал электролиты, просто выпаивая по очереди и замеряя емкость у тех что смог дотянуться – парочка оказалась подсохшая, один новый взорвал сам, перепутав полярность обратной впайки – на плате совсем скудная маркировка на текстолите, и если выпаивать несколько элементов то можно потеряться при монтаже обратно.
Когда напряжение удалось выставить в порядок нормы – баланс был тот что нужен, настроил регуляторами развертки, отрегулировал все параметры, выполнил калибровку как полагается, подал сигнал с собранного генератора на популярной микросхеме NE555, посмотрел — все в порядке, прибор теперь то что надо.
Кстати, пыль так же у осциллографа протереть нужно – причем салфетку лучше смачивать не в воде, а брать что-то готовое, пропитанное спиртом или другими подобными средствами, дабы не допустить окисления частей и элементов схем.
Переключатели можно почистить, а их контакты ацетоном протереть, чтоб блестели, а не были черными. Тогда при переключениях ими режимов работы прибора не будет скачков и серьезных искажений.
Характеристики
- Количество каналов: 1
- Частота дискретизации: 1 миллион выборок в секунду
- Полоса пропускания: 0-200Кгц
- Входной импеданс: 1МОм, 20пФ
- Тип входа: GND, DC, AC
- Диапазон измерения: 5мВ/дел — 20мВ/дел
- Максимальное входное напряжение: 50В
- Размер буфера: 1024
- Режим синхронизации: авто, нормальный, одиночный
- Триггер: по нарастанию/спаду фронта
- Дисплей: цветной, 320×240, диагональю 2.4 дюйма
- Погрешность: 5%
- Контроллер: STM32F103C8
- Габариты: 105x75x22мм
- Вес: 100г
Здесь уже было несколько обзоров DSO150, мой вариант отличается комплектацией: помимо уже собранного осциллографа в комплекте с ним идут 2 пробы (стандартные крокодилы и P6100), а так же сетевой блок питания на 9В.





