Как сделать сильный магнит?
#1
Рассмотрим, как сделать магнит. Самый простой способ – это намагнитить железо. Небольшой кусок стали или железа, например гвоздь, отвертку нужно положить на магнит и оставить в таком положении на несколько часов. Предмет намагнитится и, в свою очередь, станет магнитом. Правда, его сила будет меньше, чем у магнита – донора. Для того, чтобы получить сильный магнит, нужно иметь большой и сильный магнит – донор. В промышленности такие магниты имеют массу более 100 кг.
#2
Таким образом можно смастерить постоянный магнит. Его особенность в том, что у него два четко выраженных полюса, N-северный и S – южный. Даже если разрезать магнит, то получится два постоянных магнита с двумя противоположными полюсами. Полюса отделить нельзя. Обычно южный полюс окрашивают в красный цвет, северный – в синий. Полюса магнита можно проверить с помощью осциллографа или другого магнита. Два одноименных полюса отталкиваются, разноименных – притягиваются
#3
Как сделать магнит, чтобы он был сильнее? Для этих целей нужно изготовить электромагнит. На небольшой каркас из диэлектрика нужно намотать катушку из проволоки, желательно медной. Количество витков приблизительно 1000. По катушке пропускается постоянный ток от батарейки, аккумулятора или другого источника постоянного тока. Пока протекает ток – это электромагнит. Чем больше ток – тем больше сила магнита. После отключения тока магнит потеряет свои свойства.
#4
Внутрь катушки можно вставить металлический сердечник, например болт. Еще лучше обмотать сердечник изолентой или бумагой и по ней наматывать катушку. Протекающий ток способен намагнитить железо, поэтому после выключения тока электромагнит некоторое время не теряет свои свойства. Для того, чтобы предметы, прилипшие к магниту отпали, нужно пропустить ток противоположного направления. Такой способ применяют при погрузке и разгрузке металлолома, уборки металлических опилок.
#5
Итак, рассмотрена инструкция, как сделать магнит своими руками. Никаких больших трудностей в этом нет. Самодельный магнит может иметь различную форму, его можно раскрасить, использовать для различных домашних целей. Все зависит от фантазии и наличия необходимы материалов под рукой. Вот где можно проявить свою изобретательность и креативность!
Как сделать своими руками?
Создать рабочий электрогенератор из двух электродвигателей можно и в домашних условиях. Возможностей для реализации существует множество, но самой простой конструкцией будет генератор Тесла. Для этого потребуется следующее.
- Из фанеры и фольги создать довольно широкий по диапазону приемник.
- В центре приемника закрепить проводник.
- Установить его на крыше дома или в наиболее высокой точке.
- Приемник соединяется с накопителем энергии и пластиной конденсатора с помощью провода. При этой схеме подойдет модель с возможностью питания от 220 В.
- Вывод и вторую пластину конденсатора обязательно нужно заземлить.
При подключении обязательно нужно проверять места электросоединений и заряд конденсатора. В самом начале работы он всегда нулевой. После часа работы можно измерить напряжение на конденсаторе с помощью мультиметра. Можно усложнить конструкцию и использовать несколько конденсаторов вместо одного, это может дать дополнительные 20 кВт мощности. Электроника подбирается гармонично, все материалы должны друг другу соответствовать.
Более мощный аккумулятор, к примеру, на 50 Гц, широкая площадь приемника, емкий конденсатор или несколько катушек поможет выработать больше электричества, но сама конструкция станет сложнее. Генератор Тесла не подойдет для зарядки мощных электронных устройств и обеспечения энергией жилого участка.
Масляный способ сбора
Для данного метода потребуется:
- аккумуляторная батарея;
- усилитель мощности;
- трансформатор, генерирующий переменный ток.
Аккумуляторная батарея нужна как постоянный накопитель, трансформатор постоянно будет генерировать сигнал тока, а в паре с усилителем гарантируется необходимая для работы мощность, чтобы компенсировать емкость аккумуляторной батареи (обычно она составляет от 12 до 24 В). Трансформатор подключается первым или к источнику тока или к батарее сразу, следом все это соединяется проводами с усилителем, а далее датчик подсоединяется непосредственно к зарядному устройству, которое и будет обеспечивать бесперебойный уровень работы. Ещё одним проводом датчик подключается к батарее.
Сухой способ
Секрет этого метода заключается в использовании конденсатора, но даже в этом случае в комплект потребуется:
- трансформатор тока;
- генератор или его прототип.
Для сборки трансформатор и генератор соединяются между собой незатухающими проводами, для прочности все закрепляется еще и сваркой. Конденсатор подключается последним и служит основой для работы устройства. Именно этот способ сборки предпочтительнее в домашних условиях. Чтобы не ошибиться, достаточно следовать выбранной схеме и воспроизвести конструкцию, средний срок работы такого генератора составляет несколько лет.
Бестопливный генератор на постоянных магнитах представлен далее.
Конструкция двигателя Серла
Точных схем этого генератора в его первоначальном варианте, к сожалению, не сохранилось. Да и сам Джон Серл, здравствующий и поныне, никаких пояснений любопытствующим не дает. Однако принцип работы таких устройств и некоторые особенности их конструкции все же известны и существуют в свободном доступе, в том числе и в интернете.
Что же представляет собой изобретение английского исследователя? Основными элементами конструкции двигателя Серла являются:
- кольцевой магнит достаточно большого диаметра;
- С-образный электромагнит;
- магнитные цилиндрические маленькие ролики.
Последние располагаются с внешней стороны кольцевого магнита. При перемещении одного ролика начинают двигаться и все остальные. Связано это с обычным действием магнитных сил. Изготавливаться ролики могут, к примеру, из феррита. Также подходящим материалом для них считаются редкоземельные магниты и магнитная керамика.
Перемещать ролики вокруг кольцевого магнита можно с любой скоростью. Но при определенных, очень высоких ее значениях, эти элементы, по словам Серла и некоторых других исследователей, подтверждающих правдивость его опытов, начинают вращаться самостоятельно с ускорением до тех пор, пока не достигнут динамического равновесия.

По имеющейся информации, первый магнитный двигатель Джона Серла, построенный в 1952 г., был похож на большой подшипник и состоял из трех колец с установленными на периферии электромагнитами. Каждое кольцо при этом было разделено на сегменты изолирующими промежутками.
Изначально, как уже упоминалось, свои двигатели исследователь создавал сам. Так что, к примеру, запрос в поисковике «двигатель Серла/Шелтона» или любой другой подобный не даст абсолютно никаких результатов. Правда, для постройки своих генераторов этот английский исследователь использовал деньги, найденных им спонсоров. Позднее ученый набрал, конечно же, также и собственную команду.
Разоблачение конструкций на магнитах
Частенько в интернете выкладывают «работающие» конструкции на магнитах. Один вариант — «если взять 2 магнита одноимёнными полюсами друг к другу, то они будут отталкиваться». Логично. Теперь «финт ушами» — «надо эти магниты расположить на диске под углом, чтобы они вечно отталкивались друг от друга».
Я не поленился собрать конструкцию наподобие той, которую запатентовал Лазарев Микола Васильович в роли «НЛО» (патент и перевод на русский язык). В патенте указаны большие магниты, а потому они не монолитны, кусками. Чтобы исключить дёрганность, кусков на одной стороне больше на 1 или 2, чем на другой стороне. У меня была возможность по одной стороне применить сплошной магнит, потому плавность там была бы 100%. В итоге я лишний раз убедился в том, что такая конструкция сдвинется в устойчивое положение и вращаться не намерена:
Ниже рекламный ролик с «фейковыми» устройствами, в том числе и тем, которое ещё ниже опровергнуто:
Вот ещё одно опровержение подобных «магнитных двигателей»:
Магниты могут только одноразово притянуться или оттолкнуться. Ближайший аналог — пружина. Если изменить её состояние, она будет стремиться вернуться в исходное состояние. Растянули — будет стремиться сжаться. Аналог — 2 магнита с разноимёнными полюсами друг к другу. Сжали пружину — аналогично, как если 2 магнита приблизить друг к другу одноимёнными полюсами. Любую магнитную конструкцию замените пружинами — моделирование будет довольно точным. Пружины вернутся в исходное положение, и система будет статичной.
Если вы видите конструкцию, где «бесконечное» движение магнитов только за счёт постоянных магнитных полей — перед вами наглая ложь. Применяют различные хитрости в виде «проводов в рукавах», феном за спиной (смешно было наблюдать, как к обычному вентилятору прикладывают магнит, и тот начинает крутиться без электричества — а покажите тот же вентилятор, но без лопастей!), тайной проводкой под столом с герконом, электромагнитными наводками от генераторов переменных ЭМ-полей, да и просто двигателями в неприметной коробочке рядом (вариант — скрытный двигатель отсоединяют после разгона, после чего камера меняет ракурс, чтобы показать, что на другом конце вала ничего нету). Очень показательно, когда такие «вечные двигатели» МГНОВЕННО зажигают лампочки (фейкеры — возьмите на вооружение!). Умиляет, как «серьёзно» «изобретатели» подходят к показному обслуживанию своего «агрегата», сколько труда вкладывают в вычурность самой конструкции.
Есть ещё одна область, где якобы можно получать «свободную энергию» от магнитных конструкций. Там уже более «научный» подход. Рассуждения такие. Если на магнит повесить катушку, а магнит «размыкать» некой пластинкой (пластинка маленькая, для её перемещения много энергии не требуется), которая будет «экранировать магнитный поток», то тогда в катушке будет наводиться ЭДС за счёт изменения силы магнитного поля. На выходе будет энергии многократно больше, чем потребуется на простое перемещение лёгкой пластинки. Логично. И тоже не поленился собрать. Столкнулся с тем, что этот экран не только экранирует магнитые потоки, но и сам с ними прекрасно взаимодействует. И приходится значительные усилия прикладывать к этой пластинке, чтобы замыкать или размыкать магнитный поток. В итоге получается банальный электрогенератор с низким КПД. Схему приводить не буду, в сети их полно. Эксперимент проводился давно, видеоматериалов нету.
Потому, если вы видите в магнитной конструкции некие «размыкатели магнитного поля», знайте, перед вами обычный генератор с необычным приводом. Даже если в конструкции будет заложена симметричность, где 2 пластинки в 2 разных контурах работают в противофазе и друг друга компенсируют, то и в этом случае прорыва не будет — та пластинка, которая активно экранирует магнитный поток, гораздо сильней другой пластинки, которая вынута из другого магнитного потока. Даже если умудритесь компенсировать чем-либо действие магнитного поля на магнитный экран, то этим только чуть улучшите КПД этого электрогенератора. Но как только приложите электронагрузку на этот генератор, так резко усилится действие магнитного поля на магнитный экран в сторону противодействия. Всё будет ровно также, как и с обычным электрогенератором, который без нагрузки тоже будет легко вращаться. Чудес не ждите.
Добыча из воздуха
Атмосферное электричество вполне может быть применено. Многих влечет возможность установить себе на службу природную стихию в грозовую погоду.
В атмосфере также присутствуют волны от поля планеты. Оказывается, электричество можно добыть из воздуха самостоятельно, не используя очень сложные устройства.
Определенные способы такие:
- грозовые батареи применяют свойство электрического потенциала собираться;
- ветрогенератор превращает в электричество силу ветра, работая длительное время;
- ионизатор (люстра Чижевского) — распространенный домашний прибор;
- генератор TPU (тороидального) электричества Стивена Марка;
- генератор Капанадзе — бестопливный энергетический источник.
Рассмотрим детально некоторые из устройств.
Ветряные генераторы
Распространенный и всеобще знаменитый энергетический источник, получаемой при помощи ветра — ветрогенератор. Устройства такого типа давно используются во многих государствах.
Установка в единственном числе ограничено обеспечивает нужды электрического питания. Благодаря этому приходится прибавлять резервные электростанции, если необходимо обеспечить энергетикой крупное предприятие. В странах Европы есть целые поля с ветряными установками, никаким образом не наносящими ущерба природе.
Грозовые батареи
Устройство, накапливающее потенциал с применением атмосферных разрядов, именуется грозовой батареей.
Схема прибора включает лишь антенну из металла и заземление, не имея непростых преобразовывающих и накапливающих элементов.
Между частями прибора возникает потенциал, который потом скапливается. Действие природной стихии не подлежит точному ориентировочному расчету и эта величина также непредсказуемая.
Тороидальный генератор С. Марка
Устройство, изобретенное С. Марком, способно генерировать электричество через определенный промежуток времени после его включения.
Генератор TPU (тороидальный) может питать приборы для домашнего применения.
Конструкция состоит из трех катушек: внутренней, внешней и управляющей. Он действует из-за появляющихся резонансных частот и магнитного вихря, помогающих появлению тока. Правильно составив схему, аналогичный прибор можно создать самому.
Генератор Капанадзе
Изобретатель Капанадзе (Грузия) воспроизвел генератор свободной энергии, в основе разработки которого лежал таинственный преобразователь электрической энергии Н. Тесла, дающий намного большую мощность на выходе, чем в токе контура.
Генератор Капанадзе — бестопливное устройство, являющееся примером последних технологий.
Пуск выполняется от аккумулятора, но следущая работа длится независимо. В корпусе выполняется концентрация энергии, добываемая из пространства, динамики эфира. Процедура запатентована и не разглашается. Это фактически новая доктрина электричества и распространения волн, когда энергия подается от одной частицы среды к другой.
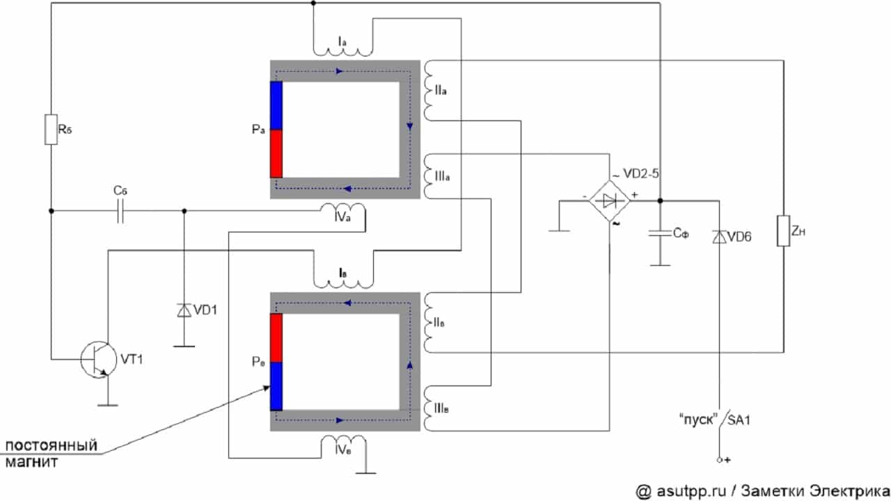
Генератор свободной энергии на магнитах
Эффект взаимодействия магнитного поля и катушки широко применяется в магнитных двигателях. А в генераторе свободной энергии этот принцип применяется не для вращения намагниченного вала за счет подачи электрических импульсов на обмотки, а для подачи магнитного поля в электрическую катушку.
Толчком к развитию данного направления стал эффект, полученный при подаче напряжения на электромагнит (катушку намотанную на магнитопровод). При этом находящийся поблизости постоянный магнит притягивается к концам магнитопровода и остается притянутым даже после отключения питания от катушки. Постоянный магнит создает в сердечнике постоянный поток магнитного поля, которое будет удерживать конструкцию до тех пор, пока ее не оторвут физическим воздействием. Этот эффект был применен в создании схемы генератора свободной энергии на постоянных магнитах.

Рис. 2. Генератор свободной энергии на магнитах
Посмотрите на рисунок 2, для создания такого генератора свободной энергии и питания от него нагрузки необходимо сформировать систему электромагнитного взаимодействия, которая состоит из:
- пусковой катушки (I);
- запирающей катушки (IV);
- питающей катушки (II);
- поддерживающей катушки (III).
Также в схему входит управляющий транзистор VT1, конденсаторы Cб и Cф, диоды VD1-VD6, ограничительный резистор Rб и нагрузка ZH.
Данный генератор свободной энергии включается посредством нажатия кнопки «Пуск», после чего управляющий импульс подается через VD6 и R6 на базу транзистора VT1. При поступлении управляющего импульса транзистор открывается и замыкает цепь протекания тока через пусковые катушки I. После чего электрический ток протечет по катушкам I и возбудит магнитопровод, который притянет постоянный магнит. По замкнутому контуру магнитосердечника и постоянного магнита будут протекать силовые линии магнитного поля.
От протекающего магнитного потока в катушках II, III, IV наводится ЭДС. Электрический потенциал от IV катушки подается на базу транзистора VT1, создавая управляющий сигнал. ЭДС в катушке III предназначена для поддержания магнитного потока в магнитопроводах. ЭДС в катушке II обеспечивает электроснабжение нагрузки.
Камнем преткновения в практической реализации такого генератора свободной энергии является создание переменного магнитного потока. Для этого в схеме рекомендуется установить два контура с постоянными магнитами, в которых силовые линии имеют встречное направление.
Кроме вышеприведенного генератора свободной энергии на магнитах сегодня существует ряд схожих устройств конструкции Серла, Адамса и других разработчиков, в основе генерации которых лежит использование постоянного магнитного поля.
Бестопливные генераторы
Многие государства сейчас делают упор на разработку альтернативных источников энергии, а также на экономию полезных ископаемых. Достигается это благодаря использованию магнитных электрогенераторов. Принцип их работы заключается в элементарных законах физики. Наиболее успешными видами устройств считаются такие:
- Бестопливный генератор на магнитах Адамса. На сегодняшний день является наиболее популярным магнитным двигателем. У него довольно простая конструкция, но при этом очень высокий коэффициент полезного действия.
- Мотор Дудышева. В основе его работы применяется магнитный ток, который видоизменяется в электрический импульс.
- Соленоидальный мотор Дудышева. В его конструкцию включён магнитный ротор. Наибольшую эффективность показывает на малых мощностях.
- Двигатель Минато. КПД устройства составляет 100%. Это достигается благодаря использованию усилителей мощности.
- Мотор Джонсона. Это довольно популярный тип устройств, но в промышленности его не применяют из-за малой мощности.
https://youtube.com/watch?v=uBNnTQOkv_g
Где и как используется БТГ генератор
Существует множество разнообразных способов генерировать энергию от бестопливного двигателя или генератора. В каждой сфере применение это устройство, вне всяких сомнений, принесёт пользу. Ниже приведены краткие описания некоторых этих сфер.
На дорогах
Бестопливный генератор может спокойно заменить дизельные двигатели, используемые в подавляющем большинстве современных тяжелых транспортных средств, таких как грузовые автомобили, автобусы, поезда, крупногабаритные переносные силовые двигатели. А также в этот перечень входит большинство сельскохозяйственных и карьерных транспортных средств.
В воздухе
И бензиновые, и дизельные двигатели, используемые в самолетах, могут быть заменены на альтернативные источники энергии, в том числе на бестопливные электрогенераторы.
На воде
Бестопливные генераторы также могут служить заменой для высокоскоростных двигателей, которые имеются у яхт, кораблей и линий вдоль открытого моря.
Под землей
Бестопливные двигатели и генераторы также могут заменить дизельные двигатели, а также двигатели, которые используются при добыче полезных ископаемых во всем мире. Аналогичным образом бестопливные устройства заменяют двигатели, которые применяются для добычи и природных ресурсов, таких как разные драгоценные металлы, железная руда, уголь и попутный нефтяной газ.
В медицинских учреждениях
Устройства также могут заменить аварийные резервные генераторы, которые должны быть в каждом крупном медицинском учреждении или больнице, в связи с наличием возможных критических ситуаций.
В центрах обработки данных
Бестопливные генераторы могут быть использованы для компьютеров, а также если не заряжается телефон, то генератор может служить хорошим зарядным устройством для мобильного аппарата. Когда серверы и системы выходят из строя, связь может быть потеряна, рабочий процесс останавливается, данные могут быть утеряны и даже весь рабой процесс может быть полностью остановлен.
Также бестопливные генераторы электроэнергии можно устанавливать на боковых сторонах двухколесного транспортного средства. Это надо делать таким образом, чтобы по мере движения транспортного средства вентилятор начинал вращаться и вырабатывал дополнительную энергию.
Гениальный провидец и гость из будущего
Самым известным и наиболее загадочным энтузиастом идеи был серб Никола Тесла. Генератор свободной энергии — лишь одно из изобретений гениального ученого, обладателя почти тысячи патентов. Он родился в середине XIX века на территории нынешней Хорватии. У него, как и у некоторых других нетипичных людей, существует как бы две биографии.
Великий ученый
Считается, что сербский ученый не только положил начало современной электротехнике, но и внес важнейший вклад в продолжение промышленной революции — так называемый второй ее этап. Тесла получил известность в различных областях науки. На его счету устройства переменного тока, синхронный генератор, асинхронный двигатель и множество других изобретений. Широко известны официальные данные из его биографии:
- С 1884 года Никола Тесла жил в США. За короткое время сотрудничества с Эдисоном он на спор смог улучшить множество его аппаратов на постоянном токе. Позже пути ученых разошлись, грянула знаменитая «Война токов».
- В 1887 году серб создал компанию Tesla Electric Company.
- Занимался изучением высокочастотных магнитных полей. Часть его разработок и сейчас используется в медицине и электротерапии. Показательно, что ученый сначала испытывал действие переменных токов на себе.
- Разработал теорию полей и способы передачи электроэнергии с помощью многофазного переменного тока. Сейчас они являются основой мировой энергетической системы. Например, свет поступает в дома и на предприятия.
- Еще до Маркони описал принципы радиосвязи. Позже усовершенствовал передачу радиочастот на большие расстояния.
- Придумал устройства для обнаружения подводных лодок и подавления звука.
- С его подачи на улицах городов появилась наружная реклама на основе светящихся трубок.
- Сделал первый электродвигатель. Провел успешные испытания электромобиля. Изобрел электрическую подводную лодку.
- Работал над изучением и применением рентгеновских лучей.
- Предсказывал появление оружия типа атомной бомбы, продумывал способы изучения ядра.
- Первым построил аппарат, которым можно было управлять дистанционно.
- Неоднократно озвучивал идеи, используемые позже в развитии робототехники.
Вам это будет интересно Понятие и нахождение электрической мощности по формулам
https://youtube.com/watch?v=yPvQOPNYiS4
Загадочный волшебник
Многие изобретения ученого ушли вместе с ним. Успешные эксперименты с эфиром не объяснены до сих пор, хоть известен принцип работы генератора Теслы. Бесплатная энергия из эфира при этом не была его самоцелью. Ученый стремился к познанию мира. Революционеров на этом поприще всегда окружают тайны. Для понимания загадки великого серба интересно будет узнать:
- Будущий инженер и изобретатель мог стать священником. Он получил не только техническое, но и философское образование.
- В молодости увлекался игрой в карты, пока не проигрался до нитки, а долги не пришлось выплачивать родственникам.
- В США после ссоры с Эдисоном был бродягой, подсобным рабочим, нанимался на поденщину, рыл канавы.
- Никогда не был женат. Ни с кем не сходился близко. Предпочитал работать в одиночку.
- Проник в тайну шаровых молний, умел создавать их искусственным путем.
- Был суеверен, обладал даром предвидения. Несколько раз, используя эту способность, спасал людей от возможных неприятностей и даже гибели.
- Обладал невероятной работоспособностью. Спал по 2 часа в сутки.
- Начинал строить уединенную лабораторию на тогда пустынном Лонг-Айленде. Официально в этом месте должна была появиться башня под радиостанцию. Неофициально именно здесь могли прорабатываться на практике идеи использования атмосферного электричества. Для завершения проекта якобы не хватило денег. Впоследствии база была уничтожена.
- С башней на Лонг-Айленде связаны слухи по разработке лучей смерти, направленного боевого излучателя и ультразвуковой пушки. Позже идеи серба могли быть применены и при создании лазера.
- Во время Первой мировой войны Тесла не только собирал средства для помощи Сербии, но и задумывался над созданием абсолютного оружия, способного разом уничтожить вражеские армии. Неизвестно, как далеко он зашел на этом пути.
- Некоторые исследователи связывают с ученым тайну Тунгусского метеорита. Он действительно интересовался незадолго до падения небесного тела отдаленными и наиболее незаселенными территориями Сибири.
- В Индийском океане также наблюдались события, подобные тунгусским. Серба обвиняли в том, что он «раскачал» здесь эфир.
Вам это будет интересно Устройство и применение резистора в электрической цепи
Как работает электрогенератор
Принцип работы электрогенератора основывается на физическом явлении электромагнитной индукции. Проводник, проходящий через искусственно созданное электромагнитное поле, создает импульс, который преобразуется в постоянный ток.
Генератор имеет двигатель, который способен вырабатывать электричество, сжигая в своих отсеках определенный вид топлива: бензин, газ или дизельное топливо. В свою очередь топливо, попадая в камеру сжигания, в процессе горения вырабатывает газ, который вращает коленчатый вал. Последний передает импульс ведомому валу, который уже способен предоставить определенное количество энергии на выходе.





