Как повысить напряжение в сети
Часто в деревнях и на дачах говорят о плохом напряжении в электросети. Это связанно не только с их плохим техническим состоянием, но и с покупкой разнообразной бытовой техникой, которой требуется электричество, которого часто не хватает.
В то же время местные электросети не спешат менять оборудование на современное, а значит, на более совершенное которое с достоинством выдержит повышенные нагрузки.
Участник дачного форума «Дом и Дача» Terristor как-то столкнулся с проблемой – стиральная машина перестала работать. То есть барабан с трудом крутился, да и насос не мог поднять воду из скважины.
На 1-ом Рисунке обычная работа понижающего трансформатора. На 2-ом уже переделанный трансформатор готовый к работе на повышение напряжения.
Он замерил напряжение, и прибор показал всего 180 вольт, а этого напряжения не хватает для работы многих бытовых электроприборов.
Но нет, худа без добра. Как-то раз он читал журнал «Радио» и на глаза ему попалась статья о том, как при помощи обычного понижающего трансформатора сделать повышающий.
А фокус состоял в том, что если взять понижающий трансформатор, который из 220 вольт делает 40, поковыряться в нём, то после небольших изменений можно получить на выходе не понижение, а повышения напряжения на 40 вольт от напряжения в сети.

Случайно у Terristor был такой трансформатор. И обладая небольшими познаниями в радиотехнике, он через 15 минут его переделал и сделал пробный пуск.
Перед испытанием напряжение было 192 вольта, а после, как и намечалось, напряжение увеличилось на 40 вольт. Это оказалось отличным решением в сложившейся ситуации и несмотря на нехватку напряжения электроприборы работали безотказно.
Выводы
Плюсы этой систем:
Простота при сборке. Например, при мощности вторичной обмотки трансформатора 100 вольт, можно не опасаясь подключить насос мощностью 500 Вт. Реальная дешевизна прибора.
Напряжение, выдаваемое прибором, автоматически не регулируется и если вдруг напряжение в сети стабилизировалось, и стало 220 вольт то на выходе у вас будет 260 вольт, многовато, но не опасно, если вовремя заметить.
Сам Terristor всю зиму пользовался этим трансформатором. За это время он ни разу не проверял напряжение и ни один электроприбор не испортился.
На случай если напряжение в вашем районе часто меняется можно использовать специальную розетку которая отключает электроприборы которые к ней подключаются если напряжение повысилось сверх нормы. Формулы для расчётов
Нужен трансформатор с первичной обмоткой на 220 вольт. Вторичная обмотка — на необходимое «недостающее напряжение». На вторичной обмотке максимальный ток даже у маломощных понижающих трансформаторов достаточен.
Расчёт можно сделать по нескольким формулам.
По рис. 1
можно вычислить ток вторичной обмотки где Iн – номинальный ток нагрузки А; Pн – номинальная мощность нагрузки (по паспорту трансформатора) Вт; Uн — номинальное напряжение питания нагрузки.
Зная, какое напряжение нужно добавить, определяется требуемая мощность трансформатора по рис. 2
где P – мощность трансформатора в Вт., I2 – номинальный ток вторичной обмотки А, U2 — напряжение вторичной обмотки, В. Затем нужно взять трансформатор с подходящими данными – по мощности и выходному напряжению.
И в завершении нужно подсчитать результат по формуле на рис. 3. где Ктр — коэффициент трансформации; U1 — номинальное напряжение первичной обмотки (220), В.
В последней формуле можно видеть, что напряжение на нагрузке можно как увеличить, так и уменьшить. Чтобы правильно фазировать трансформатор, достаточно поменять местами выводы одной из обмоток.
Трансформатор лучше установить в коридоре или в подвале, потому что установка шумит, а уже оттуда сделать проводку до нужных электроприборов.
Размещено участником форума «Дом и Дача» Terristor Редактор: Адамов Роман
Подписывайтесь на наш Telegram каналЭксклюзивные посты каждую неделю
Повышение постоянного напряжения
Общий принцип увеличения постоянного напряжения в произвольное число раз
Трансформаторный способ увеличения напряжения не может применяться в сетях постоянного тока. Поэтому при необходимости решения этой задачи используют более сложные устройства, в основу функционирования которых положена следующая схема: постоянный входной ток используется для питания генератора, с выхода которого снимают переменный сигнал. Переменное напряжение увеличивают тем или иным образом, после чего выпрямляют и сглаживают для получения более высокого постоянного.
Структурная схема такого преобразователя показана на рисунке 5.
Рисунок 5. Обобщенная структурная схема повышающего преобразователя
Отдельные разновидности схем отличаются между собой:
- формой сигнала, снимаемого с выхода генератора (синусоидальное или близкое к нему, пилообразное, импульсное и т.д.);
- принципом увеличения генерируемого напряжения (трансформатор, умножитель);
- типом выпрямления и сглаживания напряжения перед подачей его на выход устройства.
В продаже доступны микроэлектронная элементная база, которая позволяет собирать преобразователи данной разновидности при наличии даже начальных навыков радиомонтажника.
С помощью инвертора
Данное устройство является преобразователем напряжения, имеющим в своей конструкции несколько блоков. Этот прибор выпрямляет напряжение на одну фазу, чтобы преобразовать его в переменное напряжение с нужными значением частоты.
В цепи с этим прибором может быть самое разное количество фаз, но для нормальной работы лучше всего использовать три фазы со сдвигом в сто двадцать градусов. Некоторые делают инверторы своими руками, но для этого нужно потратить много времени и сил.
Проще купить инвертор, поскольку сегодня можно найти самые разные модели с разными характеристиками.

Прибор удобен не только тем, что образует сеть из однофазной в трёхфазную с повышенным напряжением, но и обладает повышенной защитой потребителя энергии. Двигатель будет защищён:
- От скачков напряжения;
- От перегрузки;
- От короткого замыкания;
- От перегревов.
https://youtube.com/watch?v=E4Q-x8OYgg8
https://youtube.com/watch?v=hpJsErEEw_g
Повышение постоянного напряжения
Общий принцип увеличения постоянного напряжения в произвольное число раз
Трансформаторный способ увеличения напряжения не может применяться в сетях постоянного тока. Поэтому при необходимости решения этой задачи используют более сложные устройства, в основу функционирования которых положена следующая схема: постоянный входной ток используется для питания генератора, с выхода которого снимают переменный сигнал. Переменное напряжение увеличивают тем или иным образом, после чего выпрямляют и сглаживают для получения более высокого постоянного.
Структурная схема такого преобразователя показана на рисунке 5.

Рисунок 5. Обобщенная структурная схема повышающего преобразователя
Отдельные разновидности схем отличаются между собой:
- формой сигнала, снимаемого с выхода генератора (синусоидальное или близкое к нему, пилообразное, импульсное и т.д.);
- принципом увеличения генерируемого напряжения (трансформатор, умножитель);
- типом выпрямления и сглаживания напряжения перед подачей его на выход устройства.
В продаже доступны микроэлектронная элементная база, которая позволяет собирать преобразователи данной разновидности при наличии даже начальных навыков радиомонтажника.
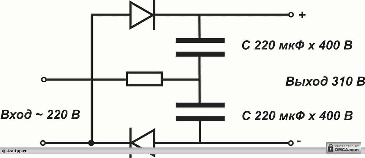
Умножители
Умножители применяют в тех случаях, когда из переменного входного напряжения нужно получить постоянное, которое в кратное количество раз превышает входное.
Существует большое количество схем умножителей. Одна из них показана на рисунке 6.

Рис. 6. Принципиальная схема умножителя
Коэффициент умножения можно нарастить увеличением количества каскадов.

Рис. 7. Еще пример: умножитель в 6 и 8 раз

Рис. 8. Учетверитель напряжения
Общее для таких схем:
- мостовой принцип реализации для увеличения общего КПД устройства;
- использование конденсаторов для накапливания заряда;
- применение диодов как элемента выпрямления.
https://youtube.com/watch?v=_X3K3UHr5qM
https://youtube.com/watch?v=tEZVSO7iiDI
https://youtube.com/watch?v=RTWDLtcIw6I
Сопротивление проводников. Удельное сопротивление
Закон Ома является самым главным в электротехнике. Именно поэтому электрики говорят: «- Кто не знает Закон Ома, пусть сидит дома». Согласно этому закону ток прямо пропорционален напряжению и обратно пропорционален сопротивлению ( I = U / R ), где R является коэффициентом, которое связывает напряжение и силу тока. Единица измерения напряжения – Вольт, сопротивления – Ом, силы тока – Ампер. Для того, чтобы показать, как работает Закон Ома, разберем простую электрическую цепь. Цепью является резистор, он же – нагрузка. Для регистрации на нем напряжения используется вольтметр. Для тока нагрузки – амперметр. При замыкании ключа ток идет через нагрузку. Смотрим, насколько соблюдается Закон Ома. Ток в цепи равен: напряжение цепи 2 Вольта и сопротивление цепи 2 Ома ( I = 2 В / 2 Ом =1 А). Амперметр столько и показывает. Резистор является нагрузкой, сопротивлением 2 Ома. Когда замыкаем ключ S1, ток течет через нагрузку. С помощью амперметра измеряем ток цепи. С помощью вольтметра – напряжение на зажимах нагрузки. Ток в цепи равен: 2 Вольта / 2 Ом = 1 А. Как видно это соблюдается.
Теперь разберемся, что нужно сделать, чтобы поднять силу тока в цепи. Для начала увеличиваем напряжение. Сделаем батарею не 2 В, а 12 В. Вольтметр будет показывать 12 В. Что будет показывать амперметр? 12 В/ 2 Ом = 6 А. То есть, повысив напряжение на нагрузке в 6 раз, получили повышение силы тока в 6 раз.
Рассмотрим еще один способ, как поднять ток в цепи. Можно уменьшить сопротивление – вместо нагрузки 2 Ом, возьмем 1 Ом. Что получаем: 2 Вольта / 1 Ом = 2 А. То есть, уменьшив сопротивление нагрузки в 2 раза, увеличили ток в 2 раза. Для того, чтобы легко запомнить формулу Закона Ома придумали треугольник Ома: Как можно по этому треугольнику определять ток? I = U / R. Все выглядит достаточно наглядно. С помощью треугольника также можно написать производные от Закона Ома формулы: R = U / I; U = I * R. Главное запомнить, что напряжение находится в вершине треугольника.
В 18 веке, когда был открыт закон, атомная физика находилась в зачаточном состоянии. Поэтому Георг Ом считал, что проводник представляет собой что-то, похожее на трубу, в которой течет жидкость. Только жидкость в виде электротока. При этом он обнаружил закономерность, что сопротивление проводника становится значительнее при увеличении его длины и меньше при увеличении диаметра. Исходя из этого, Георг Ом вывел формулу: R = p *l / S, где p – это некоторый коэффициент, умноженный на длину проводника и деленный на площадь сечения. Этот коэффициент был назван удельным сопротивлением, характеризующим способность создавать препятствие протеканию эл.тока, и зависит из какого материала изготовлен проводник. Причем, чем больше удельное сопротивление, тем больше сопротивление проводника. Чтобы увеличить сопротивление необходимо увеличить длину проводника, либо уменьшить его диаметр, либо выбрать материал с большим значением данного параметра. В частности, для меди удельное сопротивление составляет 0,017 ( Ом * мм2 / м ).
Устройство и принцип работы
Повышающий трансформатор напряжения включает в себя несколько составных частей, обеспечивающих работу устройства. В основе конструкции располагается железное ядро, на которое намотано две катушки. Через первую катушку проходит воздействие напряжения переменного тока, в результате чего образуется магнитное поле, осуществляющее выполнение принципа электромагнитной индукции. Согласно формуле dФ/dt, сила магнитного поля может увеличиваться путем увеличения показателей тока до необходимых значений.
Здесь не стоит забывать о прямой зависимости показателей напряжения магнитного поля от определенного количества обмоток, которые расположены в железном ядре. Соответственно, чем меньше витков — тем меньше напряженность.
Следовательно, когда магнитный поток проходит через линию обмоток второй катушки, то там и будет возникать напряжение. Данные показатели будут рассчитываться по формуле: NФ/dt, где N — это число витков самой катушки. Это, так называемый, Закон Фарадея, согласно которому напряжение будет той же частоты, что и на первой катушке.
Подробнее про устройство на видео
https://youtube.com/watch?v=O50q1tpd2po
https://youtube.com/watch?v=32lwlNVQQls
https://youtube.com/watch?v=w2yivnIOSnw
Защита от перепадов напряжения
В условиях города сетевое напряжение, как правило, сохраняет свое постоянное значение. Однако на первое место выходит защита жилища от скачков напряжения. Здесь уже придется обратиться к «чудесам» электроники: «железно-проволочная» электротехника не в состоянии предложить дешевые, простые и эффективные методы сглаживания упомянутых проявлений. Необходимо приобрести «защитный барьер» — автомат для защиты от скачков напряжения.

«Защитный барьер» — автомат для защиты от скачков напряжения
Нынешние аналоги стоят относительно недорого, просты в подключении, не нуждаются в обслуживании при эксплуатации, компактны.
Для дачи подобное решение не подойдет. Автомат только избавляет от скачков напряжения, а не от стабильного понижения данной величины. Накопителем энергии в защитном барьере является суперконденсатор (однако приставка «супер» не означает, что элемент является электрогенератором).
Куда обращаться для решения проблемы
Вы можете повлиять на ситуацию, но давайте определимся куда жаловаться если в сети высокое напряжения. Нужно узнать у соседей, как обстоят дела у них в домах и квартирах. После того как вы придете к общему мнению, обращайтесь в снабжающую компанию или сетевую организацию, или узнайте кто балансодержатель питающей трансформаторной подстанции.
После этого нужно подавать коллективное заявление от лица жильцов дома или микрорайона. Одного заявления обычно недостаточно, поэтому чем больше повторных обращений, тем скорее устранят проблему! Заявление нужно подавать в двух экземплярах, один остается у заявителей, но в нём организация, в которую обращается заявитель, должна поставить пометку о принятии. В противном случае вы не сможете доказать, что обращались.

Если у вас вышла из строя бытовая техника из-за скачков или нестабильной электросети, поступайте также. Подробнее мы этот процесс описали в статье: .
https://youtube.com/watch?v=Uce7wltFkBM
https://youtube.com/watch?v=uXuye2FPNlc
https://youtube.com/watch?v=nEDaQwXaL-U
Добираемся до места ремонта
Напоследок о том, что делать, если обнаружен перезаряд в пути и нужно добраться к месту ремонта.
Если напряжение не превышает 15 В, то можно спокойно продолжать движение, но стараться не давать высокие обороты на двигатель и по максимуму снизить количество включенных электропотребителей (оставить только необходимые).
Если перезаряд сильный (более 15 В) для начала можно послабить натяжение ремня привода генератора, что снизит его производительность (хотя ремень быстро сотрется).
Если же послабление ремня результата не дало, можно отключить генератор (отсоединить провода от него). В этом случае бортовая сеть будет запитываться только от АКБ.
Если аккумулятор хорошо заряжен при минимальном количестве потребителей на его заряде можно проехать 70-90 км пути, но после этого батарею нужно будет хорошо зарядить ЗУ.
Другие способы повышения напряжения
Для того, чтобы увеличить низкое напряжение, существует много разных способов, которыми пользуются многие жильцы квартир и загородных домов.
- Применение автотрансформаторов. Их устройство дает возможность увеличить напряжение на 50 вольт. Они применяются чаще всего в электрических сетях с низким напряжением, в деревне, где напряжение падает часто, и считается обычным явлением. Используя автотрансформатор можно также и уменьшать напряжение. При их выборе следует учитывать мощность, в противном случае они будут сильно нагреваться.
- Низкое напряжение можно привести в норму путем использования умножителя, который является особым устройством, собранным из конденсаторов и диодов. Такие умножители используются для питания кинескопов, увеличивая напряжение до 27 тысяч вольт.
- С помощью электродвижущей силы. Если в источнике энергии можно настраивать ЭДС специальным регулятором, то можно увеличить значение ЭДС этого источника. Повышение напряжения произойдет на столько, на сколько повысится ЭДС.
- Низкое напряжение можно повысить, изменяя сопротивление. Зависимость напряжения от сопротивления, следующая: во сколько уменьшится сопротивление, во столько и увеличится напряжение.
- Если нельзя повысить напряжение одним из этих способов, то можно использовать их совместно. Например, для увеличения напряжения в цепи в 12 раз, нужно повысить ЭДС источника в два раза, снизить длину проводов в два раза, и повысить площадь их сечения в три раза.
Что делать, если низкое напряжение в электрической сети.
Повышающий трансформатор
Вторым методом является покупка трансформатора, который способен увеличить напряжение. Но для правильного выбора трансформатора, необходимо ознакомиться с определенными расчетами. Первичная обмотка должна быть рассчитана на 220 вольт, а вторичная – должна выдавать недостающую часть напряжения.
Для определения нужного числа витков следует пользоваться формулами:
Iн = Рн / Uн и Р = U2 x I2
В первом выражении можно определить ток вторичной обмотки. Далее, используя второе выражение, можно определить мощность Р. По таким данным можно узнать, какие параметры трансформатора необходимы. Основными характеристиками при подборе трансформатора являются мощность и напряжение на выходе.

Перед повышением напряжения и монтажа трансформатора, нужно спланировать место установки. Обычно их устанавливаю в подвалах. Если вы живете в квартире, то лучше установить его в кладовке или подсобном помещении, где нет людей.
Причины появления скачков напряжения
Существует достаточное количество объективных и субъективных причин природного, аварийного и техногенного характера для появления скачков напряжения в электрических сетях. Ниже постараемся перечислить основные.
1 причина появления «скачка напряжения» — одновременное отключение мощных бытовых приборов
Причина появления скачка параметров тока кроется у нас дома. Сегодня современный дом очень насыщен мощными электрическими приборами. В домах со старой проводкой это очень опасно. Но и в новых домах часто бывает, что нагрузка не может быть рассчитана на использование очень мощных приборов по причине подключения всего нового дома к «старым электрическим сетям». На практике часто происходит следующее. В доме включаются несколько мощных электрических приборов, это приводит к падению параметров тока в сети. При резком отключении мощного прибора или нескольких мощных электрических приборов происходит резкий скачок.
3 причина появления «скачков напряжения» — аварии в передающих электрических сетях
Сотни тысяч километров линий электропередач окутывают все города и поселки нашей страны. К каждому дому, к каждому участку подходит линия электроснабжения. Перефразировав известную фразу из популярного фильма, можно сказать, что без электричества сегодня и «не туда», «и не сюда». Линии электропередач построенные десятки лет назад, не молодеют и сегодня. А значит, вероятность обрывов и замыкания на линиях передач существует. Такие аварии могут спровоцировать большие скачки электрического напряжения.
4 причина появления «скачков напряжения» — обрыв «нуля»
Это, пожалуй, самый частый и опасный вид аварии, вызывающий очень большое перенапряжение. Ежегодно тысячи человек несут ущерб по причине примитивного «обрыва нуля». В случае обрыва «нуля» может произойти появление напряжения на контакте «ноль» во всех розетках дома. Это приводит к тому, что все электрические приборы, включенные в розетку, сгорают. При этом сгорают даже «выключенные» с помощью дистанционного пульта приборы. Причина банальная — ослабление контакта «ноль» в общем коммутационном щитке дома. При этом, если контакт не постоянный, то появляется, то пропадает, то возникают очень сильные скачки.
5 причина появления «скачков напряжения» — ослабление заземления
Заземление электрических приборов играет важную роль в обеспечении безопасности использования устройств. В случае нарушения изоляции электрических приборов, напряжение часто передается на корпус прибора. В этом случае «заземление» играет роль отвода этого аварийного тока. В случае ухудшения качества заземления вероятность появления скачков параметров тока существенно вырастает.
6 причина появления «скачков напряжения» — значительная перегрузка сети
Электрооборудование, смонтированное на электрических подстанциях, рассчитано на конкретное максимальное значение мощности подключаемой нагрузки. В настоящее время идет очень большой рост потребления электроэнергии в наших домах. Первая причина здесь — это строительство новых больших зданий на месте старых маленьких домиков. Вместо 10 квартир получается сразу 100 квартир в одном большом доме. Вторая причина — рост числа используемых мощных электрических приборов. Посмотрите на фасад современно многоквартирного дома, на нем 200 сплит-систем. А это дополнительно 400 кВт мощности. Плюс 100 микроволновых печей, плюс 100 электрических калориферов, плюс 100 стиральных машин, плюс 100 электрических нагревателей воды, набегает очень большая суммарная мощность дома. При этом подстанции испытывают значительные перегрузки, и скачки в таком районе города неизбежны.
Про регуляторы
Конструктивно таблетки, контролирующие напряжение в генераторе, способны повышать ток до 13.6 вольт. Известно, что существует две схемы подключения регулятора: старая и новая.
Старая схема – это более надежный вариант, не слишком повышающий напряжение, но и не позволяющий ему опускаться до критичных значений. А вот новая – хотя она полностью скопирована со старой, имеет много недостатков.
Хронический недозаряд АКБ – это именно тот самый недостаток новой схемы. Проблематичным становится запуск двигателя в холодное время года. Владельцам приходится ставить предпусковые подогреватели или придумывать что-то еще.
Некачественные регуляторы заставляют АКБ поглощать энергию только летом, т.е, при плюсовой температуре. Зимой же, особенно если совершать короткие пробеги на авто, батарея не успевает прогреваться, хотя бы до 0, и периодически разряжается.
Опытные автомобилисты рекомендуют зимой проезжать не меньше 20-30 минут, чтобы восстановить АКБ.
Итак, как же решается проблема? Очевидно, что наилучший вариант – повысить напряжение в бортовой сети, а как это сделать? Необходимо заставить таблетку «поверить», что якобы в сети низкое напряжение. Тем самым, мы добьемся того, что ген будет выдавать недостающий вольтаж.
Низкое напряжение в бортовой сети автомобиля может быть вызвано наличием большого количества потребителей. Например, если используется мощная акустическая система с сабвуфером и усилителем, спады напряжения неизбежны.
Вместо диода использовать можно также специальные регуляторы, которые выдают три значения вольтажа, в зависимости от температуры воздуха: 13.2, 13.9 и 14.5 вольт. Получается три режима: летний, весна/осень и зима.
Рекомендуем к просмотру таблицу, где приведены данные о нормальном заряде АКБ и стандартной работе генератора.
| Степень заряженности АКБ | Заряжать АКБ зарядным устройством | Работа генератора |
| 12,72 вольт — 100% | Если ЭДС— меньше 12,6 В | норма — от 13,6 В — до 14,4 В |
| 12,50 вольт — 75% | Uнагрузки —меньше 9 В ( нагрузочная вилка) | меньше 13,6 В – недозаряд(плохо) |
| 12,35 вольт — 50% | Плотность электролита— меньше 1,25г/см | больше 14,4 В – перезаряд. (тоже плохо) |
| 12,10 вольт — 25% |
Эффективность диода, повышающего напряжение в бортовой сети, не подлежит сомнениям. Так делают почти все опытные автомобилисты, владельцы отечественных моделей. После этого, машина будет легко запускаться не только летом, но и зимой. Высокий ток – четкая зарядка.
От чего зависит сила тока?
Чтобы повысить I в цепи, важно понимать, какие факторы могут влиять на этот параметр. Здесь можно выделить зависимость от:
- Сопротивления. Чем меньше параметр R (Ом), тем выше сила тока в цепи.
- Напряжения. По тому же закону Ома можно сделать вывод, что при росте U сила тока также растет.
- Напряженности магнитного поля. Чем она больше, тем выше напряжение.
- Числа витков катушки. Чем больше этот показатель, тем больше U и, соответственно, выше I.
- Мощности усилия, которое передается на ротор.
- Диаметра проводников. Чем он меньше, тем выше риск нагрева и перегорания питающего провода.
- Конструкции источника питания.
- Диаметра проводов статора и якоря, числа ампер-витков.
- Параметров генератора — рабочего тока, напряжения, частоты и скорости.
https://youtube.com/watch?v=kamoiMMIU68
https://youtube.com/watch?v=HnZ8EA2p9Ag
https://youtube.com/watch?v=kKJgZvWp0Bo
Нормативные ссылки:
ПУЭ 7-го издания.
Уровни и регулирование напряжения, компенсация реактивной мощности.
1.2.22. Для электрических сетей следует предусматривать технические мероприятия по обеспечению качества электрической энергии в соответствии с требованиями ГОСТ 13109.
1.2.23. Устройства регулирования напряжения должны обеспечивать поддержание напряжения на шинах напряжением 3-20 кВ электростанций и подстанций, к которым присоединены распределительные сети, в пределах не ниже 105 % номинального в период наибольших нагрузок и не выше 100% номинального в период наименьших нагрузок этих сетей. Отклонения от указанных уровней напряжения должны быть обоснованы.
1.2.24. Выбор и размещение устройств компенсации реактивной мощности в электрических сетях производятся исходя из необходимости обеспечения требуемой пропускной способности сети в нормальных и послеаварийных режимах при поддержании необходимых уровней напряжения и запасов устойчивости.
Отклонение напряжения характеризуется показателем установившегося отклонения напряжения, для которого установлены следующие нормы:
- нормально допустимые и предельно допустимые значения установившегося отклонения напряжения δUу на выводах приемников электрической энергии равны соответственно ± 5 и ± 10% от номинального напряжения электрической сети по ГОСТ 721 и ГОСТ 21128 (номинальное напряжение);
- нормально допустимые и предельно допустимые значения установившегося отклонения напряжения в точках общего присоединения потребителей электрической энергии к электрическим сетям напряжением 0,38 кВ и более должны быть установлены в договорах на пользование электрической энергией между энергоснабжающей организацией и потребителем с учетом необходимости выполнения норм настоящего стандарта на выводах приемников электрической энергии.
РД 34.20.185-94
Инструкция по проектированию городских электрических сетей.
Гл. 5.2 Уровни и регулирование напряжения, компенсация реактивной мощности
5.2.4. Предварительный выбор сечений проводов и кабелей допускается производить исходя из средних значений предельных потерь напряжения в нормальном режиме: в сетях 10(6) кВ не более 6 %, в сетях 0,38 кВ (от ТП до вводов в здания) не более 4-6 %.
Большие значения относятся к линиям, питающим здания с меньшей потерей напряжения во внутридомовых сетях (малоэтажные и односекционные здания), меньшие значения — к линиям, питающим здания с большей потерей напряжения во внутридомовых сетях (многоэтажные многосекционные жилые здания, крупные общественные здания и учреждения).
СП 31-110-2003
Проектирование и монтаж электроустановок жилых и общественных зданий.
7. Схемы электрических сетей.
7.23 Отклонения напряжения от номинального на зажимах силовых электроприемников и наиболее удаленных ламп электрического освещения не должны превышать в нормальном режиме ±5 %, а предельно допустимые в послеаварийном режиме при наибольших расчетных нагрузках — ±10 %. В сетях напряжением 12-50 В (считая от источника питания, например понижающего трансформатора) отклонения напряжения разрешается принимать до 10 %.
Для ряда электроприемников (аппараты управления, электродвигатели) допускается снижение напряжения в пусковых режимах в пределах значений, регламентированных для данных электроприемников, но не более 15 %.
С учетом регламентированных отклонений от номинального значения суммарные потери напряжения от шин 0,4 кВ ТП до наиболее удаленной лампы общего освещения в жилых и общественных зданиях не должны, как правило, превышать 7,5 %. Размах изменений напряжения на зажимах электроприемников при пуске электродвигателя не должен превышать значений, установленных ГОСТ 13109.
ГОСТ Р 50571.15-97 (МЭК 364-5-52-93). Электроустановки зданий.
Часть 5. Выбор и монтаж электрооборудования. Глава 52. Электропроводки.
525. Потери напряжения в электроустановках зданий.
МЭК 60364-7-714-1996, IEC 60364-7-714 (1996). Электрические установки зданий.
Часть 7. Требования к специальным установкам или помещениям.
Раздел 714. Наружные осветительные установки.
в свободном переводе автора статьи:
714.512. Падение напряжения в нормальных рабочих условиях должно быть совместимо с условиями, возникающими от пускового тока ламп.
РД 34.20.501-95
Правила технической эксплуатации электрических станций и сетей РФ.
5. Электрическое оборудование электростанций и сетей.
ГОСТ Р МЭК 60204-1-99 (МЭК 60204-1). Безопасность машин.
Электрооборудование машин и механизмов. Общие требования.
13 Кабели и провода. 13.5 Падение напряжения на проводах
РМ 2559
Инструкция по проектированию учета электропотребления в жилых и общественных зданиях.
Как все-таки быть при нестабильном напряжении?
Бывает и так, что напряжение в сети резко колеблется – то меньше нормы, то больше. Это признак запущенного местного электрохозяйства: тронутых коррозией распределительных проводов в сочетании с плохим нулем на подстанции. Законные меры воздействия на энергетиков оставим юристам; данная же статья техническая, и нам нужно знать, как держать напряжение в норме.
Старый добрый стабилизатор напряжения для дачи вполне подойдет. Возможно, еще от дедушкина черно-белого телевизора, если хранился в подходящих условиях. Только нужно учесть, что наиболее употребительные феррорезонансные стабилизаторы могут давать очень короткие, в несколько миллисекунд, выбросы напряжения, а они могут повредить компьютерную технику, современный телевизор и вообще все, где используются импульсные блоки питания.
Поэтому после такого стабилизатора желательно включить описанный выше автотрансформатор, но с добавкой не 24, а 6-12 В. Напряжение в розетке будет в пределах нормы, а обмотки с большой индуктивностью на массивном железе автотрансформатора паразитные импульсы погасят.
В продаже на интернет-аукционах и с рук можно встретить старые промышленные магнитнокомпенсационные стабилизаторы, и вроде бы подходящей мощности: 1-10 кВт. Но ныне применение таких устройств запрещено. Они хорошо держат напряжение, но дают большую реактивную составляющую потребляемой мощности, очень вредную для управляемых электроникой энергосистем.
Энергетики, вооруженные ныне компьютерным мониторингом, засекают «реактивку» мгновенно, вычисляют источник абсолютно точно, а штрафные санкции (весьма внушительные) применяют охотно и без промедления.

В частном домовладении достаточно обеспеченного владельца радикальное средство стабилизации напряжения в домовой сети – электронный преобразователь напряжения с собственным накопителем энергии. По принципу действия это тот же компьютерный «бесперебойник» (UPS), но на мощность 3-10 кВт.
Стоят такие устройства весьма и весьма недешево (3-20 тыс. долл. США), но обеспечивают идеальное качество напряжения в сети и электропитание потребителей при ее пропадании. В отличие от компьютерных UPS, они, как правило, имеют интерфейс связи со снабженным собственной электроникой аварийным дизель-генератором, так что «движок» запускается не сразу при пропадании сети, а спустя некоторое время, или когда аккумулятор бесперебойника начинает садиться.
В заключение – важный момент. Человек, поверхностно знакомый с электротехникой, может «сообразить»: ага, компьютерный киловаттный UPS, стало быть, сможет держать утюг почаса-час, а телевизор или люстру – чуть ли не сутки, а стоит несколько сотен долларов. Поставлю-ка я такой на даче!
Неверно. Компьютерные UPS рассчитаны на кратковременное эпизодическое использование, потому и стоят в десятки раз дешевле ИБП общего назначения. При непрерывном использовании достаточно дорогостоящий прибор очень быстро окончательно выйдет из строя.
Источник





