2 Что делать в случае блокировки сигнализации глушилкой?
Если вы столкнулись с блокировкой сигнала, и машина не закрывается, необходимо быть внимательными, нет ли поблизости подозрительных людей или машин. Если сигнал блокирован «наглухо» машину можно закрыть ключом или переставить в другое место. Каждая система сигнализации имеет в схеме установки специальную сервисную кнопку «Vallet», которая активирует сигнализацию без использования брелока и находится в каком-то скрытом месте в салоне автомобиля.
Специальная сервисная кнопка «Vallet» Если автомобиль не открывается, то скорее всего в районе действует «хулиганская глушилка», а риск угона авто в данном случае максимален. В этом случае можно открыть автомобиль ключом и постараться завести двигатель, чтобы выехать из радиуса действия глушилки. Однако, многие охранные системы при активации сирены имеют функции блокировки двигателя, так, что завести автомобиль не всегда возможно. Чтобы завести мотор и постараться своими силами бороться с глушилкой в данном случае необходимо сделать защитный «экран» от помех вокруг антенны автосигнализации.
Устройство «хулиганской глушилки» Как правило, антенна сигнализации устанавливается в районе боковой стойки под лобовым стеклом либо в верхней части стекла. Материалом для защитного экрана может служить обычная фольга, или солнцезащитный фольгированный козырек, который есть у большинства автолюбителей. С помощью данного материала необходимо прикрыть антенну снаружи. Далее из салона можно поднести брелок на максимально близкое к антенне расстояние и постараться снять автомобиль с сирены. Если это не помогло, оберните антенну и со стороны салона, при этом фольгой можно обернуть и брелок сигнализации. В 80 % случаях, такая защита позволяет снять сирену и завести двигатель, чтобы удалится на безопасное расстояние.
Обзор карманной глушилки из Китая
Попробуем рассмотреть на фотопримерах, как работает подобный подавитель. Для того чтобы эта статья не была воспринята как реклама, марку и модель называть не будем.
Иллюстрация
Описание
Комплектация глушилки GSM (кстати, схема в коробке отсутствует). В коробке сама глушилка, 3 съёмных антенны и два адаптера – для работы от сетей 220 В и 12 В.
Предварительно был проверен сигнал сотовой связи. Он оказался устойчивым на трёх проверяемых телефонах. К сожалению, подавление иных частот подобной недорогой глушилкой не проверялось, но можно быть уверенным, что и с ними всё без сюрпризов.
Перед включением подавителя необходимо установить антенны на все три штекера. Каждая антенна отвечает за свой диапазон частот
Именно поэтому важно, чтобы были установлены все.
Остаётся передвинуть тумблер на подавители в положение «включено». На приборе загорается зелёная лампочка, а сотовая связь полностью пропадает
Теперь дозвониться точно не получится.
И последняя проверка – отключение подавителя. Одно движение тумблера ─ и как «по мановению волшебной палочки» сотовая связь восстановлена, телефоны функционируют.
Подробнее видеообзор можно увидеть в этом видео.
Устройство подавителя сотовой связи: из чего состоит прибор
Если говорить о готовом приборе, то его основными деталями можно назвать:
- генератор напряжения;
- усилительный каскад;
- источник искажений волны;
- надстроечная схема;
- антенна.
На первый взгляд всё просто – есть детали, и их требуется собрать воедино. Однако, как и в любой другой работе, здесь есть несколько нюансов, которые нельзя игнорировать.

ФОТО: handmade32.ru Вот такая маленькая плата полностью исключает возможность связи по сотовому телефону
Схемы для сборки глушилок сотовых телефонов своими руками
В сети можно найти множество различных схем для сборки глушилок сотовой связи своими руками. Они могут отличаться по степени сложности. Следует понимать, что чем проще схема, тем меньшими возможностями будет обладать собранный подавитель.

ФОТО: qrz.ru Схема глушилки GSM-сигнала может выглядеть так
Если начинающий радиолюбитель хочет попрактиковаться, то лучше всего выбрать наиболее простые варианты. К тому же не стоит забывать и о законодательстве нашей страны, согласно которому подобное оборудование подлежит регистрации. Это значит, что, собрав сложную схему и «погасив» связь во всём подъезде или доме, можно запросто нарваться на серьёзные неприятности.

ФОТО: mssglonass.ru А это уже схема подавителя сигнала ГЛОНАСС, которую можно назвать более сложной
Глушим вай фай сигнал другой сетью
Частично или полностью заглушить сигнал можно при помощи своей точки доступа. Здесь понадобится специальное программное обеспечение, например, Aircrack-ng. Это ПО работает через любой беспроводной адаптер. Главное, чтобы он поддерживал мониторинг сетей.
Потребоваться такое может в том случае, когда сосед перезагрузил канал связи, который вы используете. Запустив программу, первым что нужно сделать – определить частоты связи, которые хотите заглушить. После переключиться на нужный канал и увеличить мощность своей точки доступа до максимума. Это частично заглушит соседский роутер и сильно понизит скорость передачи данных.
Пошаговый монтаж глушилки сигнала сотовой связи своими руками
Шаг первый: доработка преобразователя частот
Для создания этого прибора, используем частотный преобразователь на 600 МГц. Этот преобразователь был усовершенствован так, чтобы отвечать нуждам и целям будущего прибора.
Блокиратор связи будет работать на частоте 800 МГц по той причине, что большинство мобильных телефонов используют именно эту самую частоту. Поэтому для сборки устройства в качестве основы берем генератор качающейся частоты. По расчетам он должен будет отлично выполнять свои необходимые функции.
Шаг второй: установка генератора синхросигналов
Используем генератор синхронизированных сигналов на 45 МГц. Эта деталь будет выполнять роль генератора помех в устройстве глушения мобильной связи. При работе этот генератор должен возбуждать порт гетеродина приемника, который размещен на микросхеме. Для того, чтобы сравнять сопротивление порта гетеродина синхронизированных сигналов, пускаем сигнал гетеродина через сеть согласования сопротивлений.
Шаг третий: усилитель РЧ
К сожалению использование усилителя сильно отражается на энергопотреблении прибора в целом, поэтому стоит понимать это и рассчитывать возможности используемых источников энергии. Но отказываться от усилителя в схеме прибора по причинам повышения потребления энергии не стоит, так как он несет важную, по сути, основную функцию прибора.
Шаг четвертый: выбор корпуса устройства
В качестве корпуса автор решил использовать имеющуюся у него старую ненужную алюминиевую коробку, в которой были просверлены отверстия под крепление деталей, а также УКВ разъемов от телефона Моторола.
УКВ разъемы были припаяны к микросхеме глушителя сигналов сотовой связи.
Шаг шестой: помещение схем и деталей прибора в корпус
В качестве источника питания он выбрал батарею на 9 В. Батарея была установлена внутрь коробки и отделена от все остальных схем и деталей при помощи куска пенопласта. Таким образом подавитель мобильных сигналов будет способен работать автономно.
Шаг седьмой: установка антенн
Антенны для передачи сигнала автор также взял от Моторолы. Их автор подсоединил к УКВ разъёмам, а также сделал переключатель на корпусе прибора для его включения и выключения по щелчку кнопки.
В итоге при таком подходе любой человек, который говорит по сотовому телефону, будет слышать лишь помехи собственного сигнала усиленные и отраженные вкюченным прибором. Это возможно благодаря тому, что у мобильных телефонов, работающих на частоте 800 МГц, а именно такие мы собираемся глушить, есть различие в частоте отправляемого и получаемого сигнала, эта разница стандартно равняется 45 МГц.
Кроме того, данный глушитель заодно блокирует все сигналы от следящих устройств, использующих GPS навигацию, к примеру, для слежения за вашим автомобилем, а также сотовую частоту, которая может быть использована для получения данных. А значит устройство полезно вдвойне, так как кроме блокатора сотовой связи, оно является еще и подавителей сигнала GPS. Благодаря таким параметрам устройство может быть использовано, чтобы мешать активации самодельных взрывных устройств, если они детонируют от звонка с мобильного телефона.
Из-за небольших габаритов глушилку сотовой связи, можно использовать в машине, офисе или даже носить с собой в сумке или портфеле.
Глушилка GSM-сигнала своими руками
В можно встретить инструкции по самостоятельной сборке устройств.
Одна из них приводится ниже.
Подавитель способен противостоять сигналу на частоте 800 мегагерц — большинство мобильных устройств настроены именно на нее. Генератором управления здесь выступает генератор качающейся волны. Работает прибор отлично, но для его сборки, безусловно, необходимы определенные навыки.
Берется сигналов на сорок пять мегагерц. На него реагирует порт гетеродина. В итоге получаются помехи. Сопротивление и в порте гетеродина, и в генераторе равняют путем направления сигнала от генератора электроколебаний приемника.
У порта последнего генератора настроена антенна на 800 мегагерц. РЧ-выход подключают к усилителю, увеличивая мощность приспособления до шестнадцати дБм. После этого увеличенный сигнал попадает на антенну.

GSM-глушилка своими руками внутри делается из:
- настроечной схемы;
- антенны;
- усилительного каскада;
- источника помех.
Глушилки работают на разных частотах в зависимости от необходимости создания помех тех или иных устройств связи.
ГУН можно считать «сердцем» всего приспособления. Он производит РЧ-сигнал. Блок усиления РЧ понадобится для расширения зоны действия устройства. Настроечная схема бывает с обратной связью и разомкнутой. продаются самой разной мощности. Но следует понимать, что при большей мощности время работы будет снижаться. сигналы, генерирующиеся подавителем. Источник питания поддерживает жизнь прибора. В качестве него можно применять ионно-литиевую батарею. Но если будет применяться обычный источник питания, то обязательно приобретите сетевой адаптер.
Вот такими средствами приходится сегодня бороться с побочными явлениями тех изобретений, которые, возможно, предназначались для совсем иных, добрых и полезных целей.
С каждым днем нас окружает все больше техники, которая работает с использованием беспроводных сетей: мобильные телефоны, гаджеты для «умного» дома, автомобильные сигнализации, беспилотные летательные аппараты.
К сожалению, такие устройства легко вывести из строя. Простой прибор за несколько тысяч рублей может нейтрализовать охранную сигнализацию или вырубить сотовую связь в целом офисе.
Если вы живёте в Москве, то встречаетесь с этим регулярно в центре города.
В этой статье вы узнаете какие бывают бытовые подавители радиочастот и для каких целей они используются.
Пошаговый монтаж глушилки сигнала сотовой связи своими руками
Шаг первый: доработка преобразователя частот
Для создания этого прибора, используем частотный преобразователь на 600 МГц. Этот преобразователь был усовершенствован так, чтобы отвечать нуждам и целям будущего прибора.
Блокиратор связи будет работать на частоте 800 МГц по той причине, что большинство мобильных телефонов используют именно эту самую частоту. Поэтому для сборки устройства в качестве основы берем генератор качающейся частоты. По расчетам он должен будет отлично выполнять свои необходимые функции.
Шаг второй: установка генератора синхросигналов
Используем генератор синхронизированных сигналов на 45 МГц. Эта деталь будет выполнять роль генератора помех в устройстве глушения мобильной связи. При работе этот генератор должен возбуждать порт гетеродина приемника, который размещен на микросхеме. Для того, чтобы сравнять сопротивление порта гетеродина синхронизированных сигналов, пускаем сигнал гетеродина через сеть согласования сопротивлений.
Шаг третий: усилитель РЧ
К сожалению использование усилителя сильно отражается на энергопотреблении прибора в целом, поэтому стоит понимать это и рассчитывать возможности используемых источников энергии. Но отказываться от усилителя в схеме прибора по причинам повышения потребления энергии не стоит, так как он несет важную, по сути, основную функцию прибора.
Шаг четвертый: выбор корпуса устройства
В качестве корпуса автор решил использовать имеющуюся у него старую ненужную алюминиевую коробку, в которой были просверлены отверстия под крепление деталей, а также УКВ разъемов от телефона Моторола.
УКВ разъемы были припаяны к микросхеме глушителя сигналов сотовой связи.
Шаг шестой: помещение схем и деталей прибора в корпус
В качестве источника питания он выбрал батарею на 9 В. Батарея была установлена внутрь коробки и отделена от все остальных схем и деталей при помощи куска пенопласта. Таким образом подавитель мобильных сигналов будет способен работать автономно.
Шаг седьмой: установка антенн
Антенны для передачи сигнала автор также взял от Моторолы. Их автор подсоединил к УКВ разъёмам, а также сделал переключатель на корпусе прибора для его включения и выключения по щелчку кнопки.
В итоге при таком подходе любой человек, который говорит по сотовому телефону, будет слышать лишь помехи собственного сигнала усиленные и отраженные вкюченным прибором. Это возможно благодаря тому, что у мобильных телефонов, работающих на частоте 800 МГц, а именно такие мы собираемся глушить, есть различие в частоте отправляемого и получаемого сигнала, эта разница стандартно равняется 45 МГц.
Кроме того, данный глушитель заодно блокирует все сигналы от следящих устройств, использующих GPS навигацию, к примеру, для слежения за вашим автомобилем, а также сотовую частоту, которая может быть использована для получения данных. А значит устройство полезно вдвойне, так как кроме блокатора сотовой связи, оно является еще и подавителей сигнала GPS. Благодаря таким параметрам устройство может быть использовано, чтобы мешать активации самодельных взрывных устройств, если они детонируют от звонка с мобильного телефона.
Из-за небольших габаритов глушилку сотовой связи, можно использовать в машине, офисе или даже носить с собой в сумке или портфеле.
Как понять, что сигнал глушат

Если связь отключилась у всех одновременно на небольшой площади, то это практически наверняка глушилка. Недорогие портативные модели эффективны в радиусе 5-10 метров, промышленные – до 300 метров.
Сложнее, если глушат из машины, маршрутки и т.п. Но логика та же. Как только вы выйдете, сигнал, скорее всего, вернётся.
Так что если в офисе резко отключился Wi-Fi и стали глючить беспроводные наушники, мыши и клавиатуры, кто-то рядом точно включил глушилку. А если навигатор отправил вас в Куала-Лумпур или Домодедово, правительственный кортеж едет неподалёку.
Надежный способ определить, работает ли глушилка прямо сейчас – детектор радиосигналов, он же индикатор поля или детектор жучков. Такое устройство за 5-10 тыс. рублей позволит просканировать помещение и найти источник помех.
Глушитель сотовой связи: что это такое и как сделать своими руками
Глушилка сотовой связи представляет собой устройство, позволяющее заглушить сигнал мобильного телефона. Девайсы могут использоваться и для подавления других импульсов.
Принцип действия GPS блокираторов простой. Устройство работает, излучая специальный импульс в пределах определенной частоты, как и девайс, который необходимо заглушить. Вокруг подавляющего блокиратора образуется специальное поле, в нем теряются импульсы, издающиеся другими устройствами. Рассмотрим разновидности подавляющих устройств по форм-фактору.
Стационарные глушилки
Эти девайсы разработаны для постоянной эксплуатации в конкретном месте. С целью обеспечения рабочего состояния устройство должно быть подключено к бытовой сети. Вес такого девайса составляет до 5 килограмм. Отличительной чертой систем является возможность одновременного генерирования подавляющего поля в нескольких диапазонах частот. Их количество составит от 10 и больше.
Портативные девайсы менее мощные, однако они характеризуются небольшими размерами, благодаря этому их можно носить в кармане и активировать при надобности. Вес глушилки составляет около 300-700 грамм. В портативных устройствах могут использоваться от трех до шести антенн, которые предназначены для подавления различных диапазонов частот. Среднее время функционирования телефонного глушителя такого типа составляет от одного до трех часов.
В продаже можно встретить специальные блокираторы, изготовляющиеся в виде чехлов. Они изначально разрабатывались для того, чтобы операторы мобильной связи не могли отследить местоположение абонента. В таких чехлах, как правило, используется несколько отсеков. Один из них необходим для блокировки импульсов, а другой используется для защиты человеческого организма от вредоносного излучения.
Сфера применения и диапазоны подавителей
Подробно рассмотрим предназначение и сферу применения устройств.
Устройства для глушения радиосвязи могут использоваться на деловых переговорах, в театрах и любых других местах, где требуется соблюдение тишины. В крупных городах администрации культурных заведений часто применяют простые блокираторы
Если человек забыл отключить мобильник на важном мероприятии, то телефонный подавитель GSM связи не даст ему воспользоваться устройством
Устройства, позволяющие глушить сигнал, также используются для предотвращения прослушки, которая осуществляется посредством GSM-жучков.
Диапазоны, в которых работает глушилка сотовой связи: — от 925 до 960 МГц в GSM 900;
— от 1805 до 1880 МГц в диапазоне GSM 1800;
— от 2110 до 2170 МГц в диапазоне 3G;
— от 2570 до 2690 МГц при работе в диапазоне 4G WIMAX;
— от 791 до 820 МГц в диапазоне 4G Lite;
— от 850 до 894 МГц в диапазоне CDMA, однако с 2010 года этот диапазон отечественными операторами не используется;
— устройство работает в диапазоне от 1900 до 1930 МГц, данный стандарт в России не используется.
Устройства такого плана обычно объединяются в одном девайсе с гаджетами, предназначенными для подавления мобильной связи. Используются для блокирования каналов передачи информации по беспроводным камерам. Это позволяет обеспечить надежную защиту от утечки данных. Если в здании применяется такой блокиратор, то кроме камер, неработоспособными окажутся роутеры и другие беспроводные устройства, к примеру, мышки и клавиатуры. Также пользователи не смогут передавать данные по Bluetooth каналу. Рабочий диапазон частот таких устройств составляет от 2400 до 2500 МГц.
GPS маячки часто ставятся на рабочие машины курьерских компаний, а также фирм, занимающихся грузоперевозками. Их использование позволяет осуществлять контроль над местоположением транспортного средства. Для подавления сигнала таких маячков используются антитрекеры. Это устройство небольших размеров, предназначенное для подключения к прикуривателю машины и блокирования импульсов систем ГЛОНАСС и GPS. Отдельные модели устройств могут комплектоваться заглушкой GSM. Такие девайсы применяются угонщиками, чтобы предотвратить возможность слежки за похищенной машиной.
Рабочие диапазоны:
от 1570 до 1620 МГц для GPS L1;
от 1200 до 1310 МГц в диапазоне ГЛОНАСС L2 либо GPS;
от 1380 до 1410 МГц в диапазоне ГЛОНАСС L3 или GPS.
В продаже можно встретить устройства, предназначенные для заглушения радиосигналов. В магазинах они называются «Антишансон». Подходят для блокирования работы соответствующих радиостанций. Могут использоваться в маршрутных такси, автобусах, а также заведениях, где слушают шансон. Рабочий диапазон составляет от 88 до 108 МГц.
Некоторые параметры глушителей сигналов сотовой связи
Говоря о глушителях мобильной связи, мы подразумеваем подавитель, который следует настроить на определённую частоту. При этом можно выполнить настройки так, что будут глушиться и иные приборы. К примеру, можно сделать своими руками глушилку интернет-сигнала или частот Wi-Fi.
ФОТО: poisk-podbor.ruОдно движение, и роутер становится не более чем бесполезной пластиковой коробочкой
По сути, все представленные в интернете схемы подавителей предназначены для радиолюбителей, которым интересно заниматься подобными темами. Для остальных будет проще приобрести настраиваемые глушилки связи или мобильного интернета. Рассмотрим, на каких волнах должны создаваться помехи для различных сетей.
ФОТО: mehack.orgМощные подавители способны отключить все сигналы, включая телевидение и радио
Рабочие частоты глушилок для телефона
Для того чтобы заглушить GSM-сигнал, необходимо настроить рабочую частоту подавителя на 800 МГц. Именно на ней работают все сотовые телефоны в нашей стране. А вот для подавления других сетей придётся перенастраивать оборудование.
ФОТО: aredi.ruЧастота усилителя 3G/4G ─ также 800 МГц, а значит, глушилка подавит и его
Настройка глушилки Вай-Фай своими руками
Подобные приборы часто объединяются блокиратором, способным блокировать каналы всех беспроводных гаджетов, включая и те, которые работают по Bluetooth. Своими руками такую глушилку собрать несложно, особенно если у мастера есть опыт в радиоделе.
Здесь стоит учитывать, что подобный подавитель забьёт частоты не только камер, но и беспроводной клавиатуры, мыши и любых других устройств, передающих сигнал через Вай-Фай или блютуз. Для обеспечения подавления необходимо настроить глушилку на частоты 2400—2500 МГц.
ФОТО: ozon.ruВключённый подавитель не даст пользователю общаться с помощью беспроводной гарнитуры
GPS/ГЛОНАСС: для чего глушить эти частоты
Для законопослушного гражданина подавление частот ГЛОНАСС совершенно ни к чему. Но это если речь идёт не о России. На сегодняшний день ГЛОНАСС устанавливается повсеместно на рабочие курьерские, грузовые автомобили. А вот по данным часто могут возникать нестыковки.
Известны случаи увольнения работников по причине того, что пройденный автомобилем километраж был на порядок больше, чем по данным ГЛОНАСС. А это означало одно – накрутку одометра с целью хищения топлива.
Если собрать глушилку ГЛОНАСС своими руками или приобрести подобное устройство через интернет, можно попросту перекрыть частоты, на которых работает система. Впоследствии окажется, что ГЛОНАСС попросту вышел из строя на определённый период.
ФОТО: barnaul.avtonavix.ruТак выглядит обычный ГЛОНАСС-трекер
Рабочие диапазоны частот такого подавителя:
- 1570—1620 МГц (GPS L1);
- 1200—1310 МГц (ГЛОНАСС L2 либо GPS);
- 1380—1410 МГц (ГЛОНАСС L3 или GPS).
Радиоглушилки и рациональность их изготовления своими руками
Как и глушитель сотовой связи, радиоглушилку можно собрать своими руками. Вопрос в том, стоит ли потраченное время полученного результата. Ведь намного проще приобрести подобное устройство, стоимость его невысока.
К примеру, сейчас стали популярными подавители радиосигнала на частотах станции «Шансон». Любому, кому надоело слушать «блатную лирику» в маршрутном такси или кафе, достаточно просто нажать кнопку на приборе, и волна полностью пропадёт, оставив лишь «белый шум». Владельцу радио не останется другого выбора, как переключить на что-то иное. Частоты работы такого подавителя варьируются в диапазоне 88-108 МГц.
ФОТО: youtube.comЭта музыка уже многим набила оскомину
Ещё несколько слов о GSM-глушилках
Используя глушилки связи, интернета для сотовых или радиочастот, не стоит забывать об ответственности, которую можно за это понести. Поэтому прежде чем забавляться с подобным оборудованием, не помешает изучить российское законодательство и его мнение на данный счёт.
ФОТО: sites.google.comИ ещё:
Кому нужно вторгаться в чужую жизнь
Аналогичные действия предпринимают и для настройки на WiFi.
Наверное, все знают сегодня, что такое «жучки». Различные средства для прослушки в настоящее время используются не только спецслужбами. Их может установить студент и даже школьник.
Однако чаще всего в таких устройствах заинтересованы ревнивцы, конкуренты по бизнесу и прочие. Шпионская техника способна нанести вред любому человеку. Поэтому информационной защитой сегодня интересуются многие. И подавитель-глушилка GSM выступает именно тем прибором, который борется с такими явлениями.
Ну, а о сотовых телефонах GSM 900-1800 многие давно знают, что без глушилки они легко превращаются в средство утечки информации.
Нюансы изготовления, настройка
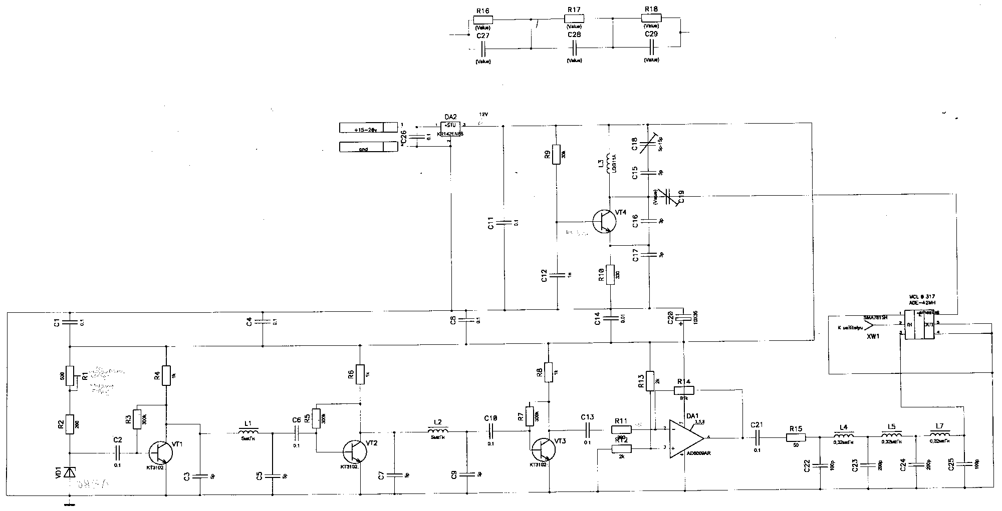
Глушилка сигнала связи, выполненная собственными руками, должна в полной мере соответствовать подобному устройству заводского производства. В этих целях понадобится схема простой глушилки сотовой связи, которая представлена в виде компактного каскада, в который включены диоды, а также транзисторы.
Резисторы с конденсаторами есть возможность изготовить посредством токовых зеркал, а также подобных заменяемых элементов. Данный подмен позволит уменьшить не только размеры гаджета, но и его стоимость.
Немаловажным нюансом считается настройка, позволяющая устранить проблемы, связанные с глушением других сигналов. Для избавления смешивания частот необходимо настроить имеющуюся катушку индуктивности, непосредственно от которой зависит исходящая частота. Подобное действие происходит благодаря изменению числа витков, размещённых на сердечнике.
Далее инструкцией создания глушилки для неопытных мастеров предусмотрено устройство функционирования усилителя. Данный прибор показывает усиление и уменьшение сигнала, который не всегда эффективен в процессе работы устройства. В отдельных случаях желательно свести к минимуму процент усиления, снизив подобным образом помехи.
Регулировка данного показателя состоит в экспериментальной настройке необходимого усилителя вручную, параллельно проверяя функционирование комплекса в целом и его влияние на прибор слежения.
Такой элемент, как антенна, не нуждается в настройке, однако при этом следует выбирать её максимально серьёзно. По отзывам радиолюбителей, правильнее всего обустроить антенну SMA, от которой идёт сигнал в разные стороны и которая характеризуется наивысшим усилительным коэффициентом.
В зависимости от области обхвата, появляется выбор, который связан между числом обустраиваемых антенн. При необходимости получения готового результата пределах нескольких метров, применяется 1 деталь, при этом в отдельных структурах обустраивается до 4 деталей.
Подавитель и анти-трекер GPS
В последние годы стал широко распространенным еще один вид шпионской техники — GPS-трекеры. Они предназначены далеко не только для контроля за грузоперевозками, как часто заявляют производители. Их часто используют и силовые структуры, и частные детективы, и те же завистливые конкуренты, вплоть до криминальных структур.
Это совершенно миниатюрные приборы, спрятать которые легко и просто. А в итоге определенный человек будет находиться под такой автоматизированной слежкой. Вот почему стала разрабатываться и глушилка GSM-сигнала, своего рода анти-трекер.
Это такие определенный модули, которые не дают просчитать координаты нахождения человека или транспортного средства. Тот, кто следит, используя трекер, при этом увидит лишь «no data», либо данные не поступят к нему вообще.
Благодаря подавителям транспортному средству обеспечивается анонимность, и не допускается сбор личных сведений через каналы GPS.
Устройства способны успешно бороться со всякого рода шпионской техникой, которая может повредить любому человеку и в личной жизни, и в деловой сфере, а также целой организации. Поэтому в наших реалиях такими вещами пренебрегать нельзя, и необходимо стараться обезопасить себя, своих близких и сотрудников от шпионских гаджетов.

Смотреть галерею
https://youtube.com/watch?v=pFN1GffE9Jw
https://youtube.com/watch?v=_Oz8U_0mypI
https://youtube.com/watch?v=hsjXDnxRwhM
Отличия ГЛОНАСС и GPS
Системы появились в разное время. Сначала появился GPS, и только потом последовал ответ от СССР в виде ГЛОНАСС. Однако полную работоспособность система обрела только в последние годы. Системы практически идентичны. Различия заключаются в несущей частоте: у GPS это 1575.42 МГц, а у ГЛОНАСС – 1602 МГц. Кроме того, различается скорость передачи вспомогательных пакетов, а значит и скорость определения координат, — у ГЛОНАСС несколько выше.
Как правило, все навигационные приемники используют данные обеих систем в расчетах. Во-первых, это позволяет эффективно находить координаты в условиях плотной застройки, когда дома загораживают спутники, и количество «видимых» спутников резко сокращается. Во-вторых, использование двух систем одновременно увеличивает точность определения координат, т.к. количество используемых в расчетах спутников больше, а значит и исходных данных для расчетов больше. Избыток данных позволяет избавиться от влияния вредных искажений сигнала (отражения, слабый уровень сигнала и т.п.). Таким образом, можно вычислить координаты точнее, игнорируя сомнительные данные с какого-то спутника (исключить его из расчетов, заменив его данные более достоверными данными с других спутников).





