Диэлектрическая прочность
Диэлектрическая прочность — это максимальный уровень напряжения, при котором изолирующий барьер может предотвратить пересечение сигнала. Различные изоляционные материалы имеют разную диэлектрическую прочность, измеряемую в Vrms/мкм. Воздушный зазор обычно обеспечивает 1 Vrms/мкм, тогда как эпоксидные смолы могут быть в 20 раз эффективнее, а диоксид кремния, содержащийся во многих емкостных изоляционных барьерах, дает примерно 500 Vrms/мкм. Существуют и другие материалы, обычно используемые в барьерах, включая полиимиды, применяемые в емкостных изоляторах, и заполненные кремнеземом эпоксидные формовочные смеси, часто встречающиеся в оптических изоляторах.
Трансформаторная (индуктивная) развязка
Для того чтобы построить индуктивную развязку, следует использовать магнитоиндукционные устройства – трансформаторы. Его конструкция может быть с сердечником или без сердечника.
Оборудование цепей гальваноразвязкой индуктивного типа осуществляется с помощью трансформаторов, у которых коэффициент трансформации составляет единицу. К источнику сигнала подключается первичная катушка, а вторичная соединяется с приемником. На этом принципе гальванические развязки трансформаторного типа служат основой для создания магнитомодуляционных устройств.
Выходное напряжение, возникающее во вторичной обмотке, напрямую связано с напряжением на входе трансформаторного устройства. В связи с этим, индуктивная развязка имеет серьезные недостатки, почему и ограничивается ее применение:
- Невозможно изготовить компактное устройство из-за существенных габаритных размеров трансформатора.
- Частота пропускания ограничивается частотной модуляцией самой развязки.
- Помехи, возникающие во входном сигнале, снижают качество сигнала на выходе.
- Подобная трансформаторная гальваническая развязка может нормально работать только при наличии переменного напряжения.
Термин: Развязка гальваническая
Гальваническая развязка (гальваноразвязка, гальваническая изоляция) – это название общего принципа электрической изоляции рассматриваемой электрической цепи относительно других цепей, присутствующих в данном устройстве. Гальваническая изоляция, как правило, применяется для решения одной из двух (или обеих) задач:
1. Обеспечение независимости сигнальной цепи (при подключении приборов и устройств) за счёт того, что гальваническая изоляция обеспечивает независимый контур тока сигнальной цепи относительно других контуров тока, возникающих при соединении приборов и устройств. Например, это может быть независимость цепи измерения от силовой исполнительной цепи. Независимость сигнальной цепи решает целый ряд проблем электромагнитной совместимости (ЭМС): улучшает помехозащищённость, соотношение сигнал/шум в сигнальной цепи, точность измерения. Гальванически изолированный вход или выход устройства всегда способствует лучшей его совместимости с другими устройствами в тяжелой электромагнитной обстановке. В многоканальных измерительных системах (системах сбора данных) гальваническая развязка бывает как групповая (одна на несколько каналов измерения), так и поканальная (индивидуальная для каждого канала измерения).
2. Обеспечение электробезопасности при работе с оборудованием согласно ГОСТам на электробезопасность. Для электрического оборудования для измерения, управления и лабораторного применения применяют ГОСТ 12.2.091-2012, согласно которому определяют требования к стойкости изоляции (испытательному напряжению)
Важно отметить, что гальваническая изоляция – это одна из технических мер обеспечения электробезопасности, поэтому требования к изоляции конкретной цепи всегда следует рассматривать в совокупности с другими мерами электобезопасности (защитное заземление, цепи ограничения тока и напряжения и т.д.), принятыми в данном конкретном случае. В любом случае, испытательное напряжение изоляции, указанное в документации на оборудование, должно многократно превышать номинальные напряжения изолируемых цепей
Следует отметить, что гальваническая развязка цепей может обеспечиваться разными техническими способами: трансформаторная (индуктивная) гальваноразвязка (трансформаторы, цифровые изоляторы на высокочастотном трансформаторном принципе), оптическая гальваноразвязка (оптроны, оптореле), ёмкостная гальваноразвязка (цифровые изоляторы на ёмкостном принципе), электромеханическая развязка (электромеханические реле). Эти способы отличаются не только очевидными эксплуатационными параметрами «по назначению», но и, например, менее очевидными параметрами обеспечения «степени независимости» изолируемых цепей. Например, обычный сетевой трансформатор питания может иметь межобмоточную ёмкость – тысячи пФ, в то время как оптрон – десятые доли пФ. Эта ёмкость гальваноразвязки существенно влияет на сквозные токи высокой частоты через гальваноразвязку и фактически определяет независимость изолируемых цепей для синфазного напряжения с высокой скоростью нарастания.
| Перейти к другим терминам | Cтатья создана: | 06.07.2014 |
| О разделе «Терминология» | Последняя редакция: | 26.07.2019 |
Термин используется при описании электрических свойств входов и выходов измерительных приборов, исполнительных и интерфейсных устройств. Ниже приводим примеры измерительных приборов с гальванической изоляцией измерительных цепей.
Измерительная система LTR
АЦП: 16 бит; 16/32 каналов; ±0,2 В…10 В; 2 МГц ЦАП: 16 бит; 2 канала; ±5 В; 1 МГц Цифровые входы/выходы: 17/16, ТТЛ 5 В Интерфейс: USB 2.0 (high-speed), Ethernet (100 Мбит) Гальваническая развязка.
Модуль АЦП/ЦАП 16/32 каналов, 16 бит, 2 МГц, USB, Ethernet
E-502
АЦП: 16 бит; 16/32 каналов; ±0,2 В…10 В; 2 МГц ЦАП: 16 бит; 2 канала; ±5 В; 1 МГц Цифровые входы/выходы: 18/16 TTL 5 В Интерфейс: PCI Express
Плата АЦП/ЦАП 16/32 каналов, 16 бит, 2 МГц, PCI Express
L-502
Точность измерения: • напряжения и тока ±0,1% • активной мощности ±0,2% • активной энергии — класс 0,2S
Прибор контроля качества электроэнергии
Проблемы синфазного напряжения и их решение
Синфазные напряжения — это паразитные сигналы, которые попадают в измерительную цепь, как правило, от кабеля, соединяющего датчик с измерительной системой. Иногда называемые шумом, эти напряжения искажают реальный сигнал, который мы пытаемся измерить. В зависимости от амплитуды они могут варьироваться от «незначительных помех» до полного перекрывания реального сигнала, делающего измерение бесполезным.
Представление дифференциального усилителя
Наиболее простым способом устранения синфазных сигналов является использование дифференциального усилителя. Этот усилитель имеет два входа: положительный и отрицательный. Усилитель измеряет только разницу между двумя входами.
Электрический шум от кабеля датчика должен присутствовать на обеих линиях — положительной линии сигнала и линии заземления (или отрицательной линии сигнала). Дифференциальный усилитель будет отклонять сигналы, общие для обеих линий, пропуская только нужный сигнал, как показано на рисунке ниже:
Дифференциальный усилитель успешно устраняет синфазные сигналы в пределах входного диапазона синфазного напряжения
Это отлично работает, но есть ограничения на объем синфазных сигналов, которые может отклонить усилитель. Если объем синфазных сигналов в сигнальных линиях превышает максимальный входной диапазон дифференциального усилителя, он отсекает сигнал. В результате получается искаженный, бесполезный выходной сигнал, как показано ниже:
Дифференциальный усилитель искажает или отсекает сигнал при превышении входного диапазона синфазного сигнала
В таких случаях необходим дополнительный уровень защиты от синфазных напряжений и электрических помех в общем (а также от паразитного заземления, о котором пойдет речь в следующем разделе) — изоляция.
Изолированные входы усилителя «плавают» над синфазным напряжением. Их конструкция подразумевает изолирующий барьер с напряжением пробоя 1000 вольт и более. Это позволяет отклонять очень высокий уровень синфазных шумов и устранять паразитное заземление.
Изолированный дифференциальный усилитель отклоняет даже очень высокий уровень синфазного шума
Изолированные усилители создают такой изолирующий барьер, используя крошечные трансформаторы для разделения («смещения») входного и выходного сигнала, небольшие оптопары, или емкостную связь. Последние два метода обычно обеспечивают максимальную производительность.
Практическое использование гальванического разделения цепей
Рассмотрим практический пример использования гальванического разделения цепей. Многие компании производят гальванические развязки сигнальных цепей, но далеко не всегда они содержат встроенные DC/DC-преобразователи для разделения цепей питания. Насколько известно автору, среди работающих на нашем рынке компаний гальванические развязки с разделением цепей питания производят Analog Devices, Texas Instruments, Mornsun. К ним можно причислить и компанию SiLabs, но следует учесть, что ее компоненты содержат ключи силового каскада, но не имеют встроенного трансформатора. Применение развязок с встроенными DC/DC-преобразователями позволяет сократить занимаемое на плате место, упрощает топологию и, как следствие, облегчает решение проблем электромагнитной совместимости.
В качестве примера рассмотрим гальваническую развязку ISOW784x компании Texas Instruments. Ее структурная схема показана на рис. 5.
Рис. 5. Структурная схема ISOW784x
Приведем основные параметры ISOW784x:
- напряжение питания: 3,3–5 В;
- выходная мощность встроенного DC/DC-преобразователя: 0,65 Вт;
- выходной ток встроенного DC/DC-преобразователя (max): 130 мА;
- скорость передачи данных (max): 100 Мбит/с;
- стойкость к изменению синфазного напряжения: 100 кВ/мкс;
- электрическая прочность изолирующего барьера: 5 кВ (СКЗ) и 7,071 кВ в пике;
- диапазон рабочей температуры: –40…125 °C;
- корпус: 16‑выводной SOIC размером 10,3×7,5 мм.
Максимального выходного тока 130 мА встроенного DC/DC-преобразователя, как правило, вполне достаточно для того, чтобы организовать питание четырех трактов входных сигналов. В качестве диэлектрика в развязке используется диоксид кремния SiO2. Его диэлектрическая прочность достигает 500 В (СКЗ)/мкм, благодаря чему и достигается высокая электрическая прочность изоляции, позволяющая с запасом удовлетворить требования стандартов электробезопасности.
Заметим, что никакое гальваническое разделение цепей не означает полного разделения частей. Проходные емкости собственно развязки, особенно малогабаритного встроенного трансформатора DC/DC-преобразователя, и паразитные емкости платы создают токовый контур, который представляет собой антенну, излучающую помехи. Причем чем выше скорость передачи данных и больше площадь токовой петли из паразитных емкостей, тем больше величина излучаемых помех
На эти обстоятельства следует обратить внимание при разработке топологии платы и постараться уменьшить паразитные емкости между двумя частями системы
Уменьшить величину токовой петли может Y2‑конденсатор СISO (рис. 2). Напомним, что по требованиям стандарта IEC60384-1 максимально допустимое напряжение Y2‑конденсатора должно находиться в диапазоне 150–300 В (АС). Этот конденсатор должен выдерживать пиковое напряжение 5 кВ. Но, к сожалению, такой конденсатор имеет и паразитную индуктивность выводов, которая снижает эффективность его использования в полосе частот выше 200–300 МГц.
Решением этой проблемы может стать емкость, образованная слоями печатной платы (stitching capacitance). На рис. 6 показан пример формирования такой емкости на четырехслойной печатной плате. Изолированные части системы размещаются на верхнем и нижнем слоях, емкость образуется с помощью слоев земли и питания. В данном случае величина емкости составила 30 пФ. Подробный расчет, создаваемой таким образом емкости, изложен в .
Рис. 6. Конденсатор, образованный слоями печатной платы (stitching capacitance)
Изолированная передача данных
Гальваническая развязка позволяет передавать данные между отдельными электрическими цепями. Есть несколько практических решений этой проблемы, включая оптические, емкостные и электромагнитные технологии. Каждый из этих подходов имеет свои преимущества и недостатки, в том числе: по скорости передачи данных, устойчивости к электростатическому разряду, помехам и уровню мощности.

В оптоизоляторе светодиод излучает световые импульсы, которые проходят через изолирующий барьер и затем принимаются фотодиодом на вторичной стороне
Оптическое разделение — одно из самых известных решений. В нем используется оптоизолятор или оптопара, а разделение цепей достигается за счет использования светодиода на первичной стороне и фототранзистора на вторичной. FOD817 — хороший пример такого компонента. Данные передаются с помощью световых импульсов создаваемых светодиодами, которые улавливаются фототранзистором.
FOD817 имеет 1 канал связи с изоляцией 5 кВ переменного тока. Он включает в себя ИК-диод на основе GaAs и кремниевый фототранзистор. Используется в основном в регуляторах мощности и цифровых линиях ввода-вывода.
Электромагнитная связь — это самое старое решение для изоляции цепей, в котором задействуются две катушки с магнитной связью. Этот метод используется компанией Analog Devices как технология iCoupler. Там катушки интегрированы в микросхему и разделены слоем полиамидной подложки.

В двойном изоляторе для шины I2C ADuM1250 каждая линия интерфейса I2C требует двух отдельных трансформаторов для обеспечения двунаправленной передачи
Изоляторы с электромагнитной связью более восприимчивы к помехам чем оптоизоляторы, и создают собственные помехи, которые могут также стать проблемой. Их преимущества — более высокая скорость передачи данных 100 Мбит / с и более низкое энергопотребление. Примером может служить ADuM1250. Он обеспечивает двунаправленную изоляцию данных для шины I?C со скоростью передачи до 1 Мбит / с. Изоляция составляет 2500 В среднеквадратического значения. Схема потребляет ток 2,8 мА на первичной стороне и 2,7 мА на вторичной при напряжении питания 5 В. Двунаправленность достигнута с помощью двух трансформаторов.

Емкостная изоляция позволяет сигналам переменного тока проходить через изоляционный барьер
Обычно данные передаются между катушками трансформатора с использованием кодирования по краям. Импульсы наносекундной длительности используются для идентификации нарастающего и спадающего фронтов сигнала данных. Чип также включает в себя кодировщик и декодер.
Использование несущего радиосигнала и модулируя его сигналом данных, например с помощью двухпозиционной манипуляции (OOK), информация может быть отправлена через гальванический барьер.

Двухпозиционная манипуляция (ООК) позволяет сигналу данных проходить через изолирующий барьер
Как и в случае с магнитной изоляцией, преимущества емкостной заключаются в высокой скорости передачи (100 Мбит / с и более) и низком энергопотреблении. К недостаткам можно отнести большую восприимчивость к помехам от электрического поля.
Примером использования технологии емкостной изоляции является четырехканальный цифровой изолятор Texas Instruments ISO7742, который обеспечивает сопротивление пробоя 5000 В. Эта микросхема имеет множество конфигураций в зависимости от требуемого направления потока данных. Она имеет скорость передачи данных 100 Мбит / с и потребляет 1,5 мА на канал. Применяют в медицинском оборудовании, источниках питания и промышленной автоматике.
Методы изоляции сигналов
Оптоизоляторы
Когда требуется, чтобы между двумя частями схемы с разными потенциалами земли проходил сигнал, популярным решением является оптоизолятор (оптопара). Оптоизолятор представляет собой фототранзистор, который открывается («включается»), когда внутренний светодиод находится под напряжением. Свет, излучаемый внутренним светодиодом, является путем прохождения сигнала, и, таким образом, изоляция между потенциалами земли не нарушается.
Рисунок 3 – Схема типового оптоизолятора
Датчик Холла
Другим методом передачи информации между электрическими системами с раздельными потенциалами земли является использование датчика, основанного на эффекте Холла. Датчик Холла детектирует индукцию неинвазивно и не требует прямого контакта с исследуемым сигналом и не нарушает изолирующий барьер. Наиболее распространенное использование проходящей индукционной информации через цепи с различными потенциалами земли – это датчики тока.
Рисунок 4 – Датчик тока, используемый для измерения тока через проводник
Доводим до ума бюджетный полуавтомат
На рынке очень много недорогих сварочных полуавтоматов, которые никогда не будут работать нормально, потому что сделаны изначально неправильно. Попробуем это исправить на уже пришедшим в негодность сварочном аппарате.
Попал мне в руки китайский сварочный полуавтомат Vita (в дальнейшем буду называть просто ПА), в котором сгорел силовой трансформатор, просто знакомые попросили отремонтировать.
Жаловались на то, что когда ещё работал, то им невозможно было что-то сварить, сильные брызги, треск и т.д. Вот решил я его довести до толку, и заодно поделится опытом, может, кому то пригодится. При первом осмотре я понял, что трансформатор для ПА был намотан не правильно, поскольку первичная и вторичная обмотки были намотаны отдельно, на фото видно, что осталась только вторичка, а первичка была намотана рядом, (так мне трансформатор принесли).
А это значит, что такой трансформатор имеет круто падающую ВАХ (вольт амперная характеристика) и подходит для дуговой сварки, но не для ПА. Для Па нужен трансформатор с жёсткой ВАХ, а для этого вторичная обмотка трансформатора должна быть намотана поверх первичной обмотки.
https://youtube.com/watch?v=xs2iUHl4uVI
Для того чтобы начать перемотку трансформатора нужно аккуратно отмотать вторичную обмотку, не повредив изоляцию, и спилить перегородку разделяющую две обмотки.
Для первичной обмотки я буду использовать медный эмалевый провод толщиной 2 мм, для полной перемотки нам хватит 3,1 кг медного провода, или 115 метров. Мотаем виток к витку от одной стороны к другой и обратно. Нам нужно намотать 234 витка — это 7 слоёв, после намотки делаем отвод.
https://youtube.com/watch?v=XMqQ9t_pM4Y
Дальше мотаем 39 витков, делаем ещё отвод, 25 витков — отвод, и 14 витков отвод.
Первичную обмотку и отводы изолируем матерчатой изолентой. Дальше мотаем вторичную обмотку тем проводом, что мы отмотали раньше. Наматываем плотно 36 витков, шинкой 20 мм2, приблизительно 17 метров.
https://youtube.com/watch?v=QV6BxRS_TG4
Трансформатор готов, теперь займемся дросселем. Дроссель не менее важная часть в ПА без которой он не будет нормально работать. Сделан он неправильно, потому что не имеет зазора между двумя частями магнитопровода. Дроссель я намотаю на железе от трансформатора ТС-270. Трансформатор разбираем и берём с него только магнитопровод. Провод того же сечения, что и на вторичной обмотке трансформатора мотаем на один крен магнитопровода, или на два последовательно соединив концы, как вам нравится. Самое главное в дросселе это немагнитный зазор, который должен быть между двух половинок магнитопровода, достигается это вставками из текстолита. Толщина прокладки колеблется от 1,5 до 2 мм, и определяется экспериментальным путём для каждого случая отдельно.
https://youtube.com/watch?v=Z27wkJz6bv4
Для более устойчивого горения дуги в цепь нужно поставить конденсаторы емкостью от 20000 до 40000 мкФ и напряжение конденсаторов должно быть от 50 вольт. Схематически всё это выглядит так.
Для того что бы ваш ПА заработал нормально будет достаточно сделать выше указанные действия.
А для тех, кого раздражает постоянный ток на горелке нужно в цепь поставить тиристор на 160-200 ампер, как это сделать смотрите в видео.
https://youtube.com/watch?v=W48VECexors
https://youtube.com/watch?v=um0kSuv5i8o
Всем спасибо за внимание -)
Методы развязки по питанию
Трансформаторы
Наиболее распространенной формой развязки является использование трансформатора. При проектировании схемы стабилизации питания, где требуется развязка, изолирующая часть конструкции связана с необходимостью повышения/понижения уровня напряжения и не рассматривается как отдельная часть системы. В случае, если необходимо изолировать всю электрическую систему (например, для многого автомобильного тестирующего оборудования требуется, чтобы источники питания были изолированы от сети переменного тока), для создания необходимой изоляции последовательно с системой может быть установлен трансформатор 1:1.

Рисунок 1 – Ассортимент SMD трансформаторов
Конденсаторы
Менее распространенным методом создания развязки является использование последовательно включенных конденсаторов. Из-за возможности протекания сигналов переменного тока через конденсаторы этот метод может быть эффективным способом изоляции частей электрической системы от сети переменного тока. Этот метод менее надежен, чем метод с трансформатором, поскольку в случае неисправности трансформатор разрывает цепь, а конденсатор закорачивает. Одна из целей создания гальванической развязки от сети переменного тока заключается в том, чтобы в случае неисправности пользователь находился в безопасности от работающего неограниченного источника тока.

Рисунок 2 – Пример использования конденсаторов для создания развязки
Гальваническая развязка оптоэлектронного типа
С развитием высоких технологий, использующих полупроводниковые элементы, все более широкое распространение получают БГР – блоки гальванической изоляции на основе оптоэлектронных узлов. Их основой служат оптроны, известные среди электротехников в качестве оптопар, выполненных на основе диодов, транзисторов, тиристоров и других элементов, обладающих повышенной светочувствительностью.
Общая схема оптической части, связывающая источник данных с приемником, использует в качестве сигнала нейтральные фотоны. Благодаря этому свойству, выполняется развязка цепи на входе и выходе, а также ее согласование с входными и выходными сопротивлениями.
Когда используется оптоэлектронная схема, приемник совершенно не влияет на источник сигнала, поэтому сигналы могут модулироваться в широком частотном диапазоне. Данные устройства обладают компактными размерами, поэтому они часто используются в микроэлектронике.
В конструкцию оптической пары входит световой излучатель, проводящая среда для светового потока, а также приемник, преобразующий свет в электрические сигналы. Сопротивление на входе и выходе оптрона очень большое, прядка нескольких миллионов Ом.
Вначале входной сигнал попадает на светодиод, далее в виде света он по световоду попадает на фототранзистор. На выходе устройства данная схема создает перепад или импульс выходного электрического тока. В результате цепи, связанные с двух сторон со светодиодом и фототранзистором, оказываются изолированными между собой.
Возможно, вам также будет интересно
Введение При сертификационных испытаниях готового изделия нередко возникают проблемы при испытаниях на электромагнитную совместимость (ЭМС). Найти быстрое и безболезненное решение этих проблем для готового изделия далеко не всегда возможно. Следовательно, лучше уже на этапе разработки принять все возможные меры по удовлетворению требований стандартов. Одним из главных источников помех являются DC/DC- и AC/DC-преобразователи. Существует несколько способов
В настоящее время все больше внимания уделяется проблемам негативного влияния на человека электромагнитных полей (ЭМП) и радиоизлучений. Электромагнитные поля — это особая форма существования материи, характеризующаяся совокупностью электрических и магнитных свойств. Электромагнитные поля окружают нас повсюду, но мы не можем их почувствовать и вообще заметить, поэтому мы не видим излучений милицейского радара и полей, наводимых
Несмотря на широкое обсуждение и наличие рекомендаций по проектированию конструкции преобразователей для обеспечения электромагнитной совместимости (EMC) компонентов, взаимодействие между различными функциональными группами в устройствах может привести к нежелательным побочным эффектам, проявляемым при проведении лабораторных тестов EMC. Даже при установке изделия в металлический корпус может случиться так, что уровень излучаемых помех превысит пороговое значение.
Применение
Без использования развязки предельный ток, протекающий между цепями, ограничен только электрическими сопротивлениями, которые обычно относительно малы. В результате возможно протекание выравнивающих токов и других токов, способных повреждать компоненты цепи или поражать людей, прикасающихся к оборудованию, имеющему электрический контакт с цепью. Прибор, обеспечивающий развязку, искусственно ограничивает передачу энергии из одной цепи в другую. В качестве такого прибора может использоваться разделительный трансформатор или оптрон. В обоих случаях цепи оказываются электрически разделёнными, но между ними возможна передача энергии или сигналов.
https://youtube.com/watch?v=qz_4Swxl02c
https://youtube.com/watch?v=d9TSh7Bcp9Y
https://youtube.com/watch?v=d71V0pjZbZ0
Итоги
Подведем итог. На мой взгляд наилучшим вариантом является схема на отечественных АДО130А (где они их только взяли?!). Ну и напоследок небольшая сравнительная таблица:
| Микросхема | tr+задерж. (по осцилл.), мкс | tf+задерж. (по осцилл.), мкс | Диап. напряж., В | Напряж. изоляции, В | Шум (по осцилл.) мВп-п. | Цена** за шт., р (05.2018) |
|---|---|---|---|---|---|---|
| IL300 | 10 | 15 | 0-3* | 4400 | 20 | 150 |
| HCNR201 | 15 | 15 | 0-3* | 1414 | 25 | 150 |
| LOC110 | 4 | 6 | 0-3* | 3750 | 15 | 150 |
| ACPL-C87B | 15 | 15 | 0-2 | 1230 | нд | 500 |
| 6N136 | 10 | 8 | 0-3* | 2500 | 15 | 50 |
| АОД130А | 2 | 3 | 0.01-3* | 1500 | 10 | 90 |
| ADUM3190T | 2 | 2 | 0.4-2.4 | 2500 | 20 | 210 |
*- приблизительно (по собранной схеме с оптимизацией по быстродействию)
**- цена средняя по минимальным.Ярослав Власов
P.S. АОД130А производства ОАО «Протон» (с гравировкой их логотипа в черном корпусе) — хороший. Старые (90х годов в коричневом корпусе) не годятся.
Гальванической развязкой или гальванической изоляцией называется общий принцип электрической (гальванической) изоляции рассматриваемой электрической цепи по отношению к другим электрическим цепям. Благодаря гальванической развязке осуществима передача энергии или сигнала от одной электрической цепи к другой электрической цепи без непосредственного электрического контакта между ними.
Гальваническая развязка позволяет обеспечить, в частности, независимость сигнальной цепи, поскольку формируется независимый контур тока сигнальной цепи относительно контуров токов других цепей, например силовой цепи, при проведении измерений и в цепях обратной связи. Такое решение полезно для обеспечения электромагнитной совместимости: повышается помехозащищенность и точность измерений. Гальваническая изоляция входа и выхода устройств зачастую улучшает их совместимость с другими устройствами в тяжелой электромагнитной обстановке.
Безусловно, гальваническая развязка обеспечивает и безопасность при работе людей с электрическим оборудованием. Это одна из мер, и изоляцию конкретной цепи необходимо всегда рассматривать в совокупности с другими мерами обеспечения электрической безопасности, такими как: защитное заземление и цепи ограничения напряжения и тока.
Для обеспечения гальванической развязки могут быть использованы различные технические решения:
индуктивная (трансформаторная) гальваническая развязка, которая применяется в и для изоляции цифровых цепей;
оптическая развязка посредством оптрона (оптопара) или оптореле, применение которой является типичным для многих современных импульсных источников питания;
емкостная гальваноразвязка, когда сигнал подается через конденсатор очень маленькой емкости;
электромеханическая развязка посредством, например, .

В настоящее время очень широкое распространение получили два варианта гальванической развязки в схемах: трансформаторный и оптоэлектронный.

Построение гальванической развязки трансформаторного типа предполагает применение магнитоиндукционного элемента (трансформатора) с сердечником или без сердечника, выходное напряжение, снимаемое со вторичной обмотки которого пропорционально входному напряжению устройства
Однако, при реализации этого способа, важно учесть следующие его недостатки:. на выходной сигнал могут влиять помехи, создаваемые несущим сигналом;
на выходной сигнал могут влиять помехи, создаваемые несущим сигналом;
частотная модуляция развязки ограничивает частоту пропускания;
большие габариты.

Развитие технологии полупроводниковых устройств в последние годы расширяет возможности построения оптоэлектронных узлов развязки, основанных на оптронах.
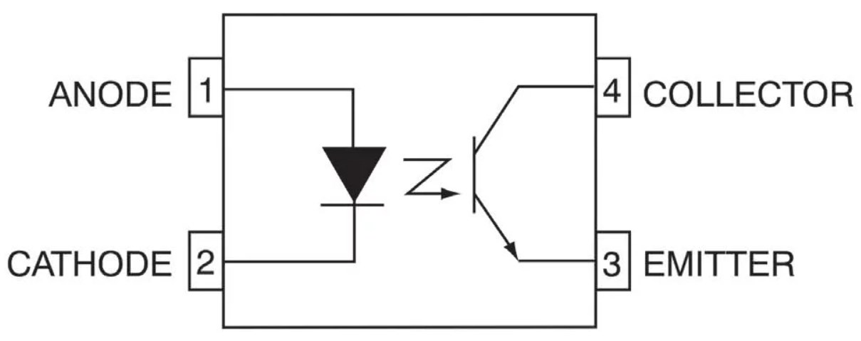
Принцип работы оптрона прост: светодиод излучает свет, который воспринимается фототранзистором. Так осуществляется гальваническая развязка цепей, одна из которых связана со светодиодом, а другая — с фототранзистором.
Такое решение имеет ряд достоинств: широкий диапазон напряжений развязки, вплоть до 500 вольт, что немаловажно для построения систем ввода данных, возможность работы развязки с сигналами частотой до десятков мегагерц, малые габариты компонентов.
Если не применять гальваническую развязку, то максимальный ток, протекающий между цепями, ограничивается лишь относительно небольшими электрическими сопротивлениями, что может привести в результате к протеканию выравнивающих токов, способных причинить вред как компонентам цепи, так и людям, прикасающимся к незащищенному оборудованию. Обеспечивающий развязку прибор специально ограничивает передачу энергии от одной цепи к другой.





