Thermaltake Purepower 430W (W0051), не держит нагрузку.
Приветствую всех участников! Принесли блок Thermaltake Purepower 430W (W0051), плата: Sirtec no-526-2 rev:a2 , ШИМ: SG6105. Блок работает исправно на маленькую нагрузку. Дежурка, все напряжения в норме. При нагрузке линии 12+ вольт происходит шипение — шуршание, напряжение проседает до 10 (проседает именно 12+ линия, по всем остальным линиям напряжение при этом остаётся в пределах нормы). Дальнейшее увеличение нагрузки ведёт к выключению БП, в защиту при этом не уходит. Заменил: все электролиты, силовые транзисторы, транзисторы раскачки, диодные сборки, ШИМ.
- Подробнее
- 1622 просмотра
Проверяем конденсаторы
Начинаю гуглить по моей проблеме на спец сайтах, посвященных ремонту БП ATX. И конечно же, проблема завышенного напряжения дежурки оказывается в банальном увеличении ESR электролитических конденсаторов в цепях дежурки. Ищем эти конденсаторы на схеме и проверяем их.
Вспоминаю о своем собранном приборе ESR метре

Самое время проверить, на что он способен.
Проверяю первый конденсатор в цепи дежурки.


ESR в пределах нормы.
Находим виновника проблемы
Проверяю второй


Жду, когда на экране мультиметра появится какое-либо значение, но ничего не поменялось.

Понимаю, что виновник, или по крайней мере один из виновников проблемы найден. Перепаиваю конденсатор на точно такой же, по номиналу и рабочему напряжению, взятый с донорской платы блока питания. Здесь хочу остановиться подробнее:
Если вы решили поставить в блок питания ATX электролитический конденсатор не с донора, а новый, из магазина, обязательно покупайте LOW ESR конденсаторы, а не обычные. Обычные конденсаторы плохо работают в высокочастотных цепях, а в блоке питания, как раз именно такие цепи.
Итак, я включаю блок питания и снова замеряю напряжение на дежурке. Наученный горьким опытом уже не тороплюсь ставить новый защитный стабилитрон и замеряю напряжение на дежурке, относительно земли. Напряжение 12 вольт и раздается высокочастотный свист.
Снова сажусь гуглить по проблеме завышенного напряжения на дежурке, и на сайте rom.by, посвященном как ремонту БП ATX и материнских плат так и вообще всего компьютерного железа. Нахожу свою неисправность поиском в типичных неисправностях данного блока питания. Рекомендуют заменить конденсатор емкостью 10 мкФ.
Замеряю ESR на конденсаторе…. Жопа.

Результат, как и в первом случае: прибор зашкаливает. Некоторые говорят, мол зачем собирать какие-то приборы, типа вздувшиеся нерабочие конденсаторы итак видно – они припухшие, или вскрывшиеся розочкой

Да, я согласен с этим. Но это касается только конденсаторов большого номинала. Конденсаторы относительно небольших номиналов не вздуваются. В их верхней части нет насечек по которым они могли бы раскрыться. Поэтому их просто невозможно определить на работоспособность визуально. Остается только менять их на заведомо рабочие.
Итак, перебрав свои платы был найден и второй нужный мне конденсатор на одной из плат доноров. На всякий случай было измерено его ESR. Оно оказалось в норме. После впаивания второго конденсатора в плату, включаю блок питания клавишным выключателем и измеряю дежурное напряжение. То, что и требовалось, 5,02 вольта… Ура!
Измеряю все остальные напряжения на разъеме блока питания. Все соответствуют норме. Отклонения рабочих напряжений менее 5%. Осталось впаять стабилитрон на 6,3 Вольта. Долго думал, почему стабилитрон именно на 6,3 Вольта, когда напряжение дежурки равно +5 Вольт? Логичнее было бы поставить на 5,5 вольт или аналогичный, если бы он стоял для стабилизации напряжения на дежурке. Скорее всего, этот стабилитрон стоит здесь как защитный, для того, чтобы в случае повышения напряжения на дежурке, выше 6,3 Вольт, он сгорел и замкнул накоротко цепь дежурки, отключив тем самым блок питания и сохранив нашу материнскую плату от сгорания при поступлении на нее завышенного напряжения через дежурку.
Вторая функция этого стабилитрона, видать, защита ШИМ контроллера от поступления на него завышенного напряжения. Так как дежурка соединена с питанием микросхемы через достаточно низкоомный резистор, поэтому на 20 ножку питания микросхемы ШИМ поступает почти то же самое напряжение, что и присутствует у нас на дежурке.
Типовые неисправности и проверка элементов
При восстановлении блока питания ПК понадобится использовать различного рода приборы в первую очередь, это мультиметр и желательно осциллограф. С помощью тестера возможно провести измерения на короткое замыкание или обрыв как пассивных, так и активных радиоэлементов. Работоспособность микросхемы, если отсутствуют визуальные признаки выхода её из строя, проверяется с использованием осциллографа. Кроме, измерительной техники для ремонта блока питания ПК, потребуется: паяльник, отсос для припоя, промывочный спирт, вата, олово и канифоль.
Если не запускается блок питания компьютера, возможные неисправности можно представить в виде типичных случаев:
Перегорает предохранитель в первичной цепи. Пробиты диоды в выпрямительном мосту. Звонятся на короткое замыкание элементы разделительного фильтра: B1-B4, C1, C2, R1, R2. Обрыв варисторов и терморезистора TR1, звонятся накоротко переходы силовых транзисторов и вспомогательных Q1-Q4.
Постоянное напряжение пять вольт или три вольта занижены или завышены. Нарушения в работе стабилизирующей цепи, проверяются микросхемы U1, U2. Если проверить ШИМ контроллер не удаётся, то проводится замена микросхемы на идентичную или аналог.
Уровень сигнала на выходе отличается от рабочего. Неисправность в цепи обратной связи
Виновата микросхема ШИМ и радиоэлементы в её обвязке, особое внимание уделяется конденсаторам C и маломощным резисторам R.
Нет сигнала PW_OK. Проверяется присутствие напряжений основных напряжений и сигнала PS_ON
Проводится замена супервизора, отвечающего за контроль выходного сигнала.
Отсутствует сигнал PS_ON. Сгорела микросхема супервизора, элементы обвязки её цепи. Проверить путём замены микросхемы.
Не крутит вентилятор. Замерить напряжение, поступающее на него, оно составляет 12 вольт. Прозвонить терморезистор THR2. Замерить сопротивление выводов вентилятора на отсутствие короткого замыкания. Провести механическую чистку и смазать посадочное место под лопасти вентилятора.
Проверка отремонтированного источника питания
После того, как АТХ блок отремонтирован, важно правильно провести его первое включение. При этом, если были устранены не все неполадки, возможен выход из строя отремонтированных и новых узлов прибора
Запуск устройства питания можно осуществить автономно, без использования компьютерного блока. Для этого перемыкается контакт PS_ON с общим проводом. Перед включением на место предохранителя впаивается лампочка 60 Вт, а предохранитель удаляется. Если при включении лампочка начинает ярко светить, то в блоке присутствует короткое замыкание. В случае когда лампа вспыхнет и погаснет, лампу можно выпаивать и устанавливать предохранитель.
https://youtube.com/watch?v=Xm_Nqm7jfdQ
https://youtube.com/watch?v=hE-1ttv7UHQ
Следующий этап проверки БП происходит под нагрузкой. Сначала проверяется наличие дежурного напряжения для этого выход нагружается нагрузкой порядка двух ампер. Если дежурка в порядке, блок питания включается замыканием PS_ON, после чего делаются замеры уровней выходных сигналов. Если есть осциллограф — смотрится пульсация.
https://youtube.com/watch?v=hvlesG7qQZQ
https://youtube.com/watch?v=pVduU5j2UK0
Замеряем напряжения
Если все ОК, включаем наш блок питания в сеть с помощью сетевого кабеля, который идет вместе с блоком питания, и не забываем про кнопочку включения, если она у вас была в выключенном состоянии.

Далее меряем напряжение на фиолетовом проводе

Мой пациент на фиолетовом проводе показал 0 Вольт. Беру мультиметр и прозваниваю фиолетовый провод на землю. Земля – это провода черного цвета с надписью СОМ. COM – сокращенно от “common”, что значит “общий”. Есть также некоторые виды “земель”:



Как только я коснулся земли и фиолетового провода, мой мультиметр издал дотошный сигнал “ппииииииииииип” и показал нули на дисплее. Короткое замыкание, однозначно.
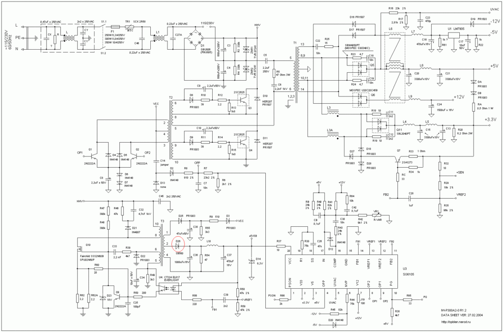
Ну что же, будем искать схему на этот блок питания. Погуглив по просторам интернета, я нашел схему. Но нашел только на Power Man 300 Ватт. Они все равно будут похожи. Отличия в схеме были лишь в порядковых номерах радиодеталей на плате. Если уметь анализировать печатную плату на соответствие схемы, то это не будет большой проблемой.
А вот и схемка на Power Man 300W. Щелкните по ней для увеличения в натуральный размер.

Компьютер не подает ни каких признаков жизни.
Иначе говоря компьютер просто не включается.При поиске проблем всегда нужно начинать с простого.
Под подозрения попадают розетка, соединительный кабель, блок питания и схемы включения блока питания. Для начала поплотнее воткните соединительный шнур в розетку и блок питания, да и все остальные кабеля проверьте на повреждения и плотнее воткните в гнезда, если на разъемах есть винтики желательно их закрутить. Проверяем включен ли выключатель на блоке питания. Нужно посмотреть на заднею стенку компьютера и попытаться отыскать там маленькую черную пимпочку, рядом с которой написано — «0» и «I». Выключатель должен быть в положении — «I». Но в любом случае попробуйте им пощелкать, может быть там окислились контакты или он застрял в промежуточном положении.
Если это не помогло двигаемся дальше. проверяем наличие напряжения в розетке, для этого в нее нужно воткнуть исправный электроприбор и попытаться его включить. Понятно, что если электроприбор не включается в этой розетке, напряжения в розетке нет, значит чиним розетку, а компьютер оставляем в покое (хотя бы на время).
Не помогло? Проверяем сетевой кабель питания компьютера, самое простое заменить его кабелем от монитора. При подключении блока питания к розетке в нем должен раздаваться легкий щелчек. Щелчек свидетельствует, что электричество до блока дошло и он перешел в дежурный режим. В противном случае считаем , что блок питания компьютера не исправен.
В зависимости от вашей квалификации нужно обратиться в сервис центр или заменить блок питания самостоятельно или попытаться починить блок питания. Можете попытаться разобрать блок питания и оценить его исправность и ремонтопригодность по внешнему виду внутренностей. Иногда бывает достаточно одного взгляда, чтобы решиться выбросить все на помойку.
Если мы решили, что блок питания исправен и причина того, что компьютер не включается не в нем, тогда двигаемся дальше. А дальше предется вскрывать компьютер, хотя вполне вероятно вы его уже давно вскрыли. Блок питания щелкает при подключении шнура питания, но при нажатии кнопки включения ( на передней панели ) вентилятор не начинает крутиться. Первое подозрение на падает на кнопку включения. Нужно ее проверить. Для этого найдите на материнской плате контакт с маркировкой «POWER SV» или «PWR SV», обычно в правом нижнем углу, отключите разьем и замкните чем-нибудь типа разогнутой скрепки. Там нет 220 вольт, бояться не чего. Если помогло — ищем замену для кнопки.
Если не помогло двигаемся дальше. Проверьте соединение проводов блока питания с материнской платой . Отключите разьем от материнской платы (не забываем про защелки), проконтролируйте на повреждения и загрязнения, вставьте обратно. Попробуйте включить компьютер. Если ничего не изменилось, то надо нести компьютер на диагностику в сервис, может быть внутреннее повреждение платы, например в результате скачка напряжения. Или хитрый дефект блока питания. Так же можно поискать вздувшиеся конденсаторы, у них верхняя часть вспухает, или вообще рвется. Если такие есть, плату сразу в ремонт, на перепайку.
Определяем неисправность
Прежде чем приступать к каким-либо работам, прежде всего, нужно установить, какая именно деталь является причиной неисправности ПК. Вы считаете, что необходим ремонт БП компьютера?
Первоначально нужно убедиться в его отказе. В специализированных сервисных центрах диагностика проводится на соответствующем оборудовании, которое позволяет быстро подтвердить или опровергнуть опасения. Но, разумеется, его у обывателя попросту нет, а установить причину нужно.
Суть метода заключается в отключении БП от всех остальных узлов компьютера. Включенным должен остаться только один, ответственный за нагрузку блока питания. Прежде всего, нужно знать, что ток подается на материнскую плату от блока питания несколькими разъемами. Как правило, это:
- 20 и 24;
- 4 и 6.

Все разъемы фиксируются в гнездах при помощи специального крепления с защелкой.
Нужно быть очень осторожным, поскольку если надавить слишком сильно, они могут сломаться.

Затем берется кусочек проволоки или скрепка и закорачиваются два вывода, от которого запитывается материнка. А вот какие из них нужны, зависит от типа разъема. В частности, это могут быть:
- 14 и 15 в разъеме на 20 контактов
- 16 и 17 в разъеме на 24 контакта
В обоих случаях, первыми обозначены провода, обеспечивающие питание. Они могут маркироваться, как P On или Power On. Оплетка кабеля, как правило, имеет зеленый цвет, реже встречаются серые экземпляры. Второй необходимый контакт маркируется GND и окрашен в черный цвет. Указанные провода находятся рядом друг с другом, поэтому хватит и маленькой перемычки. В этот момент должен начать работать кулер.
В сервисных центрах, осуществляющих ремонт компьютерных блоков питания, неисправности определяются при помощи специального оборудования. Суть заключается в замере выходного напряжения, а также в размахе пульсации. Существует специальная таблица данных показателей, в которой указываются максимальные и минимальные граничные значения.
Если один из них по какому-либо контакту отклоняется от нормы, тогда можно констатировать наличие проблем.
Почему телевизор не включается и при этом щёлкает
Чтобы разобраться в этой проблеме, необходимо немного вспомнить сам принцип работы устройства. Электрический сигнал поступает в устройство через кабель, который подсоединён к антенне, ресиверу или оборудованию провайдера. При помощи нескольких микросхем он преобразуется в соответствующий код и проецируется на экран в виде изображения, а звуковой сигнал подаётся на динамики. Телезритель при этом наслаждается просмотром фильма или шоу.
Но всё это возможно только при условии, что телевизор подключен к электросети и исправен. Когда дальше щелчка при включении дело не идёт, то проблема, вероятно, именно в подаче питания. Здесь есть несколько вариантов причин неисправности:
- Результат работы системы защиты. Все современные модели оснащены узлом, который блокирует включение телевизора, если в нём есть серьёзная неисправность. При этом реле срабатывает (поэтому и есть щелчок), запускается проверка системы, обнаруживается проблема и программа завершает работу и отключает питание. Со стороны это как раз и выглядит как описанная ситуация.
- Долгое время устройством не пользовались. Особенно эта проблема типична для ряда старых моделей ЖК-телевизоров. Тут, помимо щелчков, могут быть и другие посторонние звуки. Экран может иногда срабатывать, но изображение при этом нередко имеет дефекты.
- Проблема в узле питания. При интенсивной эксплуатации со временем происходит износ компонентов в этой части устройства. Сначала после серии щелчков экран будет загораться, но вскоре телевизор может отказать полностью.
Это самые распространённые причины, но их намного больше, хотя и встречаются они реже.
ВАЖНО! Никогда не пытайтесь провести диагностику устройства самостоятельно! Это не только может привести к его безвозвратной порче, но и подвергает вас риску поражения электрическим током
Методы диагностики
Чтобы убедиться в работоспособности бесперебойника достаточно провести диагностику электронного блока и АКБ устройства, понадобится для этого отвертка и мультиметр. Существует несколько основных способов:
- при помощи автоматического тестирования, осуществляется во время включения устройства;
- принудительно, путем нажатия кнопки «Тест», также с помощью входящего в комплект программного обеспечения, благодаря возможности удаленного мониторинга;
- с помощью ручного принудительного тестирования, с использованием входного или выходного размыкателя, переключателя и пр.
Кроме этого диагностика может быть штатной и аварийной. Во втором случае необходимо обратиться к инструкции по эксплуатации прибора. Полное отключение нагрузки от ИБП, и проверка его работоспособности в автономном режиме позволяет выявить многие дефекты в работе устройства. Заряд в АКБ получится проверить с помощью тестеров, способных измерить емкость батарей. Ремонт бесперебойного блока питания получится выполнить самостоятельно.
Безопасность в ремонте – превыше всего
Собираясь своими руками заняться ремонтом любого блока питания необходимо помнить о собственной безопасности. Особенно это касается импульсных преобразователей. Немного проще дела обстоят в ситуации, когда поломки не затронули горячую часть неработающего устройства. Дело в том, что силовые конденсаторы преобразователя способны сохранять заряд в течение длительного периода времени.

Силовой конденсатор
Поэтому занимаясь самостоятельным ремонтом данной аппаратуры, нужно делать все аккуратно и неукоснительно соблюдая правил техники безопасности. После отключения от сети блока к его конденсаторам не рекомендуется прикасаться в течение 15 минут. Также не нужно трогать системную плату и радиодетали БП, который подключен к сети.
Эти знания помогут вам избежать ненужных травм и ударов токов при самостоятельном ремонте изделия.
Основные компоненты и особенности работы
В последнее время все производители перешли на форм-фактор ATX. Такой переход был связан с изменением технических решений в производстве материнских плат, в частности, изменения системы её запуска. Используемая схемотехника требовала напряжения +3,3 вольта.
Стандарт ATX претерпел за всё время несколько ревизий, в первую очередь это было связано с выделением отдельных линий питания для процессоров и видеокарт. Самая первая модель имела стандартный 20-pin разъём, к которому в дальнейшем были добавлены четыре пина, подающие питание 12 вольт.
Все необходимые для работы напряжения подаются через основной разъём, имеющий ключ, защищающий от неправильной установки. Для обеспечения автоматизации запуска применяются различные сигналы, позволяющие провести первичное тестирование БП перед запуском. Так, для включения БП используется сигнал PS-ON. А линия PW-OK, разрешает запуск устройства только после появления всех требуемых напряжений, выдаваемых устройством питания.
Перед тем как приступить к ремонту компьютера своими руками, следует понимать как он устроен и принцип его работы. К основным его блокам относят:
- сетевой фильтр;
- первичную цепь питания;
- узел контроля сигнала PS-ON;
- блок формирования сигнала PW-OK;
- стабилизатор напряжения линии + 5 вольт;
- блок формирования положительных напряжений: 3,3 В, +5 В, +12 В;
- блок формирования отрицательных напряжений: 5 В, 12 В;
- формирователь положительного стабильного сигнала 3,3 вольта;
- фильтры на линиях сформированных напряжений;
- блок защиты.
Принцип работы источника напряжения основан на широтно-импульсной модуляции (ШИМ). Напряжение из промышленной сети поступает на сетевой фильтр, а через него на выпрямительный блок и силовые ключи. Величина напряжения на его выходе составляет 310 вольт. Далее сигнал поступает на вторичные узлы прибора питания и дежурку.
Если напряжение присутствует на ключевых транзисторах, то происходит их открывание, и в первичной обмотке трансформатора возникает ток. Под действием электродвижущей силы ток появляется и во вторичной обмотке. Шим-контроллер, изменяя параметры импульса, управляет временем открытия транзисторов. Работа транзисторов происходит попарно: если один открыт, то другой закрыт.
Стабилизация выходного сигнала происходит путём применения обратной связи. При поднятии уровня сигнала на вторичной обмотке схема обратной связи корректирует значение напряжения на управляющей ноге микросхемы. При этом контроллер увеличивает длительность сигнала, поступающего на транзисторные ключи.
С импульсного трансформатора напряжение поступает на остальные узлы схемы, где и формируются требуемые величины напряжений. На каждой такой линии стоит фильтр, он предназначен для убирания из сигнала паразитных пульсаций. Обычно фильтр представляет собой электролитический конденсатор.
При соединении разъёмов БП с материнской платой на неё поступает напряжение равное +5 вольт. Основные напряжения на блоке питания в этот момент отсутствуют, кроме сформированного материнской платой дежурного сигнала +3,3 вольта. При нажатии кнопки включения ПК, замыкающей контакты PW-ON на материнской плате, величина PS-ON становится равной нулю, и даётся разрешение на формирование рабочих напряжений. После этого на материнскую плату поступает напряжение PW-OK, обозначающее, что питание в норме. Провода, выходящие из устройства, отвечают за подачу напряжения, величина которого соответствует их цвету:
-
жёлтый, +12 вольт;
- красный, +5 вольт;
- белый, -5 вольт;
- синий, -12 вольт;
- оранжевый, + 3,3 вольта;
- зелёный, для передачи сигнала PS ON;
- серый, для передачи сигнала PW OK;
- фиолетовый, дежурное питание;
- чёрный, общий.
Когда при работе блока питания какой-то компонент неисправен (или на входе, или выходе), произошёл всплеск уровня напряжения, срабатывает схема защиты. Она останавливает работу путём снятия сигнала Power Good. Повторный запуск компьютерного БП возможен только после отключения его и обратного включения в электрическую сеть.
Дело не в стабилитроне
Проверяем, устранилось ли у нас короткое замыкание по цепям дежурки и массы, либо нет. Действительно, короткое замыкание пропало. Я сходил в радиомагазин за новым стабилитроном и запаял его. Включаю блок питания, и… вижу как мой новый, только что купленный стабилитрон испускает волшебный дым)…
И тут я сразу вспомнил одно из главных правил ремонтника:
Если что-то сгорело, найди сначала причину этого, а только затем меняй деталь на новую или рискуешь получить еще одну сгоревшую деталь.
Ругаясь про себя матом, перекусываю сгоревший стабилитрон бокорезами и снова включаю блок питания.
Так и есть, дежурка завышена: 8,5 Вольт. В голове крутится главный вопрос: “Жив ли еще ШИМ контроллер, или я его уже благополучно спалил?”. Скачиваю даташит на микросхему и вижу предельное напряжение питания для ШИМ контроллера, равное 16 Вольтам. Уфф, вроде должно пронести…
Ревизия с помощью расширенного тестера

Следующие инструкции относятся только к специализированному тестеру для блоков питания ATX Coolmax PS-228, или для любого другого аналогичного тестера с ЖК-экраном.
Важно: этот процесс считается сложным, пользователю нужно внимательно следовать инструкциям ниже. Необходимое время: тестирование БП с тестовым устройством для блока питания обычно занимает около 30 минут или чуть больше для новичков
Необходимое время: тестирование БП с тестовым устройством для блока питания обычно занимает около 30 минут или чуть больше для новичков.
Алгоритм действий:
- Ознакомиться с важными советами по безопасности при ремонте ПК. Проверка БП включает в себя работу с электричеством высокого напряжения, потенциально опасную деятельность. Безопасность должна быть главной заботой во время проверки блока.
- Открыть корпус, предварительно выключив компьютер, отсоединив шнур питания и все, что подключено к внешней стороне компьютера.
- Переместить отключенный блок в место, где можно легко работать, например, на столе. Пользователю не понадобится клавиатура, мышь, монитор или другие внешние периферийные устройства.
- Отсоединить разъемы питания каждого внутреннего устройства на боковой панели. Простой способ убедиться в том, что каждый разъем питания отключен, — это снять комплект шнура питания, который идет от БП. Каждая группа кабелей должна заканчиваться одним или несколькими разъемами питания. Нет необходимости отсоединять отсоединять кабели данных или другие кабели, которые не подключены к БП.
- Сгруппировать все силовые кабели и разъемы для удобства тестирования. При организации силовых кабелей рекомендуется отсоединить их и вынуть из корпуса компьютера, как можно дальше. Это позволит максимально легко подключить разъемы питания к расширенному тестеру.
- Убедиться, что переключатель напряжения источника питания, расположенный на задней панели, правильно настроен для страны пребывания. В США этот переключатель должен быть настроен на 110 В / 115 В, а в России на 220/230.
- Подключить 24-контактный разъем питания ATX и 4-контактный разъем питания ATX на материнской плате в тестере для блоков питания ПК. В зависимости от источника может не быть 4-контактного разъема материнской платы, но может быть 6 или 8 контактов. Если имеется более одного типа, просто подключаются поочередно вместе с 24-контактным разъемом основного питания.
- Подключить БП к электрической розетке и включить выключатель. Некоторые блоки не имеют переключателя на задней панели. Если источник, который тестируется, не работает, просто подключают устройство для подачи питания. Нажать и удерживать кнопку включения / выключения тестера для блоков питания ПК. Пользователь должен услышать, что вентилятор внутри источника начинает работать.
Некоторые версии усовершенствованного тестера Coolmax PS-228 для БП не требуют постоянного нажатия кнопки питания. Тот факт, что вентилятор работает, не означает, что источник питания правильно подает питание на остальные устройства. Если не запускается вентилятор блока питания при тестировании, даже если источник находится в хорошем состоянии, возможно он перегорел и его нужно проверить отдельно.
ЖК-дисплей расширенного тестера для источников должен быть включен, и пользователь увидит цифры тестирования по всем показателям. Если напряжение показывает «LL» или «HH» или если ЖК-дисплей не горит, БП не работоспособный, поэтому придется заменить его.
Что такое компьютерный блок питания и за он что отвечает
Компоненты компьютера не потребляют переменный ток из сети 220 вольт. Для питания им нужно постоянное напряжение разных уровней (от 3,3 вольта до 12 вольт), этот уровень должен быть стабильным, без перепадов. Также им нужна защита от сверхтока при неисправности. Все эти функции выполняет блок питания. Его основное назначение:
- преобразование переменного напряжения сети в несколько постоянных напряжений;
- стабилизация выходных напряжений независимо от перепадов сетевого напряжения и изменения токов нагрузки.
Также блок питания обеспечивает функции управления:
- поставляет питание к участку материнской платы, ответственной за пуск ПК;
- стартует при получении сигнала от компьютера;
- контролирует наличие всех выходных напряжений, при отсутствии формирует соответствующий сигнал.
БП является важным компонентом компьютера или сервера. Если без некоторых составляющих вычислительная система может работать и, хотя бы в урезанном режиме, функционировать (без CD-ROM привода, без сетевой или звуковой плат, даже в отсутствие клавиатуры или мыши), то без блока питания она даже не запустится.
Компьютер включается, но при этом громко пищит на разные лады и не грузится.
Пожалуй первое, что стоит предпринять это сбросить настройки BIOS
ВНИМАНИЕ: Это делается при выключенном компьютере. Я на всякий случай выдергиваю шнур питания
Нужно переставить на материнской плате специальную перемычку и немного подождать, обычно 2-3 минуты достаточно ( а может и несколько секунд). Там должно быть написано , что-то типа CLRCMOS , джампер нужно с одного положения переставить в другое, а затем вернуть все как было. Вполне вероятно это поможет, но даже если нет стоит это сделать. Можно действовать по разным схемам. Можно посмотреть , что означают сигналы BIOS тут. По правильному стоит найти производителя биоса(увидеть можно или при загрузке компьютера, или на самой матплате), а затем через поиск в интернете найти что означают эти писки. Каждая ошибка имеет свой писк. При отсутствии ошибок компьютер должен пискнуть один раз. На основании этих писков вычисляем неисправное устройство и пытаемся его заменить или просто отключить. Если не получилось по правильно схеме, узнать почему ваш компьютер не включается, действуем по неправильной, но быстрой и эффективной. Отключаем от матирнской платы все, что можно отключить- DVD-ROM, все платы расширения, жесткий диск и прочее. Можно делать это поэтапно, каждый раз пытаясь включить компьютер. От жестких дисков не забывайте отключать не только информационные интерфейсы, но и питание. Я предпочитаю первым шагом отключить все кроме жесткого диска, одной планки памяти и видео карты. Если на материнской плате есть встроенная видеокарта, то дополнительную нужно отключить и использовать встроенную. На этом этапе опять пытаемся сбросить настройки BIOS. Также стоит вынуть все планки памяти и аккуратно почистит контакты на них и на материнской плате. Это делается при помощи тряпочки, щеточки, желательно использовать спирт. Ни в коем случае нельзя использовать одеколон или водку. В общем нужно попытаться запустить компьютер в минимальной конфигурации и по результатом этих попыток принимать решение. Например если компьютер включается без накопителя DVD-ROM, а с накопителем не включается, то дело в накопителе.
Основные виды и причины посторонних шумов в блоке питания компьютера
В исправном компьютерном блоке питания шум возникает лишь от создаваемого крыльчаткой потока воздуха. Уровень этого звука невелик, он имеет равномерный характер, поэтому раздражения не вызывает. Но если при работе компьютера возникли посторонние шумы или щелчки, это практически всегда означает появление проблем разного рода и степени опасности. Не обращать внимания на изменения – не лучший путь. Если блок питания нехарактерно шумит, надо сразу приступить к выяснению причин и принятию мер, иначе неисправность может развиться и перейти в категорию необратимых.
Шум и гул под нагрузкой
Посторонние звуки под нагрузкой (писк) возникают в намоточных индуктивных элементах. Они вызваны таким явлением, как магнитострикция – изменение линейных размеров ферромагнитного материала при изменении магнитного поля. Преобразование в БП происходит на частотах в несколько килогерц, поэтому при «дрожании» сердечников слышен писк. Чем выше нагрузка, тем выше ток в обмотках трансформаторов и дросселей, тем громче звук. Этот эффект присутствует всегда, но в нормальном состоянии интенсивность колебаний мала, к тому же она маскируется звуком кулера, поэтому обычно писк не слышен. Но его громкость может повыситься, если сердечники плохо закреплены и могут свободно колебаться.

Импульсный трансформатор – возможный источник шума.
Если БП работает в режиме перегрузки, то интенсивность звука становится выше. Усугубляется эффект обычно при неисправных оксидных конденсаторах — фильтрующая способность их снижается, уровень высокочастотных пульсаций возрастает. К тому же такие емкости сами становятся нагрузкой из-за увеличения активного тока вследствие ухудшения состояния диэлектрика. Все это ведет к повышению уровня шума.
Треск и щелчки
Основным источником возникновения шума, не зависящего от нагрузки, являются подшипники кулера. Во время работы масло, создающее скользящий слой, постепенно выдавливается из рабочего зазора. У одних вращающихся узлов этот процесс идет медленнее, у других быстрее – зависит от конструкции. При отсутствии смазки в негерметичных подшипниках вентилятора возникает трение металла об металл и возникает повышенный шум.

Вентилятор с негерметичным подшипником качения.
Контроль основных напряжений и сигнала Power Good
Если блок питания запустится (при этом закрутится вентилятор), следует проконтролировать напряжения +3,3 В, + 5 В, +12 В и сигнал PG (Power Good).
Напряжение на выводе PG должно быть равным +5 В.
Напоминаем, что эти напряжения должны находиться в пределах 5% поля допуска.
Сигнал Power Good служит для запуска процессора.
При включении блока питания в нем происходят переходные процессы, сопровождающиеся скачками выходных напряжений.
Это может сопровождаться потерей или искажениями данных в регистрах процессора.
Если сигнал на выводе PG неактивен (напряжение на нем равно нулю), то процессор находится в состоянии сброса и не стартует.
Сигнал на этом выводе появляется обычно через 0,3 – 0,5 с после включения. Если после включения напряжение там осталось равным нулю – это сложный случай, оставим его профессионалам.
Если напряжение дежурного источника будет ниже 4,5 В, компьютер может не запуститься. Если оно будет выше (бывает и такое), компьютер запустится, но он может «подвисать» и сбоить.
Если напряжение дежурного источника не находится в пределах нормы, это тоже сложный случай, но можно выполнить несколько типовых процедур проверки деталей.





