Технические характеристики
Рассматриваемый транзистор имеет NPN-структуру. Среди своих собратьев выделяется высокими эксплуатационными параметрами. Выдерживает большие напряжения и токи в подключаемой нагрузке. Согласно общепринятой классификации представляет собой мощный транзистор.
Вот предельные (абсолютные) характеристики современного КТ805БМ:
- напряжение: импульсное К–Э (t ≤ 500 мс, t ≥ 15 мс, RБЭ ≤ 10 Ом, при Tп ≤ 373 К) – до 135 В; постоянное: К-Э до 60 В; Э–Б – 5 В;
- ток: коллектора: 5 А (постоянный); 8 А ( импульсный, при t ≤ 200 мс, Q = 1,5); базы до 2 А;
- рассеиваема мощность на коллекторе PК (Tп ≤ 50ОС) – 30 Вт;
- тепловое сопротивление (кристалл-корпус) R T(П-К) – 3,3 ОС/Вт;
- температура p-n-перехода — до +150ОС;
- температура внешней среды — -60 … +100 ОС.
Выше представлены максимально возможные значения для рассматриваемого транзистора. Их превышение недопустимо и приводит к выходу устройства из строя. При температуре корпуса более +50 ОС необходимо применение радиатора. Рассеиваемая мощность определяется по стандартной формуле PК = (150 –ТП)/ R T(п-к) .
Электрические характеристики
У КТ805БМ небольшой коэффициент усиления по току (H21Э) — до 15. Это один из главных недостатков таких транзисторов. Однако он имеет неплохие частотные характеристики, позволяющие применять его не только в переключающих схемах, но и в усилительной технике. Ниже представлены основные номинальные значения устройства и условия их измерений, взятые из техописания белорусского завода Интеграл.

Аналоги
У КТ805БМ нет прямых полных аналогов, но замену ему найти возможно. Чаще всего его меняют на импортный транзистор MJE13009. Идентичным, можно сказать, более лучшим по техническим характеристикам является собрат КТ805Б. Последний изготовлен в металлостеклянном корпусе, поэтому он больше по габаритам.
Принцип работы
Из самого обозначения класса АВ нетрудно сделать вывод, что данный режим является гибридом класса А и класса В. Как работают усилители класса А, мы уже разобрались, а с классом В ознакомиться не успели, поэтому начнем с него. И для начала вспомним логику, которой руководствовался создатель усилителя класса А. Для того, чтобы получить возможность воспроизводить и положительную, и отрицательную полуволну с помощью одного активного элемента, он применил смещение средней точки (тока покоя) в середину рабочей зоны лампы.
Создатели усилителей класса В рассуждали по-другому: «Если одна лампа или один транзистор с нулевым смещением способен воспроизвести только одну полуволну сигнала, почему бы не добавить в схему еще один активный элемент, разместив его зеркально, чтобы воспроизводить другую полуволну?».
Это вполне логично, ведь при таком раскладе оба транзистора работают с нулевым смещением. Пока на входе усилителя присутствует положительная полуволна — работает один транзистор, а когда приходит время воспроизводить отрицательную полуволну, первый транзистор полностью закрывается и вместо него в работу включается второй. В английском варианте этот принцип действия получил название push-pull или, говоря по-русски, «тяни-толкай», что в общем-то очень хорошо описывает происходящее.
Если сравнивать класс В с классом А, наиболее очевидным преимуществом является то, что в классе В на каждую волну приходится полный рабочий диапазон транзистора (или лампы), в то время как в классе А обе полуволны воспроизводятся одним активным элементом. Это значит, что усилитель класса В будет вдвое мощнее усилителя класса А, собранного на таких же транзисторах.
Второй, чуть менее очевидный, но очень важный плюс класса В — нулевые токи смещения. Когда сигнал на входе равен нулю, ток, протекающий через транзисторы, тоже равен нулю, а это значит, что напрасного расхода энергии не происходит, и энергоэффективность схемы получается в разы выше, чем в классе А.
Однако из этого же факта вытекает и главный недостаток усилителя класса В. Момент включения транзистора в работу после полностью закрытого состояния сопровождается небольшой задержкой, поэтому при прохождении звуковым сигналом нулевой точки, когда один транзистор уже закрылся, второй транзистор не успевает мгновенно подхватить эстафету, и в этой самой переходной точке возникают небольшие временные задержки.
На практике это выражается в особенной нелюбви усилителя к тихой музыке, а также в плохой передаче микродинамики. И хотя история знает успешные реализации класса В, например — легендарный Quad 405, проблемы данного режима работы никуда не делись. Тот же 405-й не только радовал энергичным и мускулистым звучанием, но также имел явную склонность рисовать звуковую картину крупными мазками, масштабно, не размениваясь на мелочи.
Для того, чтобы сохранить все плюсы класса В и решить проблему переходных процессов, инженеры пошли на хитрость. Они включили оба транзистора со смещением, как это делается в классе А, но величина смещения при этом была выбрана существенно меньшая: так, чтобы покрыть лишь те моменты, когда транзистор близок к закрытию, выводя тем самым переходные процессы из рабочей зоны.
Это позволило усилителю класса АВ незаметно преодолевать нулевую точку, а также дало еще один крайне полезный эффект. При малой амплитуде сигнала, укладывающейся в пределы смещения тока покоя, подобный усилитель работает в классе А и, только когда амплитуда выходит за пределы выбранной производителем величины смещения, он переходит в режим АВ.
Как продлить срок службы конструкции
Важно понимать, как правильно сделать усилитель своими руками, чтобы он прослужил даже дольше покупных устройств
проекты, формы, схемы и чертежи для изготовления (70 фото)
Достаточно соблюсти несколько правил:
- Обеспечить полноценное охлаждение детали. Без радиаторной решетки не обойтись. Она должна соответствовать микросхеме по размеру.
- Не перегружать усилитель, то есть не подавать сигнал постоянно. Одного часа работы будет вполне достаточно, чтобы насладиться музыкой, а микросхема за это время не полетит от перегрева.
- Выключать устройство из сети, если на него не подается сигнал. Микросхемы рассматриваемого типа потребляют большое количества тока покоя, даже если фактически не включены. Из-за этого корпус нагревается, а срок службы сокращается.
Сборка
Установка усилителя в машину своими руками предусматривает предварительную проверку работоспособности изготовленных блоков, которые затем монтируются в корпус из металла или пластика. Кожух изготавливается самостоятельно, допускается применение корпусов от вышедшей из строя электронной техники (например, старого видеомагнитофона или проигрывателя DVD-дисков). Фронтальная часть кожуха используется для установки контрольных светодиодов и регуляторов; рекомендуется наклеить бирки с указанием назначения органов управления и индикаторов.
Используемые в конструкции микросхемы и транзисторы располагаются в зоне притока холодного воздуха и оборудуются теплоотводами из алюминия или меди. Между электронными компонентами и радиаторами монтируются специальные прокладки; допускается применение кремний-органической теплопроводной пасты. Для улучшения условий охлаждения используется электрический вентилятор (от процессора или блока питания компьютера). Поток воздуха направляется на элементы с наиболее напряженным тепловым режимом работы (например, усилитель для фронтальной акустики).
Корпус сабвуфера
Низкочастотные динамики поставляются заказчикам в готовых корпусах, но существуют модели без внешней оболочки. Для изготовления кожуха потребуется древесностружечная плита или плита МДФ, обладающая повышенной прочностью и устойчивостью к воздействию влаги. Рекомендуется применять материал толщиной не менее 22 мм; для резки используется ножовка с мелкими зубьями, также потребуется инструмент для получения отверстий для корпуса динамика и канала фазоинвертора.
Для расчета параметров ящика используется приложение WinISD; вырезанные панели соединяются винтами длиной 50 мм; линии стыка обрабатываются герметиком на силиконовой основе (для устранения посторонних шумов и свиста при работе). Для обеспечения повышенной прочности необходимо предварительно просверлить отверстия для шурупов, а затем закрутить винты на место. Внешняя поверхность покрывается слоем ковролина, обеспечивающим дополнительную виброизоляцию.
Монтаж
Основная плата усилителя
Схема печатной платы усилителя приведена ниже.
Печатную плату можно изготовить путем травления текстолита с медной подложкой раствором хлорного железа. Рисунок дорожек контактов проще перенести на плату с глянцевого листа бумаги, на котором этот рисунок напечатан с помощью лазерного принтера. Нюансы этого способа легко можно найти в интернете на соответствующих сайтах по электротехнике.
Пайку деталей производим аккуратно, удаляя излишки флюса. Особенно это касается микросхем. Микросхему операционного усилителя можно установить через восьмиконтактную панель.
Микросхему усилителя устанавливают на теплоотвод. Он должен быть площадью более 600 см². Роль радиатора может выполнить шасси авто.
После монтажа всех элементов подсоединяют провода.
Блок стабилизации и коммуникации питания
В вышеописанной схеме мы использовали самую простую схему питания усилителя через аккумулятор, однако для более стабильной работы усилителя можно подключить его через стабилизатор. Данное устройство можно собрать самому (схему на любой вкус в интернет можно найти очень легко), но самый простой способ — это использовать готовый блок стабилизации от старого усилителя или купить новый.
Кроме того, блок стабилизации позволяет сэкономить заряд аккумулятора автомобиля.
Предотвращению разрядки способствует реле с отдельной клеммой REM, работающую под напряжением в 12 В. Клемма устанавливается на выходе автомагнитолы, благодаря чему сабвуфер начинает работать вместе с музыкальным устройством.
Для контроль работы усилителя можно установить светодиод в схему питания устройства.
Окончательная сборка устройства
После монтажа платы, проводим окончательную сборку усилителя и помещаем его в корпус. Корпус можно изготовить самостоятельно из обычной фанеры с помощью лобзика. На фанере вычерчивается схема по нужным размерам, вырезается лобзиком и закрепляется герметиком.
Так же корпус можно приобрести в магазине или использовать алюминиевый короб, который одновременно будет выполянть роль радиатора.
Размещая все детали в корпусе, нужно обеспечить в нем свободную циркуляцию воздуха для лучшего охлаждения деталей.
Корпус усилителя необходимо надежно закрепить в салоне автомобиля.
Усилитель своими руками 100Вт/200Вт
На вход первого транзистора ставится регулятор громкости переменный резистор 47 кОм, он же снижает уровень шума усилителя.
При минимальной громкости шум не прослушивается, а при максимальной маскируется полезным сигналом.
Параметры изделия: 150Вт на нагрузку 4 Ом и 100Вт на нагрузку 8 Ом.
Второй усилитель звука лишен недостатков первого, что касается шума. Усилитель работает в классе В, диоды D2-D3-D4 задают данный режим работы выходным транзисторам VT4-VT5.
Транзисторы VT3-VT5 устанавливаются на теплоотвод, через изолирующие прокладки применяя при этом термопасту.
Сделанный УНЧ своими руками можно применить в активной колонке, сабвуфере воспроизведения низких частот превосходны.
В этой статье на нашем сайте www.radiochipi.ru мы расскажем вам как самостоятельно собрать усилители звука, что и позволит сэкономить на покупке уже готовых моделей.
Какой усилитель мощности будет лучшим?
Единого мнения о том какой тип усилителя лучший не существует. В настоящее время имеется возможность самостоятельной сборки двух типов усилителей звука:
Ламповые модели пользовались популярностью в недалёком прошлом. Они отличаются увеличенными размерами и повышенным потреблением электроэнергии.
Но при этом подобные ламповые усилители превосходят своих конкурентов по качеству звучания.
Транзисторные усилители имеют компактный размер и малое потребление электроэнергии. При этом они обеспечивают отличное качество звука.
С чего начать работу?
Для начала вам надлежит определиться с мощностью будущего усилителя. Стандартным параметром мощности для использования усилителя в домашних условиях является уровень в 30 – 50 Вт. Если же вам нужно изготовить простой усилитель звука, который будет использоваться для масштабных мероприятий, мощность может составлять 200-300 ватт.
Для работы нам потребуются следующие инструменты:
- Набор отверток.
- Мультиметр.
- Паяльник.
- Материал для изготовления корпуса.
- Электродетали.
- Текстолит для печатной платы.
По сути, печатные платы являются основой для будущего усилителя. Собрать её в домашних условиях не составит сложности.
Для выполнения печатной платы своими руками вам потребуется:
- Текстолит, имеющий медную фольгу.
- Моющее средство.
- Бытовой утюг.
- Самоклеящаяся китайская плёнка.
- Лазерный принтер.
- Сверло для работы с платой.
Кусок хлопчатобумажной ткани или марлевый тампон. Вырезаем из текстолита заготовку будущей платы. Оставьте с каждой из сторон сантиметровый запас. При помощи моющего средства необходимо обработать кусок текстолита, чтобы медная фольга получила розовый цвет. Промываем сделанную нами заготовку и тщательно её выслушиваем.
Приклеиваем самоклеящуюся плёнку к листу формата А4. Распечатываем на принтере заготовку будущей платы. Рекомендуется установить на максимум подачу тонера в принтер. На рабочую поверхность следует уложить фанеру, старую книгу и сверху плату фольгой вверх. Все накрываем офисной бумагой и тщательно прогреваем горячим утюгом. Прогревать нужно около 1 минуты.
Наносим распечатанную схему с листа бумаги на разогретую плату. Накрываем сверху плату листом бумаги и в течение 30 секунд прогреваем утюгом. Разглаживает рисунок при помощи тампона поперечными и продольными движениями. Дождитесь остывания заготовки, после чего можно снять с неё подложку.
Рабочая точка и смещение базы
Для того, чтобы транзистор не искажал входной сигнал, нужно его для начала чуть-чуть приоткрыть.
Это можно сделать при помощи делителя напряжения из двух резисторов R1 и R2. Этот делитель напряжения позволяет приоткрыть транзистор VT1 для того, чтобы входной сигнал не тратил свою электрическую энергию на его открытие.
Как определяется класс усилителя
Класс усилителя определяется его рабочей точкой. Рабочая точка выбирается с помощью вольтамперной характеристики транзистора. Чем выше напряжение подается на вход транзистора, тем больше ток, тем выше рабочая точка.
Например, точка по центру это А класс.

А класс самый качественный из усилителей. Он усиливает как положительные, так и отрицательные полуволны входного сигнала. В то же время, у этого класса есть существенный недостаток. Это ограничение мощности и снижение энергоэффективности. Дело в том, что пока на вход УНЧ не поступает входной сигнал, он работает все время, пока он включен.
Получается, что при это расходуется лишняя электроэнергия. Поэтому, еще рабочая точка называется точкой покоя, когда усилитель не усиливает входной сигнал.
Еще есть B класс, AB и D. Они отличаются друг от друга по эффективности усиления и наличию искажений. Все зависит от используемой схемы.
Например. D класс вообще не открывает транзистор, однако с точки зрения энергоэффективности – это самый лучший выбор. Транзистор в покое не потребляет ничего, он включается только при подаче входного сигнала. И при этом если на вход подается аналоговый звуковой сигнал, то он искажается. Такой класс не подойдет для схемы, которую разбираем в этой статье.
Поэтому, схемотехники и инженеры изобрели цифровые усилители. У них аналоговый сигнал преобразовывается в цифровой, и только потом подается на вход усилителя. Транзистор не искажает входной цифрой сигнал. После усиления сигнал снова преобразовывается в аналоговый с наименьшими потерями и искажениями.
А режим АВ применяется в схемах, где есть несколько транзисторов, которые работают на свои полуволны. Есть схемы, где один транзистор усиливает только положительные полуволны, а второй только отрицательные. Такие усилители называются двухтактными.
TDA8567q 4х25 Вт
Мостовой усилитель класса Hi – Fi на четыре канала. Открыть в полном размере
Есть защита от короткого замыкания выходного каскада и термозащита с уменьшением выходной мощности при перегреве. А еще микросхема обладает защитой от колебаний напряжения и режимом отключения. Еще данная микросхема обладает режимом вкл/выкл входного сигнала(режим Mute), и защитой при подаче напряжения на схему от «щелчка».
Характеристики микросхемы
| Параметр | Значение |
| Uпит | 6-18 В |
| Iвых | 7,5 А |
| Iпокоя | 230 мА |
| Pвых | 4х25 Вт |
| Rвх | 30 кОм |
| Коэффициент усиления | 26 дБ |
| Полоса частот | 20-20000 Гц |
| Коэффициент гармоник | 0,05 % |
| Rнагр | 4 Ом |
Назначение выводов
| Номер вывода | Назначение |
| 1 | Напряжение питания |
| 2 | Выход 1+ |
| 3 | Общий |
| 4 | Выход 1- |
| 5 | Выход 2- |
| 6 | Общий |
| 7 | Выход 2+ |
| 8 | Напряжение питания |
| 9 | Диагностика |
| 10 | Вход 1 |
| 11 | Вход 2 |
| 12 | Общий сигнальный |
| 13 | Вход 3 |
| 14 | Вход 4 |
| 15 | Выбор режима |
| 16 | Напряжение питания |
| 17 | Выход 3+ |
| 18 | Общий |
| 19 | Выход 3- |
| 20 | Выход 4- |
| 21 | Общий |
| 22 | Выход 4+ |
| 23 | Напряжение питания |
Добавим в схему предусилитель
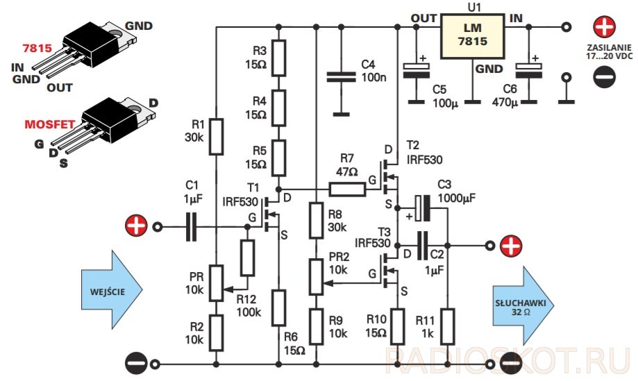
Все схемы усилителей, представленные выше, имели коэффициент усиления менее 1, поэтому необходимо запитать их звуковым сигналом высокой амплитуды. Чтоб сделать усилитель более универсальным, в котором музыкальный сигнал усиливается в несколько раз, предварительный усилитель добавляется к усилителю мощности — на основе одного или нескольких транзисторов или на лампе. Усиления напряжения в 2-5 раз достаточно, потому что обычно наушники характеризуются высокой эффективностью (обычно более 90 дБ) и небольшим уровнем сигнала, необходимого для управления ими.



Вот схема для создания полноценного усилителя для наушников на основе полевых транзисторов, работающих также в классе A. Питание однополярное, сам УНЧ требует +15 В (с учётом падения напряжения на стабилизаторе берем 17-20 вольт.
Особенности
Для того, чтобы конечное устройство не занимало много места, потребуется следующее:
- Печатная плата.
- Паяльник.
- Провода.

При желании можно все соединить при помощи одних проводов. Однако такая схема усилителя звука будет неудобной в эксплуатации и громоздкой. Ее используют в случаях, когда нужно протестировать один конкретный узел.

При сборке небольшого усилителя звука в домашних условиях для наушников или небольших колонок можно сэкономить достаточно средств, но такое устройство будет иметь ряд ограничений, таких как невысокое пороговое значение максимальной громкости и сильный нагрев отдельных деталей. Для того чтобы избавиться от последнего нужно подсоединить к устройству радиаторную пластину.
Схемы и инструкции по изготовлению усилителя в домашних условиях
Каждая схема уникальна и зависит от источника звука (старая или современная цифровая техника), источника питания, предполагаемых конечных размеров. Она собирается на печатной плате, которая сделает устройство компактным и более удобным. В процессе сборки не обойтись без паяльника или паяльной станции.

Схема британца Джона Линсли – Худа, основана на четырех транзисторах без микросхем. Она позволяет аналогично повторить форму входного сигнала, получив в результате лишь чистое усиление и синусоиду на выходе.


Начинающему мастеру рекомендуется воспользоваться готовыми файлами в компьютерной программе Sprint Layout для создания и просмотра принципиальных схем. Создание собственной под силу только опытным специалистам.

Особенности создания стерео систем
Конструкции такого типа сложны для создания своими руками. Их регулировка и отладка требуется дополнительного измерительного оборудования, которое имеется далеко не у всех радиолюбителей.
- Однако схожий по свойствам усилитель можно собрать по схеме класса «А», где входной и выходной сигналы повторяют друг друга, а мощность звука достигает 15 Ватт.
- Основой для такого устройства станут транзисторы КТ803, КТ 805 и КТ 819.

Стоит учитывать, что схема отличается большим энергопотреблением, и при отсутствии сигнала транзисторы нагреваются. Поэтому их устанавливают на транзисторы.
- В качестве альтернативы можно добавить в цепь кулер, используемый для охлаждения компьютеров.
- Чтобы получить стерео систему, нужно создать две схемы, соответствующие правому и левому каналу.
- Создание полного усилителя доступно только радиолюбителю с большим опытом работы и необходимым техническим оборудованием.
- Такой проект реализуется на транзисторах или интегральных микросхемах путем предварительного и оконечного каскадов.
- Помимо монтажа такая конструкция нуждается в настройке. Однако на выходе получится устройство, позволяющее более тонко регулировать тембр и громкость звука.

Подведем итоги: Собранные собственными руками усилители по мощности и другим параметрам не уступают моделям, приобретаемым в магазинах.















Для выполнения такой работы нужны определенные познания в электрике, а также готовность разбираться в схемах.
- При сборке нужно соотнести расположение лапок с нумерацией на бумаге.
- После этого можно поочередно присоединять к микросхеме нужные элементы.


Вход усилителя
Вход усилителя – это клеммы Х1 и Х2.
Х2 это минус входа, а Х1 – плюс. Так как схема на один канал, то УНЧ называется моно.
Фильтрация входного сигнала
Электролитический конденсатор С1 позволяет отделить постоянную составляющую входящего сигнала от переменной.
По-простому, он пропускает только переменный сигналю. Если сигнала нет, или вход усилителя замкнут, то без этого конденсатора транзистор может перейти в режим насыщения (максимальное усиление), и на выходе появится неприятный хрип.
Не путайте этот эффект со свистом. Свист – это влияние положительной обратной связи, а в данном случае будет режим насыщения из-за короткого замыкания на входе. И на выходе усилителя будет слышен именно хрип, а не свит или звук.
Емкость конденсатора подобрана под частоту звукового сигнала. Звук начинается от 20 Гц и до 16 кГц.
Усилитель для компьютерных колонок своими руками для чайников
При просмотре фильмов или прослушивании музыки мощности стандартных динамиков нам часто не хватает. Ниже мы подробно расскажем, как можно вручную создать усилитель динамика. При создании усилителя следует учитывать мощность внешних динамиков, которая составляет не более двух ватт, и сопротивление обмоток, равное четырем Ом.
Для сборки устройства потребуются следующие комплектующие:
- печатная плата;
- блок питания на 9 вольт;
- микросхема серии TDA;
- рамка;
- конденсаторы: два неполярных по 0,2 мкФ, полярные 100 мкФ, полярные 220 мкФ, полярные 470 мкФ;
- постоянный резистор. 10 Ом 4,7 Ом;
- кнопка — переключатель;
- входной разъем.
Инструкция по созданию
Процесс сборки усилителя для компьютера напрямую зависит от выбранной вами схемы
Важно только оставить место на корпусе для решеток радиатора. Они важны, так как позволяют воздуху из окружающей среды охлаждать микросхемы
- Первым шагом будет установка радиодеталей на печатную плату, соблюдая полярность.
- Собираем тело. При сборке корпуса предусмотрите место для решеток радиатора и других дополнительных деталей. Кейс может быть создан вами или приобретен в готовом виде. Также можно установить карту в корпус.
- Для устранения неполадок включите устройство в тестовом режиме.
- Собираем усилитель. Для этого подключитесь к источнику питания.
Собрать дома усилитель динамика любого типа — посильная задача, с которой справится любой начинающий радиолюбитель. Простота заключается в том, что для начала сборки достаточно приобрести необходимые материалы для последующей сварки. Поэтому вам просто нужно просмотреть все возможные и доступные схемы и выбрать ту, которая подходит именно вам. Главное преимущество — это экономия. Ведь покупка такого устройства в магазине обойдется намного дороже.
Пошаговое руководство по изготовлению
Работы по изготовлению звукового усилителя ведутся в соответствии со следующей инструкцией. Как сделать усилитель динамика:
- Если в работе будет использоваться не покупная макетная плата, а самодельный модуль, в первую очередь следует позаботиться о его конструкции. С помощью обычной кисти и краски на плате рисуются следы, соответствующие топологии выбранной схемы. Учтите, что в выкройке не должно быть пересекающихся бороздок.
- Картон сушат, а затем погружают в предварительно разбавленный раствор хлорида железа. Форма должна быть гравирована долго, от нескольких часов до суток. В том случае, если раствор хлорного железа нагреть, время травления займет намного меньше, но качество защитного слоя также снизится.
- На плате при помощи дрели просверливаются отверстия под выбранные радиоэлементы.
- Пазы на плате залиты припоем. Далее следует установка радиодеталей, установку которых необходимо проводить в строгом соответствии с выбранной схемой. После предварительной сборки все детали герметизируются.
- Радиатор устанавливается на плоскости подложки платы.
- Паяльная станция соединяет провода, ведущие к аудиовыходу.
- Колонки подключены к практически собранному усилителю.
- Сигнал вводится с помощью обычного плеера или смартфона.
- Подается питание и выполняется финальное испытание собранного усилителя.





