Что такое программатор
Первый вопрос, который вы хотите задать в лоб – что же вообще такое “программатор”? Слово “программатор” образуется как ни странно, от слова “программа”. А что такое программа? Если вспомнить, что такое телепрограмма и зачем она была нужна (кстати, сейчас до сих пор продается в киосках), то стает понятно, что программа телепередач – это расписание по времени этих самых телепередач. Значит программой можно назвать какие-то действия или события, которые будут выполняться одно за другим во времени, когда мы этого захотим или не захотим. Следовательно, программатор – это всего-навсего какое-то устройство, которые позволяет нам записывать либо читать программу. Изменить программу уже может только сам программист 😉
СМ Начинающим радиолюбителям переход от сборки простейших аналоговых устройств, типа мультивибраторов, к сборке устройств с применением МК бывает затруднен тем, что здесь мало просто развести и спаять устройство на печатной плате, нужно еще и залить прошивку в память микроконтроллера с помощью программатора. Как уже было написано в предыдущих статьях, микроконтроллер, до тех пор, пока мы не “залили” в него прошивку, является просто бесполезным куском кремния. И тогда начинающий радиолюбитель ищет информацию в интернете о сборке простого, но эффективного программатора, который помог бы ему взять быстрый старт в этом нелегком деле.
Подготовка МК к прошивке
В прошлых статьях мы с вами рассматривали программатор Громова. Главный его минус в том, что нам требуется COM-порт, который с трудом можно сейчас найти в компьютере, а разъем USB зато есть на каждом компьютере. Поэтому, было принято решение о покупке самого дешевого USB программатора для AVR МК. Называется такой программатор USBASP и выглядит он примерно вот так
Если хорошенько порыться на Али, то можно найти очень сладкую цену на такой программатор. Например, здесь. Может быть найдете даже дешевле. Если будете брать у другого продавца, то внимательно смотрите, чтобы его надписи и радиоэлементы располагались именно так, как у меня на фото. В среднем его цена на момент написания статьи около 120 рублей. Такой программатор в корпусе обойдется чуток подороже.
Вот его вид сзади:
Его рабочий разъем выглядит примерно вот так:
С программатором также в придачу идет шлейф
который одним концом цепляется к рабочему разъему программатора:
Другой конец шлейфа мы будем цеплять к МК.
Если внимательно присмотреться, то можно узнать, какой вывод в разъеме является первым. Стрелка укажет на первый вывод разъема:
После того, как узнали, где находится первый вывод, можно без труда определить остальные выводы:
Дальше берем макетную плату с установленным на ней МК Tiny2313:
Итак, наша задача – соединить выводы МК с выводами программатора.
Для этого в разъем шлейфа втыкаем провода в гнезда MOSI, RST, SCK, MISO, VTG (VCC), GND. GND я взял 10 гнездо, можно и другое, где написано GND. Итого 6 проводков-джамперов:
Далее качаем даташит на наш МК. В данном случае у нас Tiny2313. Ищем в даташите лист с его цоколевкой:
VTG (он же VCC) цепляем к 20 ножке МК
SCK(UCSK) цепляем на 19 ножку МК
MISO цепляем к 18 ножке МК
MOSI на 17 ножку
GND на 10 ножку
RST на первую ножку
Должно получиться как-то вот так:
После первого включения программатора в разъем USB ПК, Диспетчер устройств нам выдаст новое устройство:
Не пугаемся, качаем вот этот архивчик, распаковываем его и указываем путь на него при установке “дров”. Когда “дровишки” на программатор установятся, то мы увидим что-то типа этого:
Все ОК, программатор готов к бою.
В этом же архиве находим папку “avrdudeprog”, открываем ее, находим там исполняемый файл AVRDUDEPROG и запускаем. Это и есть программная оболочка для прошивки МК с помощью нашего программатора.
Она выглядит вот так. Не забываем выбрать наш МК в списке.
Для того, чтобы прошить МК, нам надо выбрать файл с расширением HEX. Итак, вот мой файлик. Первым делом я нажимаю кнопочку “Стереть все”. А вдруг кто-то уже использовал МК и там залита уже какая-нибудь программа? Поэтому, перед прошивкой стираем память МК. Если “стирка” прошла удачно, то программка выдаст нам примерно такое сообщение:
Прошивка микроконтроллера
После того как мы установили драйвера, можно приступить к программированию микроконтроллера. Программировать будем при помощи программы AVRDUDEPROG. После запуска программы должно появиться такое окно, где нам нужно в списке выбрать нам микроконтроллер ATtiny2313.
Прошивка МК осуществляется при помощи файла с расширением HEX. Перед тем как заливать прошивку нам нужно очистить кристалл, от старой прошивки которая уже имеется в памяти МК. Для это жмем на кнопку «стереть все»
Далее нам нужно выбрать сам файл c расширением HEX.
выбираем наш файл «Lesson 1.hex»
После чего жмем кнопку «программировать»
Если мы все сделали правильно, то должно высветиться такое окно:
Есть еще один момент, после того как мы прошили МК, нам нужно установить FUSE бит CKDIV8, для этого переходим во вкладку Fuses.
CKDIV8 — fuse бит, который делит частоту кварцевого (или иного имеющегося) тактового генератора на 8. То есть при включенном этом бите и применении кварцевого резонатора на 8 МГц реальная тактовая частота МК составит 1 МГц.
Далее опять жмем кнопку «Программирование»
Связь с контроллером ATtiny13A в корпусе SOIC8
Соединение согласно схеме ниже. Но тут всё немного интереснее. Поскольку голый чип в SMD-корпусе SOIC8, в данном случае я поместил его в переходник SOIC8-DIP8 для удобства соединения с программатором в дальнейшем. Обзор на этот переходник можно почитать здесь.AVRDUDE PROG 3.3 Тут выбирается из списка одноимённый контроллер, программатор USBasp и, если программатор прошит заводской китайской прошивкой, то все операции проходят ровно и гладко. Однако стоит заменить программатор на другой, с обновлённой прошивкой, то при любой операции возникает ошибка. Появляется она из-за того, что ни программа, ни программатор не могут автоматически перейти в режим медленного программирования, необходимый для ATtiny13. Но есть как минимум два выхода:1) Железный: замкнуть перемычку JP32) Программный: отредактировать файл «programm.ini» в папке с программой AVRDUDE PROG 3.3 Внести туда четыре строчки кода и сохранить. (взято отсюда)
После этого снова запустить AVRDUDE PROG 3.3 и в выпадающем списке программаторов выбрать UsbaspSpeed. Теперь работа с ATtiny13 на программаторе с новой прошивкой будет уже без ошибок, а перемычку JP3 замыкать больше не потребуется в этом случае.
Khazama AVR ProgrammerJP3
Общие сведения
Программатор USBAsp распространяется и открытым исходным кодом, так что при желании можно изготовить самому, скачав печатную плату и прошивку с сайта Thomas, из-за этого в различных интернет магазинах существует различные варианты программатора с одинаковым функционалом. В моем случае буду рассказывать о USBAsp V2.0 китайского производителя LC Technelogy.

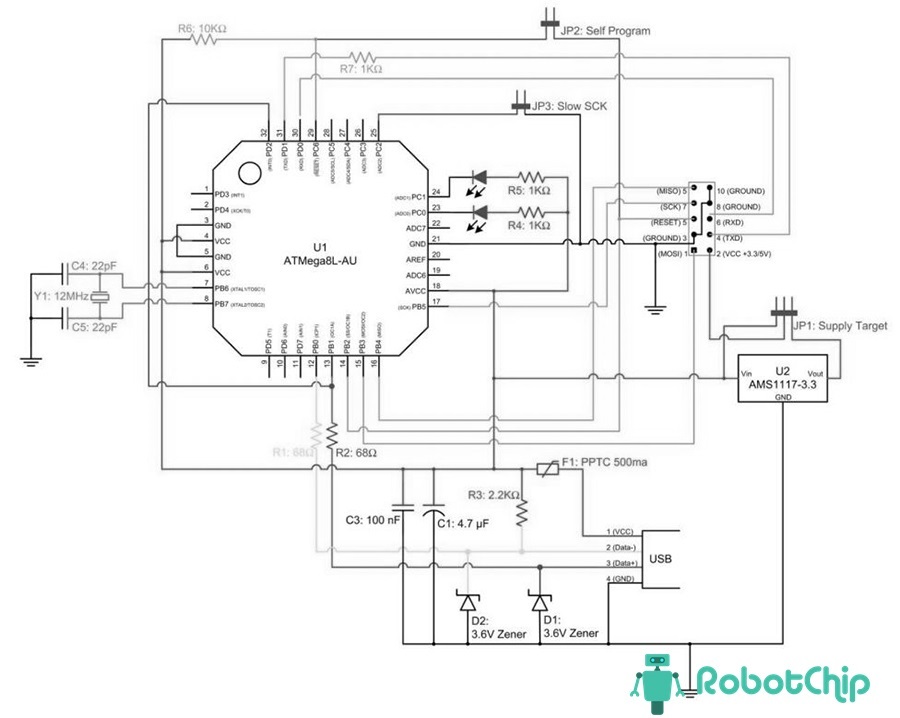
Программатор собран на синий печатной плате, слева расположен USB-разъем необходимый для подключения к компьютеру. В центре располагается контроллер ATmega8A, рядом установлен кварцевый резонатор на 12 МГц и электрическая обвязка (резисторы, конденсаторы). Справа расположен 10-контактный разъем (два ряда, по пять выводов, шагом 2.54 мм), обеспечивающий обмен данными с прошиваемым микроконтроллером (интерфейс ISP). В комплекте поставляется кабель, с каждой стороны которого, установлен разъем IDC (10 выводов), для простоты прошивки некоторых плат (например Arduino), советую приобрести адаптер-переходник с 10-pin на 6-pin. Назначение выводов программатора USBAsp можно посмотреть на рисунке ниже, вид на стороне программатора.
Назначение выводов: ► 1 – MOSI ► 2 – VCC ► 3, 8, 10 – GND ► 4 – TXD ► 5 – RESET ► 6 – RXD ► 7 – SCK ► 9 – MISO
Световая индикация► Красный светодиод G — Включен ► Красный светодиод R — Обмен данными
Перемычки ► JP1 — POWER, управляет напряжением на разъеме ISP VCC (вывод 2), можно установить на + 3.3В, + 5В или вовсе убрать перемычку, если программируемое устройство, имеет собственный источник питания. ► JP2 — SERVICE, обновления прошивки USBasp. ► JP3 — SLOW, программирования на низких скоростях, если программируемое устройство, работает на частоте ниже 1.5 МГц, SCK (вывод 7) уменьшит частоту с 375 кГц до 8 кГц.
Принципиальная схема программатора USBAsp V2.0 можно посмотреть на рисунке ниже.

Список поддерживаемых AVR микроконтроллеров: ► Mega Series: ATmega8, ATmega8A, ATmega48, ATmega48A, ATmega48P, ATmega48PA, ATmega88, ATmega88A, ATmega88P, ATmega88PA, ATmega168, ATmega168A, ATmega168P, ATmega168PA, ATmega328, ATmega328P, ATmega103, ATmega128, ATmega128P, ATmega1280, ATmega1281, ATmega16, ATmega16A, ATmega161, ATmega162, ATmega163, ATmega164, ATmega164A, ATmega164P, ATmega164PA, ATmega169, ATmega169A, ATmega169P, ATmega169PA, ATmega2560, ATmega2561, ATmega32, ATmega32A, ATmega324, ATmega324A, ATmega324P, ATmega324PA, ATmega329, ATmega329A, ATmega329P, ATmega329PA, ATmega3290, ATmega3290A, ATmega3290P, ATmega64, ATmega64A, ATmega640, ATmega644, ATmega644A, ATmega644P, ATmega644PA, ATmega649, ATmega649A, ATmega649P, ATmega6490, ATmega6490A, ATmega6490P, ATmega8515, ATmega8535, ► Tiny Series: ATtiny12, ATtiny13, ATtiny13A, ATtiny15, ATtiny25, ATtiny26, ATtiny45, ATtiny85, ATtiny2313, ATtiny2313A ► Classic Series: AT90S1200, AT90S2313, AT90S2333, AT90S2343, AT90S4414, AT90S4433, AT90S4434, AT90S8515, AT90S8535 ► Can Series: AT90CAN128 ► PWN Series: AT90PWM2, AT90PWM3
Список поддерживаемых AVR микроконтроллеров
USBASP Программатор AVR поддерживает все микроконтроллеры ATMEL с режимом последовательного программирования ISP (In System Programming), это все микроконтроллеры у которых есть порт SPI (Serial Peripheral Interface):
- ATtiny11, ATtiny12, ATtiny13, ATtiny15, ATtiny22, ATtiny2313, ATtiny24, ATtiny25, ATtiny26, ATtiny261, ATtiny28, ATtiny44, ATtiny45, ATtiny461, ATtiny84, ATtiny85, ATtiny861
- AT90S1200, AT90S2313, AT90S2323, AT90S2343, AT90S4414, T90S4433, AT90S4434, AT90S8515, AT90S8535
- ATmega8, ATmega48, ATmega88, ATmega16, ATmega161, ATmega162, ATmega163, ATmega164, ATmega165, ATmega168,ATmega169, ATmega32, ATmega323,ATmega324, ATmega325, ATmega3250, ATmega329, ATmega64, ATmega640, ATmega644, ATmega645, ATmega6450, ATmega649, ATmega6490, ATmega128, ATmega1280, ATmega1281, ATmega2560, ATmega2561, ATmega103, ATmega406, ATmega8515, ATmega8535
- AT90CAN32, AT90CAN64, AT90CAN128
- AT90PWM2, AT90PWM2B, AT90PWM3, AT90PWM3B
- AT90USB1286, AT90USB1287, AT90USB162, AT90USB646, AT90USB647
- AT89S51, AT89S52
- AT86RF401.
Программа для USBAsp V2.0
Программу разработал «Боднар Сергей», работает не только с китайским программатором USBAsp v.2.0, но и другими программаторами. Первым делом скачиваем программу, разархивируем и запускаем «AVRDUDEPROG.exe». В качестве примера, прошью китайскую плату Arduino UNO R3 в которой установлен микросхема ATmega328P. В программе, жмем на вкладку «Микроконтроллеры» и выбираем ATmega328P.
Далее, необходимо выбрать прошивку, в строке «Flash» нажимаем «. . .», переходим в папку «C:Program FilesArduinohardwarearduinoavrootloadersatmega» и выбираем «ATmegaBOOT_168_atmega328.hex», жмем «Открыть»
Подключаем программатор к плате «Arduino UNO R3», и нажимаем кнопку «Программирование».
В конце, выйдет диалоговое окно, о удачном окончании программировании.
Ссылки Скачать драйвер для программатора USBASP v2.0 (LC Technology, ATMEL) Скачать программу AVRDUDE_PROG v.3.3
Купить на Aliexpress Программатор USBASP v2.0 (LC Technology, ATMEL) Адаптер для ATMEL AVRISP, USBASP, STK500 (10 pin на 6 pin)
Купить в Самаре и области Программатор USBASP v2.0 (LC Technology, ATMEL) Адаптер для ATMEL AVRISP, USBASP, STK500 (10 pin на 6 pin)
Популярное
- Устройство и программирование микроконтроллеров AVR для начинающих – 143
- Трехканальный термостат, терморегулятор, таймер на ATmega8 – 70
- Двухканальный термостат, терморегулятор на ATmega8 – 67
Программатор USBASP — устройство, распиновка, подключение, прошивка
Интеграция программатора в Atmel Studio 7
Atmel Studio — среда разработки от фирмы Atmel, но напрямую работать с USBASP, тем более китайским, она не может. Однако благодаря той же программе AVRDUDE, входящий в состав пакета AVRDUDE PROG 3.3, которая будет играть здесь роль посредника, можно соорудить «костыль», а уже в самой среде затем добавить возможность прошивать МК, подключенный через USBASP. Сперва нужно запустить среду, предполагается, что некий код у нас уже написан и собран. В моём примере это простая мигалка светодиодом — Blink. На верхней панели инструментов выбрать «Tools» — «External Tools…» Откроется небольшое окно, нажать «Add» В самом верхнем поле «Title:» ввести любое удобное название, я написал «Atmega168», т.к. та конфигурация, что приведу чуть ниже относится конкретно к этому контроллеру, и для любого другого контроллера она настраивается индивидуально. В большом поле наверху, название инструмента будет автоматически продублировано. Вторая строка, поле «Command:» — здесь нужно указать путь до файла «avrdude.exe», который находится в папке с вышерассмотренной программой Третья строка, поле «Arguments:» необходимо ввести собственно саму конфигурациюКонфигурация для Atmega168 -p — наименование контроллера -с — какой программатор -P — порт, через который будет заливаться прошивка -U — какая операция с какой памятью будет производится (в данном случае запись во Flash) Если нужно настроить для другого МК, то параметр «m168» нужно изменить на соответствующий контроллер, который будет прошиваться. Например «m8» для Atmega8 или «m328p», если Atmega328p. Параметры для других МК смотрите здесь — также там найдёте описания ключей AVRDUDE.Конфигурация для ATtiny13 Здесь можно заметить уже два изменения: помимо «t13», добавился уже знакомый ключ «-B» со значением «3» для снижения скорости программирования После заполнения полей нажать «Apply» и «ОК». Окно закроется Теперь, если снова кликнуть по «Tools», там появится только что созданный инструмент. И по нажатии по нему откомпилированный код будет автоматически прошит в контроллер. Но эта операция происходит в два клика, что не очень удобно. Надо вынести этот инструмент на главную панель инструментов, чтобы он был всегда на виду. Для этого нужно снова зайти в «Tools», затем кликнуть по пункту «Customize…» Откроется следующее окно: Перейти во вкладку «Commands» — нажать кнопку «Add Command…» Ещё одно окно появится. В нём — в левой колонке выбрать «Tools», а в правой колонке выделить «External Command 1»
Нажать «OK» «External Command 1» окажется наверху списка, и, обратите внимание на саму панель инструментов — в интерфейсе появился пункт «Atmega168». Но как мне кажется, место ему отведено не совсем удачное, желательно его сдвинуть вправо, для этого нажимается кнопка «Move Down» (одно нажатие = сдвиг на одну позицию вправо)
После этого можно закрывать окно по кнопке «Close» и шить чип прямо из студии в один клик через обозреваемый программатор.
AVRDude – программа для usbasp программатора
AVRDude или AVRDude prog – относится к разряду наиболее распространенных программ, активно используемых для прошивки МК фирмы Atmel. Кроме всем известного usbasp, avrdude способна обслуживать более 50-ти видов других программаторов. Вкратце остановимся на том, как пользоваться usbasp avrdude prog.
Данное ПО имеет консольный интерфейс. Тем не менее, avrdude наиболее известна в комплексе со сторонними графическими оболочками, которые ничем не отличаются от стандартных Windows-приложений. Внутри графической avrdude prog есть всё для работы с usbasp, включая русифицированное меню. В нём необходимо задать тип МК и программатора, порт подключения, скорость обмена данными, разрешение на коррекцию фьюзов и прочие данные. Далее выбираем файл прошивки и нажимаем «Программирование». По окончании можно выполнить верификацию. Теперь переходим на соседнюю вкладку, выставляем нужные Fuse-биты и нажимаем «запись». После этого МК прошит, и можно отключить питание.
Hardware
Partlist
| Partnumber | Value | Reichelt No |
|---|---|---|
| C1 | 4,7u | RAD 4,7/35 |
| C2 | 100n | X7R-5 100N |
| C3, C4 | 22p | KERKO 22P |
| D1, D2 | 3V6 zener | ZF 3,6 |
| CON1 | USB-B | USB BW |
| CON2 | 10pol | WSL 10W |
| IC1 | ATmega8-16 | ATMEGA 8-16 (not programmed!) |
| JP1, JP2 | 2pol 2,54mm | SL 1X36G 2,54 |
| LED1 | 3mm LED green | LED 3MM 2MA GN |
| LED2 | 3mm LED red | LED 3MM 2MA RT |
| Q1 | 12Mhz | 12,0000-HC49U-S |
| R1, R2 | 68 | 1/4W 68 |
| R3 | 2,2k | 1/4W 2,2k |
| R4, R5, R6, R7 | 270 | 1/4W 270 |
| R8 | 10k | 1/4W 10k |
| R9, R10 | 1k | 1/4W 1k |
| M1, M2 | Jumper | JUMPER 2,54GL SW |
| M3 | Socket 28S | GS 28-S |
| M4 | Case | TEKO 10007 |
| M5 | PCB | — |
User PCB layouts
|
usbasp_single_side.t3001.zip by Thomas Fischl Single-Side PCB, TARGET 3001! layout file Size: 90×40 mm (optimized for case Hammond 1591ATBU) |
||
|
lv_usbasp.tar.gz by Pawel Szramowski (11/2007) With Low-voltage front-end. Single-Side PCB, EAGLE layout files, some SMD components |
||
|
by Bernhard Walle Double-Side PCB, EAGLE layout files, part list with order numbers for Reichelt.de and Conrad.de Size: optimized for case Hammond 1591ATBU |
||
|
http://thomaspfeifer.net/atmel_usb_programmer.htm by Thomas Pfeifer Single-Side PCB, PDF layout files, SMD components |
||
|
by Tomasz Ostrowski Single-Side PCB, PDF and EPS layout files, only four 0805 SMD parts, rest discrete components |
||
|
USBasp_CH.zip by Christian Heigemeyr Single-Side PCB, with some SMD 0805 components, PDF-files With additional buttons for reset and disconnection of the target |
||
|
USBasp.sch, USBasp.pcbComponentSide.pdf, TopSide.pdf, Schematics.pdf by Zhurov Pavel Single-Side PCB, P-CAD 2002 format and PDF files Crosspiece TXD and RXD are added for the ISP connector |
||
|
usbasp_gr.rar by J.A. de Groot The board is single sided (EAGLE format), measures 3 by 8 cm and uses only regular components. |
||
|
usbasb_mg.zip Single-Side PCB, eagle-format, with PS/PDF-files |
||
|
Tarball with layout Doubleside-Side PCB, SMD components, very small |
||
|
by Sergiy Bogdancev (01/2010) 3.3V version, ATMega48 only. Single-side PCB, ExpressPCB layout format + socket board for varies AVRs. |
||
|
Eaglefiles (sch/brd) and CAD case design (dxf) by Hans Hafner, HTL Mössingerstrasse-Klagenfurt, Österreich, hans.hafner (at) htl-klu (dot) at (01/2010) CNC-milled case (DXF file available), Eagle layout, only a few SMD parts |
||
|
Different USBasp versions: Easy to built non-smd, smd version and a very small USBasp by Sven Hedin (01/2011) Eagle files available. |
||
|
USB Key AVR Programmer by Fabio Baltieri (09/2011) Very small USB key like dimensions. SMD parts. |
||
|
AVR ISP Programmer by Jaroslav Vadel (04/2012) Small programmer. SMD parts. |
||
|
Target project and PDFs (layout/schematics) by Marius Schäfer (09/2013) |
||
|
by Stephan Bärwolf |
||
|
USBasp on breadboard with socket for controller daughter boards. by Fabian Hummel (11/2018) |
||
|
Tjaart van Aswegen designed an SMD board: DIP TRACE and GERBER files. by Tjaart van Aswegen (09/2019) |
||
|
Feature rich (e.g. different voltage levels, integrated USB to serial converter, USB-C connector) USBasp compatible design. |
||
|
USBasp with ZIF socket and through hole components. by Bruno (04/2020) |
||
|
USBasp board with additional 6pin header and selectable target supply (3.3V/off/5.0V). by Marty E. (10/2020) |
||
|
John included a 40 pin universal socket which takes 8, 14, 20 and 28 pin devices. He also added a versatile crystal oscillator with outputs of 1, 2, 4, 8 and 16 Mhz to clock the chips. There is also the standard 6pin ICSP connector and a user led connected to the MOSI pin. by John P. (11/2020) |
||
|
QUSBASP features a small size and flexibility (different connection options: USB-A or pin header, ICSP with 6 or 10 or pogo pins). by Qetesh (07/2021) |
Строительство USBasp программатора
Существует много версий печатной платы данного программатора, некоторые можно найти на официальном сайте USBasp. Однако, была сделана своя на основе выше представленной схемы.
К сожалению, из-за применения DIP переключателей, рисунок платы стал немного сложнее, что привело к применению 2 коротких перемычек, с целью чтобы печатная плата была по-прежнему односторонней.
Ниже результат печатной платы:
Как видно на рисунке, в программаторе не применялись SMD элементы. Пустое пространство на плате „залито” полем массы, главным образом для того, чтобы не вытравливать большое количество меди, а также снизить влияние помех на программатор.
Список элементов используемых в USBasp программаторе:
- R1: 10к
- R2: 180
- R3: 100
- R5, R6: 68
- R7: 2к2
- C1, C2: 22п
- C3: 10мк
- C4: 100н
- LED1: Красный светодиод на 20мА
- LED2: Зеленый светодиод на 20мА
- D2, D3: стабилитроны на 3,6В
- X1: Разъем USB, тип B
- SV1: Гнездо под разъем IDC-10
- Q1: Кварц 12МГц, корпус HC49-S
- SW1: Dip переключатель трехпозиционный
- IC1: Atmega8 (ПРИМЕЧАНИЕ: Не следует использовать микроконтроллер Atmega8 — PU из-за его ограничение максимальной тактовой частотой до 8 МГц!)
Перенос рисунка печатной платы USBasp программатора на стеклотекстолит выполнен с помощью метода ЛУТ (лазерно-утюжной технологии). Как это делать описывать не будем, поскольку данной информации в сети много.
Вкратце скажем, что сначала рисунок в масштабе 1:1 печатается на глянцевой бумаге, затем он накладывается на очищенную и обезжиренную медную сторону стеклотекстолита и фиксируется с помощью бумажного скотча. Далее бумажная сторона тщательно разглаживается утюгом на 3-ке. После все это дело вымачивается в воде и аккуратно очищается от бумаги.
Следующий этап – вытравливание платы в растворе хлорного железа. Во время травления желательно поддерживать температуру раствора не ниже 40 C, поэтому банку с раствором погружаем в горячую воду:
После завершения процесса травления необходимо удалить тонер ацетоном.
Остается теперь только просверлить отверстия. После завершения процесса изготовления платы можно приступать к пайке элементов USBasp программатора, начиная с перемычек.
Готовые к печати (в формате PDF) рисунок печатной платы находится в конце статьи. Вы также можете найти несколько вариантов на официальном сайте проекта.
Программирование микроконтроллеров AVR фирмы Atmel
1. Микроконтроллеры — первый шаг2. Системы счисления: десятичная, двоичная и шестнадцатиричная3. Логические операции, логические выражения, логические элементы4. Битовые операции5. Прямой, обратный и дополнительный коды двоичного числа6. Программа AVRDUDE_PROG: программирование микроконтроллеров AVR ATmega и ATtiny
USBASP -USB программатор для программирования микроконтроллеров AVRUSBASP ISP программатор и AVRdude prog: программирование микроконтроллеров AVR ATmega, ATtiny. Как прошить микроконтроллер.Published by: Мир микроконтроллеров
Цена: 3$ (2шт.)
В моём случае это абсолютный рекордсмен по скорости доставки — около 5 месяцев беспечного блуждания непонятно где. Несмотря на чудовищную задержку по времени, пакет я всё-таки получил, чему несказанно рад, не взирая на недочёты, о коих поведаю ниже. Поскольку у меня весьма плохая память, то нужно было объединить найденную полезную информацию где-то в одном месте в виде памятки, собирать её по крупицам в разных закоулках сети оказалось делом нетривиальным, поэтому оформлю всё это отдельным постом. USB ISP — самый дешёвый программатор контроллеров AVR, что можно найти в продаже, брался для расширения кругозора и более углубленного изучения AVR. Обзор в себя включает: описание программатора, как его подключить к чипу, настройку его работы в программах AvrDude Prog, Khazama, Atmel Studio 7, и не только это. Конечно вместо него можно использовать Arduino UNO с прошитым в него скетчем ArduinoISP, но это не удобно, возня с проводами, особенно если UNO всего одна, отбивает энтузиазм. Проще было заиметь отдельно такой программатор, точнее два. По двум причинам:1) Ещё перед покупкой уже из отзывов было понятно, что качество пайки этих устройств страдает, а некоторым ещё и с расколотыми стабилитронами они приходили. Решено было подстраховаться, заказав два.2) Один программатор к тому же можно шить другим, переставив перемычку на ведомом устройстве.





