Источник питания
Источник питания трансформаторный, на низкочастотном силовом трансформаторе Т1 типа 109-01AF11-01. У него первичная обмотка на 220V, а вторичная на 26V и ток 2,2А с отводом от средней части. Отвод образует среднюю точку (GND).
Поскольку есть отвод от центра вторичной обмотки, схему выпрямителя решено было сделать по двухполупериодной схеме на двух диодах VD1 и VD2.
Рис. 2. Принципиальная схема источника питания для самодельного усилителя НЧ на TDA2003.
Источник не стабилизированный. Можно использовать другой трансформатор с аналогичными параметрами. Если будет одна обмотка на 11-13V, схему выпрямителя нужно будет сделать мостовой на четырех диодах. Можно питать и от готового источника, постоянным напряжением 12-18V при токе не ниже 2 А, например, от блока питания какой-то компьютерной периферии или оргтехники.
Шаг 4: Делаем корпус
Скорее всего, вы захотите установить потенциометры на одной стороне коробки. Я использовал пластиковый корпус по размеру моей платы. Просверлил четыре отверстия спереди, чтобы просунуть через них оси потенциометра, которые затягиваются на небольшой пластиковой детали внутри корпуса.
Темброблок используется для выравнивания Амплитудно-Частотной Характеристики (АЧХ) усилителей низкой частоты. Так как многие УНЧ обладают нелинейной характеристикой в различных диапазонах частот: в диапазоне низких и высоких частот коэффициент усиления значительно хуже, чем в средне-частотном интервале. Поэтому для высококачественного звуковоспроизведения имеет смысл использовать специальные модули — «темброблоки», с помощью которых можно регулировать аудио сигнал по всему спектру диапазона.
По своей сути это фильтры СЧ диапазона, управляющие глубиной среза в заданной области частот не трогая НЧ и ВЧ частоты и поэтому АЧХ усилителя выравнивается, но при этом немного снижается амплитуда входного сигнала, и может потребоваться дополнительное усиление. Таким образом модули настройки тембра можно условно разделить на два класса: пассивные (только регулировка АЧХ) и активные (регулировка АЧХ + усилительный каскад для компенсации)
Это конструкция темброблока ослабляет сигнал в диапазоне средних частот где-то в 10 раз, и поэтому ее размещают между двумя усилителями — предварительным и оконечным.
Подбор радиокомпонентов зависит от сопротивления источника сигнала Rc и нагрузки Rн (входное сопротивление следующего усилительного каскада). Осуществим расчет номиналов радиоэлементов: Переменные резисторы всегда берут одинаковые с условием:
R c
Остальные компоненты вычисляются по упрощенным формулам:
R1= R4= 0.1R; R3= 0.01R; C3= 0.1/R; C1= 22C3; C2= 220C3; C4= 15C3
Транзистор в устройстве используется для компенсации потери сигнала. К нему особых требований не предъявляется можно взять даже морально устаревший КТ315.
Хочу сразу сказать, что данный регулятор тембра может смело посоревноваться с теми, что используются в современной аудиотехнике, его схема была скопирована из какого-то радиолюбительского журнала, но теперь уже не вспомню какого именно. Одно точно могу сказать этой конструкцией темброблока доволен как слон
Внешний вид радиолюбительской конструкции и размещение компонентов на печатной плате, смотри на рисунке вверху страницы
Здесь приводятся схемы пассивных тембров известных мировых брендов гитарной электроники, такими как Fender, Marshall и VOX. От самых простых с одним регулятором до более сложных трехполосных.
VOX AC30
Такая простейшая конструкция позволяет осуществлять только завал высоких частот. Она применяется в простейших ламповых комбо.
Fender Princeton
С помощью схемы темброблока Fender Princeton можно производить как подъем так и завал высоких частот.
Marshall 18 Watt
Данным темброблоком можно настраивать подъм в область низких и высоких частот.
VOX Top Boost
Данный тембр регулирует как высокие так и низкие частоты.
Ниже приведены несколько известных схем темброблоков — двухполюсников: Fender «BrownFace» Bandmaster 6G7, Ampeg SVT, Marshall JMC800 Mod.2001
Из этой троицы тембров каждый индивидуален и хорош по своему. На каком остоновиться вам и сделать окончательный выбор однозначного ответа не существует. Тут уж сами, экспериментируйте, схемы не сложные и легко повторяются навесным монтажом или на макетной плате.
Для чистоты статьи приведу также схемы трехполосных темброблоков. ИМХО самых популярных среди всех радиолюбителей.
Эти брендовые гитарные конструкции позволяют регулировать низкие, средние и высокие частоты. Marshall дает более утяжеленный звук чем темброблок фирмы Fender. Ниже приводятся номиналы радиокомпонентов в различных вариатах этих схем.
Трехполосный регулятор тембра на ОУ
Трехполосный регулятор тембра дает лучший результат подавления помех, чем двухполосный регулятор.
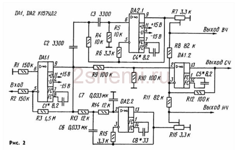
На рисунке 3 представлен пример схемы трехполосного регулятора тембра НЧ, СЧ и ВЧ для УНЧ на ОУ. Данной электронной схеме предшествует каскад на ОУ. Это обеспечивает низкое выходное сопротивление предшествующего каскада и нормальную работу данного регулятора.
Для повышения устойчивости работы схемы (на ВЧ) целесообразно зашунтировать выводы питания ОУ конденсаторами 0.1 мкФ. Конденсаторы подключаются максимально близко к ОУ.

Рис. 3. Схема трехполосного регулятора тембра (НЧ, СЧ, ВЧ) на ОУ.
Элементы для схемы на рисунке 3:
- R1 =11к, R2=100к (НЧ), R3=11к, R4=11к, R5=1,8к, R6=500к (ВЧ),
- R7=1,8к, R8=280, R9=3.6к, R10=100к (СЧ), R11=3.6к;
- С1=0.05мкФ, С2 — отсутствует, СЗ=0.005мкФ,
- С4=0.1 мкФ-0.47мкФ, С5=0.1 мкФ-0.47мкФ,
- С6=0.005мкФ, С7=0.0022мкФ, С8=0.001мкФ;
- ОУ — 140УД8,140УД20 или любые другие ОУ с внутренней коррекцией (желательно) и в типовом включении.
Литература: Рудомедов Е.А., Рудометов В.Е — Электроника и шпионские страсти-3.
В настоящее время очень популярны MP3-плееры с встроенной флэш-памятью, это очень миниатюрные цифровые индивидуальные средства аудиовоспроизведения, работающие на головные телефоны.
Многие из них кромефункции воспроизведения аудио-файлов, записанных в них посредством персонального компьютера, имеют встроенные УКВ-ЧМ или многодиапазонные цифровые приемники и функцию звукозаписи как от встроенного микрофона, так и от встроенного радиоприемника.
Практически, -аудиоцентр размером с наперсток. Одна проблема, — работают они только на наушники. Для громкого воспроизведения необходим дополнительный внешний УНЧ и акустические системы.
Как вариант, -можно использовать активные «колонки» для персонального компьютера, но недорогие «компьютерные колонки» обычно вообще не знакомы с понятием «качество звука», а более качественные и стоят многократно дороже.
Расчет пассивных мостовых регуляторов тембров
Наиболее распространенной является комбинированная схема регуляторов нижних и верхних частот. Как видно из аппроксимированной логарифмической амплитудно-частотной характеристики (АЧХ) регулятора тембра (рис. 3), в области средних частот f0≈1000 Гц передаточная функция остается неизменной, а на краях частотного диапазона ее можно регулировать в некоторых пределах.
Рис. 3. Амплитудно-частотные характеристики регуляторов нижних и верхних частот
Обычно величины подъема и спада и их частоты регулирования делают одинаковыми. На рис. 3 приняты следующие обозначения: fнр, fвр – соответственно, нижняя и верхняя частоты регулирования, fнп, fвп – нижняя и верхняя частоты перегиба АЧХ, f0 – частота раздела. Для того чтобы регуляторы нижних и верхних частот не влияли друг на друга, необходимо выполнение условий не перекрытия зон регулирования
В практических схемах пассивных регуляторов тембра величины подъема и спада АЧХ составляют ±(8…20) дБ, нижняя частота регулирования равна fнр=(20…80) Гц, а верхняя частота регулирования fвр=(5…18) кГц. Недостатком пассивных корректоров тембра является большое собственное затухание, превышающее полный коэффициент регулирования – (16…40) дБ.
Двухполосный регулятор тембра на ОУ
На рисунке 2 представлен пример схемы двухполосного регулятора тембра НЧ и ВЧ
для УНЧ на операционном усилителе (ОУ). Данной электронной схеме предшествует каскад на ОУ. Это обеспечивает низкое выходное сопротивление предшествующего каскада и нормальную работу данного регулятора.
Для повышения устойчивости работы схемы (на ВЧ) целесообразно зашунтировать выводы питания ОУ конденсаторами 0.1 мкФ, например, типа КМ6. Конденсаторы подключаются максимально близко к ОУ.
Рис. 2. Схема двухполосного регулятора тембра (НЧ, ВЧ) на ОУ.
Элементы для схемы на рисунке 2:
- R1=11к, R2=100к(НЧ), R3=11к, R4=11К, R5=3.6к, R6=500к(ВЧ), R7=3.6к, R8=750;
- С1=0.05мкФ, С2=0.05мкФ, СЗ=0.005мкФ, С4=0.1 мкФ-0.47мкФ, С5=0.1 мкФ-0.47мкФ;
- ОУ — 140УД12, 140УД20, 140УД8 или любые другие ОУ в типовом включении и желательно с внутренней коррекцией;
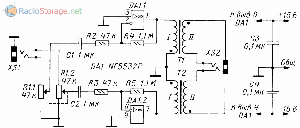
Принципиальная схема
Используя эту микросхему и трансформатор для согласования с нагрузкой (75 Ом), получаем простой по схеме (рис. 1) усилитель для головных телефонов.
Достоинства такого усилителя — в простоте, хорошем звучании и неприхотливости: устойчив при замыкании в цепи нагрузки, прекрасно работает с телефонами номинальным сопротивлением 75 и 150 Ом (и даже 32 Ом), при этом исключено попадание постоянного напряжения на головные телефоны.
За счёт применения трансформатора микросхема не перегружается, хотя усилитель имеет небольшое окрашивание звука на низких частотах. Наличие небольшого постоянного напряжения на выходах ОУ (в моём усилителе 270 мВ) не создаёт существенного подмагничивания.

Рис. 1. Принципиальная схема простого усилителя НЧ для головных телефонов.
В конструкции для стереотелефонов, кроме сдвоенного операционного усилителя NE5532P (DA1), применены плёночные конденсаторы К73-17 ёмкостью 1 мкФ на 63 В (С1, С2), импортный сдвоенный переменный резистор с экспоненциальной кривой регулирования. Выходной трансформатор — с любым Ш-образным магнитопроводом из электротехнической стали с площадью сечения 2…3 см2.
Обмотки выходного трансформатора: первичная — 1200 витков обмоточным проводом диаметром 0,1 мм, вторичная — 400 витков диаметром 0,15…0,18 мм. Намотка всех обмоток — внавал, сначала половина первичной, затем вторичная и далее вторая половина первичной.
Можно мотать обе обмотки одновременно: сложить вместе четыре провода (три — диаметром 0,1 мм и один — 0,15 мм) и намотать 400 витков с последовательным соединением трёх частей первичной обмотки. Автором были использованы магнитопроводы и каркасы от трансформаторов из неисправных малогабаритных трансформаторных блоков питания.
Полоса воспроизводимых частот усилителя — 30 Гц… 30 кГц по уровню -1 дБ. Максимальное напряжение на вторичных обмотках трансформаторов под нагрузкой 75 Ом — 3,5 В при входном 0,3 В. Резисторы R2 и R3 для обоих каналов желательно подобрать попарно, используя цифровой мультиметр.
В цепях питания микросхемы следует установить блокировочные керамические или плёночные конденсаторы ёмкостью 0,1 мкФ. Нелинейные искажения на реальной нагрузке 75 Ом (телефоны ТДС-5М) на частоте 100 Гц и 1 кГц показаны на спектрограмме (рис. 2 и рис. 3).

Рис. 2. Спектрограмма нелинейных искажений.

Рис. 3. Спектрограмма нелинейных искажений.
Монтаж и налаживание
Перед монтажом желательно провести входной контроль всех элементов. Я уже давно взял за правило попарно подбирать компоненты в каналах усилителя. Вот и для этой конструкции подобрал резисторы и конденсаторы с точностью до одного процента. Сделать это оказалось не так сложно: отбор происходил из 6 – 8 элементов каждого номинала.
Наверняка такая точность подбора не нужна, но результатом проделанной работы стало практически идеальное совпадение АЧХ по каналам предварительного усилителя.
Все детали предварительного усилителя размещены на печатной плате размером 125х45 мм из одностороннего фольгированного стеклотекстолита толщиной 2 мм (рис. 13).
Рис. 13. Размещение деталей на печатной плате
Элементы, относящиеся к правому каналу предварительного усилителя, обозначены со штрихом. Такая же маркировка выполнена и в файле печатной платы (с расширением *.lay) – надпись появляется при подведении курсора к соответствующему элементу. Вначале на печатной плате устанавливают малогабаритные детали: проволочные перемычки, резисторы, конденсаторы, ферритовые «бусинки» и панельку для микросхемы. В последнюю очередь монтируют клеммники и переменные резисторы. После проверки монтажа включают питание и контролируют «ноль» на выходах операционного усилителя. Смещение составляет 2 – 4 мВ. При желании можно погонять устройство от синусоидального генератора и снять характеристики (рис. 14).
Рис. 14. Установка для снятия характеристик предварительного усилителя
Двухполосный регулятор тембра на транзисторе
Представлен один из многочисленных примеров схем регуляторов тембра НЧ и ВЧ для УНЧ на транзисторах. Приведенной электронной схеме предшествует каскад с низким выходным сопротивлением, например, эмиттерный повторитель (каскад с общим коллектором) или ОУ.
Это обеспечивает низкое выходное сопротивление предшествующего каскада и нормальную работу данного регулятора.
Рис. 1. Схема двухполосного регулятора тембра (НЧ, ВЧ) на транзисторе.
Элементы для схемы:
- R1=4.7к, R2=100к(НЧ), R3=4.7к, R4=39к, R5=5.6к,
- R6=100к(ВЧ), R7=180к, R8=33к, R9=3.9к, R10=1 к;
- С1=39н, С2=30мкФ-1 ООмкФ, СЗ=5мкФ-20мкФ,
- С4=2.2н, С5=2.2н, С6=30мкФ-100мкФ;
- Т1 — КТ3102, КТ315 или аналогичные.
N5532 datasheet на русском
Даташит поиск по электронным компонентам в формате pdf на русском языке. Бесплатная база содержит более 1 000 000 файлов доступных для скачивания. Воспользуйтесь приведенной ниже формой или ссылками для быстрого поиска (datasheet) по алфавиту.Если вы не нашли нужного Вам элемента, обратитесь к администрации проекта .
Статистика
Усилитель на NE5532N + TDA2050.
Усилитель на NE5532N_TDA2050
Предлагаем вашему вниманию принципиальную схему стереофонического усилителя. Каскад предварительного усиления собран на микросхеме NE5532N, усилитель мощности реализован на микросхемах TDA2050. Мощность усилителя 2 х 32 Ватта. Принципиальная схема показана ниже:
Максимальные параметры TDA2050 взяты из datasheet:
Характеристики микросхемы TDA2050:
Исходники печатной платы усилителя на NE5532N и TDA2050:
Печатная плата усилителя на NE5532N и TDA2050 в формате LAY6 имеет следующий вид:
Фото-вид печатной платы усилителя:
Размеры печатной платы 66 х 108 мм, фольгированный стеклотекстолит – односторонний.
В блоке питания микросхемы предварительного усилителя применены интегральные стабилизаторы 7812 и 7912, вместо них можно поставить 7815 и 7915 соответственно.
В качестве выпрямителя применена диодная сборка типа KBL, ниже показан пример диодных сборок:
Фильтрующие емкости в блоке питания могут быть от 4700 до 10000 mF на напряжение не ниже 35 Вольт.
Регулятор громкости – спаренный потенциометр 47k/47k с логарифмической зависимостью.
На плате установлен светодиод – контроль наличия питающего напряжения.
Микросхемы TDA2050 крепятся к радиатору через прокладки или слюду с применением термопасты типа КПТ и изоляционных втулок.
• R1, R2 — 120k • R3, R4, R7 – 10k • R5, R6, R8, R9, R12, R13 – 22k • R10, R11 – 680R • R14, R15 – 2R2
• С1, С2 – 10mF/25V – лектролит • С3, С4 – 220p – керамика • С5, С6 – 22mF/25V (35V) – электролит • C7, С8 – 4700mF/35V – электролит • С9, С10, С17, С18 – 0,1mF (100n) • C11, С12 – 47mF/35V – электролит • С13, С14 – 100mF/35V – электролит • С15, С16 – 10mF/25V – электролит • C19, С20 – 0,22mF (220n)
• IC1 — NE5532N – операционный усилитель • IC2 – 7812 – интегральный стабилизатор 12 Вольт (или 7815 на 15 Вольт) • IC3 – 7912 – интегральный стабилизатор 12 Вольт (или 7915 на 15 Вольт) • IC4, IC5 – TDA2050 – усилитель мощности
• KBL02 – диодная сборка • LED1 – светодиод 5 мм
• Спаренный потенциометр 47 / 47 кОм с логарифмической зависимостью.
Трансформатор 12-0-12 или 18-0-18 на ток вторички порядка 3 Ампер.
Блок питания УНЧ
В качестве блока питания были использованы два трансформатора с блоками выпрямителей и фильтров по обычной, стандартной схеме. Для питания НЧ полосных каналов (левый и правый каналы) — трансформатор мощностью 250 ватт, выпрямитель на диодных сборках типа MBR2560 или аналогичных и конденсаторы 40000 мкф х 50 вольт в каждом плече питания. Для СЧ и ВЧ каналов — трансформатор мощностью 350 ватт (взят из сгоревшего ресивера «Ямаха»), выпрямитель — диодная сборка TS6P06G и фильтр — два конденсатора по 25000 мкф х 63 вольт на каждое плечо питания. Все электролитические конденсаторы фильтров зашунтированы плёночными конденсаторами ёмкостью 1 мкф х 63 вольта.
Усилители мощности
С выхода каждого канала фильтра сигналы ВЧ-СЧ-НЧ подаются на входы усилителй мощности, которые, также, можно собрать по любой из известных схем в зависимости от необходимой мощности всего усилителя. Я делал УМЗЧ по известной давно схеме из журнала «Радио», №3, 1991 г., стр.51. Здесь даю ссылку на «первоисточник», так как по поводу этой схемы существует много мнений и споров по повод её «качественности». Дело в том, что на первый взгляд это схема усилителя класса «B» с неизбежным присутствием искажений типа «ступенька», но это не так. В схеме применено токовое управление транзисторами выходного каскада, что позволяет избавиться от этих недостатков при обычном, стандартном включении. При этом схема очень простая, не критична к применяемым деталям и даже транзисторы не требует особого предварительного подбора по параметрам К тому же схема удобна тем, что мощные выходные транзисторы можно ставить на один теплоотвод попарно без изолирующих прокладок, так как выводы коллекторов соединены в точке «выхода», что очень упрощает монтаж усилителя:

При настройке лишь ВАЖНО подобрать правильные режимы работы транзисторов предоконечного каскада (подбором резисторов R7R8) — на базах этих транзисторов в режиме «покоя» и без нагрузки на выходе (динамика) должно быть напряжение в пределах 0,4-0,6 вольт. Напряжение питания для таких усилителей (их, соответственно, должно быть 6 штук) поднял до 32 вольт с заменой выходных транзисторов на 2SA1943 и 2SC5200, сопротивление резисторов R10R12 при этом следует также увеличить до 1,5 кОм (для «облегчения жизни» стабилитронам в цепи питания входных ОУ)
ОУ также были заменены на ВА4558, при этом становится не нужна цепь «установки нуля» (выходы 2 и 6 на схеме) и, соответственно меняется цоколёвка при пайке микросхемы. В результате при проверке каждый усилитель по этой схеме выдавал мощность до 150 ватт (кратковременно) при вполне адекватной степени нагрева радиатора.
Цоколевка
Как и большинство микросхем, ne5532 выпускается в стандартных пластиковых корпусах для дырочного или поверхностного монтажа на плату. Соответственно DIP или SO (SOIC). В большинстве случаев имеет восемь металлических выводов, но иногда встречаются и шестнадцатипиновые экземпляры. В последнем случае часть контактов не используется. Цоколевка представлена на рисунке.

Способы монтажа на плату можно определить по маркировке на микросхеме. У разных производителей она немного отличается. Например, у Texas Instruments устройства с суффиксом «D» предназначены для поверхностного монтажа, а с «P» для дырочного. On Semiconductor для обозначения DIP-корпуса использует символ «N».
Таким образом идентичные по характеристикам NE5532P от Texas Instruments и NE5532N (On Semiconductor) имеют одинаковые DIP-корпуса, но обозначаются по разному. Другие символы в маркировке, в большинстве случаев, уже никак не влияют на внешний вид, но все же подчёркивают отдельные технические характеристики микросхемы.
О микросхемах для РГ
Интересно проявили себя микросхемы. Если менять по одной – звук на слух не меняется. Но если менять одновременно все четыре микросхемы, то ясно чувствуется разница в звучании. NJM4558, -4556 дают отвратительное звучание. TL072 чуть получше. NE5532 еще лучше, но все эти микросхемы слушать тяжело.
Более-менее ровный и качественный звук дают NJM4580, но и эту микросхему лучше не использовать. Совсем другое дело – ОУ LM4562 – самый качественный звук из имеющихся у меня ОУ.
Звук явно более чистый. Но эти ОУ и подороже. Слушая их даже не верится, что может быть ОУ с еще лучшим звуком, да и представляется, что и незачем более лучший ОУ, ведь даже с этой микросхемой все упирается в качество фонограммы.
У меня из сотни дисков СД только 3-4 % обладают приемлемым для оценки аппаратуры качеством. Все остальные СД имеют грязь. И где брать качественные СД? В Интернете во Флаке ничего качественного не слышал.
Кроме самого звука вторым критерием качества, видимо, является правильная передача пространства. Например в начале песни «Зима» Ю. Лозы звук поземки на LM4562 слышится ниже подбородка – можно представить что поземка под ногами. Здорово слушается, очень красиво.
Другие микросхемы дают звук поземки где-то под носом – уже не то. Так что в предлагаемом РТ ОУ рекомендую только LM4562. Этим методом можно проверять и наушники. Отбраковка наушников очень большая. Особых требований к переменным резисторам нет.
Те, что недорогие с Алиэкспресса вполне достаточны. Обусловлено это тем, что в среднем положении резистивный слой и бегунок вообще не участвуют в передаче сигнала. Характеристика переменных резисторов безразлична, так как глубина регулировки тембра небольшая.
Приводить типы использованных резисторов и конденсаторов нет смысла – все они б/у среднего качества, но чем качественнее Вы примените свои детали, тем, видимо, будет лучше.
О качестве радиоэлементов много написано в Интернете – тут я не советчик. Но именно дорогие аудиофильские детали не требуются.
Этим схема и хороша. Вероятно даже применение SMD компонентов в простых устройствах будет оправдано именно в данной схеме.
Приводить печатную плату то же нет смысла – ведь РТ вставляется внутрь устройства по месту. Это место и определяет компоновку, а из фотографий разводка предлагаемой платы итак ясна.

Рис. 12. Вид на монтаж радиоэлементов регулятора тембра (РТ).

Рис. 13. Вид на монтаж радиоэлементов РТ – 2.
Маленькие индуктивности развязки по питанию микросхем (L1… L4, рис. 3, 11) поставлены исходя из единственного условия (их номинал мне даже неизвестен) – минимального сопротивления, чтобы не терять напряжение питания (здесь 0,2 Ома).
То есть чтобы было минимальное падение напряжения на этих индуктивностях. Ведь питание ±12 В снижать-то нежелательно. По этой же причине не поставлены последовательные стабилизаторы напряжения – на них будет большое падение напряжения и получится в лучшем случае ±10 В. А это маловато для микросхем.
Поэтому точка нуля питания жестко стабилизируется стабилитронами D1, D2 с резисторами R51, R52 (параллельно питанию (рис.11). В процессе работы они потребляют приличный ток, греются.
Но зато нет никакого падения напряжения, как было бы на последовательных стабилизаторах. И еще в этом случае в устройстве пришлось поставить несколько завышенные емкости.
Если питание было бы трехпроводное (- 12 В, 0, + 12 В) и хорошо стабилизированное, то емкости на микросхемах (1000 мкФ) можно значительно уменьшить
Важно отметить, что иногда в статьях пишут, о необходимости соединять емкостью вывод + и – питания микросхемы
Этого делать нельзя. Только на землю и + и – через свой конденсатор. Естественно электролитический конденсатор должен быть в параллели с пленочным или керамическим. Ну и рекомендуют в фильтрах для импульсных блоков питания ставить параллельно керамические и пленочные конденсаторы (как на рис.11).
Блок фильтров
Схем фильтров, также, при желании можно найти множество, так как публикаций на тему многополосных усилителей сейчас достаточно. Для облегчения этой задачи и просто для примера, я приведу здесь несколько возможных схем, найденных в различных источниках:

— схема, которая была применена мной в этом усилителе, так как частоты раздела полос оказались как раз такие, которые и нужны были «заказчику» — 500 Гц и 5 кГц и ничего пересчитывать не пришлось.

— вторая схема, попроще на ОУ.
И ещё одна возможная схема, на транзисторах:

Как уже писал ваше, выбрал первую схему из-за довольно качественной фильтрации полос и соответствии частот разделения полос заданным. Только на выходах каждого канала (полосы) были добавлены простые регуляторы уровня усиления (как это сделано, например, в третьей схеме, на транзисторах). Регуляторы можно поставить от 30 до 100 кОм. Операционные усилители и транзисторы во всех схемах можно заменить на современные импортные (с учётом цоколёвки!) для получения лучших параметров схем. Никакой настройки все эти схемы не требуют, если не требуется изменить частоты раздела полос. К сожалению, дать информацию по пересчёту этих частот раздела я не имею возможности, так как схемы искались для примера «готовые» и подробных описаний к ним не прилагалось.
Список элементов:
Резисторы:
(1% точность; металло-плёночные; 0.25W)
R1,R2,R39,R40 = 100Ohm
R3-R6,R41-R44,R78,R79 = 100kOhm
R7-R12,R16,R17,R21-R24,R33,R34,
R45-R50,R54,R55,R59-R62,R71,R72 = 1kOhm
R13,R51 = 470Ohm
R14,R15,R52,R53 = 430Ohm
R18,R35,R36,R56,R73,R74 = 22kOhm
R19,R20,R57,R58 = 20Ohm
R25-R28,R63-R66 = 3.3kOhm
R29-R32,R67-R70 = 10Ohm
R37,R38,R75,R76 = 47Ohm
R77 = 120Ohm
P1,P2,P3,P4 = 1kOhm, 10%, 1W, stereo potentiometer, линейный, например Vishay Spectrol cermet type 14920F0GJSX13102KA. или, Vishay Spectrol conductive plastic type 148DXG56S102SP.
Конденсаторы:
C1,C2,C10-C14,C26,C27,C35-C39 = 100pF 630V, 1%, polystyrene, axial
C3,C4,C28,C29 = 47µF 35V, 20%, неполярный, диаметром 8mm, расстояние между выводами 3.5mm, например Multicomp p/n NP35V476M8X11.5
C5,C6,C30,C31 = 470pF 630V, 1%, polystyrene, axial
C7,C32 = 1µF 250V, 5%, polypropylene, расстояние между выводами 15mm
C8,C9,C33,C34 = 100nF 250V, 5%, polypropylene, lead spacing 10mm
C15,C16,C40,C41 = 220µF 35V, 20%, неполярные, диаметром 13mm,расстояние между выводами 5mm, например Multicomp p/n NP35V227M13X20
C17-C25,C42-C50 = 100nF 100V, 10%, расстояние между выводами 7.5mm
C51 = 470nF 100V, 10%, расстояние между выводами 7.5mm
C52,C53 = 100µF 25V, 20%, диаметр 6.3mm, расстояние между выводами 2.5mm
Микросхемы:
IC1,IC3,IC5-IC10,IC12,IC14-IC18 = NE5532, например ON Semiconductor type NE5532ANG
IC2,IC4,IC11,IC13 = LM4562, например National Semiconductor type LM4562NA/NOPB
Разное:
K1-K4 = 4-х контактный разъём, шаг 0.1’’ (2.54mm)
K5,K6,K7 = 2-х контактный разъём, шаг 0.1’’ (2.54mm)
JP1 = 2-х контактный джампер, шаг 0.1’’ (2.54mm)
K8 = 3-х контактный винтовой блок, шаг 5mm
RE1,RE2 = реле, 12V/960Ohm, 230VAC/3A, DPDT, TE Connectivity/Axicom type V23105-A5003-A201
Продолжение следует…
Статья подготовлена по материалам журнала «Электор» (Германия)
Удачного творчества!
Главный редактор «РадиоГазеты»
Структурная схема
На рисунке ниже показана схема 1 канала:
Как видно из схемы, усилитель имеет три входа, один из которых предусматривает простую возможность добавления предусилителя-корректора для проигрывателя винила (при такой необходимости), переключатель входов, предварительный усилитель-тембролок (также трёхполосный, с регулировкой уровней ВЧ/СЧ/НЧ), регулятор громкости, блок фильтров на три полосы с регулировкой уровня усиления каждой полосы с возможностью отключения фильтрации и блок питания для оконечных усилителей большой мощности (нестабилизированный) и стабилизатор для «слаботочной» части (предварительные каскады усиления).
Конструкция самодельного усилителя
Это, пожалуй, был самый сложный момент в изготовлении, так как подходящего готового корпуса не нашлось и пришлось выдумывать возможные варианты:-)) Чтобы не лепить кучу отдельных радиаторов, решил использовать корпус-радиатор от автомобильного 4-канального усилителя, довольно больших размеров, примерно такой:
Все «внутренности» были, естественно, извлечены и компоновка получилась примерно такой (к сожалению фотографию соответствующую не сделал):
— как видно, в эту крышку-радиатор установились шесть плат оконечных УМЗЧ и плата предварительного усилителя-темброблока. Плата блока фильтров уже не влезла, поэтому была закреплена на добавленной затем конструкции из алюминиевого уголка (её видно на рисунках). Также, в этом «каркасе» были установлены трансформаторы, выпрямители и фильтры блоков питания.
Вид (спереди) со всеми переключателями и регуляторами получился такой:
Вид сзади, с колодками выходов на динамики и блоком предохранителей (поскольку никакие схемы электронной защиты не делались из-за недостатка места в конструкции и чтобы не усложнять схему):
В последующем каркас из уголка предполагается, конечно, закрыть декоративными панелями для придания изделию более «товарного» вида, но делать это будет уже сам «заказчик», по своему личному вкусу. А в целом, по качеству и мощности звучания, конструкция получилась вполне себе приличная. Автор материала: Андрей Барышев (специально для сайта сайт
).
Во многих современных аудиосистемах, будь то музыкальный центр, домашний кинотеатр или даже портативная колонка для телефона имеется эквалайзер, или, иначе говоря, темброблок. С его помощью можно регулировать АЧХ сигнала, т.е. менять количество высоких или низких частот в сигнале. Темброблоки существуют активные, построенные, в чаще всего, на микросхемах. Они требуют наличия питания, зато не ослабляют уровень сигнала. Другая разновидность темброблоков – пассивные, они слегка ослабляют общий уровень сигнала, зато не требуют питания и не вносят никаких дополнительных искажений в сигнал. Именно поэтому в высококачественной звуковой аппаратуре используются, чаще всего, именно пассивные темброблоки. В этой статье рассмотрим, как сделать простой 2-х полосный темброблок. Его можно совместить с самодельным усилителем, либо же использовать как отдельное устройство.
Технические характеристики
Согласно технических характеристик NE5532 является почти полностью биполярной, за исключением одного полевого транзистора в генераторе смещения. Сигнальный тракт включает два последовательных диффкаскада, каскада усиления по напряжению и двухтактного повторителя с защитой от перегрузки по току. Внутри так же есть четыре компенсационных конденсатора. Приведём значения предельно допустимых (максимальных) параметров .
Максимальные параметры
Максимальные значения параметров микросхемы NE5532:
- напряжение питания (VS) до ± 22 В;
- дифференциальное напряжение на входе (VDIFF) до ± 0,5 В;
- входной ток (IIN) до 10 мА;
- рабочая температура кристалла (TJ) до + 150 oC.
Максимальная рассеиваемая мощность (PD) и тепловое сопротивление ограничены характеристиками корпуса, в котором размещена микросхема. Их значения можно рассчитать по методике приведённой в стандарте JESD 51-7.
Все приведённые величины напряжений относятся к средней точке (между Vcc+ и Vcc-), т.е. для двуполярного питания. Защитные диоды на входе микросхемы ограничивают входное диффнапряжение до 0,6 В. Максимальный ток не должен превышать 10 мА.
Рекомендуемые условия эксплуатации
Стабильная работа ne5532 на максимальных значениях параметров невозможна. Они приводится производителями в техническом описании лишь для отражения предельных возможностей микросхемы. Например, даже кратковременная работа кристалла при температуре +150 oC может привести к перегреву и выходу устройства из строя. Поэтому в даташит также приводятся рекомендуемые условия эксплуатации.
Рекомендуемое производителем напряжение питания составляет от ±5 до ±15 В. Рабочая температура не должна превышать (TJ) до + 70 oC. Ниже приведем основные электрические характеристики.

Аналоги
Полный аналог NE5532 найти не сложно, в настоящее время их достаточно много. Например, таковыми являются следующие микросхемы и их модификации: AD823, AD712, LM833, OP275, RC4558. Иногда в поисках замены радиолюбители стремятся улучшить качество звучания. В этих целях в качестве альтернативы можно рассмотреть более современные ОУ: AD826, LM6172, LT1364, LM4562, THS4061.
Отечественных аналогов у NE5532 не существует.
Регулятор тембра.
Несмотря на то, что выглядит регулятор несколько необычно, тем не менее здесь применена классическая схема регулятора тембра Баксандалла. Как отмечалось выше из-за низких номиналов переменных сопротивлений номиналы конденсаторов получаются существенно больше «типовых» значений.
Конденсатор С7 (1 мкФ) определяет нижнюю частоту регулировки тембра, а конденсаторы C8 и C9 имеют значение 100 нФ и определяют частоту регулировки тембра на ВЧ. При желании глубину регулировки тембра можно увеличить до ± 10 дБ. За счет элементов IC4 исключено взаимное влияние цепей НЧ и ВЧ при регулировании тембров.
Не смотря на большие габариты и высокую стоимость, для этой части схемы настоятельно рекомендуется применение полипропиленовых конденсаторов.
Уровень шума регулятора тембра составляет всего -113 дБ в среднем положении регуляторов.
Реле RE1 служит для отключения регулятора тембра, если в нём нет необходимости. В этом случае сигнал снимается с выхода IC2A и поступает напрямую на вход IC9B в обход регулятора тембра. Чтобы избежать щелчков при коммутации служит резистор R18. Для снижения перекрестных помех коммутация в каждом канале осуществляется отдельным реле. В этом случае контактные группы реле можно запараллелить, что снизит сопротивление контактов и дополнительно повысит надёжность этой части схемы.





