Расчет автоматов и устройств защиты
Итак, мы рассчитали сечение необходимого кабеля, заодно рассчитав максимальную силу тока в цепи. По значению силы тока мы можем подобрать автомат защиты этой цепи.
Автомат защиты это электротехническое устройство, обеспечивающее автоматическое отключение электропитания цепи за безопасно короткое время при возникновении аварийных ситуаций короткого замыкания и перегрузки.
При подборе номинала автомата защиты нам понадобится округлённое в большую сторону значение силы тока нашей цепи и знание шага номиналов имеющихся в продаже. В продаже вы найдете автоматы защиты с номиналов по току 6, 10, 16, 25, 32, 64 Ампера.
Читать: Правила электромонтажных работ в квартире и доме
Чтобы выбрать устройство защиты нужно вспомнить, что это такое.
Устройство защиты или УЗО, это электротехническое устройство, обеспечивающее автоматическое отключение электропитания цепи при возникновении потенциальных угроз человеку быть пораженным электротоком.
Например, в ванной идет утечка тока от питающего кабеля на металлический корпус машины. Сила этого тока недостаточна, чтобы сработал автомат защиты. Вместе с тем во влажной среде этот ток может быть опасен для человека. УЗО определяет такие токи, которые называются дифференциальными, и отключает электропитание цепи.
При выборе УЗО нужно учесть, что:
- УЗО ставится в цепь со стороны подачи электропитания вместе с автоматом защиты.
- Устройство ставится в цепь после автомата защиты этой электрической группы.
- Номинал УЗО по току должен быть на шаг меньше номинала автомата защиты, установленного вместе с УЗО.

Данные правила относятся к УЗО отдельной группы, но не относятся к выбору УЗО используемого для защиты нескольких групп электропроводки.

Чтобы упростить задачу расчёта номиналов автоматов защиты квартирной электропроводки, есть рекомендуемый вариант, который сработает для любой средней квартиры.

В этой визуальной таблице вы видите, как нужно разбить электропроводку квартиры на группы и какой подобрать номинал автомата защиты для каждой группы.
Сборка
Первое, что нужно сделать, это настроить вольтаж на высоковольтном DC-DC с потенциометром. Для STS-5 нам нужно примерно 410V. Затем просто спаяйте все модули по схеме, я использовал однопроволочные провода, это повышает стабильность конструкции и даёт возможность собрать устройство на столе, а затем просто поместить его в кейс. Важный момент состоит в том, что нам нужно соединить минус на входе и выходе высоковольтного конвертера, я просто припаял штекер.
Так как мы не можем просто присоединить Ардуино к 400V, нам понадобится простая схема с транзистором, я просто спаял их навесным методом и обернул в термоусадочную трубку, резистор 10MΩ от +400V был закреплен прямо на коннекторе. Лучше сделать медный кронштейн для трубки, но я просто накрутил провод по кругу, всё работает нормально, не меняйте плюс и минус счетчика Гейгера. Соединяем дисплей съемным кабелем, тщательно его изолировал, так как он располагался очень близко к высоковольтному модулю.
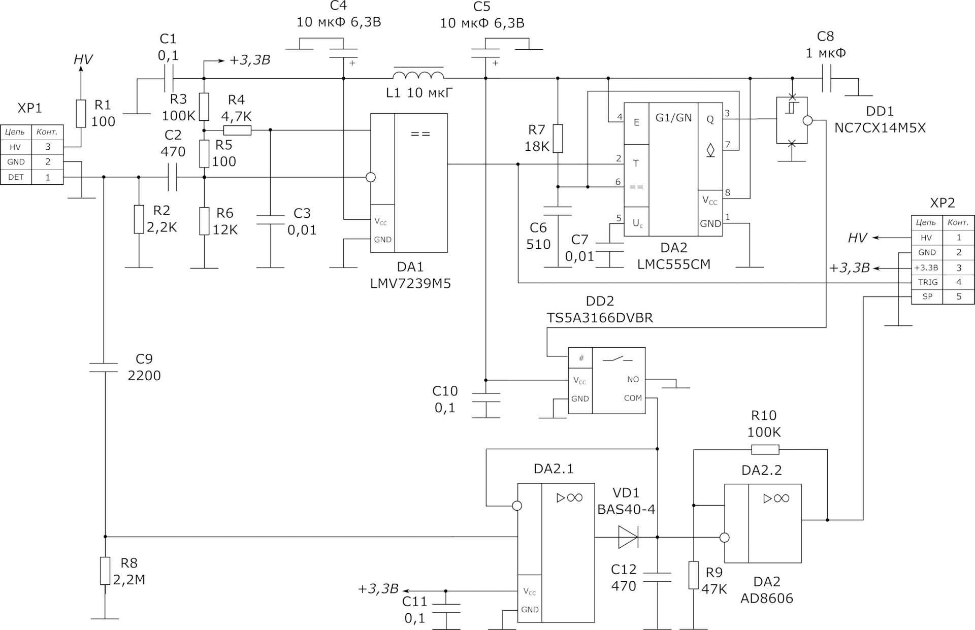
Схема самодельного дозиметра.
Схема дозиметра на микроконтроллере
Прибор предназначен для измерения ионизирующих излучений, вызванных бета — и гамма-лучи и имеет следующие параметры:
- Диапазон измеряемой дозы: 0 — 250 миллирентген/час
- Напряжение питания: 2 – 3.3 В две батареи АА
- Средний потребляемый ток: 0.5 мА при отключенной звуковой индикации
- Время выхода на рабочий режим: 30 секунд
- Период обновления показаний: 1 секунда
Прибор состоит из следующих функциональных блоков: генератор высокого напряжения для питания газоразрядного счетчика, формирователь импульсов счетчика, узел управления жидкокристаллическим дисплеем, блок звуковой индикации, и стабилизаторы напряжения для питания различных цепей устройства.
Синхронное управление всеми блоками обеспечивается микроконтроллером DD2. Высокое напряжение формируется преобразователем на транзисторе VT2 и трансформаторе T1
На затвор VT2 поступают импульсы частотой 244 Гц и скважностью примерно 4-15% от микроконтроллера DD2. В момент импульса транзистор открыт и в магнитопроводе T1 накапливается магнитная энергия
Схема самодельного радиометра.
При закрывании транзистора в обмотке I трансформатора формируется ЭДС самоиндукции, приводящая к короткому импульсу положительной полярности амплитудой порядка 60 В на стоке VT2. Это напряжение повышается обмоткой II и поступает на утроитель напряжения на диодах VD3-VD5 и конденсаторах C12-C14. Использование утроителя напряжения снижает требования к трансформатору и упрощает его конструкцию. Высокое напряжение порядка 400 В поступает на счетчик Гейгера BD1 через нагрузочный резистор R10.
Без стабилитронов напряжение на конденсаторах может превысить 800-900 В и привести к их пробою. Средний потребляемый ток по цепи T1-VT2 не превышает 0.3 мА при сопротивлении нагрузки от 40 МОм и выше.
https://youtube.com/watch?v=fAKaqQMKztM
Пошаговая инструкция изготовления счетчика Гейгера на Arduino Nano своими руками

Первое, что нужно сделать, это установить с помощью этого потенциометра напряжение на высоковольтном DC-DC, для STS-5 это примерно 410 V. Затем просто соединяют все модули по этой схеме.
Поскольку Arduino Nano нельзя подключать к 400 В, выполняют простую транзисторную схему: двухточечная проводка помещается в термоусадочную трубку и прямо в разъем вставляется резистор 10 МОм от + 400 В.
Дальше подключают дисплей к подсоединяемому кабелю, тщательно изолируют, поскольку он очень близко расположен к высоковольтному модулю.
После того как сборка сделана, устройство размещают в футляр, и проверяют работоспособность. Скорее всего, он покажет допустимый уровень радиации.
Такая схема с Arduino Nano имеет большие возможности для реконструкции, например, можно добавить большой дисплей, чтобы рисовать графику, и использовать модуль Bluetooth, чтобы передавать информацию дистанционно.
Как сделать счетчик Гейгера из готового комплекта
Практически на всех крупных международных торговых онлайн-площадках можно заказать готовые наборы для изготовления счетчика Гейгера стоимостью от 2500–5000 руб. В каждом наборе проверенные детали и платы, а также подробная инструкция сборки.
Наиболее популярные модели комплектов счетчиков Гейгера:
- KKmoon для обнаружения 20–120 мР/ч гамма-лучей и 100–1800 мР/ч бета-лучей. Поддерживает большинство трубок Гейгера: M4011, STS-5, SBM20, J305. Имеет звуковую и световую сигнализация, может подключиться к микроконтроллеру, а затем отобразить на ЖК-дисплее. Совместим с компьютером (ПК) MatLab для сбора, анализа и обработки данных.
- Baugger имеет модуль детектор ядерного излучения с ЖК-дисплеем, для обнаружения 20–120 мР/ч гамма-лучей и 100–1800 мР/ч бета-лучей. Поддерживает большинство трубок Гейгера: M4011, Sts-5, Sbm 20, J305. Оборудован звуковой и световой сигнализацией может подключиться к микроконтроллеру, а затем отобразить на ЖК-дисплее. Совместим с компьютером (ПК) MatLab для сбора, анализа и обработки данных.
- Kshzmoto, набор деталей счетчика Гейгера с ЖК-дисплеем. Имеет блок питания 5 В или аккумулятор 3×1.5 В. Батарея 4×1.2 В, ток: 30–120 мА. Диапазон измерения 20–120 мР/ч гамма-лучей и 100–1800 мР/ч бета-лучей. Оснащен звуком и световой сигнализацией. Может поддерживаться рабочее напряжение трубки Гейгера 330–600 В.
- YINCHIE Mukuai54 DIY — модуль детектора ядерного излучения с ЖК-дисплеем DIY. Поддерживает большинство трубок Гейгера: M4011, STS-5, SBM 20, J305. Оборудован звуковым и световым звуком, может работать с ПК.
Таким образом, сделать счетчик Гейгера своими руками на Arduino Nano несложно. Можно самому подобрать комплектующие, и собрать измеритель по проверенной работоспособной схеме, а можно просто купить готовый набор и подключить его схему. Такие дозиметры работают ничуть не хуже тех, которые собираются на промышленных площадках. В сегодняшнее время иметь такое устройство в доме не будет лишним, особенно, отправляясь в путешествие, чтобы найти безопасное место для отдыха или на рынок, чтобы купить экологически чистые продукты.
Цели разработки
В качестве предварительной спецификации для данной разработки был использован Международный стандарт IEC1036 (1996-09) — Счетчики электроэнергии переменного тока для активной мощности (Класса 1 и 2).
Рассматриваемый счетчик по многим показателям точности в значительной степени перекрывает основные требования стандарта, например, точность при единичном коэффициенте мощности и при низком (PF = ±0,5) коэффициенте мощности. Кроме того, динамический диапазон данного устройства расширен до 500:1. Стандарт IEC1036 нормирует точность в диапазоне от 5%×Ib до Imax (см. табл. 1). Типичные значения Imax составляют от 400 до 600% от Ib.

¹ Диапазоны допустимых токов, для которых нормируется погрешность, указаны относительно базового тока (Ib). Базовый ток определен в стандарте IEC1036 (1996-09), раздел 3.5.1.1, как величина тока, при которой определяются номинальные параметры системы. Imax представляет собой максимальный ток, при котором обеспечивается необходимая точность.
² Коэффициент мощности (PF) определяется сдвигом по фазе между напряжением в сети (частотой 45–65 Гц) и током. Коэффициент мощности может быть определен как F = cos (φ), где φ представляет собой фазовый угол между напряжением и током в случае чистой синусоиды. 3Номер класса определяется в стандарте IEC1036 (1996-09), раздел 3.5.5, размерами допустимой погрешности. Погрешность в процентах определяется формулой:
В таблице 1 приведены требования по точности для стационарного счетчика электроэнергии. Диапазон тока (динамический диапазон) по точности указан относительно базового тока Ib.
На рис. 1 представлен вариант схемы простого недорогого счетчика электроэнергии на базе AD7755. Для преобразования тока в сигнал напряжения, необходимый для работы ИС AD7755, используется шунт; сигнал напряжения снимается с обычного делителя напряжения. В качестве регистратора электроэнергии (кВт·ч) используется простой электромеханический счетчик, в котором применен двухфазный шаговый двигатель. Микросхема AD7755 может управлять подобным типом счетчиков напрямую. ИС AD7755 также имеет высокочастотный выход CF с постоянной счетчика 3200 импульсов/кВт. Выход CF подключен к светодиоду изолирующего оптрона. Этот высокочастотный выход используется для проведения ускоренной калибровки и обеспечивает возможность быстрой проверки работоспособности и точности устройства в промышленных условиях. Прибор калибруется путем изменения степени ослабления сигнала цепочкой резисторов R5-R14.

Асинхронные счётчики
Данные типы счётчиков состоят из цепочёк JK-триггеров, которые работают в счётном режиме, когда выход предыдущего триггера служит входом для следующего. В такой схеме триггеры включаются последовательно, а, следовательно, и выходы счётчика также переключаются последовательно, один за другим (отсюда второе название асинхронных счётчиков – последовательные счётчики). Так как переключение разрядов происходит с некоторой задержкой, поэтому и сигналы на выходах счётчика появляются не одновременно с входным сигналом и между собой, то есть асинхронно.
Микросхемы асинхронных счётчиков применяются не очень часто, в качестве примера можно привести микросхемы типа ИЕ2 (четырёхразрядный двоично-десятичный счётчик), ИЕ5 (четырёх разрядный двоичный счётчик) и ИЕ19 (сдвоенный четырёхразрядный счётчик).

Асинхронные счётчики: слева направо ИЕ2, ИЕ5, ИЕ19.
Данные типы счётчиков имеют входы сброса в нуль (вход R), вход установки в 9 (вход S у ИЕ2), счётный или тактовый вход (вход С) и выходы, которые могут обозначаться как номера разрядов (0, 1, 2, 4) или как вес каждого разряда (1, 2, 4, 8).
Микросхема К555ИЕ2 относится к двоично-десятичным счётчикам, то есть счёт у неё идет от 1 до 9, а потом выводы обнуляются и счёт идёт сначала. Внутренне данный счётчик состоит из четырёх триггеров, которые разделены на две группы: один триггер (вход С1, выход 1) и три триггера (вход С2, выходы 2, 4, 8). Такая внутренняя организация позволяет значительно расширить применение данного типа микросхемы, например данную микросхему можно использовать в качестве делителя на 2, на 5 или на 10. Счётчик ИЕ2 имеет два входа для сброса в нуль объединенных по И, а так же два входа для установки в 9 тоже объединённых по И.
Для реализации счёта необходимо сбросить счётчик подачей на входы R высокого логического уровня, а на один из входов S сигнал низкого уровня. В таком режиме счётчик будет «обнулён» и последовательный счёт заблокирован. Чтобы восстановить функцию счета необходимо установить на входы R низкий уровень сигнала.
Для организации делителя на 2 необходимо подавать сигнал на С1, а снимать с выхода 1; делитель на 5 подавать сигнал на С2, а снимать с выхода 8; делитель на 10 выход 8 соединяют с С1, сигнал подают на С2, а снимают с выхода 1.
Микросхема К555ИЕ5 представляет собой двоичный счётчик, в отличие от ИЕ2 считает до 16 и сбрасывается в нуль. Также как и ИЕ2 состоит из двух групп триггеров со входами С1 и С2, а выходы 1 и 2,4,8. В отличии от ИЕ2 имеет только два входа сброса в нуль, а входов установки нет.
Микросхема К555ИЕ19 практически идентична двум микросхемам К555ИЕ5 и представляет собой два чётырёхразрядных двоичных счётчика, каждый счётчик имеет свой счётный вход С и вход сброса R. Если объединить выход 8 первого счётчика и вход С второго счётчика, то можно получить восьмиразрядный двоичный счётчик.
Трехразрядный вычитающий счетчик с последовательным переносом
Рассмотрим трехразрядный вычитающий счетчик с последовательным переносом, схема и временные диаграммы работы которого приведены на рис. 3.68. {xtypo_quote}В счетчике используются три JK-триггера, каждый из которых работает в режиме Т-триггера (триггера со счетным входом).{/xtypo_quote}
На входы J и К каждого триггера поданы логические 1, поэтому по приходу заднего фронта импульса, подаваемого на его вход синхронизации С, каждый триггер изменяет предыдущее состояние. Вначале сигналы на выходах всех триггеров равны 1. Это соответствует хранению в счетчике двоичного числа 111 или десятичного числа 7. После окончания первого импульса F первый триггер изменяет состояние: сигнал Q1 станет равным 0, a ¯Q1 − 1.
Остальные триггеры при этом свое состояние не изменяют. После окончания второго импульса синхронизации первый триггер вновь изменяет свое состояние, переходя в состояние 1, (Qx = 0). Это обеспечивает изменение состояния второго триггера (второй триггер изменяет состояние с некоторой задержкой по отношению к окончанию второго импульса синхронизации, так как для его опрокидывания необходимо время, соответствующее времени срабатывания его самого и первого триггера).
После первого импульса F счетчик хранит состояние 11О. Дальнейшее изменение состояния счетчика происходит аналогично изложенному выше. После состояния 000 счетчик вновь переходит в состояние 111.
Микросхема К561ИЕ8. Описание
Рейтинг: / 5
- Подробности
- Категория: Микросхемы
- Опубликовано: 11.02.2018 12:27
- Просмотров: 4405
Довольно популярная микросхема К561ИЕ8 (зарубежный аналог CD4017) является десятичным счетчиком с дешифратором. В своей структуре микросхема имеет счетчик Джонсона (пятикаскадный) и дешифратор, позволяющий переводить код в двоичной системе в электрический сигнал появляющийся на одном из десяти выходов счетчика. Счетчик К561ИЕ8 выпускается в 16 контактном корпусе DIP. Технические параметры счетчика К561ИЕ8: — Напряжение питания: 3…15 вольт — Выходной ток (0): 0,6 мА — Выходной ток (1): 0,25 мА — Выходное напряжение (0): 0,01 вольт — Выходное напряжение (1): напряжение питания — Ток потребления: 20 мкА — Рабочая температура: -45…+85 °C
Назначения выводов К561ИЕ8 : — Вывод 15 (Сброс) — счетчик сбрасывается в нулевое состояние при поступлении на данный вывод сигнала лог.1. Предположим, вы хотите, чтобы счетчик считал только до третьего разряда (вывод 4), для этого вы должны соединить вывод 4 с выводом 15 (Сброс). Таким образом, при достижении счета до третьего разряда, счетчик К561ИЕ8 автоматически начнет отсчет с начала. — Вывод 14 (Счет) – вывод предназначен для подачи счетного тактового сигнала. Переключение выходов происходит по положительному фронту сигнала на выводе 14. Максимальная частота составляет 2 МГц. — Вывод 13 (Стоп) – данный вывод, в соответствии от уровня сигнала на нем, позволяет останавливать или запускать работу счетчика. Если необходимо остановить работу счетчика, то для этого необходимо на данный вывод подать лог.1. При этом даже если на вывод 14 (Счет) по-прежнему будет поступать тактовый сигнал, то на выходе счетчика переключений не будет. Для разрешения счета вывод 13 необходимо соединить с минусовым проводом питания. — Вывод 12 (Перенос) – данный вывод (вывод переноса) используются при создании многокаскадного счетчика из нескольких К561ИЕ8. При этом вывод 12 первого счетчика соединяют с тактовым входом 14 второго счетчика. Положительный фронт на выходе переноса (12) появляется через каждые 10 тактовых периодов на входе (14). — Выводы 1-7 и 9-11 (Q0…Q9) — выходы счетчика. В исходном состоянии на всех выходах находится лог.0, кроме выхода Q0 (на нем лог.1). На каждом выходе счетчика высокий уровень появляется только на период тактового сигнала с соответствующим номером. — Вывод 16 (Питание) – соединяется с плюсом источника питания. — Вывод 8 (Земля) – данный вывод соединяется с минусом источника питания. Временная диаграмма работы счетчика К561ИЕ8
Оставлять комментарии могут только зарегистрированные пользователи
Выбор частотной характеристики фильтра
Помимо амплитудно-частотной характеристики, все фильтры имеют также фазо-частотную характеристику. АЧХ и ФЧХ простого RC-фильтра (R = 1 кОм, C = 0,033 мкФ) показаны на рис. 6 и 7. Из графика на рис. 6 видно, что подавление на частоте 900 кГц для этого простейшего ФНЧ превышает 40 дБ. Этого достаточно, чтобы надежно избежать эффектов наложения спектра (aliasing).
В предыдущем разделе говорилось, что фазовый сдвиг может привести к значительной погрешности, если фазо-частотные характеристики фильтров низкой частоты в канале V1 и V2 не совпадают. Расхождение фазовых характеристик легко может произойти из-за невысокой точности по допуску номиналов компонентов в фильтрах низкой частоты. Чем ниже частота среза антиалайзингового НЧ-фильтра (частота по уровню –3 dB), тем большее влияние оказывает данный фактор на основной частоте сигнала — частоте сети. Даже если частота среза составляет 4,8 кГц, (R = 1 кОм, C = 0,033 мкФ), фазовая погрешность, привнесенная расхождением значений номиналов компонентов, может быть значительной. Рис. 8 иллюстрирует это положение. На рис. 8 показана фазо-частотная характеристика простого ФНЧ на частоте 50 Гц для значений R = 1 кОм ± 10%, С = 0,033 мкФ ± 10%. Напоминаем, что сдвиг фазы на 0,2° может привести к погрешности в 0,6% при низких значениях коэффициента мощности. В данной конструкции в анти-алайзинговых фильтрах использованы резисторы с допуском 1% и конденсаторы с допуском 10%, чтобы избежать возможных проблем, связанных с расхождением фаз сигналов. Другой возможный вариант — частота среза может быть отодвинута до значений 10–15 кГц. Однако частота среза не может быть слишком большой, так как тогда фильтр перестанет подавлять высокочастотные составляющие сигнала, то есть выполнять свою основную функцию, и в выходном сигнале появятся шумы.
Обратите внимание, что по этой же причине были приняты соответствующие меры при разработке цепи калибровки в канале V2 (канале напряжения). Калибровка данного счетчика путем подбора сопротивления цепи делителя не влияет на значение частоты среза, а значит, и на фазо-частотную характеристику цепи канала V2 (см
раздел «Калибровка счетчика»). На графике рис. 9 показаны положения фазо-частотной характеристики схемы при изменении сопротивления цепи калибровки от 660 кОм (когда перемычки J1–J10 установлены) до 1,26 МОм (когда эти перемычки удалены).
Необходимые компоненты схемы детектора
Для того чтобы собрать представленную схему потребуются приобрести следующие детали:
- Преобразователь высокого напряжения NoEnName_Null. Вход 3–5 В, выход до 300–1200 В. Размер модуля: около: 25×48 мм. Выходной ток максимум 50 мА, регулируемый модуль блока питания.
- Зарядное устройство Tikta Mini MICRO USB 1A TP4056. Литий-ионная плата 1×5 V позволяет заряжать аккумулятор с помощью разъема Mini USB или входа 4.5–5.5 В.
- Преобразователь напряжения DROK Mini DC Volts 1V — 5V, неизолированный модуль BOOST. Размеры печатной платы: 14.1×18.8×5.5 мм, входное напряжение: 1–5 В постоянного тока, выходное напряжение: 5.1–5.2 В постоянного тока, одиночный литиевый вход с выходным током 1–1.5 A.
- Arduino Nano V3.0 — плата ELEGOO Nano CH340 / ATmega328P без USB-кабеля. Совместимая с Arduino Nano V3.0.Nano использует чипы ATmega328P и CH340, с большим количеством аналоговых входных контактов и встроенной перемычкой + 5V AREF. Есть возможности макета Boarduino и Mini + USB с меньшими размерами, которое хорошо работает с Mini или Basic Stamp. Может получать питание через USB-соединение Mini-B, нерегулируемый внешний источник питания 7–12 В (контакт 30) или регулируемый внешний источник питания 5 В (контакт 27). Источник питания автоматически выбирает источник с самым высоким напряжением.
- OLED-дисплей HiLetgo 0,91 » для Arduino STM32, подсветка не нужна, поскольку имеется самоподсветка. Цвет дисплея: синий. Использует распространенную шину I2C и работает на драйвере дисплея SSD1306. OLED с высоким разрешением для любого проекта микроконтроллера. 128×32 пикселей дает хороший четкий текст, может работать от 3.3 В. Разборчивый текст даже с 4-мя строками. Напряжение 5 В.
- Комплект резисторов 10М и 10К, соответствующих требованиям RoHS.
- Монолитный многослойный керамический конденсатор 470pf Hilitchi 550Pcs, допуск емкости: ± 5%. Основной материал: керамика. Цвет: желтый. Отличная влагостойкость, миниатюрный размер, большая емкость, надежная работа. Широкое применение в компьютерах, обработке данных, телекоммуникациях и промышленном управлении.
- Мини-кнопочный переключатель DPDT с мгновенным выходом, uxcell 6-контактный квадратный 7×7 мм, количество контактов: 6, шаг штифта: 4.5×1 мм, длина штифта 3.5 мм. Материал пластик, вес: 24 г.
Как смотать счетчик электроэнергии
Для стопора или замедления данного прибора существует несколько способов, которые подходят как для тех, кто обладает знаниями в области электроники (для данной категории подойдет изготовление прибора для отмотки электросчетчика своими руками), так и для тех, кто не желает усложнять этот процесс, ограничившись простой и надежной схемой.

Как отмотать электросчетчик методом гирлянды
Краткое описание: Этот метод позволяет использовать источник питания без ограничений, включая устройства в некоторых розетках через удлинители. Счетчик их не считает. При включении же нагрузки на самой розетке он работает нормально. Для этого необходимо подготовить розетку и удлинитель специальным образом, а также слегка изменить схему подключения (кардинальных изменений не требуется) В доме, использующем евро, изменения проводки невелики. Этот метод основан на особенности устройства счетчика.
Преимущества: Не нужно касаться конструкции самого счетчика и не требуется делать дополнительную разводку по дому. Этот метод применим к частному сектору и высотным зданиям. Данный метод может быть использован с электромеханическими и цифровыми счетчиками. Трудно определить факт незаконного использования и доказать что-то, потому что счетчик будет работать должным образом. Весь процесс может быть произведен человеком, не имеющим знаний в электротехнике. В течение периода торможения нет никаких ограничений, можно использовать любое оборудование.
Как использовать CD4060
Прежде всего, нам необходимо подключить вывод VDD к положительной клемме питания, а вывод GND — к отрицательной клемме питания. Мы можем использовать источник питания с напряжением от 3 до 15 В. Хотя некоторые версии микросхемы 4060 поддерживают напряжение до 20В. Все это можно уточнить в datasheet на CD4060
Чтобы активировать генератор, подключите резистор Rt к выводу REXT, конденсатор Ct к выводу CEXT и резистор R2 к выводу CLK и соедините все оставшиеся свободные выводы Rt, Ct и R2 вместе:
Стенд для пайки со светодиодной подсветкой
Материал: АБС + металл + акриловые линзы. Светодиодная подсветка…
Подробнее
Расчет частоты работы генератора можно рассчитать по следующей формуле:
f (Гц) = 1 / ( 2,3 * Ct * Rt )
Обратите внимание, что сопротивление резистора Rt должно быть намного ниже сопротивления R2, чтобы формула была правильной. Если мы хотим сбросить счетчик обратно на ноль, то на вывод RST (сброс) необходимо подать высокий уровень
В обычной ситуации, чтобы микросхема работала на RST должен быть низкий уровень
Если мы хотим сбросить счетчик обратно на ноль, то на вывод RST (сброс) необходимо подать высокий уровень. В обычной ситуации, чтобы микросхема работала на RST должен быть низкий уровень.
Используйте любой из Q-контактов в качестве выходного сигнала для управления всем тем, чем вы хотите управлять. Выход становятся высокими после того, как:
- Q3 становится высоким после 23 = 8 тактовых импульсов
- Q4 становится высоким после 24 = 16 тактовых импульсов
- Q5 становится высоким после 25 = 32 тактовых импульсов
- Q6 становится высоким после 26 = 64 тактовых импульсов
- Q7 становится высоким после 27 = 128 тактовых импульсов
- Q8 становится высоким после 28 = 256 тактовых импульсов
- Q9 становится высоким после 29 = 512 тактовых импульсов
- Q11 становится высоким после 211 = 2048 тактовых импульсов
- Q12 становится высоким после 212 = 4096 тактовых импульсов
- Q13 становится высоким после 213 = 8192 тактовых импульсов
Подавление влияния паразитной индуктивности шунта
Влияние паразитной индуктивности шунта проиллюстрировано на рис. 11. Здесь на графике показаны фазочастотная и амплитудночастотная характеристики антиалайзингового фильтра при наличии паразитной индуктивности величиной 2 нГн (сплошной линией) и без нее (пунктирной). Из графика видно, что влиянию паразитной индуктивности подвергается как АЧХ, так и ФЧХ. Ослабление сигнала на частоте 1 МГц теперь составляет только около –15 дБ, что может привести к некоторым проблемам с воспроизводимостью и точностью данного устройства в условиях повышенного уровня шума
Что еще более важно, между сигналами в каналах тока и напряжения может появиться нежелательный фазовый сдвиг. Если предположить, что схема сделана так, чтобы обеспечить идеальное совпадение фаз сигналов в канале V1 и V2, то теперь появляется фазовый сдвиг величиной 0,1° на частоте 50 Гц
Обратите внимание, что фазовый сдвиг величиной 0,1° будет приводить к погрешности измерения в 0,3% при коэффициенте мощности PF = ±0,5 (см. уравнение 2, раздел «Совпадение фазы в каналах счетчика»)
Эта проблема возникает из-за появления дополнительного нуля в передаточной характеристике антиалайзингового фильтра. При помощи упрощенной модели шунта, показанной на рис. 10, положение нуля определяется как RSH1/LSH1.
Одним из путей устранения эффекта дополнительного нуля характеристики является добавление дополнительного полюса в той же точке, где находится нуль (или вблизи нее). Добавление RC-цепочки на каждый аналоговый вход канала V1 обеспечит требуемый дополнительный полюс. Новая антиалайзинговая схема для канала V1 показана на рис. 12. Для упрощения вычислений, чтобы продемонстрировать принцип работы, предполагается, что RS и CS имеют одинаковые величины.
На рис. 12 также приведены уравнения, определяющие положение нулей и полюсов схемы. Назначение полюса № 1 заключается в подавлении влияния нуля, возникающего из-за наличия индуктивности шунта. Полюс № 2 выполняет функцию антиалайзингового фильтра, как описано в разделе «Антиалайзинговые фильтры». Ниже проиллюстрирован простой пример вычисления для шунта сопротивлением 330 мкОм с паразитной индуктивностью 2 нГн. Положение полюса № 1 определяется следующим образом:
Для RSH1 = 330 мкОм, LSH1 = 2 нГн, С = 0,033 мкФ получаем в результате значение R = 480 Ом приблизительно (можно использовать 470 Ом из стандартного ряда). Положение полюса № 1 соответствует 165000 радиан или 26,26 кГц. Полюс № 2 находится на частоте
Чтобы устранить расхождение фаз сигналов между каналами V1 и V2, полюс в канале V2 должен быть расположен точно так же. При значении C = 0,033 мкФ новая величина резистора в антиалайзинговом фильтре в канале V2 должна составлять приблизительно 1,23 кОм (используйте 1,2 кОм).
На рис. 13 показано, как влияет схема компенсации на фазо-частотную и амплитудно-частотную характеристики антиалайзингового фильтра в канале V1. Пунктирной линией показана частотная характеристика канала V2 при использовании реальных величин заново рассчитанных компонентов, т. е. 1,2 кОм и 0,033 мкФ. Сплошной линией показана частотная характеристика канала V1 с учетом паразитной индуктивности шунта
Обратите внимание, что АЧХ и ФЧХ очень близки к идеальным, показанным пунктирными линиями. Это соответствие обеспечивается действием схемы компенсации
Данный метод компенсации хорошо работает, если полюс, возникающий из-за наличия паразитной индуктивности у шунта, находится на частоте не выше приблизительно 25 кГц. Если нуль характеристики находится на гораздо более высокой частоте, его влияние может быть устранено просто добавлением дополнительной RC-цепочки в канале V1 с полюсом, располагающимся гораздо выше, чем полюс антиалайзингового фильтра, например, RC-цепочки 100 Ом и 0,033 мкФ.
При выборе шунта нужно руководствоваться требованием, чтобы его паразитная индуктивность была минимальна
Это особенно важно для шунтов с низким сопротивлением, ниже чем приблизительно 200 мкОм
Обратите внимание, что чем меньше сопротивление шунта, тем ниже частота, на которой располагается нуль характеристики при данной паразитной индуктивности (Нуль = RSH1/LSH1)




