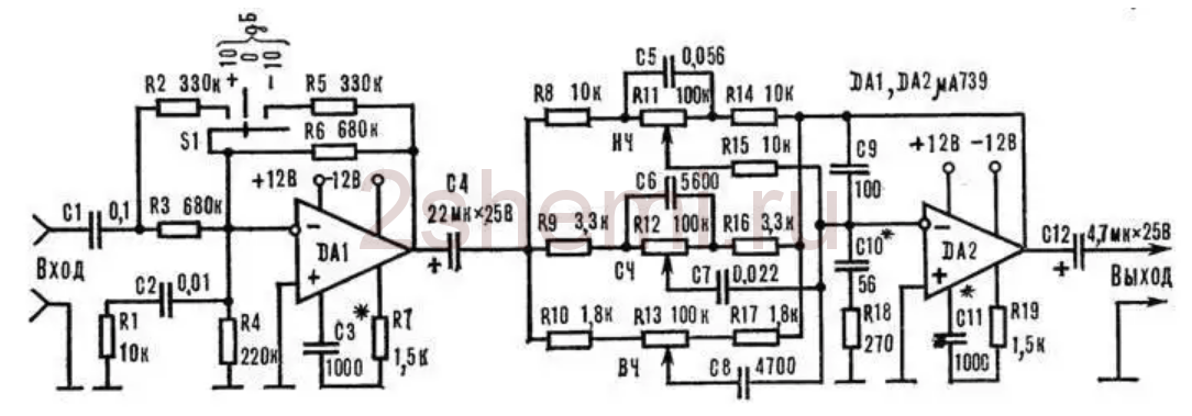
Электрическая схема блока регуляторов.
C1, C5, C6, C12 – 0,1mkF
C2, C9 – 2,2mkF
C3, C10 – 56nF
C4, C11 – 15nF
C7 – 100mkF
C8 – 220nF
R1 – 2,2k
R2, R6, R7, R11 – 47k
R3, R8 – 24k
R4, R9 – 24k
R5, R10 – 200R
IC1 – TDA1524A
Резисторы R4(R9) и R3(R8) представляют собой делитель напряжения на два, который обеспечивает согласование уровня аудио сигнала с предварительным усилителем микросхемы на уровне 250мВ (эфф.). При этом предполагается, что входное номинальное напряжение оконечного усилителя будет 0,5В(эфф).
Конденсаторы C1, C5, C6, C12 устраняют «шуршание» и наводки, которые могут проникнуть в цепи управления.
Конденсаторы C2, C9 – разделительные.
Резисторы R5, R10 защищают выход микросхемы от перегрузки.
Конденсатор C7 – фильтр внутреннего источника питания.
Конденсатор C8 – блокировочный.
Конденсаторы C3, C4, C10, C11 формируют АЧХ темброблока.
↑ Предварительный усилитель для «студенческого» УМЗЧ
Перейдем к построению предварительного усилителя для «студенческого» УМЗЧ. Принципиальная схема одного канала усилителя для УМЗЧ Питера Смита представлена на рис. 11. Входной сигнал подается непосредственно на пассивный регулятор тембра. Дело в том, что современные источники звука (персональный компьютер, ноутбук, проигрыватель компакт-дисков, DVD – проигрыватель) имеют малое выходное сопротивление и высокий уровень сигнала, достаточный для непосредственной работы с усилителем мощности (0,5…2 В эфф.). Фильтр R1 – R3, C2, C3 производит регулировку тембра в нижней частотной области, а R5, — R7, C4, C5 – в верхней. Буферный резистор R4 служит для уменьшения влияния фильтров друг на друга. Параметры элементов фильтров выбирают таким образом, чтобы примерно в среднем положении движков резисторов регуляторов тембра R2 и R6 АЧХ была горизонтальной; при этом коэффициент передачи регулятора тембра меньше единицы.
При перемещении движка резистора R2 в верхнее (по схеме рис. 11) положение получаем подъем АЧХ на нижних частотах; смещая движок в нижнее положение – завал. Аналогичным образом работает регулятор тембра R6, который осуществляет регулировку АЧХ в области высоких частот.
Регулятор тембра нагружен на регулятор уровня сигнала R8.1, далее следует усилительный каскад на малошумящем операционном усилителе OPA2134, включенном по неинвертирующей схеме. Его назначение – компенсировать затухание, вносимое регулятором тембра и обеспечить низкое выходное сопротивление, необходимое для работы усилителя мощности.
На выходе предварительного усилителя установлена индуктивность L1 – «бусинка» из феррита, применяемая в телевизорах и компьютерной технике (материнских платах, платах ввода-вывода, мониторах и т.п.). В результате принятых мер коэффициент гармоник предварительного усилителя на частоте 1 кГц не превышает одной десятитысячной доли процента!
Исключён фрагмент. Полный вариант статьи доступен меценатам и полноправным членам сообщества. Читай условия доступа.
Рис. 11. Принципиальная схема темброблока и предварительного усилителя для «студенческого» УМЗЧ
Экспериментальная проверка нескольких экземпляров операционных усилителей показала, что и без конденсатора в заземленной ветви делителя отрицательной обратной связи постоянное напряжение на выходе составляет единицы милливольт. Тем не менее, из соображений универсальности применения, на входе темброблока и выходе предварительного усилителя включены разделительные конденсаторы (С1, С6). В зависимости от требуемой чувствительности усилителя величину сопротивления резистора R10 выбирают из табл. 2. Следует стремиться не к точному значению сопротивлений резисторов, а их попарному равенству в каналах усилителя.
Таблица 2

▼ Файловый сервис недоступен. Зарегистрируйтесь или авторизуйтесь на сайте.
Главным недостатком пассивного регулятора тембра является низкий коэффициент передачи. Другой недостаток заключается в том, что для получения линейной зависимости уровня громкости от угла поворота необходимо использовать переменные резисторы с логарифмической характеристикой регулирования (кривая «В»). Достоинством пассивных регуляторов тембра является меньшие искажения, чем активных (например, регулятора тембра Баксандала, рис. 12).

Рис. 12. Активный регулятор тембра П. Баксандала Как видно из схемы, показанной на рис. 12, активный регулятор тембра содержит пассивные элементы (резисторы R1 — R7, конденсаторы C1 – C4), включенные в стопроцентную параллельную отрицательную обратную связь по напряжению операционного усилителя DA1. Коэффициент передачи данного регулятора в среднем положении движков регуляторов тембра R2 и R6 равен единице, а для регулировки используются переменные резисторы с линейной характеристикой регулирования (кривая «А»). Иными словами, активный регулятор тембра свободен от недостатков пассивного регулятора. Однако по качеству звучания этот регулятор явно хуже пассивного, что замечают даже неискушенные слушатели.
↑ Делаем «правильный» регулятор тембров
На практике могут быть использованы все приведенные выше схемы пассивных регуляторов тембра, что открывает простор для творчества. Для выбора «своего» регулятора тембра были проведены субъективные прослушивания, в ходе которых выяснилось, что регуляторы с небольшим (от ±6 до ±10 дБ) пределами регулирования практически не ухудшают качество звучания. Небольшой диапазон регулировок вполне достаточен для устранения мелких огрехов фонограмм и в то же время не допускает «накручивания» тембров, которым грешат многие любители. В итоге я выбрал схему темброблока с пределами регулирования ±8 дБ, показанную на рис. 10 со следующими значениями пассивных элементов: R1=15 кОм, R2=R6=50 кОм, R3=4,02 кОм, R4=5,1 кОм, R5=2,4 кОм, R7=2 кОм, C0=1 мкФ, C1=0,1 мкФ, C2=0,33 мкФ, C3=3300 пФ, C4=0,01 мкФ.
Структурная схема
На рисунке ниже показана схема 1 канала:
Как видно из схемы, усилитель имеет три входа, один из которых предусматривает простую возможность добавления предусилителя-корректора для проигрывателя винила (при такой необходимости), переключатель входов, предварительный усилитель-тембролок (также трёхполосный, с регулировкой уровней ВЧ/СЧ/НЧ), регулятор громкости, блок фильтров на три полосы с регулировкой уровня усиления каждой полосы с возможностью отключения фильтрации и блок питания для оконечных усилителей большой мощности (нестабилизированный) и стабилизатор для «слаботочной» части (предварительные каскады усиления).
Регулятор тембра.
Несмотря на то, что выглядит регулятор несколько необычно, тем не менее здесь применена классическая схема регулятора тембра Баксандалла. Как отмечалось выше из-за низких номиналов переменных сопротивлений номиналы конденсаторов получаются существенно больше «типовых» значений.
Конденсатор С7 (1 мкФ) определяет нижнюю частоту регулировки тембра, а конденсаторы C8 и C9 имеют значение 100 нФ и определяют частоту регулировки тембра на ВЧ. При желании глубину регулировки тембра можно увеличить до ± 10 дБ. За счет элементов IC4 исключено взаимное влияние цепей НЧ и ВЧ при регулировании тембров.
Не смотря на большие габариты и высокую стоимость, для этой части схемы настоятельно рекомендуется применение полипропиленовых конденсаторов.
Уровень шума регулятора тембра составляет всего -113 дБ в среднем положении регуляторов.
Реле RE1 служит для отключения регулятора тембра, если в нём нет необходимости. В этом случае сигнал снимается с выхода IC2A и поступает напрямую на вход IC9B в обход регулятора тембра. Чтобы избежать щелчков при коммутации служит резистор R18. Для снижения перекрестных помех коммутация в каждом канале осуществляется отдельным реле. В этом случае контактные группы реле можно запараллелить, что снизит сопротивление контактов и дополнительно повысит надёжность этой части схемы.
Активный регулятор громкости.
Регулятор громкости также реализован по идее Питера Баксандалла, что во-первых позволило получить сверхнизкий уровень шума (особенно на малых громкостях), а во-вторых получить логарифмическую характеристику регулирования при использовании потенциометров с линейной зависимостью сопротивления от угла поворота. Максимальное усиление составляет +16 дБ, при этом точка 0 дБ получается в среднем положении потенциометра.
Четыре соединённых параллельно усилителя, как отмечалось выше, служат для снижения уровня шума на 6 дБ. Уровень собственных шумов такого регулятора составляет -101 дБ при максимальном усилении и -109 дБ при усилении 0 дБ. На практике регулятор громкости обычно устанавливается в положении -20 дБ, тогда уровень шума составит -115 дБ, который существенно ниже порога слышимости.
Чтобы вы могли оценить качество каждого каскада для них были приведены собственные уровни шумов. Результирующий уровень шума данного предусилителя, как нетрудно догадаться, будет несколько варьироваться в зависимости от положения потенциометров.
Симметричный выход реализован за счёт фазоинвертора на ОУ IC9A и имеет двойную амплитуду сигнала по сравнению с несимметричным. Впрочем, это нормально для профессиональной аудиотехники.
Какие преимущества у электронных регуляторов по сравнению с механическими?
Главное преимущество применения блока электронных регуляторов в отсутствии необходимости поиска потенциометров с разными передаточными характеристиками, но одинаковыми типоразмерами.
Сдвоенные потенциометры.
- Потенциометр типа СП3-4.
- Потенциометр импортного производства.
- Потенциометр СП3-33-24 с выводом тонкомпенсации.
Например, для регулятора громкости потребовался бы сдвоенный потенциометр с характеристикой обратной логарифмической, а для регулятора стереобазы – с линейной характеристикой.
Поиск же сдвоенного потенциометра с отводами, для организации тонкомпенсации, и вовсе мог бы не увенчаться успехом.
А при электронной регулировке сигнала, для всех регуляторов можно использовать переменные резисторы с линейной зависимостью. Микросхема сама сформирует нужную передаточную характеристику необходимую для каждого регулятора.
Электронные регуляторы не только упрощают поиск и подбор компонентов, но и снимает проблему, так называемого, «шуршания» потенциометров.
Блок фильтров
Схем фильтров, также, при желании можно найти множество, так как публикаций на тему многополосных усилителей сейчас достаточно. Для облегчения этой задачи и просто для примера, я приведу здесь несколько возможных схем, найденных в различных источниках:
— схема, которая была применена мной в этом усилителе, так как частоты раздела полос оказались как раз такие, которые и нужны были «заказчику» — 500 Гц и 5 кГц и ничего пересчитывать не пришлось.
— вторая схема, попроще на ОУ.
И ещё одна возможная схема, на транзисторах:
Как уже писал ваше, выбрал первую схему из-за довольно качественной фильтрации полос и соответствии частот разделения полос заданным. Только на выходах каждого канала (полосы) были добавлены простые регуляторы уровня усиления (как это сделано, например, в третьей схеме, на транзисторах). Регуляторы можно поставить от 30 до 100 кОм. Операционные усилители и транзисторы во всех схемах можно заменить на современные импортные (с учётом цоколёвки!) для получения лучших параметров схем. Никакой настройки все эти схемы не требуют, если не требуется изменить частоты раздела полос. К сожалению, дать информацию по пересчёту этих частот раздела я не имею возможности, так как схемы искались для примера «готовые» и подробных описаний к ним не прилагалось.
Селектор входов
Как упоминалось ранее, каждый вход RCA переключается с помощью шины управления (разъём CON4). Для включения входа соответствующий контакт надо соединить с землей (GND). В следующих статьях мы опишем конструкцию блока дистанционного управления усилителем (только если будет интерес читателей!).
Но дешевле и проще (или хотя бы временно) для коммутации входов использовать галетный переключатель. Для этого потребуется однополюсный 5-позиционный галетный переключатель и кабель для его подключения.
Так как по кабелю аудиосигнал не передаётся, то его длина и расположение в корпусе не критичны.
Увеличение по клику
Блок питания УНЧ
В качестве блока питания были использованы два трансформатора с блоками выпрямителей и фильтров по обычной, стандартной схеме. Для питания НЧ полосных каналов (левый и правый каналы) — трансформатор мощностью 250 ватт, выпрямитель на диодных сборках типа MBR2560 или аналогичных и конденсаторы 40000 мкф х 50 вольт в каждом плече питания. Для СЧ и ВЧ каналов — трансформатор мощностью 350 ватт (взят из сгоревшего ресивера «Ямаха»), выпрямитель — диодная сборка TS6P06G и фильтр — два конденсатора по 25000 мкф х 63 вольт на каждое плечо питания. Все электролитические конденсаторы фильтров зашунтированы плёночными конденсаторами ёмкостью 1 мкф х 63 вольта.
Конструкция самодельного усилителя
Это, пожалуй, был самый сложный момент в изготовлении, так как подходящего готового корпуса не нашлось и пришлось выдумывать возможные варианты:-)) Чтобы не лепить кучу отдельных радиаторов, решил использовать корпус-радиатор от автомобильного 4-канального усилителя, довольно больших размеров, примерно такой:
Все «внутренности» были, естественно, извлечены и компоновка получилась примерно такой (к сожалению фотографию соответствующую не сделал):
— как видно, в эту крышку-радиатор установились шесть плат оконечных УМЗЧ и плата предварительного усилителя-темброблока. Плата блока фильтров уже не влезла, поэтому была закреплена на добавленной затем конструкции из алюминиевого уголка (её видно на рисунках). Также, в этом «каркасе» были установлены трансформаторы, выпрямители и фильтры блоков питания.
Вид (спереди) со всеми переключателями и регуляторами получился такой:
Вид сзади, с колодками выходов на динамики и блоком предохранителей (поскольку никакие схемы электронной защиты не делались из-за недостатка места в конструкции и чтобы не усложнять схему):
В последующем каркас из уголка предполагается, конечно, закрыть декоративными панелями для придания изделию более «товарного» вида, но делать это будет уже сам «заказчик», по своему личному вкусу. А в целом, по качеству и мощности звучания, конструкция получилась вполне себе приличная. Автор материала: Андрей Барышев (специально для сайта сайт
).
Во многих современных аудиосистемах, будь то музыкальный центр, домашний кинотеатр или даже портативная колонка для телефона имеется эквалайзер, или, иначе говоря, темброблок. С его помощью можно регулировать АЧХ сигнала, т.е. менять количество высоких или низких частот в сигнале. Темброблоки существуют активные, построенные, в чаще всего, на микросхемах. Они требуют наличия питания, зато не ослабляют уровень сигнала. Другая разновидность темброблоков – пассивные, они слегка ослабляют общий уровень сигнала, зато не требуют питания и не вносят никаких дополнительных искажений в сигнал. Именно поэтому в высококачественной звуковой аппаратуре используются, чаще всего, именно пассивные темброблоки. В этой статье рассмотрим, как сделать простой 2-х полосный темброблок. Его можно совместить с самодельным усилителем, либо же использовать как отдельное устройство.
Источник питания
Источник питания трансформаторный, на низкочастотном силовом трансформаторе Т1 типа 109-01AF11-01. У него первичная обмотка на 220V, а вторичная на 26V и ток 2,2А с отводом от средней части. Отвод образует среднюю точку (GND).
Поскольку есть отвод от центра вторичной обмотки, схему выпрямителя решено было сделать по двухполупериодной схеме на двух диодах VD1 и VD2.

Рис. 2. Принципиальная схема источника питания для самодельного усилителя НЧ на TDA2003.
Источник не стабилизированный. Можно использовать другой трансформатор с аналогичными параметрами. Если будет одна обмотка на 11-13V, схему выпрямителя нужно будет сделать мостовой на четырех диодах. Можно питать и от готового источника, постоянным напряжением 12-18V при токе не ниже 2 А, например, от блока питания какой-то компьютерной периферии или оргтехники.
Трехполосный усилитель на транзисторах и ОУ (14 Вт)
Схема самодельного трехполосного усилителя мощности НЧ на транзисторах и ОУ, выходная мощность 14 Вт. Разделение сигнала на полосы в тракте предварительного усиления — эффективный путь повышения качества звуковоспроизведения. Это позволяет снизить интермодуляционные искажения, сравнительно простыми средствами получить линейную амплитудно-частотную характеристику по звуковому давлению, упростить конструкцию усилителей мощности, так как каждый из них работает в узкой полосе частот.
Основные параметры усилителя:
- Номинальный диапазон частот (при неравномерности АЧХ не более ±3 дБ), Гц — 20. 200 000;
- Частоты раздела, Гц — 400 и 4000;
- Номинальная выходная мощность, Вт, канала НЧ и СЧ на нагрузке сопротивлением 8 Ом — 14;
- Номинальная выходная мощность, Вт, канала ВЧ на нагрузке сопротивлением 16 Ом — 5;
- Коэффициент гармоник, %, при выходной мощности 4 Вт, на частоте, Гц: 100 — 0,4; 1 000 — 0,7; 10 000 — 0,4; 20 000 — 0,5;
- Относительный уровень шумов и фона, дБ канала: НЧ —90; СЧ и ВЧ —80;
- Переходное затухание между каналами,- дБ# на частоте, Г: 1 000 — 70; 20 000 — 50;
Каждый канал устройства (усилитель — стереофонический) состоит из блока разделительных фильтров с регулируемыми коэффициентами передачи раздельно в низкочастотной (НЧ), среднечастотной (СЧ) и высокочастотной (ВЧ) полосах сигнала и трехполосного усилителя мощности.
Предусилитель для гитары с каналом Distortion.
Предусилитель для гитары с каналом Distortion.
Гитарный предусилитель с каналом Distortion
Проект с сайта Construyasuvideorockola. Пьезо-датчики и гитарные звукосниматели имеют малый выходной сигнал, поэтому его невозможно подключить напрямую ко входу усилителя мощности. Для этих целей между гитарой и усилителем ставится предварительный усилитель. Один из вариантов схемы гитарного предварительного усилителя рассмотрен ниже. Он включает в себя два канала, первый для чистого звука, второй реализует гитарный эффект Distortion. Оба канала имеют независимые трехполосные регуляторы тембра. Данный преамп возможно использовать практически с любым усилителем мощности и прекрасно подойдет для конструкций гитарных комбиков. Принципиальная схема показана на двух изображениях, то есть схема самого предусилителя, и схема канала Distortion соответственно:
Предусилитель с 3 полосным эквалайзером
Схема входного предусилителя с регулятором перегруза
Предварительный усилитель с темброблоками построен на ОУ TL074, канал эффекта Distortion реализован на ОУ JRC4558. Именно 4558 советует автор, но за неимением такового можно поставить TL072. Оба операционных усилителя не являются дефицитом, равно как и все остальные элементы схемы.
На плате установлена кнопка типа П2К 6Pin с двумя группами контактов и двумя фиксированными положениями, она включает эффект Distortion. Автор советует применить переключатель, имеющий в своей конструкции крепежную пластину, посредством которой он крепится с помощью болтов к печатной плате. Эта мера предотвратит выламывание контактов и нарушению пайки этих контактов с дорожками печатной платы. В качестве входа применен разъем под гитарный Jeck 6,3 mm с выводами под монтаж на плату.
Печатная плата в формате LAY6 рисовалась с применением исходников, повзаимствованных на сайте Construyasuvideorockola (com), вид платы следующий:
Фото-вид платы гитарного преампа в формате LAY6:
Preamp for guitara electro LAY6 FOTO
Список элементов для повторения схемы гитарного предусилителя с каналом Distortion:
• JRC4558 или TL 072 – 1 шт. • TL 074 – 1 шт.
• 100K – 4 шт. • 68K – 2 шт. • 220K – 2 шт. • 12K – 4 шт. • 1K2 – 4 шт. • 3K9 – 4 шт. • 1K8 – 4 шт. • 10K – 3 шт. • 1M – 2 шт. • 56K – 2 шт. • 390R – 1 шт. • 200K – 2 шт.
• 1 uF /25v – 6 шт. • 2200 uF /25v – 2 шт. • 100 uF / 25v – 2 шт. • 330 pF (331, керамика) – 1 шт. • 100 nF (104 пленка) – 5 шт. • 22 pF (керамика) – 2 шт. • 22 nF (пленка) – 2 шт. • 0.47 uF/ 25v – 2 шт. • 47 nF (473 пленка) – 2 шт. • 4,7 nF (472 пленка) – 4 шт. • 0.01 uF (103 пленка) – 1 шт.
• Диодный мост на 1 Ампер типа W04 (W06) – 1 шт. • 1N4148 – 2 шт.
• 100K – 6 шт. • 20K – 2 шт. • 10K – 1 шт. • 500K – 1 шт.
• Jack 6,3 mm моно под монтаж на плату – 1 шт. • Кнопка типа П2К 6Pin – 1 шт. • Трансформатор 9V + 9V на ток порядка 300 mA – 1 шт.
Схема внешних соединений:
Плата гитарного предусилителя в сборе:
Размер архима с материалами по гитарному преампу с Distortion-каналом – 1,4 Mb.
https://youtube.com/watch?v=ekNmavG_5A8
Шаг 4: Делаем корпус
Скорее всего, вы захотите установить потенциометры на одной стороне коробки. Я использовал пластиковый корпус по размеру моей платы. Просверлил четыре отверстия спереди, чтобы просунуть через них оси потенциометра, которые затягиваются на небольшой пластиковой детали внутри корпуса.
Темброблок используется для выравнивания Амплитудно-Частотной Характеристики (АЧХ) усилителей низкой частоты. Так как многие УНЧ обладают нелинейной характеристикой в различных диапазонах частот: в диапазоне низких и высоких частот коэффициент усиления значительно хуже, чем в средне-частотном интервале. Поэтому для высококачественного звуковоспроизведения имеет смысл использовать специальные модули — «темброблоки», с помощью которых можно регулировать аудио сигнал по всему спектру диапазона.
По своей сути это фильтры СЧ диапазона, управляющие глубиной среза в заданной области частот не трогая НЧ и ВЧ частоты и поэтому АЧХ усилителя выравнивается, но при этом немного снижается амплитуда входного сигнала, и может потребоваться дополнительное усиление. Таким образом модули настройки тембра можно условно разделить на два класса: пассивные (только регулировка АЧХ) и активные (регулировка АЧХ + усилительный каскад для компенсации)

Это конструкция темброблока ослабляет сигнал в диапазоне средних частот где-то в 10 раз, и поэтому ее размещают между двумя усилителями — предварительным и оконечным.

Подбор радиокомпонентов зависит от сопротивления источника сигнала Rc и нагрузки Rн (входное сопротивление следующего усилительного каскада). Осуществим расчет номиналов радиоэлементов: Переменные резисторы всегда берут одинаковые с условием:
R c
Остальные компоненты вычисляются по упрощенным формулам:
R1= R4= 0.1R; R3= 0.01R; C3= 0.1/R; C1= 22C3; C2= 220C3; C4= 15C3

Транзистор в устройстве используется для компенсации потери сигнала. К нему особых требований не предъявляется можно взять даже морально устаревший КТ315.
Хочу сразу сказать, что данный регулятор тембра может смело посоревноваться с теми, что используются в современной аудиотехнике, его схема была скопирована из какого-то радиолюбительского журнала, но теперь уже не вспомню какого именно. Одно точно могу сказать этой конструкцией темброблока доволен как слон

Внешний вид радиолюбительской конструкции и размещение компонентов на печатной плате, смотри на рисунке вверху страницы
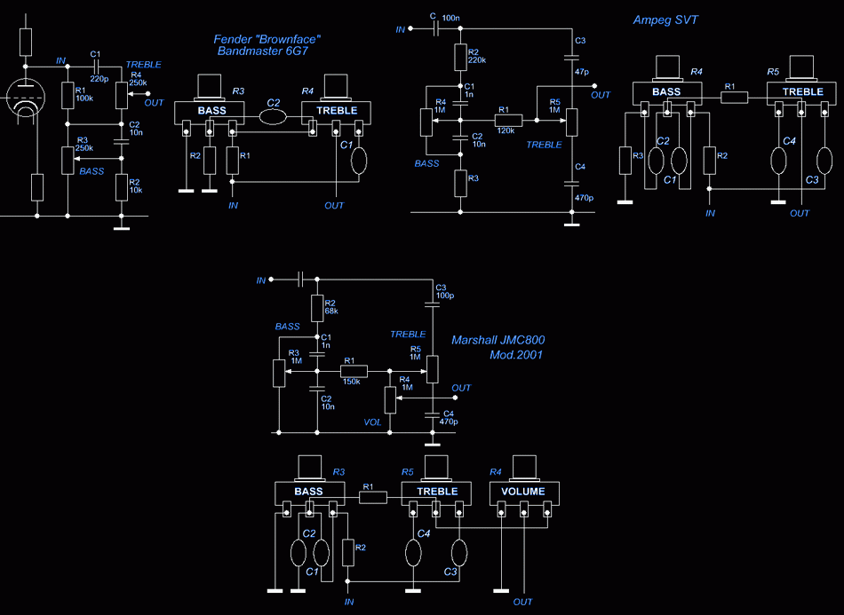
Здесь приводятся схемы пассивных тембров известных мировых брендов гитарной электроники, такими как Fender, Marshall и VOX. От самых простых с одним регулятором до более сложных трехполосных.
VOX AC30

Такая простейшая конструкция позволяет осуществлять только завал высоких частот. Она применяется в простейших ламповых комбо.
Fender Princeton

С помощью схемы темброблока Fender Princeton можно производить как подъем так и завал высоких частот.
Marshall 18 Watt

Данным темброблоком можно настраивать подъм в область низких и высоких частот.
VOX Top Boost

Данный тембр регулирует как высокие так и низкие частоты.
Ниже приведены несколько известных схем темброблоков — двухполюсников: Fender «BrownFace» Bandmaster 6G7, Ampeg SVT, Marshall JMC800 Mod.2001

Из этой троицы тембров каждый индивидуален и хорош по своему. На каком остоновиться вам и сделать окончательный выбор однозначного ответа не существует. Тут уж сами, экспериментируйте, схемы не сложные и легко повторяются навесным монтажом или на макетной плате.
Для чистоты статьи приведу также схемы трехполосных темброблоков. ИМХО самых популярных среди всех радиолюбителей.

Эти брендовые гитарные конструкции позволяют регулировать низкие, средние и высокие частоты. Marshall дает более утяжеленный звук чем темброблок фирмы Fender. Ниже приводятся номиналы радиокомпонентов в различных вариатах этих схем.

Изготовление корпуса
Темброблок или эквалайзер – узел, который отвечает за срез той или иной частоты в усилителе мощности низкой частоты. С его помощью легко можно срезать низкие, высокие или средние частоты, таким образом настраивая звучание усилителя под свой вкус. Устройство нашло широкое применение и внедряется почти во все профф. усилители, также может комплектоваться отдельно.
Сегодня рассмотрим одну из таких конструкций, которая может работать совместно с любым усилителем низкой частоты, также и автомобильным.
Темброблок активный, следовательно в нем есть отдельный усиливающий элемент, который в принципе может быть любым. Усилитель в таких схемах нужен для конечного усиления сигнала после обработки, поскольку величина начального сигнала сильно уменьшается (слабеет). Усилитель может быть построен как на специализированной микросхеме УНЧ, так и на ОУ, но в нашей схеме в качестве усилителя простая схема на одном транзисторе.
Этот усилитель может питаться от 12 Вольт, это и делает схему универсальной и дает возможность использовать в автомобиле. Транзистор стоит подобрать с наибольшим коэффициентом усиления (HFE). Можно использовать маломощные транзисторы как составные, так и обычные. В моем варианте задействован транзистор BC546, он не принципиален, может быть заменен на любой другой NPN транзистор с соответствующими параметрами. В моем варианте присутствуют регуляторы для НЧ/ВЧ и громкости.

Конденсаторы в звуковых цепях советуется взять пленочные, но схема отлично будет работать как с обычной, так и с многослойной керамикой. Печатную плату решил не делать, ограничился макетной монтажной платой.

Переменные резисторы самые обычные, их сопротивление может быть от 10 до 68кОм, в моем варианте все резисторы на 10 кОм. Конструкцию в конечном итоге расположил в корпус от универсального импульсного адаптера, по размерам подошел неплохо.
В качестве источника питания задействован маломощный сетевой трансформатор от китайского радиоприемника, на выходе выдает напряжение в районе 12 Вольт, после выпрямителя напряжение уже около 16 Вольт.

В корпусе просверлил отверстия под вход/выход, регуляторы и тумблер питания, получилось не очень хорошо, но работать будет.
Схема справилась со своей задачей очень даже неплохо, даже не чувствуется, что работает примитивный блок с нулевыми затратами. На счет затрат – они действительно нулевые, все, что тут задействовано можно найти в старом хламе.
В настоящее время очень популярны MP3-плееры с встроенной флэш-памятью, это очень миниатюрные цифровые индивидуальные средства аудиовоспроизведения, работающие на головные телефоны.
Многие из них кромефункции воспроизведения аудио-файлов, записанных в них посредством персонального компьютера, имеют встроенные УКВ-ЧМ или многодиапазонные цифровые приемники и функцию звукозаписи как от встроенного микрофона, так и от встроенного радиоприемника.
Практически, -аудиоцентр размером с наперсток. Одна проблема, — работают они только на наушники. Для громкого воспроизведения необходим дополнительный внешний УНЧ и акустические системы.
Как вариант, -можно использовать активные «колонки» для персонального компьютера, но недорогие «компьютерные колонки» обычно вообще не знакомы с понятием «качество звука», а более качественные и стоят многократно дороже.
Предварительный усилитель-темброблок
В качестве него была применена схема, не раз проверенная до этого, которая при своей простоте и доступности деталей показывает довольно хорошие характеристики. Схема (как и все последующие) в своё время была опубликована в журнале «Радио» и затем не раз публиковалась на различных сайтах в интернете:

Входной каскад на DA1 содержит переключатель уровня усиления (-10; 0; +10 дБ), что упрощает согласование всего усилителя с различными по уровню источниками сигнала, а на DA2 собран непосредственно регулятор тембров. Схема не капризна к некоторому разбросу номиналов элементов и не требует никакого налаживания. В качестве ОУ можно применить любые микросхемы, применяемые в звуковых трактах усилителей, например здесь (и в последующих схемах) пробовал импортные ВА4558, TL072 и LM2904. Подойдёт любая, но лучше, конечно, выбирать варианты ОУ с возможно меньшим уровнем собственного шума и высоким быстродействием (коэффициентом нарастания входного напряжения). Эти параметры можно посмотреть в справочниках (даташитах). Конечно, здесь вовсе не обязательно применять именно эту схему, вполне можно, например, сделать не трёхполосный, а обычный (стандартный) двухполосный темброблок. Но не «пассивную» схему, а с каскадами усиления-согласования по входу и выходу на транзисторах или ОУ.
Печатная плата.
Данная Печатная Плата (ПП) была сконструирована исходя из имеющихся в наличии потенциометров СП4-1 и выбранного корпуса. При этом ПП крепится не к корпусу УНЧ, а к токоведущим контактам потенциометров, что устраняет необходимость использования соединительного кабеля между регуляторами и ПП.
Отмеченные стрелками отверстия проходят через центры валов потенциометров и могут использоваться для разметки соответствующих отверстий в корпусе усилителя.
Площадь некоторых дорожек ПП была увеличена для повышения надёжности крепления ПП к ножкам потенциометров. Площадь сплошных заливок была видоизменена для получения приемлемого качества при использовании изношенного принтерного картриджа. Подробно об этот технологии можно почитать здесь.
А это уже готовая печатная плата, изготовленная по описанной здесь технологии. Для соединения ПП с другими блоками, в соответствующие отверстия ПП заклёпаны медные штырьки.
Двухполосный регулятор тембра на ОУ
На рисунке 2 представлен пример схемы двухполосного регулятора тембра НЧ и ВЧ
для УНЧ на операционном усилителе (ОУ). Данной электронной схеме предшествует каскад на ОУ. Это обеспечивает низкое выходное сопротивление предшествующего каскада и нормальную работу данного регулятора.
Для повышения устойчивости работы схемы (на ВЧ) целесообразно зашунтировать выводы питания ОУ конденсаторами 0.1 мкФ, например, типа КМ6. Конденсаторы подключаются максимально близко к ОУ.
Рис. 2. Схема двухполосного регулятора тембра (НЧ, ВЧ) на ОУ.
Элементы для схемы на рисунке 2:
- R1=11к, R2=100к(НЧ), R3=11к, R4=11К, R5=3.6к, R6=500к(ВЧ), R7=3.6к, R8=750;
- С1=0.05мкФ, С2=0.05мкФ, СЗ=0.005мкФ, С4=0.1 мкФ-0.47мкФ, С5=0.1 мкФ-0.47мкФ;
- ОУ — 140УД12, 140УД20, 140УД8 или любые другие ОУ в типовом включении и желательно с внутренней коррекцией;
Краткий алгоритм обработки аудиосигнала.
- Дифференциальный вход. Стерео аудиосигнал поступает на встроенный АЦП, а затем на систему автоматической регулировки уровня ALC. Время включения ALC – 384мс, время удержания ALC 6 сек. Включение цифрового шумоподавления настроено на уровне -52Дб в течении 250мс. Далее аудисигнал поступает на цифровой аудиопроцессор в котором реализованы регулировки громкости и баланс. Затем сигнал на частоте 80 Гц разделяется на два потока – стерео широкополосный и моно низкочастотный. В широкополосном потоке реализован трехполосный эквалайзер. А в низкочастотном включается/выключается функция SuperBass. Далее низкочастотный и высокочастотный поток поступают на свои компрессоры, практически исключающие перегрузку выходного сигнала (клип). После компрессоров низкочастотный поток подмешивается к высокочастотному стерео потоку и вновь собранный сигнал одновременно подается на стерео выход драйвера головных телефонов и дифференциальный выход.
- Линейный вход AUX. С этого входа стерео аудиосигнал после обработки в АЦП поступает сразу на цифровой аудиопроцессор, минуя алгоритм ALC. В процессоре также как и в случае с дифференциальными входами реализованы регулировки громкости и баланс. Затем на частоте 80 Гц аудиосигнал разделяется на два потока – стерео широкополосный и моно низкочастотный. В широкополосном потоке реализован трехполосный эквалайзер. А в низкочастотном включается/выключается функция SuperBass. Далее низкочастотный и высокочастотный поток поступают на компрессоры исключающие перегрузку выходного сигнала (clipping). После компрессоров низкочастотный поток подмешивается к высокочастотному стерео потоку и через встроенный ЦАП подается на выход драйвера головных телефонов и дифференциальный выход.
- Цифровой I2S вход. На цифровой вход с любого I2S источника цифрового звука должны подаваться синхроимпульсы MCLK, LR, BCLK и аудио поток DATA. Цифровой аудиосигнал поступает в аудиопроцессоре в котором также как и в случае с аналоговыми входами реализованы регулировки громкости и баланс. Затем на частоте 80 Гц аудиосигнал разделяется на два потока – стерео широкополосный и моно низкочастотный. В широкополосном потоке реализован трехполосный эквалайзер. А в низкочастотном включается/выключается функция SuperBass. Далее низкочастотный и высокочастотный поток поступают на компрессоры практически исключающие перегрузку выходного сигнала (клип, clipping). После компрессоров низкочастотный поток подмешивается к высокочастотному стерео потоку и через встроенный ЦАП подается на выход драйвера головных телефонов и дифференциальный выход.
Изготовление темброблока
В схеме не содержится активных компонентов, поэтому её легко можно спаять навесным монтажом прямо на выводах переменных резисторов. Если есть желание – можно спаять схему на печатной плате, как я и сделал. Несколько фотографий процесса:
После сборки можно проверять работу схемы. На вход подаётся сигнал, например, с плеера, компьютера или телефона, выход схемы подключается ко входу усилителя. Вращая переменные резисторы можно регулировать уровень низких и высоких частот в сигнале. Не удивляйтесь, если в крайних положениях звук будет «не очень» — сигнал с полностью ослабленными низкими частотами, или, наоборот, завышенными, вряд ли будет приятен на слух. С помощью темброблока можно скомпенсировать неравномерность АЧХ усилителя или колонок, подобрать звучание под свой вкус.
↑ Характеристики предварительного усилителя:
Напряжение питания, В=±15 Ток потребления, мА=8…10 Номинальное входное напряжение, В=0,775 Номинальное выходное напряжение, В=0,775 Полоса частот по уровню -0,5 дБ, Гц=25…100000 Диапазон регулировки тембра, дБ на частоте 40 Гц=±7 , на частоте 10 кГц=±7 Коэффициент гармоник при входном напряжении 1 В, % на частоте 1 кГц=0,0001 , на частоте 20 кГц=0,002 Отношение сигнал/шум (невзвешенное), дБ=89 Входное сопротивление, кОм=20 Выходное сопротивление источника сигнала, кОм, не более=1,8 Можно включить устройство с усилителем мощности и послушать музыку. Об этом в следующей части проекта.
Двухполосный регулятор тембра на транзисторе
Представлен один из многочисленных примеров схем регуляторов тембра НЧ и ВЧ для УНЧ на транзисторах. Приведенной электронной схеме предшествует каскад с низким выходным сопротивлением, например, эмиттерный повторитель (каскад с общим коллектором) или ОУ.
Это обеспечивает низкое выходное сопротивление предшествующего каскада и нормальную работу данного регулятора.
Рис. 1. Схема двухполосного регулятора тембра (НЧ, ВЧ) на транзисторе.
Элементы для схемы:
- R1=4.7к, R2=100к(НЧ), R3=4.7к, R4=39к, R5=5.6к,
- R6=100к(ВЧ), R7=180к, R8=33к, R9=3.9к, R10=1 к;
- С1=39н, С2=30мкФ-1 ООмкФ, СЗ=5мкФ-20мкФ,
- С4=2.2н, С5=2.2н, С6=30мкФ-100мкФ;
- Т1 — КТ3102, КТ315 или аналогичные.





