FC50 — Частотомер встраиваемый от 1 Гц до 50 МГц.
Частотомер собран, настроен, проверен. Готовое решение для Ваших конструкций, экспериментов.
Технические характеристики частотомера FC50:
параметр
| минимум | норма | максимум | |
| Диапазон измеряемых частот | 1 Гц. | — | 50 МГц. |
| Дискретность отсчета частоты от 0 до 50 МГц | — | 1 Гц. | — |
| Уровень входного сигнала для входа «B» (от 0 до 50 МГц). | 0,6 В. | 5 В. | |
| Период обновления показаний | — | 1 раз/сек | — |
| Напряжение питания (разъём «+5v») | +4,5 В. | +5,0 В. | +5,5 В. |
| Напряжение питания (разъём «+8…15v») | +8,0 В. | +15,0 В. | |
| Стабильность частоты @19,2МГц, при температуре -20С…+80С | 2ppm (TCXO) |
Габариты печатной платы частотомера FC50: 45мм*46мм. Дисплей цветной TFT LCD с подсветкой (диагональ 1,44″ = 3,65 см). * Верхний предел входного сигнала ограничен мощностью рассеивания защитных диодов 1N4148WS (0,2 Вт*2шт).
Особенности частотомера FC50:
| Термокомпенсированный опорный генератор TCXO. |
| Заводская калибровка. |
| Дискретность измерения частоты 1 Гц, в диапазоне 1 Гц… 50 МГц. Входной сигнал обрабатывается высокоскоростным компаратором (MAX999EUK). |
| Цветной TFT дисплей с экономичной подсветкой. |
| Мы не используем электролитические конденсаторы. Вместо электролитических конденсаторов, мы применяем современные высококачественные SMD керамические конденсаторы значительных емкостей. |
| Конструктив встраиваемого прибора. Частотомер оптимизирован для встраивания в плоскую переднюю панель любого корпуса. В комплекте поставляются нейлоновые изолирующие стойки М3*8мм., для обеспечения зазора между передней панелью и печатной платой частотомера. |
| Мы не используем технологии запрограммированного старения, широко распространившиеся в современной технике. |
| Частотомер FC50 разработан изготавливается в России. Собственное автоматизированное мелкосерийное производство. |
| Высокое качество. |
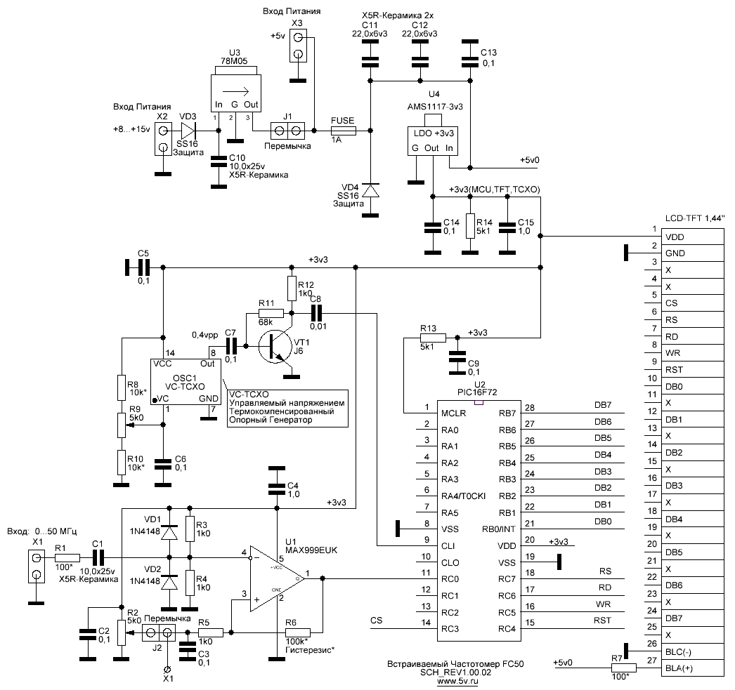
Принципиальная схема частотомера FC50:
Краткое описание частотомера FC50:
Измеряемый сигнал с входа X1, через RC цепочку R1C1 подаётся на инвертирующий вход высокоскоростного компаратора U1 (MAX999). Исходно, компаратор MAX999 имеет встроенный аппаратный гистерезис 3,5 мВ, недостаточный для стабильной работы этого узла. Поэтому, резистором R6 значение гистерезиса увеличено до 100…200 мВ, что обеспечивает оптимальную стабильность входного формирователя. Подстроечным резистором R2 осуществляется подстройка порога срабатывания компаратора для обеспечения максимальной чувствительности входа. Сформированный компаратором сигнал поступает на вход таймера/счётчика микроконтроллера U2.
В качестве опорного генератора, используется VC-TCXO (управляемый напряжением термо-компенсированный опорный генератор), обеспечивающий высокую стабильность опорной частоты (+/-2ppm или лучше), без применения дополнительных мер по термостабилизации. Транзистор VT1 усиливает амплитуду сигнала с опорного генератора (0,4 vpp) до уровня, необходимого для работы микроконтроллера U2. При необходимости, частотомер можно откалибровать самостоятельно, подключив ко входу эталон частоты и вращая движок резистора R9 «калибровка».
Резистор R7 устанавливает яркость свечения подсветки LCD-TFT дисплея, с расчётом, чтобы прямой ток не превышал 20 мА.
Узел питания частотомера FC50 состоит из двух ступеней линейных стабилизаторов. Входное напряжение +8…+15 В, через диод VD3 защиты от переполюсовки напряжения питания, подаётся на вход первого линейного стабилизатора напряжения U3, понижающего напряжение питания до безопасного уровня +5 В. Далее, напряжение +5 В, подаётся на вход прецизионного стабилизатора U4, понижающего напряжение до уровня +3,3 В. Все узлы частотомера (исключая светодиод подсветки дисплея LCD-TFT), питаются от напряжения +3,3 В. При необходимости, частотомер может питаться от напряжения +5 В, подаваемого в обход стабилизатора U3, непосредственно на вход X3. В этом случае, защита от переполюсовки питания осуществляется диодом VD4 и плавкой перемычкой «FUSE». При постоянном питании устройства от напряжения +5 В, через контакты X3, ток потребления частотомера можно несколько снизить, разрезав перемычку J1, и тем самым отключив выход стабилизатора U3.
Сборка устройства
Устройство может быть собрано как на печатной плате, так и навесным монтажом с соблюдением правил для ВЧ-монтажа. Топология и вид моей платы приведены ниже:
Эта плата рассчитана на транзистор типа MRF19125 или PTFA211801E. Для него прорезается отверстие в плате, соответствующее размеру истока (теплоотводящей пластины). Одним из важных моментов сборки устройства является обеспечение теплоотвода от истока транзистора. Я применил различные радиаторы, подходящие по размеру. Для кратковременных экспериментов — таких радиаторов достаточно. Для долговременной работы — необходим радиатор достаточно большой площади или применение схемы обдува вентилятором. Включение устройства без радиатора, чревато быстрым перегревом транзистора и выходом из строя этого дорогостоящего радиоэлемента.
Для экспериментов, мною были изготовлены несколько генераторов по разные транзисторы. Также я сделал фланцевые крепления полосковых резонаторов, чтобы можно было их менять без постоянного нагрева транзистора. Представленные ниже фотографии помогут вам разобраться в деталях монтажа.
Фланец для крепления резонаторов
Генератор ВЧ со сменными резонаторами
Генератор ВЧ со сменными резонаторами
Генератор ВЧ работает даже при напряжении 3,6 вольта, потребляя ток 2,5А
Тыльная сторона ВЧ-генератора
кусочек текстолита — тоже резонатор)))
Фланец для сменного резонатора
Генератор ВЧ на маленьком MOSFET MRF284 со съемными резонаторами
875 МГц. 5Вт. без особых напрягов…
Генератор ВЧ на маленьком MOSFET MRF284 со съемными резонаторами
Семейство генераторов ВЧ на MOSFET транзисторах различной мощности
Отвод энергии резонатора на затвор при помощи конденсатора
Двухтранзисторный ВЧ-мультивибратор
Модулятор для ВЧ-генератора
Эксперименты с двухтранзисторным ВЧ-мультивибратором
Модулятор-мультивибратор-балластное сопротивление
Мощный генератор-мультивибратор на транзисторах PTFA211801
Маленький генератор на MRF284 1300-1500 МГц.
Маленький генератор на MRF284 1300-1500 МГц.
Маленький генератор на MRF284 1300-1500 МГц.
Сэндвич из 3-х транзисторов MRF19125
Экспериментальный генератор ВЧ на 3-х MOSFET транзисторах
Экспериментальный генератор ВЧ на 3-х MOSFET транзисторах
Экспериментальный генератор ВЧ на 3-х MOSFET транзисторах
Экспериментальный генератор ВЧ на 3-х MOSFET транзисторах
Автогенератор — мультивибратор
Коллекторная плата трехтранзисторного генератора
Проверка работы ВЧ-генератора на PTFA211801E. 6,5 В при токе 4,6 А.
ВЧ-генератор с резонатором со вставкой из органического стекла (для фиксации формы резонансных пластин).
Проверка работы ВЧ-генератора.
Плата мощного ВЧ-генератора с вырезом под MOSFET транзистор.
Тыльная сторона ВЧ-генератора: коммутация, предохранитель, конденсаторы и радиатор
Плата ВЧ-генератора, вид со стороны основного монтажа.
ВЧ-мультивибратор + усилитель
ВЧ-мультивибратор + усилитель на MOSFET
Плата генератора 950-1100МГц
Генератор 950-1100МГц (экспериментальный)
Как выглядят низкочастотные генераторы сигналов?
Стандартные низкочастотные генераторы сигналов синусоидальной формы представлены в виде небольшого короба, на передней панели имеется экран. С его помощью производится контроль колебаний и регулировки. В верхней части экрана имеется текстовое поле – это своеобразное меню, в котором присутствуют разные функции. Управление может производиться кнопками и переменными резисторами. На экране указывается вся информация, необходимая при работе.
Амплитуда и смещение сигнала регулируются при помощи кнопок. Новейшие образцы приборов оснащаются выходами, посредством которых можно произвести запись всех результатов на флеш-накопитель. Для изменения частоты дискретизации в генераторах синусоидального сигнала применяются специальные регуляторы. Благодаря им пользователь может очень быстро осуществить синхронизацию. Обычно внизу, под экраном, располагается кнопка включения, а рядом с ней выходы генератора.
Самодельные приборы
Можно сделать низкочастотные генераторы сигналов своими руками из подручных средств. Основная часть любого генератора – это селектор (англ. select – выбор). В любой конструкции он рассчитан на несколько каналов. В стандартных конструкциях применяется не более двух микросхем. Этого для реализации простейших приборов оказывается достаточно. Идеально подойдут для изготовления генераторов микросхемы из серии КН148. Что касается преобразователей, то они используются только аналоговые.
В некоторых случаях допускается использовать персональный компьютер в качестве генератора сигналов. Своими руками можно сделать небольшой переходник – он устанавливается на выходе звуковой карты. Сигнал снимается с выхода и используется для тестирования аппаратуры. На ПК устанавливается программа, которая будет управлять звуковой картой. Недостаток такой конструкции – слишком узкий диапазон частот, поэтому его нельзя использовать при тестировании некоторых приборов.
Генераторы синусоидального сигнала
Синус – это наиболее распространенная форма низкочастотного сигнала генераторов. Он необходим для тестирования большей части аппаратуры. В конструкции применяются самые простые микросхемы. Они вырабатывают сигнал, который преобразовывается операционным усилителем. Чтобы производить регулировку сигналов, необходимо в схему включить переменные или постоянные резисторы. От типа используемых сопротивлений зависит, ступенчато или плавно будет осуществляться регулировка.
Генераторы синусоидального сигнала широко применяются для настройки не только радиоаппаратуры, но и высокочастотной техники – инверторов, блоков питания, преобразователей частоты для асинхронных двигателей и т. д. Эта техника позволяет производить преобразование исходного синуса бытовой сети (частота 50 Гц). Причем частота увеличивается в десятки раз – до 100 МГц. Это необходимо для нормальной работы импульсного трансформатора.
Низкочастотные генераторы сигналов
Такие конструкции применяются для настройки и тестирования аудиоаппаратуры
Если обратить внимание на схему простейшего низкочастотного генератора сигналов, то можно увидеть, что в нем устанавливаются переменные резисторы – с их помощью производится корректировка формы и величины сигнала. Чтобы осуществить изменение величины импульса, можно использовать модулятор серии КК202
Сигнал в этом случае должен генерироваться через конденсаторы.
Низкочастотный генератор сигналов используется для настройки любой аудио аппаратуры – проигрывателей, усилителей звуковой частоты и т. д. В качестве такого генератора можно использовать персональный компьютер (даже старый ноутбук подойдет). Это бюджетный вариант, который не потребует больших затрат, если в наличии имеется старенький компьютер. Достаточно установить последнюю версию драйверов, программу для работы со звуковой картой и сделать переходник для подключения к аппаратуре.
Преимущества и недостатки собственноручной сборки
К положительным сторонам самодельного изготовления электрогенератора своими руками можно отнести:
Повышение собственной самооценки, что крайне важно для мужчин. Удачно собранный агрегат может стать предметом не только альтернативного источника питания, но и гордости.
Значительная экономия финансов.
Способность создать такой аппарат, который бы отвечал всем заявленным требованиям.. Помимо этого, процесс может усложняться и иметь массу негативных последствий:
Помимо этого, процесс может усложняться и иметь массу негативных последствий:
Возможно, агрегат будет часто ломаться, что обусловлено невозможностью герметичного соединения всех отделов генератора.
Неправильное подключение или расчет мощности приведет к неисправности генератора, а также снизит его продуктивность на порядок.
Требуется определенный навык в работе, а также осторожность, поскольку все работы осуществляются с электричеством, с которым, как известно, шутки плохи.
Интересный вариант. Электрогенератор из велосипеда
https://youtube.com/watch?v=-qIUlqDse0Q
Основные характеристики:
- Генерируемые частоты: 300 Гц, 1 кГц, 3 кГц.
- Максимальное гармоническое искажение (THD): 0,11% — 1 кГц, 0,23% — 300Гц, 0,05% — 3 кГц
- Ток потребления: 4,5 мА
- Выбор выходного напряжения: 0 — 77,5 мВ, 0 — 0,775 В.
Схема синусоидального генератора достаточно проста и построена на двух транзисторах, которые обеспечивают высокую частоту и амплитудную стабильность. Конструкция генератора не требует никаких элементов стабилизации, таких как лампы, термисторы, или других специальных компонентов для ограничения амплитуды.
Каждая из трех частот (300 Гц, 1 кГц и 3 кГц) устанавливается переключателем S1. Амплитуда выходного сигнала может быть плавно изменена посредством переменного резистора R15 в двух диапазонах, которые устанавливаются переключателем S2. Доступные амплитудные диапазоны: 0 — 77,5 мВ (219,7 мВ от пика до пика) и 0 — 0,775 В (2,191 В от пика до пика).
На следующих рисунках приведена разводка печатной платы и расположение элементов на ней.
Генератор-пробник на одном транзисторе
Генератор-пробник на одном транзисторе предназначен для быстрой проверки каскадов усилителей или радиоприемников. Принципиальная схема генератора-пробника изображена на рис. 1. Он вырабатывает импульсное напряжение с амплитудой, достаточной для проверки предоконечных и входных каскадов усиления низкочастотных конструкций.
Рис. 1. Генератор-пробник на одном транзисторе.
Помимо основной частоты на выходе пробника будет большое количество гармоник, что позволяет пользоваться им и для проверки высокочастотных каскадов — усилителей промежуточной и высокой частоты, гетеродинов, преобразователей.
Генерация возникает за счет сильной положительной обратной связи между коллекторной и базовой цепями транзистора. Снимаемый с базовой обмотки трансформатора Тр1 сигнал подается через конденсатор С1 на потенциометр R1, регулирующий выходное напряжение пробника.
Трансформатор намотан на небольшом отрезке ферритового стержня. Обмотка I содержит 2000 витков провода ПЭЛ 0,07, а обмотка II — 400 витков провода ПЭЛ 0,1.
Транзистор типа МП39—МП42. Батарея питания — элемент «332» напряжением 1,5 В или малогабаритный аккумулятор.
Пробник собирается в небольшом футляре (рис. 1б). Для подключения к шасси или общему проводу проверяемой конструкции выводится гибкий монтажный провод с зажимом «крокодил» на конце.
В качестве металлического щупа используется медицинская игла от шприца «Рекорд». На торце футляра устанавливается потенциометр, на ручке которого нанесена риска, позволяющая судить о выходном сигнале.
Видео
До сих пор существует несколько областей, в которых применение транзисторов затруднено. Это мощные генераторы СВЧ диапазона в радиолокации, и там, где требуется получение особо мощных импульсов высокой частоты. Пока еще не разработаны мощные транзисторы СВЧ диапазона. Во всех других областях подавляющее большинство генераторов выполняется исключительно на транзисторах. Причин этому несколько. Во-первых, габариты. Во-вторых, потребляемая мощность. В-третьих, надежность. Вдобавок ко всему, транзисторы из-за особенностей своей структуры очень просто поддаются миниатюризации.
Данная схема генератора низкой частоты гармонического синусоидального сигнала предназначена для настройки и ремонта усилителей звуковой частоты.
Генератор синусоидального сигнала
совместно с милливольтметром, осциллографом или измерителя искажений создает ценный комплекс для настройки и ремонта всех каскадов усилителя звуковой частоты.
Самодельные приборы
Можно сделать генератор сигналов своими руками из подручных средств. Основная часть любого генератора – это селектор (англ. select – выбор). В любой конструкции он рассчитан на несколько каналов. В стандартных конструкциях применяется не более двух микросхем. Этого для реализации простейших приборов оказывается достаточно. Идеально подойдут для изготовления генераторов микросхемы из серии КН148. Что касается преобразователей, то они используются только аналоговые.

В некоторых случаях допускается использовать персональный компьютер в качестве генератора сигналов. Своими руками можно сделать небольшой переходник – он устанавливается на выходе звуковой карты. Сигнал снимается с выхода и используется для тестирования аппаратуры. На ПК устанавливается программа, которая будет управлять звуковой картой. Недостаток такой конструкции – слишком узкий диапазон частот, поэтому его нельзя использовать при тестировании некоторых приборов.
Как изменить форму сигнала
Для того, чтобы получить некоторые нестандартные сигналы, типа пилы или прямоугольных сигналов с различной скважностью, нам придется задействовать
вот эту кнопочку и крутилку
Пару слов о скважности. Это параметр применяется к прямоугольной форме сигналов
где
S – скважность
T – период импульса, с
t – длительность импульса, с
Величина D (Duty), обратная величине S, называется коэффициентом заполнения
Иллюстрация сигналов с различным коэффициентом заполнения
На экране осциллографа это может выглядеть вот так
Можем также из треугольного сигнала получить пилообразный сигнал
Иногда требуется добавить постоянную составляющую в сигнал. Для этого используем вот эту кнопочку и крутилку.
Смысл этой операции заключается в том, что к переменному току мы добавляем постоянный ток. Если объяснить графически, то это будет выглядеть вот так.
Как вы видите, эта функция без проблем работает в этом генераторе частоты
А также мы без проблем можем замерить этим генератором частот какую-либо частоту, например, с другого генератора. Выставили 15 КГц, он нам тоже показал 15 КГц. Все работает как надо!
Блокинг-генератор
По своей сути, является усилителем, собранным на базе транзисторов, расположенных в один каскад. Область применения узка – источник внушительных, но скоротечных по времени (продолжительность от тысячных долей до нескольких десятков мкс) сигналов-импульсов с большой индуктивной плюсовой обратной связью
Скважность – больше 10 и может доходить до нескольких десятков тысяч в относительных величинах. Наблюдается серьезная резкость фронтов, по своей форме практически не отличающихся от геометрически правильных прямоугольников
Применяются в экранах электронно-лучевых приборов (кинескоп, осциллограф).
Генератор ВЧ
Устройство для остановки электросчетчика энергии служит для питания электроприборов бытового назначения. Его выходное напряжение 220 вольт, потребляемая мощность 1 киловатт. Если в приборе применить составляющие элементы с характеристиками мощнее, то от него можно запитывать более мощные устройства.
Такой прибор включается в розетку бытовой сети, от него идет питание на нагрузку потребителей. Схема электрических проводов не подвергается каким-либо изменениям. Систему заземления подключать нет необходимости. Счетчик при этом работает, но учитывает примерно 25% энергии сети.
Действие устройства остановки в подключении нагрузки не к питанию сети, а к конденсатору. Заряд этого конденсатора совпадает с синусоидой напряжения сети. Заряд происходит высокочастотными импульсами. Ток, который расходуется потребителями из сети, состоит из высокочастотных импульсов.
Счетчики (электронные) имеют преобразователь, который не чувствителен к высоким частотам. Поэтому, расход энергии импульсного вида счетчик учитывает с отрицательной погрешностью.
Особенности частотомера FC50:
| Термокомпенсированный опорный генератор TCXO. |
| Заводская калибровка. |
| Дискретность измерения частоты 1 Гц, в диапазоне 1 Гц… 50 МГц. Входной сигнал обрабатывается высокоскоростным компаратором (MAX999EUK). |
| Цветной TFT дисплей с экономичной подсветкой. |
| Мы не используем электролитические конденсаторы. Вместо электролитических конденсаторов, мы применяем современные высококачественные SMD керамические конденсаторы значительных емкостей. |
| Конструктив встраиваемого прибора. Частотомер оптимизирован для встраивания в плоскую переднюю панель любого корпуса. В комплекте поставляются нейлоновые изолирующие стойки М3*8мм., для обеспечения зазора между передней панелью и печатной платой частотомера. |
| Мы не используем технологии запрограммированного старения, широко распространившиеся в современной технике. |
| Частотомер FC50 разработан изготавливается в России. Собственное автоматизированное мелкосерийное производство. |
| Высокое качество. |
Принципиальная схема частотомера FC50:


Двухтактный генератор для трудолюбивых
Другой генератор, который мы рассмотрим – тоже двухтактный. Однако, он содержит колебательный контур, что делает его параметры более стабильными и прогнозируемыми. Хотя, по сути, он тоже довольно прост.
Вот он
Что мы здесь видим?
Видим колебательный контур L1 C1, А дальше видим каждой твари по паре: Два транзистора: VT1, VT2 Два конденсатора обратной связи: С2, С3 Два резистора смещения: R1, R2
Опытный глаз (да и не сильно опытный), обнаружит и в этой схеме схожесть с мультивибратором. Ну что же – оно так и есть!
Чем примечательна данная схема? Да тем, что ввиду использования двухтактного включения, она позволяет развивать двойную мощность, по сравнению со схемами 1-тактных генераторов, при том же напряжении питания и при условии применения тех же транзисторов. Во как! Ну, в общем, у нее почти нет недостатков




