Pop Hi-Tech
Итак, вы решили изучать программирование ПЛК (Программируемых Логических Контроллеров). С чего стоит начать изучение программирования контроллеров? Какие учебные материалы искать, стоит ли заниматься этим самостоятельно или лучше пойти на курсы, сколько времени займёт обучение и насколько оно будет сложным? Доступно ли программирование ПЛК всем или для этого нужно быть программистом? Как быстро стоит переходить от теории к практике? Мы подготовили ответы на эти и другие вопросы.
1. Для того чтобы начать изучать программирование ПЛК, быть программистом вовсе не обязательно. Достаточно иметь так называемый логический склад ума. Если вы любили математику и информатику в школе — скорее всего, у вас всё получится. 2. Однако определённые навыки и понимание машинной логики все же необходимы. Если вы изучали в школе или институте основы программирование на Паскале, Бейсике или Ассемблере — это значительный плюс. 3. Первые шаги в программировании ПЛК можно и даже лучше всего делать самостоятельно, это позволит изучить основы в комфортном для себя темпе. Учебных материалов о ПЛК и их программировании достаточно много в интернете, а приблизительный план для самостоятельного обучения вы можете найти в этой статье. 4
А вот сразу после изучения основ следует обратить своё внимание на профессиональные курсы и руководства. От своего имени особо рекомендуем видеокурс по Simatic Step 7, который можно купить на сайте https://step7-kurs.ru
Этот курс как нельзя лучше подходит для новичков, в то же время Simatic Step 7 используется для разработки систем автоматизации для ПЛК Simatic — одних из самых популярных и востребованных на сегодня контроллеров. 5. После того как вы сделаете свои первые шаги step 7 — милости просим на специализированные форумы: здесь вы сможете не только «задачки порешать», но и уже начинать подыскивать работу или стажировку. 6. Время, необходимое для изучения программирования ПЛК, — параметр индивидуальный. Однако в любом случае это займёт у вас гораздо меньше времени, чем попытки освоить Java или C#.
Темы, которые стоит изучить самостоятельно до того, как вы приступите к изучению профессиональных курсов (т. е. на этапе самообучения):
1. Требования техники безопасности при работе с ПЛК. Хотя в начале обучения вам, возможно, будет казаться, что эта тема вам не нужна — все же потратьте некоторое время и изучите ТБ работы с ПЛК. Пригодится обязательно. 2. Назначение, функции, принципы работы и конструкция ПЛК. Условия, в которых работают ПЛК и требования к ним. Если вы раньше занимались радиотехническим конструированием — эта тема не составит для вас особого труда. 3. История ПЛК. Необязательная, но весьма интересная часть. 4. Знакомство с основными языками программирования ПЛК согласно стандарту МЭК-61131-3: Sequential Function Chart (SFC), Function Block Diagram (FBD), Ladder Diagrams (LАD), Statement List (STL), Instruction List (IL). 5. Знакомство со средой разработки, лучше всего — с двумя-тремя наиболее популярными. Например, это могут быть CoDeSys и Simatic Step 7. 6. Изучение методики программирования ПЛК. Структуризация программы, вызов подпрограмм, задание циклов и времени работы программы. 7. Основные команды (операторы). К этому моменту вы уже должны были определиться с языком программирования и средой разработки, наиболее симпатичной лично вам. 8. Функции и функциональные блоки. 9.Примеры кода работающих программ. 10. Практикум. При написании собственных программ переходите от элементарных задач к более сложным. На этом этапе нет ничего плохого в том, чтобы использоваться в своих программах части чужого кода, однако старайтесь со временем уменьшать их количество (в процентном выражении).
Типы ПЛК
Современные ПЛК, использующие инновационные технологии, далеко ушли от первых упрощенных реализаций промышленного контроллера, но заложенные в систему управления универсальные принципы были стандартизированы и успешно развиваются уже на базе новейших технологий.
Крупнейшими мировыми производителями ПЛК сегодня являются компании Siemens AG, Allen-Bradley, Rockwell Automation, Schneider Electric, Omron. Кроме них ПЛК выпускают и многие другие производители, включая российские компании ООО КОНТАР, Овен, Сегнетикс, Fastwel Групп, группа компаний Текон и другие.
Рис. 2. Моноблочные программируемые логические контроллеры
По конструктивному исполнению ПЛК делят на моноблочные (рисунок 2) и модульные. В корпусе моноблочного ПЛК наряду с ЦП, памятью и блоком питания размещается фиксированный набор входов/выходов. В модульных ПЛК используют отдельно устанавливаемые модули входов/выходов. Согласно требованиям МЭК 61131, их тип и количество могут меняться в зависимости от поставленной задачи и обновляться с течением времени. ПЛК подобной концепции представлены на рисунке 3. Подобные ПЛК могут действовать в режиме «ведущего» и расширяться «ведомыми» ПЛК через интерфейс Ethernet.
Рис. 3. Программируемые логические контроллеры с расширенными возможностями
Моноблочные функционально завершенные ПЛК могут включать в себя небольшой дисплей и кнопки управления. Дисплей предназначен для отображения текущих рабочих параметров и вводимых с помощью кнопок команд рабочих программ и технологических установок. Более сложные ПЛК комбинируются из отдельных функциональных модулей, совместно закрепляемых на стандартной монтажной рейке. В зависимости от количества обслуживаемых входов и выходов, устанавливается необходимое количество модулей ввода и вывода.
Источник питания может быть встроенным в основной блок ПЛК, но чаще выполнен в виде отдельного блока питания (БП), закрепляемого рядом на стандартной рейке. Блок питания небольшой мощности представлен на рисунке 4.
Рис. 4. Блок питания для ПЛК
Первичным источником для БП чаще всего служит промышленная сеть 24/48/110/220/400 В, 50 Гц. Другие модели БП могут использовать в качестве первичного источник постоянного напряжения на 24/48/125 В. Стандартными для промышленного оборудования и ПЛК являются выходные напряжения БП: 12, 24 и 48 В. В системах повышенной надежности возможна установка двух специальных резервированных БП для дублирования электропитания.
Для сохранения информации при аварийных отключениях сети электропитания в ПЛК используют дополнительную батарею.
Как известно, первоначальная концепция программируемого логического контроллера сформировалась во времена перехода с релейно-транзисторных систем управления промышленным оборудованием на появившиеся тогда микроконтроллеры. Подобные ПЛК с 8- и 16-разрядными МП ограниченной производительности до сих пор успешно эксплуатируются и находят новые сферы применения.
Огромный прогресс в развитии микроэлектроники затронул всю элементную базу ПЛК. У них значительно расширился диапазон функциональных возможностей. Несколько лет назад немыслимы были аналоговая обработка, визуализация технологических процессов или даже раздельное использование ресурсов ЦП в качестве непосредственного управляющего устройства. В настоящее время поддержка этих функций входит в базовую версию многих ПЛК.
Примером подобного подхода является отдельное направление в линейке продукции компании Texas Instruments. Как известно, TI не входит в число производителей ПЛК, но выпускает для них специализированные ЦП и сетевые процессоры, компоненты для создания периферийных цифровых и аналоговых модулей, контроллеры температуры, смешанные модули цифровых и аналоговых входов/выходов.
Блок схема процессора TI Sitara AM570x на рисунке 5 позволяет судить об огромной функциональной оснащенности этого ARM-процессора, работающего на частоте до 1 ГГц, поддерживающего интерфейсы CAN, I²C, McASP, McSPI, SPI, UART, USB и способного работать в диапазоне температур 0…90°С.
Рис. 5. Блок-схема процессора TI Sitara AM570x
Другие решения Texas Instruments, используемые для реализации аналоговых входов и выходов
Компания Texas Instruments предоставляет разработчикам широкий перечень всевозможных решений для упрощения процесса реализации аналоговых входов и выходов (табл. 6).
Таблица 6. Решения от Texas Instruments для реализации аналоговых входов и выходов
Наименование
Описание
TIPD216
4-канальный драйвер выхода на базе цифро-аналогового преобразователя DAC8775
TIDA-03031
Оценочная плата на базе электронного предохранителя TPS2660 и 25-Вт резервного источника питания
TIDA-00233
Решение для защиты входов ПЛК (10 А, 24 В)
TIDA-00401
10-Вт изолированный источник питания с широким диапазоном входных напряжений (15–36 В)
TIDA-00118
Тестовая плата для 16-разрядного модуля аналогового выхода ПЛК
PMP10189
Преобразователь напряжения на базе микросхем LM5017, TPS62160, TLV62080 и TPS62160
TIDA-01438
Модуль защиты от электростатических импульсов, построенный на базе TVS-диодов
TIDA-00689
Низкопрофильный и малогабаритный изолированный источник питания
TIDA-00688
Изолированный источник питания. Имеет изолированные выходы ±15 В и 5 В в форм-факторе с высотой 2,2 мм
TIDA-00237
Изолированный источник питания мощностью 1 Вт с диапазоном входного напряжения 12–36 В
TIDA-00400
Изолированный источник питания с 3 выходами: ±15 В/30 мА и +5 В/40 мА
PMP8871
Обратноходовой преобразователь с выходным напряжением 5 В, 1 А
TIDEP-0086
Оценочный модуль для работы с Ethernet-интерфейсом
TIDEP0033
Оценочный модуль для работы с SPI-интерфейсом
TIDA-00204
Оценочный модуль для работы с гигабитным Ethernet
TIDA-00230
Модуль для настройки и логирования NFC (два порта FRAM: NFC<->FRAM<->Serial)
TIDA-00560
Проект 16-канального статусного LED-драйвера, предназначенный для индикации статуса нескольких аналоговых и цифровых входных и выходных каналов
TIDA-01333
8-канальный модуль аналогового ввода на базе АЦП ADS8681
TIDA-00550
Проект модуля с двумя изолированными универсальными аналоговыми входными каналами на базе АЦП ADS1262
TIDA-00164
8-канальный модуль аналогового ввода на базе 16-битного АЦП ADS8688
TIDA-00764
8-канальный модуль аналогового ввода на базе 16-битного АЦП ADS8681
TIPD195
Референс-дизайн 3-контактного ПЛК
TIPD169
16-битная система сбора данных (DAQ) с частотой выборки 1 MSPS и несбалансированным мультиплексированным входом
TIPD166
8-канальный модуль аналогового ввода на базе 16-битного АЦП ADS8688
TIPD164
Модуль аналогового ввода для промышленного оборудования и температурных датчиков
TIPD151
Базовый проект 16-битной 4-канальной мультиплексированной системы сбора данных с частотой выборок 400 KSPS, высоковольтными входами и низким уровнем искажений
TIDEP0032
Мулитипротокольный промышленный Ethernet-детектор W/PRU-ICSS
TIDEP0028
Платформа разработчика Ethernet PowerLink
TMDSICE3359
Отладочная платформа для индустриальных систем на базе процессора Sitara AM335x и с возможностью работы с PROFIBUS
TIDEP0029
Сертифицированное устройство для работы с Profinet IRT V2.3 с 1-ГГц процессором
TIDEP0010
Платформа разработки связи по Sercos III на базе AM335x
TIDEP0003
Решение является платформой для создания и разработки ETHERNET/IP-коммуникаций
TIDEP0079
Проект EtherCAT на базе Sitara AM57x и PRU-ICSS с передачей в определенных временных интервалах
TIDA-00231
Адаптивный источник питания для ПЛК с аналоговым защищенным выходом на базе DAC8760 и LM5017
TIPD155
2-канальный модуль с аналоговыми выходами по напряжению и току на базе АЦП DAC8563 и драйвера XTR300
Требования, ограничения и проблемы при проектировании и производстве ПЛК
Таким образом, становится понятно, что ПЛК — это просто особым образом спроектированная цифровая система управления на основе процессоров разной мощности и с различной функциональной оснащенностью, в зависимости от предназначения. Такую систему можно также считать специализированным мини-компьютером. Причем она изначально ориентирована на эксплуатацию в цехах промышленных предприятий, где имеется множество источников электромагнитных помех, а температура может быть как положительной, так и отрицательной. Дополнительно к минимизации воздействия вышеуказанных факторов необходимо предусмотреть и защиту от агрессивной внешней среды, включающей пыль, брызги технологических жидкостей и паровоздушные взвеси. В таких случаях предусмотрена установка ПЛК в защитные шкафы или в удаленных помещениях. Отдельные модули могут размещаться на удалении до сотен метров от основного комплекта ПЛК и эксплуатироваться при экстремальных внешних температурах. Согласно МЭК 61131, для ПЛК с наружной установкой допустима температура 5…55°C. Для устанавливаемого в закрытых шкафах ПЛК необходимо обеспечить рабочий диапазон 5…40°C при относительной влажности 10…95% (без образования конденсата).
Тип ПЛК выбирается при проектировании системы управления и зависит от поставленных задач и условий производства. В отдельных случаях это может быть моноблочный ПЛК с ограниченными функциями, имеющий достаточное количество входов и выходов. В других условиях потребуются ПЛК с расширенными возможностями, позволяющими использовать распределенную конфигурацию с удаленными модулями входа/выхода и с удаленными пультами управления технологическим процессом.
Связь между удаленными блоками и основным ядром ПЛК осуществляется через помехозащищенные полевые шины по медным кабелям и оптическим линиям связи. В отдельных случаях, например, для связи с подвижными объектами, применяют беспроводные технологии, чаще всего это сети и каналы Wi-Fi. Для взаимодействия с другими ПЛК могут применяться как широко известные интерфейсы RS-232 и RS-485, так и более помехозащищенные промышленные варианты типа Profibus и CAN.
Верховный суд Российской Федерации
Верховный Суд Российской Федерации является высшим судебным органом по гражданским делам, разрешению экономических споров, уголовным, административным делам и иным делам, подсудным судам общей юрисдикции.
Федеральный конституционный закон «О Верховном Суде Российской Федерации» содержит следующие полномочия суда:
- судебный надзор за деятельностью судов общей юрисдикции, включая военные суды;
- в пределах своей компетенции рассмотрение дела в качестве суда апелляционной и кассационной инстанций, в порядке надзора и по вновь открывшимся обстоятельствам, а в случаях, предусмотренных законом, — также и в качестве суда первой инстанции;
- непосредственно вышестоящая судебная инстанция по отношению к верховным судам республик, краевым и областным судам, судам городов федерального значения (Москва, Санкт-Петербург и Севастополь), судам автономной области и автономных округов, окружным и флотским военным судам;
- изучение и обобщение судебной практики, анализ судебной статистики и разъяснение по вопросам судебной практики;
- разрешение в пределах своих полномочий вопросы, вытекающие из международных договоров Российской Федерации, СССР и РСФСР.
Верховный Суд издает «Бюллетень Верховного Суда Российской Федерации», в котором публикуются решения по гражданским и уголовным делам, обзоры судебной практики, аналитические материалы и статистические данные о работе судов общей юрисдикции и др. материалы.
Это интересно: Автомобиль в мегаполисе — поясняем во всех подробностях
Программирование без программиста
Одной из базовых идей, лежащих в основе использования ПЛК, является упрощение системы программирования и повышение наглядности языковых средств до уровня, доступного для понимания техническому специалисту хорошо знающему и непосредственно эксплуатирующему оборудование, но не обладающему специальными знаниями в области разработки программного обеспечения.
Такой специалист, получив простой и понятный инструмент выражения своих знаний об алгоритмах управления процессами, находящимися в его ведении, во многих случаях будет способен самостоятельно реализовать и отладить программу ПЛК, а при необходимости перенастроить параметры работы оборудования и своевременно изменить программу управления.
Зачастую качество программы ПЛК созданной таким специалистом оказывается выше, чем программы, написанной по его заданию профессиональным программистом не знакомым со всеми особенностями работы автоматизируемого процесса.
Программируемые контроллеры Siemens серии SIMATIC S7
Контроллеры семейства SIMATIC прочны, надежны, и оптимально могут быть приспособлены для любой отрасли. Структурированное программирование в совокупности со стандартными функциональными блоками для построения библиотек ПО или расширения имеющегося спектра более мощными продуктами, совместимыми ЦПУ. При всем этом сохраняется системная база.
На протяжении уже 15 лет системы, безусловно, расширяемы. SIMATIC S7 – полностью обновленная инновационная платформа, способная интегрироваться в самые современные технологии, и создать систему автоматизации ориентированную на будущее. Это по сути заново определяет функционал техники ПЛК.
На сегодняшний день серия SIMATIC представлена четырьмя моделями:
Это базовые контроллеры, предназначенные для автоматизации задач среднего и малого уровней сложности. Контроллеры обладают модульной конструкцией, и полностью универсальны. Они применимы для построения несложных узлов локальной автоматики или узлов систем автоматизированного управления, связанных с интенсивным коммуникационным обменом данными по сети Industrial Ethernet/PROFINET и посредством PtP (Point-to-Point) соединения. Контроллеры могут работать в реальном временном масштабе.
Конструктивно все контроллеры серии выполнены в пластиковых корпусах, приспособленных для монтажа на DIN-рейку или прямо на монтажную плату, и обладают степенью защиты IP20. По сравнению с предшествующей моделью S7-200, контроллер S7-1200 компактней на 35%, причем конфигурация выводов такая же, как у S7-200. Может работать в диапазоне температур от 0 до +50 градусов.
Устройство может обслуживать от 10 до 284 дискретных и от 2 до 51 аналоговых каналов ввода-вывода. К центральному процессору контроллера можгут быть подключены коммуникационные модули (CM), сигнальные модули (SM), сигнальные платы ввода-вывода дискретных и аналоговых сигналов (SB), а также технологические модули. Вместе с ними используются модуль блока питания (PM 1207) и четырехканальный коммутатор Industrial Ethernet (CSM 1277).
Представляет собой универсальный программируемый контроллер, и находит успешное применение для автоматизации оборудования специального назначения, такого как: текстильные и упаковочные машины, электротехническое оборудование, машиностроительное оборудование, оборудование для производства технических средств управления, а также в системах автоматизации систем водоснабжения и судовых установок.
Позиционируются как контроллеры высшего класса. Подходят для автоматизации машиностроения, в складском хозяйстве, в автомобильной промышленности, для технологических установок, в системах измерения различных параметров, сбора данных, а также в текстильном и химическом производствах.
Это инновационный программируемый контроллер, который может применяться там же, где применяются S-300 и S-400, однако предоставляет дополнительные возможности, например функцию Standart Control и однородную системную диагностику.
Программные средства TIA PortalV12 позволяют конвертировать программы с S7-300/400, а программы S7-1200 могут быть перенесены на S7-1500 непосредственно без конвертации. Первые модели S7-1500 не имеют поддержки автоматизации непрерывных процессов, но на них легко можно перенести приложения S7-400 по автоматизации циклических процессов.
Автоматизация средствами Сименс
Контроллеры промышленного назначения линейки RLU2xx разрабатывались Сименс для управления вентиляцией, где дополнительно необходим контроль параметров:
- температурных,
- влажностных,
- перепадов давлений теплоносителя,
- скорости потока воздуха,
- воздушной среды помещений.
Промышленные контроллеры марки Сименс позволяют эффективно эксплуатировать систему вентиляции в одном из трёх режимов работы:
- Комфорт.
- Эконом.
- Защита.
С точки зрения функционала управления (наблюдения) за вентиляцией и отоплением, контроллеры RLU2xx производства фирмы Сименс допускают использование в качестве автоматических модулей, действующих в режимах P, PI, PID либо как дифференциальные контроллеры управления.
Средства автоматизации широкого назначения, в частности, контроллеры, выпускаемые известной немецкой компанией Сименс, пользуются высоким уровнем популярности. Применяются как для промышленных, так и для бытовых целей Любой из режимов контроля вентиляции и отопления устанавливается благодаря функции универсального регулятора, поддерживающего до двух последовательностей нагрева и двух последовательностей охлаждения воздуха.
Также контроллеры серии RLU2xx производства Сименс поддерживают конфигурацию каскадного контроллера температуры внутри помещений, получаемой за счёт отопления и приточной вентиляции.
Функциональность запрограммированных последовательностей контроллеров управления Siemens обширна, что делает возможным разнообразить конфигурацию управления системами вентиляции и внутреннего отопления.
Линейка моделей контроллеров RLU2xx включает в себя пять разработок электронных приборов Сименс с разным числом входов/выходов:
| Контроллер Сименс | Вход универсальный | Вход дискретный | Выход аналоговый | Выход дискретный | Управляемый контур |
| RLU202 | 4 | 1 | 2 | 1 | |
| RLU220 | 4 | 1 | 2 | 1 | |
| RLU222 | 4 | 1 | 2 | 2 | 2 |
| RLU232 | 5 | 2 | 3 | 2 | 2 |
| RLU236 | 5 | 2 | 3 | 6 | 2 |
Контроллеры Сименс: конструкционное исполнение (техническое, механическое)
Электроника серии RLU наделена уже готовыми программными приложениями (общий набор — несколько десятков), из которых пользователь может выбрать наиболее подходящее и активировать для применения с модулями отопления и вентиляции.
Внешнее исполнение контроллера от Сименс, предназначенного под управление системами ОВК. В зависимости от модели устройства Сименс, габаритные размеры могут отличаться, как и функциональность аппаратов При этом автоматически включается вся необходимая функциональность контроллера Сименс, устанавливаются оптимальные рабочие параметры для избранной конфигурации управления вентиляцией и отоплением.
Активация, изменение параметров, свободная конфигурация – все эти действия программирования выполняются пользователем через панель управления.
Механически контроллер промышленного применения Сименс серии RLUxxx представлен в виде небольшого компактного электронного модуля. Прибор имеет:
- пластиковый корпус,
- функциональную часть (электронная плата),
- двухуровневый интерфейс клемм,
- элементы управления (кнопки, дисплей).
Требуемое напряжение питания контроллера Siemens RLU220 и других модификаций – 24 вольта переменного тока. К стандартной электрической сети такие приборы, как правило, подключаются через понижающий трансформатор.
Контактные клеммы контроллера Сименс, оснащённые простым механизмом захвата электрических проводников. Достаточно вставить лезвие отвёртки в отверстие под клеммой, чтобы лёгким нажимом раскрыть клемму Двухуровневый интерфейс клемм контроллера исполнения Siemens содержит пружинные контакторы, каждый из которых предназначен для подключения одного многожильного (одножильного) проводника.
Контакторы клемм на устройстве Сименс открываются при помощи шлицевой отвёртки 1 размера, путём вставки жала отвёртки в отверстие под клеммой с последующим лёгким нажимом.
Техническое задание
Создание и утверждение технического задания (ТЗ) – очень важная часть разработки ПО. От грамотно составленного ТЗ зависит, насколько эффективно будет вестись разработка.
Опытные программисты знают, что программа не пишется за один раз. Как правило, софт корректируется и приближается итерациями к конечному варианту в соответствии с пожеланиями конструкторов, инженеров, электриков, механиков и технологов
Поэтому очень важно на этапе составления ТЗ плотно взаимодействовать со всеми заинтересованными специалистами, которые подписывают ТЗ, а по окончании принимают работу
Типы контроллеров
Компания Сименс предлагает насколько вариантов таких устройств, каждый из них предназначен для работы в определенной системе
Программируемые контроллеры или модули Siemens LOGO. Серия Лого – это хорошая поддержка и качество прибора по доступной цене. Благодаря его специально разработанному процессору, можно выполнять команды средней сложности и при этом не занимать больших площадей. Из 8 основных логических функций и 30/35 специальных функций, LOGO! Логический модуль, может заменить большое количество обычных коммутационных и управляющих устройств.
Положительные качества:
- Быстрый монтаж;
- Стоят недорого;
- Небольшие размеры.
Используя ПИД Siemens LOGO, можно добиться следующих результатов: свободно настроить таймеры приборов, проработать уровни принимаемых сигналов и их качество, проверить корректность работы приборов, зафиксировать все данные про работу, подключить прибор к трехфазной сети при помощи специального коммутатора Сименс, настроить монитор на отображение уровня получаемых сигналов, сэкономить на использовании других контроллеров, типа ПК и т.д
Оптимальный контроллер для каждой задачи — ПЛК на основе ПК.
Контроллер siemens s7-200 simatic применяется в качестве логических модулей для решения простых задач управления, подключения к классическим модульным ПЛК, контроля приборов на базе ПЛК к которому его подключают, даже в экстремальных условиях.
Есть SIMATIC контроллеры для решения небольших задач автоматизации, и для очень сложных программных процессов. Их главными преимуществами является отличное качество и быстрая наладка, а также возможность подключаться к уже настроенному модулю. Достоинства серии Сименс Стигматик:
- Полный набор математических функций;
- При помощи модернизируемых микромодулей, которые подключаются к прибору, есть возможность настройки и перенастройки не только на разные частоты управления, но и направления в целом (к примеру, переналадка станков или небольших установок);
- Доступна коммутация с такими сетями, как Industrial Ethernet/Internet, AS Interface, MODBUS и слайв;
- Контроль систему АСУ и АСУ ТП;
- Благодаря наличию встроенного интерфейса, есть возможность установки связи напрямую с другими контроллерами;
- При необходимости передача сигналов на GSM-устройство;
- Уникальная функция фиксации и хранения определенное количество времени данных;
- В основном эти контроллеры серии Siemens применяется для вентиляции и отопления, контроля электроэнергии и среднемощных установок;
Контроллер Сименс RLU220 для вентиляции - Хост полностью настраиваемый, не нужно специальное бучение для работы за устройством;
- Программирование производится своими руками, при использовании простого и достаточно доступного обеспечения типа Виндовс.
Siemens контроллеры s7-300 и s7-1200 simatic – это технические устройства высшего уровня. Их применение необходимо при отладке и контроле производственного процесса на высокоточном оборудовании, шлифовальных станках на программном управлении, роботов, лазеров, регулирование асинхронных двигателей и прочего.

Основные достоинства:
- Существует широкий выбор вариантов, оптимально подходящих по стоимости и качеству;
- Можно полностью перенастроить прибор, модернизировать его, добавить новые функции при помощи дополнительного модуля либо форматировать часть программного обеспечения для ускорения процесса загрузки;
- Работа прибора не зависит от температуры;
- Достаточно широкие характеристики наладки подключения к прочим периферийным механизмам. Это Профинет Профибус и omron;
- Дискретные модульные программы типа SM321, SM322, SM323, SM32 и аналоговыеSM331, SM332, SM334, ES335, сигналы позволяют подключаться контроллеру к всевозможным датчикам и фиксировать улавливаемое действие со стороны дополнительных модулей;
- Очень простой процесс настройки и перенастройки, при помощи специального уравнения, которое вводится в систему;
- Продолжительный срок эксплуатации, подробное руководство пользователя;
- Недостатки – высокая цена.
Перед покупкой обязательно проверяется вся документация: это паспорт, сертификат. Часто контроллеры Siemens в России продаются из контрабандных источников, поэтому внимательно читайте описание.
Стоимость контроллеров – несколько тысяч рублей, в зависимости от их марки. Официальные представители компании Сименс (есть в Москве, Днепропетровске, Донецке, Одессе, Харькове и др.) часто делают скидки на продукцию, работает система лояльности, посетите центры обслуживания клиентов – и Вы получите исчерпывающие ответы на эти вопросы.
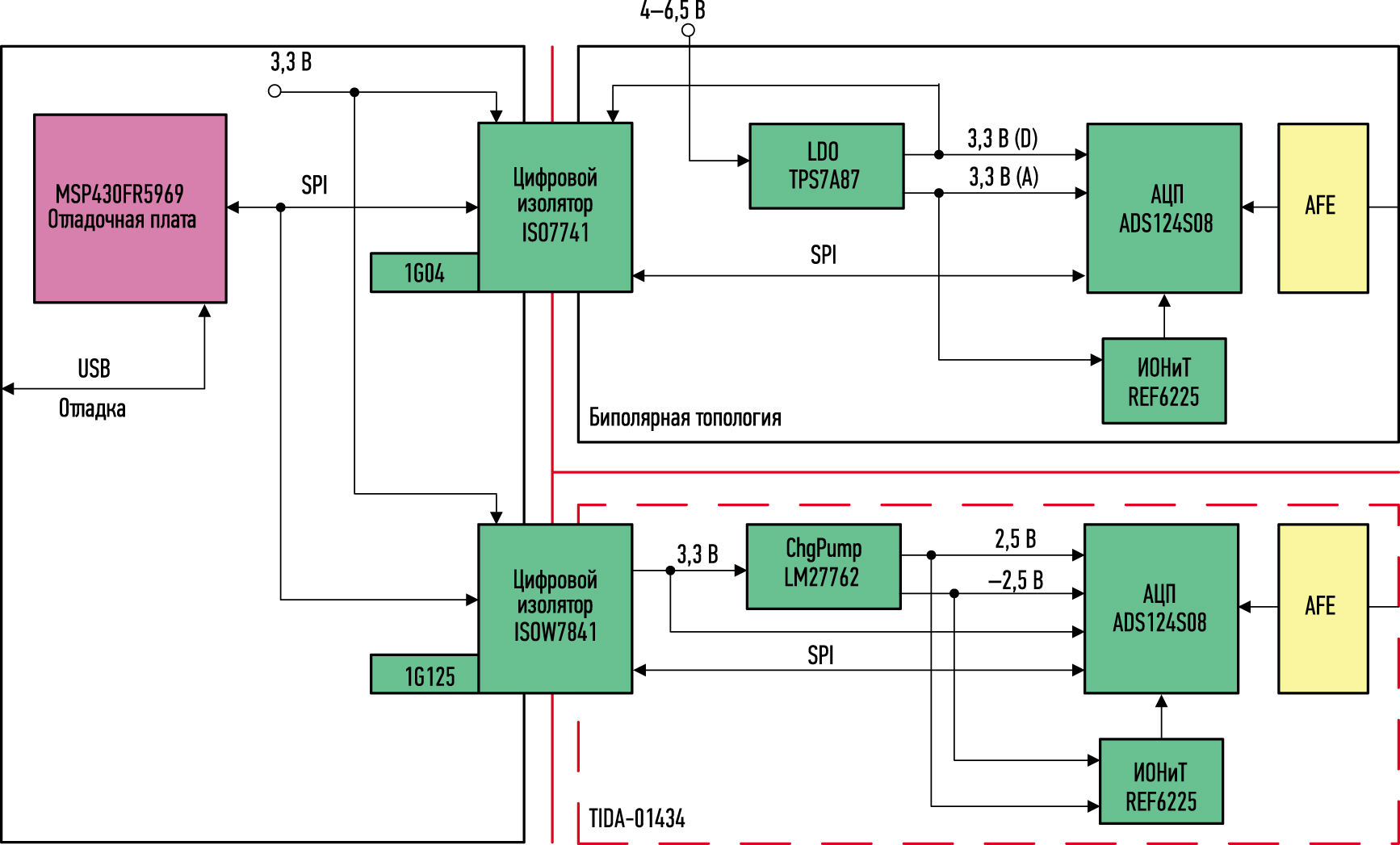
TIDA-01434
TIDA-01434 — это полнофункциональный законченный модуль аналоговых входов ПЛК (рис. 7), который удовлетворяет современным требованиям эффективности и плотности каналов при небольших габаритах печатной платы, а также обладает низким энергопотреблением и широким диапазоном рабочих температур. Конструкция данного модуля использует конвертер DC/DC в режиме Charge Pump, а переход из одноканального режима в многоканальный легко осуществляется без изменения параметров питания.

Рис. 7. Внешний вид модуля TIDA-01434
Особенности модуля:
- Наличие изолированного источника питания и высокоточного сигма-дельта аналого-цифрового преобразователя;
- наличие биполярного аналогового источника питания с Inverting Charge Pump;
- отсутствие необходимости подключения дополнительных цепей обвязки;
- отсутствие катушек индуктивности на борту, благодаря чему высота модуля составляет всего 3,5 мм;
- возможность внешнего подключения.
Обобщенные характеристики модуля отображены в таблице 3.
Таблица 3. Характеристики модуля TIDA-01434
Параметр
Величина
Источник питания входного сигнала
Общая шина питания
Напряжение питания
3–5,5 В
Ток потребления
17 мА
Выходное напряжение
3,3 В; –2,5 В; 2,5 В
КПД
≈ 12%
Рабочая температура
–40…+124 °C
Размеры
35×35×3,65 мм
В конструкции современных модулей управления аналоговыми сигналами к АЦП, как правило, для повышения производительности добавляется LDO-регулятор. На модуле TIDA-01434 для этих целей предусмотрен специально выделенный LDO-регулятор LM27762 с высоким коэффициентом подавления нестабильности питания (PSRR). Также LM27762 осуществляет функцию формирования биполярного сигнала на АЦП.
При работе с модулем TIDA-01434 нет необходимости включения в цепь дополнительных компонентов, в частности не нужно добавлять фильтры типа RC или LC для фильтрации импульсов с источника питания; это стало возможным благодаря применению в схеме цифрового изолятора ISOW7841.
TIDA-01434 предназначен для работы в качестве одно- или многоканального аналогового входа с биполярными входными сигналами и применяется в большинстве случаев для построения решений на базе ПЛК, но не ограничивается только этим. Модуль подходит как для систем типа «канал-канал» (channel-to-channel), так и для входов с групповой изоляцией. В системе channel-to-channel каждый канал входного сигнала имеет собственную «землю» — такая топология позволяет работать с входными сигналами с большей разницей потенциалов. При использовании топологии групповой изоляции величины допустимых напряжений ограничены. В данном случае предпочтительно использовать топологию типа channel-to-channel.
Модуль TIDA-01434, помимо упомянутых ранее АЦП ADS124S08 и преобразователя LM27762 типа Charge Pump, имеет на борту линейный регулятор TPS7A87, источник опорного напряжения и тока REF6225, цифровой изолятор ISOW7841 и ISO7741, а также неинвертирующие буферы SN74AHC1G04 и SN74AHC1G125 (рис. 8).

Рис. 8. Блок-схема TIDA-01434
Для удобства отладки и оценки возможностей модуля можно использовать отладочную плату на базе контроллера MSP430FR5969 (рис. 9).

Рис. 9. Внешний вид отладочной платы MSPEXP430FR5969
функция
ПЛК Allen-Bradley
В простейшем случае ПЛК имеет входы, выходы, операционную систему ( прошивку ) и интерфейс, через который можно загрузить программу пользователя. Программа пользователя определяет, как выходы должны переключаться в зависимости от входов.
Операционная система гарантирует, что текущее состояние кодировщика всегда доступно для пользовательской программы. Используя эту информацию, пользовательская программа может переключать выходы, чтобы машина или система функционировали желаемым образом.
ПЛК подключается к машине или системе с помощью датчиков и исполнительных механизмов . Также есть индикаторы состояния. Датчики подключаются к входам ПЛК и передают ПЛК, что происходит в машине или системе. Примеры датчиков: B. кнопки , световые барьеры , инкрементальные энкодеры , концевые выключатели или датчики температуры, датчики уровня и т. Д. Исполнительные механизмы подключаются к выходам ПЛК и дают возможность управлять машиной или системой. Примерами исполнительных механизмов являются контакторы для включения электродвигателей, электрические клапаны для гидравлики или сжатого воздуха, а также модули для управления приводом (управление движением, управление скоростью с управляемым ускорением или замедлением, управление шаговыми двигателями).
ПЛК можно реализовать по-разному, например: B. как единое устройство (« сборка »), как съемная карта ПК, как программная эмуляция и т. Д. Широко используются модульные решения, в которых ПЛК состоит из отдельных подключаемых модулей (также называемых сборками). . Тема управления приводом (управление движением, управление скоростью с управляемым ускорением или замедлением) все чаще ассоциируется с ПЛК.
Во многих областях ПЛК заменил ранее зашитую схему реле ( управление с программированием соединения ). Недорогие сборки, стандартизация задач управления и высокая гибкость являются характерными чертами концепции ПЛК и помогли ПЛК добиться успеха.
В дополнение к основной задаче (контроль и регулирование) современные сборки ПЛК также все чаще берут на себя другие задачи: визуализацию (проектирование человеко-машинного интерфейса ), сигнализацию и запись всех рабочих сообщений (регистрация данных).
Датчики и исполнительные механизмы также все чаще подключаются к ПЛК через полевую шину, а не дискретно. Это снижает затраты на электромонтаж. В течение некоторого времени не только датчики и исполнительные механизмы, но и части ПЛК, такие как модули ввода и вывода, были подключены к центральной станции через шину и (шину) интерфейсные модули ( децентрализованные периферийные устройства ). В современных системах шинные системы заменяются сетями (Profi-Net) или дополняются ими. По сравнению с шинными системами сети (Ethernet) более гибкие и быстрые.
Наконец, растет число подключений к административному компьютеру компании ( вертикальная интеграция ). Так что z. Например, всегда доступны текущие данные о состоянии производства, запасах и т. Д. («Сетевой завод»).
Разница между современным ПЛК и АСУ ТП становится все меньше и меньше. Дальнейшее техническое развитие идет столь же бурно, как и в компьютерных технологиях в целом.




