Не буду вдаваться в заумные формулировки учебников или спец. литературы, попробую объяснить для чего необходимо заземление частного дома простым доступным языком.
Если простыми словами, заземление частного дома – это соединение проводом корпуса оборудования и заземляющего контура. Заземление частного дома – это обычная меллоконструкция, смонтированная по заданным размерам, из определенных материалов и “спрятанная” в землю.
Заземление частного дома (металлоконструкция) при помощи медного провода, сечением не менее 10 кв.мм. или стальной пластины,
соединяется с электрощитом, в котором заземляющий провод через клеммник, соединяется с заземляющими жилами кабелей, проложенных в дому или квартире к розеткам, светильникам и прочим электроприемникам.
Розетки, которые обязательно должны быть трехконтактными (фаза-ноль-земля), через специальный третий “заземляющий” контакт, соединяются вилкой с нашими бытовыми электроприборами.
То есть, получается следующий «маршрут» заземляющего проводника PE: электроприбор – вилка – розетка – клеммник в электрощите – заземляющий провод(шина) – контур заземления – земля.
Заземление частного дома делается, в первую очередь, для электробезопасности людей. Наверняка, многим знакома такая ситуация, когда прикоснувшись к старому холодильнику или стиральной машинке, несильно, но порой весьма ощутимо бьет током. Такое случается в старом жилом фонде, где заземление частного дома отсутствует, т.е. к розеткам подходит только два провода: фаза и ноль, без третьего защитного провода РЕ. Бьет током из-за плохой изоляции холодильника или стиральной машинки (повреждена изоляция электрического провода, двигателя, компрессора и т.д.), и на их корпусе появляется напряжение (потенциал). И когда вы касаетесь корпуса холодильника или стиральной машинки, например рукой, особенно, если она влажная, вы как раз и «заземляете» холодильник или стиральную машинку, и тогда небольшой ток «пробегает» через вас в «землю».
Если же в вашей электросети дома, коттеджа или квартиры, есть третий защитный провод РЕ, то при нарушении изоляции холодильника или машинки, ток будет «убегать» через него к контуру заземления. И когда вы дотронетесь корпуса электрооборудования, которое заземлено, но с плохой изоляцией, то вы ничего не почувствуете, потому что ток всегда «бежит» по пути наименьшего сопротивления. В нашем случае, сопротивление человека (примерно 1000 Ом) будет намного больше, чем сопротивление самого защитного провода + сопротивление контура заземления, которое будет составлять примерно несколько десятков Ом.
Заземление частного дома необходимо и для защиты наших бытовых электроприборов. Человек часто является «носителем» статического заряда, который зависит от множества факторов, начиная от одежды до уровня влажности помещения, ток при этом очень маленький, но напряжение достигает нескольких тысяч вольт, способных повредить нежную электронику в электроприборах.
Но заземление частного дома не позволит этому случиться и «отведет» статическое электричество в землю. Также заземление частного дома не позволяет накапливаться статическому заряду до значительных величин уже на самих корпусах электроприборов, в этом случае, заряд постоянно «стекает» в землю.
Это простое и, надеюсь, понятное объяснение для чего необходимо заземление частного дома, коттеджа или квартиры. Электрический заряд, будь то повреждение изоляции электроприбора, или же накопленный статически, при заземлении постоянно «уходит» в землю, т.к. корпус электрооборудования и контур заземления частного дома, образно говоря, являются одним целым.
Как самому правильно смонтировать заземление частного дома, можно прочитать в отдельной статье “Монтаж контура заземления“.
Спасибо за внимание
Расцветка изоляционного покрытия проводников
Обозначать по цветам кабели заземления, фазы и нуля необходимо в соответствии с требованиями ПУЭ. В документе установлены различия расцветки для заземления в электрощитке, а также для нуля и фазы. Понимание цветового обозначения изоляции исключает необходимость расшифровки буквенных маркеров.
Цвет жилы заземления
На территории РФ с 1 января 2011 года действует европейский стандарт МЭК 60446:2007. В нем отмечено, что заземление имеет только желто-зеленую изоляцию. Если составляется электросхема, земля должна обозначаться как РЕ.
Жила заземления есть только в кабелях от 3-х жил.
В проводниках PEN, используемых в старых постройках, совмещены жилы земли и нуля. Изоляционное покрытие в данном случае имеет синий цвет заземления и желто-зеленые кембрики на точках соединения и концах провода. В некоторых случаях использовалась обратная маркировка – зануление желто-зеленого цвета с синими наконечниками.
Жилы земли и нуля PEN-кабелей тоньше, чем фазные.
Цветовое обозначение нулевых рабочих контактов
Цвет проводов в электропроводке
Чтобы не перепутать, где фаза, а где ноль, вместо букв L и N ориентируются на цвета кабелей. Электрические стандарты отмечают, что нейтраль бывает синего, голубого, сине-белого оттенка вне зависимости от количества жил.
Обозначить ноль можно латинской литерой N, который на схеме читается как минус. Причина прочтения – участие нуля в замыкании электроцепи.
Расцветка фазного провода
Фаза – это токоведущая линия, которая при неосторожном касании может привести к поражению током. У мастеров-новичков часто возникают сложности с поиском кабеля
Обозначается фаза черным, коричневым, кремовым, красным, оранжевым, розовым, фиолетовым, серым и белым оттенком.
Буквенный индекс фазы – L. Он используется там, где провода не размечены цветом. При подключении кабеля к нескольким фазам рядом с литерой L ставится порядковый номер или латинские буквы А, В, С. Фазу также часто маркируют как плюс.
Основные отличия между заземлением и занулением
Заземление и зануление существенно различаются между собой. При наличии заземления напряжение очень быстро снижается до уровня, безопасного для человека. Например, 50 вольт уже не способны нанести вред организму. При установленном занулении пробой тока приводит к обесточиванию определенного участка электрической цепи. В результате, короткое замыкание переходит на другой участок цепи или на корпус прибора. Риск поражения током существенно повышается. На представленной схеме наглядно показаны основные отличия двух защитных систем.
Таким образом, благодаря своим характеристикам, зануление считается потенциально опасным видом защиты. Например, при занулении холодильника или другого агрегата и пробое тока, произойдет перегорание электрических приборов еще до срабатывания автоматического выключателя. Если же автомат не установлен, то выйдет из строя вся проводка, находящаяся в квартире.
Поэтому, как уже отмечалось, установка автомата, УЗО или дифференциального автомата должна производиться не только вместе с занулением, но и в комплексе с защитным заземлением. Такая мера позволяет существенно повысить безопасность защищаемой сети. В домах новой постройки изначально предусмотрены варианты заземления TN-C-S или TN-S, что делает невозможным и ненужным устройство зануления.
Решая вопрос, в чем разница заземления и зануления, необходимо учитывать общие требования, предъявляемые к обеим защитным системам. Их наиболее рациональный монтаж нужно планировать еще на стадии прокладки электропроводки. Нужно учитывать, что во всех установках и электрических цепях должно монтироваться защитное заземление. При наличии нулевого проводника с глухим заземлением, при мощности до 1 кВт, предусмотрено зануление. Если же ноль заземлен в трехфазной цепи, а мощность установки превышает 1 кВт, нужно обязательно использовать дополнительную эффективную защиту, предупреждающую пробой опасного тока.
https://youtube.com/watch?v=rnRwRO3Zc-A
Зануление и заземление электроустановок
Заземление и зануление электроустановок
Чем отличается заземление от зануления
Зануление вместо заземления можно ли использовать
Заземление розетки
Зануление: принцип действия
Использование индикаторной отвертки
Последовательность действий зависит от того, какая система проводки смонтирована в помещении. Рассмотрим правила определения фазного и нулевого провода в разных случаях.
Двухпроводная сеть
Этот вариант электропроводки встречается в старых домах. По современной терминологии данная система обозначается TN-C. Суть ее заключается в том, что нулевой рабочий провод, заземленный на питающей подстанции, совмещает роль защитного заземляющего (PEN). В системе IT также присутствует только фазный и рабочий нулевой проводник, но в обычных жилых и производственных помещениях она не применяется. В двухпроводной сети отдельный заземляющий провод просто отсутствует, то есть, имеется только фаза и ноль. Определить их очень просто: прикасаемся индикатором последовательно к каждой из токоведущих жил, фаза вызывает зажигание индикаторной лампы, как показано на фото ниже:

Система является устаревшей. На вилке любого современного электроприбора имеется три клеммы. Проводка должна выполняться трехпроводной, исключение — группа освещения.
Трехпроводная сеть
В этом варианте, в дом или квартиру заходит три провода. Такие сети имеют несколько разновидностей. В системе TN-S рабочий ноль и защитное заземление раздельно идут от питающей подстанции, где оба соединены с рабочим заземлением. При таком типе проводки, определение назначения проводов можно осуществить следующим образом:
- в щитке или в распределительной коробке индикатором определить провод, на котором присутствует фаза;
- два оставшихся – это рабочий и защитный ноль (земля), отсоединяем на щитке один провод из них;
- если отсоединить рабочий ноль, все электрооборудование в квартире перестанет работать, значит, оставшийся проводник – это земля, или защитное заземление.
Теперь остается определить в розетке среди трех проводов, на котором из них фаза, ноль и земля. Если не удается найти по цвету изоляции, определение их функций может быть выполнено подручными средствами, без приборов. Для этого нужно взять патрон с вкрученной лампой и выведенными наружу проводами. Определение проводим следующим образом. Одним проводником от патрона прикасаемся к фазному проводу (фаза уже найдена с помощью индикатора), вторым поочередно прикасаемся к двум оставшимся. Если на щитке отключен рабочий ноль, лампа зажжется только при соединении с защитным заземлением, и наоборот.

На видео ниже наглядно показывается, как определить фазу, ноль и землю индикаторной отверткой:
https://youtube.com/watch?v=D10ajR0UG9M
Другой разновидностью системы TN является разводка TN-C-S. В этом случае нулевой провод расщепляется на рабочий ноль и защитное заземление на вводе в дом. Здесь, чтобы определить назначение проводников, можно применить последовательность действий, описанную для системы TN-S. Добавляется дополнительная возможность, обследовав место разделения PEN, определить, где рабочий и защитный ноль (земля) по сечению жилы в проводе.
В случае, если заземление выполнено по системе TT, объект (частный дом) имеет собственное заземляющее устройство, от которого выполнена разводка защитного заземления. В этих условиях, как правило, определить фазу, ноль и землю можно путем отслеживания заземляющего проводника по трассе его прокладки.
Заземление и нормы его монтажа
Прежде чем приступать непосредственно к поиску защитного заземления давайте определимся что это такое и зачем оно вообще необходимо. Ведь зная это нам будет значительно легче определить его на схеме или по месту.
Что такое заземление?
Согласно п. 1.7.29 ПУЭ защитное заземление – это заземление электрических установок и аппаратов, выполняемое в целях электробезопастности. Непосредственно в процессе передачи и распределения электроэнергии данный провод не принимает никакого участия. Его основное назначение, это снижение потенциала на корпусе электрооборудования при возникновении аварийных ситуаций.
Давайте разберем данный вопрос более детально. Итак, у нас есть фазный и нулевой проводник, по которым непосредственно протекает рабочий ток электроустановок. Заземляющий проводник в этом процессе совершенно не принимает участия, так зачем он нужен?
Обратите внимание! Здесь и далее мы рассматриваем однофазную электрическую сеть, как наиболее распространенную
- Провод заземляющий связывает корпус вашей стиральной машинки, утюга или любого другого электрооборудования с землей. Как мы уже отмечали, в обычных условиях он находится без напряжения.
- Ток протекает по фазному и нулевому проводнику. Но, теперь допустим ситуацию, когда на фазном или нулевом проводнике повреждается изоляция и он соприкасается с корпусом вашей электроустановки. Получается на корпусе появляется напряжение. Поэтому при прикосновении к нему вам поразит электрическим током.
- Если же ваш корпус соединен с землей заземляющим проводником, то избыточный потенциал по заземляющему проводу уйдет в землю. Данная формулировка не совсем правильна с технической точки зрения, но наиболее точно объясняет происходящие процессы. Поэтому профессионалов прошу меня не хаять. В результате даже при повреждении изоляции провода с коротким замыканием на корпус вы можете безопасно прикоснуться к корпусу электроустановки.
Требования предъявляемые к проводу заземления
Вообще вопросам связанными с защитным заземлением в ПУЭ посвящен целый раздел1.7. Здесь оговариваются разнообразные варианты заземления для электроустановок до и выше тысячи вольт, вопросы схем выполнения защитного заземления, сечения для каждого отдельного случая и многое другое.
Мы остановимся только на вопросах касающихся однофазных электрических сетей:
Самый простой способ как узнать какой провод заземление — это определить его по цвету. Согласно п.1.1.29 ПУЭ защитное за мление должно быть обозначено желто-зеленым цветом.
Так же провод защитного заземления обозначают буквенными символами — PE. Преимущественно это обозначение можно встретить на схемах или в местах подключения электрооборудования.
Обратите внимание! В некоторых схемах вы можете встретить обозначение PEN. Это значит, что применяется совмещенная прокладка нулевого и защитного провода. То есть к данной жиле или шине мы крепим и нулевой и защитный провод
То есть к данной жиле или шине мы крепим и нулевой и защитный провод.
- Если вы выполняете монтаж проводки своими руками, то вы должны знать, что провод защитного заземления не должен иметь коммутационных аппаратов.
- Что касается сечения защитного заземления, то оно должно соответствовать табл.1.7.5 ПУЭ. Для проводов сечением до 16 мм 2 , оно должно соответствовать сечению фазного провода. Это правило относится ко всем проводам и кабелям, которые содержат и нулевую и защитную жилу.
- Если нулевой провод прокладывается отдельно от силового, то согласно п.1.7.127 его сечение должно быть не менее 2,5 мм 2 если защитный провод имеет защиту от механических повреждений, например, проложен в гофре. Если же он не имеет такой защиты, то инструкция предписывает выбирать медный проводник сечением не меньше 4 мм 2 .
- Так же стоит отметить и материал данного проводника. Он должен соответствовать материалу фазного проводника. Но так как в бытовых помещениях и квартирах с 2001 года разрешается устанавливать только медную проводку, то и провод защитного заземления должен быть выполнен из этого материала.
Что делать в случае высокого напряжения
Если между нейтралью и заземлением присутствует значительная разность потенциалов, то эту проблему желательно, а в некоторых случаях необходимо, решить. Способы справиться с этой ситуацией зависят от того, какое напряжение между нулем и землей.
- Превышает 30 В, а напряжение в розетке ниже 200 В. Такое напряжение появляется из-за большой длины питающих проводов и недостаточного сечения токопроводящей жилы. Самостоятельно изменить ситуацию практически невозможно, решением проблемы может стать установка стабилизатора напряжения.
- Напряжение 110 В. Если напряжение между нулем и землей 110 Вольт, то необходимо отключить заземляющую клемму в розетке, в которую включено устройство с фильтром из двух конденсаторов. Однако прикосновение к корпусу такого аппарата останется болезненным. Для полного решения проблемы необходимо линию заземления подключить к контуру или отключить данный фильтр от корпуса электроприбора.
- Напряжение между нулевой и заземляющей клеммами 220 В, в розетке питание отсутствует. Такие данные вольтметр показывает при обрыве нулевого провода в квартире или после выполнения однофазного отвода от трёхфазной сети. Фаза на нейтральные проводники попадает через включённые лампы или подключенные к розеткам электроприборы, даже если они в данный момент не работают.
- Колеблется в диапазоне 0-220 В, а напряжение в розетке стремиться к 0 или 380 В. Причина этой аварийной ситуации в обрыве нейтрали в подходящем кабеле. Нужно немедленно выключить вводной автомат и обратиться в электрокомпанию.
Зачем нужно заземление в розетке
Все находящиеся в наших домах бытовые электроприборы подлежат заземлению в соответствии с требованием техникой безопасности. Заземлять следует металлические элементы электроприборов и электрооборудования, на которое может быть случайно подано напряжение: при коротком замыкании, нарушении изоляции проводов и др.
К примеру, это значит, что к любому бытовому прибору должен быть подсоединен заземляющий проводник, который при его попадании на металлический элемент такого прибора отведет напряжение на землю.
В производственных зданиях так и делают: по помещению от контура заземления осуществляют прокладку заземляющего проводника (металлической шины или кругляка), а от него к металлическому корпусу электрооборудования также прокладывают заземляющий проводник уже меньшего сечения (в наиболее частых случаях – медный провод).
Чтобы узнать, имеется ли заземление в электрощите, который расположен на лестничной площадке, надо обратиться к электрику, обслуживающему ваш дом. Но предположим, что это уже так. Разумеется, наличие отдельной линии розеток в вашей квартире, которая запитывалась бы от отдельного автовыключателя в электрическом щите, является наилучшим вариантом.
Ведь в таком случае следует просто проложить третий заземляющий провод от электрощита к каждой розетке в квартире, превратив двухпроводную электропроводку в трехпроводную – фаза, ноль и земля. При вводе же новой линии электропроводки необходимо сразу использовать трехжильный кабель – фаза, ноль и провод заземляющий.
При отсутствии в вашей квартире отдельной линии розеток нужно от электрощита провести к каждой по отдельности розетке (к электроплите, к стиральной машине и так далее) заземляющий проводник.
Что такое заземление
Под заземлением понимают намеренное соединение электрической установки или точки сети с заземляющим устройством. Розетки в частных домах, квартирах и на предприятиях давно являются заземленными. Раньше такие устройства называли «евророзетками» — технология зародилась в Европе.
Реализуемые в магазинах розетки имеют три клеммы — фазу, ноль (нейтраль), землю (трехполюсные устройства).
Проводка в новостройках делается трехжильной по требованиям безопасности. Двухжильная проводка осталась в старых квартирах, на дачах, но и она активно заменяется современной. Разница между старыми и новыми розетками — в наличии третьего провода «земля».
Предназначение заземления — в снижении опасности короткого замыкания и обеспечении комфортных условий жизни человека. У каждого электроприбора есть корпус и изоляция электрических проводов, они не дают электрическому току нанести вред человеку.
При нарушении целостности изоляции есть риск появления напряжения, способного вызвать электрический удар. Заземление не допустит таких последствий. Достоинством розетки является то, что заземляющие контакты первыми начинают работать, позже включаются проводящие ток элементы.
Если в сети есть неполадки, электроснабжение изделия будет прекращено. Поставить изделие с заземляющим контактом — значит защитить электроприборы от скачков напряжения, которые могут повредить технику.
Заземление и зануление: в чем разница
Одна из распространенных ошибок монтажа – когда подключение розетки с заземлением выполняют посредством задействования «0» двухпроводной сети. Этот способ на языке электриков именуют как «зануление». При его реализации «0» применяют в качестве и защитного и нулевого рабочего контакта.
Так к примеру в случае пропадания «0» в результате того же обрыва кабеля на вводном щитке или необдуманных действий неквалифицированного «умельца» в момент включения прибора цепь замыкается. Но при этом на нулевом проводе, который по сути не связан с землей, возникает такое напряжение, как и на фазном. Как следствие, электроустановка, заземленная посредством зануления и оказавшаяся под напряжением, передает его человеку.
Самый благоприятный исход в этой ситуации, если произойдет замыкание, которое спровоцирует автоматическое отключение – «выбивание автомата». Иначе результат такого зануления может стать трагическим.
Стоит учитывать и тот момент, что согласно технологии монтажа внутриквартирной электропроводки на вводе устанавливают пакетники или двухполюсные автоматы, которые производят коммутацию как «фазы», так и «0». Согласно принятым нормам в цепи, где имеется коммутационный аппарат, запрещено использовать нулевой проводник в качестве защитного.
Видео по теме
Для сравнения можно ознакомиться с несколькими пунктами:
Как показывает практика, нередки случаи обрыва или отгорания нулевого провода в электрощите, что делает зануляющую систему защиты не действующей. В этом случае появляется реальная угроза поражения человека электрическим током. Во избежание подобной проблемы, места коммутации нужно периодически осматривать, что создает определенные неудобства.
- Заземляющая система избавлена от указанных недостатков, так как РЕ-проводник не участвует в общей работе электропроводки и задействуется только при возникновении утечки, чтобы отвести ток на землю.
- Устройство зануления требует определенных знаний и навыков работы с электрическими цепями, что в случае их отсутствия также причиняет некоторые неудобства, связанные с необходимостью вызова электрика.
Принимая во внимание изложенное, можно сделать вывод, что система заземления более надежна и безопасна, поэтому лучше использовать ее. Однако в случае отсутствия такой возможности, можно прибегнуть к альтернативному варианту
Запрещается производить зануление непосредственно в розетке путем установки перемычки между нулевым разъемом и заземляющей скобой. Это создает угрозу для человека (поражение электротоком) и для бытовой техники.
Предлагаем ознакомиться Цветок домашний колокольчик название
{SOURCE}
От чего искрит розетка?
Стоит отметить, что искра в электроприборе — это результат перехода тока от контакта к контакту по воздуху. Вследствие появления такого мини-разряда, могут появиться сильные повреждения в проводах. Их края имеют свойство проводов очень резко сильно нагреваться, обгорать и плавиться.

Занятный факт: такое явление в электросети сродни природной молнии, которую мы наблюдаем во время грозы, аналогичным грому является сухой треск, о котором мы также упомянем.

Более подробно причины, почему искрит розетка, описаны ниже.

Штепсель и розетка не подходят по стандарту производства. Хотя многие используют сочетание в паре советских и современных деталей. Ярким примером является параллельное использование современных штепселей Shuko, что оснащены электродами с диаметром 4,8 мм, с розетками, что были выпущены еще в Советском Союзе.


Провода, что подают напряжение на контакты розетки, изношенные. Такое явление объясняется работой в условиях, где температурный режим и допустимый ток не соответствуют требуемым параметрам.

Таким образом, изоляция хуже сопротивляется, следствием чего является нарушение целостности защитного слоя. Ну а появление искр в уже говорит о том, что произошла поломка и следует скорее решить эту проблему.

Ослабление в контакте винтовых зажимов. То есть, если соединение проводов электрической сети и деталями розетки ненадежное, то такая поломка может появиться во время работы с электротехникой. Ослабление также возникает, если в структуре устройства использованы прижимные элементы.

В этом случае прижимная пружина становится слабее. Соответственно, в винтовом механизме затяжки винтов ослабевают. Если вы услышали, что розетка трещит, это означает, что зажимы ослабли.

Хочется отметить, что такое явление свойственно розеткам, в изготовлении которых был использованный алюминиевый провод. Спустя некоторое время после начала эксплуатации происходит так называемый процесс утечки самого металла (то есть, алюминия). Результатом этого явления становится необходимость периодически подтягивать такое соединение.

Перегрузки в электросети. Такое может произойти в случае, когда человек подключает электроприбор, мощность которого не соответствует параметрам, допустимым конкретной розетки.


Появление нагара. Если вы слышите в приборе треск, это говорит о том, что в нем образовался нагар. Замените или почистите устройство.

-
Сопротивление изоляции: как измерить базовые характеристики, норма и проверка уровня защиты
-
Как найти место повреждения кабеля: методы определения места, поиск причины поломки и лучшие способы устранения
-
Подключение электричества: подробная инструкция и советы по реализации работ своими руками (70 фото + видео)
Предназначение “Ноля” и “Земли”

Цвета и маркировка проводов и кабелей
Для успешной работы каких-либо электроприборов требуется замкнутый контур электросети. Замыкание сети – основная роль “Ноля”. Разность потенциала уходит через него.
Заземление же используется в качестве защитных мероприятий, устраняющих риск поражением тока людей и животных, а также для исключения, смягчения скачков напряжения, которые могут вывести из строя бытовые электроприборы.
Заземляют практически все электроприборы, это делается посредством подключения Земли к их корпусам на случай пробоя электропроводки, при которой они окажутся под натряжением.
Схема TT

Исправная схема Подключен потребитель, электропроводка исправна (пробоев нет), корпус заземлён на отдельную линию
На рисунке выше показано подключение при полном заземлении. Т.е. Земля выделена в отдельную, автономную сеть. Данное подключение наиболее безопасно.
В случае пробоя, на корпусе прибора возникает электрический потенциал, который будет равен входящему напряжению, т.е. 220 В – это опасно для жизни. Однако корпус заземлен, и попавшее на него напряжение уйдет в землю.

Заземление на выделенную линию сработало – напряжения на корпусе нет
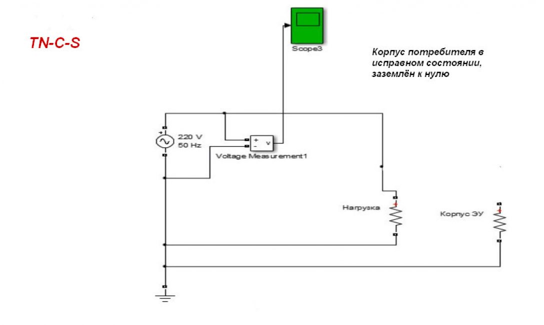
Схема TN-C-S
Схема TN-C-S для заземления использует линию Ноль, как это показано на рисунке ниже. В данном случае на корпусе потребителя напряжения нет.

Схема исправна, пробоя на корпус потребителя нет
При появлении нагрузки на корпусе, она отводится в линую, используемую в качестве нейтрали. Способ действенный, и хоть является устаревшим используется до сих пор.

Поражения током не будет

Мебель и другие изделия из дерева своими руками: чертежи скамеек, столов, качелей, скворечников и других предметов быта (85+ Фото & Видео)
Как защитить трубы от тока?
Если газовая труба бьется током сильно или незначительно, то первое, что нужно делать в этой ситуации – незамедлительно необходимо найти источник проблемы и устранить все неисправности.
Для этого:
- Отключите питание в доме или квартире.
- Обследуйте все свое газоиспользующее оборудование, подключаемое к электросетям, на предмет пробоев, в случае обнаружения дефекта — исправьте.
- Если дом куплен или арендован недавно, осмотрите трубы на предмет непонятных подключений – это следовало бы сделать еще во время покупки.
- Сделайте и проверьте заземление от каждого прибора, если сами не можете сделать этого, пригласите электрика.
- Проведите визуальную диагностику имеющегося заземления.
- Если нет возможности обустроить стандартное заземление, устанавливаются переносные заземлящие штыри (также называемые портативные шины).
- В качестве защиты от блуждающих токов для газоиспользующего оборудования следует устанавливать сразу после отсекающего крана диэлектрическую вставку. И ее наличие, между прочим, является обязательным, согласно СП 402.1325800.2018.
И, конечно, обязательно пригласите специалиста из энергоснабжающей организации для поисков возможной проблемы, если сами не обладаете достаточным опытом и познаниями в электрике.

Обязательно, если вы заметили ток в отопительных батареях, следует также вызвать газовую службу для проверки безопасности оборудования
Для жителей многоквартирных домов обращение к поставщику напрямую необязательно.
Можно позвонить или явиться предварительно в УК и заявить о своей проблеме.





