Схемы подключения магнитного пускателя.
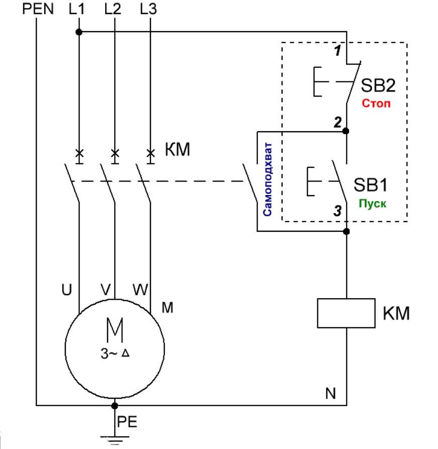
Первая, классическая схема, предназначена для обычного пуска электродвигателя: кнопку «Пуск» нажали – двигатель включился, кнопку «Стоп» нажали – двигатель отключился. Причем вместо двигателя Вы можете подключать любую нагрузку, например, мощный ТЭН.
Для удобства понимания схема разделена на две части: силовая часть
ицепи управления .
Силовая часть
запитывается от трехфазного переменного напряжения 380В с фазами «А» «В» «С». В силовую часть входит: трехполюсный автоматический выключательQF1 , три пары силовых контактов магнитного пускателя1L1-2T1 ,3L2-4T2 ,5L3-6T3 и трехфазный асинхронный эл. двигательМ .
Цепь управления
получает питание от фазы «А». В схему цепи управления входят кнопкаSB1 «Стоп», кнопкаSB2 «Пуск», катушка магнитного пускателяКМ1 и его вспомогательный контакт13НО-14НО , включенныйпараллельно кнопке «Пуск».
При включении автомата QF1
фазы «А», «В», «С» поступают на верхние контакты магнитного пускателя1L1 ,3L2 ,5L3 и там дежурят. Фаза «А», питающая цепи управления, через кнопку «Стоп» приходит на контакт№3 кнопки «Пуск», вспомогательный контакт пускателя13НО и так же остается дежурить на этих двух контактах. Схема готова к работе.
При нажатии на кнопку «Пуск» фаза «А» попадает на катушку пускателя КМ1
, пускатель срабатывает и все его контакты замыкаются. Напряжение появляется на нижних силовых контактах2Т1 ,4Т2 ,6Т3 и уже от них поступает на эл. двигатель. Двигатель начинает вращаться.
Вы можете отпустить кнопку «Пуск» и двигатель не отключится, так как с использованием вспомогательного контакта пускателя 13НО-14НО
, подключенногопараллельно кнопке «Пуск», реализовансамоподхват .
Получается так, что после отпускания кнопки «Пуск» фаза продолжает поступать на катушку магнитного пускателя, но уже через свою пару 13НО-14НО
. На нижнем рисунке стрелкой показано движение фазы «А».
А если не будет самоподхвата, придется все время держать нажатой кнопку «Пуск» пока будет работать эл. двигатель или любая другая нагрузка, питающаяся от магнитного пускателя.
Чтобы отключить эл. двигатель достаточно нажать кнопку «Стоп»: цепь разорвется, управляющее напряжение перестанет поступать на катушку пускателя, возвратная пружина вернет сердечник с силовыми контактами в исходное положение, силовые контакты разомкнутся и отключат двигатель от трехфазного питающего напряжения.
А теперь рассмотрим монтажную
схему цепи управления пускателем. Здесь все практически так же, как и на принципиальной схеме, за небольшим исключением реализации самоподхвата.
Чтобы не тянуть лишний провод на кнопку «Пуск», ставится перемычка между выводом катушки и одним из ближних вспомогательных контактов: в данном случае это «А2
» и «14НО ». А уже с противоположного вспомогательного контакта провод тянется непосредственно на контакт№3 кнопки «Пуск».
Ну вот, мы с Вами и разобрали простую классическую схему подключения магнитного пускателя. Также на одном пускателе можно собрать схему автоматического ввода резерва (АВР), которая предназначена для обеспечения бесперебойного электроснабжения потребителей электроэнергией.
Ну а если остались вопросы или сомнения по работе пускателя, то посмотрите видеоролик, из которого Вы дополнительно подчерпнете нужную информацию.
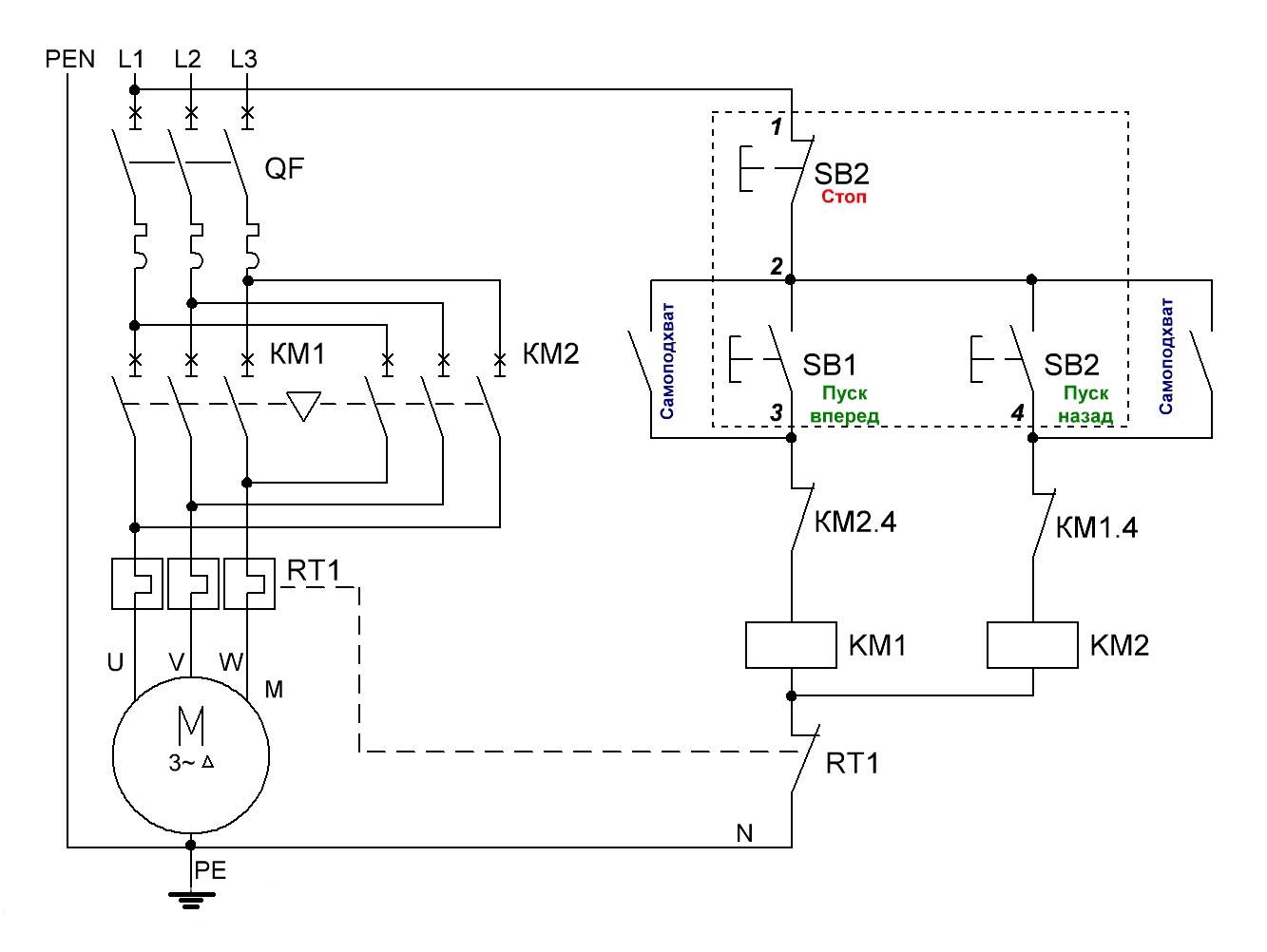
Следующая схема будет немного сложнее этой, так как в ней будут задействованы два магнитных пускателя и три кнопки и называется эта схема реверсивной. При помощи такой схемы можно будет, например, вращать двигатель влево – вправо, поднимать и опускать лебедку.
Схема подключения магнитного пускателя (малогабаритного контактора «КМ») не представляет сложности для опытных электриков, но для новичков может вызвать немало трудностей. Поэтому это статья для них.
Цель статьи максимально просто и наглядно показать сам принцип действия (работы) магнитного пускателя (далее МП) и малогабаритного контактора (далее КМ). Поехали.
МП и КМ являются коммутационными аппаратами, которые осуществляют управление и распределение рабочих токов по подключенным к ним цепям.
МП и КМ в основном используются для подключения и отключения асинхронных электродвигателей, а также их реверсивного переключения используя дистанционное управление. Они применяются для дистанционного управления группами освещения, нагревательными цепями и другими нагрузками.
Запуск мотора с реверсным ходом
Для функционирования отдельного оборудование необходимо, чтобы двигатель мог вращаться как влево, так и вправо.
Схема подключения для такого варианта содержит два МП, кнопочный пост либо отдельные три клавиши — две стартовые «Вперед», «Назад» и «Стоп».
Для реализации этого варианта в схему с одним МП добавляют еще одну сигнальную цепь. В нее входит клавиша SB3, МП КМ2. Немного изменена и силовая часть
От к.з. силовую цепь защищают контакты нормально замкнутые КМ1.2, КМ2.2.
Подготовку схемы к работе осуществляют следующим образом:
- Включают АВ QF1.
- На силовые контакты МП КМ1, КМ2 поступают фазы А, В, С.
- Фаза, которая снабжает цепь управления (А) через SF1 (автомат защиты сигнальных цепей) и клавишу SB1 «Стоп» подается на контакт 3 (клавиши SB2, SB3), контакт 13НО (МП КМ1, КМ2).
Далее схема работает по алгоритму, зависящему от направления вращения мотора.
Управление реверсом двигателя
Вращение начинается при задействовании клавиши SB2. При этом фаза А через КМ2.2 подается на катушку МП КМ1. Начинается включение пускателя с замыканием нормально разомкнутых контактов и размыканием нормально замкнутых.
Замыкание КМ1.1 провоцирует самоподхват, а за смыканием контактов КМ1 следует подача фаз А, В, С на идентичные контакты обмоток двигателя и он начинает вращение.
Перед запуском мотора в противоположном направлении необходимо остановить заданное прежде вращение посредством кнопки «Стоп». Для кручения в обратном направлении стоит только при помощи пускателя КМ2 поменять дислокацию каких-то двух питающих фаз
Предпринятое действие разъединит цепь, на дроссель КМ1 перестанет подаваться управляющая фаза А, а сердечник с контактами, посредством возвратной пружины, восстановится в исходном положении.
Контакты разъединятся, на двигатель М прекратится подача напряжения. Схема будет пребывать в ждущем режиме.
Запускают ее путем нажатия на кнопку SB3. Фаза А через КМ1.2 поступит на КМ2, МП, сработает и через КМ2.1 окажется на самоподхвате.
Далее, МП посредством контактов КМ2 поменяет фазы местами. В результате двигатель М изменит направление вращения. В это время соединение КМ2.2, находящееся в цепи, питающей МП КМ1, рассоединится, не допуская включения КМ1 пока функционирует КМ2.
Работа силовой схемы
Ответственность за переключение фаз для перенаправления вращения двигателя возложена на силовую схему.
Провод белого цвета заводит фазу А на левый контакт МП КМ1, затем через перемычку заходит на левый контакт КМ2. Выходы пускателей также объединены перекрестной перемычкой и далее через КМ1 на первую обмотку поступает фаза А двигателя
При срабатывании контактов МП КМ1 на первую обмотку поступает фаза А, на вторую обмотку — фаза В, а на третью — фаза С. При этом мотор вращается влево.
Когда срабатывает КМ2, передислоцируются фазы В и С. Первая попадает на третью обмотку, вторая — на вторую. Изменений по фазе А не происходит. Двигатель начнет вращаться вправо.
Нормально открытые и закрытые контакты
Первая цифра обозначения – это порядковый номер контакта. А вторая цифра – это функция контакта.
Например, сверху можно увидеть надписи 13-21. Снизу 14-22.
То есть, первые цифры 1-2 это порядковый номер контакта. Слева идет один вспомогательный контакт, справа второй.
А вторая цифра – это функция. Число 1-2 – это общий провод или часть нормально закрытого контакта цепи.
Число 3-4 это часть нормально открытого контакта. То есть по номерам, не раскручивая и не прозванивая механизм, не изучая его схему в паспорте, можно сразу понять, что 13-14 является нормально открытым контактом №1 (NO – normal open).
А 21-22 – нормально закрытый контакт №2 (NC – normal closed).
Все другие привычные нам электромагнитные реле, имеют такую же маркировку, облегчающую визуальное понимание функциональности устройства. Вот пример другого реле и обозначение его контактов.
Вам не нужно искать документацию на него, чтобы понять как здесь подключаться или какую функцию несет тот или иной винтовой зажим.
На корпусе также обязательно прописывается напряжение катушки, которая управляет пускателем.
Буква М7 (или другая) – это определение типа катушки в заказном номере.
Например, если у вас в контакторе марки LC1D25 сгорит катушка, вам достаточно будет при заказе указать напряжение и ее номер М7. Вы точно будете знать, что придет именно то изделие, и того размера, которое необходимо.
Еще один важный момент, на который стоит обратить внимание – это возможность использования разных типов проводов в клеммах. Если площадки будут медными, это означает, что применять алюминиевые провода недопустимо
Сечение и типы подключаемых проводов указываются в технической документации.
Катушка на 220 вольт: схемы подключения
Для управления работой магнитного пускателя используется всего две кнопки – кнопка «Пуск» и кнопка «Стоп». Их исполнение может быть различным: в едином корпусе или в отдельных корпусах.
Кнопки могут быть в одном корпусе или в разных
У кнопок, выпускаемых в отдельных корпусах, имеется всего по 2 контакта, а у кнопок, выпускаемых в одном корпусе – по 2 пары контактов. Кроме контактов, может присутствовать клемма для подключения заземления, хотя современные кнопки выпускаются в защищенных корпусах, которые не проводят электрического тока. Выпускаются также кнопочные посты в металлическом корпусе для промышленных нужд, которые отличаются высокой ударопрочностью. Как правило, они заземляются.
Подключение к сети 220 V
Подключение магнитного пускателя к сети 220 V наиболее простое, поэтому имеет смысл начать ознакомление именно с этих схем, которых может быть несколько.
Напряжение 220 V подается непосредственно на катушку магнитного пускателя, которые обозначены, как А1 и А2 и, которые располагаются в верхней части корпуса, что видно из фото.
Подключение контактора с катушкой на 220 В
Когда к этим контактам подключается обычная вилка на 220 V с проводом, устройство начнет работать после того, как вилка будет включена в розетку 220 V.
С помощью силовых контактов допустимо включать/отключать электрическую цепь на любое напряжение, лишь бы оно не превышало допустимые параметры, которые указываются в паспорте изделия. Например, на контакты можно подать напряжение аккумулятора (12 V), с помощью которого будет управляться нагрузка с рабочим напряжением 12 V.
Следует отметить, что неважно, на какие контакты подается управляющее однофазное напряжение, в виде «нуля» и «фазы». В данном случае, провода с контактов А1 и А2 можно поменять местами, что никак не повлияет на работу всего устройства. Вполне естественно, что подобная схема включения используется крайне редко, поскольку требует прямой подачи напряжения на катушку магнитного пускателя
При этом существует масса вариантов включения, с применением реле времени или сумеречного датчика, подключив к силовым контактам например, уличное освещение. Главное, чтобы «фаза» и «ноль» находились рядом
Вполне естественно, что подобная схема включения используется крайне редко, поскольку требует прямой подачи напряжения на катушку магнитного пускателя. При этом существует масса вариантов включения, с применением реле времени или сумеречного датчика, подключив к силовым контактам например, уличное освещение. Главное, чтобы «фаза» и «ноль» находились рядом.
Использование кнопок «Пуск» и «Стоп»
В основном, магнитные пускатели участвуют в процессе работы электродвигателей. Без наличия кнопок «Пуск» и «Стоп» такая работа связана с рядом трудностей. В первую очередь это связано с особенностями работы электродвигателей, которые зачастую находятся на значительном удалении. Кнопки включаются в цепь катушки последовательно, как на рисунке ниже.
Схема включения магнитного пускателя с кнопками
Подобный способ характеризуется тем, что магнитный пускатель окажется в рабочем состоянии до тех пор, пока будет нажата кнопка «Пуск», что очень неудобно. В связи с этим, в схему включаются дополнительные (БК) контакты магнитного пускателя, которые дублируют работу кнопки «Пуск». При включении магнитного пускателя они замыкаются, поэтому после отпускания кнопки «Пуск» цепь сохраняет свою работоспособность. Они обозначены на схеме, как NO (13) и NO (14).
Схема подключения магнитного пускателя с катушкой на 220 В и цепью самоподхвата
Отключить работающее оборудование можно только с помощью кнопки «Стоп», которая разрывает электрическую цепь питания магнитного пускателя и всей схемы. Если в схеме предусмотрена другая защита, например, тепловая, то в случае ее срабатывания схема также окажется не работоспособной.
Питание для двигателя берется с контактов Т, а подается питания на контакты магнитного пускателя, под обозначением L.
В этом видео подробно рассказывается и показывается, в какой последовательности подключаются все провода. В данном примере использована кнопка (кнопочный пост), выполненная в одном корпусе. В качестве нагрузки можно подключить измерительный прибор, обычную лампу накаливания, бытовой прибор и т.д., работающие от сети 220 V.
Как подключить магнитный пускатель. Схема подключения.
Watch this video on YouTube
Схема МП
- Силовые контакты МП
- Катушка, возвратная пружина, дополнительные контакты МП
- Кнопочный пост (кнопки пуск и стоп)
Схема привязки основных элементов принципиальной схемы с МП
Как видно из рисунка 5 со схемой в состав МП входят и дополнительные блок контакты, которые бывают нормально разомкнутыми и нормально замкнутыми они могут использоваться для управления подачи напряжения на катушку, а также для других действий. Например, включать (или выключать) схему сигнальной индикации, которая будет показывать режим работы МП в целом.
Схема подключения по факту с привязкой контактных групп к принципиальной схеме МП
Рис. 6 Увеличить рис. 6 Фазное подключение (220 В; ноль — фаза)
На схеме (рис. 6) через перемычки мы берем напряжение, подаваемое на силовые контакты МП для дальнейшего его использования в управлении катушкой через кнопочный пост.
Данный кнопочный пост имеет две клавиши: «Пуск» (контакты которой нормально разомкнуты) и клавиши «Стоп» (контакты которой нормально замкнуты).
При нажатии кнопки «Пуск» питание попадает на катушку напрямую, при этом она срабатывает, притягивая якорь с траверсой, на котором расположены силовые контакты, цепи силовых контактов замыкаются.
А также замыкается дополнительный блок контакт, к которому подключена катушка.
На другой стороне дополнительного контакта подключен провод, который соединен с контактом кнопки «Стоп» (контакты которой нормально замкнуты).
После возвращения кнопки «Пуск» в исходное положение (нормально разомкнутая), через нее перестает подаваться напряжение на катушку, но оно (это же напряжение) начинает дублироваться через замкнутый дополнительный контакт и подключенный нему провод, который подключен к кнопке «Стоп».
И только после нажатия кнопки «Стоп» цепь с питающим напряжением на катушку МП разрывается и полностью обесточивает катушку. Вследствие чего пропадает её электромагнитное поле, якорь перестает удерживаться и под воздействием возвратной пружины размыкает силовые контакты, а также дополнительный (нормально разомкнутый) контакт.
https://youtube.com/watch?v=xOXyvLWfTEc
https://youtube.com/watch?v=fRilXt_Ciik
https://youtube.com/watch?v=TjKU-6YUnYg
Преимущества реализации такой схемы подключения
- Коммутатор и манипулятор управления (кнопка) могут быть разнесены. То есть, управляющий элемент располагается в непосредственной близости от оператора, а массивный коммутатор можно разместить в любом удобном месте.
- Возможно управление с помощью ножного привода (руки остаются свободными). Это позволяет лучше контролировать электроустановку и удерживать обрабатываемую деталь.
- Схема подключения выносного пускателя позволяет разместить устройства безопасности. Например, защиту от короткого замыкания или тепловые реле, срабатывающие при температурных перегрузках. Кроме того, такая схема позволяет реализовать механическую защиту: при перемещении подвижных частей электроустановки до критической отметки, срабатывает концевой выключатель, и магнитный пускатель размыкается.
- Дистанционное расположение управляющих элементов позволяет расположить аварийную кнопку в удобном месте, что повышает безопасность эксплуатации.
- Есть возможность установить единый кнопочный пост для управления большим количеством магнитных пускателей при расположении электроустановок в разных местах и на большом удалении. Схема подключения через такой пост предполагает использование слаботочной управляющей проводки, что экономит средства на приобретение дорогостоящих силовых кабелей.
- Для управления одним пускателем можно установить несколько кнопочных постов. В таком случае управление электроустановкой с каждого поста будет равнозначным. То есть, можно запустить электродвигатель с одной точки, а выключить с другой. Схема подключения нескольких кнопочных постов на иллюстрации:
- Магнитные контакторы можно интегрировать в электронную систему управления. В этом случае команды на пуск и отключение электроустановок подаются автоматически, по заданному алгоритму. Организовать такую систему с помощью механических (ручных) включателей невозможно.
Фактически, такая коммутация представляет собой релейную схему.
Классическая схема включения
Этот вариант применяют для решения типовых задач. Стандартная схема подключения пускателя подразумевает выполнение определенных действий при нажатии управляющих кнопок:
- «Пуск» – электромагнит притягивает площадку с контактными группами, замкнутые цепи подают ток в нагрузку;
- «Стоп» – удержание перемещающейся части конструкции электромагнитным полем прекращается, пружина возвращает блок в исходное состояние, питание нагрузки отключается.
Если применить магнитный пускатель 380в, можно организовать подсоединение мощного двигателя или комплекта из нескольких ТЭНов. Допустимо разделение нагрузок по нескольким фазам: L1, L2 и L3. В этой ситуации следует не забывать о равномерном распределении мощности по отдельным линиям.
Подключение электродвигателя
В этом примере параметры обмоток одинаковые. Поэтому дополнительные расчеты пропорциональности нагрузок не нужны. Управляющие устройства подключаются к L1 и нулевому проводнику. Напряжение в этой цепи составляет 220V (380V – между отдельными фазами). Для дополнительной защиты (на рисунке не показано) на входе устанавливают автомат, который выбирают по максимальному допустимому току.
К сведению. В цепь перед кнопкой можно добавить плавкий предохранитель, который предотвратит повреждение катушки при большом повышении напряжения в сети питания.
После кратковременного нажатия кнопки «Пуск» контактная группа подает напряжения на обмотки двигателя. Механизм «самоподхвата» удерживает рабочее положение. Цепь прохождения тока по схеме: L1 – 1 – 2 – самоподхват – 3 – КМ – N. Для выключения силового агрегата нажимают «Стоп», что прерывает электропитание нагрузки.
Для подключения электродвигателя с реверсивным режимом работы применяют представленную ниже схему подключения магнитного пускателя. Добавленная группа элементов управления (кнопки «Вперед» и «Назад») обеспечивает подачу питания на обмотки через разные контактные группы. Соответствующим образом активизируется нормальное направление вращение либо реверс.
Схема реверсного подключения
Дополнительный элемент, тепловое реле RT1, предотвращает повреждение двигателя при заклинивании ротора или чрезмерной нагрузке от механизма привода. Нагрев контрольной области размыкает цепь питания катушек (КМ1 или КМ2). По аналогии с работой кнопки «Стоп» контактные группы разъединяются в фазных линиях.
Запуск нагрузки кнопкой на заданное время
По просьбе читателя Сергея публикуем схему, реализовав которую, появится возможность запускать нажатием кнопки исполнительное устройство на заданное время. Например, двигатель. Устройство задержки РВО-П2-15 выбрано случайным образом, подойдет любое другое со сходными параметрами.

Схема простая и приводится без пояснений:

Для правильной работы РВО-П2-15, необходимо выполнить его настройку согласно паспорту:
- Чтобы устройство задержки включалось одновременно с подачей питания, необходимо DIP-переключатель 4 перевести в положение 2.
- DIP-переключателями 1–3 выбрать диапазон времени.
- Установить заданное время выдержки.
Подключение контактора iEK КМИ23210
Подключение контактора iEK КМИ23210 — я правильно понимаю, что А1-А2 это фаза, а13 но-14н0- это ноль ? Непонятно, почему маркировка «но», ведь по идее управление идет по фазе, а ноль д.б. всегда замкнут И еще — если контактор трехфазный, а я буду подсоединять однофазную нагрузку, означает ли это что можно реально подсоединить трехкратную нагрузку по сравнению с номиналом ?
Всё не так. А1-A2 (катушка) подключение фазы и ноля. A13НО-A12НО Нормально Открытый допконтакт
Силовые контакты обозначены 1L1-2T1 3L2-4T2 3L3-6T3. p.s. сбоку нарисована схема контактора
Что-то Вы накрутили .
Вообще-то, маркировка «А1-А2» — это клеммы катушки контактора. К ним подводится оперативное питание 1НО+1НЗ — это клеммы блок контактов и используются в схеме управления или автоматики, где применяется контактор Силовые клеммы, если не ошибаюсь, обозначаются буквой «L» и маркируются — с одной стороны контактора в «комплекте» с нечетными цифрами и с другой стороны — четными.
Нет не означает.
Это мое мнение и его не навязываю
т.е. он по сути как три основных контакта ?
за картинку спасибо а зачем ноль через контактор пропускать ?
можете по-подробнее обосновать ? если ноль не разрывать — то есть три (а может четыре — см. выше) замыкаемых контакта.
Так не делается. Запараллелить контакты можно, но при этом номинальный ток одного контакта должен быть больше или равен номинальному току в цепи питания нагрузки. Иначе при неконтакте в одном или нескольких полюсах возможна авария.
Технически, т.е. замкнуться/разомкнуться — они похожи. Во всем же остальном — разные. А это,
- по назначению контактных групп
- по коммутационной возможности;
- по величине воздушного зазора между подвижными и неподвижными контактами
- по возможной установке дугогасительных камер (силовые контактны) и т.д.
Вам уже ответили:
Это мое мнение и его не навязываю
Цепи управления и сигнализации. Там нет толкового дугогашения, контакты более хлипкие, так как типовой ток вторички не более 5А. По русски — контакты сообщить на БЩУ что мол, что контактор не включен и его цепи разомкнуты или включить ламочку на щите. Такую неонку. Или кому то заблокировать цепи управления. Да еще 1000100101 применений.
а при подключении трехфазной нагрузки разве результат будет не тем же ?
Каким таким-же? При подключении движка, например, в цепь включается тепловое реле, которое срабатывает при пропадании одной фазы и обесточивает катушку контактора.
а в отсутствие теплового реле ? ведь оно не обязательно для применения с контактором, т.е. он д.б. безопасным при разных видах подключений
Оно обязательно при питании трехфазной нагрузки, там, где вылет фазы может привести к порче оборудования. Можете не спорить. Уже четко сказали — параллелить контакты и суммировать их ток нельзя. Хотя вы лично — подключайте как хотите.
он долж0н обеспечивать частые и многократные коммутации нагрузки, требующей 3-х фазной сети, ане некие » разные виды подключений«.
ну не хотите «тепловуху» — берите пускатель с катушкой на 380v. Это уже защита по 2-м фазам. На 3-ю навешиваете промреле (его катушку), через контакты которого запускаете транзитом любую фазу из двух первых. Недостатки : реле тоже может «залипнуть», и оно — постоянно включено. Можете на основе «искусственной нулевой точки» через кондёры защиту городить: при пропадании одной из фаз в ней появляется напряжение, включающее промреле, которое рвёт оперативную фазу катушки контактора. Недостатки — вероятны ложные срабатывания. Тахометрический контроль. реле контроля фаз, что есть по-сути «токовая защита». А «тепловуха» ?
не обязательна. Обязательно наличие защиты вообще .
Тонкости подключения устройства на 220 В
Независимо от того, как решено подключить магнитный пускатель, в проекте обязательно присутствуют две цепи — силовая и сигнальная. Через первую подают напряжение, посредством второй управляют работой оборудования.
Особенности силовой цепи
Питание для МП подключают через контакты, обычно обозначаемые символами А1 и А2. На них попадает напряжение 220 В, если сама катушка рассчитана на такое напряжение.
Удобнее «фазу» подключать к А2, хотя принципиальной разницы в подключении нет. Источник питания подключают к контактам, находящимся ниже на корпусе.
Тип напряжения не имеет значения, главное, чтобы номинал не выходил за пределы 220 В.
Через магнитный пускатель, оснащенный катушкой 220 В, возможна подача напряжения от дизель- и ветрогератора, аккумулятора, других источников. Съем его происходит с клемм Т1, Т2, Т3
Минусом этого варианта подключения является тот момент, что для ее включения или отключения нужно совершать манипуляции с вилкой. Схему можно усовершенствовать путем установки перед МП автомата. С его помощью включают и отключают питание.
Изменение цепи управления
Эти изменения не касаются силовой цепи, модернизируется в этом случае лишь цепь управления. Вся схема в целом претерпевает незначительные изменения.
Когда клавиши находятся в одном кожухе, узел называется «кнопочным постом». Любая из них обладает парой входов и парой выходов. У клавиши «Пуск» клеммы нормально разомкнутые (НЗ), у прямо противоположной — нормально замкнутые (NC)
Клавиши встраивают последовательно перед МП. Первая — «Пуск», за ней идет «Стоп». Контактами магнитного пускателя манипулируют посредством управляющего импульса.
Источником его является нажатая пусковая кнопка, открывающая путь для подачи напряжения к управляющей катушке. «Пуск» не обязательно удерживать во включенном состоянии.
Оно поддерживается по принципу самозахвата. Заключается он в том, что параллельно кнопке «Пуск» подключаются добавочные самоблокирующиеся контакты. Они и снабжают напряжением катушку.
После их замыкания, катушка самоподпитывается. Разрыв этой цепи приводит к отключению МП.
Отключающая клавиша «Стоп» обычно красная. Стартовая кнопка может иметь не только надпись «Пуск», но и «Вперед», «Назад». Чаще всего она зеленого цвета, хотя может быть и черного.
Подсоединение к 3-фазной сети
Возможно подключение 3-фазного питания через катушку МП, функционирующей от 220 В. Обычно схему применяют с асинхронным двигателем. Сигнальная цепь при этом не изменяется.
Одну фазу и «ноль» подключают к соответствующим контактам. Проводник фазный прокладывают через стартовую и выключающую клавиши. На контакты NO13, NO14 ставят перемычку между замкнутым и разомкнутым контактами
Силовая цепь имеет отличия, но не очень существенные. Три фазы подают на входы, обозначенные на плане, как L1, L2, L3. Трехфазную нагрузку подключают к T1, T2, T3.
Ввод в схему теплового реле
В промежутке между магнитным пускателем и асинхронным электродвигателем последовательно подсоединяют тепловое реле. Выбор его осуществляют в зависимости от типа мотора.
Тепловое реле обезопасит электрический двигатель от неисправностей и аварийных ситуаций, которые могут возникнуть при пропадании одной из фаз
Подключают реле к выводу с магнитным пускателем. Ток в нем проходит к мотору последовательно, попутно нагревая реле. Верх реле оснащен придаточными контактами, объединенными с катушкой.
Нагреватели реле рассчитывают на предельную величину тока, протекающего через них. Делают это для того, чтобы, когда двигатель окажется в опасности из-за перегрева, реле смогло бы отключить пускатель.





