3 место — Bosch C3: Характеристики и цена
Bosch C3
Модель Bosch C3 выделяется несколькими степенями защиты, большим количество положительных отзывов, а также соотношение цены и качества. Все в сумме дает возможность данному зарядному устройству занять третье место рейтинга.
| Тип | зарядное устройство |
| Напряжение АКБ | 6/12 В |
| Максимальная емкость АКБ | 120 Ач |
| Минимальная ток заряда | 0,8 А |
| Максимальный ток заряда | 3,8 А |
| Напряжение питания от сети | 220 Вт |
| Цена | 3 700 ₽ |
Функционал 4.6/5
Комплектация 4.6/5
Удобство эксплуатации 4.7/5
Надежность 4.8/5
Итого: 4,7/5
Bosch C3: Преимущества и недостатки
+ Небольшой вес;
+ Бесшумная работа;
+ Несколько степеней защиты;
+ Модель стоит своих денежных средств;
+ Удобное крепление;
+ Прочная внешняя конструкция;
+ Преимущественно, положительные отзывы владельцев;
+ Известная торговая марка;
+ Наличие влагозащиты;
+ Заряжает AGM батареи;
+ Зарядка происходит на автомате;
+ Интуитивная понятность эксплуатации;
— Комплектация могла быть и получше;
— Долгий заряд АКБ;
https://youtube.com/watch?v=zfimyQbmCcY
Защита от КЗ
Короткое замыкание – это всегда катастрофа, и чтобы этого не случилось во время зарядки батареи (например, по причине падения на батарею металлического предмета или из-за скачка напряжения в сети), ЗУ оснащают и этой функцией.
https://youtube.com/watch?v=Qe8jij2ZkX4
Такая защита реализуется с использованием схемы, мгновенно размыкающей цепь заряда при возникновении признаков короткого замыкания. Физически это либо реле, либо автоматические выключатели (аналогичные тем, что стоят на домашнем электрощитке). Поскольку реле характеризуются запаздыванием со срабатыванием, предпочтительнее выбирать схемы с автовыключателем.
Шаг 2: чёрный список, 5 самых проблемных и ломающихся АКБ с фото
Орион PW-265
-
Посмотрите на картинке: Орион PW-265. Судя по отзывам, на оборудование устанавливаются слишком тонкие провода — их легко порвать при подключении. Корпус также не отличается твердостью, потому он часто повреждается при транспортировке. Также у оборудования некачественная изоляция проводов с зажимами. Пользователи отмечают, что с наступлением морозов проводка замерзает и перестает функционировать.
-
Telwin Geminy 11. Нельзя сказать, что это зарядное устройство плохое, но автомобилисты отмечают долгую зарядку, намного превышающую время, указанное в инструкции. Это объясняется тем, что в аккумулятор поступает слабый ток заряда.
-
Solaris CH 8А. Это устройство также обладает очень длительной зарядкой, а многие пользователи заметили плохую сборку корпуса.
-
Maxinter Plus – 14AI. Оборудование имеет два основных недостатка: долгая зарядка и легко ломающиеся провода.
- Сонар УЗП 210. Оборудование плохо работает в условиях сильных морозов, а корпус выполнен из хрупких материалов, что затрудняет транспортировку. К недостаткам также относят короткие провода, которые неудобно подключать к АКБ.
Лучшие зарядные устройства
В этом разделе сможете изучить лучшие зарядные устройства для автомобильного аккумулятора. Модели простые и по доступным расценкам.
Зарядное устройство Вымпел 55 2012
Это оборудование для подзарядки аккумуляторов с напряжением в 6 и 12 В. По габаритам ЗУ компактное. Прост в использовании.Нет сложного технического обслуживания.
Агрегат оборудован специальным ЖК экраном с подсветкой для управления нужными опциями. Есть возможность задавать период активации и деактивации устройства по таймеру.
Зарядка имеет крепкий корпус, который надежно защищает внутренние элементы от повреждения.
Плюсы устройства:
- Пара настраиваемых режимов – импульсный и постоянный.
- Контроль уровня заряда аккумулятора.
- Запоминание алгоритмов подпитывания.
- Разброс настройки выходного тока от 0.5 до 15 А.
- Можно использовать как блок питания.
- Применяется для облегчения активации мотора.
- Предусмотрен кармана для кабелей.
- Можно «оживлять» полностью разряженный аккумулятор.
Минусы устройства:
- Не лучшее качество проводов.
- Отсутствие крышки кармана для хранения проводов.
- Ремонт только у производителя в Санкт-Петербурге.
- Отсутствие подробной инструкции.
Зарядное инверторное устройство Калибр ЗУИ-4 00000062546
Агрегат применяется для подзарядки свинцово-кислотных и гелиевых АКБ с напряжением 6 и 12 В. Такие аккумуляторы обычно устанавливаются на транспортных средствах с дизельным и бензиновым ДВС.
Оборудование оснащено микропроцессором, который обеспечивает автономную работу. Среди функций есть считывание остаточного напряжения и определение используемого аккумулятора.
Наличие одной клавиши позволяет выбирать режимы и управлять агрегатом в целом. На цифровом экране высвечиваются сведения об уровне заряда.
Для восполнения заряда АКБ на 12 В есть 3 режима:
- Медленный с напряжением 14.4 В.
- Быстрый с напряжением 14.4 В.
- Зимний режим с напряжением 14.7 В.
Для аккумуляторов на 6 В максимальное напряжение равно 7.3 В.
Плюсы устройства:
- Степень защиты – IP65.
- Режим подзарядки «Зимний».
- Можно использовать для бензиновых и дизельных ДВС.
- Инверторное преобразование напряжения и тока.
Минусы устройства:
- Нет автоматического выключение после полной зарядки.
- Низкое качество «крокодилов».
- Не указывается ток заряда.
Зарядное устройство DAEWOO DW 500
Сильная сторона ЗУ в том, что оно может исправно функционировать в температурном диапазоне от -20 °C до +50 °C. Есть 5 уровней восполнения заряда. Следить за всем процессом можно на LED экране. Прежде чем заряжать АКБ выполняется тестирование.
Плюсы устройства:
- Восполнение заряда в широком диапазоне температур.
- 5 уровней зарядки.
- Степень защиты – IP65.
- Большой срок службы, как утверждают производители.
Минусы устройства:
- Мало информации в инструкции, которая поможет разобраться в функционале ЗУ
- Не может оживить «мертвую» батарею
- Индикатор заряда отображается только при 100% заряде.
Для подзарядки свинцово-кислотных аккумуляторов на 6 и 12 В применяется электронное ЗУ. Агрегат имеет индикатор, который позволяет отслеживать уровень заряда.
Устройство оборудовано усиленными изолированными зажимами для подсоединения к АКБ.
Плюсы устройства:
- Легкое и понятное управление.
- Индикатор уровня зарядки.
- ЖК-экран с подсветкой.
- Присутствует режим подзарядки «Зимний».
Минусы устройства:
- Уровень электролита не поднимается до 1.27 – 1.29, несмотря на наличие режима «Зимний».
Импульсное зарядное устройство PATRIOT BCI-10M 650303415
Агрегат импульсного типа. Модель легка в управлении. Среди главных преимуществ – возможность восстановления батареи, контроль напряжения. Для предотвращения перегрева внутренних элементов ЗУ оборудовано вентилятором.Удобство в переноске создается за счет небольшой массы и эргономичной рукояти.
На панели управления находится визуальный амперметр, который позволяет контролировать силу тока.
Плюсы устройства:
- Возможность контроля силы тока.
- Можно следить за напряжением.
- Электронное управление возможно прямо с транспортного средства.
- Может поддерживать состояние аккумулятора при долгом хранении.
- Легкость в эксплуатации.
Минусы устройства:
- Вентилятор работает громко.
- Доверять полностью показателям амперметра не следует, много расхождений.
- При зарядке АКБ на 55 Ач и силе тока в 5 А слышится страшный треск.
Как заряжать автомобильный АКБ зарядным устройством дома или в машине?
Основные правила зарядки автомобильных аккумуляторов состоят лишь в том, что процесс должен происходить в теплом сухом месте (дома, в гараже или на крытой стоянке), клеммы аккумулятора должны быть чистыми, без окислов, сама батарея исправна. Потеки электролита на АКБ недопустимы!
Подключение зажимов к клеммам осуществляется так: плюс ЗУ к плюсу батареи, минус к минусу. Первым всегда подключается плюсовой провод, по традиции он красный. Потом минусовой, он черный. Далее устройство включается в сеть. Режим работы осуществляется согласно инструкции.
Отключается ЗУ в обратном порядке: сначала обесточивается, потом снимается минусовой черный провод, и только затем плюсовой красный. Соблюдайте эти простые правила, и электрика долго будет служить вам верой и правдой.
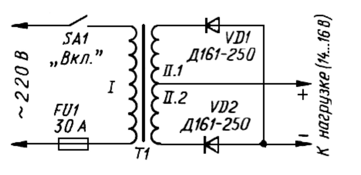
Описание и принцип работы пуско-зарядного устройства
Здесь особо сложного ничего нет. Сетевое U = 220 В подаётся через выключатель на первичную обмотку трансформатора, а на вторичной происходит уменьшение переменного напряжения. Потом оно сглаживается двухполупериодным или мостовым выпрямителем, собранным на мощных диодах. Далее пульсирующее напряжение может быть отфильтровано посредством электролитических конденсаторов. При необходимости около выхода осуществляется увеличение напряжения, что делается с помощью усилителей, в которых основными компонентами являются транзисторы, тиристоры.
Из недостатков описываемого пуско-зарядного устройства можно отметить разве что солидный вес, что обусловлено установкой мощного и, как следствие, габаритного трансформатора. Ниже – схема двухполупериодного пуско-зарядного устройства своими руками:

В этой схеме задействован лабораторный трансформатор ЛАТР. Вместо двух диодов можно использовать и диодный мост типа КЦ405. Схема пуско-зарядного устройства для автомобиля с усилителем:

Как сделать пуско-зарядное устройство своими руками, чтобы оно наверняка заработало? Нужно соблюдать параметры деталей. Мощность указанных на картинке тиристоров – не менее 80 А (если будет использоваться диодный мост, то от 160 А). Диоды на ток – 100–200 А. Транзистор – КТ361 либо КТ 3102 (можно любой другой с такими же параметрами). Мощность используемых резисторов – от 1 Вт.
Собранное своими руками зарядно-пусковое устройство подключается через зажимы-крокодилы к АКБ в соответствии с полярностью. При нормально заряженной батарее с ПЗУ энергия поступать не будет. Если же АКБ не функционирует, тиристорный переход откроется, и зарядный ток пойдёт на батарею и стартер.
Расчёт обмоток трансформатора
Сначала нужно подобрать магнитопровод, сечение которого должно быть не меньше 37 кв. см. Чтобы рассчитать количество витков в первичной обмотке, необходимо воспользоваться формулами: Т = 30/S, где S – площадь магнитопровода и N = 220*Т, то есть W1 = 220*30/37 = 178 витков. Для обмотки необходимо использовать изолированный провод сечением не менее 2 кв. мм. Формула для вторичной обмотки: W2 = 16*Т = 16*30/37 = 13 витков. Здесь понадобится шина из алюминия площадью 36 кв. мм.
Стоит заметить, что формулы не всегда могут выдавать точное число обмоток (особенно вторичной), поэтому можно применить метод подбора. Намотав первичную обмотку, накрутите несколько витков вторичной и измерьте получившееся напряжение, не обрезая шину. Таким образом нужно добиться на выходе значения 14–16 В.
Дело будет обстоять проще, если у вас имеется ЛАТР – лабораторный трансформатор. От него нужно взять сердечник. Количество витков первичной обмотки – 265–295. Используйте изолированный провод сечением 2 мм. Намотку производите в три слоя. Далее обязательно проверьте значение тока холостого хода (включите мультиметр в разрыв между сетью 220 В и одним из концов обмотки). Прибор должен показывать 210–390 мА. Если показания больше, число витков нужно увеличить, в противном случае, наоборот, уменьшить. Вторичная обмотка разделена на две секции, в каждой из которых 15–18 витков. Здесь понадобится провод сечением 10 кв. мм.
Расчёт выпрямителя
Далее рассмотрены параметры электронных компонентов (помимо указанных выше), применяемых в обеих схемах:
- Диоды. Максимальный пропускаемый ток не должен быть менее 100 А. Это могут быть В200, Д141, 2Д141, 2Д151 и иные аналогичные детали. Вместо КД105 не возбраняется применять КД209 или даже Д226. Стабилитрон – Д808, 2С182 и т. п.
- Тиристоры. I = 80 А и более: ТС185, Т15-80, Т15-100, Т161, Т125 и т. п. Если используется вариант выпрямления тока с диодным мостом, тиристоры будут мощнее вдвойне: Т15, Т160, Т250, Т16 и другие, аналогичные.
- Транзисторы. Здесь важен коэффициент усиления h = 21э. Это КТ361 либо КТ3107 проводимостью n-p-n. Вместо КТ816 подойдёт и КТ814.
- Резисторы. Желательно, чтобы их мощность была не менее 1 Вт.
- Выключатель. Должен держать ток от 6 А.
Подбор сечения проводов
Подбирая выходные провода, которые будут присоединяться к аккумулятору, нужно помнить, что их диаметр не может быть меньше такого же параметра вторичной обмотки. Лучше использовать многожильный медный кабель, используемый в сварочных аппаратах, где каждый проводок имеет сечение 2,5 кв. мм. Такую же площадь должен иметь провод, посредством которого самодельный аппарат будет подключаться к сети. Не забудьте приобрести мощные зажимы-крокодилы для подключения к клеммам АКБ. Здесь тоже рекомендуется использовать изделия, применяемы при сварке («масса»).
«Орион» PW150
Самое простое внешне изделие и технически незамысловато. Предохранитель в качестве защиты от ошибочного подключения — не самое удобное для пользователя решение. Режим подзаряда при хранении не предусмотрен. Но, исходя из принципа «проще не бывает», многих привлечет именно полное отсутствие наворотов. Цена, которая в разы ниже, чем у остальных, тоже немаловажный фактор.
Bosch C3 , КНР
Пожалуй, самый презентабельный вид. Хоть под елку клади! Пиктограммы понятны и перевода не требуют. Сотрудничает с 6- и 12-вольтовыми АКБ. Забавно выглядят «крокодилы» без проводов: потребитель должен прикрутить их самостоятельно. Предусмотрена «вешалка» на стенку для удобства пользования. Но вот предохранитель как «защита от дурака» — это несовременно и неудобно.
Универсальное зарядное устройство «СОРОКИН» 12.94 , «сделано для России»
Симпатичное дуракоустойчивое устройство умеет работать как с 12-, так и с 6-вольтовыми батареями. Заряд осуществляется циклически, в несколько этапов, при этом предусмотрен режим «десульфатация» для почти убитых батарей. В комплекте различные соединительные провода, в том числе для включения в гнездо прикуривателя. В общем, неплохо.
Режимы работы
Зарядные устройства могут работать автоматически или управляться вручную. При покупке автоматического прибора пользователю остается лишь подключить провода и дождаться окончания процесса. Принцип работы многих «автоматов» предполагает подачу стабильного тока, который сменяется на маленький ток при фиксированном значении напряжения.
Приборы с ручным управлением предполагают выставление собственноручно главных параметров. А некоторые устройства имеют функцию программирования, которая должна выполнять зарядку исходя из установленного алгоритма.
На рынке представлены автоматические модели, позволяющие устанавливать программируемый режим. Но купить их можно по высокой цене.
Кроме основного режима, известен режим десульфатации, характеризующийся цикличностью заряда-разряда для удаления сульфатных отложений. Эти отложения выделяются вследствие глубоких разрядов или высокой температуры воздуха. Соли начинают запечатывать пластины аккумулятора, в результате чего снижается емкость. При включении режима десульфатации происходит цикл:
- подача заряда током 0,1 А в течение 5 секунд;
- разряд током 0,01 А в течение 10 секунд.
Цикл повторяется до стабилизации напряжения 14,6 В. Затем аккумулятор заряжается обычным способом.
А также есть режим проверки работоспособности и контроля емкости. Новейшие ЗУ рассчитаны на определение работоспособности необслуживаемых батарей. При включении функции происходит анализ всех «банок». После чего система показывает замкнутый элемент.
Контроль емкости обеспечивает вычисление величины тока, который забрал аккумулятор за определенный промежуток времени.
Зарядное устройство СТЕК MXS 5.0 Polar
С учетом географического положения нашей страны наличие приборов, способных работать в условиях низких температур, вполне оправдано. Диапазон температур, заявленный заводом изготовителем зарядного устройства СТЕК MXS 5.0 Polar составляет –30°С…+50°C. Соответственно, испытания проводились в специальной камере. В результате эксперимента установлено, что вольтамперная характеристика полностью соответствует номинальным значениям.
Глубоко разряженная батарея с низкой плотностью электролита и ярко выраженными признаками сульфатизации пластин была восстановлена до рабочих параметров в течение установленного времени. В процессе осмотра выявлено, что провода и кабели имеют прочную резиновую изоляцию, которая сохраняет эластичность при экстремально низких температурах. Восьмиступенчатая программа заряда батареи отработана полностью.
Выводы экспертов: данное устройство полностью отвечает всем параметрам, что были заявлены заводом-изготовителем. В процессе его работы произошло восстановление емкости разряженной батареи до номинальных значений и десульфатизация пластин. Зарядное устройство СТЕК — 5.0 polar может быть рекомендовано для использования по назначению, в том числе и в районах Крайнего Севера.
Защита от короткого замыкания
Существует вариант, как можно уберечь дорогостоящее зарядное устройство и от переполюсовки, и от нежелательного короткого замыкания. Для этого используется более сложная схема. В нормальном режиме работы плюс открывает полевой транзистор. Минус поступает на АКБ через выход этой схемы. В случае нарушения полярности происходит возрастание силы тока в цепи и одновременно падение напряжения на транзисторе.
Даже небольшого падения напряжения достаточно для срабатывания маломощного сетевого транзистора. Он закрывает полевой транзистор, и происходит загорание светодиода. Эта схема достаточно проста и безотказна в эксплуатации. Благодаря оперативному реагированию ЗУ будет иметь защиту и от короткого замыкания в цепи.
Автомат, не автомат
Лично для меня качественное зарядное устройство, это то в котором я могу «руками» контролировать «от и до». Например, напряжение, силу тока, время заряда и т.д. Однако сейчас на рынке очень много, так называемых «автоматов» (автоматических зарядных устройств). Обычно китайского производства, с сомнительным качеством. Собственно никаких обозначений на них нет, не вольтажа, не ампеража – просто подсоединил и он «автоматом» должен зарядить ваш АКБ! Должен, но не обязан! Также от куда ему знать какой тип аккумулятора к нему подсоединили? ДА банально вы даже не сможете проконтролировать какое сейчас напряжение на клеммах!
Конечно такие варианты большая помощь для новичков, которые вообще ничего не понимают в таких системах! Получается, как у сотового телефона, подключил клеммы и забыл, в этом есть немного рациональности. Однако если берете такие системы, то берите серьезных фирм, хотя бы таких как BOSCH.

Как я уже писал сверху лично я за контролируемый вариант. Люблю сам выставлять токи и напряжение, задавать алгоритмы (кстати, все серьезные «зарядники» сейчас программируются). Например, для кальциевых АКБ, нужны так называемые «качели» — если утрировать, когда ток несколько минут один, с одним напряжением, а вот следующие несколько минут другой, с другим напряжением. Дешевые «автоматы» по умолчанию на это не способны.
Поэтому если задумали брать «зарядку», то лично я вам советую брать с возможностью ручной настройки, причем сейчас у них есть прекрасные инструкции, в которых даже «чайник» разберется.
Дополнительные функции
Делают процесс зарядки более удобным, а работу прибора – информативнее:
- Наличие дисплея. Позволяет отслеживать текущий ток заряда, а в продвинутых устройствах на экран выводится информация о текущем режиме, в том числе исходных данных о подключённой батарее.
- Наличие стрелочного индикатора. В отсутствие полноценного дисплея в более простые устройства может устанавливаться аналоговые указатели. Обычно это вольтметр и амперметр, которые показывают силу зарядного тока и его напряжение.
Мнение эксперта
Торсунов Павел Максимович
При подключении к З/У разряженного аккумулятора сила тока будет большой, а напряжение маленьким. По мере роса ёмкости значения будут меняться в противоположную сторону: сила тока падать, а напряжение – расти.
Зарядно-предпусковое устройство
Существуют различные вариации таких приборов, которые выполняют разные задачи. Просто для запуска мотора будет достаточно приобрести пусковое приспособление. Если водитель не уверен в ёмкости своей АКБ, то её можно периодически заряжать зарядным прибором, который предназначен исключительно для этого. Перед покупкой необходимо учесть ряд факторов — от ёмкости до выходного напряжения.
Чем более мощным будет такой прибор, тем выше будет его стоимость. Они чаще используются для обслуживания грузового транспорта, а в случае с легковыми автомобилями в них нет практического смысла. Такие зарядки обладают встроенным амперметром, а также защитными системами, которые предохраняют от замыканий, перегрузов и перегревов. Обычно они помещаются в прочный металлический корпус и способны реанимировать изношенную батарею за достаточно короткий срок.
Защита от переполюсовки
Несоблюдение полярности для любого зарядника к автомобильному аккумулятору не сулит ему ничего хорошего в дальнейшей эксплуатации. Даже опытные электрики иногда ошибаются, а обычные водители и подавно не застрахованы от ошибки. Для этого в современных приборах используется встроенная система защиты от несоблюдения правильной полярности.
Схема работы может быть различной, к примеру, с введением дополнительного реле для размыкания цепи. Если батарея не подключена на вход для зарядного, то реле находится в отключенном состоянии. В случае включения плюс поступает на обмотку реле через дополнительный диод. Происходит замыкание контактов реле, что позволяет направить ток на клеммы аккумулятора.
Благодаря предусмотренному световому индикатору (обычно зелёного цвета) водитель может догадаться о том, что подключение произошло корректно. Если полярность будет нарушена, то в цепи окажется закрытым диод. На обмотку реле не поступает питание, и оно становится неработоспособным. Загоревшийся красный светодиод подскажет нам о нарушении полярности. Однако такая схема не защитит от короткого замыкания, которое может быть вызвано, например, перепадами сетевого напряжения. Во избежание подобных ситуаций устанавливаются отдельные варианты защиты.
Советы по выбору
В первую очередь необходимо перед покупкой зарядного аппарата для автомобильного аккумулятора тщательно ознакомиться с инструкцией по эксплуатации аккумуляторной батареи и бортовой сети легковой машины. Затем в торговом центре ознакомиться с руководством по техническим характеристикам приобретаемого устройства.
В качестве совета можно сказать, что в свете развития поддельных изделий, особенно китайского производства, необходимо обратить внимание на российские устройства, так как это будет оптимальным выбором по всем параметрам. Выбор зарядного прибора лучше выполнять с некоторым запасом по току в сторону увеличения, чтобы зарядка не функционировала на предельных возможностях, а также на случай возможной зарядки аккумулятора большой емкости. Подбор устройства, способного заряжать батарею, лучше остановить на аппарате с автоматической системой, способной обеспечить зарядку комбинированного вида
Подбор метода индикации является вашим индивидуальным вкусом. Более дешевые индикаторы – светодиодные, но они обладают малой точностью, однако для обычной любительской зарядки этого вполне хватает. Приборная индикация значительно точнее, а соответственно дороже. Отечественные зарядки для автомобиля довольно качественные, и могут конкурировать со своими аналогами из Европы
Подбор устройства, способного заряжать батарею, лучше остановить на аппарате с автоматической системой, способной обеспечить зарядку комбинированного вида. Подбор метода индикации является вашим индивидуальным вкусом. Более дешевые индикаторы – светодиодные, но они обладают малой точностью, однако для обычной любительской зарядки этого вполне хватает. Приборная индикация значительно точнее, а соответственно дороже. Отечественные зарядки для автомобиля довольно качественные, и могут конкурировать со своими аналогами из Европы.
К вопросу подбора зарядного прибора необходимо подходить основательно и тщательно. Сначала нужно изучить руководство и его параметры. Устройство должно быть заводского исполнения, иметь в комплекте инструкцию, и точно определенные параметры. Кроме того, зарядка должна соответствовать правилам электро- и пожарной безопасности.
Специалисты рекомендуют покупать зарядные устройства автоматического вида, они могут обеспечить оптимальный эффект заряда по комбинированному методу. Каких-либо элементов управления устройством не существует, кроме прибора, задающего первоначальный ток.
Преобразователь напряжения
Некоторые автовладельцы выбирают по типу преобразователя напряжения. Дело в том, что входное напряжение в электроприбор – 220В, на выходе – 6, 12 или 24В. В некоторых устройствах преобразователь – трансформатор, в некоторых – электронное. Понять довольно легко – если зарядное устройство довольно легкое, значит у него электронный преобразователь. Они отличаются компактными габаритами и невысокой ценой.
Если оно тяжёлое по весу и габаритам – значит в нём установлен трансформатор.
Как правило, трансформаторы устанавливают в устройства, которые дают на выходе большой ток. К недостаткам можно отнести невысокий КПД. Эти особенности привели к снижению спроса на них, как только появились импульсные.
Время трансформаторных ЗУ прошло. Некоторые производители их еще выпускают, но их доля на рынке существенно сокращается.
13 место — FUВАG MIСRО 160/12: Xapaктepиcтики и цeнa
FUВАG MIСRО 160/12
Следующий участник рейтинга от всемирно известного производителя FUВАG MIСRО 160/12. Устройство относится к классу микропроцессорных. Работает с любыми свинцово-кислотными аккумуляторами.
| Тип | зарядное устройство |
| Haпряжeние AКБ | 12 B |
| Минимaльнaя емкocть AКБ | 6 A·ч |
| Мaкcимaльный тoк зaрядa | 8 A |
| Haпряжeниe питaния от ceти | 220 B |
| Цена | 5 920 ₽ |
Функционал 4.6/5
Комплектация 4.7/5
Удобство эксплуатации 4.8/5
Надежность 4.8/5
Итого: 4,7/5
FUВАG МIСRО 160/12: Пpeимущecтвa и нeдocтатки
+ Бренд заслуживает доверия;
+ Удобный в обращении;
+ Много положительных отзывов;
+ 9 уровней зарядки;
+ Восстанавливает изношенных АБК;
+ Уверенная зарядка в мороз.
— Медленно заряжает;
— Дубеют провода на морозе.
https://youtube.com/watch?v=bOr_FG5aqyE
Лучшие зарядные устройства
Исходя из вышеперечисленных характеристик, мы предлагаем список лучших по мнению автолюбителей зарядных устройств для аккумулятора авто, которые сегодня можно купить на рынке:
Орион PW150

российское зарядное устройство с простой конструкцией и демократичной стоимостью. Практично, долговечно, рассчитано на автоматическую зарядку свинцово-кислотных аккумуляторов (ручек переключения режимов нет — все работает само). Индикаторы отражают информацию о заряде аккумулятора и активности процесса зарядки. Устройство не может «оживить» разряженную до нуля АКБ, но способно дозаряжать батареи при частичной разрядке.
Автоэлектрика T-1001AP

Отечественная зарядка для аккумуляторов с силой тока до 9А (старые и современные гелевые), которые устанавливаются на мотоциклах и легковых авто. Работает надежно, качественно и долговечно, препятствует быстрой сульфатации пластин АКБ, увеличивая их срок эксплуатации, может подключаться для проверки корректности работы реле-регулятора и электрогенератора авто.
Quattro Elementi I-Charge 10

Итальянское зарядное устройство с крупными габаритами для зарядки аккумуляторов высокого уровня с максимальной емкостью до 100Ач. Номинальное напряжение — 6,5А. Автоматически анализирует параметры каждой АКБ и регулирует оптимальную силу тока для нее, имеет встроенную систему контрольного оповещения. Положительно влияет на срок эксплуатации аккумуляторных батарей (особенно зимой), но не рассчитано на зарядку полностью разряженных АКБ.
Kolner KBCH-4

Бюджетное зарядное устройство российского производства с ручной регулировкой процесса зарядки. Надежное, простое в работе и управлении, может работать в режиме импульсного пускового устройства, подключается к сети 220V или автономному генератору. Блокируется при ошибочном подключении аккумуляторных клемм, имеет индикацию уровня заряда на лицевой панели.
Сонар УЗП-210

Российская зарядка для автоаккумуляторов с оптимальными рабочими характеристиками для зарядки АКБ на 12 и 6А. Практична и проста в управлении (управление — ручное, принцип заряда — комбинированный). Быстро заряжает аккумулятор и уходит в «спящий режим».
ЗПУ 135

Лучшее на сегодня профессиональное зарядное устройство трансформаторного типа с высокой мощностью и опцией пуско-зарядного импульса (до 140А), способное заряжать полностью разряженные АКБ на 13А. Оптимальное оборудование для СТО и автопарков. Из недостатков: нет блокировки от переполюсовки клемм и короткого замыкания.
Fubag Cold Start 300/12

Одна из лучших немецких моделей ЗУ с ручным управлением зарядом. Управляется микропроцессорами и способна «оживить» разряженный аккумулятор при любых погодных и технических условиях (быстро наращивает заряд). Не сокращает емкости АКБ при эксплуатации.
Smart Power SP-25N

Финская профессиональная зарядка высокого качества с поддержкой заряда АКБ на 12 и 24V. Компактна, имеет высокую мощность, может использоваться как частными лицами, так и на СТО или в коммерческом гараже. Имеет герметичный корпус и информативный дисплей на лицевой панели. Способно много часов работать в постоянном режиме зарядки и восстанавливать полностью разряженные батареи.
Redhotdot Volta G-260

Высококачественное немецко-итальянское зарядное устройство с информативным цифровым дисплеем, рассчитанное на автоматизированное обслуживание АКБ легковых авто, мотоциклов и большегрузных машин. Имеет встроенную систему защиты от переполюсовки и короткого замыкания, способно восстанавливать полностью разряженные АКБ.
Daewoo DW 800

Японское зарядное устройство, считающееся одним из лучших зарядников-автоматов на микропроцессорах на российском рынке. Выполняет диагностику АКБ и определение уровня сульфатации пластин, само подбирает характеристики и режимы зарядки, имеет защиту от переполюсовки и перегрева проводки. Комплектуется информативным дисплеем, реанимирует батареи и способно увеличить их срок службы вдвое.
Пуско-зарядное устройство

При полностью разряженной АКБ завести авто можно несколькими способами. Первый способ подразумевает использование толкача, который, кстати, не всегда удается отыскать. Также для того, чтобы завести транспортное средство, можно прикурить аккумулятор от другого авто. Однако при использовании такого метода, у автомобиля донора могут возникнуть неполадки с электроникой. Именно по этой причине далеко не каждый водитель даст согласие использовать АКБ своего авто в качестве донора.
При полном разряде АКБ, чтобы завести автомобиль, лучше всего пользоваться пуско – зарядными устройствами (ПЗУ). Стоит отметить, что ПЗУ просты в использовании. Чтобы завести транспортное средство при помощи такого аппарата, нужно его подключить, соблюдая полярность, к клеммам аккумулятора.
Затем необходимо установить значение зарядного тока в пределах 15-20 А и постоянно следить за показателями напряжения на клеммах. Когда уровень напряжения достигнет отметки в 15V, можно попробовать завести транспортное средство. При этом стартер необходимо включать приблизительно на 10 секунд. Во время запуска авто ПЗУ отключать не нужно.
Стоит отметить, что большинство популярных моделей ПЗУ также можно использовать для подзарядки аккумулятора автомобилей. Как правило, такие аппараты могут работать с батареями, показатель номинального напряжения которых составляет 12V и 24V. Самые хорошие, качественные популярные модели ПЗУ оснащаются регулировкой выставляемого для подзарядки тока.
Отличия зарядных устройств друг от друга
На российском авторынке представлено большое количество моделей зарядников для АКБ автомобиля от разных брендов. Эти устройства принято разделять на несколько категорий:
- Первая — обеспечивает полноценную зарядку батареи. Токовая характеристика устройства небольшая, зарядка производится при выключенном двигателе.
- Вторая – пуско-зарядные устройства, выдающие мощный точечный импульс для экстренного запуска движка.
По типу управления уровнем заряда устройства также разделяют на:
- ручные — бюджетные аппараты, в которых необходимо вручную отключить питание при достижении полного заряда АКБ;
- автоматические – устройства, самостоятельно контролирующие уровень заряда и отключающие зарядку.
Все зарядные устройства служат одной цели — они заряжают аккумуляторные батареи автомобилей, но работают они по-разному:
- Аккумулятор заряжается на постоянном токе, где напряжение изменяется, а токовые нагрузки в процессе работы остаются неизменными. Максимальный уровень заряда достигается быстро, но такая зарядка сокращает срок службы АКБ.
- Аккумулятор заряжается переменным током. В процессе работы напряжение остается постоянным, а скорость зарядки постепенно снижается.
- Комбинированная зарядка. Процесс разделен на две части: Сначала быстро и на постоянном токе, затем медленнее — на переменном. Устройства третьего типа зарядки — наиболее практичные и безопасные для АКБ.
Автоматический и ручной режим зарядки
Далее идут категории зарядных устройств самые простые из которых имеют две технологии – автоматический и ручной режим.
При ручном режиме все просто. Вы самостоятельно оцениваете характеристики своего аккумулятора и выставляете ток зарядки, который можете менять в процессе.
При автоматическом режиме ещё проще, устройство постоянно поддерживает определенное напряжение (около 14,5В) и по мере заряда автоматически снижает ток. Это самый бюджетный сегмент — «Катунь», «Орион», Т1021 и т.д.



Следующая категория – заряд идет постоянной силой тока, например, ЗУ «Полюс».
Устройство работает только при подключенной аккумуляторной батарее. ЗУ автоматически отключится, если отсоединить хотя бы одну из клемм.
ЗУ осуществляет стабилизацию тока заряда АКБ при изменении напряжения питающей сети 220В, 50Гц. и степени заряженности АКБ. Это позволяет сократить время заряда АКБ и производить заряд максимально допустимым током.

Вымпел 55
Проверенный отечественный аппарат многие считают самым лучшим программируемым зарядным устройством, доступным на рынке за приемлемую стоимость. Вымпел 55 предназначен для подзарядки большинства типов автомобильный батарей, включая редко встречающиеся сурьмянистые, АКБ глубокого разряда (Deep-Cycle) и с увеличенным ресурсом (Long Life).
Рабочее напряжение – 6/12 В, ток заряда аппарата можно регулировать в диапазоне 0,5-15,0 А, напряжение – 0,5-18,0 В. Реализованы функции автоматического включения (задаётся по таймеру) и отключения, защиты от КЗ/перегрева/переполюсовки.
https://youtube.com/watch?v=lMXDqiBM-8U
Прибор характеризуется наличием обширного перечня настроек, имеются также встроенные режимы, ориентированные на аккумуляторы определённого типа. Настройки можно сохранять в энергонезависимой памяти, при необходимости Вымпел 55 можно использовать как блок питания, вольтметр или предпусковой девайс. И стоит такой многофункциональный девайс порядка 4500 рублей.
| Достоинства | Недостатки |
| Большое число встроенных алгоритмов | Поддерживает только 12-вольтные АКБ |
| Таймер включения/отключения | Корпус непрочный |
| Ручная настройка алгоритмов | Небольшой ресурс |
| Обширный дополнительный функционал |





