Схема электропитания дома от солнца
Система солнечного электроснабжения включает:
- Гелиопанели.
- Контроллер.
- Аккумуляторы.
- Инвертор (трансформатор).
Контроллер в этой схеме защищает как солнечные батареи, так и АКБ. С одной стороны он препятствует протеканию обратных токов по ночам и в пасмурную погоду, а с другой – защищает аккумуляторы от чрезмерного заряда/разряда.
Аккумуляторные батареи для гелиопанелей следует подбирать одинаковые по возрасту и емкости, иначе зарядка/разрядка будут происходить неравномерно, что приведет к резкому снижению срока их службы
Для трансформации постоянного тока на 12, 24 либо 48 Вольта в переменный 220-вольтовый нужен инвертор. Автомобильные аккумуляторы применять в такой схеме не рекомендуется из-за их неспособности выдерживать частые перезарядки. Лучше всего потратиться и приобрести специальные гелиевые AGM либо заливные OPzS АКБ.
Как работают солнечные панели зимой
Добрый день. Продолжу рассказывать о использовании панелей. Один из часто задаваемых вопросов — А как же они ведут себя зимой? Их же снегом заносит и солнца почти нет. Ну что же попытаюсь показать на фото как они себя ведут. И так ночью шел снег, на утро панели выглядели так:
После снегопада, если ветер дует, как это сказать то, если ветер дует в рабочую сторону панелей то их может припорошить как на фото, бывает сильнее, бывает слабее. Ну вот и солнышко встает.
Похоже будет изредка выглядывать, почти по всему небу какая то дымка и только на востоке более, менее чистое небо.
Пойду посмотрю на приборы. Было свободное время, включил в цепь панелей амперметры, все таки интересно что они там дают по току в зависимости от условий. Пока установил их в коробку из под студийного микрофона, немного кривовато получилось, ну да ладно, потом куплю пластиковый щиток и установлю их туда. А да еще в планах попробовать включить в цепь реле выбора фаз, для автоматического переключения на сеть когда сядут АКБ или наоборот. Ну а пока амперметры выглядят так:
Через часик солнце поднялось повыше, даже облачка пропали. Выхожу посмотреть как там панели.
А панели нормально, когда солнце выглядывает из за туч снег с них очень быстро сползает. Тут дает о себе знать «зимний» угол установки панелей почти 70 градусов. Ну пойду посмотрю на амперметры.
Ток увеличился, хотя я ожидал что будет больше. Только полез все проверять, блин вспомнил, у меня же АКБ полностью заряжены, вот контроллер ток и ограничивает. Врубаю мощную нагрузку, о и ток от панелей тоже растет
И еще, амперметр слева стоит на монокристаллической панели, думаю что это она меньше выдает, пошел опять смотреть на панели, ага, на монокристаллическую падает тень от столба возле дома (сразу даже не обратил внимание поэтому и не сфотографировал), а монокристалл не любит такой частичной затененности, что естественно сказывается на выработке
Ну, а теперь выводы. Панели работают замечательно, особенно если выглядывает солнышко то заражают мои два АКБ по 60АЧ ( соединенные в батарею на 24V) очень быстро. Монокристаллическую панель наверное перенесу чуть дальше, где до нее не будет доставать тень от столба. Два АКБ по 60АЧ маловато, а если точнее выразиться то маловато если использовать постоянно, лучше парочку по 100АЧ или гулять так гулять по 200АЧ, будем над этим работать. Да и вот еще у меня есть парочку свободных АКБ по 75АЧ думаю объединить их с АКБ на 60АЧ соорудив «развязку» типа такого
Вместо «ГЕН» естественно будет панель. Ну вроде пока все, жду замечаний и предложений.
Преимущества и недостатки
К достоинствам солнечных батарей можно отнести:
• доступность для промышленных целей и частных лиц; • постоянное существование источника энергии; • легкость в обслуживании; • безопасность в использовании; • достаточно длительный срок эксплуатации конструкций.
Вырабатываемая солнцем энергия является альтернативной перспективой будущего по замене существующих электрических источников.
Недостатки солнечной энергии:
• малая эффективность недорогих конструкций; • зависимость от погодных условий; • постоянная уборка отражающей поверхности; • дороговизна мощных установок.
Солнечная энергия является самой перспективной среди других видов энергии за счет следующих факторов:
• отсутствие вреда для экологии; • постоянно возобновляемый источник.
Для снижения цены на солнечные батареи важно увеличить мощность потока солнечной энергии, попадающей на фотоэлемент. Для достижения данной цели ученые разработали специальные конструкции:
Для достижения данной цели ученые разработали специальные конструкции:
• трекер (помощник в поиске энергии); • концентратор необходимой энергии (с большой площади отправляет энергию на небольшой участок, приспособление имеет малый вес).
Применение вышеперечисленных деталей позволит солнечным панелям стать главным источником энергии при наименьших денежных затратах и отсутствием вреда для экологии.
https://youtube.com/watch?v=fPp37tg5sOc
Виды преобразующих панелей
Существует несколько видов батарей, отличающихся конструктивными особенностями, процентным соотношением преобразования солнечного света. Они обладают следующими характеристиками:
- Панели на основе кремниевых фотоэлементов являются наиболее распространенными, представляют порядка 80% от общего объема создаваемых устройств. Добыча кремния и создание легирующего покрытия является дорогостоящей процедурой, но в настоящее время стоимость таких производственных процессов постепенно уменьшается. Кремний не является редким элементом земной коры. В ближайшем будущем именно батареи, основанные на нем, будут применяться повсюду. Существенный недостаток заключается в небольшом коэффициенте светопоглощения, т. к. кремний относится к непрямозонным полупроводникам. Готовые фотоэлементы в результате имеют увеличенную толщину, а устройство много весит.
- Отличительная черта панелей тонкопленочного типа — повышенный в сравнении с предыдущим вариантом коэффициент светопреобразования. Фотоэлементы (прямозонные полупроводники) толщиной всего в пару микрон вырабатывают достаточное количество энергии. Масса обозначенных панелей незначительная, они часто устанавливаются на жилых домах, автомобилях. Основное преимущество тонкопленочных батарей заключается в возможности эффективно функционировать даже в пасмурную погоду.
- Концентраторные модули отличаются самой большой эффективностью (порядка 45%), но их также отличает высокая цена. Конструктивно фотоэлементы представлены одновременно полупроводниками нескольких видов, выстроенных в определенной последовательности. Часто применимая схема представлена дорожкой-полупроводником Ge, верхним слоем GaInP, средним слоем GaAs. Такие пласты расположены особым образом, за счет чего солнечная энергия эффективно усваивается в пасмурную и в ясную погоду. Особенность заключается в сложной сборке концентраторных модулей, требующей максимальной точности.
- Батареи органического типа находятся в разработке, в продаже их невозможно встретить. Их фотоэлементы работают аналогично фотосинтезу растений. На их поверхность нанесен тончайший слой светочувствительной краски.
- Фотоэлектрические преобразователи, основанные на монокристаллическом кремнии (эффективность порядка 20%). В этом случае основу фотоэлемента представляет монокристалл из очищенного кремния, выращенный из специального кремниевого сплава. В готовом виде монокристаллы представлены стержнями кубической формы. Далее полученный куб разделяется на пластины не более чем в 180 Мк толщиной. Полученные детали тщательно очищаются, проходят процесс армирования специальным защитным слоем. Поверхность металлизируется, обрабатывается антирефлексивным веществом.
- Фотоэлектрические панели, работающие на поликристаллическом кремнии (КПД — около 15%). Этот материал добывается при переработке кремниевого остывшего расплава. Процесс образования рабочих стержней продолжительный, т. к. расплав происходит при низкой температуре, но значительно проще в сравнении с формированием монокристаллов.
- Батареи фотоэлектрического типа на аморфном кремнии (эффективность — 10%). Основной компонент добывается по принципу испарительной фазы, когда пленка из кремния закрепляется на несущем материале, армируется специальным компонентом для обеспечения защиты. Преимущество заключается в производстве панелей масштабных площадей, малой себестоимости. Из отрицательных моментов отмечается незначительный эксплуатационный ресурс, причиной чему служит ускоренная деградация.
https://youtube.com/watch?v=bvojjtrxPb4
КОМПЛЕКТ ОБОРУДОВАНИЯ
Рассмотрим составляющие фотоэлектрической системы подробнее.
Солнечные панели.
Панели состоят из полупроводниковых кремниевых фотоэлементов, соединительных проводов и корпуса. Входящие в них фотоэлектрические преобразователи бывают двух основных видов:
- монокристаллические, изготовленные из искусственно выращенного кристалла кремния, нарезанного на пластины;
- поликристаллические, полученные из обрезков, оставшихся от монокристаллических элементов, методом длительного охлаждения кремниевого расплава.
Монокристалл имеет однородную структуру поверхности и выглядит как квадрат со срезанными углами. Его КПД выше, чем у поликристалла, и достигает 20-22%, а стоимость дороже примерно на 10%. Лучи света, попадающие на его поверхность, не рассеиваются, а распределяются равномерно, вызывая направленное беспрепятственное движение свободных электронов.
Поликристалл имеет вид плоского квадрата с неоднородной поверхностью и цветовой гаммой, переливающейся синими и голубыми оттенками. Его КПД находится в пределах 17-18%, поскольку он состоит не из чистого кремния, а с примесями, и из разных кристаллов.
Разницей в КПД объясняется то, что при одинаковой мощности панели второго типа будут иметь больший размер. При равной площади модулей монокристалл вырабатывает электроэнергии на 30% больше.
Вместе с тем, у поликристаллов есть свои преимущества: у них медленнее снижается мощность по мере увеличения эксплуатационного срока (2% против 3% в первый год работы).
Инвертор.
Это устройство, которое преобразует постоянный электрический ток, вырабатываемый солнечными батареями и равный 12 или 24 вольтам, в переменный ток 220 В, который используется для подключения и работы всех бытовых приборов. КПД инвертора составляет около до 96%, так что 4% — это гарантированные потери.
Аккумулятор.
Аккумуляторы предназначены для перераспределения полученной солнечной энергии, поскольку она поступает неравномерно в течение суток: в полдень возможен ее переизбыток, а ночью выработка прекращается. Аккумулятор накапливает электричество в течение светлого времени суток и отдает его в вечерние и ночные часы.
Не следует устанавливать на солнечные батареи автомобильные аккумуляторы, хотя это кажется на первый взгляд рациональным решением.
Их мощности хватает на электропитание одного дома, однако они рассчитаны на эксплуатацию в совершенно иных условиях. Разряд более чем на 30% является для них экстремальным, в то же время они выдают высокий пусковой ток, в чем в данном случае нет никакой необходимости.
В таком режиме, когда в первой половине суток батарея заряжается, а во второй – отдает энергию, автомобильный аккумулятор прослужит не более года, причем его емкость будет уменьшаться, и вероятность внезапной поломки – увеличиваться.
В солнечных батареях используют два типа аккумуляторов, кислотные и гелевые. Последние эффективнее, лучше переносят сильный разряд, но стоят дороже. Батарея не должна разряжаться на 100%, остаточный заряд должен быть не менее 40% (зависит от типа батареи), и чем выше этот процент, тем больше прослужит аккумулятор.
Полностью обеспечить электропитание всех устройств и приборов в доме с помощью современных аккумуляторов невозможно, это выльется в слишком большую сумму. Поэтому к ним не подключают стиральные машины и пылесосы, а только осветительные приборы, холодильники, компьютеры.
Аккумуляторы – самое слабое звено современных систем альтернативного энергоснабжения.
Контроллер.
Этот прибор обеспечивает полную зарядку аккумулятора и защищает его от перезарядки и закипания. Поскольку панели вырабатывают электричество только в световое время суток, а основной пик потребления приходится на вечерние часы, подключать панели к аккумуляторам напрямую нельзя – выйдет из строя и то, и другое.
Существует три типа контроллеров, отличающихся функциональностью и ценой:
- ON/OFF – самый простой и элементарный, который просто отключает поступление энергии с панели при достижении максимального заряда батареи. Срабатывает при 70% уровне заряда, и батарея быстро выходит из строя. Используется в основном для тестирования системы.
- ШИМ или PWM – обеспечивает ступенчатую зарядку аккумулятора, переключая режимы заряда, которые выбираются автоматически в зависимости от уровня разрядки аккумулятора. Он заряжается до 100%, однако потери при зарядке составляют до 40%.
- MPPT – наиболее экономичный и усовершенствованный, работает по вычислительной технологии, сравнивая напряжение, подаваемое с панелей, с напряжением на аккумуляторе и выбирая оптимальное преобразование для получения максимального заряда. Его КПД составляет 93-97%.
Солнечная батарея в ясный день
Итак, в нашей статье мы будем ставить опыты с солнечной панелью на 100 Вт и посмотрим, целесообразно ли ее было покупать. Так как я живу в Удмуртии, это получается 57 градусов северной широты. Лето теплое солнечное, зима умеренно-холодная.
Приятный солнечный денек 10 июня. На небе ни тучки, солнце в зените.

Направляю панель на солнышко и смотрю напряжение на клеммах в холостом режиме.

23,1 Вольта халявы)
А теперь смотрим ток короткого замыкания. Для этого ставим мультиметр в режим измерения силы тока и соединяем выводы солнечной панели.

Все прям почти как по описанию).
Берем галогенную автомобильную лампу и цепляем к панели

Горит так, что даже глаза слепит.
Давайте замеряем напряжение на клеммах панели с нагрузкой-лампочкой.

Смотрим силу тока, которую кушает наша автомобильная лампочка:

Давайте посчитаем, какую мощность кушает лампочка от панельки. Вспоминаем, что мощность – это произведение силы тока на напряжение. То есть получаем P=IU=5,45 x 16,2 = 88,3 Ватта. Как видите, панелька в легкую питает нагрузку, которая кушает 88,3 Ватта при напряжении в 16,2 Вольта. Честно говоря, более чем 14,4 Вольт подавать на лампочку не стоило бы, так как она автомобильная. Но вроде осталась жива.
Виды
Монокристаллические
Такие батареи визуально выглядят как панели с сегментами глубокого черного цвета. Получили название за счет конструкции на основе монокристаллов кремния.
Самый существенный недостаток — строгая ориентировка оптических осей кристаллов, что требует точного позиционирования панелей для получения максимальной отдачи. По этой же причине монокристаллы не терпят затенения – генерация энергии значительно снижается.
В настоящий момент обладают самым высоким КПД преобразования – около 22%. При этом стоимость тоже наиболее высокая – порядка 0.9-1.1 доллара за 1 Вт генерируемой мощности.
Поликристаллические модули
Название такие батареи получили за счет размещения на подложке множества кремниевых кристаллов с хаотически ориентированными оптическими осями. Визуально такие модули отличаются синим цветом с «морозным» рисунком.
Аморфные
Технология изготовления рабочего тела сходна с поликристаллическими, но в качестве основы выступает аморфный кремний (aSi). При КПД в пределах 8-11% отличаются высокой эффективностью работы в рассеянном свете, могут захватывать и инфракрасный диапазон. В результате обладают лучшей стоимостью – порядка 0.5-0.7 доллара за 1 Вт.
Кроме того, имеют солидное преимущество – гибкую основу. Это означает, что для монтажа не требуется жестких конструкций, материал легко клеится на поверхности любой формы.
Остальные
Модули, предлагаемые производителями, могут быть изготовлены и по другим технологиям:
- Микроморфные, отличаются высокой отдачей при рассеянном и инфракрасном излучении.
- Гибридные, использует несколько полупроводниковых материалов и обеспечивают высокий КПД преобразования (до 44%).
- Полимерные, гибкие с подложкой из полимерных материалов, абсолютные лидеры по стоимости.
Такие предложения следует тщательно изучать, некоторые из них могут оказаться намного выгоднее, чем лидирующие на рынке панели, выполненные по стандартным технологиям.
Вообще, монокристаллические панели можно рекомендовать для установки только жителям южных регионов. Остальным следует выбирать поликристаллы или панели по другим технологиям.
Следует обращать внимание не только на технологию панелей, но и на качество. В маркировке оно отображается как Grade от A (самое высокое) до D
Кроме того, рекомендуется проверить и репутацию производителя, особенно, если он выпускает не собственную, а OEM-продукцию. Сделать это можно на сайтах лабораторий качества – Калифорнийской или Европейской TUV.
Принцип работы солнечной батареи
Принцип работы солнечной батареи заключается в следующем:
1. Происходит падение солнечных лучей на специальный фотоэлемент. 2. В фотоэлементе создаются пары электронно-дырочного типа. 3. Электроны сверх нормы переносятся из одного слоя полупроводника в другой, в результате данного процесса во внешней среде образуется напряжение.
Работу солнечной батареи можно сравнить с колесом, по которому передвигаются электроны. Аккумуляторы при таком движении постепенно накапливают заряд.
В жару менее продуктивно работает фотогальваническая составляющая солнечной батареи. Максимальную отдачу конструкции демонстрируют при ясной зимней погоде. Следует подчеркнуть, что падение снега не влияет на работу батареи, она все равно продолжает нормально функционировать.
Солнечную энергию можно преобразовывать не только в электрическую, но и в тепловую. В данном процессе происходит не преобразование, а накапливание энергии. В этом и заключается принцип работы солнечного коллектора: устройство собирает тепло и передает его в теплоноситель. Данная конструкция применяется при отоплении домов.
Солнечная панель включает в себя ряд фотоэлементов, создающих разность потенциалов под воздействием освещения. Если целью является увеличение напряжения, то нужно соединять фотоэлементы последовательным методом, в случае необходимости увеличения силы тока требуется соединить элементы параллельно.
Принцип работы фотоэлемента позволяет наглядно представить, как устроена солнечная панель.
Алгоритм преобразования энергии солнца в электрическую энергию:
• воздействие светом на полупроводники (фотоэлементы – два слоя полупроводника, имеющих различную проводимость, n-проводимость, p-проводимость); • создание разности потенциалов; • замыкание цепи; • получение электрической энергии.
Рассмотрев, из чего состоит солнечная батарея, можно сделать вывод о несложной конструкции с относительно невысокими денежными затратами.
IBC технология солнечных элементов
Вид на тыльную поверхность IBC элемента
IBC элементы не только самые эффективные, но и самые механически прочные, потому что задняя контактная поверхность создает дополнительную жесткость и поддержку кремниевому элементу.
Но высокая цена несколько лет назад была и у самых распространенных сейчас PERC элементов, и у гетероструктурных элементов. Мы видим сейчас, что эти технологии постепенно вытесняют другие, менее эффективные, хотя и более дешевые технологии производства. Рынок предпочитает более эффективные солнечные батареи самым дешевым. Поэтому скорее всего, IBC технология также скоро выйдет на массовый рынок солнечных батарей.
Среди самых эффективных современных солнечных модулей, использующих эту технологию можно назвать произведенные SunPower и LG монокристаллические кремниевые IBC N-type модули. Эти модули также имеют гарантию на 90-92% мощности через 25 лет, что существенно больше стандартной для остальных модулей гарантии в 80% через 25 лет.
-
SunPower – Maxeon 3 – имеет 22.6% КПД
-
LG energy – Neon R – имеет 21.7% КПД
Смотрите полный список наиболее эффективных солнечных панелей по состоянию на 2021 год.
Производство солнечных батарей

Солнечная батарея состоит, как известно, из нескольких обязательных частей. Основой основ у нее, подобно двигателю у машины или сердцу у человека, является солнечная панель – прозрачный прямоугольный короб с темными квадратиками тонко нарезанного кремния внутри. Кремний, используемый в производстве, а точнее его оксид (соединение с кислородом) – основной элемент производства солнечных батарей.
https://youtube.com/watch?v=BZ8H-tFvQ1I
Технологии, лежащие в основе производства солнечных батарей, все время совершенствуются и состоят из нескольких этапов.
- На первом этапе подготавливают сырье: очищают кварцевый песок, прокаливая его с коксом. В результате он освобождается от кислорода, превращаясь в куски чистого кремния, напоминающие чем-то уголь. Затем, из него выращивают кристаллы – основу солнечных панелей, упорядочив структуру кремния. Для этого чистый кремний опускают в тигель, нагревают до высокой температуры, добавляя в расплавленную лаву затравку. Можно сравнить ее с образцом будущего кристалла, вокруг которого, слой за слоем нарастает кремний упорядоченной структуры. После нескольких часов роста получается кристалл монокремния (или поликристаллический кремний, процесс получения которого более затратный, что сказывается на цене солнечных батарей из него), напоминающий большую сосульку. Затем заготовку цилиндрическую превращают в параллелепипед. После этого заготовку режут на пластины толщиной 100-200 микрон (толщина трех человеческих волос), тестируют их, сортируют и направляют на следующую стадию обработки.
- На втором этапе пластина паяют в секции, их которых на стекле формируют блоки, чтобы исключить возможность механического воздействия на готовые солнечные элементы. Секции обычно состоят из 9-10 солнечных элементов, блоки – из 4-6 секций.
- Третий этап заключается в ламинировании спаянных в блоки пластин этиленвинилацетатной пленкой, а затем защитным покрытием, который осуществляется с помощью компьютера, который следит за давлением, вакуумом и температурой.
- Четвертый этап заключительный. Во время него монтируется соединительная коробка и алюминиевая рама. Вновь проводят тестирование, во время которого измеряют показатели напряжение холостого хода, ток короткого замыкания, напряжение и ток точки максимальной емкости.


Использование солнечных батарей производства Suntech для освещения стадиона в Пекине
Преимущества и недостатки солнечной энергетики
Плюсы:
- На стадии использования — экологичность (почему с оговоркой: производство и утилизация такие же «грязные», как и любая другая электроника).
- После первичных вложений, полученная электроэнергия условно бесплатная (требуются некоторые средства на обслуживание по истечении срока эксплуатации).
- Возможна полная автономия: вы можете организовать энергоснабжение в местах, где даже не планируется централизованная подача электроэнергии.
- Вы не зависите от тарифной политики энергетических компаний.
- При выполнении определенных нормативов, можно «продавать» избыток электроэнергии в городские сети.
Минусы:
- Относительная дороговизна оборудования (как видно на примерах использования, это не всегда является проблемой).
- Зависимость от погодных условий (в регионах, где солнечных дней немного, использование затруднено).
- Оборудование нуждается в периодическом обновлении — присутствует естественный износ.
Самостоятельная установка
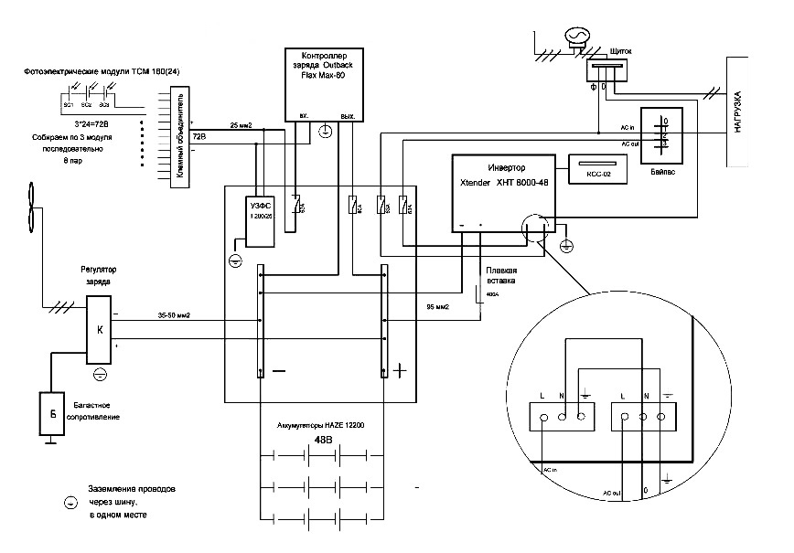
Зная, как подключить солнечную батарею к энергоснабжению вашего дома, вы сможете сэкономить на оплате труда монтажников. Самая сложная часть — установка комплекта солнечных батарей на крыше. Если высота дома не более 2 этажей, можно выполнять такую работу самостоятельно (с помощником). Крепление выполняется с учетом погодных условий и ветровой нагрузки вашего региона.

Закончив монтаж солнечных батарей, приступаем к подключению электрики. Все фото батареи заводятся на контроллер, который управляет зарядом аккумуляторов. От АКБ можно выполнить отвод для потребителей 12 В.
Затем подключаем инвертор, и заводим его на вводной электрощиток. Автономное энергоснабжение готово.

Типовая схема показывает взаимное положение элементов и порядок электрических соединений. При покупке оборудования, каждый элемент снабжается технической документацией, по которой производится сборка.
Выводы и полезное видео по теме
Ролик продемонстрирует процесс собственноручного сооружения солнечной батареи:
https://youtube.com/watch?v=dR7ENH16epo
Наглядное пособие по сооружению воздушной системы отопления:
https://youtube.com/watch?v=2XoHlAt_irM
Технология изготовления плоской солнечной установки своими руками:
https://youtube.com/watch?v=6Ui_7hQn5L4
Возможен вариант полной замены энергоресурсов солнечной энергией в своей отопительной системе. Еще одно существенное достоинство – собрать гелиоустановку можно своими руками.
У вас есть практические навыки сборки или эксплуатации солнечных систем отопления? Делитесь накопленными знаниями, задавайте вопросы по теме и участвуйте в обсуждениях. Форма для комментариев расположена ниже.





