Типы электросхем
- структурные;
- функциональные;
- принципиальные;
- монтажные.
Существуют строгие нормативы, регламентирующие выполнение (черчения) электрических схем. На сегодняшний день таким документом является ГОСТ 2.702-2011, он обязателен для всех типов электросхем.
Структурная электрическая схема
Данная электросхема дает представление о принципе действия устройства (электроустановки) и об основных его функциональных узлах (частях) лишь в общих чертах. Работа над проектом, чаще всего, начинается именно с этой схемы. Изображение функциональных узлов (частей) выполняется в виде прямоугольников или условных графических изображений
Их реальное расположение при этом не принимается во внимание. Связи между узлами изображаются линиями, а направление протекания электрических процессов – стрелками на этих линиях. Так же на схеме указывают технические параметры функциональных частей в виде поясняющих надписей
структурная электрическая схема
Так же на схеме указывают технические параметры функциональных частей в виде поясняющих надписей. структурная электрическая схема
Функциональная электрическая схема
Электросхема очень похожа на структурную схему. Основное отличие заключается в том, что функциональная схема более детально показывает принцип работы устройства (изделия, установки). На данной электрической схеме досконально показываются происходящие процессы между функциональными узлами (частями).
Используйте на своих сайтах и блогах или на YouTube кликер для adsense
Принципиальная электрическая схема
Это самая распространенная электрическая схема из всех типов схем, она дает наиболее полное представление о работе всех электроцепей установки. На ней показываются все электрические и магнитные связи между функциональными частями и компонентами электроустановки. Принципиальная электросхема может быть как общей, так и однолинейной. Однолинейная схема проста по восприятию и очень широко применяется в электроэнергетике.
принципиальная электрическая схема
Монтажная электрическая схема
Данная электросхема показывает реальное расположение узлов и агрегатов электрической установки, а также связи между ними (электрические кабели и провода). В монтажной схеме применяется буквенно-цифровое обозначение всех элементов электрической цепи (электрические аппараты, соединения и т.д.) и нумерация проводов и кабелей. После монтажа электроустановки (электроцепи) эта нумерация сохраняется и наносится на провода посредством бирок или цифровых маркеров. Схема используется для непосредственного производства работ или для изготовления изделия.
Монтажная схема иногда носит другое название – схема соединений или схема подключения.
монтажная электрическая схема
Как читать электрические схемы реально
Давайте вернемся к простейшей схеме, состоящей из батареи гальванических элементов GB1, резистора R1 и светодиода VD1.
Как мы видим – цепь замкнута. Поэтому в ней протекает электрический ток I, который имеет одинаковое значение, поскольку все элементы соединены последовательно. Направление электрического тока I от положительной клеммы GB1 через резистор R1, светодиод VD1 к отрицательной клемме.
Назначение всех элементов вполне понятно. Конечной целью является свечение светодиода. Однако, чтобы он не перегрелся и не вышел из строя резистор ограничивает величину тока.
Величина напряжения, согласно второму закона Кирхгофа, на всех элементах может отличаться и зависит от сопротивления резистора R1 и светодиод VD1.
Если измерить вольтметром напряжение на R1 и VD1, а затем полученные значения сложить, то их сумма будет равна напряжению на GB1: V1 = V2 + V3.
Соберем по данному чертежу реальное устройство.
Как читать электрические схемы с минимальным набором радиодеталей мы разобрались. Теперь можем перейти к более сложному варианту.
Добавляем радиодетали
Рассмотрим следующую схему, состоящую из четырех параллельных ветвей. Первая представляет собой лишь аккумуляторную батарею GB1, напряжением 4,5 В. Во второй ветви последовательно соединены нормально замкнутые контакты K1.1 электромагнитного реле K1, резистора R1 и светодиода VD1. Далее по чертежу находится кнопка SB1.
Третья параллельная ветвь состоит из электромагнитного реле K1, шунтированного в обратном направлении диодом VD2.
В четвертой ветви имеются нормально разомкнутые контакты K1.2 и бузер BA1.
Здесь присутствуют элементы, ранее нами не рассмотрены в данной статье: SB1 – это кнопка без фиксации положения. Пока она нажата ее, контакты замкнуты. Но как только мы перестанем нажимать и уберем палец с кнопки, контакты разомкнутся. Такие кнопки еще называют тактовыми.
Следующий элемент– это электромагнитное реле K1. Принцип работы его заключается в следующем. Когда на катушку подано напряжение, замыкаются его разомкнутые контакты и размыкаются замкнутые контакты.
Все контакты, которые соответствуют реле K1, обозначаются K1.1, K1.2 и т. д. Первая цифра означает принадлежность их соответствующему реле.
Бузер
Следующий элемент, ранее не знакомый нам, — это бузер. Бузер в какой-то степени можно сравнить с маленьким динамиком. При подаче переменного напряжения на его выводы раздается звук соответствующей частоты. Однако в нашей схеме отсутствует переменное напряжение. Поэтому мы будем применять активный бузер, который имеет встроенный генератор переменного тока.
Пассивный бузер – для переменного тока.
Активный бузер – для постоянного тока.
Активный бузер имеет полярность, поэтому следует ее придерживаться.
Теперь мы уже можем рассмотреть, как читать электрическую схему в целом.
В исходном состоянии контакты K1.1 находятся в замкнутом положении. Поэтому ток протекает по цепи от GB1 через K1.1, R1, VD1 и возвращается снова к GB1.
При нажатии кнопки SB1 ее контакты замыкаются, и создается путь для протекания тока через катушку K1. Когда реле получило питание ее нормально замкнутые контакты K1.1 размыкаются, а нормально замкнутые контакты K1.2 замыкаются. В результате гаснет светодиод VD1 и раздается звук бузера BA1.
Теперь вернемся к параметрам электромагнитного реле K1. В спецификации или на чертеже обязательно указывается серия применяемого реле, например HLS‑4078‑DC5V. Такое реле рассчитано на номинальное рабочее напряжение 5 В. Однако GB1 = 4,5 В, но реле имеет некоторый допустимы диапазон срабатывания, поэтому оно будет хорошо работать и при напряжении 4,5 В.
Для выбора бузера часто достаточно знать лишь его напряжение, однако иногда нужно знать и ток. Также следует не забывать и о его типе – пассивный или активный.
Диод VD2 серии 1N4148 предназначен для защиты элементов, которые производят размыкание цепи, от перенапряжения. В данном случае можно обойтись и без него, поскольку цепь размыкает кнопка SB1. Но если ее размыкает транзистор или тиристор, то VD2 нужно обязательно устанавливать.
Что такое электрическая схема
Это графическое изображение, где указаны все электронные элементы, связанные между собой проводниками. Поэтому знание электрических цепочек – это залог правильно собранного электронного прибора. А, значит, основная задача сборщика – это знать, как на схеме обозначаются электронные компоненты, какими графическими значками и дополнительными буквенными или цифровыми значениями.
Все принципиальные электрические схемы состоят из электронных элементов, которые имеют условное графическое обозначение, короче УЗО. Для примера дадим несколько самых простых элементов, которые в графическом исполнении очень похожи на оригинал. Вот так обозначается резистор:
Резистор
Как видите, очень похоже на оригинал. А вот так обозначается динамик:
Динамик
То же большое сходство. То есть, существуют некоторые позиции, которые сразу же можно опознать. И это очень удобно. Но есть и совершенно непохожие позиции, которые или надо запомнить, или надо знать их конструкции, чтобы легко определять на принципиальной схеме. К примеру, конденсатор на рисунке снизу.
Конденсатор
Тот, кто давно разбирается в электротехнике, то знает, что конденсатор – это две пластинки, между которыми размещен диэлектрик. Поэтому в графическом изображении был и выбран этот значок, он в точности повторяет конструкцию самого элемента.
Самые сложные значки у полупроводниковых элементов. Давайте рассмотрим транзистор. Необходимо отметить, что у этого прибора три выхода: эмиттер, база и коллектор. Но и это еще не все. У биполярных транзисторов встречаются две структуры: «n – p – n» и «p – n – p». Поэтому и на схеме они обозначаются по-разному:
Транзистор
Как видите, транзистор по своему изображению на него-то и не похож. Хотя, если знать структуру самого элемента, то можно сообразить, что это именно он и есть.
Простые схемы для начинающих, зная несколько значков, можно читать без проблем. Но практика показывает, что простыми электросхемами в современных электронных приборах практически не обходятся. Так что придется учить все, что касается принципиальных схем. А, значит, необходимо разобраться не только со значками, но и с буквенными и цифровыми обозначениями.
https://youtube.com/watch?v=D3WE6_loag4
Что обозначают буквы и цифры
Все цифры и буквы на схемах являются дополнительной информацией, это опять-таки к вопросу, как правильно читать электросхемы? Начнем с букв. Рядом с каждым УЗО всегда проставляется латинская буква. По сути, это буквенное обозначение элемента.
Это сделано специально, чтобы при описании схемы или устройства электронного прибора, можно было бы обозначать его детали. То есть, не писать, что это резистор или конденсатор, а ставить условное обозначение. Это и проще, и удобнее.
Теперь цифровое обозначение. Понятно, что в любой электронной схеме всегда найдутся элементы одного значения, то есть, однотипных. Поэтому каждую такую деталь пронумеровывают. И вся эта цифровая нумерация идет от верхнего левого угла схемы, затем вниз, далее вверх и опять вниз.
И последнее. Все электронные элементы имеют определенные свои параметры. Их обычно также прописывают рядом со значком или выносят в отдельную таблицу. К примеру, рядом с конденсатором может быть указана его номинальная емкость в микро- или пикофарадах, а также номинальное его напряжение (если такая необходимость возникает).
Вообще, все, что связано с полупроводниковыми деталями должно обязательно дополняться информацией. Это не только упрощает чтение схемы, но и позволяет не ошибиться при выборе самого элемента в процессе сборки.
Иногда цифровые обозначения на электросхемах отсутствуют. Что это значит? К примеру, взять резистор. Это говорит о том, что в данной электрической схеме показатель его мощности не имеет значения. То есть, можно установить даже самый маломощный вариант, который выдержит нагрузки схемы, потому что в ней течет ток малой силы.
И еще несколько обозначений. Проводники графически обозначаются прямой непрерывной линией, места пайки точкой. Но учтите, что точка ставиться только в том месте, где соединяются три или более проводников.
Обозначение общего провода
В сложных электрических цепях с целью улучшения читаемости схемы часто проводники, соединенные с отрицательной клеммой источника питания, не изображают. А вместо них применяют знаки, обозначающие отрицательных провод, который еще называют общий или масса или шасси или земля.
Рядом со знаком заземления часто, особенно в англоязычных схемах, делается надпись GND, сокращенно от GRAUND – земля.
Однако следует знать, что общий провод не обязательно должен быть отрицательным, он также может быть и положительным. Особенно часто за положительный общий провод принимался в старых советских схемах, в которых преимущественно использовались транзисторы p—n—p структуры.
Поэтому, когда говорят, что потенциал в какой-то точке схемы равен какому-то напряжению, то это означает, что напряжение между указанной точкой и «минусом» блока питания равен соответствующему значению.
Например, если напряжение в точке 1 равно 8 В, а в точке 2 оно имеет величину 4 В, то нужно положительный щуп вольтметра установить в соответствующую точку, а отрицательный – к общему проводу или отрицательной клемме.
Таким подходом довольно часто пользуются, поскольку это очень удобно с практической точки зрения, так как достаточно указать только одну точку.
Особенно часто это применяется при настройке или регулировке радиоэлектронной аппаратуре. Поэтому учиться читать электрические схемы гораздо проще, пользуясь потенциалами в конкретных точках.
Что такое электрическая схема?
Электрическая схема представляет собой графическое (на бумаге) изображение специальных символов и пиктограмм, которые имеют параллельное или последовательное соединение. Схема никогда не показывает действительное изображение совокупности предметов, а лишь показывает их связь между собой. Таким образом, если знать, как правильно читать схемы, можно разобраться в принципе действия того или иного устройства или системы устройств.
Практически на всех электрических схемах располагаются следующие предметы:
- Источник питания. Таковым является аккумуляторная батарея или генератор.
- Проводники – провода, с помощью которых осуществляется передача электрической энергии по цепи.
- Аппаратура управления – это устройства, предназначенные для замыкания или размыкания электрической цепи, которые могут присутствовать или отсутствовать в схеме.
- Потребители электрической энергии – это все приборы или устройства, которые осуществляют преобразование электрического тока в другой вид энергии. Например, прикуриватель преобразует электрический ток в тепловую энергию.
https://youtube.com/watch?v=YMNNBXz02Io
https://youtube.com/watch?v=AqtfQdcimTI
Стандарты схем по ГОСТу
Начинать нужно с изучения условных графических обозначений (УГО). Обозначения на чертежах имеют стандартный вид и регламентируются ГОСТами, например, ГОСТ 21.210—2014, ГОСТ 2.755-87, ГОСТ 2.721, ГОСТ 2.756-76 и рядом других. Стандарты изображений распространяются на все элементы, включая связи между ними, способы монтажа, прокладки и т.д.
В ряде случаев ГОСТ разрешает отклонения от стандартов. Например, при составлении структурных комбинированных схем, нередко применяют нестандартные, или приближённые к реальному изображения объектов, фотографии, сопровождая их описаниями с краткими пояснениями, как на схеме телефонного аппарата.

Но в целом, стандарты стараются соблюдать, чтобы не вносить разночтения и путаницу в документацию, особенно когда речь идёт о серьёзных проектах для промышленных предприятий.
Большие изображения разделяют на части, указывая ссылки на другие листы или обозначая связи. Начальное положение контактов реле, кнопок, катушек показано при отсутствии напряжения, это стандарт.
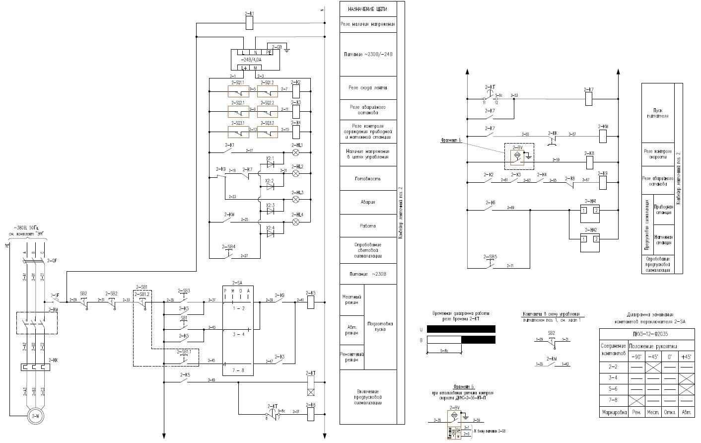
Рассмотрим сказанное выше на примере принципиальной релейной схемы управления конвейером.

Здесь имеются две функциональные части: силовая, состоящая из цепей питания двигателя и релейная, которая предназначена для управления силовой частью.
Силовая часть состоит из:
- Линии трёхфазного питания 380В 50Гц, с указанием ссылки на комплект чертежей «ЭМ», откуда это питание подаётся.
- Автоматического выключателя 2-QF.
- Контактора 2-КМ.
- Теплового реле 2-КК.
- Электродвигателя 2W.
Фазы обозначены латинскими буквами A, B, C. Поскольку используется трёхфазное питание, контакты автоматического выключателя и контактора соединены механически для одновременного включения/отключения всех трёх фаз.
Релейная часть содержит в себе:
- Автоматический выключатель питания 2-SF.
- Кнопки SB.
- Переключатель 2-SA.
- Реле времени 2-КТ.
- Реле 2-K1…2-K6.
- Источник питания 24В 2-GB.
- Сигнальные лампы 2-HL1… 2-HL4.
Соединительные линии обозначают электрические соединения между элементами. Пересекающиеся линии не соединены между собой. Как вариант отсутствие соединения обозначают символом дуги . На наличие соединения указывает точка в месте пересечения или примыкания .
Контакты реле, выключателей и других коммутационных устройств имеют два состояния:
- Нормально открытое, когда без включения реле контакт разомкнут.
- Нормально закрытое, когда без включения реле контакт замкнут.
Соответственно, когда на катушку реле или контактора будет подано напряжение, реле притянется и состояние контактов изменится на противоположное. Тоже самое произойдёт с кнопкой и автоматическим выключателем, при его включении, изменяется состояние контакта.
Принципиальная электрическая схема.
На принципиальной схеме сохраняется последовательность и строение структурной схемы, но вместо общих функциональных блоков показывается полный состав элементов устройства (прибора), изображенных в виде условных графических обозначений. Каждая деталь изображена с тем числом выводов, которые имеются у реальных деталей, а соединения между выводами показаны таким образом, чтобы можно было детально проследить все цепи и соединения, и легко понять происходящие процессы и принцип работы прибора.
Для удобства чтения рядом с условным изображением детали указывают ее буквенно-цифровое обозначение, определяющее сведения о детали: функциональное назначение, место расположения и маркировку в схеме. Буквенно-цифровые обозначения указываются в сокращенной форме и состоят из определенного числа букв латинского алфавита и арабских цифр, записанных последовательно, в одну строку и без пробелов.
Буквенное обозначение берется из названия детали и указывается одной или двумя первыми буквами, например, R – резистор, С – конденсатор, VD – диод, VT – транзистор, SA – выключатель, ХР – двухполюсная вилка, EL – лампа осветительная и т.д.
Цифровое обозначение указывает порядковый номер однотипных деталей в схеме, например, R1, R2, R3 и т.д., либо VD10, VD11 и т.д.
Нарисуем принципиальную электрическую схему настольной лампы, а для удобства чтения схемы, на первом этапе, ее основные элементы выделим прямоугольниками зеленого цвета.
Глядя на схему можно сказать, что для питания настольной лампы используется переменное напряжение электрической сети 220 В, которое через штепсельную вилку XР1 и выключатель SA1 подается на лампочку EL1. Что все элементы рассчитаны на рабочее переменное напряжение 220 В, и что работа лампы осуществляется положением контакта выключателя SA1: при замыкании контакта лампочка EL1 загорается, при размыкании — гаснет.
Из схемы видно, что верхний вывод вилки XР1 соединен с левым по схеме выводом контакта выключателя SA1, правый вывод контакта выключателя соединен с верхним выводом лампочки EL1, а нижний вывод лампочки соединен с нижним выводом вилки XР1. Контакт выключателя SA1 показан в разомкнутом состоянии, что соответствует его начальному положению и отключенному состоянию настольной лампы. Электрическая связь между выводами элементов изображена отрезками горизонтальных и вертикальных линий.
И в то же время принципиальная схема нам не дает полного представления о настольной лампе, так как на ней не указаны сведения о конструкции лампы и размерах деталей. Дело в том, что при изучении принципа работы нет необходимости знать, как, например, выполнена лампочка (размер и форма колбы, тип и размер цоколя, сопротивление спирали и т.д.), какую конструкцию имеет выключатель или вилка
Если бы все эти сведения указывались на схеме, они бы только отвлекали внимание на ненужные подробности, не имеющие принципиального значения
Но все же для расширения функциональности на принципиальных схемах указывают некоторую часть конструктивных данных элементов (мощность, тип, способ соединения), потому как в ряде случаев именно она оказывается главным и единственным документом, на который ориентируются при изготовлении, налаживании, обслуживании и ремонте аппаратуры.
Если же сравнивать структурную и принципиальную схемы, то общим для них является порядок расположения элементов и путь прохождения сигнала (в нашем случае электрического тока), который идет слева направо, т.е. в направлении привычном для обычного чтения. Однако на монтажных платах, шасси или панелях реальных устройств элементы могут располагаться иначе, подчиняясь правилам, направленным на сведение к минимуму паразитных связей между отдельными элементами, узлами, блоками. Поэтому расположение элементов внутри реального устройства может не соответствовать принципиальной схеме.
Рассмотренные структурная и принципиальная схемы предназначены в основном для изучения принципа работы, и в зависимости от вида дают наглядное представление о функциональной или элементной структуре. Чтобы иметь представление о конструктивном исполнении настольной лампы, примерном расположении элементов и способах соединения между ними служит схема соединений или монтажная схема.
Номиналы радиодеталей
Вообще, в этом плане есть разногласия. Согласно ГОСТУ на текущий момент, номиналы деталей на принципиальных схемах не указывается. Это сделано ради того, чтобы не нагромождать схему информацией.
К принципиальной схеме прилагается список деталей, монтажная и структурные схемы, а также печатная плата.
Есть еще один общепринятый стандарт. На схемах указываются номиналы некоторых деталей и их рабочие напряжения.
Например, на этой схеме есть два резистора.

По умолчанию сопротивление без приставки пишется только числом. У R2 сопротивление равно 220 Ом. А у R3 после числа есть буква. Сопротивление этого резистора читается как 2,2 кОм (2 200 Ом).
Рассмотрим на схеме два конденсатора.

В данном случае C5 это неполярный конденсатор с емкостью 0,01 мкФ. Микрофарады могут обозначаться как мкФ, так и uF. А конденсатор С6 полярный и электролитический. На это указывает знак плюс возле УГО. Емкость С6 равна 470 мкФ. Номинальное рабочее напряжение указывается в вольтах. Здесь для С6 это 16 В.
Если на схеме нет приставки микрофарад (мкФ, uF), или нанофарад (нФ, nF) то емкость этого конденсатора измеряется в пикофарадах (пФ, pF). Такое условие не общепринятое, поэтому тщательно изучите схему, которую вы собираетесь читать или собирать. В фарадах (F) емкостей мало, поэтому используются мкФ, нФ и пФ.
Как научиться читать электрическую схему
Любая радиоаппаратура включает в себя отдельные радиодетали, которые спаяны между собой при помощи определенного способа. Все эти элементы отражаются на электрической схеме условными графическими значениями.
Чтобы научиться читать документ, необходимо понимать условное обозначение всех проводниковых элементов электроцепи. Каждая деталь имеет свое графическое обозначение и включает в себя условную конструкцию с характерными особенностями.

Проще всего работать с таким элементом как электронный конденсатор с резисторами, динамиками и другим электрооборудованием с автоматизацией. Как правило, их легко узнать без всякой таблицы с условными обозначениями. Учиться на них проще. Сложнее осуществлять работу с полупроводниками, а именно транзисторами, симисторами и микросхемами.
К примеру, каждый биполярный транзистор имеет в себе три вывода, а именно, базу, коллектор и эмиттер. По этой причине необходимы условные изображения и уточняющая информация в виде латинских букв. Изучение их может занять много дней, как и обучение их опознания.
Обратите внимание! Кроме букв на каждой схеме есть цифры. Они говорят о нумерации и технических характеристиках
Стоит указать, что самостоятельно научиться читать документ невозможно, и поэтому нужны уроки и обучающие пособия.

Основные правила
В ответ на вопрос, как читать электросхемы, стоит уточнить, что это нужно делать слева направо, от начала до самого конца. В этом заключается основное правило. Следующее правило заключается в расчленении единого чертежа на небольшие картинки или простые цепи. Она состоит из источника электротока, приемника тока, прямого привода, обратного провода и одного контакта аппарата.
Поэтому, начиная изучать документ, нужно разбить его на части
Далее обязательно нужно принимать во внимание все детали, с замечаниями, экспликациями, пояснениями и спецификациями. Если в чертеже находятся ссылки, то нужно изучить и их
Обратите внимание! Чертежи, которые отражают момент работу электропитания, электрозащиты, управления и сигнализации, должны быть изучены на количество источников питания, взаимодействие, согласованность совместной работы, оценку последствий вероятных неисправностей, нарушение проводной изоляции, проверку схемы с отсутствием ложных цепей, оценку надежности электрического питания, режим работы оборудования и проверку выполнения мер, которые обеспечивают безопасное проведение работ

Условные обозначения
Согласно нормативным документам, есть стандартные графические условные обозначения в однолинейных и двухлинейных схемах. Далее представлена таблица с подобными символами под названием электрические схемы для начинающих условные обозначения. Стоит указать, что в чертежах используются также цифры и буквы. Подобная маркировка регулируется с помощью нормативных документов, а именно гостов.

Обозначения в схемах
Электрические схемы состоят из элементов и комплектующих, обеспечивающих протекание электрического тока. Все элементы разделяются на несколько категорий:
- устройства, генерирующие электроэнергию — источники питания;
- преобразователи электротока в иные виды энергии – выступают потребителями;
- детали, ответственные за передачу электроэнергии от источника к приборам. Также в данную категорию включены трансформаторы и стабилизаторы, обеспечивающие стабильность напряжения в сети.
Для каждого элемента предусмотрено конкретное графическое обозначение на схеме. Помимо ключевых обозначений, на схемах указываются линии передачи электроэнергии. Участки электроцепи, по которым идет одинаковый ток, называются ветвями, а в местах их соединения на схеме ставятся точки для обозначения соединительных узлов.
Контур электроцепи предполагает замкнутый путь движения электротока по нескольким ветвям. Наиболее простая схема состоит из одного контура, а для более сложных приборов предусмотрены схемы с несколькими контурами.
На электрической схеме каждому элементу и соединению соответствует значок или обозначение. Для отображения выводов изоляции применяются однолинейные и многолинейные схемы, число линий в которых определяется числом выводов. Иногда для удобства чтения и понимания схем применяются смешанные рисунки, к примеру, изоляция статора описана развернуто, а изоляция ротора – в общем виде.
Обозначения трансформаторов в электрических схемах рисуются в общем или развернутом виде, однолинейным и многолинейным методами. Непосредственно от детализации изображения зависит метод отображения на схеме приборов, их выводов, соединений и узлов. Так, в трансформаторах тока первичная обмотка отражается толстой линией с точками. Вторичная обмотка может отображаться окружностью при стандартной схеме или двумя полуокружностями в случае развернутой схемы.
Watch this video on YouTube
Прочие элементы отображаются на схемах следующими обозначениями:
- контакты разделяются на замыкающие, размыкающие и переключатели, которые обозначаются разными знаками. При необходимости контакты могут быть указаны в зеркальном отражении. Основание подвижной части указывается как незаштрихованная точка;
- выключатели – их основанию соответствует точка, а для автоматических выключателей прорисовывается категория расцепителя. Выключатель для открытой установки, как правило, имеет отдельное обозначение;
- предохранители, резисторы постоянного сопротивления и конденсаторы. Предохранительные элементы изображаются в виде прямоугольника с отводами, постоянные резисторы могут быть обозначены с отводами или без. Подвижный контакт рисуется стрелкой. Электролитические конденсаторы обозначаются в зависимости от полярности;
- полупроводники. Простые диоды с р-п-переходом показываются в виде треугольника и перекрестной линией электроцепи. Треугольник обозначает анод, а линия – катод;
- лампу накаливания и другие осветительные элементы обычно обозначают
Понимание данных значков и обозначений делает чтение электрических схем простым. Поэтому прежде чем приступать к электромонтажу или разборке бытовых приборов, рекомендуем ознакомиться с основными условными обозначениями.





