Как проверить стартер
Это устройство входит в состав электромагнитной пускорегулирующей аппаратуры и при совместной работе с дросселем обеспечивает запуск процесса образования тлеющего разряда в колбе ЛДС при подаче переменного напряжения сети на контакты светильника. Конструктивно стартер выполнен в виде небольшой лампочки, внутренняя полость которой заполнена инертным газом.
Внутри колбы находятся два биметаллических контакта, один из которых имеет сложный профиль. В исходном состоянии контакты разомкнуты. При подаче на выводы стартера напряжения в газовой среде возникает дуговой разряд, который нагревает контакты. Они изменяют свою форму и происходит их короткое замыкание, в цепи начинает протекать электрический ток.
Схема из лампы и дросселя.
Контакт имеет меньшее переходное сопротивление, чем существующая до этого «дуга» и температура в нем начинает уменьшаться. Это остывание приводит к повторному изменению формы контактов, в результате которого происходит их размыкание. Дроссель балласта в этот момент вырабатывает высоковольтный импульс, который приводит к появлению тлеющего разряда в ЛДС и протеканию в ней тока, ионизирующего газово-ртутную смесь. Стартер выполнил свое предназначение – произвел запуск. Если цикл прошел по описанному сценарию, то стартер прошел тестирование в составе ЭмПРА. Другим способом проверки его работоспособности может быть только его замена исправным и имеющим те же параметры, что и исследуемый.
https://youtube.com/watch?v=zqNeSeaH9WY
Проведение замеров индуктивности
После сборки приставку к мультиметру необходимо протестировать. Есть несколько способов, как проверить устройство:
- Определение индуктивности измерительной приставки. Для этого необходимо замкнуть два провода, предназначенных для подключения к индуктивной катушке. Например, при длине каждого провода и перемычки 3 см образуется один виток индукционной катушки. Этот виток обладает индуктивностью 0,1 – 0,2 мкГн. При определении индуктивности свыше 5 мкГн данная погрешность не учитывается в расчетах. В диапазоне 0,5 – 5 мкГн при измерении необходимо брать в расчет индуктивность устройства. Показания менее 0,5 мкГн являются примерными.
- Измерение неизвестной величины индуктивности. Зная частоту катушки, при помощи упрощенной формулы расчета индуктивности можно определить это значение.
- В случае, когда порог срабатывания кремниевых p-n переходов выше амплитуды измеряемой электрической цепи (от 70 до 80 мВ), можно измерить индуктивность катушек непосредственно в самой схеме (предварительно обесточив ее). Поскольку собственная емкость приставки имеет большое значение (25330 пФ), погрешность подобных измерений будет составлять не более 5% при условии, что емкость измеряемой цепи не превышает 1200 пФ.
Проверка приборов низкой частоты
По конструкции и технологии изготовления силовые трансформаторы, трансформаторы и электрические дроссели НЧ имеют много общего. Те и другие состоят из обмоток, выполненных изолированным проводом, и сердечника. Неисправности трансформаторов и дросселей НЧ делятся на механические и электрические.
К механическим неисправностям относятся: поломка экрана, сердечника, выводов, каркаса и крепежной арматуры, к электрическим – обрывы обмоток; замыкания между витками обмоток; короткое замыкание обмотки на корпус, сердечник, экран или арматуру; пробой между обмотками, на корпус или между витками одной обмотки; уменьшение сопротивления изоляции; местные перегревы.
Проверку исправности трансформаторов и дросселей НЧ начинают с внешнего осмотра. В ходе его выявляют и устраняют все видимые механические дефекты. Проверка на короткое замыкание между обмотками, между обмотками и корпусом производится омметром. Прибор включают между выводами разных обмоток, а также между одним из выводов и корпусом. Так же проверяется и сопротивление изоляции, которое должно быть не менее 100 МОм для герметизированных трансформаторов и не менее десятков МОм для негерметизированных.
Самая сложная проверка на межвитковые замыкания. Известно несколько способов проверки трансформаторов.
- Измерение омического сопротивления обмотки и сравнение результатов с паспортными данными. (Способ простой, но не точный, особенно при малой величине омического сопротивления обмоток и малом числе короткозамкнутых витков.)
- Проверка катушки с помощью специального прибора — анализатора короткозамкнутых витков.
- Проверка коэффициентов трансформации на холостом ходу. Коэффициент трансформации определяется как отношение напряжений, показываемых двумя вольтметрами. При наличии межвитковых замыканий коэффициент трансформации будет меньше нормы.
- Измерение индуктивности обмотки.
- Измерение потребляемой мощности на холостом ходу. У силовых трансформаторов одним из признаков короткозамкнутых витков является чрезмерный нагрев обмотки.

Диагностика дросселя.
Приложение 1
Дорогие друзья! В этом приложении ребусы, как обычно имеют близкую к статье тематику. Ранее разгадывать ребусы было не очень удобно. Но теперь под каждым из 3 ребусов имеется развёрнутый ответ. В развёрнутом ответе объясняется почему именно так разгадывается данный ребус. Для того, чтобы увидеть ответ, достаточно нажать триггерную кнопку «скрыть/показать текст». Потренируйтесь!

Показать / Скрыть текст
Ребус 1. Варикап [ ква
рц(23), период, перемычка (89),п ереходник(1)]

Показать / Скрыть текст
Ребус 2. Вариометр [ варикап, Ом, барет
тер(453) ].

Показать / Скрыть текст
Ребус 3. Дроссель [ д, оптро
н(45), Гаусс, тел ефон(23), филь тр(4) ].
Кроме того, если Вы заинтересуетесь разгадыванием ребусов, то сможете скачать Правила для разгадывания ребусов радиотехнической тематики прямо здесь. Файл называется «rebus_rules for solving puzzles» и находится он на Яндекс.Диске.
Правила разгадывания ребусов
Подсветка мультиметра
Функция которой не хватает мультиметру в плохо освещенных местах — подсветка дисплея. Решить эту проблему не сложно, достаточно применить:
- 2 светодиода последовательно припаянных друг к другу
- отражатель — обыкновенная золотинка от жвачки
- микровыключатель любого типа
Проделываете в корпусе сбоку отверстие для выключателя. Приклеиваете отражатель под дисплеем индикации и припаиваете два проводка к контактам кроны.

От них подается питание на выключатель и далее на светодиоды. Конструкция готова.
В конечном результате самодельная доработка подсветки мультиметра будет выглядеть вот так:

Батарейка с подсветкой будет расходоваться значительно быстрее, поэтому не забывайте отключать выключатель когда естественного освещения будет вполне достаточно.
ТЕХНИЧЕСКИЕ ХАРАКТЕРИСТИКИ LC100-A
| Основные характеристики измерителя емкости конденсаторов и индуктивности | |
| Малый диапазон измерения емкости | 0,01 пФ – 10 мкФ, точность измерения: 5% |
| Больший диапазон измерения ёмкости | 1 мкФ – 100 мФ, точность измерения: 5% |
| Разрешение емкости | 0,01 пФ |
| Малый диапазон измерения индуктивности | 0,001 мкГн – 100 мГн, точность измерения: 5% |
| Больший диапазон измерения индуктивности | 0,001 мГн – 100 Гн, точность измерения: 1% |
| Разрешение малого диапазона индуктивности | 0,001 мкГн |
| Разрешение большего диапазона индуктивности | 0,001 мГн |
| Диапазон измерения сопротивления | 0,1 Ом – 50 МОм |
| Частота измерения |
малый диапазон: 500 кГц большой диапазон: 500 Гц — 50 кГц |
| Функциональные кнопки |
Zero — обнуление показаний; Hi.C — больший диапазон измерений ёмкости (по умолчанию установлен малый); Hi.L — больший диапазон измерений индуктивностей (по умолчанию установлен малый); L/C — выбор режима измерения ёмкости или индуктивности. |
| Общие характеристики | |
| Дисплей | LCD — 1602, 4-х разрядный дисплей с подсветкой |
| Питание | DC 5 В (mini USB или блок питания) |
| Габариты | 80 мм х 50 мм х 22 мм |
| Вес прибора | 78 г |
| Комплектация |
L/C-измеритель LC100-A – 1 шт щупы с зажимами типа «крокодилы»– 1 шт кабель USB — mini USB – 1 шт щуп для SMD компонентов – 1 шт |
Рис. 2.41. К вопросу нахождения тангенса угла α
При переходе к частоте, не равной 50 Гц, в формулы (32) ~ (35) вводят вместо коэффициента
0,00318
множитель
1/2π
f
источника
питания схемы, где f
—
частота источника питания схемы.
Практически каждый, кто увлекается электроникой, будь то начинающий, или опытный радиолюбитель, просто обязан иметь в своём арсенале приборы для измерений. Наиболее часто приходится измерять, конечно же, напряжение, ток и сопротивление. Чуть реже, в зависимости от специфики работы, — параметры транзисторов, частоту, температуру, ёмкость, индуктивность.
Сейчас в продаже имеется множество недорогих универсальных цифровых измерительных приборов, так называемых мультиметров. С их помощью можно измерять практически все вышеназванные величины. За исключением, пожалуй, индуктивности, которая очень редко встречается в составе комбинированных приборов. В основном, измеритель индуктивности — это отдельный прибор, также его можно встретить совместно с измерителем ёмкости (LC — метр).
Обычно, измерять индуктивность приходится нечасто. В отношении себя я бы даже сказал — очень редко. Выпаял, например, с какой-нибудь платы катушку, а она без маркировки. Интересно же узнать, какая у неё индуктивность, чтобы потом где-нибудь применить.
Или сам намотал катушку, а проверить нечем. Для таких эпизодических измерений я посчитал нерациональным приобретение отдельного прибора. И вот я начал искать какую-нибудь очень простую схему измерителя индуктивности
Особых требований по точности я не предъявлял, — для любительских самоделок это не столь важно
В качестве средства измерения и индикации в схеме, описанной в статье, применяется цифровой вольтметр с чувствительностью 200 мВ
, который продаётся в виде готового модуля. Я же решил использовать для этой цели обычный цифровой мультиметр UNI-T M838
на пределе измерения 200 мВ
постоянного напряжения. Соответственно, схема упрощается, и в итоге приобретает вид приставки к мультиметру.
Исключён фрагмент. Наш журнал существует на пожертвования читателей. Полный вариант этой статьи доступен только
Я не буду повторять описание работы схемы, всё вы можете прочитать в оригинальной статье (архив внизу). Скажу только немного о калибровке.
Катушки индуктивности (индукторы)
Большинство проводящих материалов (металлов) является парамагнитными или ферромагнитными, в то время как большинство непроводящих материалов (неметаллов) является диамагнитными. Любой проводник обладает некоторой индуктивностью в ответ на изменение величины или направления протекания тока. Даже обычный прямой провод имеет индуктивность, хотя она достаточно мала, чтобы пренебрегать ею. Если провод свернуть в петлю — его индуктивность увеличится. Чем больше сделать таких одинаковых витков, тем большая индуктивность будет присуща проводу. Индуктивность одиночной петли или катушки из провода может быть многократно увеличена с помощью подходящего ферромагнитного сердечника. Простейшими катушками индуктивности являются катушки с воздушным сердечником (рисунок 1). Они сделаны путем намотки провода вокруг пластмассового, деревянного или любого не ферромагнитного сердечника. Индуктивность катушки зависит от числа витков, радиуса и общей формы, также она пропорциональна числу витков и диаметру катушки. Индуктивность обратно пропорциональна длине провода для заданного диаметра катушки и числу витков. Итак, чем ближе будут витки, тем больше будет индуктивность. Электропроводность катушек индуктивности зависит от материала и толщины провода. Потери (в виде тепла) в значительной степени зависят от материала, используемого в качестве сердечника.
Рис. 1. Пример катушки индуктивности с воздушным сердечником
Катушки с воздушным сердечником имеют небольшую индуктивность, которая может составлять максимум 1 мГн. Катушки с воздушным сердечником могут быть рассчитаны так, что будут пропускать через себя ток практически неограниченной величины при условии использования проводника большой длины, смотанного в катушку большого радиуса. Такие катушки индуктивности практически не вносят потерь, так как воздух не рассеивает много энергии в виде тепла. Чем выше частота переменного тока, тем меньше индуктивность, необходимая для получения значительных эффектов. Таким образом, катушки индуктивности с воздушным сердечником вполне подходят для применения в высокочастотных цепях переменного тока благодаря отсутствию потерь, способности пропускать через себя большие токи и достаточным значениям индуктивности.
При использовании железных или ферритовых сердечников индуктивность может быть значительно увеличена. Однако порошкообразный, железный или ферритовый сердечник вносит значительные потери электрической энергии в виде тепла. Использование ферромагнитных сердечников также ограничивает максимальную величину рабочего тока катушек индуктивности. В ферромагнитных сердечниках насыщение происходит при протекании максимального рабочего тока. При увеличении тока сверх этого критического значения индуктивность может начать уменьшаться. При больших токах ферромагнитные сердечники могут достаточно сильно нагреваться, что может привести к их разрушению и необратимому существенному изменению номинальной индуктивности катушки.
Измеряем емкость
Приставка для измерения индуктивности
Для наглядной демонстрации возьмем несколько конденсаторов. Все они неполярные, кроме черного конденсатора с серой линией.
Конденсаторы
Для того, чтобы правильно провести измерение необходимо понимать, какие конденсаторы у нас есть. На каждом конденсаторе есть обозначения:
- 0,022 мкФ — эти цифры обозначают емкость конденсатора в микрофарадах.
- +-5% — это погрешность измерения. Когда мы определяем измерительным устройством емкость, она должна колебаться в ту или иную сторону не более чем на 5%. Если погрешность превышает 5%, то конденсатор плохого качества, с ним работать нельзя. В нашем случае допустимая погрешность составляет 0,001 микрофарад. То есть если LC-метр покажет цифры между 0,023 и 0,021, то он пригоден к использованию.
- 200 Вольт — это напряжение, на которое рассчитан конденсатор. Его можно подключать только в схему, в которой на выводах напряжение будет меньше или равно 200 Вольтам. Превышение напряжения грозит поломкой. Не забывайте о том, что на конденсаторе указано максимальное напряжение, которое он выдержит. А, как мы помним, в сетях переменного тока напряжение на самом деле не 220 В, а 220 помноженное на 1,4, то есть 310 В. Поэтому для этой сети, нужно выбирать детали, которые смогут выдержать не менее, а лучше гораздо больше 310 В.
Итак, измеряем наш первый конденсатор. И видим значение в 0,025 микрофарад. Печально, но его использовать уже нельзя. Остается только выкинуть компонент в мусорку.
Измерение конденсатора
На втором указана емкость 0,47 мкФ и погрешность в 10 процентов. То есть значение может отклоняться на 0,047. Наш измерительный прибор показывает 0,489, что укладывается в допустимые границы. Вполне пригодный к работе компонент.
Измерение конденсатора 0,47 мкФ
Третий конденсатор у нас импортный, обозначение немножко другое, но также понятно, что емкость его 0,22 микрофарада. А выдерживает он напряжение в 160 Вольт. LC-метр показывает допустимые границы емкости.
Измерение конденсатора 0,22 мкФ
И последний конденсатор-«электролит», то есть электрический, емкостью в 2,2 мкФ. Он также демонстрирует свою исправность.
Выбор диапазонов измерения и вычисление номиналов резисторов
Определим для тестера диапазон измеряемых напряжений. Выберем три самых распространенных, покрывающих большинство потребностей радиолюбителя и домашнего электрика. Это диапазоны от 0 до 3 В, от 0 до 30 В и от 0 до 300 В.
Максимальный ток, проходящий через самодельный мультиметр равен 300 мкА. Поэтому задача сводится к подбору добавочного сопротивления, при котором стрелка отклонится на полную шкалу, а на последовательную цепочку Rд+ Rвн будет подано напряжение, соответствующее предельному значению диапазона.
https://youtube.com/watch?v=O6Ws6QDLgXg
То есть на диапазоне 3 В Rобщ=Rд+Rвн= U/I= 3/0,0003=10000 Ом,
где Rобщ – это общее сопротивление, Rд – добавочное сопротивление, а Rвн – внутреннее сопротивление тестера.
Rд=Rобщ-Rвн=10000-3000=7000 Ом или 7кОм.
На диапазоне 30 В общее сопротивление должно быть равно 30/0,0003=100000 Ом
Отсюда
Rд=100000-3000=97000 Ом или 97 кОм.
Для диапазон 300 В Rобщ=300/0,0003=1000000 Ом или 1 мОм.
Отсюда
Rд=1000000-3000=997000 Ом или 997 кОм.
Для измерения токов выберем диапазоны от 0 до 300 мА, от 0 до 30 мА и от 0 до 3 мА. В этом режиме шунтирующее сопротивление Rш подсоединяется к микроамперметру параллельно. Поэтому
Rобщ=Rш*Rвн/(Rш+Rвн).
А падение напряжения на шунте равно падению напряжения на катушке тестера и равно Uпр=Uш=0,0003*3000=0,9 В.
Отсюда в интервале 0…3 мА
Rобщ=U/I=0,9/0,003=300 Ом.
Тогда
Rш=Rобщ*Rвн/(Rвн-Rобщ)=300*3000/(3000-300)=333 Ом.
В диапазоне 0…30 мА Rобщ=U/I=0,9/0,030=30 Ом.
Тогда
Rш=Rобщ*Rвн/(Rвн-Rобщ)=30*3000/(3000-30)=30,3 Ом.
Отсюда в интервале 0…300 мА Rобщ=U/I=0,9/0,300=3 Ом.
Тогда
Rш=Rобщ*Rвн/(Rвн-Rобщ)=3*3000/(3000-3)=3,003 Ом.
Неисправности светильников с ЭМПРА
Лампа не зажигается
- Неисправность электросети — проверить наличие напряжения на контактах патрона.
- Плохой контакт между лампой и контактами патрона или между стартером и контактами держателя — пошевелить лампу и стартер. Возможно надо подогнуть контакты патрона для лучшего прилегания.
- Неисправность лампы — проверить целостность нитей накала или заменить на заведомо исправную. Для проверки нитей накала выставляем мультиметр на минимальное сопротивление или на прозвонку и поочередно прозваниваем выводы цоколя с одной стороны и с другой. При исправной лампе должно быть небольшое сопротивление. В случае обрыва мультиметр покажет бесконечное сопротивление.
- Неисправность стартера — не замыкает цепь накала электродов лампы. Заменить стартер.
- Неисправность дросселя — обрыв в обмотке дросселя или межвитковое замыкание. Обрыв дросселя можно определить с помощью мультиметра.
Лампа не зажигается. Свечение по краям лампы
Неисправность стартера. Если вынуть стартер из держателя, свечение прекратится. Заменить стартер.
Лампа мигает, но не зажигается
- Неисправен стартер — заменить стартер.
- Низкое напряжение сети — проверить мультиметром напряжение.
- Потеря эмиссии электродов лампы — заменить лампу.
Стартер в лампе.
На концах включенной лампы появляется и пропадает оранжевое свечение, лампа не зажигается
В лампу попал воздух — заменить лампу.
Лампа зажигается, но через некоторое время наблюдается потемнение на концах лампы
- Замыкание на корпус светильника — проверить изоляцию.
- Неисправен дроссель — несоответствие пускового и рабочего токов вольт-амперной характеристики. Амперметром проверить значение пускового и рабочего токов.
Лампа периодически зажигается и гаснет
- Неисправна лампа — заменить лампу
- Неисправен стартер — заменить стартер
Лампа зажигается, но на некоторых участках наблюдается свечение в виде оранжевой змейки
- Неисправен дроссель — проверить значение пускового и рабочего токов.
- Неисправна лампа — заменить лампу.
При включении лампы перегорают, потемнение на концах лампы
Пробой изоляции дросселя — заменить дроссель
При работе светильника слышно гудение
Колебание пластин дросселя — заменить дроссель
Изменение цвета свечения лампы – частичное выгорание люминофора вследствии длительного срока службы лампы — заменить лампу.
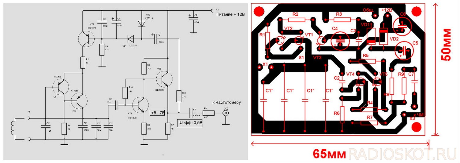
Принципиальная схема

Скачать для увеличения
Для производства замеров подключаться данный генератор должен был к частотомеру. Сложной схему не назовёт даже начинающий любитель электроники, поэтому все дружно приступили к сборке, но тогда собрать удалось единицам причём из числа продвинутых. Меняли транзисторы, номиналы резисторов и конденсаторов, но всё как-то без результата. Повторяться схема не желала. Предложивший схему упирал на то, что повторяющими не достаточно точно подбирается номинал электронных компонентов.


А не так давно увидел знакомую схему в несколько иной интерпретации, с подробнейшим описанием сборки и настройки, под названием «Приставка для измерения индуктивности». Сразу стало понятно, что её предыдущий вариант это неудачная кастрация схемы. Необходимость замера индуктивности поисковой катушки для собранного металлодетектора К-158 (вариант всем известного «Пирата») врасплох не застала.

Учитывая предыдущий опыт, сразу доработал предложенную печатную плату под свои электронные компоненты, по сути же, схема осталась неизменной. Постоянный резистор R8 номиналом 270 Ом заменил на подстроечный 5 кОм (для установления нужной величины выходного переменного напряжения в интервале от 0 до более чем 5 вольт), резистор R9 и конденсатор С7 установил как в схеме, а не как на предложенной печатной плате.

В целом сборка данного варианта хлопот не доставила, ибо основные рекомендации сборки и настройки были теперь известны:

Подключение катушки производится как можно ближе к виткам намотки, (минуя соединительный кабель), соединительные провода приставки не более 30 мм. Показатель частотомера в килогерцах. Величина на фото проходная, в результате всех манипуляций с катушкой (отмотки – домотки) она была получена в размере 71,626 Гц.

Результат замера обрабатывается в программке (программа в архиве, лист №10) – данные заносятся в разделе «Основной расчёт» в графе «Исходные данные», далее щелчок курсором вне основных полей программы и получаем результат – индуктивность составляет 195 мкГн. Первый расчёт нужно начать с заполнения раздела «Вспомогательный расчёт», для этого потребуется подключение параллельно поисковой катушке конденсатора ёмкостью более 1000 пФ (лучше 4500 пФ) фактический номинал которого известен с абсолютной точностью.

Собранной приставкой остался доволен, когда разберешься во всех, кажущихся на первый взгляд, хитросплетениях всё просто. Однако уже захотелось иметь более мобильный вариант измерителя индуктивности, без всяких там вычислений. Заказал на AliExpress электронный конструктор – прибор с функцией измерения индуктивности (да и много чего вообще и всего-то за 600р). Ну а пока он до меня добирается, решил посмотреть в интернете приставку для мультиметра. И вот самым неожиданным образом нашёл схему под названием «Универсальный LC генератор», которая как выяснилась, была предшественницей предыдущих схем. Рекомендуемое напряжение питания к этой схеме указано 5 вольт, во время съёмки видеодемонстрации работы приставки попробовал запитать этим напряжением уже собранную но, к сожалению, не получилось, не помог даже подстроечный резистор регулировки (возможно его номинал необходим более 5 вольт), однако от напряжения в 10 вольт устройство работало нормально.
Связанные материалы
Измерение индуктивности трансформатора или дросселя… Часто самодельщики-ламповики озадачены определением индуктивности обмотки(ок)… LIMP Arta Software — программный измеритель RCL… Продолжу описание программы LIMP из пакета фирмы Arta Software. С ее помощью можно определять…
Coil32 v9.0 — программа для расчета катушек индуктивности… Всем, кто занимался изготовлением (и ремонтом) приемников, передатчиков, акустических систем, ИБП,…
ESR (ЭПС) измеритель — приставка к цифровому мультиметру… Статья о приборе для измерения ESR (ЭПС) конденсаторов появилась в журнале «Радио» №8 за 2011 год….
Измерения переменного напряжения звуковой частоты мультиметрами М-832… Вряд ли будет преувеличением сказать, что тестер семейства М-83х есть у каждого радиолюбителя….
Оживление акустики S-30… Главное достоинство S-30 — очень правильный тональный баланс (ИМХО). Переделывались 4-омные…
Маркировка электронных компонентов. А.В.Перебаскин… Маркировка электронных компонентов. — 9-е изд., стер. — М. Издательский дом «Додэка-ХХI», 2004. —…
Определитель насыщения сердечников из феррита или как сделать дроссель для импульсного источника питания… «Делай с нами, делай как мы, делай лучше нас!» Предлагаю вашему вниманию простой прибор, который…
«V6» — измеритель RMS-значений напряжения, тока, активной и полной мощности (Atmega 8)… Весьма часто возникает необходимость знать величину потребляемой (активной) мощности различными…
Измеритель индуктивности для мультиметра
Несмотря на то, что определять индуктивность при работе с электроникой приходится редко, это все же иногда необходимо, а мультиметры с измерением индуктивности найти достаточно трудно. В данной ситуации поможет специальная приставка к мультиметру, позволяющая измерить индуктивность.
Зачастую для подобной приставки используется цифровой мультиметр установленный на измерение напряжения с порогом точности измерения в 200 мВ, который можно приобрести в любом магазине электро и радиоаппаратуры в готовом виде. Это позволит сделать простую приставку к цифровому мультиметру.
Сборка платы приставки.
Собрать приставку-тестер к мультиметру для измерения индуктивности можно без особых проблем в домашних условиях, обладая базовыми знаниями и навыками в области радиотехники и пайки микросхем.
В схеме платы можно применять транзисторы КТ361Б, КТ361Г и КТ3701 с любыми буквенными маркерами, но для получения более точных измерений лучше использовать транзисторы с маркировкой КТ362Б и КТ363. Эти транзисторы устанавливаются на плате в позициях VT1 и VT2. На позиции VT3 необходимо установить кремневый транзистор со структурой p-n-p, например, КТ209В с любой буквенной маркировкой. Позиции VT4 и VT5 предназначены для буферных усилителей. Подойдет большинство высокочастотных транзисторов, с параметрами h21Э для одного не меньше 150, а для другого более 50.
Для позиций VD и VD2 подойдут любые высокочастотные кремневые диоды.
Резистор можно выбрать МЛТ 0,125 или аналогичный ему. Конденсатор С1 берется с номинальной емкостью 25330 пФ, поскольку он отвечает за точность измерений и ее значение стоит подбирать с отклонением не более 1%. Такой конденсатор можно сделать объединив термостабильные конденсаторы разной емкости (например, 2 на 10000 пФ, 1 на 5100 пФ и 1 на 220 пФ). Для остальных позиций подойдут любые малогабаритные электролитические и керамические конденсаторы с допустимым разбросом в 1,5-2 раза.
Проводу к «бананам» и «крокодилам» лучше взять короче, что бы уменьшить влияние их собственной индуктивности на показания замеров. В месте припаивания проводов к плате, соединение стоит дополнительно зафиксировать каплей термоклея.
При необходимости регулирования диапазона измерений на плату можно добавить разъем для переключателя (например, на три диапазона).
Измерение индуктивности и емкости с помощью мультиметра и компьютера
Сегодня на рынке много сравнительно дешевых цифровых мультиметров измеряющих сопротивления в широких пределах и емкости конденсаторов до 20 мкФ и более. Однако приборы, измеряющие индуктивности сравнительно дороги, да и нужны они не каждый день.
Электрику-ремонтнику довольно частот приходится измерять индуктивность катушек реле, обмоток трансформаторов и т. п. для определения их исправности. При этом самостоятельное изготовление прибора или приставки для измерения индуктивности затрудняется том, что для него требуется источника питания и частотомер для настройки генератора. Надо отметить, что в таких приборах (приставках) предлагаемых в различных источниках стабильность частоты и амплитуды генератора не высока. Отсюда и точность измерений также не высока.
Предлагается предельно простой прибор на базе компьютера и цифрового вольтметра позволяющий измерять индуктивности от 10 мкГн до 1 Гн и емкости от 10 пФ до 1 мкФ с достаточно высокой точностью, которая определяется точностью вольтметра.
Как известно, импеданс индуктивности описывается формулой:
Перепишем формулу следующим образом:
ZL = kL где k = 2πf — коэффициент пропорциональности.
Для упрощения процесса измерения, рассчитаем f таким образом чтобы k равнялся ровно 100000:
f = к/2π = 100000/6,2831853 = 15915,4943 Гц.
Как видим, для k = 10000 необходима частота 1591,5 Гц, а для k = 1000 — 159,15 Гц.
Принцип работы измерителя индуктивностей показан на рис.1, а на рис.2 — измерителя емкости. В обоих случаях компьютер (точнее его звуковая карта) выступает в качестве генератора высокостабильного по частоте и напряжению тестового сигнала, а мультиметр — в качестве вольтметра переменного тока.
Если сопротивление источника сигнала превышает сопротивление нагрузки в 10 раз и более можно считать что данный источник сигнала является источником тока. Для выполнения этого условия, комплексное сопротивление измеряемой индуктивности не должно превышать 1/10 резистора R1.
Выходное напряжение генератора должно быть равно 1 В (действующее значение), при этом напряжение на измеряемой индуктивности не должно превышать 100 мВ.
Милливольтметр U2 используется на пределе 100 мВ. В качестве источника сигнала используется звуковая карта компьютера (ноутбука). При этом, в качестве тестовых сигналов используются wav-файлы записанные с помощью аудиоредактора (например, GoldWav) с уровнем 0 дБ. Выходное напряжение звуковой карты как правило несколько больше 1 В. Требуемое напряжение выставляют регулятором громкости. Если оно все же меньше 1 В (что может быть в некоторых ноутбуках), то придется использовать поправочный коэффициент, что вносит некоторые неудобства при измерениях. Предположим выходное напряжение звуковой карты равно 0,91 В. В этом случае поправочный коэффициент равен k = 1/0,91 = 1,1.
Упрощенный вариант прибора показан на рис.З, на котором включенный как вольтметр цифровой мультиметр с автоматическим переключением диапазонов показан как стрелочный прибор.
Пределы измерения с помощью этого прибора сведены в таблицу.
Для оперативного переключения резисторов можно использовать переключатель на 3 положения. Пределы измерения можно расширить если дополнительно использовать резисторы 100 кОм и 1 МОм.
При показаниях вольтметра меньше 10 мВ и больше 100 мВ для повышения точности измерений следует перейти на другой диапазон. Это может быть сделано двумя способами: изменением частоты и переключением номинала резистора.
Если при измерении индуктивности напряжение на проверяемой индуктивности больше 100 мВ, то необходимо увеличить резистор или снизить частоту сигнала и наоборот при напряжении менее 10 мВ.
Если при измерении емкости показания прибора больше 100 мВ, то необходимо уменьшить резистор или повысить частоту и наоборот при напряжении менее 10 мВ.
| Частота тест сигнала, Гц | Диапазон измерения индуктивностей и емкостей при сопротивлении резистора R1 | ||
| 100 | 1к | 10к | |
| 15915 | 10…100 мкГн | 0,1…1 мГн | 1…10 мГн |
| 1…10 нф | 100…1000 пф | 10…100 пф | |
| 1591,5 | 0,1…1 мГн | 1…10 мГн | 10…100 мГн |
| 10…100 нФ | 1…10 нф | 10…1000пФ | |
| 159,15 | 1…10 мГн | 10…100 мГн | 0,1…1 Гн |
| 0,1…1 мкФ | 10…100 нф | 1…10 нф |
Конструкция упрощенного измерителя
Для его изготовления понадобится кабель с разъемом minijack, например, от вышедших из строя телефонов плеера. Если требуется измеритель индуктивности в пределах 0,1… 100 мГн то можно обойтись всего одним резистором 1 кОм и тремя файлами указанных выше сигналов.
На рис.4 показан такой измеритель с двумя резисторами типа СМД номиналами 1 кОм и 10 кОм, при этом пределы измерения расширяются на порядок.
Источник
Приставка металлоискатель к мультиметру

Далее цитата об этой приставке: этот прибор собирал, работает отлично, 5 копеек СССР свободно за 17 см берёт, но это по воздуху. Крупный металлический предмет около метра, ну и конечно есть недостатки — через каждые час-полтора приходится подстраивать резистор подстроечный СП-5 на 300 Ом в эмиттерной цепи, вот и вся настройка. Зато плюсов больше, нет никакой реакции на грунт, что руда — что песок, катушку не экранировал, питание одной кроны на месяц хватает. Конденсатор С3 обязательно не электролит. Резистор в датчике R1 установить 4,7 кОм и последовательно с ним 4,7-10 ком многооборотный типа СП-5, включаем прибор, если прибор реагирует на метал — крутить резистор пока он перестанет реагировать, затем в обратную сторону медленно, но постоянно, и когда генератор попадет в рабочий режим — услышим щелчок — это и есть его рабочая точка. Что касается катушки, 3-х литровая банка, намотано 200 витков с отводом от середины проводом 0,3 — 0,4, особой разницы нет, можно и 0,6, но тогда катушка тяжеловатая. В общем прибор работает супер! Подробнее здесь…
Способы расчёта
Существует несколько основных способов определить индуктивность катушки. Все формулы, которые будут использоваться в расчётах, легко можно найти в справочной литературе или интернете. Весь процесс вычисления довольно простой и не составит труда для людей, имеющих элементарные математические и физические знания.
Вам это будет интересно Особенности изоленты ПВХ
Через силу тока
Этот расчёт считается самым простым способом определения индуктивности катушки. Формула через силу тока вытекает из самого термина. Какова индуктивность катушки — можно определить по формуле: L=Ф/I, где:
- L — индуктивность контура (в генри);
- Ф — величина магнитного потока, измеряемого в веберах;
- I — сила тока в катушке (в амперах).
https://youtube.com/watch?v=FCddea1HYm0
Соленоид конечной длины
Соленоид представляет собой тонкую длинную катушку, где толщина обмотки значительно меньше диаметра. В этом случае расчёты ведутся по той же формуле, что и через силу тока, только величина магнитного потока будет определяться следующим образом: Ф=µ0NS/l, где:
- µ0 — магнитная проницаемость среды, определяющаяся по справочным таблицам (для воздуха, который принимается по умолчанию в большинстве расчётов, она равна 0,00000126 генри/метр);
- N — количество витков в катушке;
- S — площадь поперечного сечения витка, измеряемая в квадратных метрах;
- l — длина соленоида в метрах.
Коэффициент самоиндукции соленоида можно рассчитать и исходя из способа определения энергии магнитного потока поля. Это более простой вариант, но он требует наличия некоторых величин. Формула для нахождения индуктивности — L=2W/I 2 , где:
- W — энергия магнитного потока, измеряемая в джоулях;
- I — сила тока в амперах.
https://youtube.com/watch?v=Y8-saxraVlk
Катушка с тороидальным сердечником
В большинстве случаев тороидальная катушка наматывается на сердечник, изготовленный из материала, обладающего большой магнитной проницаемостью. В этом случае для расчётов индуктивности можно использовать формулу для прямого соленоида бесконечной длины. Она имеет такой вид: L=N µ0 µS/2 πr, где:
- N — число витков катушки;
- µ — относительная магнитная проницаемость;
- µ0 — магнитная постоянная;
- S — площадь сечения сердечника;
- π — математическая постоянная, равная 3,14;
- r — средний радиус тора.
Вам это будет интересно Особенности конденсатора
Длинный проводник
Большинство таких квазилинейных проводников имеет круглое сечение. В этом случае величина коэффициента самоиндукции будет определяться по стандартной формуле для приближённых расчётов: L= µ0l (µelnl/r+ µi/4)/2 π. Здесь используются следующие обозначения:
- l — длина проводника в метрах;
- r — радиус сечения провода, измеряемый в метрах;
- µ0 — магнитная постоянная;
- µi — относительная магнитная проницаемость, характерная для материала, из которого изготовлен проводник;
- µe — относительная магнитная проницаемость внешней среды (чаще всего принимается значение для вакуума, которое равняется 1);
- π — число Пи;
- ln — обозначение логарифма.
https://youtube.com/watch?v=y4e5pNi9L5c





