Элементарная проверка
Первым делом необходимо аккуратно установить индуктор на платформе тормозного изделия и включить его в сеть. Переключатель следует перевести в положение 4. Якорь аккуратно укладывают на полюса индуктора, после чего закрепляют на валу приспособление для проворачивания якоря. Можно включить стенд. Мастеру предстоит аккуратно прижать щупы контактного агрегата к двум соседним коллекторам якоря. Немного проворачивая механизм, нужно отыскать положение, при котором показания механизма будут находиться на максимальной отметке. При помощи резистора устанавливают стрелку устройства на максимально удобную отметку шкалы. Необходимо постепенно проворачивать якорь, не меняя при этом пространственного положения щупов. Мастеру остается только считать показания прибора.
Проверка якоря на межвитковое замыкание

Электрические машины состоят из ротора и статора. Статор представляет собой неподвижные обмотки, уложенные в корпус. Якорь — это подвижная часть, поэтому на нее как правило попадают частички грязи и смазки и под воздействием температуры образуется окисленный налет. Он может послужить причиной неисправной работы или выхода из строя ротора электрической машины. Обнаруживается он визуальным осмотром. Нагар может стать причиной межвиткового замыкания в якоре.
Как таковой, ротор электродвигателя при нормальных условиях эксплуатации не изнашивается. Со временем подлежат замене только токосъемные щетки, если их длина уже не соответствует допустимому размеру. Однако длительные нагрузки становятся причиной нагрева обмоток статора, что в результате и способствует образованию нагара. Межвитковое замыкание якоря может случиться при механических повреждениях. Недопустимо на трущихся поверхностях наличие сколов, вмятин, царапин и трещин.
Замыкание между витками обмоток якоря происходит в случае выхода со строя подшипниковых узлов. Тогда якорь перекашивается, что приводит к повреждению ламелей. Еще одной причиной замыкания является воздействие влаги. При попадании капель воды на металлические поверхности начинается процесс коррозии.
ПОРЯДОК УКАЗАНИЯ ИКЗ[2]
|
Способ определения поставщика |
Порядок указания ИКЗ |
|
Открытый, закрытый конкурс (все виды) |
Один лот – один ИКЗ |
|
Закрытый аукцион |
Один лот – один ИКЗ |
|
Электронный аукцион |
Один электронный аукцион – один ИКЗ |
|
Запрос котировок |
Один запрос котировок – один ИКЗ |
|
Запрос предложений (п.2, 6, 8-10 ч.2 ст.83) |
Один запрос предложений – один ИКЗ |
|
Запрос предложений (п.7 ч.2 ст.83, п.3 ч.2 ст.83.1) |
Один ИКЗ для группы закупок (возможны несколько запросов предложений с одним ИКЗ) |
|
Закупка у единственного поставщика (п.1-3, 6-22, 24,25, 28-32, 34-41,43, 45-55 ч.1 ст.93) |
Одна закупка (один контракт) – один ИКЗ |
|
Закупка у единственного поставщика (пункты 4, 5, 23, 26, 33,42,44 ч.1 ст.93) |
Один ИКЗ по каждому из указанных пунктов |
Поиск поврежденного участка
Если вызов и ожидание мастера-профи не вариант, то хозяевам приходится самим проводить осмотр всей электросети — открытых участков проводки, а также подключенных бытовых и специальных приборов, в том числе сетевых удлинителей. Перед операцией электроцепь обесточивают, отключая автоматы, которые не сработали, затем из розеток вытаскивают вилки всех бытовых приборов.
Как найти короткое замыкание в скрытой проводке? Идеальный вариант — наличие плана электропроводки, однако этих документов у владельцев жилья на руках чаще нет. Иногда они и вовсе бесполезны, так как чертеж и реальная схема — «две большие разницы». Причина — предприимчивость электриков во время строительства объекта. Поэтому чаще хозяева вынуждены проводить «изыскания» довольно тернистыми путями.

Первые симптомы — запах гари и почернение (выгорание) участка, на котором произошло короткое замыкание. Когда осмотр видимой проводки, распределительной коробки и розеток с выключателями результата не принес, переходят к проверке бытовых и осветительных приборов. Если и в этом случае поиски не увенчались успехом, то исследование продолжают. Оно включает в себя несколько этапов.
Подготовка к поискам повреждения при КЗ
Как найти короткое замыкание в скрытой проводке? В первую очередь, обеспечить условие, при котором поиск вообще возможен. Если при обрыве сети операция иногда сложностей не обещает, то при коротком замыкании приходится действовать по-другому, так как при подаче напряжения автомат попросту отключается.
Исключение — отгорание проводов, идущих на выключатель или розетку. Проверить, произошло ли это, легко индикаторной отверткой: достаточно убедиться в наличии фазы в приборе. Если она есть, то можно говорить о том, что, по крайней мере, один проводник в порядке. Найти обрыв нейтрали очень сложно, если нет опыта подобной работы. В этом случае рекомендуют удалить участок полностью, а потом заменить его новой проводкой.

Чтобы предотвратить короткое замыкание, препятствующее возобновлению питания, его необходимо из «сценария» предусмотрительно исключить. Поскольку чаще КЗ — контакт между нейтралью и фазой, один из проводников отключают. Обычно им становится нулевой провод, изоляция которого синего или голубого цвета. Его отсоединяют, изолируют, а затем отводят в сторону.
Надо еще раз напомнить, что перед этой операцией все электроприборы должны быть отключены от розеток. Если в сети больше нет «травмированных» участков, после исключения ноля из схемы автомат срабатывать не будет.
Поиск участка замыкания
Первым делом надо определить проблемный участок, так как найти короткое замыкание в скрытой проводке можно лишь после того, как мастер точно определит, в каком месте оно произошло.

В домах или квартирах принцип разводки одинаков: от распределительной коробки проводка расходится лучами к розеткам, а для выключателей предусматривается отдельные кабели. Работа намного упрощается, если в распоряжении хозяев имеется схема разводки. Но чаще она отсутствует.
Сначала распределительную коробку открывают, потом на каждой линии измеряют сопротивление и напряжение. Если обнаруживают линию, где показания отсутствуют, то это и есть участок, которые необходимо проверять. Следующий этап — поиски конкретного места короткого замыкания.
Помощь измерительных приборов
Оптимальный вариант — проверка сопротивления на «подозреваемом» участке цепи (или изоляции) мегаомметром, так как мультиметр имеет одно серьезное ограничение. Из-за малого напряжения он подходит только для обследования коротких участков электроцепи — до 3 м, но не более.

Одним проводом мегаомметр подключают к фазовому проводнику, другим к нулю, затем к фазе и заземлению. Если на дисплее высвечивается значение, которое меньше единицы (0,5), то можно констатировать, что с проводкой все в порядке. Когда на нем появляется другая цифра (1), или показатели меняются, это значит, что оголенные проводники в каком-то месте соприкасаются.
Поиск виновника среди бытовых приборов
Нередки случаи, когда короткое замыкание возникает в электроприборах. Чтобы точно определить его источник, используют метод исключения. Сначала от розеток отключают абсолютно всю домашнюю технику, затем восстанавливают работу автомата. Все приборы подключают по одному, по очереди. Виновник будет найден, когда сработает автомат.
Народный метод
В этом случае исследователю важно иметь хороший слух, поскольку в месте, где произошло короткое замыкание, должен улавливаться звук — тихое потрескивание. Однако данный вариант относится к «дедовским методам», поэтому на результат надеяться можно, но сильно полагаться на то, что он будет, не нужно
ИКЗ-K1 | Стример МСК
Индикатор короткого замыкания ИКЗ-К1 предназначен для определения повреждённого участка кабельной линии электросети 6-35 кВ. Он прост в установке и эксплуатации: датчики тока индикатора короткого замыкания крепятся непосредственно на фазные провода кабеля, а сам индикатор устанавливается на щите релейного отсека ячейки КРУ. ИКЗ-К1 не требует модернизации силового оборудования РП/РТП/ТП, установки измерительных трансформаторов и других дополнительных датчиков.
Фиксирование аварии в индикаторе происходит при протекании тока короткого замыкания в одной, нескольких фазах линии или тока нулевой последовательности. Для уточнения направления поиска места повреждения при однофазных замыканиях на землю прибор отображает направление потока мощности. Индикатор сохраняет во внутренней памяти параметры последних аварий с временной меткой.

Технические характеристики:
|
Точность измерения токов |
±1% при номинальном токе 100 А |
|
Время реакции на бросок тока |
0,02 с |
|
Регулируемый порог срабатывания по току при межфазных КЗ |
10÷1000 А |
|
Регулируемый порог срабатывания по току при однофазных металлических замыканиях на землю |
2÷200, но не менее 2%Iраб |
|
Питание от сети собственных нужд |
=12-14В, ~110-240В |
При обнаружении аварии на индикаторе перекидываются блинкеры, соответствующие типу аварии (МФЗ, ОЗЗ). При МФЗ срабатывают все приборы, находящиеся между местом аварии и питающим центром, при ОЗЗ приборы показывают направление прохождения тока замыкания на землю.
Помимо визуальной системы индикации, ИКЗ-К1 оборудован релейным выходом и каналами связи по стандартным протоколам MODBUS и МЭК 60870-5-104 для интеграции в системы телемеханики. В случае отсутствия выделенного канала связи может быть установлен GSM/GPRS-передатчик.

На сервер может быть установлено ПО, выдающее оператору место и тип повреждения исходя из топологии сети и аварийной информации от многих индикаторов. В систему SCADA может быть интегрирована как информация с сервера, так и непосредственно с самих индикаторов.
Тестер межвиткового замыкания якоря или статора электродвигателя своими руками
С помощью этого простого тестера,можно найти межвитковое замыкание в якоре или статоре электродвигателя,даже если замкнут будет один виток в обмотках.
На транзисторе VT1 собран передатчик,на VT2-приемник,на диоде-детектор,на VT3-5 сигнализирующее устройство.Катушки L1-L2 находятся в одной плоскости на расстоянии 3 см друг от друга и хорошо зафиксированы.Если поднести якорь с замкнутым витком к этим катушкам сбоку,светодиоды переключатся и покажут,в каком пазу намотана катушка с замкнутым витком.
Катушки L1-L2 намотаны на ферритовых гантельках длиной 10 мм с неизвестным ферритом.Намотать катушки на гантельках можно те,которые есть у вас, магнитная проницаемость феррита может быть разной.Я взял готовые дроссели.Дроссель L1 индуктивностью примерно 990мкГн,L2-9.8мГн,разница в десять раз.Эта индуктивность может быть разной,здесь нет четких данных этих катушек.Катушка передатчика должна излучать достаточной силы сигнал,а катушка приемника должна его принять тоже с достаточной силой.Диод можно применить типа 1n4148 и др. но на кремнии падение напряжения будет больше,чем на германиевом,поэтому применил диод ГД507. Транзистор VT2 и VT3 желательно применить с большим коэффициентом усиления.
Испытать,наладить и настроить устройство можно покаскадно навесным монтажом.Для начала надо собрать сигнализирующее устройство на транзисторах VT3-5 и диоде.Анод диода никуда не подключен.При подаче питания,светит светодиод справа по схеме.Дотроньтесь пальцем до анода диода и плюс питания,светодиоды переключатся,транзистор VT5 будет заперт открывшимся транзистором VT4.
Тестер межвиткового замыкания якоря или статора электродвигателя своими руками
С помощью этого простого тестера,можно найти межвитковое замыкание в якоре или статоре электродвигателя,даже если замкнут будет один виток в обмотках.
На транзисторе VT1 собран передатчик,на VT2-приемник,на диоде-детектор,на VT3-5 сигнализирующее устройство.Катушки L1-L2 находятся в одной плоскости на расстоянии 3 см друг от друга и хорошо зафиксированы.Если поднести якорь с замкнутым витком к этим катушкам сбоку,светодиоды переключатся и покажут,в каком пазу намотана катушка с замкнутым витком.
Катушки L1-L2 намотаны на ферритовых гантельках длиной 10 мм с неизвестным ферритом.Намотать катушки на гантельках можно те,которые есть у вас, магнитная проницаемость феррита может быть разной.Я взял готовые дроссели.Дроссель L1 индуктивностью примерно 990мкГн,L2-9.8мГн,разница в десять раз.Эта индуктивность может быть разной,здесь нет четких данных этих катушек.Катушка передатчика должна излучать достаточной силы сигнал,а катушка приемника должна его принять тоже с достаточной силой.Диод можно применить типа 1n4148 и др. но на кремнии падение напряжения будет больше,чем на германиевом,поэтому применил диод ГД507. Транзистор VT2 и VT3 желательно применить с большим коэффициентом усиления.
Испытать,наладить и настроить устройство можно покаскадно навесным монтажом.Для начала надо собрать сигнализирующее устройство на транзисторах VT3-5 и диоде.Анод диода никуда не подключен.При подаче питания,светит светодиод справа по схеме.Дотроньтесь пальцем до анода диода и плюс питания,светодиоды переключатся,транзистор VT5 будет заперт открывшимся транзистором VT4.
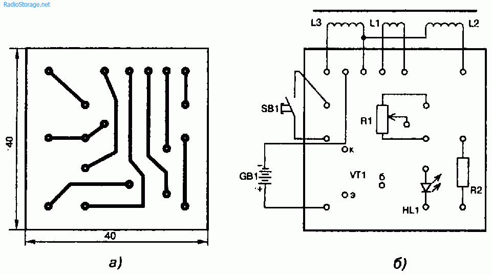
Схема устройства для обнаружения короткозамкнутых витков в катушках индуктивности
При изготовлении в радиолюбительских условиях контурных катушек, высоко- и низкочастотных трансформаторов и дросселей, в обмотках могут появиться короткозамкнутые витки, которые резко уменьшают их добротность и отрицательно сказываются на работе всего устройства. Для контроля произведенной намотки катушки индуктивности служит прибор, схема которого приведена на рис. 14.5. Прибор представляет собой генератор звуковой частоты, который работает в режиме непрерывного генерирования. Его генерация, вплоть до срыва, регулируется резистором R1. Индикатором наличия генерации служит светодиод HL1, а также слышимый при этом звуковой сигнал в виде тонкого писка. Если надеть испытываемую катушку с короткозамкнутым витком на ферритовый стержень прибора, то произойдет срыв генерации, светодиод погаснет, сигнализируя о наличии в катушке короткозамкнутых витков. Причиной появления короткозамкнутых витков могут быть: некачественная намотка, повреждение изоляции, «перехлест» витков и т. д.

Рис. 14.5. Прибор для проверки короткозамкнутых витков
Все катушки прибора намотаны на ферритовом стержне марки 400НН диаметром 8 мм и длиной 120…160 мм и содержат следующее количество витков: LI — 60 витков провода ПЭВ-1 0,2; L2 — 55 и L3— 220 витков провода ПЭВ-1 0,35. Катушки L2 и L3 намотаны в один слой на ферритовый стержень, a L1 намотана на картонной гильзе, которая способна перемещаться по катушке L2 при подборе максимального свечения светодиода. Указанный на схеме транзистор можно заменить на ГТ402 с любой буквой или на П213…П216 с любым индексом. Постоянный резистор R1 типа МЛТ-0,5, а переменный резистор R2 — СПО-0,5. Кнопка SB1 может быть любой малогабаритной с нормально разомкнутыми контактами. Питание прибора осуществляется от трех гальванических элементов типа 316. Все детали прибора монтируются на печатной плате размером 40×40 мм, вырезанной из листового одностороннего фольгированного стеклотекстолита толщиной 0,8 мм (рис. 14.6). Плата вместе с источником питания помещается в подходящий пластмассовый корпус.

Рис. 14.6. Печатная плата (а) и монтаж на ней деталей (б) прибора для проверки короткозамкнутых витков
Ферритовый стержень закрепляется в корпусе таким образом, чтобы одна его половина с катушками находилась в корпусе, а вторая — из него выступала. Возможен случай, когда при короткозамкнутом витке в катушке не происходит срыва гейерации, хотя свечение светодиода понижается, а частота генерации повышается, что ощутимо на слух. Этот случай характерен при проверке катушек, обмотки которых намотаны тонким проводом диаметром до 0,15 мм.
Литература: В.М. Пестриков. Энциклопедия радиолюбителя.
Прибор для проверки межвиткового замыкания – схема
Для определения межвиткового замыкания существуют специальные тестеры-пробники, в основе которых лежат различные физические явления. Схему одного из таких приборов мы уже рассматривали ранее. Но сегодня у нас более экзотическая схема, которая описывалась в журнале «Радиоконструктор 03/2007 стр. 17″. Такой прибор способен автоматически определить, есть ли в обмотке обрыв, или выявить межвитковое замыкание.

В основе этого индикатора лежит принцип самоиндукции. На тестируемую катушку подаются импульсы звуковой частоты. Генератор импульсов собран на VT1-VT2, а частота его зависит от C1-C2 (должна быть в звуковом диапазоне). Транзисторы VT3-VT4 развязывают генератор от тестируемой катушки и обеспечивают необходимое значение импульсов тока, которые подаются на катушку.
D1VT5VT5-VT6Гр.1
Если в катушке есть межвитковое замыкание – ее индуктивность сильно падает, ЭДС самоиндукции будет иметь незначительную величину, недостаточную для открытия VT5 и звучания динамик Гр.1.
Транзисторы VT7-VT8 отвечают за работу светодиодов HL1 и HL2. Когда в катушке есть обрыв – горит HL2, если же обрыва нет – открываются транзисторы VT7—VT8 и загорается HL1, а HL2 шунтируется и тухнет.
Как отремонтировать якорь в домашних условиях
Из-за якоря происходит треть поломок шуруповёрта. При каждодневном интенсивном режиме работы неисправности могут возникнуть уже в первые полгода, например, при несвоевременной замене щёток. При щадящем использовании шуруповёрт продержится год и более.
Якорь можно спасти, если не нарушена балансировка. Если во время работы прибора слышен прерывистый гул и идёт сильная вибрация, то это нарушение балансировки. Такой якорь подлежит замене. А отремонтировать можно обмотку и коллектор. Небольшие короткие замыкания устраняются. Если повреждена значительная часть обмотки, её можно перемотать. Изношенные и сильно повреждённые ламели проточить, нарастить или впаять. К тому же не стоит браться за ремонт якоря, если вы неуверены в своих возможностях. Лучше его заменить или отнести в мастерскую.
Проточка коллектора
Со временем на коллекторе образуется выработка от щёток. Чтобы от неё избавиться, необходимо:
- Проточить коллектор, используя резцы для продольного обтачивания, то есть проходные резцы. Проходной прямой резец
- Ещё нам необходим обратный конус для центрирования по подшипнику. Сделайте в нём отверстие до 8 мм.
Обратный конус
- Так как медь тягучая, отрегулируйте станок на количество оборотов от 600 до 1500 в минуту.
- Первичная подача по половине деления. Когда резец слегка коснётся изделия, произведите продольную проточку всего коллектора. По образовавшемуся блестящему рисунку вы увидите состояние ламелей, все неровности поверхностей.
- Если коллектор ровный, то проточка будет равномерной.
- Если есть ямки, то продолжайте проточку, пока поверхность не выровняется.
- Для последнего прохода нужно подать резец на одну четвёртую от деления.
- Для полировки возьмите наждачную бумагу с тысячной зернистостью и включите станок так, чтобы якорь вращался в ту сторону, в которую вращается во время работы.
Не забудьте очистить ротор от стружки, чтобы не произошло замыкания.
Видео по теме
Как перемотать якорь
Перед тем как разобрать якорь, запишите или зарисуйте направление обмотки. Оно может быть влево или вправо. Чтобы его определить правильно, посмотрите на торец якоря со стороны коллектора. Наденьте перчатки, возьмите острые кусачки или ножовку по металлу. Удалите лобовые части обмотки. Коллектор нужно почистить, а снимать необязательно. Аккуратно, не повреждая пазовые изоляторы, выбейте стержни оставшихся частей обмотки с помощью молотка и металлического зубила.
Видео: Снимаем обмотку
Надфилем, не повреждая плёнки изолятора, удалите остатки пропитки. Посчитайте проводники в пазу. Высчитайте число витков в секции и измерьте диаметр провода. Нарисуйте схему. Нарежьте из картона гильзы для изоляции и вставьте их в пазы.
Видео: Намотка влево и вправо
После намотки сварите выводы секций с петушками коллектора. Теперь проверьте обмотку тестером и индикатором короткого замыкания. Приступайте к пропитке.
Инструкция по пропитке (с учётом регулятора числа оборотов)
- Убедившись в отсутствии проблем, отправьте якорь в электродуховку на прогрев для лучшего протекания эпоксидной смолы.
- После прогрева поставьте якорь на стол под наклоном для лучшего растекания по проводам. Капните смолой на лобовую часть и медленно крутите якорь. Капайте до появления клея на противоположной лобовой части.
Пропитка под наклоном
- Расположите якорь горизонтально и капайте на обе лобовые части. Крутите якорь до потери текучести.
- Оставьте в вертикальном положении до полной полимеризации. Сушка якоря на воздухе до полимеризации
В конце процесса слегка проточите коллектор. Балансируйте якорь при помощи динамической балансировки и болгарки. Теперь проточите окончательно на подшипнике. Необходимо прочистить пазы между ламелями и отполируйте коллектор. Сделайте окончательную проверку на обрывы и замыкания.
Какой прибор используют для обнаружения
Специалист собирает компактное устройство самостоятельно или же выставляет необходимые характеристики на стандартном. Собирается по схеме с использованием резистора (сопротивление минимум 10 Ом), обмотки, которая подлежит исследованию.

Прибор для определения короткозамкнутых витков по своей сути является генератором звуковой частоты, функционирующим беспрерывно. Отвечает за генерацию резистов, при этом если установить катушку трансформатора на основание прибора, то явление генерации по физическим причинам остановится. Устройство покажет, что есть дефекты тем, что отключит светодиод, перестанет работать.
Собрать прибор можно в домашних условиях. Понадобится ферритный стержень, провод (выбирается определенное число витков), карточная гильза, светодиод, несколько элементов для питания. В качестве плоскости сборки используют обычную плату.
Чем опасно появления короткозамкнутых витков в обмотке трансформатора
Появление на обмотке считается дефектом оборудования, которое следует устранять. Электротехническая схема указывает, что подтвержденной частью обмотки является первичная. Та, на которой есть они, является вторичной. Для устранения дефектов используются методики, основанные на знании о параметрах возникающей магнитной связи между частями обмотки.

Действие напряжения импульса неразрывно связно не только с поврежденной частью обмотки. Воздействие влияет на работу первичной части, которая дефектов не имеет. Проявляется действие короткозамкнутых контуров прежде всего в резких и ничем не обусловленных скачках напряжения
Обратите внимание, что:
- для устранения проблемы необходим расчет параметров витка;
- если характеристики первичного и вторичного витков похожи, то скачок напряжения будет максимальным;
- идентичные характеристики витков приводят к увеличению рассеивающего коэффициента.
В результате наличия витков короткозамкнутого контура возникают скачки напряжения. Но это не единственная серьезная проблема, требующая рассмотрения и решения. Поражается вторичная обмотка из-за рассеивания магнитного потока, возникает короткое замыкание в этой части. Явление грозит выходом их строя конструктивных узлов механизма и тех приборов, которые оно питает (по крайней мере одновременное их отключение от сети или переброс в атомический режим работы от аккумуляторов). Также возникает опасность поражения электрическим током. Безусловно, диагностика трансформатора (обязательная визуальная и при помощи прибора) является обязательным методом безопасности на производстве.
https://youtube.com/watch?v=Nusaw4ItJVk
Индикатор короткозамкнутых витков своими руками.
Сегодня речь пойдет о таком необходимом всем и каждому, кто хоть немного занимается ремонтом импульсной техники и электрикой приборе – индикаторе короткозамкнутых витков. В сети можно встретить довольно много различных схем, причем в основном только на русскоязычных сайтах, иностранцы, наверное, пользуются только готовыми приборами в отличии от нас.
Схемы в сети почти все имеют в своем составе катушки индуктивности, что накладывает определенные трудности в их изготовлении и сложности при работе с ними. Схема представленная ниже лишена этих недостатков и не содержит дефицитных деталей. Автор этой схемы написан в конце статьи, запатентовать ее не получилось из-за бюрократии во всех сферах в нашей стране. Вот сама схема, с ее помощью можно проверять импульсные и силовые трансформаторы:
Основные элементы схемы:
С1- 56 нФ, служит для проверки импульсных трансформаторов, частота генерации получается порядка 40 кГц;
С2- 10 мкФ, служит для проверки трансформаторов на 50 Гц, силовых, при его подключении частота генерации получается порядка 100 Гц;
R2, R4 – токоограничительные резисторы для транзисторов;
R3- ограничительный резистор для щупа;
VD1 – стабилитрон на 12 вольт (при питании схемы от 12 вольт);
HL1- индикаторный светодиод (при обрыве обмотки не горит, при витковом замыкании может немного тлеть, при исправной обмотке – горит);
VT1- транзистор ВSР100, я ставил irf740, кт829 и все нормально работало;
VT2- транзистор биполярный С945, таких много в компьютерных блоках питания;
DD1- К155ЛА3, можно ставить К561ЛА7, только пересчитав по любому калькулятору в сети элементы генератора. Можно собрать генератор на NE555.
Порядок работы: подаем питание, светодиод не горит, подключаем любую обмотку испытуемого трансформатора, светодиод должен загореться при исправном и не гореть при обрыве или витковом замыкании. Однако не каждый дроссель можно проверить этим прибором, малая индуктивность не дает сделать проверку. Для проверки трансформаторов на 50 Гц необходимо менять частоту генератора путем подключения конденсатора на 10 мкФ через переключатель, тумблер и т.п.
Я собрал эту схему пока только навесным монтажем на коленке, запитывал от аккумулятора на 12,6 вольт – все работает. Сделал печатную плату под эту схему, однако еще не успел ее изготовить и проверить, выложу ее тоже.
Источник
Определитель короткозамкнутых витков своими руками — Справочник металлиста

При ремонте двигателей и генераторов, это устройство может стать очень полезным. Схема прибора и его работа очень проста и доступна для сборки даже новичкам.
Благодаря этому тестеру станет возможным проверка любых трансформаторов, генераторов, дросселей и разнообразных катушек, индуктивностью от 200 мкГн до 2 Гн.
Аппарат позволит определить не только целостность проверяемой обмотки, но также поможет выявить межвитковое замыкание, способен проверить p-n переходы у кремниевых транзисторов или диодов.
Проверка якоря на межвитковое замыкание
Электрические машины состоят из ротора и статора. Статор представляет собой неподвижные обмотки, уложенные в корпус. Якорь — это подвижная часть, поэтому на нее как правило попадают частички грязи и смазки и под воздействием температуры образуется окисленный налет.
Он может послужить причиной неисправной работы или выхода из строя ротора электрической машины. Обнаруживается он визуальным осмотром. Нагар может стать причиной межвиткового замыкания в якоре. Как таковой, ротор электродвигателя при нормальных условиях эксплуатации не изнашивается.
Со временем подлежат замене только токосъемные щетки, если их длина уже не соответствует допустимому размеру. Однако длительные нагрузки становятся причиной нагрева обмоток статора, что в результате и способствует образованию нагара.
Межвитковое замыкание якоря может случиться при механических повреждениях. Недопустимо на трущихся поверхностях наличие сколов, вмятин, царапин и трещин. Замыкание между витками обмоток якоря происходит в случае выхода со строя подшипниковых узлов.
Тогда якорь перекашивается, что приводит к повреждению ламелей. Еще одной причиной замыкания является воздействие влаги. При попадании капель воды на металлические поверхности начинается процесс коррозии.
https://youtube.com/watch?v=OnPe726XWKo
Ржавчина затрудняет вращение якоря, токовые нагрузки растут, происходит нагрев в следствии чего может отслаиваться припой, что в свою очередь при длительной эксплуатации может привести к межвитковому замыканию.
Диагностировать эту неисправность возможно и в домашних условиях. Проводят эту процедуру при помощи катушки индуктивности, называемую дросселем.
При помощи данного устройства, вам удастся узнать направление сброса, а также порядок, в котором катушки обмотки подключены к ламелям коллектора.
Таким образом, осуществляется проверка якоря на межвитковое замыкание.





