Введение
Не так давно я копался в коробке со старыми компонентами. Я искал что-то другое, но остановился, когда в руки попалось несколько газоразрядных индикаторов. Однажды (давно, очень давно) я добыл их из старого калькулятора.

Вспоминаю… Тридцать лет назад шесть индикаторов были маленьким сокровищем. Тот, кто мог тогда сделать с такими индикаторами часы на ТТЛ логике, считался искушенным знатоком своего дела.
Свечение газоразрядных индикаторов казалось более теплым. Через несколько минут мне стало интересно, заработают ли эти старые лампы, и захотелось что-нибудь сделать на них. Теперь-то сделать такие часы очень просто. Достаточно взять микроконтроллер…
Поскольку тогда же я увлекался программированием микроконтроллеров на языках высокого уровня, я решил немного поиграть. Я попытался сконструировать простые часы на цифровых газоразрядных индикаторах.
Механические часы с кукушкой
На рынке представлен огромный выбор настенных часов. Например, механические с кукушкой, двигающимися птичками, зверьками, человечками. Будто из сказки! Изготавливают их из дерева, вырезают различные узоры, покрывают лаком, оставляя узор, рисуют разных персонажей, цветы, растения, животных, птиц.
Такая модель подойдет для любителей стиля ретро. Глядя на них, вспоминаешь бабулю с дедом, домик на даче, становится хорошо. Такие часы не для всех, но еще остались истинные ценители старинных вещей.

Особенности механических часов:
Механические маятниковые с кукушкой смотрятся гармонично в большом доме с лестницами и коваными дверями. Прослужат такие часы больше 50 лет. Во многих семьях передаются поколениями, следуя традициям.
Наручные часы своими руками
Помимо настенных часов можно сделать эксклюзивный аксессуар, который поможет выделиться среди подруг и друзей. Создать индивидуальный дизайн довольно просто. Для этого достаточно проявить намного фантазии.

- Предлагаем, подробный мастер-класс по созданию наручных часов своими руками. Для этого понадобится:
- часовой механизм в стеклянном корпусе. Приобрести эту деталь можно в специализированном отделе;
- металлические застежки 2 шт.;
- ножницы;
- прозрачный клей;
- небольшой кусок натуральной кожи. Этот материал необходим для создания ремешка.

Теперь, когда часы зафиксированы на кожаном ремне можно переходить к креплению металлических застежек. Они помогут регулировать положение часов в процессе использования. Завершающим этапом будет примерка эксклюзивного изделия.

Датчик дождя
Что может быть неприятнее, чем прийти и увидеть кузов любимого автомобиля в разводах?
Да и владельцам частных домов или постоянно живущим на дачах эта штука может пригодиться.
Увы, устройство по этой схеме нельзя ставить в автомобиль, но это и не нужно – подобные не стоят только на совсем древних автомобилях типа «копейки». Для сборки такого приспособления понадобится:
- замыкаемый датчик при контакте с водой, который ставится на открытое место;
- резисторы на 10кОм и 330кОм;
- транзисторы VT1, VT2, в этой схеме это BC548 и BC 558;
- блок батареек или иной источник питания на 3 вольта;
- конденсатор емкостью 100 мкФ;
- по предпочтению владельца – датчик в виде лампочки или зуммера.
Самый простой усилитель звука
В настоящий момент большая часть потребительской аудиотехники производится с использованием микросхем, в частности TDA, производимых Phillips.
Сейчас они повсеместно используются в автомобильной аудиотехнике, магнитолах, сабвуферах, системах домашних кинотеатров и других вариантах аудиоусилителей. Их популярность и дешевизна сделали их доступными в любом магазине радиоэлектронных компонентов, самых разных конфигураций и мощности.
Чтобы собрать из них своими руками «усилок», достаточно припаять несколько деталей к ножкам, прикрепить конструкцию к радиатору, поскольку схема очень сильно греется, и сделать выводы на плеер, динамики и сеть. Готово.
Поэтому – осторожность и терпение
Вариант одноканального усилителя на TDA7396
Характеристики усилителя: при нагрузке в 2 Ом до 45 Ватт. Хватит чтобы устроить дискотеку в комнате, да и с соседями поделиться настроением.
Еще одни настенные часы своими руками
Такие часы с необычными стрелками-ногами Джона Клиза из “Министерства глупых походок” могут стать отличным подарком, который, благодаря тому, что часы выдержаны в нейтральном черно-белом стиле, впишется практически в любой интерьер.
Вам потребуются:
Шаг 1:
Распечатайте циферблат с изображением Джона Клиза (скачать архив можно здесь) на листе формата А4, обрежьте лист до размера примерно 21 х 21 см.

Рекомендуем Вам печатать рисунок с помощью лазерного принтера, поскольку в этом случае чернила не потекут.
Слегка смочите изображение водой и дайте ей впитаться. Тем временем смажьте холст клеем.
Аккуратно приклейте влажное изображение на холст и разгладьте его. Затем нанесите еще один слой прозрачного клея, прижмите края бумаги и оставьте холст сохнуть. После того, как все высохнет, можно нанести еще один слой клея.
Шаг 2:
По шаблону вырежьте ноги, при этом оставьте запас примерно 0,5 см по контуру. Слегка смочите изображение водой и отложите в сторону, чтобы влага впиталась.
Возьмите достаточно большой кусок пластика и нанесите на него клей, затем аккуратно приклейте вырезанные из бумаги ноги, разгладьте изображение. Покройте картинку клеем еще раз и оставьте сохнуть на ночь.

Если Вы обнаружите, что после высыхания пластик слегка погнулся, просто возьмите лист плотной бумаги и приклейте его с обратной стороны.
После того, как деталь полностью высохнет, возьмите скальпель и аккуратно вырежьте изображение ног по контуру.
Шаг 3:
Первым делом отметьте середину холста.
Затем при помощи шила в центре холста проделайте отверстие. Оно должно быть достаточно большим, чтобы сквозь него можно было вставить крепление для стрелок часового механизма. С обратной стороны вставьте механизм и закрепите его при помощи гайки.

Если в комплект Вашего механизма входит также металлическое колечко до крепления между холстом и гайкой, то чтобы его не было видно, можно распечатать изображение Джона Клиза еще раз, вырезать из него подходящий по диаметру круг с отверстием посередине и приклеить его таким образом, чтобы оно закрыло металлическое колечко.
Шаг 4:
Возьмите стрелки часов и расположите их поверх вырезанных из пластика ног. Карандашом отметьте места, где Вам необходимо будет сделать отверстия для крепления стрелок.
При необходимости, подрежьте стрелки, чтобы они были чуть короче, чем пластиковые фигурки ног, затем приклейте детали на стрелки. После того, как клей высохнет, прикрепите стрелки-ноги к Вашим часам. При необходимости, крепежную гайку можно покрасить черным маркером.

Завершающие работы
Теперь надо окрасить наш диск в черный цвет. Достаточно будет сделать это с лицевой стороны. После высыхания поверхности, проделываем отверстие под стрелки, воспользовавшись для этого шилом.
Теперь нам понадобится серебристая краска, которая максимально удачно контрастирует с черным цветом диска и наносим с ее помощью деления и цифры на циферблате. Тем же цветом окрашиваем и стрелки. Заканчиваем нашу работу установкой часового механизма и декоративным украшением торцов и краев диска.

Как видно по представленной инструкции, изготовление часов из картона под силу практически любому человеку.
На фото деревянные часы
Наручные часы своими руками
Помимо настенных часов можно сделать эксклюзивный аксессуар, который поможет выделиться среди подруг и друзей. Создать индивидуальный дизайн довольно просто. Для этого достаточно проявить намного фантазии.

Предлагаем, подробный мастер-класс по созданию наручных часов своими руками. Для этого понадобится:
- часовой механизм в стеклянном корпусе. Приобрести эту деталь можно в специализированном отделе;
- металлические застежки 2 шт.;
- ножницы;
- прозрачный клей;
- небольшой кусок натуральной кожи. Этот материал необходим для создания ремешка.

Теперь, когда часы зафиксированы на кожаном ремне можно переходить к креплению металлических застежек. Они помогут регулировать положение часов в процессе использования. Завершающим этапом будет примерка эксклюзивного изделия.

Нюансы изготовления настенных часов
Часы, помимо всего прочего, имеют и некое мистическое значение, ведь они обладают уникальной функцией – управляют звеном времени.
Настенные часы с миньонами
Настенные часы своими руками может изготовить любой желающий. Нужно лишь немного времени, толика фантазии и минимум расходных материалов. В результате часы станут истинной изюминкой вашего интерьера! Исходите из того, что в качестве циферблата может выступать практически все, что угодно
Важно лишь, чтобы часы получились красивыми и оригинальными
Часы, сделанные вручную — уникальный декор в интерьере
Один из возможных вариантов – круглая доска, которая служила ранее катушкой для кабеля. Для оформления помещения, имеющего географический уклон (к примеру, офиса туристического агентства), можно сделать часы из половинок глобуса. Такое изделие будет компактным, но очень необычным.
Довольно часто настенные часы делают круглыми
Для кухни можно сделать настенные часы, вместо чисел на циферблате которых – пуговицы. Получится вещица, выполненная в «бабушкином» стиле.
Более сложный вариант – это часы-шар. Для их создания потребуется яркий шар, а также изогнутые стрелки. Выглядеть такие часы будут красиво и футуристично, как машина времени из фантастических фильмов.
Часы из часов – такого точно ни у кого нет
Также можно сделать часы-картину. Для этого берется любая картина и приспосабливается для того, чтобы показывать время.
Зеркальные настенные часы
Коллаж из натуральных материалов
Под таким названием подразумевается использование в изготовлении часов различных круп и других природных материалов. Такие часы идеально впишутся в интерьер кухни. Для их изготовления понадобится заготовка, природные материалы и терпение. На заготовку наносится крупа и другие детали при помощи клея. В работе можно использовать абсолютно разную крупу, даже фасоль.

- Если хочется придать часам эксклюзивности, можно воспользоваться эскизом. Для этого сначала наносится рисунок на заготовку, а потом по контурам выкладывается крупа в определенной последовательности.
- Очень хорошо смотрятся разные по фактуре крупы. Также можно использовать разные по цвету крупы. В таких изделиях главное применить фантазию и не ограничиваться в материалах.

Все перечисленные техники доступны, и работать сможет даже начинающий мастер. Только нужно немного запастись терпением и фантазией. В этом случае удастся выполнить часы, которые будут отличаться уникальностью и изысканностью.

Схема электронных часов на микроконтроллере

Микроконтроллер является единственной микросхемой, используемой в данном устройстве. Для задания тактовой частоты используется кварцевый резонатор на 4 МГц. Для отображения времени использованы индикаторы красного цвета с общим анодом, каждый индикатор состоит из двух цифр с десятичными точками. Можно применить любые индикаторы с общим анодом, лишь бы каждая цифра имела собственный анод. Чтоб электронные часы были хорошо видны в темноте и с большой дистанции — старайтесь выбрать АЛС-ки чем покрупнее.

Индикация в часах осуществляется динамически. В данный конкретный момент времени отображается лишь одна цифра, что позволяет значительно снизить потребление тока. Аноды каждой цифры управляются микроконтроллером PIC16F628. Сегменты всех четырех цифр соединены вместе и через токоограничивающие резисторы R1 … R8 подключены к выводам порта МК. Поскольку засвечивание индикатора происходит очень быстро, мерцание цифр становится незаметным.

Для настройки минут, часов и будильника — используются кнопки без фиксации. В качестве выхода для сигнала будильника используется вывод 10, а в качестве усилителя — каскад на транзисторах VT1,2. Звукоизлучателем является пьезоэлемент типа ЗП. Для улучшения громкости вместо него можно поставить небольшой динамик. Питаются часы от стабилизированного источника напряжением 5 вольт. В часах реализовано 9 режимов индикации. Переход по режимам осуществляется кнопками «+» и «-«. Перед выводом на индикацию самих показаний, на индикаторы выводится короткая подсказка названия режима. Длительность вывода подсказки примерно секунда.

Кнопкой «Коррекция» часы переводятся в режим настроек. При этом кратковременная подсказка выводится на пол секунды, после чего корректируемое значение начинает мигать. Коррекция показаний осуществляется кнопками «+» и «-«. При длительном нажатии на кнопку, включается режим автоповтора, с заданной частотой. Все значения, кроме часов, минут и секунд, записываются в память и восстанавливаются после выключения питания. Если в течение нескольких секунд ни одна из кнопок не нажата, то электронные часы переходят в режим отображения времени. Нажатием на кнопку «Вкл/Выкл» включается или выключается будильник, это действие подтверждается коротким звуком. При включенном будильнике светится точка в младшем разряде индикатора. Вот прошивка и рисунок платы часов.
Поделитесь полезными схемами
|
КАК ЗАРЯДИТЬ ТЕЛЕФОН ОТ АВТОМОБИЛЬНОГО АККУМУЛЯТОРА
Такой зарядник получается очень компактным и достаточно качественный. Заряжает телефон достаточно быстро, поскольку выходной ток значительно больше, чем в штатных сетевых зарядных устройствах. |
|
ПРЕОБРАЗОВАТЕЛЬ НАПРЯЖЕНИЯ ИЗ ЗВУКОВОГО СИГНАЛИЗАТОРА
Интересные опыты с миниатюрным звуковым сигнализатором и маломощным сетевым трансформатором. |
|
ЭЛЕКТРОННЫЙ МИКРООММЕТР
Испробовав множество способов, пришел к более удачному решению, с помощью которого можно измерять не только индуктивность, но и очень малое сопротивление (единицы мкОм) и очень большую емкость (до 1 фарада). |
|
Играть в онлайн автоматы без регистрации
Еще с незапамятных времен некоторые люди предпочитали проводить время за игрой… |
|
БЛОК ПИТАНИЯ НА 5А
Простой регулируемый источник питающего напряжения различных схем и устройств, с предельным током до 5 ампер. |
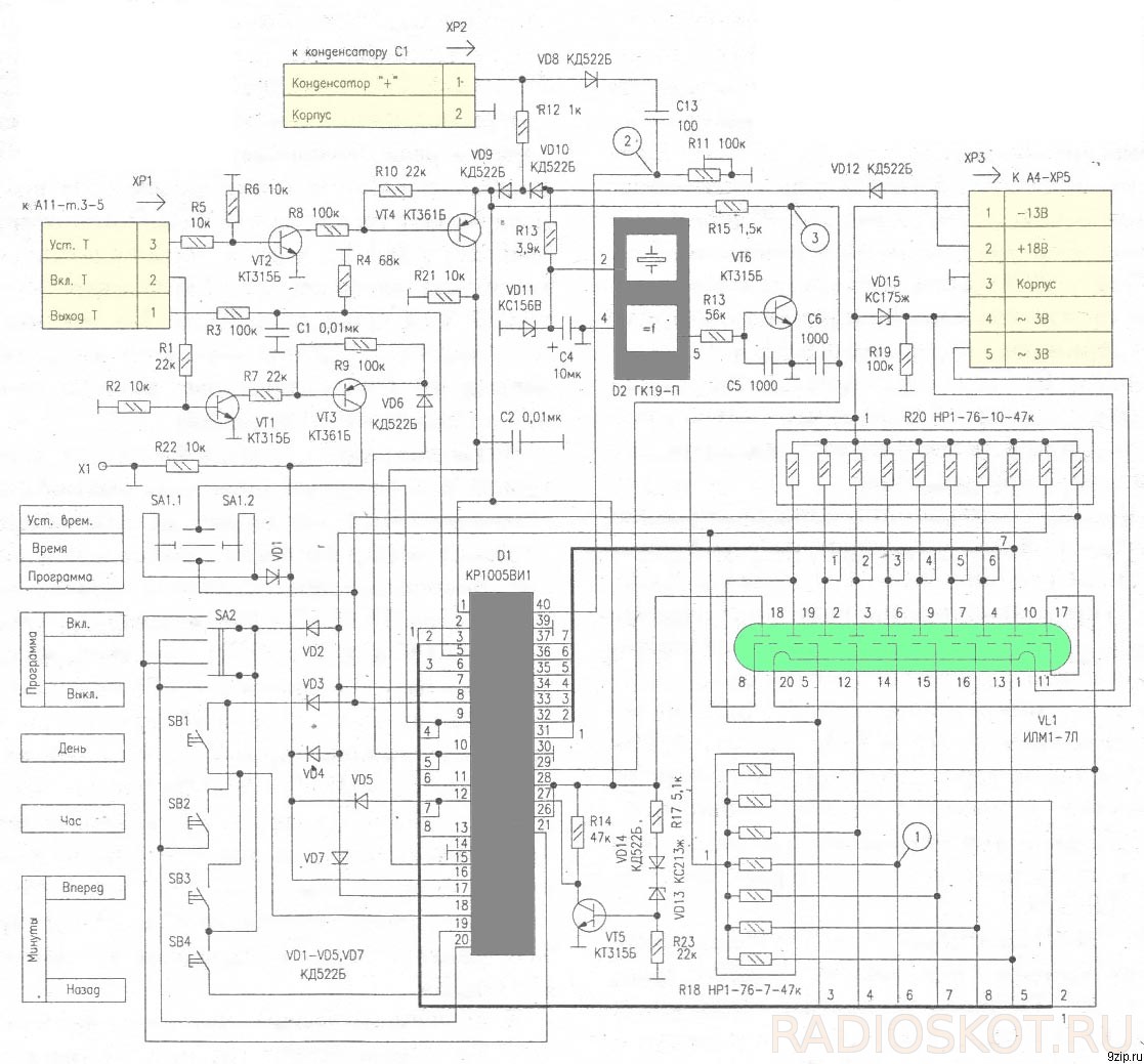
Варианты схем подключения часов





Часы-таймер в видеомагнитофоне Электроника ВМ-12 предназначались для включения и выключения записи в установленное время, а также для отображения текущего времени с помощью вакуумно-люминесцентного индикатора ИЛМ1-7Л.

Опорный генератор выполнен на микросхеме D2, с 5 вывода которой выходят импульсы 50 герц. Усиливаясь транзистором, они поступают на вход микросхемы D1 — КР1005ВИ1.
Установка времени на часах: установить переключатель SA1 в режим «установка времени», затем соответствующими кнопками установить день недели, часы и минуты. SA1 вернуть в положение «время».
Установка таймера на включение: SA1 перевести в положение «программа», SA2 — в положение «вкл». Кнопками установить день недели и время.
Установка таймера на выключение: SA1 установить в положение «программа», SA2 — в положение «выкл». Аналогично, кнопками установить день недели и время выключения. SA1 вернуть в положение «время».
Модулю часов от видеомагнитофона Электроника ВМ-12 требуется три напряжения питания:
- отрицательное, -13 вольт для питания индикаторов
- положительное, +18 вольт для питания процессора
- переменное, ~3 вольта для питания накала индикатора
Цепь смещения VD15-R19 нужна для надёжного гашения сегментов ИЛМ1-7Л. Разъём XP2 служит для подключения конденсатора 4700 мкФ, который нужен для сохранения времени при кратковременных перепадах напряжения (иногда вместо него ставят аккумулятор).
Ещё есть кнопка Таймер — рядом с кнопкой питания. При нажатой кнопке Таймер зажигается светодиод и магнитофон засыпает, чтобы проснуться по таймеру, сделать запись и снова уснуть. Другие органы управления при этом блокируются.
Настройка времени и будильника
При нажатии кнопки SA1 попадаем в меню часов «Set1», где у нас есть возможность установки текущего времени, а еще одно короткое нажатие кнопки SA1 переводит нас в меню установки времени будильника «Set2».
Для выбора и изменения настроек служит кнопка SA2. После выбора как в режиме настройки времени, как и в режиме установки будильника на дисплее начнет мигать первая цифра, после чего можно установить десятки часов с помощью кнопки SA2.
Держатель для платы
Материал: АБС + металл, размер зажима печатной платы (max): 20X14 см…
Подробнее
Очередное нажатие SA1 вызовет мигание второй цифры и с помощью SA2 можно установить единицы часов. Последующие два нажатия SA1 позволят установить десятки минут и единицы минут. Во время установки часов и минут устанавливается всегда только одна цифра. Пятое нажатие SA1 возвращает часы к нормальной работе. Также продолжительное время отсутствия нажатия кнопок завершает процедуры установки.
Во время работы часов длительное нажатие кнопки SA2 производит включение/выключение будильника. В момент активации будильника, на несколько секунд отображается время его запуска. Состояние будильника сигнализирует точка, размещена в четвертом разряде. Если будильник активен, этот индикатор горит.
После включения сигнала будильника нажатием любой кнопки можно выключить его на время порядка 5 минут, при этом активируется функция повтора. Этот факт отмечается миганием точки на четвертом разряде индикатора. По истечении 5 минут сигнал будильника будет запущен снова. Снова нажатием любой кнопки, его можно отложить еще на 5 минут, и т. д.
Полное отключение сигнала будильника происходит после длительного нажатия клавиши SA2, или около полутора минутного отсутствия реакции со стороны пользователя.
Работа часов протестирована в Proteus:

Если в ходе эксплуатации часов, окажется, что часы значительно отстают или спешит, можно попробовать уменьшить или увеличить значение конденсатора C1.
Скачать рисунок печатной платы, прошивку, модель в Proteus (34,7 KiB, скачано: 3 158)
Установка текущего времени
Выключатель ТАЙМЕР — в положение ВЫКЛ. Переключатель УВ-ВРЕМЯ-ПРОГРАММА — в положение УВ. Установить время кнопками ДЕНЬ, ЧАС, МИНУТЫ. Переключатель УВ-ВРЕМЯ-ПРОГРАММА — в положение ВРЕМЯ. Часы стартуют с установленного времени.
Программирование таймера на 14 дней вперёд. Исходное состояние: текущее время установлено, СЕТЬ — ВКЛ, таймер (кнопка рядом с кнопкой СЕТЬ) — ВЫКЛ. Установить УВ-ВРЕМЯ-ПРОГРАММА — в положение ПРОГРАММА. Мигают точки и надпись ВКЛ. Движок переключателя ВКЛ-ВЫКЛ в положение ВКЛ и отпустить. Высветятся надпись ВКЛ, цифры с указанием текущего времени и знак «I», обозначающий первую неделю.
Установить нажатием кнопки ДЕНЬ нужный для записи день. Знак «II» обозначает вторую неделю. Для ежедневной записи в одно время нажимать кнопку ДЕНЬ пока не высветятся все надписи дней. Установить время начала записи кнопками ЧАС и МИНУТЫ. Движок переключателя ВКЛ-ВЫКЛ в положение ВЫКЛ и отпустить. Высветятся надпись ВЫКЛ, цифры с указанием времени включения. Установить время выключения кнопками ЧАС и МИНУТЫ. Установить переключатель УВ-ВРЕМЯ-ПРОГРАММА в положение ВРЕМЯ.
Как сделать солнечные часы своими руками
Солнечные часы — древнейший механизм для определения времени. Солнечные часы — простейший прибор, но в нем заложены знания и наблюдения наших древних предков. В настоящее время солнечные часы используются как ландшафтное украшение. На примере солнечных часов родители учат своих детей строению солнечной системы, да и сама постройка солнечных часов своими руками — увлекательнейшее занятие для наших детей, например, будучи на пляже. При изготовлении солнечных часов надо знать некоторые моменты и особенности их конструкции, о которых мы и расскажем в этой статье.
Из чего состоят солнечные часы
Солнечные часы состоят из стрелки-указателя, отбрасывающей тень (эта стрелка называется гномон) и циферблата солнечных часов. Время по солнечным часам определяют по тени, отбрасываемой гномоном на циферблат. Все просто, однако есть некоторые особенности. Циферблат солнечных часов делится на 24 часа, а не на 12 часов, как в обычных механических часах. Циферблат или гномон должны быть наклонены над плоскостью. Солнечные часы не учитывают переход на летнее время. Солнечные часы работают только в ясную или малооблачную погоду в светлое время суток. Вот и все ограничения солнечных часов.
Существует несколько видов солнечных часов. Давайте разберемся с ними по-порядку.
Горизонтальные солнечные часы.
Горизонтальные солнечные часы можно делать прямо на песке на пляже. Для начала нам нужно знать две вещи: на какой широте мы находимся и где находится север. Если вторую часть можно установить методом подбора, то с первой придется быть подготовленным. Итак, у нас есть компас и мы знаем свою широту (Санкт-Петербург — 60, Москва — 55, Нижний Новгород — 56, Екатеринбург — 56, Сочи — 43, Ростов-на-Дону — 47, Новосибирск — 55, Владивосток — 43 градусов северной широты). Если мы делаем циферблат солнечных часов на переносимой поверхности — чертим круг и делим его на 24 части. Если делаем солнечные часы на земле, рисуем круг, в центр круга вставляем палку (гномон) и наклоняем ее на север так, чтобы угол между поверхостью земли и гномоном был равен нашей широте, от нижнего конца гномона ровно на север рисуем черту — это будет 12 часов дня по астрономическому времени. Остальные линии расчерчиваем, деля весь круг на 24 равных сектора. Каждый сектор солнечных часов равен 15 градусам.
Здесь нас ожидает засада. После грамотного разграфления циферблата и наклона гномона, время показывающее солнечными часами может отличаться от времени, которое показывает местное телевидение. Проблема кроется в декретном времени и часовых поясах, которые были для удобства созданы искусственно. Переносимый циферблат с легкостью решит эту проблему, просто вовернем его, пока время не будет правильным. С часами, нарисованными на песке чуть посложнее, этот момент надо учесть при начале разрисовывания циферблата. Например, можно отложить разметку циферблата до 12 часов, когда мы и север без компаса определим и точно главную ось циферблата наших солнечных часов нарисуем. Если ждать некогда, и творчество рвется из Вас, разграфите циферблат солнечных часов в черновом варианте и скорректируйте свой циферблат на ту погрешность, которая у Вас получилась.
В наших широтах солнечные часы работают в самый разгар лета часов с 8 утра и до 8 вечера, так что расовать числа между этими значениями практически бессмысленно. Из-за этого часто на круглом циферблате основание гномона сдвигают вниз.
Экваториальные солнечные часы.
Экваториальные солнечные часы — те же самые горизонтальные часы, только гномон установлен четко вертикально, а сам циферблат наклонен к поверхности земли на угол широты места установки таких часов.
Вертикальные солнечные часы.
Вертикальные солнечные часы обычно крепят на стенах домов. Тот же самый наклоненый гномон и расчерченный через 15 градусов циферблат.
Обычно в городах делают смешанный тип солнечных часов, т.е. на половину угла наклоняют циферблат, наполовину угла наклоняют гномон. Такое построение солнечных часов смотрите эффектнее, собственно, из-за чего их и делают.
Построение солнечных часов своими руками действительно увлечет Вашего ребенка и, кроме того, расширит его кругозор.
Использование для сборки схемы перемычек с зажимом типа «крокодил»
Если всё, что мы хотим собрать, – это простая схема с одним аккумулятором и одним резистором, мы можем легко использовать перемычки с зажимом типа «крокодил»:

Рисунок 1 – Схема с одним аккумулятором и одним резистором
Провода перемычек с пружинными зажимами типа «крокодил» на каждом конце обеспечивают безопасный и удобный метод электрического соединения компонентов.
Если бы мы хотели собрать простую последовательную схему с одной батареей и тремя резисторами, можно было бы применить ту же технику сборки «точка-точка» с использованием перемычек:

Рисунок 2 – Одна батарея и три резистора
Мастер-класс №2. Часы с тропическим декором
Часовой механизм, как говорилось выше, можно снять со старых часов или заказать в Интернете
Но обращайте внимание на некоторые важные моменты:
- какова толщина циферблата;
- каков диаметр резьбы;
- какова высота штока (это «пенек», на который надеваются стрелки).
Настенные часы с тропическим декором
Такие красивые часы вполне можно сделать своими руками
Шаг 1. В первую очередь, определите, где будет находиться цифра 12. С этой целью переверните панно, установите часовой механизм и отметьте середину его верхней части, после чего проведите перпендикулярную линию. Именно от нее будет начинаться отсчет и отмечаться шаг между цифрами (если последние вообще будут).
От этой линии будет начинаться отсчет
Шаг 2. Возьмите лист бумаги, обведите на нем контур циферблата и начинайте рисовать декор. В нашем примере рисуются контуры листьев, вырезаются и переносятся на фанеру карандашом.
Шаг 3. Раскрасьте заготовку согласно выбранному декору.
Раскрашивается заготовка
Шаг 4. После высыхания краски прикрутите часовой механизм. Обычно такие механизмы продаются со схемами сборки, старайтесь придерживаться их. Наденьте на шток подложку из резины, приложите к тыльной стороне циферблата. Середина петельки (верх) должна совпадать со сделанной карандашом отметкой.
Шаг 5. Переверните заготовку, наденьте шайбу на шток и закрутите гайку. Чтобы закрутить ее плотнее, можете использовать плоскогубцы.
Гайку нужно плотно закрутить
Шаг 6. Начинайте надевать стрелки, предварительно убедившись, что все они прямые. Сначала наденьте часовую стрелку, затем – минутную, а в конце – секундную. Надевайте их до легкого щелчка. Сильно не давите, иначе можете повредить нежный крепеж
Также важно, чтобы стрелки были параллельными и не соприкасались (в противном случае часы не будут идти)
Черные стрелки
Шаг 7. В соответствии с отметкой выставьте стрелки на 12, вставьте батарейку и настройте правильное время, используя колесико с обратной стороны механизма.
Все стрелки установлены
Все, потратив всего несколько часов, вы сможете украсить свой дом оригинальными настенными часами!
На изготовление таких настенных часов уйдет буквально пара часов





