Особенности китайских
Многие любят покупать на самом большом китайском базаре Aliexpress. цены и ассортимент радуют. LED driver чаще всего выбирают из-за низкой стоимости и хороших характеристик.
Но с повышением курса доллара покупать у китайцев стало невыгодно, стоимость сравнялась с Российской, при этом отсутствует гарантия и возможность обмена. Для дешевой электроники характеристики бывают всегда завышены. Например, если указана мощность в 50 ватт, в лучшем случае то это максимальная кратковременная мощность, а не постоянная. Номинальная будет 35W — 40W.
К тому же сильно экономят на начинке, чтобы снизить цену. Кое где не хватает элементов, которые обеспечивают стабильную работу. Применяются самые дешевые комплектующие, с коротким сроком службы и невысокого качества, поэтому процент брака относительно высокий. Как правило, комплектующие работают на пределе своих параметров, без какого либо запаса.
Если производитель не указан, то ему не надо отвечать за качество и отзыв про его товар не напишут. А один и тот же товар выпускают несколько заводов в разной комплектации. Для хороших изделий должен быть указан бренд, значит он не боится отвечать за качество своей продукции.
Одним из лучших является бренд MeanWell, который дорожит качеством своих изделий и не выпускает барахло.
What if I don’t have enough voltage? Using an LED Boost Driver (FlexBlock)
The FlexBlock LED drivers are boost drivers which means they can output a higher voltage than what is supplied to them. This allows you to power more LEDs in-series with a single LED driver. This is extremely helpful in applications where your input voltage is limited and you need to get
FlexBlock
more power to the LEDs. As with the BuckPuck driver, the maximum number of LEDs you can power with a single driver in-series is determined by dividing the maximum output voltage of the driver by the forward voltage of your LEDs. The FlexBlock can be connected in two different configurations and varies when it comes to input voltage. In Buck-Boost (standard) mode the FlexBlock can handle LED loads that are above, below, or equal to the voltage of the power-supply. You find the maximum output voltage of the driver in this mode with this formula:
48VDC – Vin
So when using a 12VDC power supply and the XPG2 LEDs from above how many could we run with the 700mA FlexBlock? Your max output voltage is 36VDC (48-12) and the forward voltage of the XPG2 running at 700mA is 2.9 so by dividing 36VDC by this we see that this driver could power 12 LEDs. In Boost-Only Mode the FlexBlock can output up to 48VDC from as little as 10VDC. So if you were in Boost-Only mode you could power up to 16 LEDs (48/2.9). Here we go over using a FlexBlock boosting driver to power your LEDs in depth.
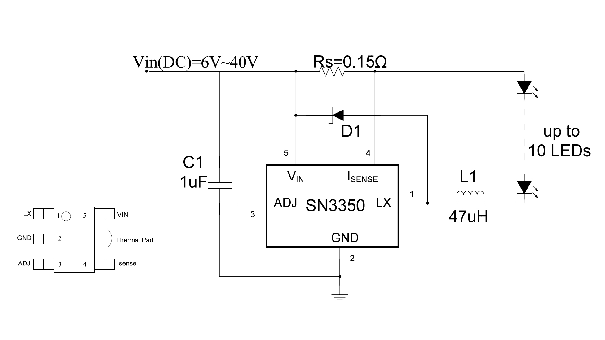
SN3350
SN3350 — очередная недорогая микросхема для светодиодных драйверов (13 руб/штучка). Является практически полным аналогом PT4115 с той лишь разницей, что напряжение питания может лежать в диапазоне от 6 до 40 вольт, а максимальный выходной ток ограничен 750 миллиамперами (длительный ток не должен превышать 700 мА).
Как и все вышеописанные микросхемы, SN3350 представляет собой импульсный step-down преобразователь с функцией стабилизации выходного тока. Как обычно, ток в нагрузке (а в нашем случае в роли нагрузки выступают один или несколько светодиодов) задается сопротивлением резистора R:
R = 0.1 / ILED
Чтобы не превысить значение максимального выходного тока, сопротивление R не должно быть ниже 0.15 Ом.
Микросхема выпускается в двух корпусах: SOT23-5 (максимум 350 мА) и SOT89-5 (700 мА).
Как обычно, подавая постоянное напряжение на вывод ADJ, мы превращаем схему в простейший регулируемый драйвер для светодиодов.
Особенностью данной микросхемы является несколько иной диапазон регулировки: от 25% (0.3В) до 100% (1.2В). При снижении потенциала на выводе ADJ до 0.2В, микросхема переходит в спящий режим с потреблением в районе 60 мкА.
Типовая схема включения:
Остальные подробности смотрите в спецификации на микросхему (pdf-файл).
AL9910
Diodes Incorporated создала одну весьма интересную микросхему драйвера светодиодов: AL9910. Любопытна она тем, что ее рабочий диапазон напряжений позволяет подключать ее прямо к сети 220В (через простой диодный выпрямитель).
Вот ее основные характеристики:
- входное напряжение — до 500В (до 277В для переменки);
- встроенный стабилизатор напряжения для питания микросхемы, не требующий гасящего резистора;
- возможность регулировки яркости путем изменения потенциала на управляющей ноге от 0.045 до 0.25В;
- встроенная защита от перегрева (срабатывает при 150°С);
- рабочая частота (25-300 кГц) задается внешним резистором;
- для работы необходим внешний полевой транзистор;
- выпускается в восьминогих корпусах SO-8 и SO-8EP.
Драйвер, собранный на микросхеме AL9910 не имеет гальванической развязки с сетью, поэтому должен использоваться только там, где невозможно прямое прикосновение к элементам схемы.
Микросхема выпускается в двух модификациях: AL9910 и AL9910a. Отличаются минимальным напряжением запуска (15 и 20В соответственно) и выходным напряжением внутреннего стабилизатора ((7.5 или 10В соответственно). Еще у AL9910a немного выше потребление в спящем режиме.
Стоимость микросхем — около 60 руб/шт.
Типовая схема включения (без диммирования) выглядит так:
Здесь светодиоды всегда горят на полную мощность, которая задается значением резистора Rsense:
Rsense = 0.25 / (ILED + 0.15⋅ILED)
Для регулировки яркости 7-ую ногу отрывают от Vdd и вешают на потенциометр, выдающий от 45 до 250 мВ. Также яркость можно регулировать, подавая ШИМ-сигнал на вывод PWM_D. Если этот вывод посадить на землю, микросхема отключается, выходной транзистор полностью закрывается, потребляемый схемой ток падает до ~0.5мА.
Частота генерации должна лежать в диапазоне от 25 до 300 кГц и, как уже было сказано ранее, она определяется резистором Rosc. Зависимость можно выразить следующим уравнением:
fosc = 25 / (Rosc + 22), где Rosc — сопротивление в килоомах (обычно от 75 до 1000 кОм).
Резистор включается между 8-ой ногой микросхемы и «землей» (или выводом GATE).
Индуктивность дросселя рассчитывается по страшной на первый взгляд формуле:
L ≥ (VIN — VLEDs)⋅VLEDs / (0.3⋅VIN⋅fosc⋅ILED)
Пример расчета
Для примера давайте рассчитаем параметры элементов обвязки микросхемы для двух последовательно включенных светодиода Cree XML-T6 и минимального напряжения питания (15 вольт).
Итак, допустим, мы хотим, чтобы микросхема работала на частоте 240 кГц (0.24 МГц). Значение резистора Rosc должно быть:
Rosc = 25/fosc — 22 = 25/0.24 — 22 = 82 кОм
Идем дальше. Номинальный ток светодиодов — 3А, рабочее напряжение — 3.3В. Следовательно, на двух последовательно включенных светодиодах упадет 6.6В. Имея эти исходные данные, можем рассчитать индуктивность:
L ≥ (VIN — VLEDs)⋅VLEDs / (0.3⋅VIN⋅fosc⋅ILED) = (15-6.6)⋅6.6 / (0.3⋅15⋅240000⋅3) = 17 мкГн
Т.е. больше или равно 17 мкГн. Возьмем распространенную фабричную индуктивность на 47 мкГн.
Осталось рассчитать Rsense:
Rsense = 0.25 / (ILED + 0.15⋅ILED) = 0.25 / (3 + 0.15⋅3) = 0.072 Ом
В качестве мощного выходного MOSFET’а возьмем какой-нибудь подходящий по характеристикам, например, всем известный N-канальник 50N06 (60В, 50А, 120Вт).
И вот, собственно, какая схема у нас получилась:
Не смотря на указанный в даташите минимум в 15 вольт, схема прекрасно запускается и от 12, так что ее можно использовать в качестве мощного автомобильного прожектора. На самом деле, приведенная схема — это реальная схема драйвера светодиодного прожектора 20 ватт YF-053CREE, которая была получена методом реверс-инжиниринга.
Рассмотренные нами микросхемы драйверов светодиодов PT4115, CL6808, CL6807, SN3350, AL9910, QX5241 и ZXLD1350 позволяют быстро собрать драйвер для мощных светодиодов своими руками и широко применяются в современных LED-светильниках и лампах.
В статье были использованы следующие радиодетали:
| Светодиоды | ||
|---|---|---|
| Cree XM-L T6 (10Вт, 3А) | 135 руб/шт. | |
| Cree XM-L2 T6 (10Вт, 3А, медь) | 360 руб/шт. | |
| Транзисторы | ||
| 40N06 | 11 руб/шт. | |
| IRF7413 | 14 руб/шт. | |
| IPD090N03L | 14 руб/шт. | |
| IRF7201 | 17 руб/шт. | |
| 50N06 | 12 руб/шт. | |
| Диоды Шоттки | ||
| STPS2H100A (2А, 100В) | 15 руб/шт. | |
| SS34 (3А, 40В) | 90 коп/шт. | |
| SS56 (5А, 60В) | 3.5 руб/шт. |
Рекомендуемые производители светодиодных драйверов.
Многие светодиодные энергосберегающие лампы уже имеют встроенный драйвер. Тем не менее лучше не приобретать безымянную продукцию родом из Китая. Хотя временами и попадаются достойные внимания экземпляры, что в прочем явление редкое. Существует огромное количество поддельных осветителей. Многие модели не имеют гальванической развязки. Это представляет опасность для светодиодов. Такие источники тока при выходе из строя могут дать импульс и сжечь led-ленту.
Но тем не менее рынок в основном занят именно китайской продукцией. Российские поставщики известны не широко. Из них можно ответить продукцию фирм Аргос, Тритон ЛЕД, Arlight, Ирбис, Рубикон. Большинство моделей может работать и в экстремальных условиях.
Из иностранных можно смело выбрать источники тока от Helvar, Mean Well, DEUS, Moons, EVADA Electronics.
Led-драйвер Helvar.
Led-драйвер Mean Well.
Led-драйвер DEUS.
Led-драйвер «Ирбис».
Led-драйвер MOSO.
Из китайских можно доверять MOSO. Возможно появление новых брендов, которые производят конкурентоспособные устройства.
Хорошие рекомендации имеют Texas Instruments (США) и Rubicon (Япония, не путать с «Рубикон» Россия. Это разные марки). Но пока они дороги.
Как выполнить подключение RGB ленты через контроллер
Как подключить RGB ленту к контроллеру стоит разобрать отдельно, так как есть некоторые особенности.
На фото ниже изображена схема подключения РГБ ленты к контроллеру, соединяющаяся при помощи четырех проводов: 3 из них цветные и 1 соединительный для подачи тока от блока питания. Контроллер должен строго устанавливаться между трансформатором и диодным отрезком.
- Первое, что нужно сделать – с одной стороны где только два провода «+» и «-», соединить контроллер с трансформатором, соблюдая полярность проводов.
- Далее, с другой стороны, нужно подключить отрезок светодиодной ленты с контроллером, как это сделать смотрите подробно на картинке выше. Соедините четыре провода, 3 из них с соблюдением цветной маркировки, а четвертый провод прикрепите на оставшееся место (он обычно белого или черного цвета).
На деле, если выполнить подключение правильно, процесс оказывается совсем не сложным. Если с первого раза не получилось выполнить соединение верно, то не волнуйтесь – током не ударит. Просто поменяйте провода местами.
Основные схемы подключения RGB-ленты
Когда разобрались с подключением контроллера к RGB-ленте, ваш следующий шаг – соединить все оставшиеся детали в общую цепь. Рассмотрим несколько схем подключения, когда требуется соединить один и более отрезок, а также в каком случае необходим усилитель.
- Простой вариант установки всех элементов между собой. Эта схема будет полезна для тех, кто собирается подключить только одну диодную ленту, длиной не более, чем 5 метров. При этом способе достаточно применить один блок питания и RGB контроллер. Если требуемая мощность блока рассчитана правильно, то усилитель не понадобится. Ниже представлена наглядная схема подключения.
- Способ для подключения двух светодиодных отрезков, каждый длиной не более 5 м. Этот метод подключения RGB ленты также прост, но требует некоторых условий для его реализации:
- мощности блока питания и контроллера должно быть достаточно для обслуживания током нескольких диодных отрезков, у которых суммарная длина не более 10 м.
- потребуются дополнительные провода. Как показано на схеме ниже, это можно выполнить путем присоединения к соответствующим выходам контроллера по два провода, которые идут на две разные ленты, соединяя их параллельно друг другу. То есть к одному контакту контроллера присоединяются сразу два провода.
Насколько эффективен этот способ остается только гадать. Ведь мощности одного блока питания может не хватить на долгое время обслуживания двух отрезков лент, а если вы допустили ошибки в расчетах, то конструкция может вовсе не работать.
Для подключения двух отрезков диодных лент существуют более надежные способы. Подразумевается два основных метода соединения всей цепи, длиной свыше 5 м: при помощи дополнительного блока питания и при помощи усилителя.
- Рассмотрим схему подключения РГБ ленты к двум источникам питания, которая представлена ниже. Эта цепь гораздо лучше подходит для обслуживания более длинных участков лент, так как мощность распределяется равномерно на оба отрезка в необходимом объеме. Недостаток этого способа кроется в том, что трансформатор стоит дороже, чем усилитель.
- Следующий метод соединения заключается в добавлении нового элемента – усилителя. При его выборе не требуется рассчитывать мощность всей ленты, а только отдельного отрезка, к которому он присоединяется. Его удобнее использовать, так как трансформатор выглядит более громоздким и тяжелым. К тому же не каждый контроллер выдерживает такое напряжение тока. Здесь на помощь приходит использование RGB усилителей сигнала. В итоге оба отрезка будут синхронно работать. Чтобы было понятнее, взгляните на схему.
- Способ подключения, который позволяет создать более сложную конструкцию из светодиодов любой длины и сложности. Для этого потребуется несколько блоков питания и усилителей, в соответствии с количеством светодиодных лент. Нужно ли добавлять дополнительный трансформатор зависит от мощности освещения. Ниже следует схема того, как вы сможете постепенно наращивать длину подсветки, добавляя через каждые 5 метров по одному усилителю.
Вот еще одна возможная схема подключения сложных конструкций, схожая с предыдущими. Как ее выполнить смотрите ниже.
Вот такое существует разнообразие вариаций подключения, и это не предел, дальше все зависит от вашей фантазии. Главное, найти место для размещения всего этого оборудования.
Драйвер для светодиодных светильников

К питанию уличной светотехники предъявляются немного другие требования. При проектировании уличного освещения учитывается, то LED driver будет работать в условиях от -40° до +40° в сухом и влажном воздухе.
Коэффициент пульсаций для светильников может быть выше, чем при использовании внутри помещения. Для уличного освещения этот показатель становится не важным.
При эксплуатации на улице требуется полная герметичность блока питания. Существует несколько способов защиты от попадания влаги:
- заливка всей платы герметиком или компаундом;
- сборка блока с использованием силиконовых уплотнителей;
- размещение платы светодиодного драйвера в одном объёме со светодиодами.

Максимальный уровень защиты это IP68, обозначается как «Waterproof LED Driver» или «waterproof electronic led driver». У китайцев это не гарантия водонепроницаемости.

По моей практике заявленный уровень защиты от влаги и пыли не всегда соответствует реальному. В некоторых местах может не хватать уплотнителей
Обратите внимание на ввод и вывод кабеля из корпуса, попадаются образцы с отверстием, которое не закрыто герметиком или другим способом. Вода по кабелю сможет затекать в корпус и затем в нём испаряться
Это приведет к возникновению коррозии на плате и открытых частях проводов. Это многократно сократит срок службы прожектора или светильника.

Tools for understanding and finding the right LED driver
So now you should have a pretty good idea on what an LED driver is and on what you need to look for in selecting a driver with a power supply that is sufficient enough for your application. I know there will still be questions and for that you can contact us here at (802) 728-6031 or sales@LEDsupply.com.
We also have this Driver Selector tool that helps calculate what driver would be best by inputting your circuit specs.
If your application requires custom size and output, please contact LEDdynamics. Their LUXdrive division will quickly design and manufacture custom LED drivers right here in the United States.
Что такое драйверы для светодиодов и зачем они нужны
Светодиоды – это полупроводниковые элементы. За яркость их свечения отвечает ток, а не напряжение. Чтобы они работали, нужен стабильный ток, определенного значения. При p-n переходе падает напряжение на одинаковое количество вольт для каждого элемента. Обеспечить оптимальную работу LED-источников с учетом этих параметров – задача драйвера.
Какая именно нужна мощность и насколько падает напряжение при p-n переходе, должно быть указано в паспортных данных светодиодного прибора. Диапазон параметров преобразователя должен вписываться в эти значения.
Устройство светодиода
По сути, драйвер – это блок питания. Но основной выходной параметр этого устройства – стабилизированный ток. Их производят по принципу ШИМ-преобразования с использованием специальных микросхем или на базе из транзисторов. Последние называют простыми.
Преобразователь питается от обычной сети, на выходе выдает напряжение заданного диапазона, которое указывается в виде двух чисел: минимального и максимального значения. Обычно от 3 В до нескольких десятков. Например, с помощью преобразователя с напряжением на выходе 9÷21 В и мощностью 780 мА можно обеспечить работу 3÷6 светодиодных элементов, каждый из которых создает падение в сети на 3 В.
Таким образом, драйвер – это устройство, преобразующее ток из сети 220 В под заданные параметры осветительного прибора, обеспечивающее его нормальную работу и долгий срок эксплуатации.
Внешний вид LED-драйвера
Светодиоды для LED драйверов
YF-053 CREE Светодиод
Похожих по виду на мои, не встретил ни разу.
Собственно, у обоих модулей одна неисправность – частичная, или полная деградация кристаллов светодиодов. Думаю, причина – максимальный ток с драйверов, установленный производителями (китаёзы) в целях маркетинга. Мол, смотрите, какие яркие наши люстры. А то, что они светят от силы часов 10, их не волнует.
Если возникнут претензии от покупателей, они всегда могут ответить, что прожекторы вышли из строя от тряски, ведь такие “люстры” в основном покупают владельцы джипов, а они ездят не только по шоссе.
Если удастся найти светодиоды, буду уменьшать ток драйвера до тех пор, пока не станет заметно уменьшаться яркость светодиодов.
Светодиоды лучше искать на АлиЭкспресс, там большой выбор. Но это рулетка, как повезёт.
Даташиты (техническая информация) на некоторые мощные светодиоды будут в конце статьи.
Думаю, главное для долговечной работы светодиодов – не гнаться за яркостью, а устанавливать оптимальный ток работы.
До связи, Сергей.
P.S. электроникой “болею” с 1970 г., когда на уроке физики собрал свой первый детекторный приёмник.
First Off, You Should Know…
There are two main types of drivers, those that use low voltage DC input power (generally 5-36VDC) and those that use high voltage AC input power (generally 90-277VAC). LED drivers that use high-voltage AC power are called Off-Line drivers, or AC LED drivers. In most applications using a low voltage DC input LED driver is recommended. Even if your input is high voltage AC, using an additional switching power supply will make it possible to use a DC input driver. Low voltage DC drivers are recommended as they are extremely efficient and reliable. For smaller applications there are more dimming and output options available compared to high voltage AC drivers so you have more to work with in your application. If you have a large general lighting project for residential or commercial lighting, however, you should see how AC drivers might be better for this type of job.
Способы соединения
Подключение светодиодной ленты к блоку питания последовательное
Потому обращаем внимание на полярность: соединяем «+» только к такому же полюсу, а «-» — к минусу
На конце ленты, которая приходит на бобине припаяны проводники. Если свечение монохромное, проводников два — «+» и «-«, у многоцветных 4, — один общий «плюсовой» (+V) и три цветных (R — красный, G — зеленый, B — синий).
Бобины в чистом виде
Но не всегда нужен 5-метровый кусок. часто требуются более короткие отрезки. Разрезают ленту по нанесенным линиям.
Линии разреза на светодиодных лентах
На фото вы видите по обе стороны от линии разреза контактные площадки. На каждой ленте они подписаны, так что запутаться при подключении довольно сложно. Чтобы было еще проще, используйте проводники разных цветов. Так будет нагляднее и вы точно не запутаетесь.
Коннекторы
Соединить светодиодную ленту можно без пайки. Для этого есть специальные коннекторы. Это специально разработанные устройства — пластиковые корпуса, которые обеспечивают должный контакт. Есть коннекторы:
- для подключения к ленте проводников;
- соединение двух лент.
Разные типы коннекторов
Все очень просто: открывается крышка, вставляется лента или проводники с оголенными концами. Крышка закрывается. Соединение готово.
Способ очень простой, но не очень надежный. Контакт обеспечивается только давлением, и если немного крышка ослабляется, начинаются проблемы.
Пайка
Если есть хоть какие-то навыки пайки, лучше использовать этот способ. Для работы потребуется паяльник средней мощности, с тонким или заточенным жалом. Нужна канифоль или флюс, а также олово или припой.
Зачищаем от изоляции концы проводников, скручиваем их в плотный жгут. Берем разогретый паяльник, укладываем проводник на канифоль, прогреваем его. Берем на жало паяльника немного припоя, снова прогреваем провода. Жилы должны затянутся оловом — залудиться. В таком виде проводники легко паять.
Как подсоединить диодную ленту
Аналогичным образом пролудить желательно и контактные площадки: окуните паяльник в канифоль, прогрейте площадку. Следите, чтобы олово не вытекало за пределы площадок. Возьмите подготовленный проводник, уложите его на площадку, прогрейте паяльником. Олово должно расплавиться и затянуть проводник. Секунд 10-20 удерживайте проводник на месте (иногда проще держать тонкогубцами или пинцетом — проводник греется), подергайте. Он должен крепко держаться. Аналогичным образом паяем все необходимые проводники.
НА RGB лентах с 4-мя проводами следите, чтобы площадки не соединились во время пайки. Расстояние меду контактами очень маленькое, малейшие потеки могут испортить все дело. Действуйте аккуратно.
Посмотрите процесс пайки диодной ленты в видео. Вам нужно будет повторить все.
https://youtube.com/watch?v=Llxkc64YswI
LED driver ремонт: конструкция светодиодных источников освещения
Изделие состоит из герметичного сверхпрочного корпуса, платы с диодами, драйвера, радиатора охлаждения и цоколя. Корпус может быть выполнен в любом виде: современный рынок предлагает широкое разнообразие вариаций исполнения светодиодных ламп. Что касается светодиодов, то они могут быть размещены как одной плате, так и на нескольких. Радиатор охлаждения в некоторых моделях отсутствует, если конструкция открыта. Если же конструкция закрытого типа и радиатор охлаждения отсутствует, то такие изделия лучше не приобретать. Поскольку лампа может просто перегреться и выйти из строя.
Ремонт драйверов светодиодов: как выглядит процедура?
В первую очередь, следует проверить конденсаторы. Об их неисправности указывает мигание ламп или полное затухание. Самое слабое место схемы – ограничитель сопротивления, у которых уничтожается графитовый слой.
Отдельного внимания заслуживают драйверы с резисторным делителем. У таких механизмов сначала нужно проверить номинал сопротивления. Также может оборваться провод в рампе или поломаться диодный мост.
Если говорить про ремонт LED драйвера импульсного типа, то он выглядит сложнее. Если из строя вышел один светодиод, его можно закоротить. Но это не всегда поможет, поскольку в наших электросетях скачки напряжения не редкость. Надежность просто уменьшится, и ее уже может не хватить.
Ремонт драйвера светодиодного светильника – это трудоемкий процесс, который требует специальной подготовки и наличия инструментов. С подобной задачей справятся только опытные и квалифицированные электрики. В штате работают именно такие специалисты, которым по силам выполнить ремонт драйверов LED светильников любого типа и сложности.
Источник
Основные характеристики драйверов
Ключевые параметры приборов для преобразования тока, на которые нужно опираться при выборе:
- Номинальная мощность устройства. Она указана в диапазоне. Максимальное значение обязательно должно быть немного больше, чем потребляемая мощность, подключаемого осветительного прибора.
- Напряжение на выходе. Значение должно быть больше или равно общей сумме падения напряжения на каждом элементе схемы.
- Номинальный ток. Должен соответствовать мощности прибора, чтобы обеспечивать достаточную яркость.
В зависимости от этих характеристик, определяют какие LED-источники можно подключить при помощи конкретного драйвера.
Вся важная информация есть на корпусе устройства
Способы подключения преобразователей тока
Светодиоды можно подключить к устройству двумя способами: параллельно (несколькими цепочками с одинаковым количеством элементов) и последовательно (один за одним в одной цепи).
Для соединения 6 элементов, падение напряжения которых составляет 2 В, параллельно в две линии понадобится драйвер 6 В на 600 мА. А при подключении последовательно преобразователь должен быть рассчитан на 12 В и 300 мА.
Последовательное подключение лучше тем, что все светодиоды будут светиться одинаково, тогда как при параллельном соединении яркость линий может различаться. При последовательном соединении большого количества элементов потребуется драйвер с большим выходным напряжением.
Способы соединения светодиодов





