↑ Усилительные схемы на ИС LM386
↑ Усилитель с коэффициентом усиления 200
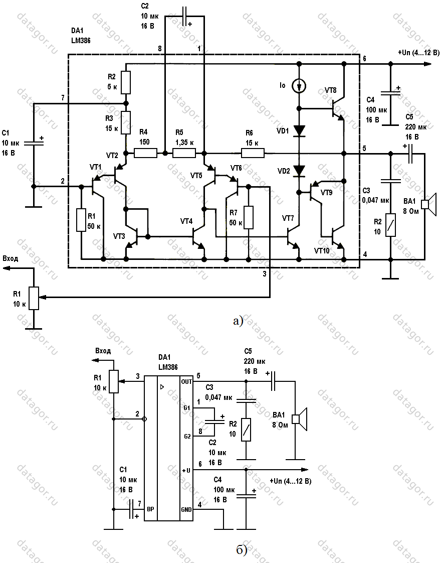
Принципиальная схема усилителя с коэффициентом усиления Ku=200 (46 дБ), изображена на рис. 2 а, б. На первом из них (рис. 2 а) показана функциональная схема ИС LM386, позволяющая лучше понять работу усилителя, а на втором (рис. 2 б) микросхема изображена в виде «чёрного ящика», по ней легче выполнять разводку печатной платы и проверку правильности установки смонтированных на ней элементов.

Рис. 2. Усилитель с коэффициентом усиления 200
Резистор R1 служит регулятором громкости, конденсатор C1 является фильтрующим
Конденсатор C2 шунтирует выводы 1 и 8 микросхемы DA1 по переменному току, благодаря чему достигается максимальный коэффициент усиления; конденсатор C4 служит для развязки по питанию, что важно в условиях работы с разряженной батареей, когда её внутреннее сопротивление увеличивается
Цепочка C3, R2 предназначена для повышения стабильности при работе усилителя на ёмкостную нагрузку. Иногда её установкой пренебрегают, что не является преступлением, но нежелательно, поскольку может преподнести «сюрприз» в самый неподходящий момент. Нагрузка ВА1 подключена к выходу ИС через разделительный конденсатор С5.
↑ Усилитель с минимальным количеством внешних элементов и коэффициентом усиления 20
На рис. 3 показана схема с минимальным количеством элементов, имеющая коэффициент усиления по напряжению Ku=20 (26 дБ). Здесь выводы 1 и 8 микросхемы оставлены свободными, исключён из схемы фильтрующий конденсатор, подключаемый к выводу 7. В результате весь усилитель содержит всего семь элементов, включая и динамическую головку ВА1.

Рис. 3. Усилитель с минимальным количеством внешних элементов и коэффициентом усиления 20
↑ Усилитель с коэффициентом усиления 50
Ещё один вариант схемы приведён на рис. 4. При значениях элементов, показанных на этой схеме, обеспечивается усиление по напряжению Ku=50 (34 дБ).

Рис. 4. Усилитель с коэффициентом усиления 50
По сравнению с предыдущей схемой добавлено три элемента: два конденсатора и резистор. В табл. 2 приведены значения резистора R2 для получения других коэффициентов усиления по напряжению.

↑ Усилитель с подъёмом низких частот
Примером усилителя, в котором производится формирование требуемой частотной характеристики, является схема, показанная на рис. 5. Здесь усиление по напряжению изменено шунтированием внутреннего резистора обратной связи (R6), доступного через выводы 1 и 5 микросхемы LM386. Шунтирование цепочкой R2, C2 позволяет получить подъем частотной характеристики около 6 дБ на частоте 85 Гц, что может быть использовано для улучшения звучания малогабаритных акустических систем.
Коэффициент усиления по напряжению усилителя на частоте 1 кГц составляет Ku=10 (20 дБ).

Рис. 5. Усилитель с подъёмом низких частот
↑ Принципиальная схема усилителя для АМ радиоприёмника
Ещё один пример применения ИС в качестве усилителя для малогабаритного АМ радиоприёмника показан на 6. В этой схеме радиовещательный сигнал после детектора поступает через конденсатор С1, устраняющий передачу постоянной составляющей на регулятор громкости R1.

Рис. 6. Принципиальная схема усилителя для АМ радиоприёмника
Сигнал со среднего вывода R1 поступает на неинвертирующий вход микросхемы DA1 через развязывающую цепочку – фильтр нижних частот R2, C2, устраняющий попадание остатков высокочастотного напряжения. Для этих же целей на выходе усилителя включена цепочка L1, C7. Дело в том, что усилитель на микросхеме DA1 довольно широкополосный (полоса пропускания составляет около 300 кГц) и без принятия подобных мер служит отличным источником радиоизлучений в длинноволновом и средневолновом диапазонах волн.
Резистор R3, включённый параллельно катушке L1, служит для устранения нежелательных резонансов в звуковом диапазоне частот. Коэффициент усиления по напряжению усилителя максимален (Ku=200).
Наряду с оксидным конденсатором С6 включён керамический конденсатор С5, используемый для высокочастотной развязки по цепи источника питания; не забыт в этой схеме и фильтрующий конденсатор, подключаемый к выводу 7 микросхемы (С3).
Катушка L1 представляет собой ферритовую бусинку с пропущенным проводом внутри (Ferrite Bead).
↑ Реализация
Я использовал корпус от электронного балласта для галогеновых ламп, вырезал из микрофона Genius шарнир и вклеил его в корпус. Кнопка включения — от клавиатуры настольного телефона Panasonic (есть в продаже на рынках). Стандартные тактовые кнопки имеют или короткий шток и их неудобно нажимать, или шток слишком длинный и врезается в палец, так что поищите то, что лично вам удобно нажимать. Нормально работают кнопки даже с грязными контактами с сопротивлением десятки Ом.

Я собрал несколько усилителей на LM386, и все они работали сразу и без настройки. На одной плате из-за лужения дорожек выход микросхемы был закорочен, при подаче сигнала светодиод гас из-за падения напряжения батареи, но микросхема не сгорела. Усилитель достаточно универсален, и ему можно найти немало применений.
Очевидно, что универсального микрофонного усилителя не бывает. Певцам надо одно, прослушивателям помещений — другое. Есть вопросы и с питанием. Удаление микрофона ото рта увеличивает долю отраженных сигналов и меняет тембр, надо помнить об этом и не удивляться. Что касается Скайпа, я сталкивался с тем, что в ряде случаев чувствительности микрофонного входа недостаточно, проблема действительно есть. Мои попытки сделать усилитель с питанием от выхода микрофонного усилителя компьютера к успеху не привели. Проще сделать автономное питание, которое сможет работать месяцами, и усилитель будет работать с любым компьютером.
Какой операционный усилитель использовать
Первые два ОУ должны быть пригодны для аудио приложений. Таковыми являются MC33182, LM833 и многие другие. Если где-нибудь в техническом описании микросхемы промелькнут слова «аудио» или «искажения», скорее всего, это будет хороший выбор. 🙂 Помните, что многие современные операционные усилители имеют узкий диапазон допустимых напряжений питания! Коэффициент усиления в каждом из этих первых двух каскадов установлен равным всего 34, поэтому здесь довольно хорошо будут работать даже более медленные ОУ, однако следите за тем, чтобы произведение их усиления на полосу пропускания равнялось хотя бы 1 МГц. У некоторых операционных усилителей, прекрасных во всех отношениях, размах выходного напряжения недостаточен для этой схемы, выходной каскад которой не имеет усиления. Меньшая амплитуда на выходе IC1b означает снижение максимальной мощности, но впрочем, большого значения это обычно не имеет. Не пытайтесь использовать ОУ LM358 в первых двух каскадах; в режиме усилителя напряжения эта микросхема создаст неприятную проблему переходных искажений.
Для выходного каскада был выбран операционный усилитель LM358. При попытках использовать любые другие микросхемы я сталкивался с какими-нибудь трудностями. Первоначально я брал более быстрые ОУ, и на 8-омном эквиваленте нагрузки они показывали хорошие результаты, однако реактивность некоторых реальных громкоговорителей вызывала возбуждение схемы. Небольшие искажения, вносимые LM358, видны как очень слабое дрожание вблизи точки пересечения нуля на частоте в несколько килогерц, однако уровень результирующих гармоник находится за пределами человеческого слуха. При использовании более быстрых ОУ фазовый сдвиг в транзисторах TIP31 и TIP32 приводил к неустойчивости схемы.
Я временно снижал усиление первых каскадов, шунтируя два резистора 33 кОм резисторами 1 кОм. С помощью анализатора нелинейных искажений я измерил, что суммарный уровень гармоник при напряжении питания от 15 В до 18 В и выходной мощности, близкой к максимальной, равен 0.16%. Для LM358 это совсем неплохо! При сопротивлении нагрузки 16 Ом и напряжении питания 18 В искажения снижались до 0.1%. Замена транзисторов на 2N2219 и 2N2905 привела к росту искажений до 0.2% при питании 12 В.
Работа схемы усилителя звука LM386
Простой, но эффективный усилитель звука разработан с использованием ИС усилителя звука LM386. Работа схемы очень проста, так как вся работа выполняется самой микросхемой LM386.
Когда на схему подано питание и на вход подается соответствующий аудиовход, LM386 усиливает входной сигнал в 200 раз и приводит в действие выходной динамик.
Одной из основных проблем с усилителями звука, такими как LM386, является шум. Удивительно, но несмотря на то, что схема построена на макете, из динамика было очень мало шума.
Область применения
LM386 является одной из важных микросхем в аудио сегменте и применяется в портативных колонках и колонках ноутбука.
Схема усилителя звука LM386 может использоваться для записи голоса с микрофона, создания небольших динамиков с батарейным питанием, в FM-радиоустройствах и т. д.
HILDA — электрическая дрель
Многофункциональный электрический инструмент способн…
Подробнее
Аналоги LM358
Наш инструмент имеет достаточное количество прототипов, о которых , безусловно, мы вам и расскажем. Начать, пожалуй, следует с самых популярных “ЛМ”: “258”, “158”, “209”, “4092, “307”, “2902”. Они имеют схожие характеристики и имеют практически идентичное внутреннее строение. Это объясняется тем, что выпускают их, чаще всего, из одного производственного учреждения.

Если же говорить о тех приборах, которые все-таки имеют небольшие отличия, касающиеся тепловых или электрических свойств, то, прежде всего, необходимо отметить: “на-157”, “оп-122”, “са 358”, “та-6165”, “ора-257”. Структурный состав вышеназванных датчиков менее качественен, поэтому они меньше стоят, однако служат долго.
Описание более известных
Вспоминая те измерители, которые больше всего похожи на наш, нельзя ни в коем случае не сказать о ряде их особенностей, играющих ключевую роль в эксплуатации.
Итак, выделим следующие:
- Частотная компенсация, реализованная внутри;
- Большой коэффициент усиления постоянного напряжения: 100 Д.;
- Широкая полоса пропускания: (1,1 МГц.)(с температурным “возмещением”)
- Очень маленький электроток питания на каналах (практически не зависящий от мощности держания и электропитания);
- Небольшая величина начального тока смещения и U-я: 20 нА и 2 мВ;
- Масштаб и объем входящего “гравитационного” с напряжения включает отрицательные рельсы;
- Большое изменение выходного давления: от нуля Вольт до плюс-минус полтора.
Описание менее известных
Так называемые “дешевые аналоги” обладают такими характеристиками:
- Высокий коэффициент передачи сигнала на первичную фазу;
- Легкий вид интегральной схемы;
- Присутствие “неинвертирующих” и “инвертирующих” точек;
- Упрощение сложных математических модулей;
- Сопротивление на выводах равно нулю (бывают редкие исключения из правил).
Усилитель LM386: варианты построения усилителя на микросхеме
А вот если вообще удалить R2 и подключить C2 к контактам 1 и 8, то мы можем увеличить коэффициент усиления до 200
Важно понимать, что увеличение коэффициента усиления не обеспечивает увеличение выходной мощности. Повышенное усиление используется только тогда, когда нужно увеличить очень слабый входной сигнал
Хотя можно построить хорошие усилители звука из дискретных транзисторов, но они все-таки не могут сравниться со многими доступными нам ИС аудиоусилителей. ИС предлагают множество преимуществ, включая высокую эффективность, высокий коэффициент усиления, низкий ток в режиме ожидания, небольшое количество компонентов, компактные размеры и, конечно же, невысокая стоимость.
Неудивительно, что микросхемы аудиоусилителей заменили дискретные транзисторы в большинстве бытовых электронных устройств. Хотя многие экспериментаторы избегают этих маленьких черных загадок, но я собираюсь раскрыть некоторые из их секретов и продемонстрировать, насколько легко ими пользоваться.
Наш первый усилитель показан на рисунке 1 и использует микросхему LM386. Усилитель LM386 теперь выпускается в 3-х вариантах; LM386-1, LM386-2, LM386-3 с уровнями выходной мощности 300, 500 и 700 милливатт соответственно. Тип, продаваемый американской компанией Radio Shack, — это LM386-1, который мы использовали в этой схеме. Возможно, наиболее уникальной особенностью является то, что он может работать при напряжении до 5 вольт и доступен в любой розничной сети Radio Shack.
Как и обычные операционные усилители, интегральные схемы аудио усилителя имеют инвертирующий и неинвертирующий вход. Входные сигналы обычно подаются на неинвертирующий вход, в то время как инвертирующий вход обычно заземляется. Из-за высокого коэффициента усиления усилителей на интегральных схемах, настоятельно рекомендуется изолировать от источника питания, чтобы предотвратить колебания.
В этой схеме R1 и C1 очень хорошо справляются с этой задачей. Резистор R3 регулирует усиление, а конденсатор C3 связывает выход с динамиком. Связь выходных конденсаторов является обязательной практически во всех конструкциях ИС аудиоусилителей.
Наша следующая микросхема — LM380, она также бывает двух видов; LM380-8 и LM380 с выходной мощностью 700 мВт и 2 Вт соответственно. На Рисунке 2 изображен LM380-8, а на Рисунке 3 — LM380. LM380-8 поставляется в корпусе с 8 выводами, и его базовая схема практически идентична LM380, за исключением другого вывода. LM380 поставляется в корпусе с 14 выводами, а выводы 3, 4, 5, 10, 11 и 13 подключены к земле и служат радиатором.
Опыт показал, что LM380 должен быть припаян непосредственно к печатной плате (без разъема IC), если он будет работать с номинальной выходной мощностью 2 Вт
Эта микросхема может сильно нагреваться, поэтому важно избавиться от лишнего тепла через контакты. Основными преимуществами микросхем серии LM380 являются более высокая выходная мощность, очень низкий уровень искажений и небольшое количество внешних компонентов
Независимо от того, какую громкость обеспечивает аудио-усилитель, все же есть те, кому требуется еще больше. В схеме на Рисунке 4 используется усилитель LM383 IC, который обеспечивает выходную мощность до 7 Вт для тех, кто хочет по-настоящему ощутить звук. LM383 поставляется в корпусе типа TO220 с 5 контактами, как показано на рисунке 4. Мой опыт работы с этой ИС показал, что от не должно постоянно отводиться тепло из-за высокого тока в режиме ожидания.
Если вы планируете использовать эту ИС, держите все компоненты как можно ближе к ИС и убедитесь, что ваш источник питания может обеспечивать ток до 1,3 ампер. Основным преимуществом этой интегральной схемы является ее выходная мощность 7 Вт, поэтому она используется во многих недорогих автомобильных радиоприемниках. Эта схема предлагает низкий уровень искажений и является реальной выгодой по сравнению с дискретными транзисторами.
Теперь должно быть очевидно, что микросхемы усилителей звука могут многое предложить нам в плане недорогих схем аудио-усилителей. Нам доступно множество других интегральных схем, и их спецификации можно легко получить, выполнив поиск во всемирной паутине.
Предыдущая запись NE555 схема: универсальные практические проекты
Следующая запись Что такое ресивер в составе домашнего кинотеатра
LM386 Часть 2
Ещё раз о покупке электронных комплектующих на Aliexpress. На этот раз LM386 в корпусе DIP8. Список сокращений: Кг (THD) — коэффициент гармоник ООС — отрицательная обратная связь ЗК — звуковая карта PC — персональный компьютер (англоязычное сокращение) 1. Покупка. После положительных результатов с модулями LM386 захотелось продолжить эксперименты. Были куплены 10 шт. LM386 в корпусе DIP8.

Микросхемы приехали. Вскоре состоялась проверка. Схема стенда — проще простого: всего-то надо подключить питание к выводам микросхемы и померить напряжение на выходе (вывод 5).

Если микросхема исправна, на 5-м выводе присутствует напряжение около половины питающего. Т.к. проверка выполнялась от 4В источника, на выходе ожидалось около 2В.
И тут сюрпрайз: +0,6В. Естественно, в стенде побывали все 10 штук микросхем. У всех — одинаковые симптомы. Сделал фото, открыл спор, через время получил обратно свой доллар.
Отзыв на али:
Дополнительная информация

2. Некоторые замечания о бракованных LM386.
Упрощённая схема LM386:

2.1. Резистор ООС между выводами 1 и 5 легко проверяется омметром: вместо 15 кОм было значение около 20 кОм.
2.2. Обозначение на корпусе: 18CXY LM386 M-82
— это БРАК!
Бракованные микросхемы отправились в мусорное ведро. На их замену с местном инет-магазине были куплены LM386 от производителя UTC. Фото не приводится, т.к. отсутствие полноценного макро объектива не позволяет отснять надписи на корпусе.
3. Продолжение экспериментов. Вновь прибывшие микросхемы также были проверены на стенде: +1,9В на выводе 5, т.е. всё ОК. Сопротивление резистора ООС — около 15 кОм, что вполне соответствует документации.
Спектр выходного сигнала. Условия замера: — питание 4В от LiIon аккумулятора через защитный диод Шоттки 1N5819
— экранированный корпус — оба входа закорочены на землю через 1 кОм

Если очень внимательно читать документацию на LM386, можно заметить, что входной сигнал подаётся на вывод 3 (неинвертирующий). Вывод 2 (инвертирующий вход), как правило, не используется.
Была собрана модель LM386 в симуляторе Multisim10. И проверены две схемы: — входной сигнал подаётся на вход 2 (инвертирующий)

— входной сигнал подаётся на вход 3 (неинвертирующий)

Можно заметить: Кг получился разный (0,28% и 0,44%). Было логично повторить замеры вживую.
Входной сигнал (10 мВ 1 кГц) — на вход 2 (инвертирующий):

Входной сигнал (10 мВ 1 кГц) — на вход 3 (неинвертирующий):

Выводы: — Кг по входам 2 и 3 примерно одинаковый, но при использовании входа 3 немного ниже — не всегда симуляторы дают адекватную оценку таких деликатных параметров, как Кг (THD)
4. Особенности питания LM386 от других источников.
Все замеры выше выполнены при использовании 4В источника (свежезаряженная LiIon аккумулятор, который при малых разрядных токах обеспечивает «чистое» питание 4,0..4,1В под нагрузкой). В цепи питания всегда присутствует защитный диод Шоттки 1N5819.
Падение напряжения на диоде около 0,2В никаким образом не влияет на работоспособность микросхемы.
Некоторые критики внимательные читатели могут заметить, что работоспособность LM386 гарантируется от 4В и выше. С этим никто не спорит.
Как обычно, хочется где-то съэкономить и\или упростить себе жизнь.
4.1. Питание от USB. Условия замера: — +5В подано через RC-фильтр (51 Ом и 47 мкФ) — использован только плюсовой провод от USB — входы закорочены на землю через резисторы 1 кОм

На спектре появилась «расчёска». (
4.2. Питание от повербанка Условия замера: — +5В подано через RC-фильтр (51 Ом и 47 мкФ) — входы закорочены на землю через резисторы 1 кОм

«Расчёска» также присутствует.
ВЫВОДЫ
: — покупать микросхемы необходимо у проверенных продавцов — использование LM386 предпочтительно от LiIon аккумулятора — в зависимости от задачи возможно использование входов 2 и 3 — Кг (THD) в пределах 0,1% при выходном напряжении 200 мВ (типичное значение чувствительности линейных входов звуковой аппаратуры и линейного входа ЗК)
Всем удачных разработок!
PS По незнанию в обзор были добавлены файлы .ovl По сути это текстовые файлы, которые создаёт и использует программа SpectraLab.
Объём этих файлов оказался настолько большим, что при попытке опубликовать обзор сайт выдал ошибку «Более 15000 символов». Поэтому пришлось удалить лишние строки кода из отчёта.
Для желающих скачать все исходные материалы данного обзора, ссылка на гуглодиск.
↑ Другие варианты применения микросхемы LM386
↑ Усилитель на LM386 с гнездом для подключения наушников
На рис. 7 показан усилитель с возможностью подключения головных телефонов. На схеме входное напряжение от источника аудиосигнала подаётся через конденсатор С1, устраняющий постоянную составляющую на регулятор громкости R1.

Рис. 7. Усилитель с гнездом для подключения наушников
Второй конденсатор (С2), включённый между средним выводом R1 и неинвертирующим входом, в принципе не нужен, но такое схемотехническое решение устраняет шорохи при возможном плохом качестве переменного резистора, а также уменьшает смещение половинного напряжения на выходе усилителя.
Гнездо для подключения наушников включено через развязывающий конденсатор С5 таким образом, что при отсутствии штекера наушников подключён динамик ВА1, а при включении штекера – динамик отключается.
Назначение остальных элементов усилителя было рассмотрено выше. Коэффициент усиления по напряжению минимален (Ku=20).
↑ Переговорное устройство на LM386
Взяв за основу усилитель с максимальным коэффициентом усиления (рис. 2), можно получить простое переговорное устройство. Как видно из схемы, представленной на рис. 8, в неё добавлен выключатель питания и переключатель «Приём – передача», обеспечивающий попеременную работу динамических головок ВА1 и ВА2 в качестве микрофона или громкоговорителя.

Рис. 8. Переговорное устройство
Устройство позволяет организовать проводную связь между двумя абонентами. Дальность связи достигает нескольких сотен метров.
Область применения этой конструкции: связь между двумя абонентами, игры и т. п. Усилитель с динамической головкой ВА1 располагается на основном пункте связи, а другая динамическая головка – на удалённом пункте связи. Соединение основного и удалённого пунктов связи выполняют многожильным телефонным двухпроводным кабелем. Конструкция питается от батареи напряжением 9 В типа «Крона».
↑ Генератор синусоидальных сигналов с малыми искажениями на LM386
Этот же усилитель без больших затрат превращается в генератор синусоидальных сигналов с малым коэффициентом гармоник. Схема генератора с мостом Вина показана на рис. 9.

Рис. 9. Генератор синусоидальных сигналов с малыми искажениями
Напомним, что частота генератора определяется выражением:
fo=½Π√(R1R2C1C2)
Чаще всего выбирают R1=R2 и C1=C2, при этом выражение упрощается:
fo=½ΠR1C1
Вторым требованием является то, что коэффициент отрицательной обратной связи усилителя должен быть равен точно 1/3 . При указанных условиях в схеме возникают незатухающие колебания. Если этот коэффициент меньше 1/3, амплитуда колебаний будет быстро увеличиваться со временем, пока выходное напряжение не превратится в меандр.
Если коэффициент отрицательной обратной связи более 1/3, амплитуда колебаний через некоторое время будет стремиться к нулю. Ясно, что установить идеальное значение коэффициента можно, если применить систему автоматической регулировки амплитуды.
Для этого предусмотрена цепь отрицательной обратной связи R3, HL1, которая так воздействует на коэффициент усиления, чтобы амплитуда колебаний стабилизировалась при весьма малых нелинейных искажениях (порядка 0,05%).
Если выходное напряжение генератора по каким-либо причинам увеличивается, увеличится и ток через R3, а также напряжение на нелинейном элементе – лампе накаливания HL1. Нить лампы накаливания разогреется, и её сопротивление увеличится, что приведёт к уменьшению глубины отрицательной обратной связи и уменьшению напряжения на выходе генератора. При уменьшении выходного напряжения генератора процессы происходят в обратном направлении, в результате обеспечивается автоматическая стабилизация коэффициента усиления.
При указанных на принципиальной схеме значениях элементов частота генерируемых колебаний составляет 1 кГц, а амплитуда – около 2 В эфф.
↑ Генератор прямоугольных импульсов на LM386
Схема, показанная на рис. 10, представляет собой генератор сигналов прямоугольной формы.

Рис. 10. Генератор прямоугольных импульсов
Усилитель DA1 играет роль компаратора. Положительная обратная связь реализуется с помощью делителя R1, R2, подключённого к неинвертирующему входу усилителя. Коэффициент обратной связи Kос=R2/(R1+R2). В состав отрицательной обратной связи включена интегрирующая цепь R3, C1.
Период колебаний генератора для симметричных сигналов прямоугольной формы составляет:
T=2R3C1ln[(1+Kос)/(1-Kос)]
При Кос=0,462 формула упрощается:
Т=2R3C1, и частота f=½R3С1
Максимальная частота генерируемых схемой колебаний ограничена скоростью нарастания выходного напряжения усилителя DA1.
↑ Список источников
1. LM386 — Low Voltage Audio Power Amplifier . 2. Дайджест КВ+УКВ // Радиоаматор, 2009, №2, с. 56 (Как получить усиление 74 дБ от микросхемы LM386). 3. Мосягин В. Узконаправленный микрофон // Радио, 2002, №5, с. 54, 55. 4. Merryfield T. Super-Ear Audio Telescope // Everyday Practical Electronics, 2005, №6, p. 388 – 392. 5. Stewart J. The Big Ear // Nuts & Volts, 2008, №10, p. 34 – 39. 6. Фолкенберри Л. Применения операционных усилителей и линейных ИС. – М.: Мир, 1985. 572 с. (с. 250 — 254). 7. Дайджест (Тест микрофонного эффекта конденсаторов) // Радиохобби, 2000, №5, с. 25. 8. Большая статья о маленьком усилителе на микросхеме TDA2822M. Датагорская статья. 9. Справочник. Микросхема УМЗЧ LA4525. Микросхема УМЗЧ LA4534M // Радиоконструктор, 2008, №9, с. 20 — 22. 10. Мосягин В.В. Юному радиолюбителю для прочтения с паяльником. (Серия «СОЛОН – радиолюбителям», выпуск 17). – М.: СОЛОН – Пресс, 2003. – 208 с. 11. Мосягин В.В. Секреты радиолюбительского мастерства. (Серия «СОЛОН – радиолюбителям) – М.: СОЛОН – Пресс, 2005. – 216 с.
Популярные схемы на lm358
Существуют различные устройства, собранные на LM358 N , выполняющие определенные функции. При этом это могут быть всевозможные усилители как УМЗЧ, так и в промежуточных цепях измерений различных сигналов, усилитель термопары LM358, сравнивающие схемы, аналого-цифровые преобразователи и прочее.
Неинвертирующий усилитель и источник опорного напряжения
Это самые популярные типы схем подключения, применяемые во многих устройствах для выполнения различных функций. В схеме неинвертирующего усилителя
выходное напряжения будет равно произведению входного на пропорциональный коэффициент усиления, сформированный отношением двух сопротивлений, включенных в инвертирующую цепь.
Схема источника опорного напряжения пользуется высокой популярностью благодаря своим высоким практическим характеристикам и стабильности работы в различных режимах. Схема отлично удерживает необходимый уровень выходного напряжения. Она получила применение для построения надежных и высококачественных источников питания, аналоговых преобразователей сигналов, в устройствах измерения различных физических величин.
Одной из самых качественных схем синусоидальных генераторов является устройство на мосте Вина
При корректном подборе компонентов генератор вырабатывает импульсы в широком диапазоне частот с высокой стабильностью. Также микросхема LM 358 часто используется для реализации генератора прямоугольных импульсов различной скважности и длительности
При этом сигнал является стабильным и высококачественным.
Усилитель
Основным применением микросхемы LM358 являются усилители и различная усилительная аппаратура. Что обеспечивается за счет особенностей включения, выбора прочих компонентов. Такая схема применяется, например, для реализации усилителя термопары.
Усилитель термопары на LM358
Очень часто в жизни радиолюбителя требуется осуществлять контроль температуры каких-либо устройств. Например, на жале паяльника
. Обычным градусником это не сделаешь, тем более, когда необходимо изготовить автоматическую схему регулирования. Для этого можно использоваться ОУ LM 358. Эта микросхема имеется малый тепловой дрейф нуля, поэтому относится к высокоточным. Поэтому она активно используется многими разработчиками для изготовления паяльных станций, прочих в устройствах.
Схема позволяет измерять температуру в широком диапазоне от 0 до 1000 о С с достаточно высокой точностью до 0,02 о С. Термопара изготовлена из сплава на основе никеля: хромаля, алюмеля. Второй тип металла имеет более светлый цвет и меньше подвержен к намагничиванию, хромаль темнее, магнитится лучше. К особенностям схемы стоит отнести наличие кремниевого диода, который должен быть размещен как можно ближе к термопаре. Термоэлектрическая пара хромаль-алюмель при нагреве становится дополнительным источником ЭДС, что может внести существенные коррективы на основные измерения.
Простая схема регулятора тока
Схема включает кремниевый диод
. Напряжения перехода с него используется как источник опорного сигнала, поступающий через ограничивающий резистор на неинвертирующий вход микросхемы. Для регулировки тока стабилизации схемы использован дополнительный резистор, подключенный к отрицательному выводу источника питания, к неивертирующему входу МС.
Схема состоит из нескольких компонентов:
- Резистора, подпирающего ОУ минусовым выводом и сопротивлением 0,8 Ом.
- Резистивного делителя напряжения, состоящего из 3 сопротивлений с диодом, выступающего источником опорного напряжения.
Резистор номиналом 82 кОм подключен к минусу источника и положительному входу МС. Опорное напряжение формируется делителем, состоящим из резистора 2,4 кОм и диода в прямом включении. После чего ток ограничивается резистором 380 кОм. ОУ управляет биполярным транзистором , эмиттер которого подключен непосредственно к инвертирующему входу МС, образовав отрицательную глубокую связь. Резистор R 1 выступает измерительным шунтом. Опорное напряжение формируется при помощи делителя, состоящего из диода VD 1 и резистора R 4.
В представленной схеме при условии использования резистора R 2 сопротивлением 82 кОм ток стабилизации в нагрузке составляет 74мА при входном напряжении 5В. А при увеличении входного напряжения до 15В ток увеличивается до 81мА. Таким образом, при изменении напряжения в 3 раза ток изменился не более, чем на 10%.




